Sony KDL-26 L4000: Lisälaitteiden käyttö Lisälaitteiden kytkentä
Lisälaitteiden käyttö Lisälaitteiden kytkentä: Sony KDL-26 L4000
17
FI
Lis
ä
la
it
te
ide
n
käy
ttö
Lisälaitteiden käyttö Lisälaitteiden kytkentä
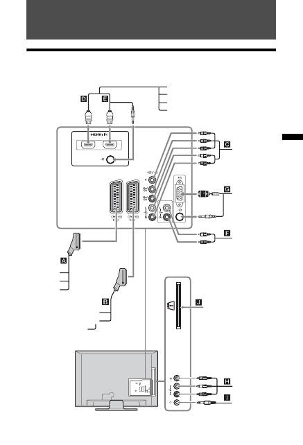
Televisioon voi kytkeä useita erilaisia lisälaitteita. Kytkentäkaapeleita ei toimiteta television mukana.
AV
3
PC IN
COMPONENT IN
1
AV1
AV2
2
Pelikonsolit/DVC-
videokamera
Kuulokkeet
DVD-soitin,
jossa on
komponentti-
lähtöliitäntä
Tallentava DVD-laite
Dekooderi
Kuvanauhuri
Pelikonsolit
DVD-soitin
Dekooderi
PC
Hi-Fi-
äänentoistolaite
CAM-kortti
Tietokone (HDMI-ulostulo)
Blu-ray-soitin
Digitaalinen videokamera
DVD-soitin
Оглавление
- Indholdsfortegnelse
- Opstartsvejledning 1: Kontrol af det medfølgende tilbehør
- 3: Tilslutning af en antenne/video/dvd-optager
- 4: Undgå, at TV-apparatet vælter
- Sikkerhedsoplysninger
- Forholdsregler
- Oversigt over fjernbetjeningen
- Oversigt over TV-apparatets knapper og indikatorer
- Se TV Se TV
- Kontrol af den digitale elektroniske programguide (EPG) *
- Anvendelse af den digitale favoritliste *
- Anvendelse af ekstraudstyr Tilslutning af ekstraudstyr
- Visning af billeder fra tilsluttet udstyr
- Brug af kontrol til HDMI
- Anvendelse af funktionerne under MENU Navigation gennem menuer
- Menuen Billedjustering
- Menuen Lydjustering
- Menuen Funktioner
- Menuen Opsætning
- Menuen Digital opsætning
- Yderligere oplysninger Specifikationer
- Fejlsøgning
- Sisällysluettelo
- Aloitusopas 1: Mukana toimitettujen lisävarusteiden tarkistaminen
- 3: Antennin/videonauhurin/DVD-tallentimen kytkeminen
- 4: Television kaatumisen estäminen
- 7: Television automaattinen viritys
- Turvallisuusohjeita
- Varotoimenpiteet
- Kaukosäätimen painikkeet
- Television painikkeet ja merkkivalot
- Television katselu Television katselu
- Digitaalisen elektronisen ohjelmaoppaan (EPG) käyttö *
- Digitaaliset suosikit-luettelon käyttö *
- Lisälaitteiden käyttö Lisälaitteiden kytkentä
- Televisioon kytkettyjen laitteiden kuvan katselu
- HDMI-ohjauksen käyttäminen
- MENU-toimintojen käyttö Valikoissa liikkuminen
- Kuvasäädöt-valikko
- Äänisäädöt-valikko
- Ominaisuudet-valikko
- Perusasetukset-valikko
- Digi-tv-asetukset-valikko
- Lisätietoja Tekniset tiedot
- Vianmääritys
- Innhold
- Oppstart 1: Kontrollere tilbehøret
- 3: Koble til antenne/videospiller/ DVD-opptaker
- 4: Forhindre at TV-en velter
- 7: Stille inn TV-en automatisk
- Sikkerhetsinformasjon
- Forholdsregler
- Oversikt over fjernkontrollen
- Oversikt over knappene og indikatorene på TV-en
- Se TV Se TV
- Kontrollere den digitale elektroniske programguiden (EPG) *
- Bruke den digitale favorittlisten *
- Bruke tilleggsutstyr Koble til tilleggsutstyr
- Vise bilder fra utstyr som er koblet til TV-en
- Bruke kontroll for HDMI
- Bruke MENU -funksjonene Navigere gjennom menyene
- Bildejustering-meny
- Lydjustering-meny
- Egenskaper-meny
- Oppsett-meny
- Digital innstilling meny
- Tilleggsinformasjon Spesifikasjoner
- Feilsøking
- Innehållsförteckning
- Startguide 1: Kontrollera tillbehör
- 3: Ansluta en antenn/videobandspelare/ DVD-brännare
- 4: Förhindra att din TV välter
- 7: Automatisk inställning av TV:n
- Säkerhetsinformation
- Säkerhetsföreskrifter
- Översikt över fjärrkontrollen
- Översikt över TV:ns knappar och indikatorer
- Se på TV Se på TV
- Kontrollera den digitala, elektroniska programguiden (EPG) *
- Använda den digitala favoritlistan *
- Använda extra utrustning Ansluta extra utrustning
- Visa bilder från ansluten utrustning
- Använda kontroll för HDMI
- Använda MENY-funktioner Navigering i menyerna
- Menyn Bildjustering
- Menyn Ljudjustering
- Menyn Finesser
- Menyn Inställningar
- Menyn Digital inställning
- Övrig information Specifikationer
- Felsökning
- Table of Contents
- Start-up Guide 1: Checking the accessories
- 3: Connecting an aerial/VCR/ DVD recorder
- 4: Preventing the TV from toppling over
- 7: Auto-tuning the TV
- Safety information
- Precautions
- Overview of the remote
- Overview of the TV buttons and indicators
- Watching TV Watching TV
- Checking the Digital Electronic Programme Guide (EPG) *
- Using the Digital Favourite list *
- Using Optional Equipment Connecting optional equipment
- Viewing pictures from connected equipment
- Using control for HDMI
- Using MENU Functions Navigating through menus
- Picture Adjustment menu
- Sound Adjustment menu
- Features menu
- Set-up menu
- Digital Set-up menu
- Additional Information Specifications
- Troubleshooting
- Spis treści
- Instrukcja podłączania i programowania
- Informacje dotyczące bezpieczeństwa
- Środki ostrożności
- Odbiór audycji telewizyjnych Odbiór audycji telewizyjnych
- Korzystanie z listy Ulubione cyfrowe *
- Korzystanie z dodatkowego sprzętu Podłączanie dodatkowego sprzętu
- Korzystanie z funkcji MENU Poruszanie się po menu
- Informacje dodatkowe Dane techniczne
- Содержание
- Начало работы
- Сведения по безопасности
- Меры предосторожности
- Описание пульта ДУ
- Просмотр телевизионных программ Просмотр телевизионных программ
- Использование цифрового электронного экранного телегида (EPG) *
- Использование списка избранных цифровых программ *
- Использование дополнительных устройств Подключение дополнительных устройств
- Использование функций меню Навигация по системе меню
- Меню “Настройка изображения”
- Меню “Настройка звука”
- Меню “Функции”
- Меню “Настройка”
- Меню “Цифровая конфигурация”
- Дополнительные сведения Технические характеристики
Топ 10 инструкций
100.00
MB QUART DSG 21399.98
Skil 0790 RA99.98
Bosch KGN39VW2199.97
Sony CDX-CA750X RU99.97
Braun 310 Series 399.96
Asus P3-PE599.96
Siemens MQ 5 N 29899.96
YUKON EXTEND LRS-1000
