Sony KDL-26 L4000: Использование дополнительных устройств Подключение дополнительных устройств
Использование дополнительных устройств Подключение дополнительных устройств: Sony KDL-26 L4000
17
RU
И
с
пользование д
о
полнит
ельны
х
уст
ройств
Использование дополнительных устройств Подключение дополнительных устройств
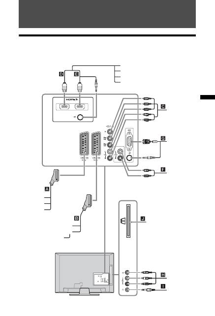
Вы можете подключить к Вашему телевизору широкий спектр дополнительных устройств.
Соединительные кабели не входят в комплект поставки.
AV
3
PC IN
COMPONENT IN
1
AV1
AV2
2
Игровая
приставка/DVC
видеокамера
Наушники
DVD-проигрыватель
с компонентным
выходом
Устройство записи DVD-дисков
Декодер
Видеомагнитофон
Игровая
приставка
DVD-
проигрыватель
Декодер
ПК
ПК (выход HDMI)
Проигрыватель дисков
Blu-ray
Цифровая видеокамера
DVD-проигрыватель
Аудиосистема
класса Hi-Fi
Модуль CAM
18
RU
Просмотр изображения с
устройств,
подключенных к
телевизору
Включите подключенное оборудование, а затем
выполните одну из следующих операций.
Для видеомагнитофона с
автоматической настройкой (стр. 7)
В аналоговом режиме нажимайте PROG +/- или на
цифровые кнопки для выбора видеоканала.
Для других подключенных устройств
Нажмите кнопку
для отображения списка
подсоединенного оборудования. Для выбора
желаемого источника входного сигнала нажмите
кнопку
F
/
f
, затем нажмите кнопку
.
(Выделенный элемент будет выбран, если после
нажатия
F
/
f
в течение двух секунд не будут
выполнены никакие действия.)
Дополнительные операции
Символ на экране Описание
AV1/
AV1
AV1
Для просмотра изображения с
устройства, подключенного к
разъему
A
.
AV2/
AV2
AV2
Для просмотра изображения с
устройства, подключенного к
разъему
B
.
Component
Для просмотра изображения с
устройства, подключенного к
разъему
C
.
HDMI1
HDMI IN 1*.
Для просмотра изображения с
устройства, подключенного к разъему
D
.
HDMI2
HDMI IN 2*.
Для просмотра изображения с
устройства, подключенного к разъему
E
Если оборудование оснащено гнездом
DVI, подключите гнездо DVI к гнезду
HDMI IN 2 с помощью переходного
интерфейса DVI-HDMI (не
прилагается) и подключите гнезда
аудиовыходов оборудования к
гнездам аудиовходов в гнездах HDMI
IN 2.
*
~
• Используйте только кабель HDMI с логотипом
HDMI.
• Связь с подключенными устройствами
поддерживается, если эти устройства совместимы с
HDMI управлением. Об установке связи см. стр. 19.
AV3
Для просмотра изображения с
устройства, подключенного к
разъему
H
.
PC
Для просмотра изображения с
устройства, подключенного к
разъему
G
.
z
Рекомендуется использовать кабель
ПК с ферритами, например, “разъем,
D-sub 15” (ref. 1-793-504-11, продается
в Sony Service Centre), или
аналогичный.
Чтобы
подключить
Необходимо
Наушники
I
Подсоединить к гнезду
i
, чтобы
слушать звук с телевизора через
наушники.
CAM (Модуль
ограниченного
доступа)
J
Для просмотра Pay Per View -
кодированных платных программ,
распространяемых по подписке.
Более подробную информацию см. в
инструкции, приложенной к Вашему
CAM. Для использования CAM
удалите макет карточки из разъема
CAM. Выключите телевизор, когда
будете вставлять модуль CAM в
разъем CAM. Если CAM не
используется, рекомендуется
вставлять макет карточки в разъем
CAM.
~
CAM не поддерживается в некоторых
странах/регионах. Обратитесь к
авторизованному дилеру.
Аудиосистему
класса Hi-Fi
F
Подсоединить к аудиовыходам
для прослушивания звука с
телевизора через аудиосистему.
Чтобы
Необходимо
Возвратиться к
обычному режиму
работы телевизора
Нажать DIGITAL или ANALOG.
Получить доступ к
цифровому списку
(только в цифровом
режиме)
Нажать .
Подробности см. на стр. 16.
Символ на экране Описание
19
RU
И
с
пользование д
о
полнит
ельны
х
уст
ройств
Использование меню “Сервис”
Во время просмотра изображений от подключенных к
телевизору устройств нажмите
кнопку
TOOLS для
вывода на экран следующих опций.
Использование
функции контроля
по HDMI
Функция контроля по HDMI позволяет
соединить телевизор с подключенным
оборудованием, поддерживающим эту функцию,
используя стандарт HDMI CEC (Consumer
Electronics Control). Например, подключив
устройство Sony, поддерживающее функцию
контроля по HDMI (с помощью кабелей HDMI),
к телевизору, можно выполнять совместное
управление этими устройствами.
Убедитесь, что устройство подключено
надлежащим образом, и выполните
необходимые настройки.
Настройка функции контроля по
HDMI
Функцию контроля по HDMI следует
настроить на телевизоре и подключенном
устройстве. Информацию о настройках
телевизора см. в разделе “Настройка HDMI”
на стр. 27. Информацию о настройках
подключенного устройства см. в руководстве
по эксплуатации, прилагаемом к устройству.
Функции контроля по HDMI
• Одновременное с телевизором
выключение подключенных к нему
устройств.
• Включение телевизора одновременно с
подключенными к нему устройствами и
автоматический выбор соответствующего
входа при начале воспроизведения на
одном из них.
Опции
Описание
Закрыть
Используется для
закрытия меню “Сервис”
Режим изображения (кроме
режима работы, при
котором сигнал подается на
вход PC)
См. стр. 21.
Режим дисплея (только для
режима работы, при
котором сигнал подается на
вход PC)
См. стр. 21.
Эффект
См. стр. 23.
Динамик
См. стр. 23.
Сдвиг по горизонтали
(только для режима работы,
при котором сигнал подается
на вход PC)
См. стр. 24.
Сдвиг по вертикали (только
для режима работы, при
котором сигнал подается на
вход PC)
См. стр. 24.
Таймер выкл. (кроме режима
работы, при котором сигнал
подается на вход PC)
См. стр. 25.
Энергосбереж.
См. стр. 24.
Оглавление
- Indholdsfortegnelse
- Opstartsvejledning 1: Kontrol af det medfølgende tilbehør
- 3: Tilslutning af en antenne/video/dvd-optager
- 4: Undgå, at TV-apparatet vælter
- Sikkerhedsoplysninger
- Forholdsregler
- Oversigt over fjernbetjeningen
- Oversigt over TV-apparatets knapper og indikatorer
- Se TV Se TV
- Kontrol af den digitale elektroniske programguide (EPG) *
- Anvendelse af den digitale favoritliste *
- Anvendelse af ekstraudstyr Tilslutning af ekstraudstyr
- Visning af billeder fra tilsluttet udstyr
- Brug af kontrol til HDMI
- Anvendelse af funktionerne under MENU Navigation gennem menuer
- Menuen Billedjustering
- Menuen Lydjustering
- Menuen Funktioner
- Menuen Opsætning
- Menuen Digital opsætning
- Yderligere oplysninger Specifikationer
- Fejlsøgning
- Sisällysluettelo
- Aloitusopas 1: Mukana toimitettujen lisävarusteiden tarkistaminen
- 3: Antennin/videonauhurin/DVD-tallentimen kytkeminen
- 4: Television kaatumisen estäminen
- 7: Television automaattinen viritys
- Turvallisuusohjeita
- Varotoimenpiteet
- Kaukosäätimen painikkeet
- Television painikkeet ja merkkivalot
- Television katselu Television katselu
- Digitaalisen elektronisen ohjelmaoppaan (EPG) käyttö *
- Digitaaliset suosikit-luettelon käyttö *
- Lisälaitteiden käyttö Lisälaitteiden kytkentä
- Televisioon kytkettyjen laitteiden kuvan katselu
- HDMI-ohjauksen käyttäminen
- MENU-toimintojen käyttö Valikoissa liikkuminen
- Kuvasäädöt-valikko
- Äänisäädöt-valikko
- Ominaisuudet-valikko
- Perusasetukset-valikko
- Digi-tv-asetukset-valikko
- Lisätietoja Tekniset tiedot
- Vianmääritys
- Innhold
- Oppstart 1: Kontrollere tilbehøret
- 3: Koble til antenne/videospiller/ DVD-opptaker
- 4: Forhindre at TV-en velter
- 7: Stille inn TV-en automatisk
- Sikkerhetsinformasjon
- Forholdsregler
- Oversikt over fjernkontrollen
- Oversikt over knappene og indikatorene på TV-en
- Se TV Se TV
- Kontrollere den digitale elektroniske programguiden (EPG) *
- Bruke den digitale favorittlisten *
- Bruke tilleggsutstyr Koble til tilleggsutstyr
- Vise bilder fra utstyr som er koblet til TV-en
- Bruke kontroll for HDMI
- Bruke MENU -funksjonene Navigere gjennom menyene
- Bildejustering-meny
- Lydjustering-meny
- Egenskaper-meny
- Oppsett-meny
- Digital innstilling meny
- Tilleggsinformasjon Spesifikasjoner
- Feilsøking
- Innehållsförteckning
- Startguide 1: Kontrollera tillbehör
- 3: Ansluta en antenn/videobandspelare/ DVD-brännare
- 4: Förhindra att din TV välter
- 7: Automatisk inställning av TV:n
- Säkerhetsinformation
- Säkerhetsföreskrifter
- Översikt över fjärrkontrollen
- Översikt över TV:ns knappar och indikatorer
- Se på TV Se på TV
- Kontrollera den digitala, elektroniska programguiden (EPG) *
- Använda den digitala favoritlistan *
- Använda extra utrustning Ansluta extra utrustning
- Visa bilder från ansluten utrustning
- Använda kontroll för HDMI
- Använda MENY-funktioner Navigering i menyerna
- Menyn Bildjustering
- Menyn Ljudjustering
- Menyn Finesser
- Menyn Inställningar
- Menyn Digital inställning
- Övrig information Specifikationer
- Felsökning
- Table of Contents
- Start-up Guide 1: Checking the accessories
- 3: Connecting an aerial/VCR/ DVD recorder
- 4: Preventing the TV from toppling over
- 7: Auto-tuning the TV
- Safety information
- Precautions
- Overview of the remote
- Overview of the TV buttons and indicators
- Watching TV Watching TV
- Checking the Digital Electronic Programme Guide (EPG) *
- Using the Digital Favourite list *
- Using Optional Equipment Connecting optional equipment
- Viewing pictures from connected equipment
- Using control for HDMI
- Using MENU Functions Navigating through menus
- Picture Adjustment menu
- Sound Adjustment menu
- Features menu
- Set-up menu
- Digital Set-up menu
- Additional Information Specifications
- Troubleshooting
- Spis treści
- Instrukcja podłączania i programowania
- Informacje dotyczące bezpieczeństwa
- Środki ostrożności
- Odbiór audycji telewizyjnych Odbiór audycji telewizyjnych
- Korzystanie z listy Ulubione cyfrowe *
- Korzystanie z dodatkowego sprzętu Podłączanie dodatkowego sprzętu
- Korzystanie z funkcji MENU Poruszanie się po menu
- Informacje dodatkowe Dane techniczne
- Содержание
- Начало работы
- Сведения по безопасности
- Меры предосторожности
- Описание пульта ДУ
- Просмотр телевизионных программ Просмотр телевизионных программ
- Использование цифрового электронного экранного телегида (EPG) *
- Использование списка избранных цифровых программ *
- Использование дополнительных устройств Подключение дополнительных устройств
- Использование функций меню Навигация по системе меню
- Меню “Настройка изображения”
- Меню “Настройка звука”
- Меню “Функции”
- Меню “Настройка”
- Меню “Цифровая конфигурация”
- Дополнительные сведения Технические характеристики

