Pioneer VSX-1021: Collegamento dell’apparecchio
Collegamento dell’apparecchio: Pioneer VSX-1021
It
7
02
Collegamento dell’apparecchio
Collegamento dell’apparecchio
Collegamento
dell’apparecchio
Questo ricevitore offre numerose possibilità
di collegamento, che tuttavia non complicano
l’impostazione. In questo capitolo vengono
descritti i tipi di componenti che è possibile
collegare per creare un sistema home theater.
ATTENZIONE
Prima di effettuare o modificare i collegamenti,
disattivare l’alimentazione elettrica e scollegare
il cavo di alimentazione dalla presa a muro.
L’alimentazione elettrica dovrà essere collegata
come ultima fase.
Importante
L’illustrazione mostra l’VSX-1021, tuttavia i
collegamenti per l’VSX-921 sono uguali, salvo
dove indicato.
Per determinare luso dei
diffusori
Questa unità permette la creazione di vari
sistemi surround in accordo con il numero di
diffusori che avete.
!
Non mancare di collegare i diffusori ai canali
anteriori sinistro e destro (
L
e
R
).
!
È anche possibile collegare solo uno dei
diffusori surround posteriori (
SB
) o nessuno.
Scegliere uno degli schemi da [A] a [E] che
seguono.
Importante
!
L’impostazione
Speaker System
è necessaria
se si usano i collegamenti menzionati di
seguito, salvo quelli [A] (vedere
Impostazione
dei diffusori
nelle istruzioni per l’uso del
CD-ROM).
!
Il suono non esce simultaneamente dai
diffusori anteriori di altezza, anteriori di
ampiezza, diffusori B e surround posteriori.
I diffusori che riproducono dipendono dal
segnale ricevuto o dalla modalità di ascolto.
[A] Sistema surround a 7.1 canali (anteriori
altezza)
*Impostazione predefinita
!
Impostazione
Speaker System
:
Normal(SB/FH)
SL
L
FHL
SW
C
R
FHR
SR
SBL
SBR
Un sistema surround a 7.1 canali collega i
diffusori anteriori sinistro e destro (
L
/
R
), quello
centrale (
C
), i diffusori di altezza anteriori destro
(
FHL
/
FHR
), quelli surround sinistro e destro (
SL
/
SR
), quelli surround posteriori sinistro e destro
(
SBL
/
SBR
) ed il subwoofer (
SW
).
Non è possibile produrre suono contempora-
neamente dai diffusori anteriori di altezza o
ampiezza e dai diffusori surround posteriori.
Questo sistema surround produce un suono
dall’alto più realistico.
[B] Sistema surround a 7.1 canali (anteriori
ampiezza)
!
Impostazione
Speaker System
:
Normal(SB/FW)
FWR
FWL
SL
L
SW
C
R
SR
SBL
SBR
Questo schema sostituisce i diffusori di altezza
sinistro e destro visti in [A] con i due diffusori di
ampiezza sinistro e destro (
FWL
/
FWR
).
Non è possibile produrre suono contempora-
neamente dai diffusori anteriori di altezza o
ampiezza e dai diffusori surround posteriori.
Questo sistema surround produce un suono più
realistico su di un’area più ampia.
[C] Sistema surround a 7.1 canali e
collegamento diffusori B
!
Impostazione
Speaker System
:
Speaker B
SL
L
SW
C
R
SR
SBL
SBR
L
R
Speaker B
Con questi collegamenti, è possibile ottenere
simultaneamente audio surround a 5.1 canali
nella zona principale ed una riproduzione ste-
reo dello stesso audio nei diffusori B. Lo stesso
collegamento permette il suono surround a 7.1
canali della zona principale senza diffusori B.
[D] Sistema surround a 5.1 canali e
collegamenti Bi-amping anteriori
(surround di alta qualità)
!
Impostazione
Speaker System
:
Front Bi-Amp
Collegamento Bi-Amp dei diffusori anteriori per
ottenere audio di alta qualità con suono sur-
round a 5.1 canali.
L
R
SL
SW
C
SR
Front Bi-Amp
[E] Sistema surround a 5.1 canali e
collegamenti ZONE 2 (Multi Zone)
!
Impostazione
Speaker System
:
ZONE 2
Con questi collegamenti potete ottenere simul-
taneamente audio surround a 5.1 canali nella
zona principale e stereo con un altro compo-
nente nella ZONE 2. (La varietà possibile di
dispositivi in ingresso è limitata.)
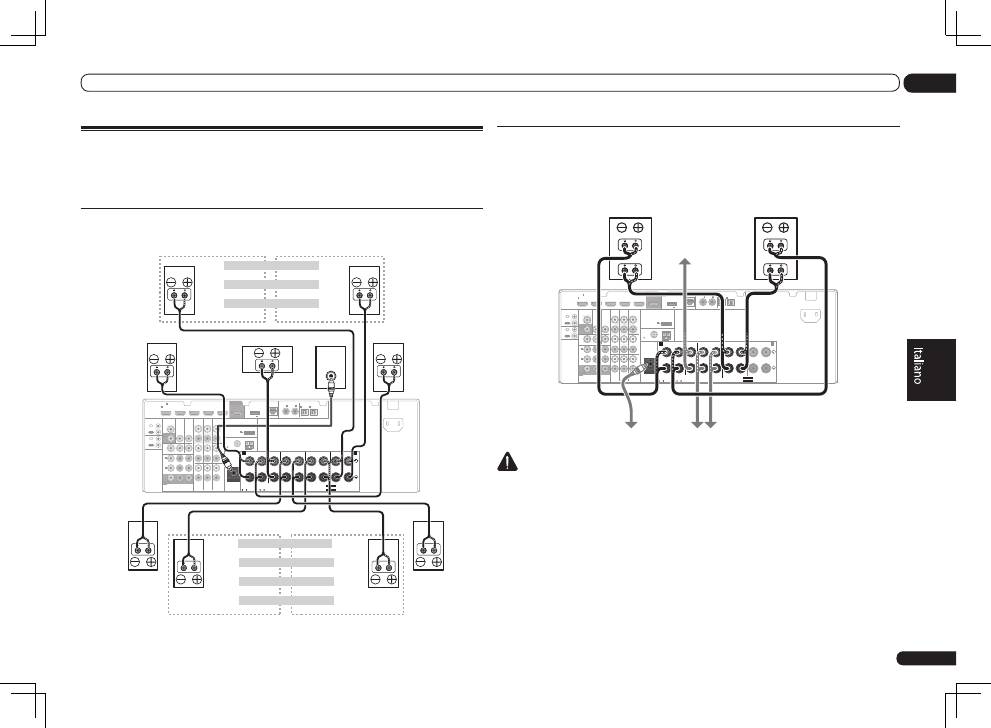
Collegamento dei diffusori
Per il collegamento di ogni diffusore sul rice-
vitore è disponibile un terminale positivo (+) e
uno negativo (–). Assicurarsi che corrispondano
con i terminali presenti sugli diffusori.
ATTENZIONE
!
Questi terminali contengono voltaggi
PERICOLOSI
. Per evitare il rischio di
folgorazioni nel collegare o scollegare
i cavi dei diffusori, scollegare il cavo di
alimentazione prima di toccare parti non
isolate.
!
Assicurarsi che il filo nudo del diffusore
sia attorcigliato e inserito completamente
nel terminale del diffusore. Se un qualsiasi
filo nudo di un diffusore dovesse entrare in
contatto con il pannello posteriore, come
misura di sicurezza potrebbe essere interrotta
l’alimentazione elettrica.
Collegamenti con fili nudi
ATTENZIONE
Assicurarsi che tutti gli diffusori siano installati
correttamente, non solo per migliorare la qua-
lità sonora, ma anche per ridurre il rischio di
danni o lesioni dovute dalla caduta degli diffu-
sori in conseguenza di colpi o in caso di scosse
esterne, come un terremoto.
1 Attorcigliare fra loro i fili esposti.
2 Allentare il terminale ed inserire il filo
denudato.
3 Stringere il terminale.
1
2
3
10 mm
Nota
!
Fare riferimento al manuale fornito con gli
diffusori per informazioni dettagliate sul
collegamento dell’altra estremità dei cavi agli
diffusori.
!
Per collegarsi al subwoofer, utilizzare un cavo
RCA. Non è possibile collegarsi usando cavi
per diffusori.
It
8
02
Collegamento dell’apparecchio
L
L
R
R
SL
SW
C
SR
Zona principale
Zona
secondaria
ZONE 2
Altri collegamenti di diffusori
!
I vostri collegamenti preferiti dei diffusori
che avete possono venire scelti anche se si
possiedono meno di 5.1 diffusori (salvi quelli
anteriori sinistro e destro).
!
Se non si usano subwoofer, collegare diffusori
per basse frequenze al canale anteriore. (La
componente di bassa frequenza del subwoofer
viene riprodotta dai diffusori anteriori, che
possono danneggiarsi.)
!
Terminati i collegamenti, non mancare di fare
l’operazione
Full Auto MCACC
(impostazione
dei diffusori). Vedere
Taratura audio ottimale
automatica (Full Auto MCACC)
pagina 17 .
Posizionamento degli diffusori
Per quanto riguarda la posizione dei diffusori da
collegare, consultare il diagramma che segue.
L
SW
C
FHL
FWL
SL
SBL
SBR
SB
SR
FWR
R
FHR
30 30
60
60
60
120
120
!
Posare i diffusori surround a 120° dal centro.
Se (1) si usano i diffusori posteriori surround e
(2) non si usano diffusori di altezza anteriori /
di ampiezza anteriori, si raccomanda di posare
il diffusore anteriore accanto a sé.
!
Se si collega un solo diffusore surround,
metterlo direttamente dietro di sè.
!
Posare i diffusori anteriori di altezza sinistro
e destro ad almeno un metro direttamente
sopra quelli anteriori sinistro e destro.
It
9
02
Collegamento dell’apparecchio
Installazione del sistema di diffusori
Come configurazione minima, sono necessari solo gli diffusori sinistro e destro. Notare che gli
diffusori surround principali dovrebbero essere sempre collegati in coppia, tuttavia è possibile col-
legare un solo diffusore surround posteriore, se lo di desidera (deve essere collegato al terminale
del diffusore surround posteriore sinistro).
Collegamenti surround standard
HDMI
VIDEO
CONTROL
IR
COMPONENT VIDEO
VIDEO IN
TV/SAT
IN
ZONE 2
DVR/BDR CD-R/TAPE ZONE 2
DVR/
BDR
OUT
OUT
DVD IN
IN
IN
IN
IN
CD
L
R
L
R
IN
L
R
OUT
OUT
VIDEO
IN
DVD IN
BD IN
DVR/BDR IN
FM UNBAL
75
FRONT
CENTER
SURROUND
SURROUND BACK / ZONE 2
R
L
R
L
R
L
R
L
(Single)
AM LOOP
(
CD
)
(
DVD
)
TV/SAT VIDEO
DVD
Y
P
B
P
R
(
DVR/BDR
)
(
TV/SAT
)
COAXIAL
(10/100)
LAN
AUDIO
PRE OUT
SPEAKERS
ANTENNA
OPTICAL
ASSIGN
ABLE
ASSIGNABLE
ASSIGNABLE
OUT
MONITOR
OUT
MONITOR
OUT
SUBWOOFER
IN
1
(DVD)
IN
1
(DVR/
BDR)
IN
2
ASSIGNABLE
1
IN
1
IN
2
IN
1
IN
2
SEE INSTRUCTION MANUAL
SELECTABLE
SELECTABLE
VOIR LE MODE D’EMPLOI
CAUTION:
SPEAKER IMPEDANCE
6 -16 .
ATTENTION:
ENCEINTE D’IMPEDANCE DE
6 -16 .
FRONT HEIGHT / WIDE /
B
A
OUT
IN
OUT
IN
DC OUTPUT
for WIRELESS LAN
(OUTPUT 5 V
0.1 A MAX)
ADAPTER PORT
(OUTPUT 5 V 0.6 A MAX)
AC IN
LINE LEVEL
INPUT
I terminali anteriori di altezza possono anche venire usati
per i diffusori anteriori di ampiezza e per quelli Speaker B.
Impostazione anteriore di altezza
Anteriore di altezza destro
Anteriore di altezza sinistro
Impostazione di ampiezza anteriore
Anteriore di ampiezza destro
Anteriore di ampiezza sinistro
Impostazione Speaker B
Speaker B - destra
Speaker B - sinistra
Anteriore destro
Center
Subwoofer
Anteriore sinistro
I terminali surround posteriori possono
venire usati anche per ZONE 2.
Surround
sinistro
Impostazione surround a 5.1 canali
Non collegato
Non collegato
Impostazione surround a 6.1 canali
Non collegato
Surround posteriori
Impostazione surround a 7.1 canali
Surround posteriore destro
Surround posteriore sinistro
Impostazione ZONE 2
ZONE 2 - Destra
ZONE 2 - Sinistra
Surround
destro
Bi-amping degli diffusori
Il bi-amping consiste nel collegare quando si collegano il driver ad alta frequenza e il driver a bassa
frequenza dei diffusori a più amplificatori per ottenere prestazioni di crossover migliori. Gli diffusori
devono essere predisposti per questa modifica (dotati di terminali separati per i livelli alti e bassi) e
il miglioramento sonoro dipenderà dal tipo di diffusori in uso.
HDMI
VIDEO
CONTROL
IR
COMPONENT VIDEO
VIDEO IN
TV/SAT
IN
ZONE 2
DVR/BDR CD-R/TAPE ZONE 2
DVR/
BDR
OUT
OUT
DVD IN
IN
IN
IN
IN
CD
L
R
L
R
IN
L
R
OUT
OUT
VIDEO
IN
DVD IN
BD IN
DVR/BDR IN
FM UNBAL
75
FRONT
CENTER
SURROUND
SURROUND BACK / ZONE 2
R
L
R
L
R
L
R
L
(Single)
AM LOOP
(
CD
)
(
DVD
)
TV/SAT VIDEO
DVD
Y
P
B
P
R
(
DVR/BDR
)
(
TV/SAT
)
COAXIAL
(10/100)
LAN
AUDIO
PRE OUT
SPEAKERS
ANTENNA
OPTICAL
ASSIGN
ABLE
ASSIGNABLE
ASSIGNABLE
OUT
MONITOR
OUT
MONITOR
OUT
SUBWOOFER
IN
1
(DVD)
IN
1
(DVR/
BDR)
IN
2
ASSIGNABLE
1
IN
1
IN
2
IN
1
IN
2
SEE INSTRUCTION MANUAL
SELECTABLE
SELECTABLE
VOIR LE MODE D’EMPLOI
CAUTION:
SPEAKER IMPEDANCE
6 -16 .
ATTENTION:
ENCEINTE D’IMPEDANCE DE
6 -16 .
FRONT HEIGHT / WIDE /
B
A
OUT
IN
OUT
IN
DC OUTPUT
for WIRELESS LAN
(OUTPUT 5 V
0.1 A MAX)
ADAPTER PORT
(OUTPUT 5 V 0.6 A MAX)
AC IN
High
Low
High
Low
Anteriore destro
Anteriore sinistro
Diffusore bi-amp
compatibile
Subwoofer
Diffusore bi-amp
compatibile
Centrale
Surround destro
Surround sinistroSurround sinistro
ATTENZIONE
!
La maggior parte degli diffusori dotati di terminali
High
e
Low
dispone di due piastre di metallo
che collegano i terminali
High
ai terminali
Low
. Queste devono essere rimosse per il bi-amping
degli diffusori, in caso contrario si possono verificare gravi danni all’amplificatore. Per ulteriori
informazioni, vedere il manuale del diffusore.
!
Se gli diffusori sono dotati di una rete crossover rimovibile, assicurarsi che non venga rimossa per il
bi-amping. In caso contrario gli diffusori potrebbero essere danneggiati.
2 Scegliere ‘Speaker B’ dal menu
Speaker System.
Per farlo, vedere
Impostazione dei diffusori
nelle
Istruzioni per l’uso nel CD-ROM.
Impostazione Bi-Amping
Collegamento Bi-Amp dei diffusori anteriori per
ottenere audio di alta qualità con suono sur-
round a 5.1 canali.
1 Collegare diffusori Bi-Amp compatibili
ai terminali dei diffusori surround
anteriori e posteriori.
Vedere
Bi-amping degli diffusori
pagina 9 .
2 Scegliere ‘Front Bi-Amp’ dal menu
Speaker System.
Per farlo, vedere
Impostazione dei diffusori
nelle
Istruzioni per l’uso nel CD-ROM.
Impostazione ZONE 2
Con questi collegamenti potete ottenere simul-
taneamente audio surround a 5.1 canali nella
zona principale e stereo con un altro compo-
nente nella ZONE 2.
1 Collegare due diffusori al terminale dei
diffusori surround posteriori.
Vedere
Collegamenti surround standard
pagina
9 .
2 Scegliere ‘ZONE 2’ dal menu
Speaker System.
Per farlo, vedere
Impostazione dei diffusori
nelle
Istruzioni per l’uso nel CD-ROM.
I collegamenti audio
Segnali audio trasferibili
Priorità del segnale audio
HDMI
Audio HD
Digitale (Coassiale) Audio digitale
convenzionale
RCA (Analogico)
(
Bianco/Rosso
)
Audio analogico
convenzionale
Digitale (Ottico)
Tipi di cavo e di
terminale
!
Con un cavo HDMI, i segnali audio e video
possono venire trasferiti mantenendo un’alta
qualità ed attraverso un singolo cavo.
Informazioni sul convertitore
video
Il convertitore video assicura l’emissione di
tutte le fonti video attraverso tutte le prese
MONITOR VIDEO OUT
. La sola eccezione
è HDMI: poiché non è possibile effettuare la
sottocampionatura di questa risoluzione, per
collegare questa fonte video è necessario colle-
gare il monitor/televisore alle uscite HDMI del
ricevitore.
Se vari componenti video sono assegnati alla
stessa funzione d’ingresso (vedere
Il menu
Input Setup
on nelle istruzioni per l’uso nel
CD-ROM), il convertitore darà la priorità al
HDMI, componente, quindi a quello composito
(in quest’ordine).
It
10
02
Collegamento dell’apparecchio
Bi-wiring degli diffusori
I vostri diffusori, se supportano il bi-amping,
possono impiegare il bi-wiring.
!
Con questi collegamenti, l’impostazione
Speaker System
non ha alcun effetto.
ATTENZIONE
!
Non collegare in questo modo diffusori diversi
dallo stesso terminale.
!
Se si usa anche il bi-wiring, tenere presente le
avvertenze viste qui sopra.
%
Per collegare un diffusore con bi-
wiring, collegare due cavi del diffusore
al terminale del diffusore posto sul
ricevitore.
Scelta del sistema dei diffusori
I terminali anteriori di altezza oltre che per
quelli anteriori di altezza possono venire usati
per i diffusori anteriori di ampiezza o Speaker
B. I terminali di surround posteriore possono
venire usati col bi-amping ed i collegamenti
ZONE 2, oltre che con i diffusori surround
posteriori. Fare questa impostazione a seconda
dell’uso fatto del sistema.
Impostazione anteriore di altezza
*Impostazione predefinita
1 Collegare due diffusori ai terminali dei
diffusori anteriori di altezza.
Vedere
Collegamenti surround standard
pagina
9 .
2 Se necessario, scegliere
‘Normal(SB/FH)’ dal menu Speaker System.
Per farlo, vedere
Impostazione dei diffusori
nelle
Istruzioni per l’uso nel CD-ROM.
Impostazione anteriori di
ampiezza
1 Collegare due diffusori ai terminali dei
diffusori anteriori di altezza.
Vedere
Collegamenti surround standard
pagina
9 .
2 Scegliere ‘Normal(SB/FW)’ dal menu
Speaker System.
Per farlo, vedere
Impostazione dei diffusori
nelle
Istruzioni per l’uso nel CD-ROM.
Impostazione dei diffusori
Speaker B
Potete riprodurre in stereo in un’altra stanza.
1 Collegare due diffusori ai terminali dei
diffusori anteriori di altezza.
Vedere
Collegamenti surround standard
pagina
9 .
It
11
02
Collegamento dell’apparecchio
VIDEO IN
VIDEO
MONITOR OUT
COMPONENT
VIDEO IN
Y
P
B
P
R
Y
P
B
P
R
COMPONENT VIDEO
MONITOR OUT
HDMI IN
HDMI OUT
Alta qualità delle immagini
I segnali video possono venire emessi
Terminale per il
collegamento con
sorgenti di segnale
Terminale per il
collegamento con un
televisore
Nota
!
Se il segnale video non appare sul televisore,
provare a regolare le impostazioni della
risoluzione sul componente o sul display.
Per alcuni componenti, ad esempio le unità
per videogiochi, non è possibile convertire
le risoluzioni. In tal caso, provare a regolare
Digital Video Conversion (in
Impostazione
delle opzioni video
nelle istruzioni per l’uso del
CD-ROM)
OFF
.
!
Le risoluzioni del segnale video component
in ingresso che possono venire convertite
dall’ingresso HDMI sono la 480i/576i, la
480p/576p, la 720p e la 1080i. I segnali 1080p
non possono esser convertibili.
!
Fra quelli video component in ingresso è
possibile convertire per i terminali
MONITOR
OUT
solo segnale con una risoluzione di
ingresso 480i/576i.
Questo prodotto incorpora una tecnologia
di protezione dalla copia a sua volta protetta
da brevetti statunitensi e da altri diritti alla
proprietà intellettuale detenuti dalla Rovi
Corporation. Il reverse engineering ed il disas-
semblaggio sono proibiti.
Informazioni su HDMI
I collegamenti HDMI trasportano segnale
digitale video non compresso e quasi qualsiasi
segnale digitale audio.
Questo ricevitore possiede la tecnologia High-
Definition Multimedia Interface (HDMI
®
).
Questo ricevitore supporta le funzioni descritte
di seguito attraverso i collegamenti HDMI.
!
Trasferimento digitale di video non compresso
(contenuti protetti via HDCP (1080p/24,
1080p/60, ecc.))
!
Trasferimento segnale 3D
!
Trasferimento di segnale Deep Color
!
Trasferimento di segnale x.v.Color
!
ARC (Audio Return Channel)
!
Ricezione di segnale audio digitale Linear
PCM multicanale (192 kHz o meno) per fino a
8 canali
!
Segnale in ingresso dei seguenti formati
digitali audio:
—
Dolby Digital, Dolby Digital Plus, DTS, audio
ad alto bitrate (Dolby TrueHD, DTS-HD
Master Audio, DTS-HD High Resolution
Audio), DVD-Audio, CD, SACD (segnale
DSD), Video CD, Super VCD
!
Il funzionamento sincronizzato con altri
componenti usando la funzione
Control
con
HDMI (vedere
Funzione Control con HDMI
nelle istruzioni per l’uso del CD-ROM)
Nota
!
È possibile effettuare un collegamento HDMI
solo con componenti dotati di funzionalità
DVI compatibili con DVI e HDCP (High
Bandwidth Digital Content Protection). Se
si sceglie di effettuare il collegamento a un
connettore DVI, sarà necessario utilizzare
a questo scopo un adattatore separato
(DVI
d
HDMI). Un collegamento DVI non
supporta tuttavia i segnali audio. Per ulteriori
informazioni, rivolgersi al più vicino rivenditore
di componenti audio.
!
Se si collega un componente che non
sia HDCP compatibile, il display del
pannello anteriore visualizza il messaggio
HDCP ERROR
. Alcuni componenti
compatibili con HDCP possono far comparire
questo messaggio, ma se la riproduzione
video avviene regolarmente esso può
semplicemente venire ignorato.
!
A seconda del componente collegato, l’uso
di un collegamento DVI potrebbe causare
l’inaffidabilità dei trasferimenti di segnali.
!
Questo ricevitore supporta le caratteristiche
SACD, Dolby Digital Plus, Dolby TrueHD e
DTS-HD Master Audio. Per trarre vantaggio
da questo formati, però, è necessario che il
componente collegato a questo ricevitore
supporti anch’esso il formato corrispondente.
!
Usare un cavo HDMI
®
High Speed. Usando un
cavo HDMI
®
non High Speed il sistema può
non funzionare a dovere.
!
Inoltre, un cavo HDMI con equalizzatore
incorporato può non funzionare a dovere.
!
Il trasferimento di segnale è possibile solo se
si è collegati ad un componente compatibile.
!
Le trasmissioni audio digitali di formato HDMI
richiedono più tempo per il riconoscimento.
Per questo, un’interruzione dell’audio
potrebbe accadere quando si cambia formato
audio o si inizia la riproduzione.
!
Accendendo o spegnendo il dispositivo
collegato al terminale
HDMI OUT
di questa
unità durante la riproduzione oppure
collegando o scollegando il cavo HDMI
durante la riproduzione si possono causare
rumori o interruzioni dell’audio.
Il termine HDMI, il logo HDMI ed il termine
High-Definition Multimedia Interface sono
marchi di fabbrica o marchi di fabbrica deposi-
tati della HDMI Licensing, LLC negli Stati Uniti
ed altri paesi.
“x.v.Color” e
sono marchi di
fabbrica della Sony Corporation.
Collegamento di un lettore DVD privo di ingressi HDMI
Questo diagramma mostra i collegamenti di un televisore (con ingresso HDMI) e di un lettore DVD
(o altro componente di riproduzione privo di ingresso HDMI) al ricevitore.
HDMI
VIDEO
CONTROL
IR
COMPONENT VIDEO
VIDEO IN
TV/SAT
IN
ZONE 2
DVR/BDR CD-R/TAPE ZONE 2
DVR/
BDR
OUT
OUT
DVD IN
IN
IN
IN
IN
CD
L
R
L
R
IN
L
R
OUT
OUT
VIDEO
IN
DVD IN
BD IN
DVR/BDR IN
FM UNBAL
75
FRONT
CENTER
SURROUND
SURROUND BACK / ZONE 2
R
L
R
L
R
L
(Single)
AM LOOP
(
CD
)
(
DVD
)
TV/SAT VIDEO
DVD
Y
P
B
P
R
(
DVR/BDR
)
(
TV/SAT
)
COAXIAL
(10/100)
LAN
AUDIO
PRE OUT
SPEAKERS
ANTENNA
OPTICAL
ASSIGN
ABLE
ASSIGNABLE
ASSIGNABLE
OUT
MONITOR
OUT
MONITOR
OUT
SUBWOOFER
IN
1
(DVD)
IN
1
(DVR/
BDR)
IN
2
ASSIGNABLE
1
IN
1
IN
2
IN
1
IN
2
SELECTA
SELECTA
CAUTION:
SPEAKER IMPEDANCE
6 -16 .
ATTENTION:
ENCEINTE D’IMPEDANCE DE
6 -16 .
FR
A
OUT
IN
OUT
IN
DC OUTPUT
for WIRELESS LAN
(OUTPUT 5 V
0.1 A MAX)
ADAPTER PORT
(OUTPUT 5 V 0.6 A MAX)
HDMI IN
ANALOG
R
AUDIO OUT
VIDEO OUT
VIDEO
Y
P
B
P
R
COMPONENT VIDEO OUT
DIGITAL OUT
COAXIAL
OPTICAL
L
Monitor HDMI/DVI
compatibile
Lettore DVD, ecc.
Sceglierne uno
Sceglierne uno
!
Per riprodurre l’audio del televisore col ricevitore, collegare il ricevitore ed il televisore con cavi
audio (pagina 12).
—
Se il televisore ed il ricevitore sono collegati via HDMI ed il televisore supporta la funzione HDMI
ARC (Audio Return Channel), l’audio del televisore arriva al ricevitore dal terminale
HDMI OUT
ed il cavo audio non è necessario. In tal caso, regolare
TV Audio
di
HDMI Setup
su
via HDMI
(vedere
HDMI Setup
nelle Istruzioni per l’uso nel CD-ROM).
!
Se si usa un cavo audio digitale a fibre ottiche, si deve dire al ricevitore dove è collegato il lettore
(vedere
Il menu Input Setup
nelle Istruzioni per l’uso nel CD-ROM).
It
12
02
Collegamento dell’apparecchio
Collegamento di un televisore e componenti di riproduzione
Collegamento mediante HDMI
Se si dispone di un componente dotato di funzionalità HDMI o DVI (con HDCP) (lettore di dischi
Blu-ray Disc (BD) o altro), sarà possibile collegarlo a questo ricevitore utilizzando un cavo HDMI
reperibile in commercio.
Se il televisore ed i componenti di riproduzione supportano la caratteristica
Control
con HDMI, si
possono usare le convenienti funzioni
Control
con HDMI (vedere
Funzione Control con HDMI
nelle
istruzioni per l’uso del CD-ROM).
HDMI
VIDEO
CONTROL
IR
COMPONENT VIDEO
VIDEO IN
TV/SAT
IN
ZONE 2
DVR/BDR CD-R/TAPE ZONE 2
DVR/
BDR
OUT
OUT
DVD IN
IN
IN
IN
IN
CD
L
R
L
R
IN
L
R
OUT
OUT
VIDEO
IN
DVD IN
BD IN
DVR/BDR IN
FM UNBAL
75
FRONT
CENTER
SURROUND
SURROUND BACK / ZONE 2
R
L
R
L
R
L
(Single)
AM LOOP
(
CD
)
(
DVD
)
TV/SAT
VIDEO
DVD
Y
P
B
P
R
(
DVR/BDR
)
(
TV/SAT
)
COAXIAL
(10/100)
LAN
AUDIO
PRE OUT
SPEAKERS
ANTENNA
OPTICAL
ASSIGN
ABLE
ASSIGNABLE
ASSIGNABLE
OUT
MONITOR
OUT
MONITOR
OUT
SUBWOOFER
IN
1
(DVD)
IN
1
(DVR/
BDR)
IN
2
ASSIGNABLE
1
IN
1
IN
2
IN
1
IN
2
SEL
SEL
CAUTION:
SPEAKER IMPEDANCE
6 -16 .
ATTENTION:
ENCEINTE D’IMPEDANCE DE
6 -16 .
A
OUT
IN
OUT
IN
DC OUTPUT
for WIRELESS LAN
(OUTPUT 5 V
0.1 A MAX)
ADAPTER PORT
(OUTPUT 5 V 0.6 A MAX)
DIGITAL OUT
COAXIAL
OPTICAL
ANALOG
R
L
AUDIO OUT
HDMI IN
HDMI OUT
HDMI OUT
Solo
VSX-1021
Lettore Blu-ray HDMI/DVI
compatibile
Altro componente dotato
di terminale HDMI/DVI
Monitor HDMI/DVI
compatibile
Sceglierne uno
Questo collegamento è
necessario per
riprodurre l’audio del
televisore con questo
ricevitore.
!
I componenti in ingresso possono venire collegati anche con collegamenti non HDMI (vedere
Collegamento di un lettore DVD privo di ingressi HDMI
pagina 12 ).
!
Per riprodurre l’audio del televisore col ricevitore, collegare il ricevitore ed il televisore con cavi
audio.
—
Se il televisore ed il ricevitore sono collegati via HDMI ed il televisore supporta la funzione HDMI
ARC (Audio Return Channel), l’audio del televisore arriva al ricevitore dal terminale
HDMI OUT
ed il cavo audio non è necessario. In tal caso, regolare
TV Audio
di
HDMI Setup
su
via HDMI
(vedere
HDMI Setup
nelle Istruzioni per l’uso nel CD-ROM).
It
13
02
Collegamento dell’apparecchio
Collegamento ad un registratore HDD/DVD, registratore BD o
altra sorgente video
Questo ricevitore è dotato di due set di ingressi e uscite audio/video utilizzabili per il collegamento
di dispositivi video digitali o analogici, compresi registratori HDD/DVD e registratori BD.
Al momento dell’impostazione del ricevitore sarà necessario specificare a quale ingresso è stato
collegato il registratore (vedere anche
Il menu Input Setup
nelle istruzioni per l’uso del CD-ROM).
HDMI
VIDEO
CONTROL
IR
COMPONENT VIDEO
VIDEO IN
TV/SAT
IN
ZONE 2
DVR/BDR
CD-R/TAPE ZONE 2
DVR/
BDR
OUT
OUT
DVD IN
IN
IN
IN
IN
CD
L
R
L
R
IN
L
R
OUT
OUT
VIDEO
IN
DVD IN
BD IN
DVR/BDR IN
FM UNBAL
75
FRONT
CENTER
SURROUND
SURROUND BACK / ZONE 2
R
L
R
L
R
L
(Single)
AM LOOP
(
CD
)
(
DVD
)
TV/SAT VIDEO
DVD
Y
P
B
P
R
(
DVR/BDR
)
(
TV/SAT
)
COAXIAL
(10/100)
LAN
AUDIO
PRE OUT
SPEAKERS
ANTENNA
OPTICAL
ASSIGN
ABLE
ASSIGNABLE
ASSIGNABLE
OUT
MONITOR
OUT
MONITOR
OUT
SUBWOOFER
IN
1
(DVD)
IN
1
(DVR/
BDR)
IN
2
ASSIGNABLE
1
IN
1
IN
2
IN
1
IN
2
SELEC
SELEC
CAUTION:
SPEAKER IMPEDANCE
6 -16 .
ATTENTION:
ENCEINTE D’IMPEDANCE DE
6 -16 .
A
OUT
IN
OUT
IN
DC OUTPUT
for WIRELESS LAN
(OUTPUT 5 V
0.1 A MAX)
ADAPTER PORT
(OUTPUT 5 V 0.6 A MAX)
DIGITAL OUT
COAXIAL
OPTICAL
ANALOG
R
L
ANALOG
R
L
AUDIO OUT
AUDIO IN
VIDEO OUT
VIDEO
VIDEO
VIDEO IN
Registratore HDD/DVD, registratore BD, ecc.
Sceglierne uno
!
Per registrare sono necessari cavi audio analogici (il collegamento digitale è solo per la
riproduzione).
!
Se il proprio registratore HDD/DVD o BD o altro possiede un terminale di uscita HDMI, collegarlo al
terminale
HDMI
DVR/BDRIN
del ricevitore. Nel farlo, collegare anche il ricevitore ed il televisore via
HDMI (vedere
Collegamento mediante HDMI
pagina 12 ).
Collegamento di un televisore senza ingresso HDMI
Questo diagramma mostra i collegamenti di un televisore (senza ingresso HDMI) e di un lettore
DVD (o altro componente di riproduzione) al ricevitore.
!
Con questi collegamenti, l’immagine non viene emessa dal televisore anche se il lettore DVD viene
collegato con un cavo HDMI. Collegare i terminali video di un lettore DVD usando cavi per video
composito o component.
HDMI
VIDEO
CONTROL
IR
COMPONENT VIDEO
VIDEO IN
TV/SAT
IN
ZONE 2
DVR/BDR CD-R/TAPE ZONE 2
DVR/
BDR
OUT
OUT
DVD IN
IN
IN
IN
IN
CD
L
R
L
R
IN
L
R
OUT
OUT
VIDEO
IN
DVD IN
BD IN
DVR/BDR IN
FM UNBAL
75
FRONT
CENTER
SURROUND
SURROUND BACK / ZONE 2
R
L
R
L
R
L
(Single)
AM LOOP
(
CD
)
(
DVD
)
TV/SAT VIDEO
DVD
Y
P
B
P
R
(
DVR/BDR
)
(
TV/SAT
)
COAXIAL
(10/100)
LAN
AUDIO
PRE OUT
SPEAKERS
ANTENNA
OPTICAL
ASSIGN
ABLE
ASSIGNABLE
ASSIGNABLE
OUT
MONITOR
OUT
MONITOR
OUT
SUBWOOFER
IN
1
(DVD)
IN
1
(DVR/
BDR)
IN
2
ASSIGNABLE
1
IN
1
IN
2
IN
1
IN
2
SELEC
SELEC
CAUTION:
SPEAKER IMPEDANCE
6 -16 .
ATTENTION:
ENCEINTE D’IMPEDANCE DE
6 -16 .
A
OUT
IN
OUT
IN
DC OUTPUT
for WIRELESS LAN
(OUTPUT 5 V
0.1 A MAX)
ADAPTER PORT
(OUTPUT 5 V 0.6 A MAX)
ANALOG
R
AUDIO OUT
VIDEO IN
Y
P
B
P
R
COMPONENT VIDEO IN
VIDEO OUT
VIDEO
VIDEO
Y
P
B
P
R
COMPONENT VIDEO OUT
DIGITAL OUT
COAXIAL
OPTICAL
HDMI OUT
L
Televisore
Lettore DVD, ecc.
Sceglierne uno
Sceglierne uno
Sceglierne uno
!
Per riprodurre audio HD con questo ricevitore, collegarsi usando un cavo HDMI. Non usare un cavo
HDMI per ricevere i segnali video.
Con certi componenti video non sarà possibile emettere segnale
via HDMI ed altri terminali allo stesso tempo, e potrebbe esser necessario fare impostazioni di
uscita particolari. Per maggiori dettagli, consultare in proposito le istruzioni per l’uso in dotazione al
componente.
!
Per riprodurre l’audio del televisore col ricevitore, collegare il ricevitore ed il televisore con cavi
audio (pagina 12).
!
Se si usa un cavo audio digitale a fibre ottiche, si deve dire al ricevitore dove è collegato il lettore
(vedere
Il menu Input Setup
nelle Istruzioni per l’uso nel CD-ROM).
It
14
02
Collegamento dell’apparecchio
Collegamento di un ricevitore via satellite/cavo o di un altro
tipo di decoder
I ricevitori via satellite o via cavo e i sintonizzatori per la televisione digitale terrestre sono esempi
dei cosiddetti decoder o ‘set top box’.
Al momento dell’impostazione del ricevitore sarà necessario specificare a quale ingresso è stato
collegato il set-top box (vedere anche
Il menu Input Setup
nelle istruzioni per l’uso del CD-ROM).
HDMI
VIDEO
CONTROL
IR
COMPONENT VIDEO
VIDEO IN
TV/SAT
IN
ZONE 2
DVR/BDR CD-R/TAPE ZONE 2
DVR/
BDR
OUT
OUT
DVD IN
IN
IN
IN
IN
CD
L
R
L
R
IN
L
R
OUT
OUT
VIDEO
IN
DVD IN
BD IN
DVR/BDR IN
FM UNBAL
75
FRONT
CENTER
SURROUND
SURROUND BACK / ZONE 2
R
L
R
L
R
L
(Single)
AM LOOP
(
CD
)
(
DVD
)
TV/SAT
VIDEO
DVD
Y
P
B
P
R
(
DVR/BDR
)
(
TV/SAT
)
COAXIAL
(10/100)
LAN
AUDIO
PRE OUT
SPEAKERS
ANTENNA
OPTICAL
ASSIGN
ABLE
ASSIGNABLE
ASSIGNABLE
OUT
MONITOR
OUT
MONITOR
OUT
SUBWOOFER
IN
1
(DVD)
IN
1
(DVR/
BDR)
IN
2
ASSIGNABLE
1
IN
1
IN
2
IN
1
IN
2
SELECT
SELECT
CAUTION:
SPEAKER IMPEDANCE
6 -16 .
ATTENTION:
ENCEINTE D’IMPEDANCE DE
6 -16 .
F
A
OUT
IN
OUT
IN
DC OUTPUT
for WIRELESS LAN
(OUTPUT 5 V
0.1 A MAX)
ADAPTER PORT
(OUTPUT 5 V 0.6 A MAX)
VIDEO OUT
VIDEO
ANALOG
R
AUDIO OUT
DIGITAL OUT
COAXIAL
OPTICAL
L
Sceglierne uno
STB
!
Solo VSX-1021:
Se il vostro set-top box possiede un terminale di uscita HDMI, raccomandiamo di collegarlo al
terminale
HDMI
IN 1
del ricevitore. Nel farlo, collegare anche il ricevitore ed il televisore via HDMI
(vedere
Collegamento mediante HDMI
pagina 12 ).
Collegamento di altri componenti audio
Questo ricevitore possiede ingressi sia digitali sia analogici, permettendovi di collegare vari compo-
nenti di riproduzione audio.
Al momento dell’impostazione del ricevitore sarà necessario specificare a quale ingresso è stato
collegato il componente (vedere anche
Il menu Input Setup
nelle istruzioni per l’uso del CD-ROM).
HDMI
VIDEO
CONTROL
IR
COMPONENT VIDEO
VIDEO IN
TV/SAT
IN
ZONE 2
DVR/BDR
CD-R/TAPE
ZONE 2
DVR/
BDR
OUT
OUT
DVD IN
IN
IN
IN
IN
CD
L
R
L
R
IN
L
R
OUT
OUT
VIDEO
IN
DVD IN
BD IN
DVR/BDR IN
FM UNBAL
75
FRONT
CENTER
SURROUND
SURROUND BACK / ZONE 2
R
L
R
L
R
L
(Single)
AM LOOP
(
CD
)
(
DVD
)
TV/SAT VIDEO
DVD
Y
P
B
P
R
(
DVR/BDR
)
(
TV/SAT
)
COAXIAL
(10/100)
LAN
AUDIO
PRE OUT
SPEAKERS
ANTENNA
OPTICAL
ASSIGN
ABLE
ASSIGNABLE
ASSIGNABLE
OUT
MONITOR
OUT
MONITOR
OUT
SUBWOOFER
IN
1
(DVD)
IN
1
(DVR/
BDR)
IN
2
ASSIGNABLE
1
IN
1
IN
2
IN
1
IN
2
SELEC
SELEC
CAUTION:
SPEAKER IMPEDANCE
6 -16 .
ATTENTION:
ENCEINTE D’IMPEDANCE DE
6 -16 .
A
OUT
IN
OUT
IN
DC OUTPUT
for WIRELESS LAN
(OUTPUT 5 V
0.1 A MAX)
ADAPTER PORT
(OUTPUT 5 V 0.6 A MAX)
DIGITAL OUT
COAXIAL
OPTICAL
ANALOG
R
L
AUDIO OUT
ANALOG
R
L
AUDIO IN
CD-R, MD, DAT, ecc.
Sceglierne uno
!
Nel caso di un registratore collegare le uscite audio analogiche agli ingressi audio analogici del
registratore.
!
Se il giradischi è dotato di uscite a livello linea (ovvero di un preamplificatore fono incorporato),
collegarlo agli ingressi
CD
.
It
15
02
Collegamento dell’apparecchio
Impostazione MULTI-ZONE
Dopo avere effettuato i collegamenti MULTI-
ZONE appropriati, questo ricevitore sarà in
grado di alimentare due sistemi indipendenti in
stanze separate.
È possibile riprodurre sorgenti differenti in due
zone diverse allo stesso tempo o, se necessario,
la stessa sorgente. Le zone principale e secon-
daria vengono alimentate indipendentemente
(l’alimentazione della zona principale può
essere disattivata mentre quella della zona
secondaria è attivata) e la zona secondaria può
essere controllata tramite il telecomando o i
controlli del pannello anteriore.
Importante
Il modello VSX-921 non può fare uso di televisori
nella zona secondaria.
Creazione di collegamenti
MULTI-ZONE
È possibile fare questi collegamenti se si pos-
siedono un televisore e diffusori separati per la
zona secondaria (
ZONE 2
). Non sarà necessario
un amplificatore separato se non si utilizza l’im-
postazione
Impostazione MULTI-ZONE usando i
terminali dei diffusori (ZONE 2)
pagina 16 per la
zona secondaria.
Opzioni di ascolto MULTI-ZONE
La tabella che segue mostra i segnali che pos-
sono venire mandati a ZONE 2:
Nel caso dell’VSX-1021
Zona
secondaria
Funzioni di ingresso
disponibili
ZONE 2
DVD
,
TV/SAT
,
DVR/BDR
,
VIDEO
,
HOME MEDIA GALLERY
,
iPod/USB
,
CD
,
CD-R/TAPE
,
TUNER
,
ADAPTER
PORT
(Emette audio e video composito
analogici.)
Non è possibile convertire a frequenze infe-
riori i segnali audio e video dai terminali di
ingresso
HDMI
, dai terminali di ingresso
digitali (
OPTICAL
e
COAXIAL
) e da quelli
COMPONENT VIDEO
e mandarli a ZONE 2.
Nel caso dell’VSX-921
Zona
secondaria
Funzioni di ingresso
disponibili
ZONE 2
DVD
,
TV/SAT
,
DVR/BDR
,
VIDEO 1
,
VIDEO 2
,
CD
,
CD-R/TAPE
,
TUNER
,
ADAPTER PORT
(Viene emesso solo audio analo-
gico.)
Non è possibile convertire a frequenze inferiori
i segnali audio dai terminali di ingresso
HDMI
,
dai terminali di ingresso digitali (
OPTICAL
e
COAXIAL
) e mandarli a ZONE 2.
Impostazione MULTI-ZONE di base
(ZONE 2)
1 Collegare un amplificatore separato
alle prese AUDIO ZONE 2 OUT di questo
ricevitore.
Collegare una coppia di diffusori all’amplifica-
tore della zona secondaria come illustrato nella
figura che segue.
2
VSX-1021 solo:
Collegare un televisore
alle prese VIDEO ZONE 2 OUT di questo
ricevitore.
HDMI
VIDEO
CONTROL
IR
COMPONENT VIDEO
VIDEO IN
TV/SAT
IN
ZONE 2
DVR/BDR CD-R/TAPE
ZONE 2
DVR/
BDR
OUT
OUT
DVD IN
IN
IN
IN
IN
CD
L
R
L
R
IN
L
R
OUT
OUT
VIDEO
IN
DVD IN
BD IN
DVR/BDR IN
FM
75
TV/SAT VIDEO
DVD
Y
P
B
P
R
AUDIO
AN
ASSIGN
ABLE
MONITOR
OUT
MONITOR
OUT
IN
1
(DVD)
IN
1
(DVR/
BDR)
IN
2
ASSIGNABLE
1
OUT
IN
OUT
IN
R
L
AUDIO IN
VIDEO IN
Zona secondaria (
ZONE 2
)
Zona principale
Solo
VSX-1021
Collegamento di antenne AM/
FM
Collegare l’antenna a telaio AM e quella FM nel
modo visto di seguito. Per migliorare la rice-
zione e la qualità del suono, fare uso di antenne
esterne (vedere
Collegamento di antenne
esterne
pagina 15 ).
FM UNBAL
75
AM LOOP
ANTENNA
3
1
4
fig. a
fig. b
fig. c
5
2
1 Togliere le schermature di protezione
da entrambi i fili dell’antenna AM.
2 Premere le linguette facendole aprire,
quindi inserire un filo a fondo in ciascun
terminale, lasciando infine andare le
linguette bloccando i fili dell’antenna AM.
3 Fissare l’antenna a telaio AM al
supporto apposito in dotazione.
Per fissare il supporto all’antenna, piegare nella
direzione indicata dalla freccia (
fig. a
), quindi
fissare il telaio al supporto (
fig. b
).
!
Se si intende installare l’antenna AM su di un
muro o altra superficie, fermare il supporto
con le viti (
fig. c
) prima di fissare il telaio al
supporto. Controllare che la ricezione sia
chiara.
4 Collocare l’antenna AM su una
superficie piana e orientarla nella
direzione che fornisce la ricezione
migliore.
5 Collegare l’antenna a filo FM alla presa
FM.
Per ottenere risultati ottimali, estendere com-
pletamente l’antenna FM e fissarla al muro o
all’intelaiatura di una porta. Non lasciare il filo
penzolante né avvolto.
Collegamento di antenne esterne
Per migliorare la qualità della ricezione FM,
collegare un’antenna FM esterna al terminale
FM UNBAL 75
W
.
FM UNBAL
75
AM LOOP
ANTENNA
Cavo coassile 75
Ω
Per migliorare la ricezione AM, collegare un filo
con rivestimento vinilico lungo da 5 m a 6 m, ai
terminali
AM LOOP
senza scollegare l’antenna
AM a telaio in dotazione.
Per ottenere la migliore ricezione possi-
bile, appendere l’antenna orizzontalmente
all’esterno.
FM UNBAL
75
AM LOOP
ANTENNA
Antenna esterna
Antenna
per interni
(filo rivestito di
vinile)
da 5 m a 6 m
Collegamento ad una LAN
wireless
Il collegamento wireless alla rete è possibile
attraverso attrezzature wireless. Per il colle-
gamento, usare un AS-WL300 da acquistarsi
separatamente.
WAN
DC 5V
WPS
Ethernet
UNBAL
FRONT
CENTER
SURROUND
R
L
R
AM LOOP
(
CD
)
(
DVD
)
COAXIAL
PRE OUT
SPEA
TENNA
ASSIGNABL
OUT
SUBWOOFER
IN
1
IN
2
CAUTION:
SPEAKER IMPEDANCE
6 -16 .
ATTENTION:
ENCEINTE D’IMPEDANCE DE
6 -16 .
A
DC OUTPUT
for WIRELESS LAN
(OUTPUT 5 V
0.1 A MAX)
ADAPTER PORT
(OUTPUT 5 V 0.6 A MAX)
(10/100)
LAN
Internet
Modem
Convertitore LAN wireless (AS-WL300)
Router
Collegamento del ricevitore
Collegare il ricevitore solo dopo avere collegato
tutti i componenti, compresi gli diffusori.
ATTENZIONE
!
Maneggiare sempre il cavo di alimentazione
dall’estremità dotata di spina. Non estrarre la
spina tirando il cavo e non toccare mai il cavo
di alimentazione con le mani bagnate, poiché
potrebbe verificarsi un cortocircuito o scariche
elettriche. Non posizionare l’unità, un mobile o
un altro oggetto sopra al cavo di alimentazione
né schiacciarlo in un altro modo. Non
annodare mai il cavo né legarlo insieme ad
altri cavi. Posare i cavi di alimentazione in
modo da evitarne il calpestio. Un cavo di
alimentazione danneggiato può causare
incendi o scariche elettriche. Controllare il
cavo di alimentazione di tanto in tanto. Se
fosse danneggiato, rivolgersi al più vicino
centro di assistenza autorizzato Pioneer per la
sostituzione.
!
Non utilizzare un cavo di alimentazione
diverso da quello in dotazione all’unità.
!
Non utilizzare il cavo di alimentazione in
dotazione per altri scopi, se non quello
descritto di seguito.
!
Il ricevitore deve essere scollegato estraendo
la spina dalla presa elettrica quando non viene
utilizzato, ad esempio durante una vacanza.
1 Collegare il cavo di alimentazione in
dotazione alla presa AC IN nella parte
posteriore del ricevitore.
2 Collegare l’altra estremità a una presa
a muro.
!
Dopo che il ricevitore è stato collegato ad
una presa di corrente alternata, inizia un
periodo lungo da 2 a 10 secondi dedicato
al processo di inizializzazione HDMI. Non è
possibile eseguire alcuna operazione durante
questo processo. L’indicatore
HDMI
del
pannello anteriore lampeggia durante questo
processo e, quando smette di lampeggiare,
potere accendere il ricevitore. Se si regola
Control
con HDMI su
OFF
, potete saltare
questo processo. Per dettagli sulla funzione
Control
con HDMI, vedere
Funzione Control
con HDMI
nelle Istruzioni per l’uso del
CD-ROM.
It
16
02
Collegamento dell’apparecchio
Impostazione MULTI-ZONE usando i
terminali dei diffusori (ZONE 2)
Per fare uso di questa impostazione, scegliere
ZONE 2
di Speaker system nelle Istruzioni per
l’uso del CD-ROM.
1 Collegare due diffusori al terminale dei
diffusori surround posteriori.
2
VSX-1021 solo:
Collegare un televisore
alle prese VIDEO ZONE 2 OUT di questo
ricevitore.
SURROUND
SURROUND BACK / ZONE 2
R
L
R
R
L
(Single)
(
CD
)
(
DVD
)
(
DVR/BDR
)
(
TV/SAT
)
COAXIAL
SPEAKERS
OPTICAL
ASSIGNABLE
ASSIGNABLE
IN
1
IN
2
IN
1
IN
2
SEE INST
SELECTABLE
SELECTABLE
VOIR LE M
FRONT HEIG
HDMI
VIDEO
CONTROL
IR
COMPONENT VI
VIDEO IN
TV/SAT
IN
ZONE 2
DVR/
BDR
OUT
OUT
IN
Y
P
B
ASSIGN
ABLE
MONITOR
OUT
MONITOR
OUT
IN
1
(DVD)
IN
1
(DVR/
BDR)
IN
2
ASSIGNABLE
1
OUT
IN
OUT
IN
VIDEO IN
R
L
Solo
VSX-1021
Zona secondaria (
ZONE 2
) Zona principale
Collegamento alla rete LAN
via l’interfaccia LAN
Collegando questo ricevitore alla rete via il
terminale LAN si possono ascoltare stazioni
radio via Internet. L’ascolto di stazioni radio via
Internet richiede un previo contratto col proprio
ISP (Internet Service Provider).
Con questi collegamenti si possono riprodurre
file audio memorizzati in componenti della rete,
compreso un computer, usando gli ingressi
HOME MEDIA GALLERY.
UNBAL
FRONT
CENTER
R
L
AM LOOP
C
(10/100)
LAN
PRE OUT
TENNA
OUT
SUBWOOFER
CAUTION:
SPEAKER IMPEDANCE
6 -16 .
ATTENTION:
ENCEINTE D’IMPEDANCE DE
6 -16 .
A
DC OUTPUT
for WIRELESS LAN
(OUTPUT 5 V
0.1 A MAX)
ADAPTER PORT
(OUTPUT 5 V 0.6 A MAX)
WAN
3
2
1
LAN
Internet
Modem
Router
Cavo LAN
(venduto
separatamente)
ad una porta
LAN
PC
Collegare il terminale LAN di questo ricevitore
al terminale LAN del proprio router (con o senza
server DHCP incorporato) usando un cavo LAN
diritto (CAT 5 o superiore).
Attivare la funzione di server DHCP del proprio
router. Se il vostro router non possedesse
un server DHCP incorporato, è necessario
impostare i parametri di rete manualmente.
Per dettagli, vedere
Menu Network Setup
nelle
Istruzioni per l’uso del CD-ROM.
Specifiche tecniche LAN
!
Terminale LAN : Presa Ethernet
(10BASE-T/100BASE-TX)
Nota
!
Consultare le istruzioni per l’uso
dell’apparecchio, dato che le attrezzature
possedute ed i metodi di collegamento possono
differire a seconda dell’ambiente Internet usato.
!
Se si usa una connessione Internet a banda
larga, è necessario un contratto con un
Internet provider. Per dettagli, entrare in
contatto con l’Internet provider più vicino.
Оглавление
- Contents
- Before you start
- Connecting your equipment
- Basic Setup
- Basic playback
- Table des matières
- Avant de commencer
- Raccordement de votre équipement
- Configuration de base
- Lecture de base
- Inhaltsverzeichnis
- Vor der Inbetriebnahme
- Anschluss der Geräte
- Grundlegende Einrichtung
- Grundlegende Wiedergabe
- Contenuto
- Prima di iniziare
- Collegamento dell’apparecchio
- Impostazioni di base
- Riproduzione di base
- Inhoud
- Voordat u begint
- De apparatuur aansluiten
- Basisinstellingen
- Basisbediening voor afspelen
- Contenido
- Antes de comenzar
- Conexión del equipo
- Configuración básica
- Reproducción básica
- Содержание
- Перед началом работы
- Подключение оборудования
- Основная настройка
- Основные операции воспроизведения

