Pioneer X-HM70-S: Conexión del equipo
Conexión del equipo: Pioneer X-HM70-S

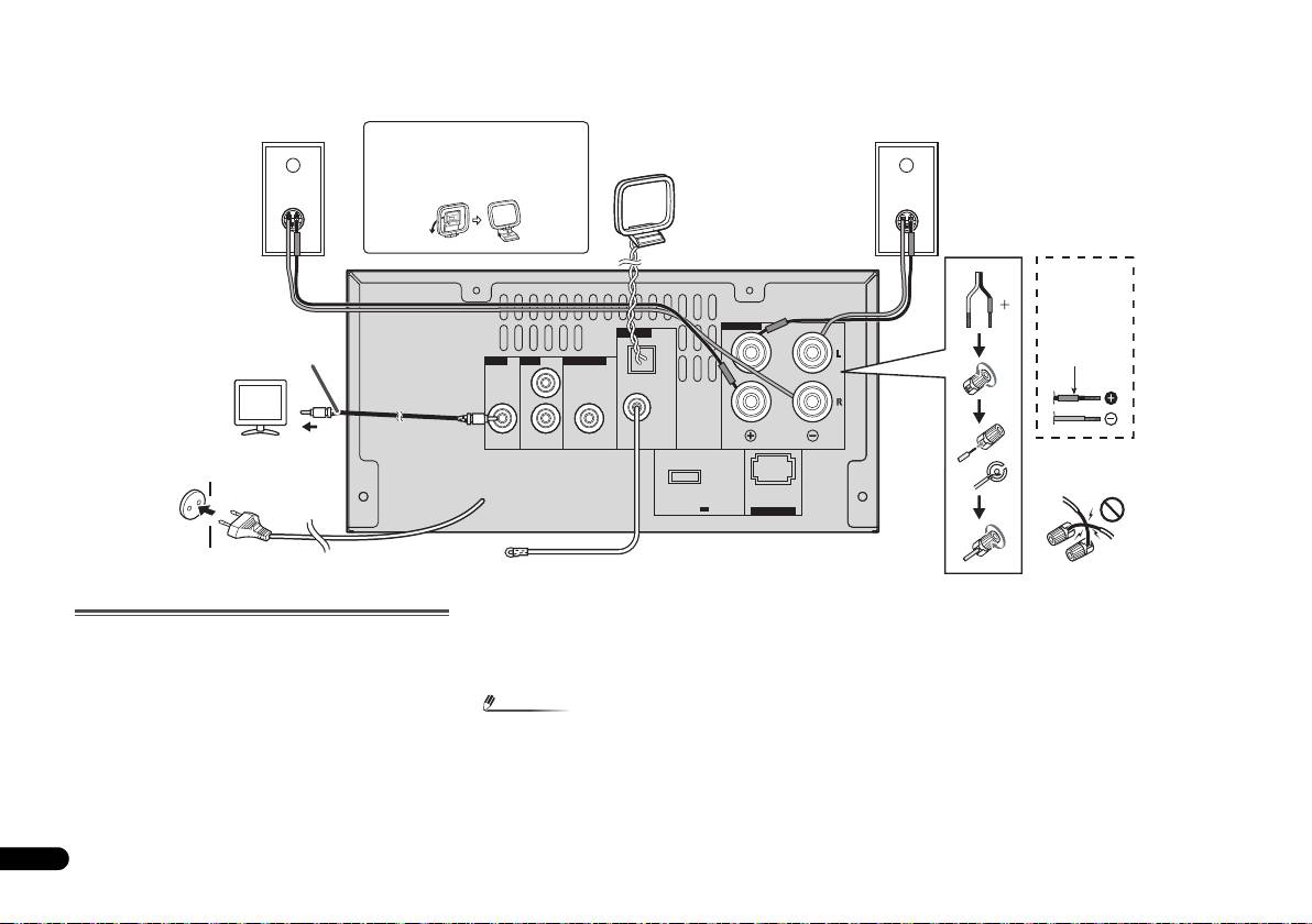
Conexión del equipo
Antes de realizar o cambiar las conexiones, apague el sistema y desenchufe el cable de alimentación de la toma de CA.
Antena de cuadro de AM suministrada:
Conexión de la antena
Conecte la antena de lazo al terminal de AM. Coloque el lazo
antena AM de forma tal que la recepción sea óptima.
Antena de FM suministrada:
Coloque la antena de lazo AM en un estante, etc., o fíjela en
Conecte el cable de la antena de FM a la toma FM 75 OHMS
un soporte.
y oriente el cable de la antena de FM en la dirección que
proporcione la mejor recepción posible.
Antena externa de FM:
Utilice una antena de FM externa (cable coaxial de 75
ohmios) para obtener una mejor recepción. Cuando se utilice
una antena externa de FM, desconecte el cable de antena
que viene con el aparato.
8
Es
Nota
• Si pone la antena sobre el aparato o cerca del cable de
alimentación de CA, podrá causarse generación de ruido.
Ponga la antena separada del aparato para obtener una
recepción mejor.
SPEAKERS
ANTENNA
AM
VIDEO LINE
SUBWOOFER
LOOP
L
FM
UNBAL
R
75
Ω
OUT
IN
PREOUT
DC OUTPUT
for WIRELESS LAN
(OUTPUT 5 V
0.6 A MAX)
LAN
(
10/100
)
Altavoz
Altavoz
derecho
izquierdo
Instalación de la antena de
Antena de
cuadro de AM
cuadro de AM
< Montaje >
Cable de
altavoz
suministrado
con la unidad
X-HM70
Cable de vídeo
Conector rojo
Televisor
Toma de pared
A la toma de
(220 V a 240 V de
entrada de vídeo
CA, 50 Hz)
Incorrecto
FM Antena
X-HM70_Es.fm 8 ページ 2011年8月2日 火曜日 午後4時47分

Conexión de los altavoces
Si no desea utilizar el altavoz proporcionado
• El cable de altavoz proporcionado, con el tubo rojo, es
para el terminal positivo (+). Conecte el cable con el
English Français Español Italiano
conector rojo al terminal positivo (+), y el otro cable al
terminal negativo (–).
• Utilice altavoces con una impedancia de 4 ohms; si utiliza
altavoces con una impedancia inferior, podría dañar la
unidad.
Deutsch
Nederlands
9
Es
PRECAUCIÓN
Sólo X-HM70:
• No instale los altavoces en el techo ni en una pared a gran
altura. La rejilla ha sido diseñada para que se pueda
desmontar; por consiguiente, si se coloca a una altura
elevada, existe el peligro de que se caiga y provoque
daños o lesiones personales.
• No deje que ningún objeto caiga en el interior de los
conductos de reflejo de graves, y no ponga nada en ellos.
• No se suba ni se siente encima de los altavoces. Podría
herirse.
Utilizar otro bafle
• Por estos terminales de altavoz circula tensión ACTIVA
Puede conectar un bafle con un amplificador a la toma de
que es PELIGROSA. Para evitar el peligro de descargas
SUBWOOFER PREOUT.
eléctricas al conectar o desconectar los cables de altavoz,
desenchufe el cable de alimentación antes de tocar las
partes de los cables que no están aisladas.
• No confunda los canales derecho e izquierdo. El altavoz
derecho es el que está en el lado derecho cuando se mira
el aparato desde delante.
• No deje que los cables desnudos de los altavoces se
pongan en contacto entre sí.
• Asegúrese de que no haya hilos expuestos del cable del
altavoz en contacto con el panel trasero mientras el
equipo está encendido. Si alguno de los cables
desprotegidos del altavoz tocara el panel trasero, podría
provocar un corte de corriente como medida de
seguridad.
Si no desea utilizar el cable de altavoz suministrado
Conexiones de cables desnudos
1 Trence los hilos expuestos del cable.
2 Afloje el terminal e inserte el hilo expuesto.
3 Apriete el terminal.
Nota
Conectar una TV, etc.
Conectar a la TV con un cable de audio.
Para seleccionar la función Línea de entrada:
• En la unidad principal: Pulse repetidamente el botón
• No se oirá ningún sonido desde el bafle sin un
INPUT hasta que aparezca Line In en pantalla.
12 3
amplificador incorporado.
• En el controlador remoto: Pulse LINE.
10 mm
ANTENNA
SPEAKERS
VIDEO LINE
SUBWOOFER
AM
LOOP
L
FM
UNBAL
R
75
Ω
OUT
IN
PREOUT
(OUTPUT 5 V
DC OUTPUT
for WIRELESS LAN
0.6 A MAX)
LAN
(
10/100
)
Cable de audio
(comercialmente
disponible)
Señal de audio
A la toma de
entrada de audio
A la toma
Unidad
SUBWOOFER PREOUT
principal
Subwoofer de venta
en establecimientos
comerciales
(amplificador
incorporado)
ANTENNA
SPEAKERS
VIDEO LINE SUBWOOFER
AM
LOOP
L
FM
UNBAL
R
75
Ω
OUT
IN
PREOUT
(OUTPUT 5 V
DC OUTPUT
for WIRELESS LAN
0.6 A MAX)
LAN
(
10/100
)
Televisor A las tomas de
salida de audio
Cable de audio
(comercialmente
disponible)
Señal de audio
A las tomas
de entrada
Unidad principal
LINE
X-HM70_Es.fm 9 ページ 2011年8月2日 火曜日 午後4時47分

Conexión a la red mediante la interfaz LAN
Al conectar este receptor a la red a través de un terminal
LAN, puede escuchar emisoras de radio de Internet. Para
escuchar emisoras de radio de Internet tendrá que firmar
primero un contrato con un ISP (proveedor de servicios de
Internet).
Conectado de este modo, permite reproducir archivos de
audio guardados en los componentes de la red, incluyendo
su propio ordenador, mediante las funciones NETWORK.
Conecte el terminal LAN de este receptor al terminal LAN de
su enrutador (con o sin la función del servidor DHCP
incorporada) con un cable LAN recto (CAT 5 o mejor).
Active la función del servidor DHCP en su enrutador. En el
caso de que su enrutador no tenga la función del servidor
DHCP incorporada, será necesario preparar manualmente la
red. Para obtener más detalles, consulte Menú de
configuración de red en la página 21.
10
Es
Nota
Conexión de la alimentación de CA
• Consulte el manual de instrucciones del equipo que ha
conectado puesto que dicho equipo y el método de
Después de comprobar que se hayan hecho correctamente
conexión pueden variar en función de su entorno de
todas las conexiones, enchufe el cable de alimentación de
Internet.
CA de este aparato en la toma de la pared.
• Cuando utilice una conexión de Internet de banda ancha,
es necesario un contrato con un proveedor de servicios
de Internet. Para conocer más detalles, póngase en
contacto con su proveedor de servicios de Internet más
cercano.
Conexión a un LAN inalámbrico
La conexión inalámbrica a la red es posible mediante una
conexión de LAN inalámbrico. Utilice el AS-WL300 de venta
por separado para la conexión.
Para obtener información detallada, consulte las
instrucciones de funcionamiento del conversor de LAN
inalámbrica (AS-WL300).
PRECAUCIÓN
• Desenchufe el cable de corriente CA del toma de la pared
si no se utilizará la unidad durante un largo período de
tiempo.
• Manipule el cable de corriente por el enchufe. No
desenchufe la unidad tirando del cable de alimentación,
y nunca toque el cable con las manos mojadas, ya que
podría producirse un cortocircuito o una descarga
eléctrica. No coloque la unidad ni ningún mueble, etc.,
encima del cable de alimentación, ni de forma que este
quede aprisionado entre dos superficies. Nunca haga
ningún nudo en el propio cable ni lo ate a otros cables. El
cable de alimentación deberá disponerse de tal modo
que la posibilidad de que alguien lo pise sea mínima. Un
cable de alimentación dañado puede provocar un
incendio o producir una descarga eléctrica. Revise el
cable de alimentación cada cierto tiempo. Si el cable está
dañado, solicite al servicio técnico autorizado PIONEER
más cercano o a su distribuidor que le faciliten uno
nuevo.
ANTENNA
SPEAKERS
AM
LOOP
FM
UNBAL
75
Ω
DC OUTPUT
(OUTPUT 5 V
for WIRELESS LAN
0.6 A MAX)
LAN
(
10/100
)
LAN
321
WAN
Internet
Modem
Enrutador
Cable LAN
(vendido por
separado)
al un puerto LAN
ANTENNA
SPEAKERS
AM
LOOP
FM
UNBAL
75
Ω
DC OUTPUT
(OUTPUT 5 V
for WIRELESS LAN
0.6 A MAX)
LAN
(
10/100
)
RT
WAN
DC 5V WPS
Ethernet
Internet
Modem
Enrutador
Convertidor LAN inalámbrico (AS-WL300)
X-HM70_Es.fm 10 ページ 2011年8月2日 火曜日 午後4時47分
Оглавление
- Contents
- Before you start
- Controls and Displays
- Connecting your equipment
- General control
- Listening to a CD or MP3/
- Listening to the iPod, iPhone or iPad
- Listening to USB mass storage device/MP3 player
- Playback with NETWORK feature
- Listening to the radio
- Using the Radio Data System (RDS)
- Timer and sleep operation
- Additional Information
- Table des matières
- Préparatifs
- Commandes et affichages
- Raccordement de votre équipement
- Commandes générales
- Écoute de disques MP3/
- Écoute de l’iPod, iPhone et iPad
- Lecture mémoire de grande capacité USB/ lecteur MP3
- Utilisation de la fonction de lecture réseau (NETWORK)
- Pour écouter la radio
- Utilisation du système RDS (Radio Data System)
- Utilisation des fonctions
- Informations
- Índice
- Antes de comenzar
- Controles e indicadores
- Conexión del equipo
- Control general
- Escuchando un CD o disco
- Escuchar el iPod, iPhone o iPad
- Escuchando a través del dispositivo de almacenamiento USB/
- Reproducción con opción NETWORK
- Recepción de radio
- Empleo del sistema de datos radiofónicos (RDS)
- Funcionamiento del
- Información adicional
- Inhalt
- Vor der Inbetriebnahme
- Bedienelemente und
- Anschluss der Geräte
- Generelle Bedienung
- CDs oder MP3/WMA-Discs
- iPod, iPhone oder iPad- Wiedergabe
- Hören von USB- Massenspeicher MP3- Player
- Wiedergabe mit der NETWORK- Funktion
- Radio hören
- Benutzen des Radio- Daten-Systems (RDS)
- Timer- und Sleep-
- Zusätzliche
- Indice
- Prima di cominciare
- Controlli e display
- Collegamento dell’apparecchio
- Comando generale
- Ascolto di un CD o disco
- Ascolto dell’iPod, iPhone o iPad
- Ascolto della periferica di memoria di massa USB/del lettore MP3
- Playback con caratteristica NETWORK
- Ascolto della radio
- Funzionamento di RDS (Radio Data System)
- Funzione di timer e
- Informazioni aggiuntive
- Inhoud
- Voordat u begint
- Bedieningselementen en
- De apparatuur aansluiten
- Algemene bediening
- Luisteren naar een CD of
- Luisteren naar de iPod, iPhone of iPad
- Luisteren naar USB massaopslagapparaat/ MP3-speler
- Weergave met NETWORK- functie
- Luisteren naar de radio
- Gebruiken van het Radio Data Systeem (RDS)
- Timer en inslaaptimer
- Overige informatie
- Содержание
- Перед началом работы
- Органы управления и
- Подключение оборудования
- Общее управление
- Прослушивание дисков CD
- Прослушивание iPod, iPhone или iPad
- Прослушивание запоминающего устройства большой
- Воспроизведение с функцией NETWORK
- Прослушивание
- Использование системы радиоданных (RDS)
- Работа с таймером и
- Дополнительная

