Karcher IVC 60-24-2 Tact – страница 9
Инструкция к Karcher IVC 60-24-2 Tact

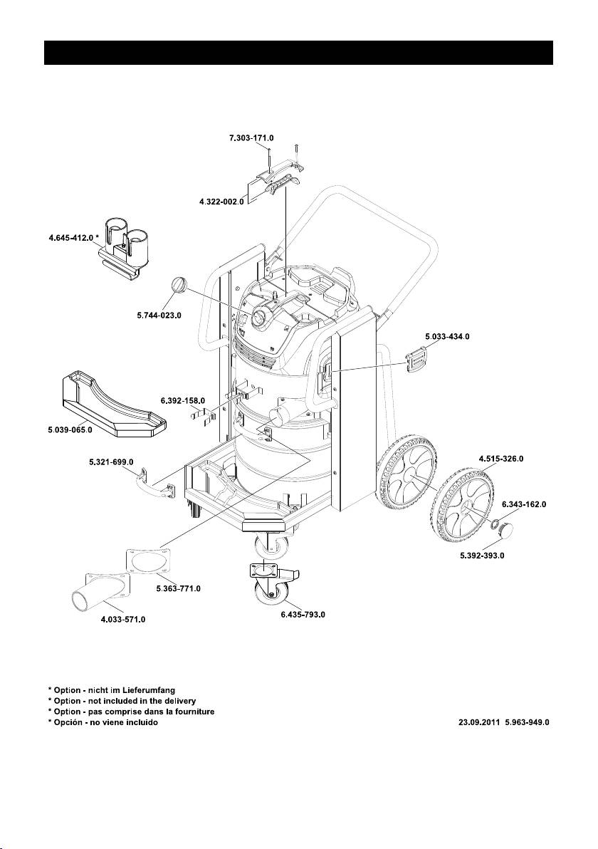
Transportēšana
Sūkšanas turbīna nedarbojas
Pārbaudiet energoapgādes kontaktligz-
Uzmanību
du un drošinātāju.
Savainošanās un bojājumu risks! Trans-
Pārbaudiet ierīces tīkla kabeli, kontakt-
portējot ņemiet vērā aparāta svaru.
dakšu un termozondi.
Atbrīvojiet stāvbremzi un stumiet aparā-
Ieslēdziet ierīci.
tu aiz bīdāmā roktura.
Lai aparātu pārnestu, satveriet to aiz
Sūkšanas turbīna atslēdzas
rāmja, bet nevis aiz bīdāmā roktura.
Iztukšojiet tvertni.
Transportējot automašīnā, saskaņā ar
Pārbaudiet, vai ir aizsargvāciņš un vai
spēkā esošajām direktīvām nodrošiniet
aizsargvāciņa sānu atvere ir vērsta labā
aparātu pret izslīdēšanu un apgāšanos.
nolaišanas mehānisma virzienā (skat.
Glabāšana
aparāta attēlu).
Termozondi un aizsargvāciņu notīriet ar
Uzmanību
mitru lupatiņu.
Savainošanās un bojājumu risks! Uzglabā-
Sūkšanas turbīnu pēc tvertņu
jot ņemiet vērā aparāta svaru.
Šo aparā
tu drīkst uzglabāt tikai iekštelpās.
iztukšošanas nevar iedarbināt
Izslēdziet un tad atkal ieslēdziet aparātu.
Kopšana un tehniskā apkope
Termozondi un aizsargvāciņu notīriet ar
Bīstami
mitru lupatiņu.
Pirms visiem darbiem ar ierīci, izslēdziet ie-
Iesūkšanas spēks samazinās
rīci un atvienojiet tīkla kontaktdakšu.
Likvidējiet aizsērējumus sūkšanas
Plakanrievu filtra nomaiņa
sprauslā, sūkšanas caurulē, sūkšanas
Atveriet filtra pārsegu.
šļūtenē vai plakanrievu filtrā.
Nomainiet plakanrievu filtru.
Pārbaudiet sūkšanas galviņas un tvert-
Aizveriet filtra pārsegu, tam dzirdami ir
nes pareizu novietojumu.
jānofiksējas.
Pareizi nofiksējiet filtra pārsegu.
Nomainiet plakanrievu filtru.
Termozondes tīrīšana
Putekļu izplūde sūkšanas procesa
Pavelciet nolaišanas mehānisma atblo-
ķēšanas sviras uz augšu.
laikā
Pavelciet bīdāmo rokturi uz augšu. Tvert-
Pārbaudiet plakanrievu filtra pareizu
ne tiek atbloķēta un nolaista uz leju.
montāžas pozīciju.
Izvelciet tvertni aiz roktura uz āru.
Nomainiet plakanrievu filtru.
Termozondi un aizsargvāciņu notīriet ar
Nenostrādā automātiskā
mitru lupatiņu.
atslēgšanās sistēma (mitrā tīrīšana)
Ievietojiet tvertni atpakaļ un nofiksējiet
ar bīdāmo rokturi.
Termozondi un aizsargvāciņu notīriet ar
mitru lupatiņu.
Palīdzība darbības
traucējumu gadījumā
Bīstami
Pirms visiem darbiem ar ierīci, izslēdziet ie-
rīci un atvienojiet tīkla kontaktdakšu.
– 4
161LV

Nedarbojas automātiskā filtru
EK Atbilstības deklarācija
tīrīšana
Ar šo mēs paziņojam, ka turpmāk minētā
Nav pievienota sūkšanas šļūtene.
iekārta, pamatojoties uz tās konstrukciju un
Izmantotā sūkšanas šļūtene ir par īsu (<
izgatavošanas veidu, kā arī mūsu apgrozī-
3m) vai tai ir pārāk liels diametrs.
bā laistajā izpildījumā atbilst ES direktīvu
Informējiet klientu dienestu.
attiecīgajām galvenajām drošības un vese-
lības aizsardzības prasībām. Iekārtā izda-
Nevar atslēgt automātisko filtru
rot ar mums nesaskaņotas izmaiņas, šis
tīrīšanu
paziņojums zaudē savu spēku.
Informējiet klientu dienestu.
Produkts: Putekļsūcējs sauso un mitro
netīrumu sūkšanai
Garantija
Tips: 1.576-xxx
Attiecīgās ES direktīvas:
Katrā valstī ir spēkā mūsu uzņēmuma atbil-
2006/42/EK (+2009/127/EK)
dīgās sabiedrības izdotie garantijas nosa-
2004/108/EK
cījumi. Garantijas termiņa ietvaros
Piemērotās harmonizētās normas:
iespējamos Jūsu iekārtas darbības traucē-
EN 55014–1: 2006 + A1: 2009
jumus mēs novērsīsim bez maksas, ja to
EN 55014–2: 1997 + A2: 2008
cēlonis ir materiāla vai ražošanas defekts.
EN 60335–1
Garantijas remonta nepieciešamības gadī-
EN 60335–2–69
jumā ar pirkumu apliecinošu dokumentu
EN 61000–3–2: 2006 + A2: 2009
griezieties pie tirgotāja vai tuvākajā pilnva-
EN 61000–3–3: 2008
rotajā klientu apkalpošanas dienestā.
EN 62233: 2008
Izmantotie valsts standarti:
Piederumi un rezerves daļas
-
– Drīkst izmantot tikai ražotājfirmas atļau-
5.966-010
tos piederumus un rezerves daļas. Ori-
ģinālie piederumu un oriģinālās
Apakšā parakstījušā
s personas rīkojas uz-
rezerves daļas garantē to, ka aparātu
ņēmuma vadības uzdevumā un pēc tās
var ekspluatēt droši un bez traucēju-
pilnvarojuma.
miem.
– Visbiežāk pieprasīto rezerves daļu klās-
tu Jūs atradīsiet lietošanas rokasgrā-
matas galā.
CEO
Head of Approbation
– Turpmāko informāciju par rezerves da-
Par dokumentāciju sastādīšanu atbildīgā
ļām Jūs saņemsiet saitā www.kaerc-
persona:
her.com, sadaļā Service.
S. Reiser
– Piegādes komplektā piederumu nav ie-
kļauti. Piederumi atkarībā no pielietoju-
Alfred Kärcher GmbH & Co. KG
ma ir jāpasūta atsevišķi.
Alfred-Kärcher-Str. 28 - 40
– Aparāta nevainojama darbība tiek no-
71364 Winnenden (Germany)
drošināta tikai, izmantojot sūkšanas
Tālr.: +49 7195 14-0
šļūtenes ar nominālo diametru DN42 un
Fakss: +49 7195 14-2212
DN52.
– Rezerves detaļas un piederumus Jūs
Winnenden, 2010/07/14
varat iegādāties pie sava tirdzniecības
pārstāvja vai savā firmas KÄRCHER fi-
liālē.
162 LV
– 5

Tehniskie dati
IVC 60/24-2
IVC 60/24-2
*EU
*GB
*CH
Barošanas tīkla spriegums V 220-240 110
Frekvence Hz 1~ 50/60 1~ 50/60
Maks. jauda W 2760 2450
Nominālā jauda W 2400 2150
Tvertnes tilpums l 60 60
Gaisa daudzums (maks.) l/s 2x 74 2x 66
Zemspiediens (maks.) kPa (mbar) 25,4 (254) 22,0 (220)
Aizsardzība -- IP X4 IP X4
Aizsardzības klase -- I I
Sūkšanas šļūtenes pieslēgums
DN 72 72
(C-DN/C-ID)
Sūkšanas šļūtenes nominālais dia-
DN 42/52 42/52
metrs
Garums x platums x augstums mm 970 x 690 x 995 970 x 690 x 995
2
Filtra virsma m
0,95 0,95
Tipiskā darba masa kg 60 60
Apkārtējā temperatūra (maks.) °C +40 +40
Saskaņā ar EN 60335-2-69 aprēķinātās vērtības.
Skaņas spiediena līmenis L
pA
dB(A) 73 73
Nenoteiktība K
pA
dB(A) 1 1
2
Plaukstas-rokas vibrācijas lielums m/s
<2,5 <2,5
2
Nenoteiktība K m/s
0,2 0,2
2
Tīkla kabelis H07RN-F 3x1,5 mm
Daļas Nr. Kabeļa
garums
EU 6.649-915.0 10 m
CH 6.650-168.0 10 m
2
Tīkla kabelis H07RN-F 3x2,5 mm
Daļas Nr. Kabeļa
garums
GB 6.650-169.0 10 m
– 6
163LV

Prieš pirmą kartą pradedant
Aplinkos apsauga
naudotis prietaisu, būtina ati-
džiai perskaityti originalią instrukciją, ja va-
Pakuotės medžiagos gali būti
dovautis ir saugoti, kad ja galima būtų
perdirbamos. Neišmeskite pa-
naudotis vėliau arba perduoti naujam savi-
kuočių kartu su buitinėmis atlie-
ninkui.
komis, bet atiduokite jas
– Prieš pirmąjį naudojimą, būtinai per-
perdirbti.
skaitykite saugos nurodymus Nr. 5.956-
Naudotų prietaisų sudėtyje yra
249!
vertingų, antriniam žaliavų per-
– Nesilaikant naudojimo instrukcijos ir
dirbimui tinkamų medžiagų, to-
saugos nurodymų galima sugadinti
dėl jie turėtų būti atiduoti
prietaisą ar sukelti pavojų naudotojui ir
perdirbimo įmonėms. Akumulia-
kitiems asmenims.
toriai, alyvos ir panašios me-
– Pastebėję transportavimo metu apga-
džiagos neturėtų patekti į
dintas detales, informuokite tiekėją.
aplinką. Todėl naudotus prietai-
sus šalinkite pagal atitinkamą
Turinys
antrinių žaliavų surinkimo siste-
Aplinkos apsauga. . . . . . . . LT . . .1
mą.
Naudojimo instrukcijoje naudo-
Nurodymai apie sudedamąsias medžia-
jami simboliai . . . . . . . . . . . LT . . .1
gas (REACH)
Naudojimas pagal paskirtį . LT . . .1
Aktualią informaciją apie sudedamąsias
Prietaiso dalys . . . . . . . . . . LT . . .2
dalis rasite adresu:
Naudojimo pradžia . . . . . . . LT . . .2
www.kaercher.com/REACH
Valdymas . . . . . . . . . . . . . . LT . . .2
Naudojimo instrukcijoje
Transportavimas. . . . . . . . . LT . . .3
naudojami simboliai
Laikymas . . . . . . . . . . . . . . LT . . .3
Priežiūra ir aptarnavimas . . LT . . .3
Pavojus
Pagalba gedimų atveju. . . . LT . . .4
Žymi gresiantį tiesioginį pavojų, galintį su-
Garantija. . . . . . . . . . . . . . . LT . . .4
kelti sunkius sužalojimus arba mirtį.
Priedai ir atsarginės dalys . LT . . .5
몇 Įspėjimas
EB atitikties deklaracija . . . LT . . .5
Žymi galimą pavojų, galintį sukelti sunkius
Techniniai duomenys . . . . . LT . . .6
sužalojimus arba mirtį.
Atsargiai
Žymi galimą pavojų, galintį sukelti lengvus
sužalojimus arba materialinius nuostolius.
Naudojimas pagal paskirtį
몇 Įspėjimas
Prietaisas nepritaikytas sveikatai pavojin-
goms dulkėms siurbti.
– Siurblys skirtas sausai ir drėgnai valyti
grindų ir sienų paviršius.
– Šis prietaisas tinka pramoniniam nau-
dojimui, pvz., sandėliavimo ir gamybos
patalpose bei prie gamybos įrenginių.
– Šis prietaisas negali būti keliamas kranu.
164 LT
– 1

Prietaiso dalys
Valdymas
1 Elektros laidas
Atsargiai
2 Duomenų lentelė
Siurbimo metu niekada negalima pašalinti
3 Filtro valymas
plokščiojo klostuoto filtro.
4 Plokščiasis gofruotas filtras
Sausas valymas
5 Siurblio viršutinė dalis
6 Siurbimo galvutės rankena
Atsargiai
7 Nuleidimo mechanizmo dešinioji atblo-
Pertvarkydami prietaisą iš drėgno į sau-
kavimo svirtis
są siurbimą atkreipkite dėmesį į toliau
8 Tarpinis žiedas
pateikiamus dalykus.
9 Nešvarumų talpyklos kreipiamasis ratukas
Jei siurbdami sausas dulkes naudosite drė-
10 Kaištis
gną filtravimo elementą, jis gali užsikimšti ir
11 Purvo rezervuaras
tapti nebenaudojamas.
12 Nuleidimo mechanizmo kairioji atbloka-
Prieš naudojimą gerai išdžiovinkite drė-
vimo svirtis
gną filtrą arba pakeiskite jį sausu.
13 Ratas
Jei reikia, pakeiskite filtrą kaip aprašyta
14 Siurbimo galvutės fiksatorius
skyriuje „Techninė priežiūra ir aptarna-
15 Siurbimo antvamzdis
vimas“.
16 Korpuso kreipiamasis ratukas su stovė-
Pastaba: Nešvarumų talpyklą reikia ištuš-
jimo standžiu
tinti, jei ji užpildyta 3 cm iki viršutinio krašto.
17 Antgalio grindims laikiklis
– Reguliariai tikrinkite nešvarumų talpy-
18 Važiuoklė
klos užpildymo lygį, kadangi sausojo si-
19 Gaudyklė
urbimo režimu veikiantis prietaisas
20 Nešvarumų talpyklos rankena
automatiškai neišsijungia.
21 Siurbimo vamzdžio laikiklis
22 Terminio zondo prijungimo kištukas
Drėgnas valymas
23 Parengties režimo kontrolinė lemputė
Atsargiai
24 Sukamasis jungiklis
Laikykitės vietinių nuostatų dėl nuotėkų
25 Filtro dangtelis
vandens šalinimo.
26 Kabelio laikiklis
– Dėmesio! Jei prietaisas pradedamas
27 Stūmimo rankena
naudoti su užpildyta nešvarumų tal-
28 Apsauginio gaubtuvėlio anga
pykla, išjungimo sistema gali surea-
29 Apsauginis gaubtuvėlis
guoti per vėlai ir prietaisas gali būti
30 Terminis zondas
perpildytas.
Naudojimo pradžia
– Siurbdami drėgnus nešvarumus antga-
liu plyšiams arba kai įsiurbiama per di-
Pastatykite prietaisą į darbo padėtį, jei
delis skysčių kiekis, rekomenduojama,
reikia, įjunkite stovėjimo stabdį.
išjungti funkciją „Filtro valymas“.
Siurblio žarną (netiekiama kartu su įren-
– Pasiekus maksimalų skysčio kiekį, prie-
giniu) įkiškite į siurbimo antvamzdį.
taisas automatiškai išsijungia.
Prieš dirbdami, patikrinkite nešvarumų
– Baigę siurbti drėgnus nešvarumus: Iš-
talpyklos užpildymo lygį ir, jei reikia, iš-
džiovinkite plokščiąjį klostuotąjį filtrą.
tuštinkite ją.
Drėgna šluoste nuvalykite terminį zon-
Įsitikinkite, ar tinkamai įdėta nešvarumų
dą ir apsauginį gaubtuvėlį. Talpyklą iš-
talpykla.
valykite drėgna šluoste ir nusausinkite.
Pritvirtinkite norimą priedą (netiekiami
kartu su įrenginiu).
– 2
165LT

몇 Įspėjimas
Sukamasis jungiklis
Suspaudimo pavojus! Fiksuoda-
– Prietaisas ĮJUNGTAS
mi jokiu būdu nelaikykite rankų
– Filtro valymo sistema
tarp nešvarumų talpyklos ir tar-
IŠJUNGTA
pinio žiedo ir nekiškite jų prie pa-
kėlimo mechanizmo. Abiem rankomis
– Prietaisas IŠJUNGTAS
paėmę rankeną užfiksuokite nešvarumų
talpyklą.
– Prietaisas ĮJUNGTAS
Prietaiso valymas
– Filtro valymo sistema
Prietaisą iš vidaus ir išorės nusiurbkite
ĮJUNGTA
ir nuvalykite drėgna šluoste.
Prietaiso įjungimas
Prietaiso laikymas
Įkiškite elektros laido kištuką.
Apvyniokite maitinimo kabelį apie laikiklį.
Įsižiebia kontrolinė parengties režimo
Apvyniokite siurbimo žarną apie stūmi-
lemputė.
mo rankeną.
Sukamuoju jungiklių įjunkite prietaisą.
Grindų antgalį ir siurbimo vamzdį įkiški-
te į laikiklius.
Automatinis filtro valymas
Prietaisą palikite sausoje, pašaliniams
Jūsų siurblyje yra įmontuota naujoviška,
neprieinamoje patalpoje.
dviguba filtro valymo sistema, ypač veiks-
Transportavimas
minga valant smulkias dulkes. Plokščiasis
klostuotas filtras automatiškai išvalomas
Atsargiai
kas 7,5 sekundes oro smūgiu (pasigirsta
Sužalojimų ir pažeidimų pavojus! Transpor-
pulsuojantis garsas).
tuojant prietaisą, reikia atsižvelgti į jo svorį.
Prietaiso išjungimas
Atleiskite stovėjimo stabdžius ir stumki-
te prietaisą stūmimo rankena.
Sukamuoju jungiklių išjunkite prietaisą.
Norėdami perkelti prietaisą, imkite už va-
Ištraukite elektros laido kištuką.
žiuoklės, bet ne už stūmimo rankenos.
Užgęsta kontrolinė parengties režimo
Transportuojant įrenginį transporto
lemputė.
priemonėse, jį reikia užfiksuoti pagal
Po kiekvieno naudojimo
galiojančius reglamentus, kad neslystų
ir neapvirstų.
Ištuštinkite rezervuarą.
Užfiksuokite stovėjimo stabdžius.
Laikymas
Paveikslas
Atsargiai
Patraukite į viršų nuleidimo mechaniz-
Sužalojimų ir pažeidimų pavojus! Pastatant
mo atblokavimo svirtį.
laikyti prietaisą, reikia atsižvelgti į prietaiso
Patraukite į viršų stūmimo rankeną. Tal-
svorį.
pykla atblokuojama ir nuleidžiama.
Šį prietaisą galima laikyti tik patalpose.
Paveikslas
Už rankenos ištraukite talpyklą.
Priežiūra ir aptarnavimas
Ištuštinkite kamerą.
Pavojus
Vėl įdėkite talpyklą ir užblokuokite stū
-
Prieš visus prietaiso priežiūros darbus iš-
mimo rankeną.
junkite prietaisą ir ištraukite elektros laido
kištuką iš tinklo lizdo.
166 LT
– 3

Plokščiojo klostuoto filtro keitimas
Sumažėjo siurbimo jėga
Atidarykite filtro dangtelį.
Pašalinkite susidariusius kamšč
ius iš
Pakeiskite plokščiąjį klostuotą filtrą.
siurbimo antgalio, siurblio vamzdžio, si-
urbimo žarnos ar plokščiojo klostuoto
Uždarykite filtro dangtelį taip, kad girdi-
filtro.
mai užsifiksuotų.
Patikrinkite, ar tvirtai laikosi siurbimo
Terminio zondo valymas
galva ir rezervuaras.
Patraukite į viršų nuleidimo mechaniz-
Tinkamai užfiksuokite filtro dangtelį.
mo atblokavimo svirtį.
Pakeiskite plokščiąjį klostuotą filtrą.
Patraukite į viršų stūmimo rankeną. Tal-
Siurbimo metu dulkės šalinamos
pykla atblokuojama ir nuleidžiama.
laukan
Už rankenos ištraukite talpyklą.
Drėgna šluoste nuvalykite terminį zon-
Patikrinkite, ar tinkamai įstatytas plokš-
dą ir apsauginį gaubtuvėlį.
čiasis klostuotas filtras.
Vėl įdėkite talpyklą ir užblokuokite stū-
Pakeiskite plokščiąjį klostuotą filtrą.
mimo rankeną.
Automatinė išjungimo sistema
Pagalba gedimų atveju
(drėgno valymo metu) nereaguoja
Drėgna šluoste nuvalykite terminį zon-
Pavojus
dą ir apsauginį gaubtuvėlį.
Prieš visus prietaiso priežiūros darbus iš-
junkite prietaisą ir ištraukite elektros laido
Neveikia automatinė filtro valymo
kištuką iš tinklo lizdo.
sistema
Siurblio turbina neveikia
Neprijungta siurbimo žarna.
Naudojama per trumpa (< 3m) arba per
Patikrinkite maitinimo tinklo lizdą ir sau-
didelio skersmens žarna.
giklį.
Kreipkitės į klientų aptarnavimo tarnybą.
Patikrinkite įrenginio maitinimo kabelį,
jo kištuką ir terminį zondą.
Neišsijungia automatinio filtro
Įjunkite prietaisą.
valymo sistema
Siurblio turbina išsijungia
Kreipkitės į klientų aptarnavimo tarnybą.
Ištuštinkite kamerą.
Garantija
Patikrinkite, ar yra apsauginis gaubtu-
vėlis, o jo šoninė anga nukreipta į deši-
Kiekvienoje šalyje galioja mūsų įgaliotų
nįjį nuleidimo mechanizmą (žr. įrenginio
pardavėjų nustatytos garantijos sąlygos.
paveikslą).
Galimus prietaiso gedimus garantijos galio-
jimo laikotarpiu pašalinsime nemokamai,
Drėgna šluoste nuvalykite terminį zon-
jei tokių gedim
ų priežastis buvo netinka-
dą ir apsauginį gaubtuvėlį.
mos medžiagos ar gamybos defektai. Dėl
Ištuštinus rezervuarą siurblio
garantinių gedimų šalinimo kreipkitės į
turbina vis dar neveikia
savo pardavėją arba artimiausią klientų ap-
tarnavimo tarnybą pateikdami pirkimą pa-
Išjunkite ir vėl įjunkite prietaisą.
tvirtinantį kasos kvitą.
Drėgna šluoste nuvalykite terminį zon-
dą ir apsauginį gaubtuvėlį.
– 4
167LT

Priedai ir atsarginės dalys EB atitikties deklaracija
– Leidžiama naudoti tik gamintojo patvir-
Šiuo pareiškiame, kad toliau aprašyto apa-
tintus priedus ir atsargines dalis. Origi-
rato brėžiniai ir konstrukcija bei mūsų į rinką
nalių priedų ir atsarginių dalių
išleistas modelis atitinka pagrindinius EB
naudojimas užtikrina saugų, be gedimų
direktyvų saugumo ir sveikatos apsaugos
prietaiso funkcionavimą.
reikalavimus. Jei mašinos modelis keičia-
– Dažniausia naudojamų atsarginių dalių
mas su mumis nepasitarus, ši deklaracija
sąrašas pateiktas naudojimo instrukci-
nebegalioja.
jos pabaigoje.
Gaminys: Drėgno ir sauso valymo siur-
– Informacijos apie atsargines dalis galite
blys
rasti interneto svetainės www.kaer-
Tipas: 1.576-xxx
cher.com dalyje „Service“.
Specialios EB direktyvos:
2006/42/EB (+2009/127/EB)
– Komplekte priedų nėra. Atsižvelgiant į
2004/108/EB
naudojimo sritį, priedus reikia užsakyti
Taikomi darnieji standartai:
atskirai.
EN 55014–1: 2006 + A1: 2009
– Tinkamas įrenginio veikimas užtikrina-
EN 55014–2: 1997 + A2: 2008
mas tik naudojant DN42 ir DN52 nomi-
EN 60335–1
naliojo storio žarnas.
EN 60335–2–69
– Atsargines dalis ir priedus gausite iš
EN 61000–3–2: 2006 + A2: 2009
pardavėjo arba Jūsų KÄRCHER filiale.
EN 61000–3–3: 2008
EN 62233: 2008
Taikomi nacionaliniai standartai:
-
5.966-010
Pasirašantys asmenys yra įgalioti parduo-
tuvės vadovybės.
CEO
Head of Approbation
Dokumentaciją tvarkyti įgaliotas asmuo:
S. Reiser
Alfred Kärcher GmbH & Co. KG
Alfred-Kärcher-Str. 28 - 40
71364 Winnenden (Germany)
Tel.: +49 7195 14-0
Faksas: +49 7195 14-2212
Winnenden, 2010/07/14
168 LT
– 5

Techniniai duomenys
IVC 60/24-2
IVC 60/24-2
*EU
*GB
*CH
Tinklo įtampa V 220-240 110
Dažnis Hz 1~ 50/60 1~ 50/60
Maks. galia W 2760 2450
Nominalioji galia W 2400 2150
Kameros talpa l 60 60
Oro kiekis (maks.) l/s 2x 74 2x 66
Subatmosferinis slėgis (maks.) kPa (mbar) 25,4 (254) 22,0 (220)
Saugiklio rūšis -- IP X4 IP X4
Apsaugos klasė -- I I
Siurbimo žarnos jungtis (C-DN/C-ID) DN 72 72
Nominalusis žarnos storis DN 42/52 42/52
Ilgis x plotis x aukštis mm 970 x 690 x 995 970 x 690 x 995
2
Filtro plokštuma m
0,95 0,95
Tipinė eksploatacinė masė kg 60 60
Aplinkos temperatūra (maks.) °C +40 +40
Nustatytos vertės pagal EN 60335-2-69
Garso slėgio lygis L
pA
dB(A) 73 73
Neapibrėžtis K
pA
dB(A) 1 1
2
Delno/rankos vibracijos poveikis m/s
<2,5 <2,5
2
Nesaugumas K m/s
0,2 0,2
2
Maitinimo
H07RN-F 3x1,5 mm
kabelis
Dalies Nr.: Kabelio
ilgis
EU 6.649-915.0 10 m
CH 6.650-168.0 10 m
2
Maitinimo
H07RN-F 3x2,5 mm
kabelis
Dalies Nr.: Kabelio
ilgis
GB 6.650-169.0 10 m
– 6
169LT

Перед першим застосуванням
Захист навколишнього
вашого пристрою прочитайте
середовища
цю оригінальну інструкцію з
експлуатації, після цього дійте
Матеріали упаковки
відповідно неї та збережіть її для
піддаються переробці для
подальшого користування або для
повторного використання.
наступного власника.
Будь ласка, не викидайте
– Перед першим використанням на
пакувальні матеріали разом із
виробництві обов’язково прочитайте
домашнім сміттям, віддайте їх
вказівки з техніки безпеки № 5.956-
для на переробку.
249.
Старі пристрої містять цінні
– Неслідування інструкції з
матеріали, що можуть
експлуатації та брошурі з правил
використовуватися повторно.
безпеки може призвести до
Батареї, мастило та схожі
пошкодження пристрою та небезпеки
матеріали не повинні
для користувача та інших людей.
потрапити у навколишнє
– Якщо виникають ошкодження при
середовище. Тому, будь
транспортуванні, негайно повідомте
ласка, утилізуйте старі
про це продавця.
пристрої за допомогою
Перелік
спеціальних систем збору
сміття.
Захист навколишнього
середовища. . . . . . . . . . . . UK . . .1
Інструкції із застосування
компонентів (REACH)
Знаки у посібнику . . . . . . . UK . . .1
Актуальні відомості про компоненти
Правильне застосування . UK . . .2
наведені на веб-вузлі за адресою:
Елементи приладу . . . . . . UK . . .2
www.kaercher.com/REACH
Введення в експлуатацію. UK . . .2
Експлуатація . . . . . . . . . . . UK . . .2
Знаки у посібнику
Транспортування . . . . . . . UK . . .4
Обережно!
Зберігання . . . . . . . . . . . . . UK . . .4
Для небезпеки, яка безпосередньо
Догляд та технічне
загрожує та призводить до тяжких
обслуговування. . . . . . . . . UK . . .4
травм чи смерті.
Допомога у випадку
неполадок . . . . . . . . . . . . . UK . . .4
몇 Попередження
Гарантія . . . . . . . . . . . . . . . UK . . .5
Для потенційно можливої небезпечної
Приладдя й запасні деталі UK . . .6
ситуації, що може призвести до
Заява при відповідність
тяжких травм чи смерті.
Європейського
Увага!
співтовариства . . . . . . . . . UK . . .6
Для потенційно можливої небезпечної
Технічні характеристики . . UK . . .7
ситуації, що може призвести до легких
травм чи спричинити матеріальні
збитки.
– 1
170 UK

23 Контрольна лампа готовності до
Правильне застосування
експлуатації
몇 Попередження
24 Поворотний перемикач
25 Кришка фільтра
Забороняється експлуатація
пристрою для збору шкідливого для
26 Тримач кабелю
здоров'я пилу.
27 Тягова ручка
– Цей пилосос призначений для
28 Отвір в захисному ковпачку
вологого та сухого очищення підлоги
29 Захисний ковпачок
і стін.
30 Термозонд
– Пристрій призначений для
Введення в експлуатацію
застосування у промислових умовах,
наприклад, в складських цехах і
Привести пристрій у робочий стан.
виробничих ділянках, а також в
Якщо необхідно
, скористатися
серійних машинах.
стопорним пристроєм коліщат.
– Пристрій не призначений для
Вставити всмоктувальний шланг (не
перевантаження за допомогою
входить до комплекту постачання) у
крану.
всмоктувальний патрубок.
Перед початком роботи перевірити
Елементи приладу
рівень заповнення резервуару для
1 Мережевий кабель
сміття і випорожнити його при
2 Заводська табличка
необхідності.
3 Очистка фільтра
Впевнитися, що резервуар для
4 Плоский складчастий фільтр
сміття встановлений правильно.
5 Гголовка всмоктування
Підключити бажане приладдя (не
6 Ручка всмоктувального елемента
входять до комплекту постачання).
7 Правий пристрій розблокування
Експлуатація
механізму відвала
8 Переліжне кільце
Увага!
9 Напрямні ролики резервуару для
Забороняється видалення
сміття
складчастого
фільтра під час роботи.
10 Пробка
Пилосос для сухої очистки
11 Ємкість для бруду
12 Лівий пристрій розблокування
Увага!
механізму відвала
При переході від вологого до сухого
13 Колесо
чищення слід прийняти до уваги:
14 Фіксація головки всмоктування
Всмоктування сухого пилу з
використанням вологого
15 Усмоктувальний патрубок
фільтруючого елементу може
16 Напрямній
ролик шасі зі стопорним
призвести до забиття фільтру та
пристроєм
зробить його непридатним для
17 Тримач насадки для підлоги
подальшого використання.
18 Ходова частина
Слід добре висушити вологий фільтр
19 Зливна ванна
або замінити його на сухий.
20 Рукоятка резервуару для сміття
У разі потреби слід
замінити фільтр,
21 Тримач для всмоктувальної трубки
як вказано у розділі "Догляд та
22 Штепсельна вилка термозонду
технічне обслуговування".
– 2
171UK

Вказівка: Ємність для бруду слід
Ввімкнення пристрою
очищувати, коли вона заповнена на 3 см
від верхнього краю.
Вставте штепсельну вилку.
– Регулярно перевіряти рівень
Світиться контрольна лампа
заповнення резервуару для сміття,
готовності до експлуатації.
оскільки пристрій не відключається
Ввімкнути прилад за допомогою
автоматично під час чищення в
поворотного перемикача.
сухому режимі
Автоматичне очищення фільтра
Вологе прибирання
Прилад оснащено новою, подвійною
Увага!
системою очищення фільтра, яка
особливо
ефективна при роботі з
Слідуйте місцевим нормам щодо
дрібним пилом. При цьому за допомогою
стічних вод.
подачі повітря кожні 7,5 секунд
– Увага! При введенні в
відбувається автоматичне чищення
експлуатацію пристрою з повним
складчастого фільтра (пульсуючий звук).
резервуаром для сміття може
Вимкнути пристрій
виникнути затримка вимкнення і
переповнювання пристрою.
Вимкнути прилад за допомогою
– При засмоктуванні вологого бруду
поворотного перемикача.
насадкою для чищення стиків, а
Вітягніть мережеву штепсельну вилку.
також у тих випадках, коли
Контрольна лампа готовності до
переважно поглинається велика
експлуатації гасне.
кількість води, рекомендується
Після кожного використання
відключення функції «Чищення
фільтру».
Спорожнити резервуар
– При досягненні максимального рівня
Зафіксувати стопорні пристрої.
рідини прилад автоматично
Малюнок
відключається.
Потягнути розблокування механізму
– Після завершення чищення у
відвала наверх.
вологому режимі: Просушити
Буксирну скобу
пересунути наверх.
складчастий фільтр. Очистити
Станеться розблокування і
термозонд і захисну кришку за
опускання резервуару.
допомогою вологої ганчірки.
Малюнок
Резервуар очистити за допомогою
Зняти резервуар з рукоятки.
вологої ганчірки та висушити.
Випорожнити резервуар.
Поворотний перемикач
Заново встановити резервуар і
зафіксувати за допомогою буксирної
– Прилад ВМКН
скоби.
– Система очищення
몇 Попередження
фільтра ВИМКН
Небезпека здавлювання! Під
– Прилад ВИМКН
час блокування у жодному
випадку не тримати руки між
– Прилад ВМКН
резервуаром для сміття та
переліжним кільцем, або поблизу
– Система очищення
механізму підйомника. Зафіксувати
фільтра ВМКН
резервуар за допомогою натиснення
двома руками на буксирну скобу.
172 UK
– 3

Очистка пристрою
Догляд та технічне
Очистити прилад зовні та всередині
обслуговування
за допомогою пилососа та протерти
його вологим рушником.
Обережно!
До проведення будь-яких робіт слід
Зберігати пристрій
вимкнути пристрій та витягнути
Обмотати мережевий кабель
штекер.
довкола тримача кабелю.
Заміна складчастого фільтра
Обмотати всмоктувальний шланг
довкола буксирної скоби.
Відкрити кришку фільтра.
Помістити насадку для підлоги і
Замініть складчастий фільтр.
всмоктувальну трубку у відповідні
Закрити кришку фільтра так, щоб
тримачі.
було чути щиглик.
Зберігайте пристрій у сухому
Очищення термозонду
приміщенні та захищайте від
недозволеного використання.
Потягнути розблокування механізму
відвала наверх.
Транспортування
Буксирну скобу пересунути наверх.
Увага!
Станеться розблокування і
опускання резервуару.
Небезпека отримання
травм та
ушкоджень! При транспортуванні слід
Зняти резервуар з рукоятки.
звернути увагу на вагу пристрою.
Очистити термозонд і
захисну кришку
Опустити стоянкове гальмо та
за допомогою вологої ганчірки.
встановити пристрій на буксирну
Заново встановити резервуар і
скобу.
зафіксувати за допомогою буксирної
Для завантаження пристрій слід
скоби.
брати за шасі, а не за буксирну скобу.
Допомога у випадку
При перевезенні апарату в
неполадок
транспортних засобах слід
враховувати місцеві діючі державні
Обережно!
норми, направлені на захист від
До проведення будь-яких робіт слід
ковзання
та перекидання.
вимкнути пристрій та витягнути
Зберігання
штекер.
Всмоктувальна турбіна не
Увага!
працює
Небезпека отримання травм та
ушкоджень! При зберіганні звернути
Перевірити штепсельну розетку та
увагу на вагу пристрою.
запобіжник системи
Цей прилад має зберігатися лише у
електроживлення.
внутрішніх приміщеннях.
Перевірити мережний кабель,
штепсельну вилку та термозонд
пристрою.
Включіть пристрій.
– 4
173UK

Всмоктувальна турбіна
Не виконується автоматичне
відключається
чищення фільтра
Випорожнити резервуар.
Всмоктувальний шланг не
Перевірити, чи знаходиться на місці
підключений.
захисний ковпачок, а отвір в ковпачку
Подовжувач
для всмоктувального
повернений у бік правої частини
шланга дуже короткий (< 3 м) або
механізму відвала (див. зображення
дуже широкий.
пристрою).
Звернутися до служби підтримки
Очистити термозонд і захисну кришку
користувачів.
за допомогою вологої ганчірки.
Автоматичне чищення фільтра не
Після спустошення бака
вимикається
всмоктувальна турбіна не
Звернутися до служби підтримки
запускається
користувачів.
Вимкнути пристрій і знову увімкнути.
Гарантія
Очистити термозонд і захисну кришку
за допомогою вологої ганчірки.
У кожній країні діють умови гарантії,
наданої відповідною фірмою-
Знизилась сила всмоктування
продавцем. Неполадки в роботі
Видалити
сміття з всмоктувального
пристрою ми усуваємо безплатно
сопла, всмоктувальної трубки,
протягом терміну дії гарантії, якщо вони
всмоктувального шланга або
викликані браком матеріалу чи
складчастого фільтра.
помилками виготовлення. У
випадку
Перевірити правильність
чинності гарантії звертіться до продавця
розташування всмоктувальної
чи в найближчий авторизований
голівки та резервуару.
сервісний центр з документальним
підтвердженням покупки.
Правильно зафіксувати кришка
фільтра.
Замініть складчастий фільтр.
При всмоктуванні виходить пил
Перевірити правильність установки
складчастого фільтра.
Замініть складчастий фільтр.
Автоматичне відключення
(чищення у вологому режимі) не
спрацьовує
Очистити термозонд і захисну кришку
за допомогою вологої ганчірки.
174 UK
– 5

Приладдя й запасні деталі Заява при відповідність
Європейського
– При цьому будуть використовуватись
лише ті комплектуючі та запасні
співтовариства
частини, що надаються виробником.
Цим ми повідомляємо, що нижче
Оригінальні комплектуючі та запасні
зазначена машина на основі своєї
частини замовляються по гарантії,
конструкції та конструктивного
щоб можна було безпечно та без
виконання, а також у випущеної у
перешкод використовувати пристрій.
продаж моделі, відповідає спеціальним
– Асортимент запасних частин, що
основним вимогам щодо безпеки та
часто необхідні, можна знайти в кінці
захисту здоров'я представлених нижче
інструкції по експлуатації.
директив ЄС.
У випадку неузгодженої з
– Подальша інформація по запасним
нами зміни машини ця заява втрачає
частинам є на сайті
свою силу.
www.kaercher.com в розділі Сервіс.
Продукт: Пилосос для сухого та
– Додаткове обладнання не входить до
вологого всмоктування
обсягу постачання. Додаткове
Тип: 1.576-xxx
обладнання, необхідне залежно від
Відповідна директива ЄС
передбачуваної роботи, слід
2006/42/ЄС (+2009/127/ЄС)
замовляти окремо.
2004/108/ЄС
– Бездоганність роботи пристрою
Прикладні гармонізуючі норми
досягається тільки при використанні
EN 55014–1: 2006 + A1: 2009
всмоктувального шланга
EN 55014–2: 1997 + A2: 2008
EN 60335–1
номінальним діаметром DN42 або
EN 60335–2–69
DN52.
EN 61000–3–2: 2006 + A2: 2009
– Запасні частини та спеціальне
EN 61000–3–3: 2008
обладнання Ви зможете отримати у
EN 62233: 2008
Вашего дилера або у філіалі фірми
Запропоновані національні норми
KÄRCHER.
-
5.966-010
Ті, хто підписалися діють за запитом та
дорученням керівництва.
CEO
Head of Approbation
уповноважений по документації:
S. Reiser
Alfred Kaercher GmbH & Co. KG
Alfred-Kaercher-Str. 28 - 40
71364 Winnenden (Germany)
Тел.: +49 7195 14-0
Факс: +49 7195 14-2212
Winnenden, 2010/07/14
– 6
175UK

Технічні характеристики
IVC 60/24-2
IVC 60/24-2
*EU
*GB
*CH
Номінальна напруга V 220-240 110
Частота Hz 1~ 50/60 1~ 50/60
Макс. потужність W 2760 2450
Номінальна потужність W 2400 2150
Місткість резервуару l6060
Кількість повітря (макс.) l/s 2x 74 2x 66
Нижній тиск (макс.) kPa (mbar) 25,4 (254) 22,0 (220)
Ступінь захисту -- IP X4 IP X4
Клас захисту -- I I
Гніздо під'єднання шлангу
DN 72 72
(C-DN/C-ID)
Номінальний діаметр
DN 42/52 42/52
всмоктувального шланга
Довжина x ширина x висота mm 970 x 690 x 995 970 x 690 x 995
2
Поверхня фільтра m
0,95 0,95
Типова робоча вага kg 60 60
Температура навколишнього
°C +40 +40
середовища (макс.)
Значення встановлено згідно стандарту EN 60335-2-69
Рівень шуму L
pA
dB(A) 73 73
Небезпека K
pA
dB(A) 1 1
2
Значення вібрації рука-плече m/s
<2,5 <2,5
2
Небезпека K m/s
0,2 0,2
2
Мережний
H07RN-F 3x1,5 mm
кабель
№ деталі Довжина
кабелю
EU 6.649-915.0 10 m
CH 6.650-168.0 10 m
2
Мережний
H07RN-F 3x2,5 mm
кабель
№ деталі Довжина
кабелю
GB 6.650-169.0 10 m
176 UK
– 7

IVC 60/24-2 Tact²
177



AE Karcher FZE, P.O. Box 17416, Jebel Ali Free Zone
JP Kärcher (Japan) Co., Ltd., Irene Kärcher Building, No. 2,
(South), Dubai, United Arab Emirates,
Matsusaka-Daira 3-chome, Taiwa-cho, Kurokawa-gun,
+971 4 886-1177, www.kaercher.com
Miyagi 981-3408,
+81-22-344-3140, www.karcher.co.jp
AR Kärcher S.A., Urugguay 2887 (1646) San Fernando,
Pcia. de Buenos Aires
KR Karcher (Korea) Co. Ltd., 162 Gukhoe-daero, (872-2 Sin-
+54-11 4506 3343, www.karcher.com.ar
jeong-Dong), Seoul, Korea
02-322 6588, A/S. 1544-6577, www.karcher.co.kr
AT Alfred Kärcher Ges.m.b.H., Lichtblaustraße 7, 1220 Wien,
+43-1-25060-0, www.kaercher.at
LV Karcher SIA, Mārupes nov., Mārupe, Kārļa Ulmaņa gatve
101, Rīga, LV-1046
AU Kärcher Pty. Ltd., 40 Koornang Road, Scoresby VIC 3179,
+371-67 80 87 07
Victoria,
+61-3-9765-2300, www.karcher.com.au
MX Karcher México, SA de CV, Av. Gustavo Baz No. 29-C,
Col. Naucalpan Centro, Naucalpan, Edo. de México,
BE Kärcher N.V., Industrieweg 12, 2320 Hoogstraten,
C.P. 53000 México,
+32-3-340 07 11, www.karcher.be
+52-55-5357-04-28, www.karcher.com.mx
BR Kärcher Indústria e Comércio Ltda., Av. Professor Bene-
MY Karcher Cleaning Systems Sdn. Bhd., 71 & 73 Jalan
dicto Montenegro no 419, Betel, Paulínia - Estado de Sao
TPK 2/8, Taman Perindustrian Kinrara, Seksyen 2,
Paulo, CEP 13.140-000
47100 Puchong, Selangor Darul Ehsan, Malaysia,
+55-19-3884-9100, www.karcher.com.br
+603 8073 3000, www.karcher.com.my
CA Kärcher Canada Inc., 6535 Millcreek Road, Unit 67,
NL Kärcher B.V., Postbus 474, 4870 AL Etten-Leur,
Mississauga, ON, L5N 2M2,
0900-33 666 33, www.karcher.nl
+1-905-672-8233, www.karcher.ca
NO Kärcher AS, Stanseveien 31, 0976 Oslo, Norway,
CH Kärcher AG, Industriestrasse, 8108 Dällikon, Kärcher SA,
+47 815 20 600, www.karcher.no
Croix du Péage, 1029 Villars-Ste-Croix,
0844 850 864, www.kaercher.ch
NZ Karcher Limited, 12 Ron Driver Place, East Tamaki,
Auckland, New Zealand,
CN Kärcher (Shanghai) Cleaning Systems, Co., Ltd., Part F,
+64 (9) 274-4603, www.karcher.co.nz
2nd Floor, Building 17, No. 33, XI YA Road,
Waigaogiao Free Trade, Pudong, Shanghai, 200131
PL Kärcher Sp. z o.o., Ul. Stawowa 140, 31-346 Kraków,
+86-21 5076 8018, www.karcher.cn
+48-12-6397-222, www.karcher.pl
CZ Kärcher spol. s r.o., Modletice c.p. 141, CZ-251 01 Ricany,
RO Karcher Romania srl, Sos. Odaii 439, Sector 1,
+420/323/606 014, www.kaercher.cz
RO-013606 BUKAREST,
+40 37 2709001, www.kaercher.ro
DE Alfred Kärcher Vertriebs-GmbH, Friedrich-List-Straße 4,
71364 Winnenden,
RU Karcher Ltd. Service Center, Москва, ул. Б.Почтовая, д. 40
+49-7195/903-0, www.kaercher.de
+7-495 789 90 76, www.karcher.ru
DK Kärcher Rengøringssystemer A/S, Helge Nielsens Alle 7A,
SE Kärcher AB, Tagenevägen 31, 42502 Hisings-Kärra,
8723 Løsning,
+46 (0)31-577 300, www.karcher.se
+45-70206667, www.karcher.dk
SGP Karcher South East Asia Pte. Ltd., 5 Toh Guan Road
ES Kärcher, S.A., Pol. Industrial Font del Radium,
East, #01-00 Freight Links Express Distripark,
Calle Josep Trueta, 6-7, 08403 Granollers (Barcelona),
Singapore 608831,
+34-902 17 00 68, www.karcher.es
+65-6897-1811, www.karcher.com.sg
F Kärcher S.A.S., Z.A. des Petits Carreaux,
SK Kärcher Slovakia, s.r.o., Beniakova 2, SK-94901 NITRA,
5, avenue des Coquelicots, 94865 Bonneuil-sur-Marne,
+421 37 6555 798, www.kaercher.sk
+33-1-4399-6770, www.karcher.fr
TR Kärcher Servis Ticaret A.S., Mahmudbey Mahallesi İstoç,
FI Kärcher OY, Yrittäjäntie 17, 01800 Klaukkala,
Petrol Plaza C-Blok Kat: 2-3, Bağcılar, 34218 Istanbul
+358-207 413 600, www.karcher.fi
+90-232-252-0708, +90-232-251-3578,
www.karcher.com.tr
GB Kärcher (U.K.) Ltd., Kärcher House, Beaumont Road,
Banbury, Oxon OX16 1TB,
TW Karcher Limited, 7/F, No. 66, Jhongijheng Rd.,
+44-1295-752-000, www.karcher.co.uk
Sinjhuang City, Taipei County 24243, Taiwan,
+886-2-2991-5533, +886-800-666-825, www.kar-
GR Kärcher Cleaning Systems A.E., 31-33, Nikitara str. &
cher.com.tw
Konstantinoupoleos str., 136 71 Aharnes,
+30-210-2316-153, www.karcher.gr
UA Kärcher Ltd., Petropavlivska Str., 4, Petropavlivska Bor-
schagivka, Kyiv region, 08130,
HK Kärcher Limited, Unit 10, 17/F., Apec Plaza,
+380 44 594 7576, www.karcher.com.ua
49 Hoi Yuen Road, Kwun Tong, Kowloon,
++(852)-2357-5863, www.karcher.com.hk
USA To locate your local dealer please visit our web site at
HU Kärcher Hungaria KFT, Tormásrét ut 2., (Vendelpark),
http://www.karchercommercial.com or call us at 888.805.9852
2051 Biatorbagy,
ZA Kärcher (Pty) Ltd., 144 Kuschke Street, Meadowdale,
+36-23-530-64-0, www.kaercher.hu
Edenvale, 1614,
I Kärcher S.p.A., Via A. Vespucci 19, 21013 Gallarate (VA),
+27-11-574-5360, www.karcher.co.za
+39-848-998877, www.karcher.it
IE Kärcher Limited (Ireland), C1 Centrepoint Business Park,
Oak Road, Dublin 12,
(01) 409 7777, www.kaercher.ie
02/12

