Karcher KM 90-60 R Bp Pack Adv: Елементи управління і функціональні вузли
Елементи управління і функціональні вузли: Karcher KM 90-60 R Bp Pack Adv
-
4
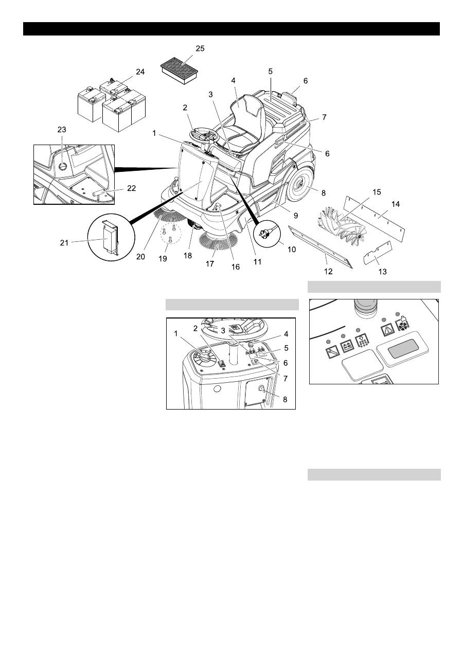
1
Панель
управління
2
Кермове
колесо
3
Важіль
регулювання
сидіння
4
Сидіння
(
з
контактним
перемикачем
сидіння
)
5
Територія
складу
6
Опорна
напрямна
для
бази
7
Кришка
пристрою
8
Заднє
колесо
9
Ємність
для
збору
сміття
(
з
обох
боків
)
10
Штепсельна
вилка
зарядного
пристрою
(KM 90/60 R Bp Pack)
11
Вхідний
отвір
валу
,
що
підмітає
12
Передня
ущільнювальна
планка
13
Бічна
ущільнювальна
планка
14
Задня
ущільнювальна
планка
15
Вал
,
що
підмітає
16
Педаль
підйому
/
опускання
клапана
для
великих
часток
бруду
17
Ліва
бічна
щітка
(
опція
)
18
Переднє
колесо
19
Кріплення
бічної
щітки
20
Права
бічна
щітка
21
Зарядний
пристрій
(KM 90/60 R Bp Pack:
вже
встановлений
)
(KM 90/60 R Bp:
не
входить
до
комплекту
постачання
)
22
Акселератор
23
Клапан
для
чищення
в
сухому
/
вологому
режимі
24
Акумуляторні
батареї
(KM 90/60 R Bp Pack:
вже
встановлений
)
(KM 90/60 R Bp:
не
входить
до
комплекту
постачання
)
25
Фільтр
для
пилу
(
складчастий
фільтр
)
1
Перемикач
програм
2
Перемикач
напрямку
руху
(
вперед
/
назад
)
3
Контрольні
індикатори
4
Кнопка
аварийного
вимкнення
5
Лічильник
робочих
годин
6
Без
обшивки
*
*
підготовлений
для
вимикача
проблискового
маячка
(
опція
)
7
Сигнал
8
Замок
-
вимикач
A
Обслуговування
(
жовтий
)
B
Стан
заряду
акумулятора
(
червоний
/
жовтий
/
зелений
)
C
Перевантаження
пристрою
очищення
фільтра
(
червоний
)
D
Перевантаження
тягового
двигуна
(
червоний
)
E
Перевантаження
підмітального
вала
(
червоний
)
Пристрій
оснащений
автоматичним
стояночним
гальмом
,
яке
інтегровано
в
привод
передніх
коліс
.
Стояночне
гальмо
активується
як
тільки
пристрій
зупиняється
.
Елементи управління і функціональні вузли
Панель
управління
Контрольні
індикатори
Стояночна
гальмівна
система
A
B
C
D
E
360 UK
Оглавление
- Inhaltsverzeichnis
- Sicherheitshinweise
- Bedien- und Funktionselemente
- Vor Inbetriebnahme
- Inbetriebnahme
- Stilllegung
- Pflege und Wartung
- F 1 F 2
- Hilfe bei Störungen
- Technische Daten
- EG-Konformitätserklärung
- Contents
- Safety instructions
- Operating and Functional Elements
- Before Startup
- Start up
- Shutdown Maintenance and care
- F 1 F 2
- Troubleshooting
- Technical specifications
- EC Declaration of Conformity
- Table des matières
- Consignes de sécurité
- Eléments de commande et de fonction
- Avant la mise en service
- Mise en service
- Remisage Entretien et maintenance
- F 1 F 2
- Assistance en cas de panne
- Caractéristiques techniques
- Déclaration de conformité CE
- Indice
- Norme di sicurezza
- Elementi di comando e di funzione
- Prima della messa in funzione
- Messa in funzione
- Fermo dell'impianto Cura e manutenzione
- F 1 F 2
- Guida alla risoluzione dei guasti
- Dati tecnici
- Dichiarazione di conformità CE
- Inhoudsopgave
- Veiligheidsinstructies
- Elementen voor de bediening en de functies
- Voor de inbedrijfstelling
- Inbedrijfstelling
- Stillegging Onderhoud
- F 1 F 2
- Hulp bij storingen
- Technische gegevens
- EG-conformiteitsverklaring
- Índice de contenidos
- Indicaciones de seguridad
- Elementos de operación y funcionamiento
- Antes de la puesta en marcha
- Puesta en marcha
- Parada Cuidados y mantenimiento
- F 1 F 2
- Ayuda en caso de avería
- Datos técnicos
- Declaración de conformidad CE
- Índice
- Avisos de segurança
- Elementos de comando e de funcionamento
- Antes de colocar em funcionamento
- Colocação em funcionamento
- Desactivação da máquina Conservação e manutenção
- F 1 F 2
- Ajuda em caso de avarias
- Dados técnicos
- Declaração de conformidade CE
- Indholdsfortegnelse
- Sikkerhedsanvisninger
- Betjenings- og funktionselementer
- Inden ibrugtagning
- Ibrugtagning
- Drift
- Afbrydning/nedlæggelsePleje og vedligeholdelse
- F 1 F 2
- Hjælp ved fejl
- Tekniske data
- EU-overensstemmelses- erklæring
- Innholdsfortegnelse
- Sikkerhetsanvisninger
- Betjenings- og funksjonelementer
- Før den tas i bruk
- Ta i bruk
- Drift
- Sette bort Pleie og vedlikehold
- F 1 F 2
- Feilretting
- Tekniske data
- EU-samsvarserklæring
- Innehållsförteckning
- Säkerhetsanvisningar
- Manövrerings- och funktionselement
- Före ibruktagande
- Idrifttagning
- Drift
- Nedstängning Skötsel och underhåll
- F 1 F 2
- Åtgärder vid störningar
- Tekniska data
- Försäkran om EU-överens- stämmelse
- Sisällysluettelo
- Turvaohjeet
- Ohjaus- ja käyttölaitteet
- Ennen käyttöönottoa
- Käyttöönotto
- Seisonta-aika Hoito ja huolto
- F 1 F 2
- Häiriöapu
- Tekniset tiedot
- EU-standardinmukaisuu- stodistus
- Πίνακας περιεχομένων
- Υποδείξεις ασφαλείας
- Λειτουργία
- Στοιχεία χειρισμού και λειτουργίας
- Πριν τη θέση σε λειτουργία
- Έναρξη λειτουργίας
- Διακοπή της λειτουργίας Φροντίδα και συντήρηση
- F 1 F 2
- Αντιμετώπιση βλαβών
- Τεχνικά χαρακτηριστικά
- Δήλωση Συμμόρφωσης των Ε . Κ .
- İ çindekiler
- Güvenlik uyar ı lar ı
- Kullan ı m ve çal ı ş ma elemanlar ı
- Cihaz ı çal ı ş t ı rmaya ba ş lamadan önce
- İş letime alma
- Durdurma
- Koruma ve Bak ı m
- F 1 F 2
- Ar ı zalarda yard ı m
- Teknik Bilgiler
- AB uygunluk bildirisi
- Оглавление
- Указания по технике безопасности
- Назначение
- Описание элементов управления и рабочих узлов
- Перед началом работы
- Начало работы
- Вывод из эксплуатации Уход и техническое обслуживание
- F 1 F 2
- Помощь в случае неполадок
- Технические данные
- Заявление о соответствии ЕС
- Tartalomjegyzék
- Biztonsági tanácsok
- Kezelési- és funkciós elemek
- Üzembevétel el ő tt
- Üzembevétel
- Leállítás
- Ápolás és karbantartás
- F 1 F 2
- Segítség üzemzavar esetén
- M ű szaki adatok
- EK konformitási nyiltakozat
- Obsah
- Bezpe č nostní pokyny
- Ovládací a funk č ní prvky
- P ř ed uvedením do provozu
- Uvedení do provozu
- Provoz
- Odstavení Ošet ř ování a údržba
- F 1 F 2
- Pomoc p ř i poruchách
- Technické údaje
- Prohlášení o shod ě pro ES
- Vsebinsko kazalo
- Varnostna navodila
- Upravljalni in funkcijski elementi
- Pred zagonom
- Zagon
- Obratovanje
- Mirovanje naprave Nega in vzdrževanje
- F 1 F 2
- Pomo č pri motnjah
- Tehni č ni podatki
- ES-izjava o skladnosti
- Spis tre ś ci
- Wskazówki bezpiecze ń stwa
- Elementy urz ą dzenia
- Przed pierwszym uruchomieniem
- Uruchamianie
- Wy łą czenie z eksploatacji Czyszczenie i konserwacja
- F 1 F 2
- Usuwanie usterek
- Dane techniczne
- Deklaracja zgodno ś ci UE
- Cuprins
- M ă suri de siguran ţă
- Elemente de utilizare ş i func ţ ionale
- Înainte de punerea în func ţ iune
- Punerea în func ţ iune
- Scoaterea din func ţ iune Îngrijirea ş i între ţ inerea
- F 1 F 2
- Remedierea defec ţ iunilor
- Date tehnice
- Declara ţ ie de conformitate CE
- Obsah
- Bezpe č nostné pokyny
- Ovládacie a funk č né prvky
- Pred uvedením do prevádzky
- Uvedenie do prevádzky
- Odstavenie
- Starostlivos ť a údržba
- F 1 F 2
- Pomoc pri poruchách
- Technické údaje
- Vyhlásenie o zhode s normami EÚ
- Pregled sadržaja
- Sigurnosni napuci
- Komandni i funkcijski elementi
- Prije prve uporabe
- Stavljanje u pogon
- Stavljanje ure đ aja van pogona
- Njega i održavanje
- F 1 F 2
- Otklanjanje smetnji
- Tehni č ki podaci
- EZ izjava o uskla đ enosti
- Pregled sadržaja
- Sigurnosne napomene
- Komandni i funkcioni elementi
- Pre upotrebe
- Stavljanje u pogon
- Stavljanje ure đ aja van pogona
- Nega i održavanje
- F 1 F 2
- Otklanjanje smetnji
- Tehni č ki podaci
- Izjava o uskla đ enosti sa propisima EZ
- Съдържание
- Указания за безопасност
- Функция
- Обслужващи и функционални елементи
- Преди пускане в експлоатация
- Пускане в експлоатация
- Спиране от експлоатация Грижи и поддръжка
- F 1 F 2
- Помощ при неизправности
- Технически данни
- Декларация за съответствие на ЕО
- Sisukord
- Ohutusalased märkused
- Teenindus- ja funktsioonielemendid
- Enne seadme kasutuselevõttu
- Kasutuselevõtt
- Käitamine
- Seismapanek Korrashoid ja tehnohooldus
- F 1 F 2
- Abi häirete korral
- Tehnilised andmed
- EÜ vastavusdeklaratsioon
- Satura r ā d ī t ā js
- Droš ī bas nor ā d ī jumi
- Vad ī bas un funkcijas elementi
- Pirms ekspluat ā cijas uzs ā kšanas
- Ekspluat ā cijas uzs ā kšana
- Iekonserv ē šana
- Kopšana un tehnisk ā apkope
- F 1 F 2
- Pal ī dz ī ba darb ī bas trauc ē jumu gad ī jum ā
- Tehniskie dati
- EK Atbilst ī bas deklar ā cija
- Turinys
- Saugos reikalavimai
- Valdymo ir funkciniai elementai
- Prieš pradedant naudoti
- Naudojimo pradžia
- Naudojimas
- Laikinas prietaiso nenaudojimas Prieži ū ra ir aptarnavimas
- F 1 F 2
- Pagalba gedim ų atveju
- Techniniai duomenys
- EB atitikties deklaracija
- Перелік
- Правила безпеки
- Призначення
- Елементи управління і функціональні вузли
- Перед початком роботи
- Введення в експлуатацію
- Зберігання Догляд та технічне обслуговування
- F 1 F 2
- Допомога у випадку неполадок
- Технічні характеристики
- Заява при відповідність Європейського співтовариства

