Karcher IVL 50-24-2 – страница 10
Инструкция к Karcher IVL 50-24-2

Перевірити, очистити додаткове
Усунення несправностей
обладнання.
Так Ви можете самостійно усунути
Фільтр забруднений.
можливі несправності.
Очистити фільтр.
Коли резервуар наповнений, горить
Занадто тривале спорожнювання
контрольний індикатор. Якщо
резервуара для рідини
контрольний індикатор горить при
Зливальний шланг передавлений або
пустому резервуарі, це свідчить про
засмічений.
несправність, яку необхідно усунути за
Перевірити / очистити зливний шланг
допомогою сервісної служби фірми
та клапан.
"Kärcher".
몇 Попередження
Мотор (турбіна всмоктування) не
Усі перевірки та роботи з
запускається.
електричними частинами приладу
Заповнити резервуар для рідини.
мають виконуватися спеціалістом. У
Видалити вміст із резервуара для
випадку подальших несправностей,
рідини.
будь-ласка, зверніться до служби
Спорожнити фільтрувальний
технічного обслуговування фірми
елемент.
Kдrcher.
Немає напруги
Приладдя й запасні деталі
Перевірити запобіжник, кабель,
штекер та розетку.
Додаткове обладнання не входить до
Показник рівня забруднений.
обсягу постачання. Додаткове
Обережно очистити датчик рівня.
обладнання, необхідне залежно від
передбачуваної роботи, слід замовляти
окремо.
Рекомендоване додаткове обладнання
для мийки машин:
Аксесуари Номер
замовлення
Всмоктувальний
6.906-786.0
шланг, PU 5м, DN
51
1 Контрольний індикатор
"Безконтактний перемикач"
Всмоктувальна
6.902-146.0
форсунка з гуми,
Перемістити безконтактний перемикач.
DN51
Перевірити положення
Всмоктувальна
6.906-773.0
безконтактного перемикача
форсунка із
(контрольний індикатор
пластмаси, DN51
"Безконтактний перемикач" повинен
світитися).
Всмоктувальна
6.906-764.0
Сила всмоктування поступово
форсунка, конічна,
знижується
DN51
Забилася форсунка, що всмоктує, шланг
або всмоктувальна трубка.
Рекомендоване додаткове обладнання
для чищення підлоги:
– 6
181UK

Аксесуари Номер
Заява при відповідність
замовлення
Європейського
Всмоктувальний
6.906-786.0
співтовариства
шланг, PU 5м, DN
Цим ми повідомляємо, що нижче
51
зазначена машина на основі своєї
Коліно з
6.906-767.0
конструкції та конструктивного
нержавіючої сталі
виконання, а також у випущеної у
DN51
продаж моделі, відповідає спеціальним
основним вимогам щодо безпеки та
Всмоктувальна
6.906-766.0
захисту здоров'я представлених нижче
трубка з
директив ЄС. У випадку неузгодженої з
нержавіючої сталі
нами зміни машини ця заява
втрачає
DN51 (потрібно 2
свою силу.
штуки)
Продукт: Пилосос для сухого та
Форсунка для
4.130-408.0
вологого всмоктування
підлоги 370мм
Тип: 1.573-xxx
DN51
Відповідна директива ЄС
2006/42/ЄС (+2009/127/ЄС)
2004/108/ЄС
– При цьому будуть використовуватись
Прикладні гармонізуючі норми
лише ті комплектуючі та запасні
EN 55014–1: 2006+A1: 2009+A2: 2011
частини, що надаються виробником.
EN 55014–2: 1997+A1: 2001+A2: 2008
EN 60335–1
Оригінальні комплектуючі та запасні
EN 60335–2–69
частини замовляються по гарантії,
EN 61000–3–2: 2006+A1: 2009+A2: 2009
щоб можна було безпечно та без
EN 61000–3–3: 2008
перешкод використовувати пристрій.
EN 62233: 2008
Запропоновані національні норми
– Подальша інформація по запасним
-
частинам є на сайті
www.kaercher.com в розділі Сервіс.
Ті, хто підписалися діють за запитом та
Гарантія
дорученням керівництва.
У кожній країні діють умови гарантії,
наданої відповідною фірмою-
продавцем. Неполадки в роботі
CEO
Head of Approbation
пристрою ми усуваємо безплатно
протягом терміну дії гарантії, якщо вони
уповноважений по документації:
викликані браком матеріалу чи
S. Reiser
помилками виготовлення. У випадку
чинності гарантії звертіться до продавця
Alfred Kaercher GmbH & Co. KG
чи в найближчий
авторизований
Alfred-Kaercher-Str. 28 - 40
сервісний центр з документальним
71364 Winnenden (Germany)
підтвердженням покупки.
Тел.: +49 7195 14-0
Факс: +49 7195 14-2212
Winnenden, 2013/02/01
182 UK
– 7

在您第一次使用您的设备前,请
内部材料提示 (REACH)
先阅读并遵守本操作说明书原
最新的内部材料信息请您在如下链接中查
件,为日后使用或其他所有者使用方便请
找:
妥善保管本说明书。
www.kaercher.com/REACH
目录
合乎规定的使用
本设备用于抽吸不可燃和无爆炸危险的液
一般事项 . . . . . . . .
ZH
. .1
体。
设备运作前 . . . . . . .
ZH
. .1
本设备适合抽吸含油液体、冷却润滑材料
安全说明 . . . . . . . .
ZH
. .1
和切屑。
运行 . . . . . . . . . .
ZH
. .2
本设备适合于工业使用。
停止调试 . . . . . . . .
ZH
. .3
任何其它形式的使用均视为是不适当的。
运输 . . . . . . . . . .
ZH
. .3
安全说明
储存 . . . . . . . . . .
ZH
. .3
保养与维护 . . . . . . .
ZH
. .3
本设备不适合用于抽吸有危险的尘埃。
ZH
防止机器受到雨淋。不要存放在室外区域
产品规格 / 参数 . . . . .
. .4
内。
排除故障帮助 . . . . . .
ZH
. .5
结束工作时关闭设备并拔下电源插头。
质量保证 . . . . . . . .
ZH
. .5
在紧急情况下
一般事项
在紧急情况下 (例如当吸进可燃材料时,
危险等级
当发生短路或其它电气故障时)关闭设备
并拔下电源插头。
危险
电气连接
即刻引发威胁的危险,致使身体严重伤害
或死亡。
本设备只能根据 IEC 60364-1 由电工连接到
몇
警告
电气接口。
关于连接值,请参见铭牌 / 产品参数。
潜藏的危险情况,可能致使身体严重伤害
不允许使用加长电线。
或死亡。
危险
注意
电击危险。不得因碾压、挤压、硬拉或类
潜藏的危险情况,可能致使身体轻微伤害
似动作而损坏电气连接导线。防止电源线
或损伤。
受热、油和尖锐棱角的损坏。
设备运作前
每次使用前检查设备的电源连接导线是否
受到损坏。不得使用带受损电线的设备。
首次调试前阅读湿式 / 干式吸尘器第
让电气专业人员更换所损导线。
5.956-249 号安全规范。
不遵守本说明书和安全提示会导致机械损
몇
警告
坏以及操作者和其他人员人身危险。
不得超过电气连接点上的电源最大允许阻
抗 (参见技术参数)。
环境保护
如果无法确定您的连接点上当前的电源阻
包装材料可以回收利用。请不要把包
抗,请与您的供电企业联系。
装材料与普通垃圾放在一起处理,而
应妥善安排回收。
旧的设备中含有宝贵的可再利用的材
料,应加以利用。电池和蓄电器中所
含有的一些物质不能进入自然环境。
请通过适当的收集系统处理您用旧的设备、
电池和蓄电器。
– 1
183ZH

运行
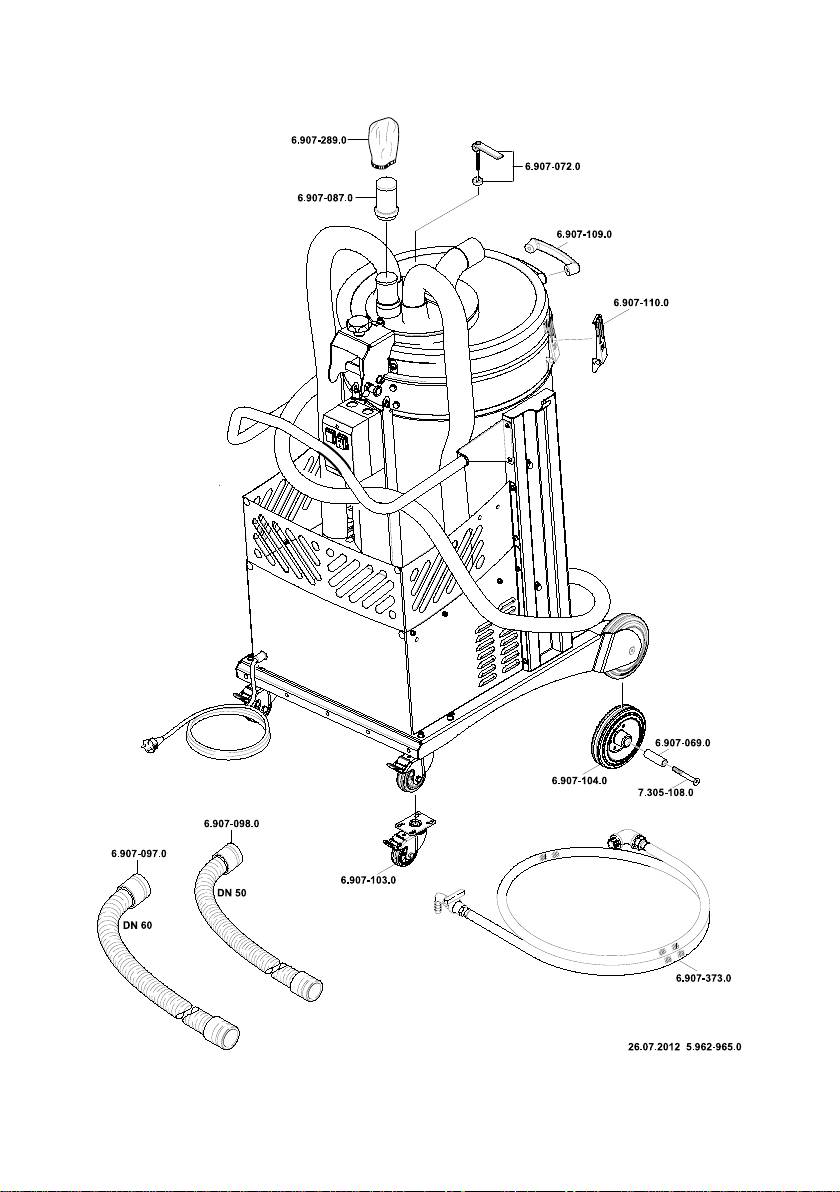
控制元件
1 制动轮
启动设备
2 配件篓
在液位监控装置的热探针预热的
3 接线盒、电源开关和控制灯
过程中,控制灯闪烁。等待控制
4 带卡销的铰链
灯熄灭,吸尘涡轮机开始工作。
5 抽吸软管接头
抽吸液体、切屑。
6 转换阀
注意:
7 转换阀的固定销
如果液体容器加入了液体,则关闭吸尘涡
8 封闭板、卡箍
轮机,控制灯常亮。在继续使用设备前必
9 转换阀的曲杆
须清空过滤篓和液体容器。
10 电线和软管存放
清空固体过滤篓
11 推杆
12 带球阀的回流软管
关闭设备
打开夹箍。
调试设备
解除铰链上的卡销。
将设备放到工作位置上,如有必要,使
完全打开污物箱盖子。
用定位制动器固定。
再次锁上卡销。
确保过滤篓安放恰当。
打开转换阀的曲杆。
提起转换阀的固定销。
将转换阀旋到 “ 吸尘运行 ” 位置
上。
锁紧转换阀的固定销。
拉紧转换阀的曲杆。
将吸尘软管插到吸尘软管接头上。
将所希望的配件插到吸尘软管上。
插上电源插头。
184 ZH
– 2

取出并清空过滤篓。
运输
重新安上过滤篓,解开卡销并关上盖
子。
注意
固定好卡箍,注意盖子完好定位。
受伤和损坏危险!运输时要注意设备的重
清空液体容器。
量。
根据法律规定清理或重新利用其中内含物。
用车辆进行运输时 , 根据各适用准则确
保设备不会滑倒和倾覆。
注意:
过滤篓如已填满,则将延长卸压时间。为
储存
了缩短清空时间,首先清空过滤篓。
注意
清空液体容器
受伤和损坏危险!存放时要注意设备的重
关闭设备并断开电源。
量。
将设备拉到液体清理装置处。
该设备只能存放在室内。
打开转换阀的曲杆。
保养与维护
提起转换阀的固定销。
将转换阀旋到 “ 清空 ” 位置上。
定期用新水冲洗设备和配件并让其干
燥。
锁紧转换阀的固定销。
为了避免产生霉菌,不要残留切屑和液
拉紧转换阀的曲杆。
体。
插上电源插头。
当较长时间停止使用时打开盖子,释放
启动设备
出残余潮气
将排放软管对向清理装置并小心打开排
放阀。
在清空了液体容器后关闭排放软管上的
阀门并关闭设备。
根据法律规定清理或重新利用其中内含物。
清洗容器
注意:
可因水基冷却润滑材料而产生霉菌。这些
沉积物可堵塞过滤篓的孔和中间空间。在
清除这些沉积物时穿戴合适的防护服。
清空容器和过滤篓。
从容器和过滤篓中除去沉积物。
根据所适用的规范,清理沉积物、容器
内含物和过滤篓内含物。
停止调试
清空液体容器。
清空固体过滤篓。
通过启动 / 关闭开关关闭设备。
拆下配件,需要时冲洗干净并干燥。
提示
每次使用后清空吸尘器并打开容器让其干
燥。
– 3
185ZH

产品规格 / 参数
设备名称 IVL 50/24-2
防护等级 IP X4
污物桶容量 l 50
电压 V 220 - 240
频率 Hz 1~50/60
功率 kW 2,4
保险器 (惰性) A16
真空度 千帕斯
23,5
卡
空气量 升 / 秒 2 x 56
液体容器 l 50
固体过滤篓 l 59
清空时间 s 47
长度 x 宽度 x 高度 mm 975x650x1260
电线长度 m 8
保护等级 I
电源线订货号 6.649-728.0
电源线:型号: H07 RN-F3 G
2
1.5mm
抽吸软管接头 NW 51
典型运行重量 千克 89
存放温度 °C -10...+40
空气湿度 % 30...90
EN 60335-2-69 规定的测定值
声压等级 L
pA
A级分
73
贝
不安全性 K
pA
A级分
1
贝
2
手臂振动值 m/s
<2,5
2
不安全性 K m/s
0,2
186 ZH
– 4

推荐用于清洁机器的配件:
排除故障帮助
这样您就可以自己排除可能产生的故障。
配件 订货号
一旦容器已满,控制灯即亮。如果容器清
聚氨酯 (PU)吸尘
6.906-786.0
空后控制灯亮,则存在某个故障,必须让
软管,5 米,额定内
Kärcher 公司客户服务人员排除故障。
径为 DN 51
电机 (吸尘涡轮机)不启动
液体容器已满。
橡皮吸嘴,额定内径
6.902-146.0
清空液体容器。
为 DN51
清空过滤篓。
塑料吸嘴,额定内径
6.906-773.0
没有电压。
为 DN51
检查保险电线、插头和插座。
液位探头受到污染。
锥形吸嘴,额定内径
6.906-764.0
小心清洁液位探头。
为 DN51
推荐用于清洁地面的配件:
配件 订货号
聚氨酯 (PU)吸尘
6.906-786.0
软管,5 米,额定内
径为 DN 51
不锈钢弯头,额定内
6.906-767.0
径为 DN51
不锈钢吸尘管,额定
6.906-766.0
1 接近开关的控制灯
内径为 DN51 (需要
两根)
接近开关已调整。
检查接近开关的位置 (接近开关的控制
370mm 地面吸嘴,额
4.130-408.0
灯必须亮起)。
定内径为 DN51
吸力逐渐减弱
吸嘴、吸尘软管或吸尘管已堵塞。
– 只允许使用生产商提供的配件和备件。
检查,清洁配件。
原始配件和原始备件可以确保设备安全
过滤器受到污染。
无故障地运行。
清洗过滤器。
– 您可以登录 www.kaercher.com 的
清空液体容器持续时间长
Service 板块里获取更多关于备件的信
排放软管受到挤压或堵塞。
息。
检查 / 清洗排放软管和阀门。
몇
警告
质量保证
让专业人员在电气零部件上实施所有检查
我们的质量保证条款适用于全球各分公司。
和工作。如故障继续存在,则请求助
在质量保证期内,如果您的产品发生了任
Kärcher 客户服务人员。
何故障,我们都将为您提供免费维修,但
附件和备件
是这种故障应当是由于机身材料或制造上
的缺陷造成的。请您向经销商或者与您距
供货范围中不含配件。必须视用途另行订
离最近的经过授权的客户服务处联系,提
购配件。
出保修请求,并提供相应的产品购买证明
文件。
– 5
187ZH






