Pioneer VSX-921 – page 8
Manual for Pioneer VSX-921
Table of contents
- IMPORTANT
- Contents
- Before you start
- Remote control
- Connecting your equipment
- Placing the speakers Connecting the speakers
- Bi-amping your speakers Installing your speaker system
- Selecting the Speaker system About the audio connection About the video converter
- About HDMI
- Connecting your TV and playback components Connecting your DVD player with no HDMI output
- Connecting an HDD/DVD recorder, BD recorder and other video sources
- Connecting a satellite/cable receiver or other set-top box Connecting other audio components
- MULTI-ZONE setup Sub Zone Input functions available Sub Zone Input functions available Connecting AM/FM antennas
- Connecting to the network through LAN interface Connecting to a wireless LAN Plugging in the receiver
- Basic Setup Canceling the demo display Automatically conducting optimum sound tuning (Full Auto MCACC)
- Operation Mode Setup
- Operable functions/ Descriptions Page
- Basic playback Playing a source Listening in surround sound Playing an iPod
- Listening to the radio Playing a USB device
- Playback with HOME MEDIA GALLERY inputs Bluetooth ADAPTER for Wireless Enjoyment of Music
Ru
11
02
Подключение оборудования
данного разрешения невозможно, при под-
ключении данного видеоисточника необ-
ходимо подключить монитор/телевизор к
выходу HDMI ресивера.
Если для нескольких видеокомпонентов
назначена одна и та же функция входа (см.
Меню Input Setup в инструкциях по экс-
плуатации на CD-ROM), преобразователь
устанавливает приоритет в следующем
порядке: HDMI, компонентное видео, затем
композитное видео (в таком порядке).
VIDEO IN
VIDEO
MONITOR OUT
COMPONENT
VIDEO IN
Y
P
B
P
R
Y
P
B
P
R
COMPONENT VIDEO
MONITOR OUT
HDMI IN
HDMI OUT
Улучшение к
аче
ств
а
Возможность вывода видеосигналов
Терминал для
подключения с исходным
устройством
Терминал для
подключения с
телевизионным монитором
Примечание
!
Если видеосигнал не отображается на
телевизоре, попробуйте отрегулировать
настройки разрешения используемого
компонента или дисплея. Учтите, что
некоторые компоненты (например,
игровые видеоприставки) имеют
разрешение, преобразование которого
невозможно. В таком случае, попытайтесь
переключить Digital Video Conversion
(Преобразование цифрового видео) (в
Настройка видеоопций в инструкциях по
эксплуатации на CD-ROM)
OFF
.
!
Разрешения входного сигнала, которые
можно преобразовывать от компонентного
видеовхода для выхода через HDMI,
составляют 480i/576i, 480p/576p,
720p и 1080i. Сигналы 1080р не могут
преобразовываться.
!
Можно преобразовывать только сигналы
с входным разрешением 480i/576i
от компонентного видеовхода для
композитных терминалов
MONITOR OUT
.
Данное изделие содержит технологию
защиты авторских прав, защищенную
патентами США и другими правами на
интеллектуальную собственность, принад-
лежащую Rovi Corporation. Инженерный
анализ и разборка запрещены.
О HDMI
Подключение HDMI передает несжатые
цифровые видеосигналы, а также почти
кажый вид цифрового аудиосигнала.
Данный ресивер поддерживает технологию
High- Definition Multimedia Interface (HDMI
®
).
С помощью подключений HDMI данный
ресивер поддерживает описанные ниже
функции.
!
Цифровая передача несжатого видео
(материала, защищенного по системе
HDCP (1080p/24, 1080p/60, др.))
!
Передача сигнала 3D
!
Передача сигнала Deep Color
!
Передача сигнала x.v.Color
!
ARC (Канал возврата аудиосигнала)
!
Прием многоканальный линейных
цифровых аудиосигналов PCM (192 кГц
или менее) до макс. 8 каналов
!
Прием следующих цифровых
аудиоформатов:
—
Dolby Digital, Dolby Digital Plus, DTS,
аудиосигналы с высокой битовой
скоростью (Dolby TrueHD, DTS-HD Master
Audio, DTS-HD High Resolution Audio),
DVD-Audio, CD, SACD (сигнал DSD),
Video CD, Super VCD
!
Синхронизированное управление
компонентами с помощью функции
Control
через HDMI (см.
Функция Control через
HDMI в инструкциях по эксплуатации на
CD-ROM)
Примечание
!
Подключение HDMI допускается только
для компонентов, оборудованных
интерфейсом DVI и совместимых как
с DVI, так и с защитой High Bandwidth
Digital Content Protection (HDCP).
Для подключения к разъему DVI
понадобится отдельный переходник
(DVI
d
HDMI). Однако, подключение DVI не
поддерживает передачу аудиосигналов.
Дополнительные сведения можно
получить у продавца оборудования.
!
При подключении компонента,
несовместимого с HDCP, на дисплее
передней панели отображается
сообщение
HDCP ERROR
. Данное
сообщение отображается даже для
некоторых компонентов, совместимых
с HDCP, но когда нет проблем в
отображении видеоизображения, это не
является неисправностью.
!
В зависимости от подключенного
компонента, использование подключения
DVI может привести к ненадежной
передаче сигнала.
!
Данный ресивер поддерживает SACD,
Dolby Digital Plus, Dolby TrueHD и DTS-
HD Master Audio. Для использования
преимуществ данных форматов, однако,
убедитесь, что компонент, подключенный
к данному ресиверу, также поддерживает
соответствующий формат.
!
Используйте кабель High Speed HDMI
®
.
При использовании кабеля HDMI, кроме
кабеля High Speed HDMI
®
, ресивер
может не срабатывать соответствующим
образом.
!
При подключении кабеля HDMI со
встроенным уравнивающим фильтром, он
может не срабатывать соответствующим
образом.
!
Передача сигнала возможна только при
подключении к совместимому компоненту.
!
Передача цифрового аудиосигнала
формата HDMI требует больше времени
на распознавание. По этой причине может
происходить прерывание звучания во
время переключения аудиоформатов или
при запуске воспроизведения.
!
Включение/отключение устройства,
подключенного к терминалу
HDMI
OUT
данного аппарата, во время
воспроизведения, или отсоединение/
подключение кабеля HDMI во время
воспроизведения может вызывать шум
или прерывание звучания.
HDMI, логотип HDMI и High-Definition
Multimedia Interface являются торговыми
марками или зарегистрированными торго-
выми марками HDMI Licensing, LLC в США
и других странах.
«x.v.Color» и
являются
торговыми марками Sony Corporation.
Ru
12
02
Подключение оборудования
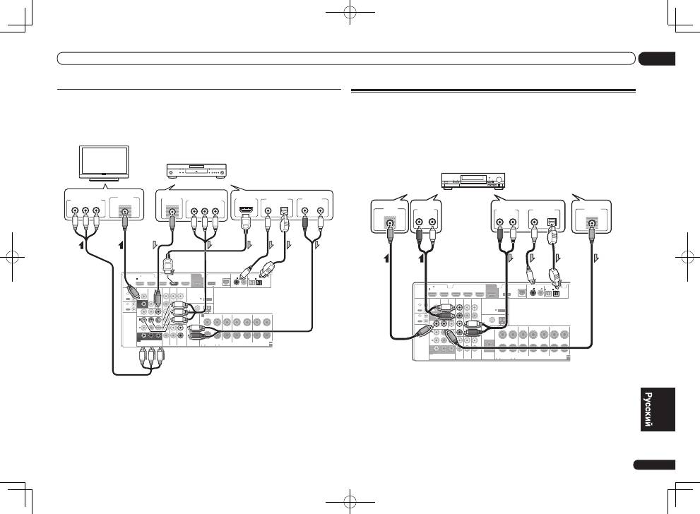
Подключение телевизора и компонентов воспроизведения
Подключение с помощью HDMI
При наличии компонента с интерфейсом HDMI или DVI (с HDCP) (проигрыватель Blu-ray
Disc дисков (BD), др.), его можно подключить к данному ресиверу с помощью отдельно про-
дающегося кабеля HDMI.
Если телевизор и компоненты воспроизведения поддерживают функцию
Control
через
HDMI, можно использовать удобные функции
Control
через HDMI (см.
Функция Control
через HDMI в инструкциях по эксплуатации на CD-ROM).
HDMI
VIDEO
CONTROL
IR
COMPONENT VIDEO
VIDEO IN
TV/SAT
IN
ZONE 2
DVR/BDR CD-R/TAPE ZONE 2
DVR/
BDR
OUT
OUT
DVD IN
IN
IN
IN
IN
CD
L
R
L
R
IN
L
R
OUT
OUT
VIDEO
IN
DVD IN
BD IN
DVR/BDR IN
FM UNBAL
75
FRONT
CENTER
SURROUND
SURROUND BACK / ZONE 2
R
L
R
L
R
L
(Single)
AM LOOP
(
CD
)
(
DVD
)
TV/SAT
VIDEO
DVD
Y
P
B
P
R
(
DVR/BDR
)
(
TV/SAT
)
COAXIAL
(10/100)
LAN
AUDIO
PRE OUT
SPEAKERS
ANTENNA
OPTICAL
ASSIGN
ABLE
ASSIGNABLE
ASSIGNABLE
OUT
MONITOR
OUT
MONITOR
OUT
SUBWOOFER
IN
1
(DVD)
IN
1
(DVR/
BDR)
IN
2
ASSIGNABLE
1
IN
1
IN
2
IN
1
IN
2
SEL
SEL
CAUTION:
SPEAKER IMPEDANCE
6 -16 .
ATTENTION:
ENCEINTE D’IMPEDANCE DE
6 -16 .
A
OUT
IN
OUT
IN
DC OUTPUT
for WIRELESS LAN
(OUTPUT 5 V
0.1 A MAX)
ADAPTER PORT
(OUTPUT 5 V 0.6 A MAX)
DIGITAL OUT
COAXIAL
OPTICAL
ANALOG
R
L
AUDIO OUT
HDMI IN
HDMI OUT
HDMI OUT
Совместимый с HDMI/DVI
проигрыватель Blu-ray
Другие компоненты, оборудованные
интерфейсом HDMI/DVI
Монитор, совместимый с
HDMI/DVI
Выберите один
Только
VSX-1021
Данное подключение
требуется для
прослушивания
звучания телевизора
через ресивер.
!
Для компонентов приема также доступны подключения, в дополнение к подключениям
HDMI (см.
Подключение проигрывателя DVD без выхода HDMI на стр. 12 ).
!
Для прослушивания звучания телевизора через ресивер, подключите ресивер и телевизор
через аудиокабели.
—
Когда телевизор и ресивер подключены через подключения HDMI, если телевизор
поддерживает функцию ARC (Канал возврата аудиосигнала) на HDMI, звучание
телевизора поступает на ресивер через терминал
HDMI OUT
, поэтому нет необходимости
подключать аудиокабель. В таком случае, установите
TV Audio
в
HDMI Setup
на
via HDMI
(см.
HDMI Setup в инструкциях по эксплуатации на CD-ROM).
Подключение проигрывателя DVD без выхода HDMI
На данном рисунке показаны подключения телевизора (с входом HDMI) и проигрывателя
DVD (или другого компонента воспроизведения без выхода HDMI) к ресиверу.
HDMI
VIDEO
CONTROL
IR
COMPONENT VIDEO
VIDEO IN
TV/SAT
IN
ZONE 2
DVR/BDR CD-R/TAPE ZONE 2
DVR/
BDR
OUT
OUT
DVD IN
IN
IN
IN
IN
CD
L
R
L
R
IN
L
R
OUT
OUT
VIDEO
IN
DVD IN
BD IN
DVR/BDR IN
FM UNBAL
75
FRONT
CENTER
SURROUND
SURROUND BACK / ZONE 2
R
L
R
L
R
L
(Single)
AM LOOP
(
CD
)
(
DVD
)
TV/SAT VIDEO
DVD
Y
P
B
P
R
(
DVR/BDR
)
(
TV/SAT
)
COAXIAL
(10/100)
LAN
AUDIO
PRE OUT
SPEAKERS
ANTENNA
OPTICAL
ASSIGN
ABLE
ASSIGNABLE
ASSIGNABLE
OUT
MONITOR
OUT
MONITOR
OUT
SUBWOOFER
IN
1
(DVD)
IN
1
(DVR/
BDR)
IN
2
ASSIGNABLE
1
IN
1
IN
2
IN
1
IN
2
SELECTA
SELECTA
CAUTION:
SPEAKER IMPEDANCE
6 -16 .
ATTENTION:
ENCEINTE D’IMPEDANCE DE
6 -16 .
FR
A
OUT
IN
OUT
IN
DC OUTPUT
for WIRELESS LAN
(OUTPUT 5 V
0.1 A MAX)
ADAPTER PORT
(OUTPUT 5 V 0.6 A MAX)
HDMI IN
ANALOG
R
AUDIO OUT
VIDEO OUT
VIDEO
Y
P
B
P
R
COMPONENT VIDEO OUT
DIGITAL OUT
COAXIAL
OPTICAL
L
Монитор, совместимый с
HDMI/DVI
Проигрыватель DVD, др.
Выберите один
Выберите один
!
Для прослушивания звучания телевизора через ресивер, подключите ресивер и телевизор
через аудиокабели (стр. 12).
—
Когда телевизор и ресивер подключены через подключения HDMI, если телевизор
поддерживает функцию ARC (Канал возврата аудиосигнала) на HDMI, звучание
телевизора поступает на ресивер через терминал
HDMI OUT
, поэтому нет необходимости
подключать аудиокабель. В таком случае, установите
TV Audio
в
HDMI Setup
на
via HDMI
(см.
HDMI Setup в инструкциях по эксплуатации на CD-ROM).
!
При использовании оптического цифрового аудиокабеля потребуется указать ресиверу,
к какому его цифровому входу подключен проигрыватель (см.
Меню Input Setup в
инструкциях по эксплуатации на CD-ROM).
Ru
13
02
Подключение оборудования
Подключение телевизора без входа HDMI
На данном рисунке показаны подключения телевизора (без входа HDMI) и проигрывателя
DVD (или другого компонента воспроизведения) к ресиверу.
!
При использовании данных подключений, картинка не выводится на телевизор даже
при подключении проигрывателя DVD через кабель HDMI. Подключите видеотерминал
проигрывателя DVD через композитный или компонентный кабель.
HDMI
VIDEO
CONTROL
IR
COMPONENT VIDEO
VIDEO IN
TV/SAT
IN
ZONE 2
DVR/BDR CD-R/TAPE ZONE 2
DVR/
BDR
OUT
OUT
DVD IN
IN
IN
IN
IN
CD
L
R
L
R
IN
L
R
OUT
OUT
VIDEO
IN
DVD IN
BD IN
DVR/BDR IN
FM UNBAL
75
FRONT
CENTER
SURROUND
SURROUND BACK / ZONE 2
R
L
R
L
R
L
(Single)
AM LOOP
(
CD
)
(
DVD
)
TV/SAT VIDEO
DVD
Y
P
B
P
R
(
DVR/BDR
)
(
TV/SAT
)
COAXIAL
(10/100)
LAN
AUDIO
PRE OUT
SPEAKERS
ANTENNA
OPTICAL
ASSIGN
ABLE
ASSIGNABLE
ASSIGNABLE
OUT
MONITOR
OUT
MONITOR
OUT
SUBWOOFER
IN
1
(DVD)
IN
1
(DVR/
BDR)
IN
2
ASSIGNABLE
1
IN
1
IN
2
IN
1
IN
2
SELEC
SELEC
CAUTION:
SPEAKER IMPEDANCE
6 -16 .
ATTENTION:
ENCEINTE D’IMPEDANCE DE
6 -16 .
A
OUT
IN
OUT
IN
DC OUTPUT
for WIRELESS LAN
(OUTPUT 5 V
0.1 A MAX)
ADAPTER PORT
(OUTPUT 5 V 0.6 A MAX)
ANALOG
R
AUDIO OUT
VIDEO IN
Y
P
B
P
R
COMPONENT VIDEO IN
VIDEO OUT
VIDEO
VIDEO
Y
P
B
P
R
COMPONENT VIDEO OUT
DIGITAL OUT
COAXIAL
OPTICAL
HDMI OUT
L
Телевизор
Проигрыватель DVD, др.
Выберите один
Выберите один
Выберите один
!
Подключите через кабель HDMI для прослушивания звучания высокой четкости на
ресивере. Не используйте кабель HDMI для приема видеосигналов.
В зависимости от видеокомпонента, может быть невозможно одновременно выводить
сигналы через HDMI и другие терминалы, и может быть необходимо выполнить настройки
выхода. Для более подробной информации, пожалуйста, изучите инструкции по
эксплуатации, поставляемые с компонентом.
!
Для прослушивания звучания телевизора через ресивер, подключите ресивер и телевизор
через аудиокабели (стр. 12).
!
При использовании оптического цифрового аудиокабеля потребуется указать ресиверу,
к какому его цифровому входу подключен проигрыватель (см.
Меню Input Setup в
инструкциях по эксплуатации на CD-ROM).
Подключение HDD/DVD-рекордера, BD-рекордера и других
видеоисточников
Данный ресивер оборудован двумя наборами аудио/видеовходов и выходов, пригод-
ных для подключения аналоговых или цифровых видеоустройств, включая HDD/DVD-
рекордеры и BD-рекордеры.
При настройке ресивера потребуется указать, к какому его входу подключен рекордер (см.
также
Меню Input Setup в инструкциях по эксплуатации на CD-ROM).
HDMI
VIDEO
CONTROL
IR
COMPONENT VIDEO
VIDEO IN
TV/SAT
IN
ZONE 2
DVR/BDR
CD-R/TAPE ZONE 2
DVR/
BDR
OUT
OUT
DVD IN
IN
IN
IN
IN
CD
L
R
L
R
IN
L
R
OUT
OUT
VIDEO
IN
DVD IN
BD IN
DVR/BDR IN
FM UNBAL
75
FRONT
CENTER
SURROUND
SURROUND BACK / ZONE 2
R
L
R
L
R
L
(Single)
AM LOOP
(
CD
)
(
DVD
)
TV/SAT VIDEO
DVD
Y
P
B
P
R
(
DVR/BDR
)
(
TV/SAT
)
COAXIAL
(10/100)
LAN
AUDIO
PRE OUT
SPEAKERS
ANTENNA
OPTICAL
ASSIGN
ABLE
ASSIGNABLE
ASSIGNABLE
OUT
MONITOR
OUT
MONITOR
OUT
SUBWOOFER
IN
1
(DVD)
IN
1
(DVR/
BDR)
IN
2
ASSIGNABLE
1
IN
1
IN
2
IN
1
IN
2
SELEC
SELEC
CAUTION:
SPEAKER IMPEDANCE
6 -16 .
ATTENTION:
ENCEINTE D’IMPEDANCE DE
6 -16 .
A
OUT
IN
OUT
IN
DC OUTPUT
for WIRELESS LAN
(OUTPUT 5 V
0.1 A MAX)
ADAPTER PORT
(OUTPUT 5 V 0.6 A MAX)
DIGITAL OUT
COAXIAL
OPTICAL
ANALOG
R
L
ANALOG
R
L
AUDIO OUT
AUDIO IN
VIDEO OUT
VIDEO
VIDEO
VIDEO IN
HDD/DVD-рекордер, BD-рекордер, др.
Выберите один
!
Для выполнения записи требуется подключить аналоговые аудиокабели (цифровое
подключение предназначено только для воспроизведения).
!
Если HDD/DVD-рекордер, BD-рекордер, др., оборудован выходным терминалом HDMI,
рекомендуется подключить его к терминалу
HDMI
DVR/BDR
IN
ресивера. При этом, также
подключите ресивер и и телевизор через HDMI (см.
Подключение с помощью HDMI на стр.
12 ).
Ru
14
02
Подключение оборудования
Подключение других аудиокомпонентов
Данный ресивер оборудован цифровыми и аналоговыми входами, позволяющими подклю-
чить аудиокомпоненты для воспроизведения.
При настройке ресивера потребуется указать, к какому его входу подключен компонент (см.
также
Меню Input Setup в инструкциях по эксплуатации на CD-ROM).
HDMI
VIDEO
CONTROL
IR
COMPONENT VIDEO
VIDEO IN
TV/SAT
IN
ZONE 2
DVR/BDR
CD-R/TAPE
ZONE 2
DVR/
BDR
OUT
OUT
DVD IN
IN
IN
IN
IN
CD
L
R
L
R
IN
L
R
OUT
OUT
VIDEO
IN
DVD IN
BD IN
DVR/BDR IN
FM UNBAL
75
FRONT
CENTER
SURROUND
SURROUND BACK / ZONE 2
R
L
R
L
R
L
(Single)
AM LOOP
(
CD
)
(
DVD
)
TV/SAT VIDEO
DVD
Y
P
B
P
R
(
DVR/BDR
)
(
TV/SAT
)
COAXIAL
(10/100)
LAN
AUDIO
PRE OUT
SPEAKERS
ANTENNA
OPTICAL
ASSIGN
ABLE
ASSIGNABLE
ASSIGNABLE
OUT
MONITOR
OUT
MONITOR
OUT
SUBWOOFER
IN
1
(DVD)
IN
1
(DVR/
BDR)
IN
2
ASSIGNABLE
1
IN
1
IN
2
IN
1
IN
2
SELEC
SELEC
CAUTION:
SPEAKER IMPEDANCE
6 -16 .
ATTENTION:
ENCEINTE D’IMPEDANCE DE
6 -16 .
A
OUT
IN
OUT
IN
DC OUTPUT
for WIRELESS LAN
(OUTPUT 5 V
0.1 A MAX)
ADAPTER PORT
(OUTPUT 5 V 0.6 A MAX)
DIGITAL OUT
COAXIAL
OPTICAL
ANALOG
R
L
AUDIO OUT
ANALOG
R
L
AUDIO IN
CD-R, MD, DAT, др.
Выберите один
!
Если подключается магнитофон, подключите аналоговые аудиовыходы к аналоговым
аудиовходам на рекордере.
!
Если на проигрывателе имеются выходы линейного уровня (например, он оборудован
встроенным предварительным усилителем с фонокорректором), подключите его тогда к
входам
CD
.
Подключение спутникового/кабельного реивера или другой
приставки
Спутниковые и кабельные ресиверы, а также наземные цифровые телевизионные тюнеры
относятся к так называемым ‹приставкам›.
При настройке ресивера потребуется указать, к какому его входу подключена приставка
(см.
Меню Input Setup в инструкциях по эксплуатации на CD-ROM).
HDMI
VIDEO
CONTROL
IR
COMPONENT VIDEO
VIDEO IN
TV/SAT
IN
ZONE 2
DVR/BDR CD-R/TAPE ZONE 2
DVR/
BDR
OUT
OUT
DVD IN
IN
IN
IN
IN
CD
L
R
L
R
IN
L
R
OUT
OUT
VIDEO
IN
DVD IN
BD IN
DVR/BDR IN
FM UNBAL
75
FRONT
CENTER
SURROUND
SURROUND BACK / ZONE 2
R
L
R
L
R
L
(Single)
AM LOOP
(
CD
)
(
DVD
)
TV/SAT
VIDEO
DVD
Y
P
B
P
R
(
DVR/BDR
)
(
TV/SAT
)
COAXIAL
(10/100)
LAN
AUDIO
PRE OUT
SPEAKERS
ANTENNA
OPTICAL
ASSIGN
ABLE
ASSIGNABLE
ASSIGNABLE
OUT
MONITOR
OUT
MONITOR
OUT
SUBWOOFER
IN
1
(DVD)
IN
1
(DVR/
BDR)
IN
2
ASSIGNABLE
1
IN
1
IN
2
IN
1
IN
2
SELECT
SELECT
CAUTION:
SPEAKER IMPEDANCE
6 -16 .
ATTENTION:
ENCEINTE D’IMPEDANCE DE
6 -16 .
F
A
OUT
IN
OUT
IN
DC OUTPUT
for WIRELESS LAN
(OUTPUT 5 V
0.1 A MAX)
ADAPTER PORT
(OUTPUT 5 V 0.6 A MAX)
VIDEO OUT
VIDEO
ANALOG
R
AUDIO OUT
DIGITAL OUT
COAXIAL
OPTICAL
L
Выберите один
Приставка
!
Только VSX-1021:
Если приставка оборудована выходным терминалом HDMI, рекомендуется подключить его
к терминалу
HDMI
IN 1
ресивера. При этом, также подключите ресивер и и телевизор через
HDMI (см.
Подключение с помощью HDMI на стр. 12 ).
Ru
15
02
Подключение оборудования
Подключение антенн AM/FM
Подключите рамочную антенну АМ и про-
волочную антенну FM, как показано ниже.
Для улучшения приема и качества звуча-
ния, подключите внешние антенны (см.
Подключение внешних антенн на стр. 15 ).
FM UNBAL
75
AM LOOP
ANTENNA
3
1
4
fig. a
fig. b
fig. c
5
2
1 Снимите предохранительные щитки
с контактов антенны AM.
2 Откройте защитные выступы,
вставьте по одному проводу в каждый
разъем до конца, затем отпустите
выступы для фиксации проводов
антенны AM.
3 Прикрепите рамочную антенну AM к
специальной стойке.
Чтобы прикрепить антенну к стойке, ото-
гните стойку в направлении стрелки (
рис.
а), затем закрепите рамочную антенну на
стойке с помощью зажима (
рис. б).
!
Чтобы установить антенну AM на стене
или другой поверхности, сначала
прикрепите стойку к поверхности с
помощью винтов (
рис. в), а затем
закрепите антенну на стойке. Убедитесь в
качестве приема.
4 Установите антенну AM на плоскую
поверхность и в направлении
наилучшего приема.
5 Подключите проволочную антенну
FM к розетке антенны FM.
Чтобы улучшить прием, полностью вытя-
ните проволочную антенну FM и прикре-
пите ее к стене или дверной раме. Не допу-
скайте, чтобы антенна свешивалась или
спутывалась.
Подключение внешних антенн
Для улучшения приема в диапазоне FM,
подключите внешнюю антенну FM к
FM
UNBAL 75
W
.
FM UNBAL
75
AM LOOP
ANTENNA
75
Ω
коаксиальный
кабель
Для улучшения приема в диапазоне AM
подключите к разъемам
AM LOOP
провод
длиной от 5 м дo 6 м с виниловой изоля-
цией, не отсоединяя прилагаемую рамоч-
ную антенну AM.
Для наилучшего качества приема подвесьте
ее горизонтально снаружи.
FM UNBAL
75
AM LOOP
ANTENNA
Внешняя антенна
Комнатная антенна
(провод с виниловым
покрытием)
5 m до 6 m
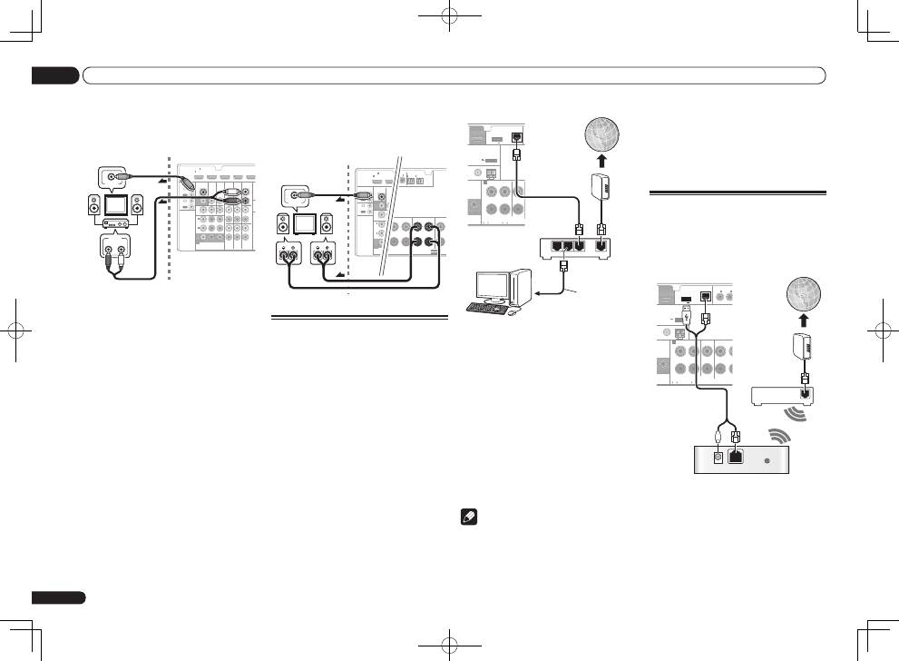
Настройка MULTI-ZONE
Данный ресивер может может обеспечи-
вать питанием до двух независимых систем
в отдельных комнатах после того, как
выполнены соответствующие подключения
MULTI-ZONE.
В двух зонах можно одновременно воспро-
изводить различные источники, или, в зави-
симости от потребностей, можно также вос-
производить один источник. Питание на
основную зону и под-зону подается раз-
дельно (питание основной зоны может быть
отключено, в то время как в под-зоне вклю-
чено), и под-зона может управляться от
пульта ДУ или органов управления перед-
ней панели.
Важное предупреждение
Для модели VSX-921 невозможно подклю-
чать телевизионный монитор в под-зоне.
Выполнение подключений
MULTI-ZONE
Данные подключения возможны, если име-
ются отдельный телевизор и громкоговори-
тели для под-зоны (
ZONE 2
). Также потребу-
ется отдельный усилитель, если
Настройка
MULTI-ZONE с использованием терминалов
громкоговорителей (ZONE 2) на стр. 16 не
используется для под-зоны.
Опции прослушивания MULTI-ZONE
В следующей таблице отображены сиг-
налы, выводящиеся на ZONE 2:
Для VSX-1021
Под-зона Доступные функции входа
ZONE 2
DVD
,
TV/SAT
,
DVR/BDR
,
VIDEO
,
HOME MEDIA GALLERY
,
iPod/USB
,
CD
,
CD-R/TAPE
,
TUNER
,
ADAPTER
PORT
(Выводит аналоговые аудиосиг-
налы, композитные видеосигналы.)
Невозможно выполнить понижающее
преобразование аудио и видеосигна-
лов, поступающих от входных термина-
лов
HDMI
, цифровых входных терминалов
(
OPTICAL
и
COAXIAL
) и входных термина-
лов
COMPONENT VIDEO
для последующего
вывода на ZONE 2.
Для VSX-921
Под-зона Доступные функции входа
ZONE 2
DVD
,
TV/SAT
,
DVR/BDR
,
VIDEO 1
,
VIDEO 2
,
CD
,
CD-R/TAPE
,
TUNER
,
ADAPTER PORT
(Выводит только аналоговые
аудиосигналы.)
Невозможно выполнить понижающее пре-
образование аудиосигналов, поступаю-
щих от входных терминалов
HDMI
или циф-
ровых входных терминалов (
OPTICAL
и
COAXIAL
) для последующего вывода на
ZONE 2.
Настройка первичной под-зоны
MULTI-ZONE (ZONE 2)
1 Подключите отдельный усилитель
к гнездам
AUDIO ZONE 2 OUT
на данном
ресивере.
Требуется пара громкоговорителей, под-
ключенных к усилителю под-зоны, как пока-
зано на следующей иллюстрации.
Ru
16
02
Подключение оборудования
UNBAL
FRONT
CENTER
R
L
AM LOOP
C
(10/100)
LAN
PRE OUT
TENNA
OUT
SUBWOOFER
CAUTION:
SPEAKER IMPEDANCE
6 -16 .
ATTENTION:
ENCEINTE D’IMPEDANCE DE
6 -16 .
A
DC OUTPUT
for WIRELESS LAN
(OUTPUT 5 V
0.1 A MAX)
ADAPTER PORT
(OUTPUT 5 V 0.6 A MAX)
WAN
3
2
1
LAN
Интернет
Модем
Маршрути
затор
LAN кабель
(продается
отдельно)
к порту LAN
Компьютер
Подключите терминал LAN на данном реси-
вере к терминалу LAN на маршрутизаторе
(с или без встроенной функции DHCP сер-
вера) через прямой LAN кабель (CAT 5 или
выше).
Включите функцию DHCP сервера марш-
рутизатора. В случае, если на маршрути-
заторе отсутствует функция DHCP сер-
вера, необходимо настроить сеть вруч-
ную. Подробнее, см.
Меню Network Setup в
инструкциях по эксплуатации на CD-ROM.
Технические характеристики терминала
LAN
!
Терминал LAN : гнездо Ethernet
(10BASE-T/100BASE-TX)
Примечание
!
Смотрите руководство по управлению
к имеющемуся оборудованию, так как
подключенное оборудование и метод
подключения могут отличаться в
зависимости от среды Интернет.
!
При использовании широкополосного
подключения к Интернет, в случае
необходимости свяжитесь с провайдером
Интернет услуги. Подробнее, свяжитесь
с ближайшим провайдером Интернет
услуги.
Подключение беспроводной
сети LAN
Можно выполнить беспроводное подклю-
чение к сети через беспроводное подклю-
чение LAN. Для подключения используйте
продающийся отдельно AS-WL300.
WAN
DC 5V
WPS
Ethernet
UNBAL
FRONT
CENTER
SURROUND
R
L
R
AM LOOP
(
CD
)
(
DVD
)
COAXIAL
PRE OUT
SPEA
TENNA
ASSIGNABL
OUT
SUBWOOFER
IN
1
IN
2
CAUTION:
SPEAKER IMPEDANCE
6 -16 .
ATTENTION:
ENCEINTE D’IMPEDANCE DE
6 -16 .
A
DC OUTPUT
for WIRELESS LAN
(OUTPUT 5 V
0.1 A MAX)
ADAPTER PORT
(OUTPUT 5 V 0.6 A MAX)
(10/100)
LAN
Интернет
Модем
Преобразователь беспроводной сети LAN (AS-WL300)
Маршрути
затор
2
Только VSX-1021: Подключите
телевизионный монитор к гнезду
VIDEO
ZONE 2 OUT
на данном ресивере.
HDMI
VIDEO
CONTROL
IR
COMPONENT VIDEO
VIDEO IN
TV/SAT
IN
ZONE 2
DVR/BDR CD-R/TAPE
ZONE 2
DVR/
BDR
OUT
OUT
DVD IN
IN
IN
IN
IN
CD
L
R
L
R
IN
L
R
OUT
OUT
VIDEO
IN
DVD IN
BD IN
DVR/BDR IN
FM
75
TV/SAT VIDEO
DVD
Y
P
B
P
R
AUDIO
AN
ASSIGN
ABLE
MONITOR
OUT
MONITOR
OUT
IN
1
(DVD)
IN
1
(DVR/
BDR)
IN
2
ASSIGNABLE
1
OUT
IN
OUT
IN
R
L
AUDIO IN
VIDEO IN
Под-зона (
ZONE 2
)
Основная зона
Только
VSX-1021
Настройка MULTI-ZONE с
использованием терминалов
громкоговорителей (ZONE 2)
Для использования данной настройки тре-
буется выбрать
ZONE 2
в Настройке акусти-
ческой системы в инструкциях по эксплуата-
ции на CD-ROM.
1 Подключите два громкоговорителя
к терминалам задних
громкоговорителей объемного
звучания.
2
Только VSX-1021: Подключите
телевизионный монитор к гнезду
VIDEO
ZONE 2 OUT
на данном ресивере.
SURROUND
SURROUND BACK / ZONE 2
R
L
R
R
L
(Single)
(
CD
)
(
DVD
)
(
DVR/BDR
)
(
TV/SAT
)
COAXIAL
SPEAKERS
OPTICAL
ASSIGNABLE
ASSIGNABLE
IN
1
IN
2
IN
1
IN
2
SEE INST
SELECTABLE
SELECTABLE
VOIR LE M
FRONT HEIG
HDMI
VIDEO
CONTROL
IR
COMPONENT VI
VIDEO IN
TV/SAT
IN
ZONE 2
DVR/
BDR
OUT
OUT
IN
Y
P
B
ASSIGN
ABLE
MONITOR
OUT
MONITOR
OUT
IN
1
(DVD)
IN
1
(DVR/
BDR)
IN
2
ASSIGNABLE
1
OUT
IN
OUT
IN
VIDEO IN
R
L
Только
VSX-1021
Под-зона (
ZONE 2
)
Основная зона
Подключение к сети через
интерфейс LAN
Подключив данный ресивер к сети через
терминал LAN, можно будет прослушивать
Интернет-радиостанции. Для прослуши-
вания Интернет-радиостанций, требуется
заранее подписать контракт с ISP (провай-
дером Интернет услуги).
Подключив таким способом, с помощью
входов HOME MEDIA GALLERY можно вос-
производить аудиофайлы, сохраненные на
компонентах в сети, включая компьютер.
Ru
17
02
Подключение оборудования
Подключение ресивера к
розетке
Подключайте ресивер к розетке только
после подключения к нему всех компонен-
тов, в том числе и громкоговорителей.
ПРЕДУПРЕЖДЕНИЕ
!
Держите кабель питания за вилку.
Вынимая вилку из розетки, никогда
не тяните за сам кабель, никогда не
дотрагивайтесь до кабеля питания
влажными руками, так как это может
стать причиной короткого замыкания
и поражения электрическим током. Не
допускайте установки на кабель питания
самого аппарата, предметов мебели
или других предметов и его защемления
любыми другими способами. Не
допускайте образования на кабеле узлов
или его спутывания с другими кабелями.
Кабели питания следует прокладывать
в таких местах, где возможность
наступить на них будет маловероятной.
Поврежденный кабель питания может
стать причиной возгорания или поражения
электрическим током. Периодически
проверяйте кабель питания. Если
обнаружится его повреждение, обратитесь
в ближайший сервисный центр,
уполномоченный компанией Pioneer, по
поводу его замены.
!
Не используйте никакой другой кабель
питания, кроме поставляемого с данным
аппаратом.
!
Не используйте поставляемый кабель
питания для любой другой цели, кроме
описанной ниже.
!
Если ресивер не используется постоянно
(например, вы уезжаете в отпуск),
вытащите вилку кабеля питания из
розетки.
1 Подключите поставляемый кабель
питания к разъему
AC IN
на задней
стороне ресивера.
2 Подключите другой конец к розетке.
!
После подключения данного ресивера к
розетке переменного тока, запускается
процесс инициализации HDMI,
занимающий от 2 до 10 секунд. Во время
данного процесса, любые операции
недоступны. Во время данного процесса,
на дисплее передней панели моргает
индикатор
HDMI
, и данный ресивер
можно включить только после остановки
моргания. Данный процесс можно
пропустить, установив функцию
Control
через HDMI на
OFF
. Подробнее о функции
Control
через HDMI, см.
Функция Control
через HDMI в инструкциях по эксплутации
на CD-ROM.
Ru
18
03
Основная настройка
THX
®
!
THX является торговой маркой THX Ltd.,
которая может быть зарегистрирована
некоторыми инстанциями. Все права
защищены.
1 Нажмите
u
RECEIVER
и включите
ресивер и телевизор.
Убедитесь, что видеовход телевизора уста-
новлен на данный ресивер.
2 Подключите микрофон к гнезду
MCACC SETUP MIC
на передней панели.
CONTROL
ON / OFF
MCACC
SETUP MIC
iPod
iPhone
iPad
USB
5V 2.1 A
HDMI 2 INPUT
Микрофон
Штатив
Проверьте, нет ли препятствий между гром-
коговорителями и микрофоном.
Если у вас есть штатив, используйте его
для установки микрофона приблизительно
на уровне уха на обычном месте слуша-
теля. Если нет штатива, установите микро-
фон на чем-нибудь другом.
Установите микрофон на устойчивой
поверхности. Расположение микрофона на
любой из следующих поверхностей может
сделать невозможным точное измерение:
!
Диваны или другие мягкие поверхности.
!
Высокие места как повехность стола или
спинка дивана.
Экран Полной автоматической настройки
MCACC отображается при подключении
микрофона.
Speaker System
: Normal(SB/FH)
1a.Full Auto MCACC
A/V RECEIVER
Exit
Return
START
EQ Type
: SYMMETRY
MCACC
: M1.MEMORY 1
THX Speaker
:
NO
!
Если экран ГИП не управлялся более
пяти минут, отображается хранитель
экрана.
3 Выберите параметры, которые
требуется настроить.
!
Когда отбираются данные для
измерения, данные реверберационных
характеристик (до и после калибровки),
хранившиеся на данном ресивере, будут
перезаписаны.
!
Когда измерение производится на
основе данных реверберационных
характеристик, кроме
SYMMETRY
,
данные не измеряются после
исправления. Если требуется
измерить после исправления данных,
выполните измерение с помощью
меню
EQ Professional
в настройке
Manual MCACC
.
Если громкоговорители подключены по
любой схеме, кроме схемы
Normal(SB/FH)
,
обязательно установите
Speaker System
до
запуска Полной автоматической настройки
MCACC. См.
Настройка акустической
системы в инструкциях по эксплуатации на
CD-ROM.
!
Speaker System
– Отображает
текущие настройки. Когда выбрана
данная настройка и нажата
ENTER
,
высветится экран выбора акустической
системы. Выберите соответствующую
Основная настройка
Отмена режима
демонстрации
На данном ресивере режим демонстрации
включен по умолчанию. При включении
питания устанавливается режим демон-
страции и на дисплее передней панели
отображаются различные функции. Для
отмены режима демонстрации подключите
кабель питания, затем выполите операцию
ниже.
!
Режим демонстрации автоматически
отменяется при выполнении операции
Full Auto MCACC
.
1 Переведите ресивер в режим
ожидания.
2 Удерживая нажатой
ENTER
на передней панели, нажмите
u
STANDBY/ON
.
На дисплее отображается надпись
RESET
c
NO
d
.
3 С помощью
TUNE
i
/
j
выберите
‹
FL DEMO
›.
4 С помощью
PRESET
k
/
l
выберите
FL DEMO
c
OFF
d
, затем нажмите
u
STANDBY/ON
на передней панели.
Автоматическая регулировка
оптимального звучания
(Полная автоматическая
настройка MCACC)
Полная автоматическая настройка MCACC
измеряет акустические характеристики ком-
наты для прослушивания, с учетом внешних
шумов, подключения громкоговорителей и
размера громкоговорителей, и проверяет
задержку канала и уровень канала. С ее
помощью ресивер получает информацию от
ряда тестовых тональных сигналов и на ее
основе выбирает оптимальные параметры
громкоговорителей и коррекции сигнала,
наиболее подходящие для конкретной
комнаты.
Важное предупреждение
!
Во время процедуры Полной
автоматической настройки MCACC
микрофон и громкоговорители должны
находиться в фиксированном положении.
!
При использовании Полной
автоматической настройки MCACC,
все существующие выбираемые
предустановки MCACC будут
перезаписаны.
!
Обязательно отсоедините наушники перед
процедурой Полной автоматической
настройки MCACC.
ПРЕДУПРЕЖДЕНИЕ
!
Во время Полной автоматической
настройки MCACC издаются очень
громкие тестовые тональные сигналы.
Ru
19
03
Основная настройка
акустическую систему, затем нажмите
RETURN
для возврата.
Если вы планируете применить
двухполосное усиление к передним
громкоговорителям или установить
отдельную акустическую систему в
другой комнате, прочтите
Настройка
акустической системы в инструкциях
по эксплуатации на CD-ROM и, прежде
чем перейти к шагу 4, убедитесь в том,
что громкоговорители подключены
соответствующим образом.
!
EQ Type
– Определяет, каким образом
регулируется частотный баланс.
!
MCACC
– Шесть предустановок MCACC
используются для хранения настроек
объемного звучания для различных мест
слушателей. Теперь просто выберите не
использующуюся предустановку.
!
THX Speaker
– Выберите
YES
при
использовании громкоговорителей ТНХ
(все громкоговорители, кроме передних
громкоговорителей устанавливаются
на
SMALL
). В других случаях оставьте
настройку
NO
.
4 Нажмите
, затем выберите
START
.
5 Следуйте инструкциям,
отображаемым на экране.
Убедитесь, что микрофон подключен, а при
использовании низкочастотного громкогово-
рителя - что он включен и установлен под-
ходящий уровень громкости.
6 Дождитесь завершения
тестовых тональных сигналов,
затем подтвердите конфигурацию
громкоговорителей на экране ГИП.
Когда ресивер издает тестовые тональные
сигналы, чтобы определить какие громкого-
ворители установлены в системе, на экране
отображается сообщение о состоянии. Во
время вывода этих сигналов старайтесь
соблюдать тишину.
Если при отображенном экране проверки
конфигурации громкоговорителей в течение
10 секунд не было выполнено никакого дей-
ствия, автоматически возобновляется про-
цедура Полной автоматической настройки
MCACC. В таком случае нет необходимости
выбирать ‹
OK
› и нажимать
ENTER
на шаге 7.
!
При наличии сообщений об ошибках
(например,
Too much ambient noise!
или
Check microphone.
), после проверки
внешнего шума (см.
Проблемы при
использовании Автоматической
настройки MCACC на стр. 19 ) и проверки
подключения микрофона выберите
RETRY
. Если кажется, что все идет как
надо, можно просто выбрать пункт
GO NEXT
и продолжить.
Now Analyzing...
2/9
Environment Check
1a.Full Auto MCACC
A/V RECEIVER
Exit
Cancel
Ambient Noise
: OK
Microphone
:
Speaker YES/NO :
L
:
YES
FHL
:
YES
C
:
YES
FHR
:
YES
R
:
YES
SR
:
YES
SBR :
YES
SBL
:
YES
SL
:
YES
SW
:
YES
1a.Full Auto MCACC
10
OK
RETRY
A/V RECEIVER
Exit
Cancel
Конфигурация, показанная на экране,
должна соответствовать фактическому
набору громкоговорителей.
!
При отображении сообщения
ERR
(или если отображается неверная
конфигурация громкоговорителей),
возможно, существует проблема с
подключением громкоговорителей.
Если неполадка не устраняется при
выборе пункта
RETRY
, отключите
питание и проверьте подключение
громкоговорителей. Если кажется,
что все идет как надо, можно просто
использовать
i
/
j
для выбора
громкоговорителя и
k
/
l
для
переключения настройки и продолжить.
!
Если громкоговоритель не направлен
на микрофон (место слушателя) или
при использовании громкоговорителей,
воздействующих на фазу (дипольных
громкоговорителей, рефлективных
громкоговорителей, др.), может
отображаться
Reverse Phase
, даже если
громкоговорители были подключены
соответствующим образом.
Если отображается
Reverse Phase
, это
значит, что провода громкоговорителя
могли быть подключены наоборот
(+ и –). Проверьте подключения
громкоговорителей.
—
Если подключения были выполнены
ошибочно, отключите питание,
отсоедините кабель питания, затем
заново выполните соответствующие
подключения. После этого, заново
выполните процедуру Полной
автоматической настойки MCACC.
—
Если подключения были выполнены
правильно, выберите
GO NEXT
и
продолжайте дальше.
7 Убедитесь в том, что выбран пункт
‹
OK
›, затем нажмите
ENTER
.
Пока ресивер издает больше тестовых
тональных сигналов, чтобы опреде-
лить оптимальные настройки ресивера,
на экране отображается сообщение о
состоянии.
Во время вывода этих сигналов также
старайтесь соблюдать тишину. Это может
занять от 3 до 10 минут.
8 Процедура Полной автоматической
настройки MCACC завершается и снова
автоматически отображается меню
Home Menu.
Обязательно отсоедините микрофон от
данного ресивера по окончании процедуры
Полной автоматической настройки MCACC.
!
В зависимости от характеристик
комнаты, иногда для одинаковых
громкоговорителей с диаметром
динамика около 12 см настройка задает
разные размеры. Настройки можно будет
исправить вручную с помощью раздела
Ручная настройка громкоговорителей
в инструкциях по эксплуатации на
CD-ROM.
!
Настройка расстояния до
низкочастотного громкоговорителя может
быть больше фактического расстояния
от места слушателя. Эта настройка
должна быть точной (с учетом задержки
и характеристик комнаты) и обычно не
требует изменения.
!
При неправильных результатах
измерений во время Полной
автоматической настройки MCACC из-за
взаимодействия громкоговорителей
и среды просмотра, рекомендуется
отрегулировать настройки вручную.
Проблемы при использовании
Автоматической настройки
MCACC
Если условия комнаты не подходят для
Автоматической настройки MCACC (слиш-
ком сильные фоновые шумы, эхо от стен,
препятствия, заслоняющие громкоговори-
тели от микрофона), результаты настройки
могут быть неверными. Проверьте, не вли-
яют ли на эти условия бытовые приборы
(кондиционер, холодильник, вентилятор и
т.д.), и при необходимости отключите их.
Если на дисплее передней панели ото-
бражаются какие-либо инструкции, выпол-
няйте их.
!
Некоторые старые модели телевизоров
могут создавать помехи микрофону. В
этом случае выключите телевизор во
время выполнения Автоматический
настройки MCACC.
Ru
20
03
Основная настройка
Настройка режима
управления
Данный ресивер оборудован большим
количеством функций и настроек. Функция
режима управления предназначена для
пользователей, которым трудно легко
использовать данные функции и настройки.
Для
Operation Mode
можно выбрать один
из двух настроек:
Expert
и
Basic
.
1 Нажмите
на пульте ДУ, затем
нажмите
HOME MENU
.
На телевизоре отображается экран гра-
фического интерфейса пользователя
(ГИП). Для перехода между экранами и
выделенными пунктами меню используйте
i
/
j
/
k
/
l
и
ENTER
. Нажмите
RETURN
для
выхода из текущего меню.
2 Выберите ‹
Operation Mode Setup
› в
Home Menu
.
3 Выберите нужную настройку
режима управления.
!
Expert
(по умолчанию) – Пользователи
могут сами настраивать все функции.
!
Basic
– Количество упраляемых функций
ограничено, и функции, управление
которыми недоступно, настраиваются
автоматически для достижения качества
звучания и картинки, рекомендованного
Pioneer. Ниже показаны функции,
которыми можно управлять. При
необходимости их можно настраивать,
руководствуясь инструкциями по
эксплуатации.
Управляемые
функции/
параметры
Описания
Стр.
HOME MENU
Full Auto
MCACC
Легкое выполнение
высокоточных настроек
звукового поля.
18
Управляемые
функции/
параметры
Описания
Стр.
Input Name
Для облегчения
использования можно
поменять имена вхо-
дов.
*1
Input Skip
Неиспользуемые
входы упускаются (не
отображаются).
*1
Software
Update
Обновление программ-
ного обеспечения до
самой последней вер-
сии.
*1
Network
Information
Проверка IP-адреса
ресивера.
*1
Pairing
Bluetooth
Setup
Спаривание устрой-
ства Bluetooth через
AS-BT100 или
AS-BT200.
*1
Аудиопараметры
MCACC
(Предустановка
MCACC)
Выбор любимой пред-
установленной памяти
MCACC.
*1
DELAY
(Задержка зву-
чания)
Настройка времени
задержки всего зву-
чания.
*1
S.RTRV
(Автоматиче-
ское восста-
новление зву-
чания)
Высококачественное
воспроизведение сжа-
того звучания.
*1
DUAL
(Двойной моно-
фонический)
Двойная монофониче-
ская аудионастройка.
*1
V.SB
(Виртуальный
задний гром-
коговоритель
объемного зву-
чания)
Создание звучания
виртуального заднего
канала объемного зву-
чания для воспроизве-
дения.
*1
Управляемые
функции/
параметры
Описания
Стр.
V.HEIGHT
(Виртуальный
верхний гром-
коговоритель)
Создание звучания
виртуального верхнего
канала для воспроиз-
ведения.
*1
Другие функции
INPUT SELECT
(
INPUT
SELECTOR
)
Переключение входа.
21
MASTER
VOLUME
+
/
–
,
MUTE
Используйте для уста-
новки уровня громкости
для прослушивания.
21
LISTENING
MODE
Можно только выби-
рать режимы, рекомен-
дованные Pioneer.
21
PQLS
Воспроизведение с
помощью функции
PQLS.
*1
PHASE CTRL
(Управление
фазой)
Воспроизведение с
корректирующим сдви-
гом фазы нижнего диа-
пазона.
*1
SOUND
RETRIEVER AIR
Переключение входа
на
ADAPTER PORT
и
высококачественное
воспроизведение сжа-
того звучания.
*1
iPod iPhone
iPad DIRECT
CONTROL
Переключение входа
на
iPod/USB
и уста-
новка режима, позво-
ляющего производить
управление от iPod.
*1
1 Подробнее, см. инструкции по эксплуатации на
CD-ROM.
4 По завершению нажмите
RETURN
.
Вы вернетесь в
Home Menu
.
Ru
21
04
Основные операции воспроизведения
Основные операции воспроизведения
Воспроизведение источника
В данном разделе приведены основные
инструкции по воспроизведению источника
(например, диска DVD) с помощью системы
домашнего кинотеатра.
CH
TV CONTROL
INPUT
INPUT SELECT
iPod
USB
TUNER
VIDEO
ADPT
HMG
CD
TV
RCU SETUP
SOURCE
RECEIVER
MULTI
OPERATION
BDR
SAT
BD
DVD
DVR
HDMI
RECEIVER
TV CTRL
ZONE2
MUTE
MASTER
VOLUME
VOL
RECEIVER
D.ACCESS
CH LEVEL A.ATT
LISTENING MODE
DIMMER
SIGNAL SEL MCACC SLEEP
MIDNIGHT
TV / DTV
MPX
PQLS
AUTO / ALC /
DIRECT
STEREO STANDARD ADV SURR
AUDIO
INFO
CLASS
ENTER
DISP
5
4
6
8
0
7
9
1
3
/ CLR
CH
22
S.RETRIEVER
2
1 Включите компоненты системы и
ресивер.
Сначала включите компонент воспроиз-
ведения (например, проигрыватель DVD),
телевизор и низкочастотный громкоговори-
тель (при наличии), затем ресивер (нажмите
u
RECEIVER
).
Убедитесь, что видеовход телевизора уста-
новлен на данный ресивер.
2 Выберите функцию входа, которую
требуется воспроизвести.
Можно использовать кнопки функций входа
на пульте ДУ,
INPUT SELECT
, или регулятор
INPUT SELECTOR
на передней панели.
!
Если необходимо вручную переключить
тип входного сигнала, нажмите
SIGNAL SEL
.
3 Нажмите
для установки в
режим управления ресивером.
4 Нажав
AUTO/ALC/DIRECT
(
AUTO SURR/ALC/STREAM DIRECT
),
выберите ‹
AUTO SURROUND
› и
запустите воспроизведение источника.
Если воспроизводится источник с объ-
емным звучанием в формате Dolby Digital
или DTS, звучание должно быть объемным.
Если воспроизводится стереофонический
источник, в режиме прослушивания по
умолчанию звучание будет воспроизво-
диться через передние правый и левый
громкоговорители.
!
Возможно, потребуется проверить
настройки цифрового аудиовыхода
на проигрывателе DVD или цифровом
спутниковом ресивере. Он должен быть
установлен на вывод аудиосигнала в
формате Dolby Digital, DTS и 88,2 кГц
/ 96 кГц PCM (2-канальный), а если
имеется параметр MPEG audio, выберите
конвертирование сигнала MPEG audio в
формат PCM.
5 С помощью
MASTER VOLUME
+
/
–
отрегулируйте уровень громкости.
Прослушивание в режиме
объемного звучания
С помощью данного ресивера можно про-
слушивать любой источник с использова-
нием объемного звучания.
Стандартное объемное звучание
Данный ресивер воспроизводит основное
объемное звучание от стереофонических и
многоканальных источников.
RECEIVER
D.ACCESS
CH LEVEL A.ATT
LISTENING MODE
DIMMER
AUTO / ALC /
DIRECT
STEREO
STANDARD ADV SURR
CLASS
ENTER
8
0
7
9
/ CLR
CH
%
Во время прослушивания
источника нажмите
STANDARD
(
STANDARD SURROUND
).
Если это необходимо, повторно нажимайте
для выбора режима прослушивания.
Использование дополнительных
эффектов объемного звучания
Эффекты дополнительного объемного
звучания можно использовать для получе-
ния дополнительных эффектов объемного
звучания.
%
Повторно нажимая
ADV SURR
(
ADVANCED SURROUND
), выберите
режим прослушивания.
Воспроизведение iPod
Данный ресивер оборудован терминалом
iPod iPhone iPad USB
, который позволяет
управлять воспроизведением аудиоматери-
ала на iPod с помощью органов управления
данного ресивера.
!
Данный ресивер совместим с аудио и
видеосигналами от iPod nano (только
аудиосигналы для iPod nano 1G/2G), iPod
пятого поколения (только аудиосигналы),
iPod classic, iPod touch, iPhone и iPad.
Однако, некоторые функции некоторых
моделей могут быть ограничены. Ресивер
несовместим с iPod shuffle.
!
Данный ресивер был разработан и
протестирован с версией программного
обеспечения iPod/iPhone/iPad, указанной
на вебсайте Pioneer (http://pioneer.jp/
homeav/support/ios/eu/).
!
Установка других версий программного
обеспечения, кроме указанных на
вебсайте Pioneer, может привести к
несовместимости iPod/iPhone/iPad с
данным ресивером.
!
iPod, iPhone и iPad лицензирован для
воспроизведения незащищенных
авторскими правами материалов или
материалов, на которые владелец
имеет легальное разрешение для
воспроизведения.
!
Управление такими устройствами, как
эквалайзер, при помощи этого ресивера
невозможно, поэтому перед подключением
рекомендуется выключить эквалайзер.
!
Pioneer не может принять ответственность
ни при каких обстоятельствах за любую
прямую или косвенную потерю по причине
неудобства или потери записанного
материала из-за сбоя iPod.
!
При прослушивании дорожки на iPod в
основной зоне, можно управлять под-
зоной, но невозможно прослушивать
другую дорожку в под- зоне, кроме
дорожки, воспроизводящейся в основной
зоне.
1 Переключите ресивер в режим
ожидания, затем, с помощью
поставляемого кабеля iPod,
подключите iPod к терминалу
iPod
iPhone iPad USB
на передней панели
данного ресивера.
Ru
22
04
Основные операции воспроизведения
1 Переключите ресивер в режим
ожидания, затем подключите
устройство USB к терминалу
USB
на
передней панели данного ресивера.
CONTROL
ON / OFF
MCACC
SETUP MIC
iPod
iPhone
iPad
USB
5V 2.1 A
HDMI 2 INPUT
Запоминающее устройство
большой емкости USB
2 Нажмите
u
RECEIVER
и включите
ресивер и телевизор.
!
При отсоединении устройства с
интерфейсом USB убедитесь в том, что
ресивер находится в режиме ожидания.
3 Нажмите
iPod USB
на пульте ДУ для
переключения ресивера на устройство
iPod/USB.
4 С помощью
i
/
j
выберите ‹
Music
› в
меню
USB Top
.
5 С помощью
i
/
j
и
ENTER
выберите
дорожку для воспроизведения, затем
нажмите кнопку
d
.
Основные органы управления
воспроизведением
!
Нажмите
iPod USB
для переключения
пульта ДУ в режим управления iPod/USB.
iPod CTRL
HOME
MENU TUNE
TUNE TOOLS
LIST
PRESET
TOP MENU
BAND
GUIDE
T.EDIT
VIDEO
PARAMETER
AUDIO
PARAMETER
ENTER
PRESET
RETURN
PTY
SEARCH
SIGNAL SEL MCACC SLEEP
TV / DTV
MPX
PQLS
PHASE CTRL
STATUS
PGM
MENU
AUDIO
INFO
DISP
HDD
DVD
5
4
6
1
3
22
S.RETRIEVER
2
Прослушивание
радиопередач
1 Нажмите
TUNER
для выбора тюнера.
2 При необходимости с помощью
BAND
выберите диапазон (
FM
или
AM
).
3 Выполните настройку на
радиостанцию.
Это можно сделать тремя способами, опи-
санными ниже:
!
Автоматическая настройка
– Нажмите
и удерживайте нажатой
TUNE
i
/
j
примерно одну секунду. Ресивер начнет
поиск следуюей раиостанции.
!
Ручная настройка
– Для пошагового
изменения частоты нажимайте
TUNE
i
/
j
.
!
Ускоренная настройка
– Для
выполнения ускоренной настройки
нажмите и удерживайте нажатой одну
из
TUNE
i
/
j
. Отпустите кнопку по
достижению нужной частоты.
Улучшение звучания в диапазоне
FM
Если индикатор
TUNED
или
STEREO
не
высвечивается при настройке на радио-
станцию FM по причине слабого сигнала,
нажмите
MPX
для переключения ресивера
в режим монофонического приема.
Для VSX-1021
MCACC
SETUP MIC
iPod
iPhone
iPad
USB
5V 2.1 A
HDMI 2 INPUT
MENU
CONTROL
ON / OFF
iPod
Кабель iPod
(поставляется)
Для VSX-921
MCACC
SETUP MIC
L AUDIO R
VIDEO
VIDEO 2 INPUT
iPod
iPhone
iPad
USB
5V 2.1 A
MENU
CONTROL
ON / OFF
iPod
Кабель iPod
(поставляется)
2 Нажмите
u
RECEIVER
и включите
ресивер и телевизор.
3 Нажмите
iPod USB
на пульте ДУ для
переключения ресивера на устройство
iPod/USB
.
4 С помощью
i
/
j
выберите ‹
Music
› в
меню
iPod Top
.
5 С помощью
i
/
j
и
ENTER
выберите
дорожку для воспроизведения, затем
нажмите кнопку
d
.
Основные органы управления
воспроизведением
!
Нажмите
iPod USB
для переключения
пульта ДУ в режим управления iPod/USB.
iPod CTRL
HOME
MENU TUNE
TUNE TOOLS
LIST
PRESET
TOP MENU
BAND
GUIDE
T.EDIT
VIDEO
PARAMETER
AUDIO
PARAMETER
ENTER
PRESET
RETURN
PTY
SEARCH
SIGNAL SEL MCACC SLEEP
TV / DTV
MPX
PQLS
PHASE CTRL
STATUS
PGM
MENU
AUDIO
INFO
DISP
HDD
DVD
5
4
6
1
3
22
S.RETRIEVER
2
Воспроизведение устройства
USB
Файлы можно воспроизводить c интер-
фейса USB в передней части данного
ресивера.
!
Совместимые устройства USB
включают внешние магнитные жесткие
диски, переносные устройства флэш-
памяти (особенно ключи) и цифровые
аудиоплееры (MP3 плееры) формата
FAT16/32.
!
Компания Pioneer не может гарантировать
совместимость (управление и/или питание
от шины) со всеми запоминающими
устройствами большой емкости USB и не
несет ответственности за любую потерю
данных, возможную при подключении к
данному ресиверу.
Ru
23
04
Основные операции воспроизведения
Использование Neural Surround
Данная функция использует технологии
Neural Surround
TM
для достижения опти-
мального объемного звучания радиотранс-
ляции FM.
!
Во время прослушивания радиопередачи
FM, нажмите
AUTO/ALC/DIRECT
для
использования Neural Surround.
!
Режим
Neural Surround
также можно
выбрать с помощью
STANDARD
.
Сохранение предустановленных
радиостанций
Если вы часто слушаете какую-либо опре-
деленную радиостанцию, очень удобно,
если она будет сохранена в памяти реси-
вера для последующего ее быстрого вызова
в любой момент с целью прослушивания.
1 Выполните настройку на
радиостанцию, которую требуется
занести в память.
2 Нажмите
T.EDIT
(
TUNER EDIT
).
На дисплее отобразится индикация
PRESET MEMORY
, а затем начнет моргать
класс памяти.
3 Нажмите
CLASS
для выбора одного
из семи классов, затем нажмите
PRESET
k
/
l
для выбора нужной
предустановленной радиостанции.
4 Нажмите
ENTER
.
После нажатия
ENTER
класс и номер пред-
установленной радиостанции перестанут
моргать, и ресивер сохранит радиостанцию
в память.
Прослушивание
предустановленных
радиостанций
1 Нажмите
TUNER
для выбора тюнера.
2 Нажмите
CLASS
, чтобы выбрать
класс, в котором сохранена станция.
3 Нажимая
PRESET
k
/
l
, выберите
нужную предустановленную
радиостанцию.
Воспроизведение источников
HOME MEDIA GALLERY
Функция Home Media Gallery данного реси-
вера позволяет прослушивать аудиофайлы
или прослушивать Интернет- радиостанции
на компьютере или другом компоненте, под-
ключенном к терминалу LAN ресивера.
!
Файлы фотографий и видеофайлы не
могут воспроизводиться.
!
С помощью Windows Media Player 11 или
Windows Media Player 12 можно даже
воспроизводить на данном ресивере
аудиофайлы, охраняемые авторскими
правами.
1 Подключите терминал LAN на
данном ресивере к терминалу LAN на
маршрутизаторе через прямой LAN
кабель.
См.
Подключение к сети через интерфейс
LAN на стр. 16 .
2 Нажмите
HMG
для выбора Home
Media Gallery как функцию входа.
3 С помощью
i
/
j
, выберите
категорию для воспроизведения, и
затем нажмите
ENTER
.
!
Internet Radio
– Интернет-радио
!
Имя сервера
– Компоненты сервера в
сети
!
Favorites
– Любимые песни,
зарегистрированные в данный момент
!
Recently played
– История
прослушивания Интернет-радио
(наиболее последние 20 случаев)
4 С помощью
i
/
j
, выберите папку,
музыкальные файлы или Интернет-
радиостанцию для воспроизведения, и
затем нажмите
ENTER
.
5 Для воспроизведения нужной песни
повторите Шаг 4.
Воспроизведение аудиофайлов,
сохраненных на компонентах в
сети
!
Нажмите
HMG
для переключения
пульта ДУ в режим управления
HOME MEDIA GALLERY
.
iPod CTRL
HOME
MENU TUNE
TUNE TOOLS
LIST
PRESET
TOP MENU
BAND
GUIDE
T.EDIT
VIDEO
PARAMETER
AUDIO
PARAMETER
ENTER
PRESET
RETURN
PTY
SEARCH
SIGNAL SEL MCACC SLEEP
TV / DTV
MPX
PQLS
PHASE CTRL
STATUS
PGM
MENU
AUDIO
INFO
DISP
HDD
DVD
5
4
6
1
3
22
S.RETRIEVER
2
Bluetooth ADAPTER
для беспроводного
прослушивания музыки
Данный ресивер
Управление от
пульта ДУ
Музыкальные данные
Bluetooth
®
ADAPTER
мобильный
телефон
Цифровой
музыкальный
плеер
Устройство,
оборудованное
беспроводной
технологией
Bluetooth
:
Устройство,
оборудованное
беспроводной
технологией
Bluetooth
:
Устройство, не
оборудованное
беспроводной
технологией
Bluetooth.
Цифровой
музыкальный
плеер
+
аудиопередатчик
Bluetooth
(продается
отдельно)
AUDIO/ VIDEO MULTI- CHANNEL RECEIVER
MASTER
VOLUME
STANDBY/ON
INPUT
SELECTOR
PUSH
OPEN
iPod iPhone iPad
DIRECT CONTROL
SOUND
RETRIEVER AIR
ADVANCED
SURROUND
STANDARD
SURROUND
AUTO SURR/ALC/
STREAM DIRECT
PHONES
SPEAKERS
CONTROL – MULTI-ZONE – ON/OFF
BAND
TUNER EDIT
TUNE
PRESET
ENTER
iPod iPhone iPad
HDMI
ADVANCED
MCACC
VSX-1021
FL OFF
R CD-R/TAPE ZONE 2
IN
CD
L
R
L
R
IN
L
R
OUT
DVD IN
DVR/BDR IN
FM UNBAL
75
FRONT
CENTER
SURROUND
SURROUND BACK / ZONE 2
R
L
R
L
R
L
(Single)
AM LOOP
(
CD
)
(
DVD
)
T VIDEO
DVD
(
DVR/BDR
)
(
TV/SAT
)
COAXIAL
(10/100)
LAN
O
PRE OUT
SPEAKERS
ANTENNA
OPTICAL
ASSIGNABLE
ASSIGNABLE
OUT
SUBWOOFER
IN
1
IN
2
IN
1
IN
2
SELECT
SELECT
CAUTION:
SPEAKER IMPEDANCE
6 -16 .
ATTENTION:
ENCEINTE D’IMPEDANCE DE
6 -16 .
F
A
DC OUTPUT
for WIRELESS LAN
(OUTPUT 5 V
0.1 A MAX)
ADAPTER PORT
(OUTPUT 5 V 0.6 A MAX)
Bluetooth
® ADAPTER
По инструкциям по подключению и
настройке
Bluetooth ADAPTER и по воспро-
изведению музыки см. инструкции по экс-
плуатации на CD-ROM.
Bluetooth
®
(слово и логотипы) является
зарегистрированным товарным знаком и
принадлежит компании Bluetooth SIG, Inc.;
использование PIONEER CORPORATION
этих товарных знаков разрешено соответ-
ствующей лицензией. Прочие товарные
знаки и торговые наименования принадле-
жат соответствующим владельцам.
©
PIONEER CORPORATION, 2011. Все
права защищены.
Ru
24
04
Основные операции воспроизведения
Ru
25
04
Основные операции воспроизведения
http://www.pioneer-rus.ru
http://www.pioneer.eu
<5707-00000-492-0S>
© 2011 PIONEER CORPORATION.
All rights reserved.
© 2011
PIONEER CORPORATION.
Tous droits de reproduction et de traduction réservés.
Printed in China / Imprimé en Chine

