Pioneer VSX-921 – page 4
Manual for Pioneer VSX-921
Table of contents
- IMPORTANT
- Contents
- Before you start
- Remote control
- Connecting your equipment
- Placing the speakers Connecting the speakers
- Bi-amping your speakers Installing your speaker system
- Selecting the Speaker system About the audio connection About the video converter
- About HDMI
- Connecting your TV and playback components Connecting your DVD player with no HDMI output
- Connecting an HDD/DVD recorder, BD recorder and other video sources
- Connecting a satellite/cable receiver or other set-top box Connecting other audio components
- MULTI-ZONE setup Sub Zone Input functions available Sub Zone Input functions available Connecting AM/FM antennas
- Connecting to the network through LAN interface Connecting to a wireless LAN Plugging in the receiver
- Basic Setup Canceling the demo display Automatically conducting optimum sound tuning (Full Auto MCACC)
- Operation Mode Setup
- Operable functions/ Descriptions Page
- Basic playback Playing a source Listening in surround sound Playing an iPod
- Listening to the radio Playing a USB device
- Playback with HOME MEDIA GALLERY inputs Bluetooth ADAPTER for Wireless Enjoyment of Music
De
19
03
Grundlegende Einrichtung
!
Speaker System
– Zeigt die aktuellen
Einstellungen an. Wenn diese Option
gewählt ist und
ENTER
gedrückt wird,
erscheint der Lautsprechersystem-
Auswahlbildschirm. Wählen Sie das richtige
Lautsprechersystem aus, und drücken Sie
dann
RETURN
zum Zurücksetzen.
Wenn Sie Ihre Frontlautsprecher über
Bi-Amping betreiben oder ein separates
Lautsprechersystem in einem anderen
Zimmer aufstellen möchten, lesen Sie bitte
Lautsprechersystem-Einstellung
in der
Bedienungsanleitung auf CD-ROM, und
schließen Sie Ihre Lautsprecher unbedingt
an, bevor Sie mit Schritt 4 fortfahren.
!
EQ Type
– Legt fest, wie die
Frequenzbalance eingestellt wird.
!
MCACC
– Die sechs MCACC-
Voreinstellungen werden zum Speichern
von Surround-Klangeinstellungen für
unterschiedliche Hörpositionen verwendet.
Wählen Sie zunächst eine nicht verwendete
Voreinstellung aus.
!
THX Speaker
– Wählen Sie
YES
aus,
wenn Sie THX-Lautsprecher verwenden
(alle Lautsprecher mit Ausnahme der
Frontlautsprecher sind auf
SMALL
gesetzt).
In anderen Fällen lassen Sie die Einstellung
auf
NO
.
4 Drücken Sie
und wählen Sie
dann START.
5 Befolgen Sie die Anweisungen auf der
Bildschirmanzeige.
Stellen Sie sicher, dass das Mikrofon ange-
schlossen ist, und wenn Sie einen Subwoofer
verwenden, stellen Sie sicher, dass er
eingeschaltet und auf einen angenehmen
Lautstärkepegel eingestellt ist.
6 Warten Sie auf das Ende der
Prüftonausgabe, und bestätigen Sie dann
die Lautsprecherkonfiguration auf der
grafischen Benutzerführung.
Während der Receiver Prüftöne ausgibt, um die
in Ihrer Einstellung vorhandenen Lautsprecher
zu ermitteln, wird auf der Bildschirmanzeige
ein Fortschrittsbericht angezeigt. Verhalten
Sie sich während dieses Vorgangs so leise wie
möglich.
Wenn 10 Sekunden lang keine Bedienung
vorgenommen wird, während die Lautsprecher-
Konfigurationsprüfung angezeigt wird, wird
die vollständige automatische Einstellung des
Surround-Klangs (Full Auto MCACC) automa-
tisch fortgesetzt. In diesem Fall brauchen Sie
in Schritt ‚
OK
‘ nicht
ENTER
zu wählen und 7 zu
drücken.
!
Wenn eine Fehlermeldung angezeigt
wird (z. B.
Too much ambient noise!
oder
Check microphone.
), überprüfen
Sie die Verbindung zum Mikrofon und
ob Umgebungsgeräusche vorliegen
(siehe
Probleme bei der Verwendung der
automatischen Einstellung des Surround-
Klangs (Auto MCACC)
auf Seite 19 ).
Wählen Sie dann
RETRY
. Wenn offenbar
kein Problem vorliegt, wählen Sie einfach
GO NEXT
aus und fahren Sie fort.
Now Analyzing...
2/9
Environment Check
1a.Full Auto MCACC
A/V RECEIVER
Exit
Cancel
Ambient Noise
: OK
Microphone
:
Speaker YES/NO :
L
:
YES
FHL
:
YES
C
:
YES
FHR
:
YES
R
:
YES
SR
:
YES
SBR :
YES
SBL
:
YES
SL
:
YES
SW
:
YES
1a.Full Auto MCACC
10
OK
RETRY
A/V RECEIVER
Exit
Cancel
Die auf der Bildschirmanzeige angezeigte
Konfiguration gibt die tatsächlich vorhandenen
Lautsprecher wieder.
!
Falls eine Meldung
ERR
angezeigt wird (oder
die angezeigte Lautsprecherkonfiguration
nicht korrekt ist), liegt u. U. ein Problem
beim Lautsprecheranschluss vor. Wenn das
Problem durch die Auswahl von
RETRY
nicht
behoben werden kann, schalten Sie bitte die
Stromversorgung aus, und überprüfen Sie
die Lautsprecheranschlüsse. Wenn offenbar
kein Problem vorliegt, können Sie einfach
mit
i
/
j
einen Lautsprecher auswählen
und mit
k
/
l
die Einstellung ändern und
anschließend fortfahren.
!
Wenn der Lautsprecher nicht auf das
Mikrofon (Hörposition) gerichtet wird
oder wenn Lautsprecher verwendet
werden, die die Phase beeinflussen (Dipol-
Lautsprecher, Reflexlautsprecher usw.),
kann
Reverse Phase
angezeigt werden,
auch wenn die Lautsprecher richtig
angeschlossen sind.
Wenn
Reverse Phase
angezeigt wird, kann
die Verdrahtung (+ und –) des Lautsprechers
invertiert sein. Überprüfen Sie die
Lautsprecheranschlüsse.
—
Wenn die Verbindungen falsch sind,
schalten Sie die Stromversorgung
auf, trennen Sie das Netzkabel ab
und nehmen Sie den Anschluss dann
richtig vor. Anschließend führen Sie das
vollständige Auto-MCACC-Verfahren
erneut aus.
—
Wenn die Verbindungen richtig waren,
wählen Sie
GO NEXT
und fahren fort.
7 Wählen Sie ‚OK‘ aus, und drücken Sie
anschließend auf ENTER.
Während der Receiver Prüftöne ausgibt,
um die optimalen Receivereinstellungen zu
ermitteln, wird auf der Bildschirmanzeige ein
Fortschrittsbericht angezeigt.
Verhalten Sie sich dabei wieder so leise wie
möglich. Der Vorgang dauert etwa 3 bis 10
Minuten.
8 Das Full Auto-MCACC-
Einstellungsverfahren wird fertiggestellt,
und das Home Menu erscheint
automatisch erneut.
Trennen Sie auf jeden Fall das Mikrofon nach
Vornahme der vollständigen automatischen
Einstellung des Surround-Klangs (Full Auto
MCACC) von diesem Receiver ab.
!
Je nach den Eigenschaften Ihres Raumes
kann es passieren, dass identische
Lautsprecher mit derselben Konusgröße
von etwa 12 cm unterschiedliche
Größeneinstellungen zugewiesen
bekommen. Sie können die Einstellung
manuell mit
Lautsprechersystem-Einstellung
in der Bedienungsanleitung auf CD-ROM
korrigieren.
!
Die Entfernungseinstellung des Subwoofers
ist u. U. größer als die eigentliche Entfernung
von der Hörposition. Diese Einstellung
sollte normalerweise richtig sein (wenn die
Verzögerung und die Raumeigenschaften
berücksichtigt werden) und muss für
gewöhnlich nicht geändert werden.
!
Wenn die Ergebnisse der vollständigen
automatischen Einstellung des Surround-
Klangs (Full Auto MCACC) aufgrund der
Wechselwirkungen zwischen Lautsprechern
und Sichtumgebung fehlerhaft sind, stellen
Sie sie manuell ein.
Probleme bei der Verwendung der
automatischen Einstellung des
Surround-Klangs (Auto MCACC)
Wenn die Raumumgebung für die automa-
tische Einstellung des Surround-Klangs
(Auto MCACC) nicht optimal ist (zu laute
Umgebungsgeräusche, Widerhall von
den Wänden, Hindernisse zwischen
Bedienbare
Funktionen/
Einstellpunkte
Beschreibungen
Seite
Input Name
Eingegebene Namen
können nach Wunsch
für leichtere Verwendung
geändert werden.
*1
Input Skip
Nicht verwendete Einga-
ben werden übersprun-
gen (nicht angezeigt).
*1
Software
Update
Aktualisiert auf die
neueste Version der
Software.
*1
Network
Information
Prüft die IP-Adresse des
Receivers.
*1
Pairing
Bluetooth
Setup
Führt Pairing mit einem
Bluetooth-Gerät mit
AS-BT100 oder AS-BT200
aus.
*1
Audio-Parameter
MCACC
(MCACC-Vorein-
stellung)
Wählt Ihren bevorzugten
MCACC-Voreinstellungs-
speicher.
*1
DELAY
(Klang-verzöge-
rung)
Justiert die Verzöge-
rungszeit des Gesamt-
klangs.
*1
S.RTRV
(Auto Sound
Retriever)
Spielt komprimierten Ton
mit hoher Klangqualität
ab.
*1
DUAL
(Dual Mono)
Duale Mono-Audio-
Einstellung.
*1
V.SB
(Virtual Sur-
round Back)
Erzeugt einen virtuellen
hinteren Surroundkanal-
Klang zur Wiedergabe.
*1
V.HEIGHT
(Virtual Height)
Erzeugt einen virtuellen
Höhen-Surroundkanal-
Klang zur Wiedergabe.
*1
Weitere Funktionen
INPUT SELECT
(
INPUT
SELECTOR
)
Schaltet den Eingang
um.
21
Bedienbare
Funktionen/
Einstellpunkte
Beschreibungen
Seite
MASTER
VOLUME
+
/
–
,
MUTE
Verwenden Sie diese
Taste, um die Lautstärke
einzustellen.
21
LISTENING
MODE
Nur von Pioneer emp-
fohlene Modelle können
ausgewählt werden.
21
PQLS
Wiedergabe mit der
PQLS-Funktion
*1
PHASE CTRL
(Phasenkor-
rektur)
Spielt mit korrigierter
Phasenverschiebung im
Tiefenbereich ab.
*1
SOUND
RETRIEVER AIR
Schaltet den Eingang
auf
ADAPTER PORT
um
und spielt komprimierten
Ton mit hoher Klangqua-
lität ab.
*1
iPod iPhone
iPad DIRECT
CONTROL
Schaltet den Eingang
auf
iPod/USB
um und
stellt den Modus ein,
der Bedienung vom iPod
erlaubt.
*1
1 Einzelheiten siehe Bedienungsanleitung auf CD-
ROM.
4 Drücken Sie nach Beendigung RETURN.
Nun kehren Sie zu
Home Menu
zurück.
De
20
03
Grundlegende Einrichtung
Lautsprechern und Mikrofon), sind die end-
gültigen Einstellungen möglicherweise ver-
fälscht. Überprüfen Sie, ob Haushaltsgeräte
(Klimaanlage, Kühlschrank, Ventilator usw.) für
eine Beeinträchtigung sorgen, und schalten Sie
sie gegebenenfalls aus. Falls auf dem Display
des vorderen Bedienfelds Anweisungen ange-
zeigt werden, folgen Sie diesen.
!
Einige ältere Fernsehgeräte stören
möglicherweise die Funktionsweise des
Mikrofons. Schalten Sie in diesem Fall das
Fernsehgerät aus, wenn Sie die automatische
Einstellung des Surround-Klangs (Auto
MCACC) ausführen.
Betriebsmodus-Setup
Dieser Receiver ist mit einer großen Anzahl von
Funktionen und Einstellungen ausgestattet.
Das Merkmal Betriebsmodus wird für Benutzer
geboten, die es schwierig finden, alle diese
Funktionen und Einstellungen zu meistern.
Eine der beiden Einstellungen können für
Operation Mode
gewählt werden:
Expert
und
Basic
.
1 Drücken Sie auf der Fernbedienung
, und drücken Sie anschließend
HOME MENU.
Auf Ihrem Fernsehgerät wird ein Bildschirmbild
für grafische Benutzerführung (GUI) angezeigt.
Verwenden Sie
i
/
j
/
k
/
l
und
ENTER
, um
in der Anzeige zu navigieren und Elemente im
Menü auszuwählen. Drücken Sie
RETURN
, um
das angezeigte Menü zu verlassen.
2 Wählen Sie ‚Operation Mode Setup‘
unter Home Menu.
3 Wählen Sie den gewünschten
Betriebsmodus aus.
!
Expert
(Standard) – Benutzer können alle
Funktionen selber einstellen.
!
Basic
– Die Anzahl der bedienbaren
Funktionen ist begrenzt, und die Funktionen,
deren Bedienungen begrenzt sind, werden
automatisch eingestellt, um die von Pioneer
empfohlene Ton- und Bildqualität zu
erzielen. Die bedienbaren Funktionen sind
unten gezeigt. Diese können nach Bedarf
unter Bezug auf die Bedienungsanleitung
eingestellt werden.
Bedienbare
Funktionen/
Einstellpunkte
Beschreibungen
Seite
HOME MENU
Full Auto
MCACC
Erleichtert hochpräzise
Einstellungen für das
Klangfeld.
18
De
21
04
Grundlegende Wiedergabe
Grundlegende Wiedergabe
Wiedergabe einer Quelle
Hier finden Sie die wichtigsten Anweisungen
für die Wiedergabe einer Quelle (z. B. einer
DVD-Disc) mit Ihrem Heimkinosystem.
CH
TV CONTROL
INPUT
INPUT SELECT
iPod
USB
TUNER
VIDEO
ADPT
HMG
CD
TV
RCU SETUP
SOURCE
RECEIVER
MULTI
OPERATION
BDR
SAT
BD
DVD
DVR
HDMI
RECEIVER
TV CTRL
ZONE2
MUTE
MASTER
VOLUME
VOL
RECEIVER
D.ACCESS
CH LEVEL A.ATT
LISTENING MODE
DIMMER
SIGNAL SEL MCACC SLEEP
MIDNIGHT
TV / DTV
MPX
PQLS
AUTO / ALC /
DIRECT
STEREO STANDARD ADV SURR
AUDIO
INFO
CLASS
ENTER
DISP
5
4
6
8
0
7
9
1
3
/ CLR
CH
22
S.RETRIEVER
2
1 Schalten Sie die Systemkomponenten
und den Receiver ein.
Schalten Sie zunächst die
Wiedergabekomponente (z. B. einen DVD-
Player), Ihr Fernsehgerät und den Subwoofer
(falls vorhanden) ein und dann den Receiver
(drücken Sie
u
RECEIVER
).
Vergewissern Sie sich, dass der Videoeingang
des Fernsehgeräts auf diesen Receiver einge-
stellt ist.
2 Wählen Sie die Eingangsfunktion aus,
die wiedergegeben werden soll.
Sie können die Tasten für die Eingangsfunktion
(
INPUT SELECT
) auf der Fernbedienung oder
den
INPUT SELECTOR
-Regler auf dem vorderen
Bedienfeld verwenden.
!
Wenn Sie den Typ des Eingangssignals
manuell ändern müssen, drücken Sie
SIGNAL SEL
.
3 Drücken Sie
, um auf den
Receiver-Betriebsmodus zu schalten.
4 Drücken Sie AUTO/ALC/DIRECT
(AUTO SURR/ALC/STREAM DIRECT), um
‚AUTO SURROUND‘ auszuwählen, und
beginnen Sie mit der Wiedergabe der Quelle.
Bei der Wiedergabe einer Dolby Digital- oder
DTS-Surround-Klang-Quelle sollten Sie diese im
Surround-Klang hören. Wenn eine Stereoquelle
wiedergegeben wird, hören Sie nur den Ton
aus den Frontlautsprechern links und rechts im
Grundhörmodus.
!
Möglicherweise müssen Sie die Einstellungen
des digitalen Audioausgangs an Ihrem
DVD-Player oder digitalen Satellitenreceiver
überprüfen. Diese sollten für die Ausgabe von
Dolby Digital, DTS und 88,2 kHz/96 kHz PCM
(2-Kanal)-Audio eingestellt sein, und wenn
eine MPEG-Audiooption vorhanden ist, stellen
Sie sie für die Konvertierung von MPEG-Audio
in PCM ein.
5 Mit dem MASTER VOLUME +/– können
Sie die Lautstärke einstellen.
Wiedergabe mit Surround-Sound
Mit diesem Receiver kann jede Quelle im
Surround-Klang wiedergeben werden.
Standard-Surround-Klang
Dieser Receiver bietet einen grundle-
genden Surround-Klang für Stereo- und
Mehrkanalquellen.
RECEIVER
D.ACCESS
CH LEVEL A.ATT
LISTENING MODE
DIMMER
AUTO / ALC /
DIRECT
STEREO
STANDARD ADV SURR
CLASS
ENTER
8
0
7
9
/ CLR
CH
%
Drücken Sie während der Wiedergabe
einer Quelle die Taste STANDARD
(STANDARD SURROUND).
Falls erforderlich, drücken Sie die Taste wieder-
holt, um einen Hörmodus auszuwählen.
Verwendung der erweiterten
Surround-Effekte
Die erweiterten Surround-Effekte können
für eine ganze Reihe zusätzlicher Surround-
Klangeffekte verwendet werden.
%
Drücken Sie wiederholt die Taste
ADV SURR (ADVANCED SURROUND), um
einen Hörmodus auszuwählen.
Abspielen eines iPod
Dieser Receiver verfügt über den
iPod iPhone
iPad USB
-Anschluss, der es Ihnen ermöglicht,
die Wiedergabe von Audioinhalt von einem iPod
mit den Reglern des Receivers zu steuern.
!
Dieser Receiver ist mit dem Audio und Video
von iPod nano (Audio nur für den iPod nano
1G/2G), iPod fünfte Generation (nur Audio),
iPod classic, iPod touch, iPhone und iPad
kompatibel. Einige der Funktionen sind jedoch
für einige Modelle beschränkt. Der Receiver
ist nicht mit dem iPod shuffle kompatibel.
!
Dieser Receiver wurde für die Software-
Version von iPod/iPhone/iPad wie auf der
Website von Pioneer angegeben entwickelt
und getestet (http://pioneer.jp/homeav/
support/ios/eu/).
!
Installieren anderer Software-Versionen als
der auf der Website von Pioneer angegebenen
auf Ihrem iPod/iPhone/iPad kann zu
Inkompatibilität mit diesem Receiver führen.
!
iPod, iPhone und iPad sind für die
Reproduktion von nicht urheberrechtlich
geschütztem Material lizensiert, das der
Benutzer legal reprodzieren darf.
!
Funktionen wie der Equalizer können mit
diesem Receiver nicht gesteuert werden.
Daher wird empfohlen, den Equalizer vor dem
Anschließen auszuschalten.
!
Unter keinen Umständen übernimmt
Pioneer die Verantwortung für direkten
oder indirekten Verlust, der aus irgendeiner
Unannehmlichkeit oder dem Verlust von
Aufnahmematerial aufgrund eines iPod-
Ausfalls entsteht.
!
Beim Hören eines Tracks auf dem iPod in der
Hauptzone ist es möglich, die Nebenzone
zu steuern, aber nicht einen anderen Track
in der Nebenzone als den in der Hauptzone
spielenden zu hören.
1 Schalten Sie den Receiver auf
Bereitschaftsmodus und verwenden Sie
dann das mitgelieferte iPod-Kabel zum
Anschließen Ihres iPod an die iPod iPhone
iPad USB-Buchse an der Frontplatte dieses
Receivers.
Beim VSX-1021
MCACC
SETUP MIC
iPod
iPhone
iPad
USB
5V 2.1 A
HDMI 2 INPUT
MENU
CONTROL
ON / OFF
iPod
iPod-Kabel
(mitgeliefert)
3 Drücken Sie iPod USB, um den Receiver
auf iPod/USB umzuschalten.
4 Verwenden Sie
i
/
j
zum Wählen von
‚Music‘ aus dem USB Top-Menü.
5 Verwenden Sie
i
/
j
und ENTER, um
den zu spielenden Track zu wählen, und
drücken Sie dann die Taste
d
.
Steuerungen für die Wiedergabe
!
Drücken Sie
iPod USB
, um die
Fernbedienunng auf den iPod/USB-
Betriebsmodus umzuschalten.
iPod CTRL
HOME
MENU TUNE
TUNE TOOLS
LIST
PRESET
TOP MENU
BAND
GUIDE
T.EDIT
VIDEO
PARAMETER
AUDIO
PARAMETER
ENTER
PRESET
RETURN
PTY
SEARCH
SIGNAL SEL MCACC SLEEP
TV / DTV
MPX
PQLS
PHASE CTRL
STATUS
PGM
MENU
AUDIO
INFO
DISP
HDD
DVD
5
4
6
1
3
22
S.RETRIEVER
2
Radio hören
1 Drücken Sie TUNER, um den Tuner
auszuwählen.
2 Verwenden Sie BAND, um bei Bedarf
den Frequenzbereich (FM oder AM) zu
wechseln.
3 Stellen Sie einen Sender ein.
Es gibt drei Wege, um dies durchzuführen:
!
Automatische Sendereinstellung
–
Halten Sie
TUNE
i
/
j
für ca. eine Sekunde
gedrückt. Der Receiver beginnt mit der
Suche nach dem nächsten Sender.
!
Manuelle Sendereinstellung
– Drücken
Sie zum Ändern der Frequenz um jeweils
einen Rasterschritt
TUNE
i
/
j
.
!
Schnelle Sendereinstellung
– Für die
schnelle Sendereinstellung halten Sie
TUNE
i
/
j
gedrückt. Lassen Sie die Taste bei der
von Ihnen gewünschten Frequenz los.
Verbesserung des UKW-Klangs
Wenn beim Einstellen eines UKW-Senders die
Anzeige
TUNED
oder
STEREO
nicht aufleuch-
tet, weil das Signal zu schwach ist, drücken
Sie
MPX
, um den Receiver in den Mono-
Empfangsmodus zu schalten.
Verwendung von Neural Surround
Diese Funktion verwendet Neural Surround
TM
-
Technologie zur Erzielung von optimalem
Surroundklang von UKW-Radio.
!
Beim Hören von UKW-Radio drücken Sie
AUTO/ALC/DIRECT
für Neural Surround.
!
Der Modus
Neural Surround
kann auch mit
STANDARD
gewählt werden.
Speichern der
Sender-Voreinstellung
Wenn Sie einen bestimmten Radiosender
oft hören, ist es praktisch, die Frequenz zu
De
22
04
Grundlegende Wiedergabe
Beim VSX-921
MCACC
SETUP MIC
L AUDIO R
VIDEO
VIDEO 2 INPUT
iPod
iPhone
iPad
USB
5V 2.1 A
MENU
CONTROL
ON / OFF
iPod
iPod-Kabel
(mitgeliefert)
2 Drücken Sie
u
RECEIVER, um
den Receiver und Ihr Fernsehgerät
einzuschalten.
3 Drücken Sie iPod USB, um den Receiver
auf iPod/USB umzuschalten.
4 Verwenden Sie
i
/
j
zum Wählen von
‚Music‘ aus dem iPod Top-Menü.
5 Verwenden Sie
i
/
j
und ENTER, um
den zu spielenden Track zu wählen, und
drücken Sie dann die Taste
d
.
Steuerungen für die Wiedergabe
!
Drücken Sie
iPod USB
, um die
Fernbedienunng auf den iPod/USB-
Betriebsmodus umzuschalten.
iPod CTRL
HOME
MENU TUNE
TUNE TOOLS
LIST
PRESET
TOP MENU
BAND
GUIDE
T.EDIT
VIDEO
PARAMETER
AUDIO
PARAMETER
ENTER
PRESET
RETURN
PTY
SEARCH
SIGNAL SEL MCACC SLEEP
TV / DTV
MPX
PQLS
PHASE CTRL
STATUS
PGM
MENU
AUDIO
INFO
DISP
HDD
DVD
5
4
6
1
3
22
S.RETRIEVER
2
Abspielen eines USB-Geräts
Sie können Dateien über die USB-Schnittstelle
auf der Vorderseite dieses Receivers
wiedergeben.
!
Kompatible USB-Geräte schließen externe
magnetische Festplatten, portable Flash-
Speicher (insbesondere Key-Drives) und
digitale Audio-Player (MP3-Player) im Format
FAT16/32 ein.
!
Pioneer kann nicht Kompatibilität (Funktion
und/oder Bus-Stromversorgung) mit allen
USB-Massenspeichergeräten garantieren und
übernimmt keine Verantwortung für jeglichen
Datenverlust, der bei Anschluss an diesen
Receiver auftreten kann.
1 Schalten Sie den Receiver auf
Bereitschaftsmodus und schließen Sie
dann Ihr USB-Gerät an den USB-Anschuss
an der Frontplatte dieses Receivers an.
CONTROL
ON / OFF
MCACC
SETUP MIC
iPod
iPhone
iPad
USB
5V 2.1 A
HDMI 2 INPUT
USB-
Massenspeichergerät
2 Drücken Sie
u
RECEIVER, um
den Receiver und Ihr Fernsehgerät
einzuschalten.
!
Vergewissern Sie sich, dass der Receicer im
Bereitschaftsbetrieb ist, wenn das USB-Gerät
abgetrennt wird.
De
23
04
Grundlegende Wiedergabe
speichern, um den Sender später immer dann
einfach aufrufen zu können, wenn Sie ihn hören
möchten.
1 Stellen Sie den Sender ein, den Sie
speichern möchten.
2 Drücken Sie T.EDIT (TUNER EDIT).
Auf dem Display wird erst
PRESET MEMORY
und anschließend eine blinkende
Speicherklasse angezeigt.
3 Drücken Sie CLASS, um eine der sieben
Klassen auszuwählen, und drücken Sie
anschließend PRESET
k
/
l
, um die von
Ihnen gewünschte Sender-Voreinstellung
auszuwählen.
4 Drücken Sie ENTER.
Nachdem Sie
ENTER
gedrückt haben, hören die
Voreinstellungsklasse und die Nummer auf zu
blinken, und der Receiver speichert den Sender.
Hören voreingestellter Sender
1 Drücken Sie TUNER, um den Tuner
auszuwählen.
2 Drücken Sie CLASS, um die Klasse
auszuwählen, in der der Sender
gespeichert ist.
3 Drücken Sie PRESET
k
/
l
, um den
von Ihnen gewünschten voreingestellten
Sender auszuwählen.
Wiedergabe mit HOME MEDIA
GALLERY-Eingängen
Das Merkmal Home Media Gallery dieses
Receivers erlaubt es Ihnen, Audiodateien
zu hören, Foto-Dateien abzuspielen oder
Internet-Radiosender über Ihren PC oder andere
Komponenten zu hören, die am LAN-Anschluss
dieses Receivers angeschlossen sind.
!
Videodateien können nicht abgespielt werden.
!
Mit Windows Media Player 11 oder Windows
Media Player 12 können Sie auch durch
Copyright geschützte Audiodateien auf
diesem Receiver abspielen.
1 Verbinden Sie den LAN-Anschluss an
diesem Receiver mit dem LAN-Anschluss
an Ihrem Router mit einem direkten
LAN-Kabel.
Siehe
Herstellen der Verbindung zum Netzwerk
über die LAN-Schnittstelle
auf Seite 16 .
2 Drücken Sie HMG, um die Home Media
Gallery als Eingangsquelle zu wählen.
3 Verwenden Sie
i
/
j
zum Wählen der
Kategorie zur Wiedergabe, und drücken
Sie dann ENTER.
!
Internet Radio
– Internet-Radio
!
Servername
– Server-Komponenten im
Netzwerk
!
Favorites
– Bevorzugte momentan
registrierte Songs
!
Recently played
– Internet Radio Hören-
Verlauf (die letzten 20 Sendungen)
4 Verwenden Sie
i
/
j
zum Wählen
von Ordner, Musik-/Fotodatei oder
Internet-Radiosender zur Wiedergabe und
drücken dann ENTER.
5 Wiederholen Sie Schritt 4 zur
Wiedergabe des gewünschten Songs.
Wiedergabe von Audiodateien,
die auf Komponenten im
Netzwerk gespeichert sind
!
Drücken Sie
HMG
, um die Fernbedienung
auf Steuerung des
HOME MEDIA GALLERY
umzuschalten.
iPod CTRL
HOME
MENU TUNE
TUNE TOOLS
LIST
PRESET
TOP MENU
BAND
GUIDE
T.EDIT
VIDEO
PARAMETER
AUDIO
PARAMETER
ENTER
PRESET
RETURN
PTY
SEARCH
SIGNAL SEL MCACC SLEEP
TV / DTV
MPX
PQLS
PHASE CTRL
STATUS
PGM
MENU
AUDIO
INFO
DISP
HDD
DVD
5
4
6
1
3
22
S.RETRIEVER
2
Bluetooth
-ADAPTER für
drahtlose Musikwiedergabe
Dieser Receiver
Auswahl über die
Fernbedienung
Musikdaten
Bluetooth
-
®
ADAPTER
Gerät mit
Bluetooth-
Wireless-
Technologie:
Handy
Gerät mit
Bluetooth-
Wireless-
Technologie:
Digitaler
Musikplayer
Gerät nicht mit
Bluetooth-
Wireless-
Technologie
ausgestattet.
Digitaler
Musikplayer
+
Bluetooth-
Audiotransmitter
(im Handel
erhältlich)
AUDIO/ VIDEO MULTI- CHANNEL RECEIVER
MASTER
VOLUME
STANDBY/ON
INPUT
SELECTOR
PUSH
OPEN
iPod iPhone iPad
DIRECT CONTROL
SOUND
RETRIEVER AIR
ADVANCED
SURROUND
STANDARD
SURROUND
AUTO SURR/ALC/
STREAM DIRECT
PHONES
SPEAKERS
CONTROL – MULTI-ZONE – ON/OFF
BAND
TUNER EDIT
TUNE
PRESET
ENTER
iPod iPhone iPad
HDMI
ADVANCED
MCACC
VSX-1021
FL OFF
R CD-R/TAPE ZONE 2
IN
CD
L
R
L
R
IN
L
R
OUT
DVD IN
DVR/BDR IN
FM UNBAL
75
FRONT
CENTER
SURROUND
SURROUND BACK / ZONE 2
R
L
R
L
R
L
(Single)
AM LOOP
(
CD
)
(
DVD
)
T VIDEO
DVD
(
DVR/BDR
)
(
TV/SAT
)
COAXIAL
(10/100)
LAN
O
PRE OUT
SPEAKERS
ANTENNA
OPTICAL
ASSIGNABLE
ASSIGNABLE
OUT
SUBWOOFER
IN
1
IN
2
IN
1
IN
2
SELECT
SELECT
CAUTION:
SPEAKER IMPEDANCE
6 -16 .
ATTENTION:
ENCEINTE D’IMPEDANCE DE
6 -16 .
F
A
DC OUTPUT
for WIRELESS LAN
(OUTPUT 5 V
0.1 A MAX)
ADAPTER PORT
(OUTPUT 5 V 0.6 A MAX)
Bluetooth
®-ADAPTER
Siehe Bedienungsanleitung auf CD-ROM für
Anweisungen zum Anschließen und Setup des
Bluetooth
ADAPTER und zur Wiedergabe von
Musik.
Die
Bluetooth
®
-Wortmarke und -Logos sind ein-
getragene Marken der Bluetooth SIG, Inc. Jede
Nutzung dieser Marken durch die PIONEER
CORPORATION erfolgt unter entsprechender
Lizenz. Andere Marken und Markennamen sind
das Eigentum ihrer jeweiligen Inhaber.
©
2011 PIONEER CORPORATION. Alle Rechte
vorbehalten.
It
2
Il punto esclamativo in un triangolo
equilatero serve ad avvisare l’utilizzatore
della presenza di importanti istruzioni di
funzionamento e manutenzione riportate nel
libretto allegato al prodotto.
Il simbolo del lampo con terminale a forma
di freccia situato all’interno di un triangolo
equilatero serve ad avvisare l’utilizzatore
della presenza di una “tensione pericolosa”
non isolata nella struttura del prodotto che
potrebbe essere di un’intensità tale da
provocare scosse elettriche all’utilizzatore.
ATTENZIONE:
PER EVITARE IL RISCHIO DI SCOSSE
ELETTRICHE, NON RIMUOVERE IL
COPERCHIO (O IL RETRO). NON CI SONO
PARTI INTERNE LA CUI MANUTENZIONE
POSSA ESSERE EFFETTUATA
DALL’UTENTE. IN CASO DI NECESSITÀ,
RIVOLGERSI ESCLUSIVAMENTE A
PERSONALE DI SERVIZIO QUALIFICATO.
CAUTION
RISK OF ELECTRIC SHOCK
DO NOT OPEN
IMPORTANTE
D3-4-2-1-1_A1_It
ATTENZIONE
Questo apparecchio non è impermeabile. Per prevenire
pericoli di incendi o folgorazioni, non posizionare nelle
vicinanze di questo apparecchio contenitori pieni di
liquidi (quali vasi da fiori, o simili), e non esporre
l’apparecchio a sgocciolii, schizzi, pioggia o umidità.
D3-4-2-1-3_A1_It
ATTENZIONE
Prima di collegare per la prima volta l’apparecchio alla
sorgente di alimentazione leggere attentamente la
sezione che segue.
La tensione della sorgente di elettricità differisce
da Paese a Paese e da regione a regione. Verificare
che la tensione di rete della zona in cui si intende
utilizzare l’apparecchio sia quella corretta, come
indicato sul pannello posteriore dell’apparecchio
stesso (ad es.: 230 V o 120 V).
D3-4-2-1-4*_A1_It
ATTENZIONE
Per evitare il pericolo di incendi, non posizionare
sull’apparecchio dispositivi con fiamme vive (ad
esempio una candela accesa, o simili).
D3-4-2-1-7a_A1_It
AVVERTENZA PER LA VENTILAZIONE
Installare l’apparecchio avendo cura di lasciare un
certo spazio all’intorno dello stesso per consentire una
adeguata circolazione dell’aria e migliorare la
dispersione del calore (almeno 40 cm sulla parte
superiore, 10 cm sul retro, e 20 cm su ciascuno dei lati).
ATTENZIONE
L’apparecchio è dotato di un certo numero di fessure e
di aperture per la ventilazione, allo scopo di garantirne
un funzionamento affidabile, e per proteggerlo dal
surriscaldamento. Per prevenire possibili pericoli di
incendi le aperture non devono mai venire bloccate o
coperte con oggetti vari (quali giornali, tovaglie, tende o
tendaggi, ecc.), e l’apparecchio non deve essere
utilizzato appoggiandolo su tappeti spessi o sul letto.
D3-4-2-1-7b*_A1_It
Condizioni ambientali di funzionamento
Gamma ideale della temperatura ed umidità
dell’ambiente di funzionamento:
da +5 °C a +35 °C, umidità relativa inferiore all‘85 %
(fessure di ventilazione non bloccate)
Non installare l’apparecchio in luoghi poco ventilati, o
in luoghi esposti ad alte umidità o alla diretta luce del
sole (o a sorgenti di luce artificiale molto forti).
D3-4-2-1-7c*_A1_It
Se la spina del cavo di alimentazione di questo
apparecchio non si adatta alla presa di corrente
alternata di rete nella quale si intende inserire la
spina stessa, questa deve essere sostituita con una
adatta allo scopo. La sostituzione della spina del cavo
di alimentazione deve essere effettuata solamente da
personale di servizio qualificato. Dopo la sostituzione,
la vecchia spina, tagliata dal cavo di alimentazione,
deve essere adeguatamente eliminata per evitare
possibili scosse o folgorazioni dovute all’accidentale
inserimento della spina stessa in una presa di
corrente sotto tensione.
Se si pensa di non utilizzare l’apparecchio per un
relativamente lungo periodo di tempo (ad esempio,
durante una vacanza), staccare la spina del cavo di
alimentazione dalla presa di corrente alternata di
rete.
D3-4-2-2-1a_A1_It
AVVERTENZA
L’interruttore principale (
STANDBY/ON
)
dell’apparecchio non stacca completamente il flusso
di corrente elettrica dalla presa di corrente alternata
di rete. Dal momento che il cavo di alimentazione
costituisce l’unico dispositivo di distacco
dell’apparecchio dalla sorgente di alimentazione, il
cavo stesso deve essere staccato dalla presa di
corrente alternata di rete per sospendere
completamente qualsiasi flusso di corrente.
Verificare quindi che l’apparecchio sia stato installato
in modo da poter procedere con facilità al distacco
del cavo di alimentazione dalla presa di corrente, in
caso di necessità. Per prevenire pericoli di incendi,
inoltre, il cavo di alimentazione deve essere staccato
dalla presa di corrente alternata di rete se si pensa di
non utilizzare l’apparecchio per periodi di tempo
relativamente lunghi (ad esempio, durante una
vacanza).
D3-4-2-2-2a*_A1_It
Questo prodotti, VSX-1021-K e VSX-921-K sono
conformi al DM 28/8/1995, Nº548, ottemperando alle
prescrizioni di cui al DM 25/6/1985 (par. 3, all. A) e
DM 27/8/1987 (All. I).
D44-9-4-1b*_A1_It
Questo prodotto è destinato esclusivamente all'uso
domestico. Eventuali disfunzioni dovute ad usi diversi
(quali uso prolungato a scopi commerciali, in
ristoranti, o uso in auto o su navi) e che richiedano
particolari riparazioni, saranno a carico dell'utente,
anche se nel corso del periodo di garanzia.
K041_A1_It
K058a_A1_It
Pb
Informazioni per gli utilizzatori finali sulla raccolta e lo smaltimento di vecchi
dispositivi e batterie esauste
Questi simboli sui prodotti, confezioni, e/o documenti allegati significano che vecchi
prodotti elettrici ed elettronici e batterie esauste non devono essere mischiati ai rifiuti
urbani indifferenziati.
Per l’appropriato trattamento, recupero e riciclaggio di vecchi prodotti e batterie
esauste, fate riferimento ai punti di raccolta autorizzati in conformità alla vostra
legislazione nazionale.
Con il corretto smaltimento di questi prodotti e delle batterie, aiuterai a salvaguardare
preziose risorse e prevenire i potenziali effetti negativi sull’ambiente e sulla salute
umana che altrimenti potrebbero sorgere da una inappropriata gestione dei rifiuti.
Per maggiori informazioni sulla raccolta e il riciclaggio di vecchi prodotti e batterie
esauste, contattate il vostro Comune, il Servizio di raccolta o il punto vendita dove
avete acquistato l’articolo.
Questi simboli sono validi solo nell’Unione Europea.
Per i paesi al di fuori dell’unione Europea:
Se volete liberarvi questi oggetti, contattate le vostre autorità locali o il punto vendita
per il corretto metodo di smaltimento.
Esempi di simboli
per le batterie
Simbolo per
il prodotto
It
3
Vi ringraziamo per avere acquistato questo pro-
dotto Pioneer. Questa Guida di avvio rapido com-
prende istruzioni per i collegamenti fondamentali
e per le operazioni essenziali di questo ricevitore.
Per una descrizione dettagliata del ricevitore,
vedere le “Istruzioni per l’uso” contenute nel
CD-ROM accluso. Le istruzioni per l’uso possono
venire scaricate anche dal sito di Pioneer
(http://www.pioneer.eu).
Se si usa Mac OS, caricare il CD-ROM nell’unità
disco CD e fare doppio clic sull’icona del CD-ROM
quando appare, poi aprire il file PDF (le Istruzioni
per l’uso).
Contenuto
01 Prima di iniziare
Controllo del contenuto della scatola ........... 4
Installazione delle batterie ............................. 4
Uso di AVNavigator
(nel CD-ROM accluso) ................................... 4
Telecomando ................................................... 5
02 Collegamento dell’apparecchio
Collegamento dell’apparecchio .................... 7
Per determinare luso dei diffusori ................ 7
Posizionamento degli diffusori ...................... 8
Collegamento dei diffusori............................. 8
Installazione del sistema di diffusori ............ 9
Scelta del sistema dei diffusori ................... 10
I collegamenti audio ..................................... 10
Informazioni sul convertitore video ............. 10
Informazioni su HDMI .................................. 11
Collegamento di un televisore e
componenti di riproduzione ........................ 12
Collegamento ad un registratore HDD/
DVD, registratore BD o altra sorgente
video ............................................................... 13
Collegamento di un ricevitore via
satellite/cavo o di un altro tipo di decoder ... 14
Collegamento di altri componenti audio .... 14
Collegamento di antenne AM/FM ............... 15
Impostazione MULTI-ZONE ......................... 15
Collegamento alla rete LAN via
l’interfaccia LAN ........................................... 16
Collegamento ad una LAN wireless ............ 16
Collegamento del ricevitore ......................... 16
03 Impostazioni di base
Cancellazione del display del demo ............ 17
Taratura audio ottimale automatica
(Full Auto MCACC) ....................................... 17
Impostazione della modalità di
funzionamento .............................................. 19
04 Riproduzione di base
Riproduzione di una fonte ............................ 20
Ascolto di audio surround ........................... 20
Riproduzione con un iPod ........................... 20
Riproduzione con un dispositivo USB ........ 21
Ascolto della radio ........................................ 22
Riproduzione dagli ingressi HOME
MEDIA GALLERY ........................................... 22
ADATTATORE
Bluetooth
per l’ascolto
senza fili di musica ....................................... 23
Flusso delle impostazioni del ricevitore
Flusso di collegamento ed impostazione del ricevitore
Questa unità è un potente ricevitore AV dotato di molte funzioni e molti terminali. Può venire usato
senza difficoltà dopo aver eseguito la procedura seguente per fare i collegamenti e le impostazioni.
Voce che richiede impostazione
:
1
,
2
,
3
,
4
,
5
,
7
,
9
!
Queste voci sono incluse in questa Guida di avvio rapida.
Voce da impostare quando necessario
:
6
,
8
,
10
,
11
,
12
!
Queste voci sono spiegate nelle “Istruzioni per l’uso” contenute nel CD-ROM accluso.
Importante
Le impostazioni iniziali del ricevitore pos-
sono essere fatte con un computer usando
Wiring Navi
preso dal CD-ROM di AVNavigator,
accluso al ricevitore. In tal caso, praticamente
gli stessi collegamenti ed impostazioni visti
nelle fasi
2
,
3
,
4
,
5
,
6
,
7
e
8
possono venire
fatti interattivamente. Per istruzioni sull’uso
di, vedere
Uso di AVNavigator (nel CD-ROM
accluso)
pagina 4 .
1 Prima di iniziare
!
Controllo del contenuto della scatola
pagina 4
!
Installazione delle batterie
pagina 4
j
2 Per determinare l’uso dei diffusori
(pagina 7)
!
Sistema surround a 7.1 canali (anteriori
altezza)
!
Sistema surround a 7.1 canali (anteriori
ampiezza)
!
Sistema surround a 7.1 canali e
collegamento diffusori B
!
Sistema surround a 5.1 canali e collegamenti
Bi-amping anteriori (surround di alta qualità)
!
Sistema surround a 5.1 canali e collegamenti
ZONE 2 (Multi Zone)
j
3 Collegamento dei diffusori
!
Posizionamento degli diffusori
pagina 8
!
Collegamento dei diffusori
pagina 8
!
Installazione del sistema di diffusori
pagina 9
!
Bi-amping degli diffusori
pagina 9
j
4 Collegamento dei componenti
!
I collegamenti audio
pagina 10
!
Informazioni sul convertitore video
pagina 10
!
Collegamento di un televisore e componenti di
riproduzione
pagina 12
!
Collegamento di antenne AM/FM
pagina 15
!
Collegamento del ricevitore
pagina 16
j
5 Accensione
j
6 Cambio della lingua dei messaggi sullo
schermo (OSD Language)
j
7 Impostazioni MCACC dei diffusori
!
Taratura audio ottimale automatica (Full Auto
MCACC)
pagina 17
j
8 Menu Input Setup
(Se si usano collegamenti che non siano quelli
raccomandati)
j
9 Riproduzione di base (pagina 20)
j
10 Regolazione della qualità audio e delle
immagini come desiderato
!
Uso dei vari modi di ascolto
!
Miglioramento del suono con il Phase
Control
!
Misurazione di tutti i tipi di EQ (SYMMETRY/
ALL CH ADJ/FRONT ALIGN)
!
Cambiamento del livello dei canali durante la
riproduzione
!
Attivazione o disattivazione dei modi
Acoustic Calibration EQ, Auto Sound
Retriever o Dialog Enhancement
!
Impostazione della funzione PQLS
!
Impostazione delle opzioni audio
!
Impostazione delle opzioni Video
j
11 Altre regolazioni ed impostazioni
opzionali
!
Funzione Control con HDMI
!
Il menu Advanced MCACC
!
I menu System Setup e Other Setup
j
12 Per sfruttare al massimo il
telecomando
!
Uso di più ricevitori
!
Impostazione del telecomando per
controllare altri componenti
Installazione di AVNavigator
1 Caricare il CD-ROM di AVNavigator
nell’unità disco del computer.
!
Appare la schermata di installazione.
Passare alla fase 2.
!
Se la schermata di installazione non appare,
fare doppio clic sull’icona del CD-ROM, poi
avviare l’installer (AVNV_XXX_xxx.exe).
2 Seguire le istruzioni di installazione
sullo schermo.
Quando “Finish” viene evidenziato, l’installa-
zione è terminata.
3 Togliere il CD-ROM di AVNavigator
accluso dall’unità disco del computer.
Trattamento del CD-ROM
Ambiente operativo
!
Questo CD-ROM è utilizzabile con Microsoft
®
Windows
®
XP/Vista/7.
!
Le funzioni AVNavigator richiedono a volte un
browser. I browser supportati sono Microsoft
Internet Explorer 6, 7 e 8. Con altri browser le
funzioni possono non operare bene o il display
può essere anormale.
Precauzioni per l’uso
!
Questo CD-ROM deve essere usato
esclusivamente con i personal computer. Esso
non può quindi essere usato nei lettori DVD
né in quelli CD musicali. Qualsiasi tentativo di
riprodurlo con un lettore DVD o CD musicale
può causare il danneggiamento dei diffusori o
dell’apparato uditivo a causa dell’alto livello di
volume.
Licenza
!
Prima di usare il CD-ROM si devono accettare
i “Termini d’uso” qui oltre riportati. Esso
non deve pertanto essere usato qualora non
s’intenda accettare tali termini.
Termini d’uso
!
I diritti d’autore dei dati contenuti in
questo CD-ROM appartengono a PIONEER
CORPORATION. Il trasferimento, la
duplicazione, la diffusione, la trasmissione
pubblica, la traduzione, la vendita, la cessione
in prestito o qualsiasi altro tipo di attività
analoga che vada oltre l’ambito del semplice
“uso personale” o della “citazione” secondo
quando stabilito nella Legge sui diritti d’autore
senza disporre della necessaria autorizzazione
possono essere puniti. Il permesso di usare
questo CD-ROM è concesso in licenza da
PIONEER CORPORATION.
Negazione generale di responsabilità
!
PIONEER CORPORATION non fornisce
alcuna garanzia di funzionamento di questo
CD-ROM con i personal computer in cui sia
installato uno dei sistemi operativi compatibili.
PIONEER CORPORATION non accetta inoltre
alcuna responsabilità per gli eventuali danni
causati dall’uso del CD-ROM, né accetta di
fornire qualsivoglia tipo di compensazione. Il
nome delle società private, dei prodotti e delle
altre entità qui citate sono marchi di fabbrica o
marchi di fabbrica depositati appartenenti alle
rispettive società.
Uso di AVNavigator
1 Fare clic su [AVNavigator] sul desktop
per avviare AVNavigator.
AVNavigator parte e
Wiring Navi
si apre.
Appare la schermata di scelta della lingua.
Seguire le istruzioni sullo schermo per fare i col-
legamenti e le impostazioni automaticamente.
Wiring Navi
parte automaticamente solo la
prima volta che AVNavigator viene lanciato.
2 Scegliere ed usare la funzione
desiderata.
AVNavigator include le seguenti funzioni:
!
Wiring Navi
– Vi guida nei collegamenti
e nelle impostazioni iniziali attraverso un
It
4
01
Prima di iniziare
Prima di iniziare
Controllo del contenuto della
scatola
Controllare che siano stati inclusi i seguenti
accessori in dotazione:
!
Microfono (cavo: 5 m)
!
Telecomando
!
Batterie a secco IEC R03 di formato AAA (per
controllare il funzionamento del sistema) x2
!
Antenna AM a telaio
!
Antenna FM a filo
!
Cavo per iPod
!
Cavo di alimentazione
!
Garanzia
!
CD-ROM (AVNavigator)
!
Questa guida di avvio rapido
Installazione delle batterie
Le batterie accluse a questa unità servono per
controllarne il funzionamento; esse possono
però non durare a lungo. Raccomandiamo
l’uso di batterie alcaline, che hanno una durata
superiore.
ATTENZIONE
!
Non usare o conservare batterie in luce solare
diretta o in altri luoghi eccessivamente caldi,
ad esempio in un’automobile o vicino ad una
sorgente di calore. Questo potrebbe causare
perdite di acido, farle surriscaldare esplodere
o prendere fuoco. Può anche ridurne la durata
o le prestazioni.
ATTENZIONE
L’uso errato delle batterie può causare rischi
quali perdite o scoppi. Osservare sempre le
seguenti precauzioni:
!
Non utilizzare mai batterie nuove e vecchie
contemporaneamente.
!
Inserire le polarità positiva e negativa delle
batterie in conformità con le marcature nel
vano batterie.
!
Batterie con la stessa forma possono avere
un voltaggio diverso. Non usare diversi tipi di
batterie contemporaneamente.
!
Quandro recuperate le batterie usate, fate
riferimento alle norme di legge in vigore nel vs.
paese in tema di protezione dell’ambiente.
Uso di AVNavigator (nel
CD-ROM accluso)
Il CD-ROM di AVNavigator accluso contiene
Wiring Navi
, che permette di fare facilmente
i collegamenti e le impostazioni iniziali del
ricevitore attraverso un dialogo. È possibile
fare impostazioni iniziali di grande precisione
facilmente semplicemente seguendo istruzioni
sullo schermo riguardanti collegamenti ed
impostazioni.
Ci sono anche altre caratteristiche che permet-
tono l’uso facile di varie funzioni, compreso un
manuale interattivo che funziona insieme al
ricevitore per aggiornare vari tipi di software, e
MCACC Application che permette di controllare
i risultati della misurazione MCACC su grafici
3D.
It
5
01
Prima di iniziare
dialogo. È così possibile fare facilmente
impostazioni di grande precisione.
!
Interactive Manual
– Visualizza
automaticamente le pagine che spiegano la
funzione appena usata col ricevitore. È anche
possibile azionare il ricevitore dal manuale
interattivo.
!
Glossary
– Visualizza le pagine del glossario.
!
MCACC Appli
– Visualizza in modo chiaro
col computer i risultati delle misurazioni
Advanced MCACC.
Ci sono speciali istruzioni dedicate a MCACC
Application. Queste istruzioni sono accluse
ai menu di AVNavigator
Interactive Manual
.
Consultarle prima di usare MCACC
Application.
!
Software Update
– Permette di aggiornare
vario software.
!
Settings
– Usato per fare varie impostazioni
di AVNavigator.
!
Detection
– Usato per rilevare il ricevitore.
Nota
Per usare la versione di AVNavigator di un
altro modello, prima rimuovere (disinstallare)
AVNavigator di questo ricevitore, poi installare
quello dell’altro modello.
Rimozione di AVNavigator
AVNavigator può venire rimosso (cancellato)
dal computer nel modo seguente.
%
Cancellazione dal Pannello di controllo
del computer.
Dal menu Start , scegliere “Programmi”
d
“PIONEER CORPORATION”
d
“AVNavigator(VSX-1021 o VSX-921)”
d
“Rimuovi”.
Telecomando
Questa sezione spiega come usare il teleco-
mando del ricevitore.
RECEIVER
D.ACCESS
CH LEVEL A.ATT
LISTENING MODE
DIMMER
SIGNAL SEL MCACC SLEEP
TV / DTV
MPX
PQLS
PHASE CTRL
STATUS
PGM
iPod CTRL
HOME
MENU
TUNE
TUNE TOOLS
LIST
CH
TV CONTROL
INPUT
INPUT SELECT
iPod
USB
SAT
TUNER
VIDEO
TV CTRL
ZONE 2
ADPT
CD
TV
RCU SETUP
SOURCE
RECEIVER MULTI
OPERATION
BDR
BD
DVD
DVR
HMG
HDMI
RECEIVER
MUTE
MASTER
VOLUME
VOL
PRESET
TOP MENU
BAND
GUIDE
T.EDIT
VIDEO
PARAMETER
AUDIO
PARAMETER
ENTER
PRESET
RETURN
PTY
SEARCH
MENU
AUTO / ALC /
DIRECT
STEREO STANDARD ADV SURR
AUDIO
INFO
CLASS
ENTER
DISP
HDD
DVD
5
4
6
8
0
7
9
1
3
/ CLR
CH
22
S.RETRIEVER
2
1
2,3
4
5
9
10
6
7
8
11
13
12
14
15
Il telecomando è dotato di convenienti codici a
colori corrispondenti ai componenti da control-
lare secondo il sistema seguente:
!
Bianco
– Controllo del ricevitore, controllo del
televisore
!
Blu
– Altri comandi (Per dettagli, vedere le
Istruzioni per l’uso nel CD-ROM.)
1
u
RECEIVER
Consente di passare alternativamente dalla
modalità standby alla modalità di accensione
del ricevitore.
2 MULTI OPERATION
Usare questo pulsante per eseguire operazioni
multiple.
3 RCU SETUP
Usare il codice di preselezione per fare rego-
lazioni del telecomando e per impostarne la
modalità di telecomando.
4 Selettori di ingresso
Premere per selezionare il controllo degli altri
componenti.
Usare
INPUT SELECT
c
/
d
per scegliere un
ingresso (pagina 20).
5 ZONE 2
Consente di eseguire operazioni in
ZONE 2
.
6 Tasti TV CONTROL
Questi tasti sono riservati al controllo del televi-
sore assegnato al tasto
TV CTRL
.
7 Tasti di impostazione del ricevitore
Premere innanzitutto
per l’accesso alla
funzione:
!
AUDIO PARAMETER
– Da utilizzare per
accedere alle opzioni Audio.
!
VIDEO PARAMETER
– Da utilizzare per
accedere alle opzioni Video.
!
HOME MENU
– Da usare per raggiungere il
menu Home.
!
RETURN
– Premere per confermare e uscire
dalla schermata del menu corrente.
8
i
/
j
/
k
/
l
/ENTER
Utilizzare i tasti freccia per impostare il sistema
sonoro surround e le opzioni Audio o Video.
9 Tasti di controllo del ricevitore
Premere innanzitutto
per l’accesso alla
funzione:
!
PHASE CTRL
– Premere per attivare/
disattivare il Phase Control.
!
STATUS
– Premere per controllare le
impostazioni del ricevitore selezionate.
!
PQLS
– Premere per scegliere l’impostazione
PQLS.
!
S.RETRIEVER
– Consente di riportare
alla qualità di un CD un segnale audio
compresso.
!
SIGNAL SEL
– Utilizzare per selezionare un
segnale d’ingresso.
!
MCACC
– Premere per passare da una
preselezione MCACC all’altra.
!
SLEEP
– Utilizzare per attivare la modalità
di pausa nel ricevitore e per selezionare
l’intervallo di tempo prima del passaggio alla
modalità di pausa.
!
CH LEVEL
– Premere ripetutamente per
selezionare un canale, quindi utilizzare
k
/
l
per regolare il livello.
!
A.ATT
– Consente di attenuare (diminuire) il
livello di un segnale d’ingresso analogico per
prevenire la distorsione del suono.
!
DIMMER
– Consente di attenuare o
aumentare la luminosità del display.
10 Comandi LISTENING MODE
!
AUTO/ALC/DIRECT
– Permette di scegliere
fra Auto Surround, il modo Auto Level
Control ed il modo Stream Direct.
!
STEREO
– Premere per scegliere la modalità
di riproduzione stereo.
!
STANDARD
– Premere per una
decodificazione Standard e per scegliere tra
le varie modalità (
2
Pro Logic, Neo:6, ecc.)
(pagina 20).
!
ADV SURR
– Utilizzare per passare tra le
diverse modalità surround (pagina 20).
11 LED di telecomando
Si illumina quando un comando viene emesso
dal telecomando.
12 TV CTRL
Per poter controllare il televisore, impostare il
codice di preimpostazione del suo fabbricante.
It
6
01
Prima di iniziare
13
Fa passare il telecomando al controllo del
ricevitore (utilizzato per selezionare i comandi
bianchi).
Usati per eseguire operazioni nella zona
principale.
Utilizzare questo tasto anche per impostare il
suono surround.
14 MASTER VOLUME +/–
Utilizzare per impostare il volume d’ascolto.
15 MUTE
Consente di escludere il suono o di ripristinarlo
se è stato escluso in precedenza (il suono viene
ripristinato anche mediante la regolazione del
volume).
It
7
02
Collegamento dell’apparecchio
Collegamento dell’apparecchio
Collegamento
dell’apparecchio
Questo ricevitore offre numerose possibilità
di collegamento, che tuttavia non complicano
l’impostazione. In questo capitolo vengono
descritti i tipi di componenti che è possibile
collegare per creare un sistema home theater.
ATTENZIONE
Prima di effettuare o modificare i collegamenti,
disattivare l’alimentazione elettrica e scollegare
il cavo di alimentazione dalla presa a muro.
L’alimentazione elettrica dovrà essere collegata
come ultima fase.
Importante
L’illustrazione mostra l’VSX-1021, tuttavia i
collegamenti per l’VSX-921 sono uguali, salvo
dove indicato.
Per determinare luso dei
diffusori
Questa unità permette la creazione di vari
sistemi surround in accordo con il numero di
diffusori che avete.
!
Non mancare di collegare i diffusori ai canali
anteriori sinistro e destro (
L
e
R
).
!
È anche possibile collegare solo uno dei
diffusori surround posteriori (
SB
) o nessuno.
Scegliere uno degli schemi da [A] a [E] che
seguono.
Importante
!
L’impostazione
Speaker System
è necessaria
se si usano i collegamenti menzionati di
seguito, salvo quelli [A] (vedere
Impostazione
dei diffusori
nelle istruzioni per l’uso del
CD-ROM).
!
Il suono non esce simultaneamente dai
diffusori anteriori di altezza, anteriori di
ampiezza, diffusori B e surround posteriori.
I diffusori che riproducono dipendono dal
segnale ricevuto o dalla modalità di ascolto.
[A] Sistema surround a 7.1 canali (anteriori
altezza)
*Impostazione predefinita
!
Impostazione
Speaker System
:
Normal(SB/FH)
SL
L
FHL
SW
C
R
FHR
SR
SBL
SBR
Un sistema surround a 7.1 canali collega i
diffusori anteriori sinistro e destro (
L
/
R
), quello
centrale (
C
), i diffusori di altezza anteriori destro
(
FHL
/
FHR
), quelli surround sinistro e destro (
SL
/
SR
), quelli surround posteriori sinistro e destro
(
SBL
/
SBR
) ed il subwoofer (
SW
).
Non è possibile produrre suono contempora-
neamente dai diffusori anteriori di altezza o
ampiezza e dai diffusori surround posteriori.
Questo sistema surround produce un suono
dall’alto più realistico.
[B] Sistema surround a 7.1 canali (anteriori
ampiezza)
!
Impostazione
Speaker System
:
Normal(SB/FW)
FWR
FWL
SL
L
SW
C
R
SR
SBL
SBR
Questo schema sostituisce i diffusori di altezza
sinistro e destro visti in [A] con i due diffusori di
ampiezza sinistro e destro (
FWL
/
FWR
).
Non è possibile produrre suono contempora-
neamente dai diffusori anteriori di altezza o
ampiezza e dai diffusori surround posteriori.
Questo sistema surround produce un suono più
realistico su di un’area più ampia.
[C] Sistema surround a 7.1 canali e
collegamento diffusori B
!
Impostazione
Speaker System
:
Speaker B
SL
L
SW
C
R
SR
SBL
SBR
L
R
Speaker B
Con questi collegamenti, è possibile ottenere
simultaneamente audio surround a 5.1 canali
nella zona principale ed una riproduzione ste-
reo dello stesso audio nei diffusori B. Lo stesso
collegamento permette il suono surround a 7.1
canali della zona principale senza diffusori B.
[D] Sistema surround a 5.1 canali e
collegamenti Bi-amping anteriori
(surround di alta qualità)
!
Impostazione
Speaker System
:
Front Bi-Amp
Collegamento Bi-Amp dei diffusori anteriori per
ottenere audio di alta qualità con suono sur-
round a 5.1 canali.
L
R
SL
SW
C
SR
Front Bi-Amp
[E] Sistema surround a 5.1 canali e
collegamenti ZONE 2 (Multi Zone)
!
Impostazione
Speaker System
:
ZONE 2
Con questi collegamenti potete ottenere simul-
taneamente audio surround a 5.1 canali nella
zona principale e stereo con un altro compo-
nente nella ZONE 2. (La varietà possibile di
dispositivi in ingresso è limitata.)
Collegamento dei diffusori
Per il collegamento di ogni diffusore sul rice-
vitore è disponibile un terminale positivo (+) e
uno negativo (–). Assicurarsi che corrispondano
con i terminali presenti sugli diffusori.
ATTENZIONE
!
Questi terminali contengono voltaggi
PERICOLOSI
. Per evitare il rischio di
folgorazioni nel collegare o scollegare
i cavi dei diffusori, scollegare il cavo di
alimentazione prima di toccare parti non
isolate.
!
Assicurarsi che il filo nudo del diffusore
sia attorcigliato e inserito completamente
nel terminale del diffusore. Se un qualsiasi
filo nudo di un diffusore dovesse entrare in
contatto con il pannello posteriore, come
misura di sicurezza potrebbe essere interrotta
l’alimentazione elettrica.
Collegamenti con fili nudi
ATTENZIONE
Assicurarsi che tutti gli diffusori siano installati
correttamente, non solo per migliorare la qua-
lità sonora, ma anche per ridurre il rischio di
danni o lesioni dovute dalla caduta degli diffu-
sori in conseguenza di colpi o in caso di scosse
esterne, come un terremoto.
1 Attorcigliare fra loro i fili esposti.
2 Allentare il terminale ed inserire il filo
denudato.
3 Stringere il terminale.
1
2
3
10 mm
Nota
!
Fare riferimento al manuale fornito con gli
diffusori per informazioni dettagliate sul
collegamento dell’altra estremità dei cavi agli
diffusori.
!
Per collegarsi al subwoofer, utilizzare un cavo
RCA. Non è possibile collegarsi usando cavi
per diffusori.
It
8
02
Collegamento dell’apparecchio
L
L
R
R
SL
SW
C
SR
Zona principale
Zona
secondaria
ZONE 2
Altri collegamenti di diffusori
!
I vostri collegamenti preferiti dei diffusori
che avete possono venire scelti anche se si
possiedono meno di 5.1 diffusori (salvi quelli
anteriori sinistro e destro).
!
Se non si usano subwoofer, collegare diffusori
per basse frequenze al canale anteriore. (La
componente di bassa frequenza del subwoofer
viene riprodotta dai diffusori anteriori, che
possono danneggiarsi.)
!
Terminati i collegamenti, non mancare di fare
l’operazione
Full Auto MCACC
(impostazione
dei diffusori). Vedere
Taratura audio ottimale
automatica (Full Auto MCACC)
pagina 17 .
Posizionamento degli diffusori
Per quanto riguarda la posizione dei diffusori da
collegare, consultare il diagramma che segue.
L
SW
C
FHL
FWL
SL
SBL
SBR
SB
SR
FWR
R
FHR
30 30
60
60
60
120
120
!
Posare i diffusori surround a 120° dal centro.
Se (1) si usano i diffusori posteriori surround e
(2) non si usano diffusori di altezza anteriori /
di ampiezza anteriori, si raccomanda di posare
il diffusore anteriore accanto a sé.
!
Se si collega un solo diffusore surround,
metterlo direttamente dietro di sè.
!
Posare i diffusori anteriori di altezza sinistro
e destro ad almeno un metro direttamente
sopra quelli anteriori sinistro e destro.
It
9
02
Collegamento dell’apparecchio
Installazione del sistema di diffusori
Come configurazione minima, sono necessari solo gli diffusori sinistro e destro. Notare che gli
diffusori surround principali dovrebbero essere sempre collegati in coppia, tuttavia è possibile col-
legare un solo diffusore surround posteriore, se lo di desidera (deve essere collegato al terminale
del diffusore surround posteriore sinistro).
Collegamenti surround standard
HDMI
VIDEO
CONTROL
IR
COMPONENT VIDEO
VIDEO IN
TV/SAT
IN
ZONE 2
DVR/BDR CD-R/TAPE ZONE 2
DVR/
BDR
OUT
OUT
DVD IN
IN
IN
IN
IN
CD
L
R
L
R
IN
L
R
OUT
OUT
VIDEO
IN
DVD IN
BD IN
DVR/BDR IN
FM UNBAL
75
FRONT
CENTER
SURROUND
SURROUND BACK / ZONE 2
R
L
R
L
R
L
R
L
(Single)
AM LOOP
(
CD
)
(
DVD
)
TV/SAT VIDEO
DVD
Y
P
B
P
R
(
DVR/BDR
)
(
TV/SAT
)
COAXIAL
(10/100)
LAN
AUDIO
PRE OUT
SPEAKERS
ANTENNA
OPTICAL
ASSIGN
ABLE
ASSIGNABLE
ASSIGNABLE
OUT
MONITOR
OUT
MONITOR
OUT
SUBWOOFER
IN
1
(DVD)
IN
1
(DVR/
BDR)
IN
2
ASSIGNABLE
1
IN
1
IN
2
IN
1
IN
2
SEE INSTRUCTION MANUAL
SELECTABLE
SELECTABLE
VOIR LE MODE D’EMPLOI
CAUTION:
SPEAKER IMPEDANCE
6 -16 .
ATTENTION:
ENCEINTE D’IMPEDANCE DE
6 -16 .
FRONT HEIGHT / WIDE /
B
A
OUT
IN
OUT
IN
DC OUTPUT
for WIRELESS LAN
(OUTPUT 5 V
0.1 A MAX)
ADAPTER PORT
(OUTPUT 5 V 0.6 A MAX)
AC IN
LINE LEVEL
INPUT
I terminali anteriori di altezza possono anche venire usati
per i diffusori anteriori di ampiezza e per quelli Speaker B.
Impostazione anteriore di altezza
Anteriore di altezza destro
Anteriore di altezza sinistro
Impostazione di ampiezza anteriore
Anteriore di ampiezza destro
Anteriore di ampiezza sinistro
Impostazione Speaker B
Speaker B - destra
Speaker B - sinistra
Anteriore destro
Center
Subwoofer
Anteriore sinistro
I terminali surround posteriori possono
venire usati anche per ZONE 2.
Surround
sinistro
Impostazione surround a 5.1 canali
Non collegato
Non collegato
Impostazione surround a 6.1 canali
Non collegato
Surround posteriori
Impostazione surround a 7.1 canali
Surround posteriore destro
Surround posteriore sinistro
Impostazione ZONE 2
ZONE 2 - Destra
ZONE 2 - Sinistra
Surround
destro
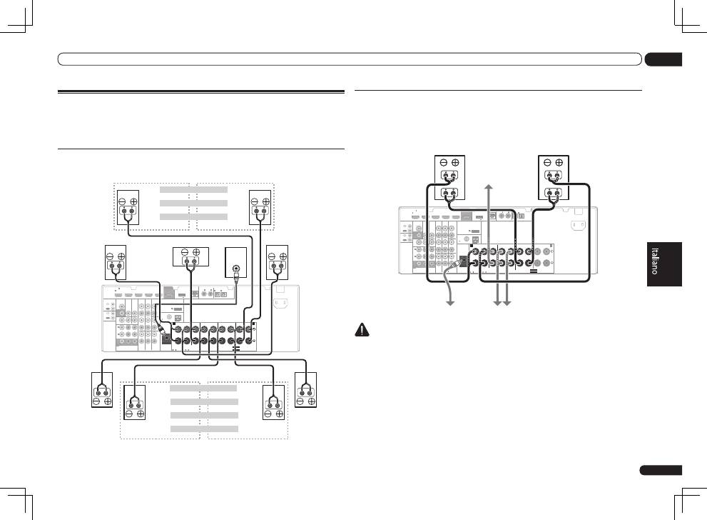
Bi-amping degli diffusori
Il bi-amping consiste nel collegare quando si collegano il driver ad alta frequenza e il driver a bassa
frequenza dei diffusori a più amplificatori per ottenere prestazioni di crossover migliori. Gli diffusori
devono essere predisposti per questa modifica (dotati di terminali separati per i livelli alti e bassi) e
il miglioramento sonoro dipenderà dal tipo di diffusori in uso.
HDMI
VIDEO
CONTROL
IR
COMPONENT VIDEO
VIDEO IN
TV/SAT
IN
ZONE 2
DVR/BDR CD-R/TAPE ZONE 2
DVR/
BDR
OUT
OUT
DVD IN
IN
IN
IN
IN
CD
L
R
L
R
IN
L
R
OUT
OUT
VIDEO
IN
DVD IN
BD IN
DVR/BDR IN
FM UNBAL
75
FRONT
CENTER
SURROUND
SURROUND BACK / ZONE 2
R
L
R
L
R
L
R
L
(Single)
AM LOOP
(
CD
)
(
DVD
)
TV/SAT VIDEO
DVD
Y
P
B
P
R
(
DVR/BDR
)
(
TV/SAT
)
COAXIAL
(10/100)
LAN
AUDIO
PRE OUT
SPEAKERS
ANTENNA
OPTICAL
ASSIGN
ABLE
ASSIGNABLE
ASSIGNABLE
OUT
MONITOR
OUT
MONITOR
OUT
SUBWOOFER
IN
1
(DVD)
IN
1
(DVR/
BDR)
IN
2
ASSIGNABLE
1
IN
1
IN
2
IN
1
IN
2
SEE INSTRUCTION MANUAL
SELECTABLE
SELECTABLE
VOIR LE MODE D’EMPLOI
CAUTION:
SPEAKER IMPEDANCE
6 -16 .
ATTENTION:
ENCEINTE D’IMPEDANCE DE
6 -16 .
FRONT HEIGHT / WIDE /
B
A
OUT
IN
OUT
IN
DC OUTPUT
for WIRELESS LAN
(OUTPUT 5 V
0.1 A MAX)
ADAPTER PORT
(OUTPUT 5 V 0.6 A MAX)
AC IN
High
Low
High
Low
Anteriore destro
Anteriore sinistro
Diffusore bi-amp
compatibile
Subwoofer
Diffusore bi-amp
compatibile
Centrale
Surround destro
Surround sinistroSurround sinistro
ATTENZIONE
!
La maggior parte degli diffusori dotati di terminali
High
e
Low
dispone di due piastre di metallo
che collegano i terminali
High
ai terminali
Low
. Queste devono essere rimosse per il bi-amping
degli diffusori, in caso contrario si possono verificare gravi danni all’amplificatore. Per ulteriori
informazioni, vedere il manuale del diffusore.
!
Se gli diffusori sono dotati di una rete crossover rimovibile, assicurarsi che non venga rimossa per il
bi-amping. In caso contrario gli diffusori potrebbero essere danneggiati.
2 Scegliere ‘Speaker B’ dal menu
Speaker System.
Per farlo, vedere
Impostazione dei diffusori
nelle
Istruzioni per l’uso nel CD-ROM.
Impostazione Bi-Amping
Collegamento Bi-Amp dei diffusori anteriori per
ottenere audio di alta qualità con suono sur-
round a 5.1 canali.
1 Collegare diffusori Bi-Amp compatibili
ai terminali dei diffusori surround
anteriori e posteriori.
Vedere
Bi-amping degli diffusori
pagina 9 .
2 Scegliere ‘Front Bi-Amp’ dal menu
Speaker System.
Per farlo, vedere
Impostazione dei diffusori
nelle
Istruzioni per l’uso nel CD-ROM.
Impostazione ZONE 2
Con questi collegamenti potete ottenere simul-
taneamente audio surround a 5.1 canali nella
zona principale e stereo con un altro compo-
nente nella ZONE 2.
1 Collegare due diffusori al terminale dei
diffusori surround posteriori.
Vedere
Collegamenti surround standard
pagina
9 .
2 Scegliere ‘ZONE 2’ dal menu
Speaker System.
Per farlo, vedere
Impostazione dei diffusori
nelle
Istruzioni per l’uso nel CD-ROM.
I collegamenti audio
Segnali audio trasferibili
Priorità del segnale audio
HDMI
Audio HD
Digitale (Coassiale) Audio digitale
convenzionale
RCA (Analogico)
(
Bianco/Rosso
)
Audio analogico
convenzionale
Digitale (Ottico)
Tipi di cavo e di
terminale
!
Con un cavo HDMI, i segnali audio e video
possono venire trasferiti mantenendo un’alta
qualità ed attraverso un singolo cavo.
Informazioni sul convertitore
video
Il convertitore video assicura l’emissione di
tutte le fonti video attraverso tutte le prese
MONITOR VIDEO OUT
. La sola eccezione
è HDMI: poiché non è possibile effettuare la
sottocampionatura di questa risoluzione, per
collegare questa fonte video è necessario colle-
gare il monitor/televisore alle uscite HDMI del
ricevitore.
Se vari componenti video sono assegnati alla
stessa funzione d’ingresso (vedere
Il menu
Input Setup
on nelle istruzioni per l’uso nel
CD-ROM), il convertitore darà la priorità al
HDMI, componente, quindi a quello composito
(in quest’ordine).
It
10
02
Collegamento dell’apparecchio
Bi-wiring degli diffusori
I vostri diffusori, se supportano il bi-amping,
possono impiegare il bi-wiring.
!
Con questi collegamenti, l’impostazione
Speaker System
non ha alcun effetto.
ATTENZIONE
!
Non collegare in questo modo diffusori diversi
dallo stesso terminale.
!
Se si usa anche il bi-wiring, tenere presente le
avvertenze viste qui sopra.
%
Per collegare un diffusore con bi-
wiring, collegare due cavi del diffusore
al terminale del diffusore posto sul
ricevitore.
Scelta del sistema dei diffusori
I terminali anteriori di altezza oltre che per
quelli anteriori di altezza possono venire usati
per i diffusori anteriori di ampiezza o Speaker
B. I terminali di surround posteriore possono
venire usati col bi-amping ed i collegamenti
ZONE 2, oltre che con i diffusori surround
posteriori. Fare questa impostazione a seconda
dell’uso fatto del sistema.
Impostazione anteriore di altezza
*Impostazione predefinita
1 Collegare due diffusori ai terminali dei
diffusori anteriori di altezza.
Vedere
Collegamenti surround standard
pagina
9 .
2 Se necessario, scegliere
‘Normal(SB/FH)’ dal menu Speaker System.
Per farlo, vedere
Impostazione dei diffusori
nelle
Istruzioni per l’uso nel CD-ROM.
Impostazione anteriori di
ampiezza
1 Collegare due diffusori ai terminali dei
diffusori anteriori di altezza.
Vedere
Collegamenti surround standard
pagina
9 .
2 Scegliere ‘Normal(SB/FW)’ dal menu
Speaker System.
Per farlo, vedere
Impostazione dei diffusori
nelle
Istruzioni per l’uso nel CD-ROM.
Impostazione dei diffusori
Speaker B
Potete riprodurre in stereo in un’altra stanza.
1 Collegare due diffusori ai terminali dei
diffusori anteriori di altezza.
Vedere
Collegamenti surround standard
pagina
9 .
It
11
02
Collegamento dell’apparecchio
VIDEO IN
VIDEO
MONITOR OUT
COMPONENT
VIDEO IN
Y
P
B
P
R
Y
P
B
P
R
COMPONENT VIDEO
MONITOR OUT
HDMI IN
HDMI OUT
Alta qualità delle immagini
I segnali video possono venire emessi
Terminale per il
collegamento con
sorgenti di segnale
Terminale per il
collegamento con un
televisore
Nota
!
Se il segnale video non appare sul televisore,
provare a regolare le impostazioni della
risoluzione sul componente o sul display.
Per alcuni componenti, ad esempio le unità
per videogiochi, non è possibile convertire
le risoluzioni. In tal caso, provare a regolare
Digital Video Conversion (in
Impostazione
delle opzioni video
nelle istruzioni per l’uso del
CD-ROM)
OFF
.
!
Le risoluzioni del segnale video component
in ingresso che possono venire convertite
dall’ingresso HDMI sono la 480i/576i, la
480p/576p, la 720p e la 1080i. I segnali 1080p
non possono esser convertibili.
!
Fra quelli video component in ingresso è
possibile convertire per i terminali
MONITOR
OUT
solo segnale con una risoluzione di
ingresso 480i/576i.
Questo prodotto incorpora una tecnologia
di protezione dalla copia a sua volta protetta
da brevetti statunitensi e da altri diritti alla
proprietà intellettuale detenuti dalla Rovi
Corporation. Il reverse engineering ed il disas-
semblaggio sono proibiti.
Informazioni su HDMI
I collegamenti HDMI trasportano segnale
digitale video non compresso e quasi qualsiasi
segnale digitale audio.
Questo ricevitore possiede la tecnologia High-
Definition Multimedia Interface (HDMI
®
).
Questo ricevitore supporta le funzioni descritte
di seguito attraverso i collegamenti HDMI.
!
Trasferimento digitale di video non compresso
(contenuti protetti via HDCP (1080p/24,
1080p/60, ecc.))
!
Trasferimento segnale 3D
!
Trasferimento di segnale Deep Color
!
Trasferimento di segnale x.v.Color
!
ARC (Audio Return Channel)
!
Ricezione di segnale audio digitale Linear
PCM multicanale (192 kHz o meno) per fino a
8 canali
!
Segnale in ingresso dei seguenti formati
digitali audio:
—
Dolby Digital, Dolby Digital Plus, DTS, audio
ad alto bitrate (Dolby TrueHD, DTS-HD
Master Audio, DTS-HD High Resolution
Audio), DVD-Audio, CD, SACD (segnale
DSD), Video CD, Super VCD
!
Il funzionamento sincronizzato con altri
componenti usando la funzione
Control
con
HDMI (vedere
Funzione Control con HDMI
nelle istruzioni per l’uso del CD-ROM)
Nota
!
È possibile effettuare un collegamento HDMI
solo con componenti dotati di funzionalità
DVI compatibili con DVI e HDCP (High
Bandwidth Digital Content Protection). Se
si sceglie di effettuare il collegamento a un
connettore DVI, sarà necessario utilizzare
a questo scopo un adattatore separato
(DVI
d
HDMI). Un collegamento DVI non
supporta tuttavia i segnali audio. Per ulteriori
informazioni, rivolgersi al più vicino rivenditore
di componenti audio.
!
Se si collega un componente che non
sia HDCP compatibile, il display del
pannello anteriore visualizza il messaggio
HDCP ERROR
. Alcuni componenti
compatibili con HDCP possono far comparire
questo messaggio, ma se la riproduzione
video avviene regolarmente esso può
semplicemente venire ignorato.
!
A seconda del componente collegato, l’uso
di un collegamento DVI potrebbe causare
l’inaffidabilità dei trasferimenti di segnali.
!
Questo ricevitore supporta le caratteristiche
SACD, Dolby Digital Plus, Dolby TrueHD e
DTS-HD Master Audio. Per trarre vantaggio
da questo formati, però, è necessario che il
componente collegato a questo ricevitore
supporti anch’esso il formato corrispondente.
!
Usare un cavo HDMI
®
High Speed. Usando un
cavo HDMI
®
non High Speed il sistema può
non funzionare a dovere.
!
Inoltre, un cavo HDMI con equalizzatore
incorporato può non funzionare a dovere.
!
Il trasferimento di segnale è possibile solo se
si è collegati ad un componente compatibile.
!
Le trasmissioni audio digitali di formato HDMI
richiedono più tempo per il riconoscimento.
Per questo, un’interruzione dell’audio
potrebbe accadere quando si cambia formato
audio o si inizia la riproduzione.
!
Accendendo o spegnendo il dispositivo
collegato al terminale
HDMI OUT
di questa
unità durante la riproduzione oppure
collegando o scollegando il cavo HDMI
durante la riproduzione si possono causare
rumori o interruzioni dell’audio.
Il termine HDMI, il logo HDMI ed il termine
High-Definition Multimedia Interface sono
marchi di fabbrica o marchi di fabbrica deposi-
tati della HDMI Licensing, LLC negli Stati Uniti
ed altri paesi.
“x.v.Color” e
sono marchi di
fabbrica della Sony Corporation.
Collegamento di un lettore DVD privo di ingressi HDMI
Questo diagramma mostra i collegamenti di un televisore (con ingresso HDMI) e di un lettore DVD
(o altro componente di riproduzione privo di ingresso HDMI) al ricevitore.
HDMI
VIDEO
CONTROL
IR
COMPONENT VIDEO
VIDEO IN
TV/SAT
IN
ZONE 2
DVR/BDR CD-R/TAPE ZONE 2
DVR/
BDR
OUT
OUT
DVD IN
IN
IN
IN
IN
CD
L
R
L
R
IN
L
R
OUT
OUT
VIDEO
IN
DVD IN
BD IN
DVR/BDR IN
FM UNBAL
75
FRONT
CENTER
SURROUND
SURROUND BACK / ZONE 2
R
L
R
L
R
L
(Single)
AM LOOP
(
CD
)
(
DVD
)
TV/SAT VIDEO
DVD
Y
P
B
P
R
(
DVR/BDR
)
(
TV/SAT
)
COAXIAL
(10/100)
LAN
AUDIO
PRE OUT
SPEAKERS
ANTENNA
OPTICAL
ASSIGN
ABLE
ASSIGNABLE
ASSIGNABLE
OUT
MONITOR
OUT
MONITOR
OUT
SUBWOOFER
IN
1
(DVD)
IN
1
(DVR/
BDR)
IN
2
ASSIGNABLE
1
IN
1
IN
2
IN
1
IN
2
SELECTA
SELECTA
CAUTION:
SPEAKER IMPEDANCE
6 -16 .
ATTENTION:
ENCEINTE D’IMPEDANCE DE
6 -16 .
FR
A
OUT
IN
OUT
IN
DC OUTPUT
for WIRELESS LAN
(OUTPUT 5 V
0.1 A MAX)
ADAPTER PORT
(OUTPUT 5 V 0.6 A MAX)
HDMI IN
ANALOG
R
AUDIO OUT
VIDEO OUT
VIDEO
Y
P
B
P
R
COMPONENT VIDEO OUT
DIGITAL OUT
COAXIAL
OPTICAL
L
Monitor HDMI/DVI
compatibile
Lettore DVD, ecc.
Sceglierne uno
Sceglierne uno
!
Per riprodurre l’audio del televisore col ricevitore, collegare il ricevitore ed il televisore con cavi
audio (pagina 12).
—
Se il televisore ed il ricevitore sono collegati via HDMI ed il televisore supporta la funzione HDMI
ARC (Audio Return Channel), l’audio del televisore arriva al ricevitore dal terminale
HDMI OUT
ed il cavo audio non è necessario. In tal caso, regolare
TV Audio
di
HDMI Setup
su
via HDMI
(vedere
HDMI Setup
nelle Istruzioni per l’uso nel CD-ROM).
!
Se si usa un cavo audio digitale a fibre ottiche, si deve dire al ricevitore dove è collegato il lettore
(vedere
Il menu Input Setup
nelle Istruzioni per l’uso nel CD-ROM).
It
12
02
Collegamento dell’apparecchio
Collegamento di un televisore e componenti di riproduzione
Collegamento mediante HDMI
Se si dispone di un componente dotato di funzionalità HDMI o DVI (con HDCP) (lettore di dischi
Blu-ray Disc (BD) o altro), sarà possibile collegarlo a questo ricevitore utilizzando un cavo HDMI
reperibile in commercio.
Se il televisore ed i componenti di riproduzione supportano la caratteristica
Control
con HDMI, si
possono usare le convenienti funzioni
Control
con HDMI (vedere
Funzione Control con HDMI
nelle
istruzioni per l’uso del CD-ROM).
HDMI
VIDEO
CONTROL
IR
COMPONENT VIDEO
VIDEO IN
TV/SAT
IN
ZONE 2
DVR/BDR CD-R/TAPE ZONE 2
DVR/
BDR
OUT
OUT
DVD IN
IN
IN
IN
IN
CD
L
R
L
R
IN
L
R
OUT
OUT
VIDEO
IN
DVD IN
BD IN
DVR/BDR IN
FM UNBAL
75
FRONT
CENTER
SURROUND
SURROUND BACK / ZONE 2
R
L
R
L
R
L
(Single)
AM LOOP
(
CD
)
(
DVD
)
TV/SAT
VIDEO
DVD
Y
P
B
P
R
(
DVR/BDR
)
(
TV/SAT
)
COAXIAL
(10/100)
LAN
AUDIO
PRE OUT
SPEAKERS
ANTENNA
OPTICAL
ASSIGN
ABLE
ASSIGNABLE
ASSIGNABLE
OUT
MONITOR
OUT
MONITOR
OUT
SUBWOOFER
IN
1
(DVD)
IN
1
(DVR/
BDR)
IN
2
ASSIGNABLE
1
IN
1
IN
2
IN
1
IN
2
SEL
SEL
CAUTION:
SPEAKER IMPEDANCE
6 -16 .
ATTENTION:
ENCEINTE D’IMPEDANCE DE
6 -16 .
A
OUT
IN
OUT
IN
DC OUTPUT
for WIRELESS LAN
(OUTPUT 5 V
0.1 A MAX)
ADAPTER PORT
(OUTPUT 5 V 0.6 A MAX)
DIGITAL OUT
COAXIAL
OPTICAL
ANALOG
R
L
AUDIO OUT
HDMI IN
HDMI OUT
HDMI OUT
Solo
VSX-1021
Lettore Blu-ray HDMI/DVI
compatibile
Altro componente dotato
di terminale HDMI/DVI
Monitor HDMI/DVI
compatibile
Sceglierne uno
Questo collegamento è
necessario per
riprodurre l’audio del
televisore con questo
ricevitore.
!
I componenti in ingresso possono venire collegati anche con collegamenti non HDMI (vedere
Collegamento di un lettore DVD privo di ingressi HDMI
pagina 12 ).
!
Per riprodurre l’audio del televisore col ricevitore, collegare il ricevitore ed il televisore con cavi
audio.
—
Se il televisore ed il ricevitore sono collegati via HDMI ed il televisore supporta la funzione HDMI
ARC (Audio Return Channel), l’audio del televisore arriva al ricevitore dal terminale
HDMI OUT
ed il cavo audio non è necessario. In tal caso, regolare
TV Audio
di
HDMI Setup
su
via HDMI
(vedere
HDMI Setup
nelle Istruzioni per l’uso nel CD-ROM).
It
13
02
Collegamento dell’apparecchio
Collegamento ad un registratore HDD/DVD, registratore BD o
altra sorgente video
Questo ricevitore è dotato di due set di ingressi e uscite audio/video utilizzabili per il collegamento
di dispositivi video digitali o analogici, compresi registratori HDD/DVD e registratori BD.
Al momento dell’impostazione del ricevitore sarà necessario specificare a quale ingresso è stato
collegato il registratore (vedere anche
Il menu Input Setup
nelle istruzioni per l’uso del CD-ROM).
HDMI
VIDEO
CONTROL
IR
COMPONENT VIDEO
VIDEO IN
TV/SAT
IN
ZONE 2
DVR/BDR
CD-R/TAPE ZONE 2
DVR/
BDR
OUT
OUT
DVD IN
IN
IN
IN
IN
CD
L
R
L
R
IN
L
R
OUT
OUT
VIDEO
IN
DVD IN
BD IN
DVR/BDR IN
FM UNBAL
75
FRONT
CENTER
SURROUND
SURROUND BACK / ZONE 2
R
L
R
L
R
L
(Single)
AM LOOP
(
CD
)
(
DVD
)
TV/SAT VIDEO
DVD
Y
P
B
P
R
(
DVR/BDR
)
(
TV/SAT
)
COAXIAL
(10/100)
LAN
AUDIO
PRE OUT
SPEAKERS
ANTENNA
OPTICAL
ASSIGN
ABLE
ASSIGNABLE
ASSIGNABLE
OUT
MONITOR
OUT
MONITOR
OUT
SUBWOOFER
IN
1
(DVD)
IN
1
(DVR/
BDR)
IN
2
ASSIGNABLE
1
IN
1
IN
2
IN
1
IN
2
SELEC
SELEC
CAUTION:
SPEAKER IMPEDANCE
6 -16 .
ATTENTION:
ENCEINTE D’IMPEDANCE DE
6 -16 .
A
OUT
IN
OUT
IN
DC OUTPUT
for WIRELESS LAN
(OUTPUT 5 V
0.1 A MAX)
ADAPTER PORT
(OUTPUT 5 V 0.6 A MAX)
DIGITAL OUT
COAXIAL
OPTICAL
ANALOG
R
L
ANALOG
R
L
AUDIO OUT
AUDIO IN
VIDEO OUT
VIDEO
VIDEO
VIDEO IN
Registratore HDD/DVD, registratore BD, ecc.
Sceglierne uno
!
Per registrare sono necessari cavi audio analogici (il collegamento digitale è solo per la
riproduzione).
!
Se il proprio registratore HDD/DVD o BD o altro possiede un terminale di uscita HDMI, collegarlo al
terminale
HDMI
DVR/BDRIN
del ricevitore. Nel farlo, collegare anche il ricevitore ed il televisore via
HDMI (vedere
Collegamento mediante HDMI
pagina 12 ).
Collegamento di un televisore senza ingresso HDMI
Questo diagramma mostra i collegamenti di un televisore (senza ingresso HDMI) e di un lettore
DVD (o altro componente di riproduzione) al ricevitore.
!
Con questi collegamenti, l’immagine non viene emessa dal televisore anche se il lettore DVD viene
collegato con un cavo HDMI. Collegare i terminali video di un lettore DVD usando cavi per video
composito o component.
HDMI
VIDEO
CONTROL
IR
COMPONENT VIDEO
VIDEO IN
TV/SAT
IN
ZONE 2
DVR/BDR CD-R/TAPE ZONE 2
DVR/
BDR
OUT
OUT
DVD IN
IN
IN
IN
IN
CD
L
R
L
R
IN
L
R
OUT
OUT
VIDEO
IN
DVD IN
BD IN
DVR/BDR IN
FM UNBAL
75
FRONT
CENTER
SURROUND
SURROUND BACK / ZONE 2
R
L
R
L
R
L
(Single)
AM LOOP
(
CD
)
(
DVD
)
TV/SAT VIDEO
DVD
Y
P
B
P
R
(
DVR/BDR
)
(
TV/SAT
)
COAXIAL
(10/100)
LAN
AUDIO
PRE OUT
SPEAKERS
ANTENNA
OPTICAL
ASSIGN
ABLE
ASSIGNABLE
ASSIGNABLE
OUT
MONITOR
OUT
MONITOR
OUT
SUBWOOFER
IN
1
(DVD)
IN
1
(DVR/
BDR)
IN
2
ASSIGNABLE
1
IN
1
IN
2
IN
1
IN
2
SELEC
SELEC
CAUTION:
SPEAKER IMPEDANCE
6 -16 .
ATTENTION:
ENCEINTE D’IMPEDANCE DE
6 -16 .
A
OUT
IN
OUT
IN
DC OUTPUT
for WIRELESS LAN
(OUTPUT 5 V
0.1 A MAX)
ADAPTER PORT
(OUTPUT 5 V 0.6 A MAX)
ANALOG
R
AUDIO OUT
VIDEO IN
Y
P
B
P
R
COMPONENT VIDEO IN
VIDEO OUT
VIDEO
VIDEO
Y
P
B
P
R
COMPONENT VIDEO OUT
DIGITAL OUT
COAXIAL
OPTICAL
HDMI OUT
L
Televisore
Lettore DVD, ecc.
Sceglierne uno
Sceglierne uno
Sceglierne uno
!
Per riprodurre audio HD con questo ricevitore, collegarsi usando un cavo HDMI. Non usare un cavo
HDMI per ricevere i segnali video.
Con certi componenti video non sarà possibile emettere segnale
via HDMI ed altri terminali allo stesso tempo, e potrebbe esser necessario fare impostazioni di
uscita particolari. Per maggiori dettagli, consultare in proposito le istruzioni per l’uso in dotazione al
componente.
!
Per riprodurre l’audio del televisore col ricevitore, collegare il ricevitore ed il televisore con cavi
audio (pagina 12).
!
Se si usa un cavo audio digitale a fibre ottiche, si deve dire al ricevitore dove è collegato il lettore
(vedere
Il menu Input Setup
nelle Istruzioni per l’uso nel CD-ROM).
It
14
02
Collegamento dell’apparecchio
Collegamento di un ricevitore via satellite/cavo o di un altro
tipo di decoder
I ricevitori via satellite o via cavo e i sintonizzatori per la televisione digitale terrestre sono esempi
dei cosiddetti decoder o ‘set top box’.
Al momento dell’impostazione del ricevitore sarà necessario specificare a quale ingresso è stato
collegato il set-top box (vedere anche
Il menu Input Setup
nelle istruzioni per l’uso del CD-ROM).
HDMI
VIDEO
CONTROL
IR
COMPONENT VIDEO
VIDEO IN
TV/SAT
IN
ZONE 2
DVR/BDR CD-R/TAPE ZONE 2
DVR/
BDR
OUT
OUT
DVD IN
IN
IN
IN
IN
CD
L
R
L
R
IN
L
R
OUT
OUT
VIDEO
IN
DVD IN
BD IN
DVR/BDR IN
FM UNBAL
75
FRONT
CENTER
SURROUND
SURROUND BACK / ZONE 2
R
L
R
L
R
L
(Single)
AM LOOP
(
CD
)
(
DVD
)
TV/SAT
VIDEO
DVD
Y
P
B
P
R
(
DVR/BDR
)
(
TV/SAT
)
COAXIAL
(10/100)
LAN
AUDIO
PRE OUT
SPEAKERS
ANTENNA
OPTICAL
ASSIGN
ABLE
ASSIGNABLE
ASSIGNABLE
OUT
MONITOR
OUT
MONITOR
OUT
SUBWOOFER
IN
1
(DVD)
IN
1
(DVR/
BDR)
IN
2
ASSIGNABLE
1
IN
1
IN
2
IN
1
IN
2
SELECT
SELECT
CAUTION:
SPEAKER IMPEDANCE
6 -16 .
ATTENTION:
ENCEINTE D’IMPEDANCE DE
6 -16 .
F
A
OUT
IN
OUT
IN
DC OUTPUT
for WIRELESS LAN
(OUTPUT 5 V
0.1 A MAX)
ADAPTER PORT
(OUTPUT 5 V 0.6 A MAX)
VIDEO OUT
VIDEO
ANALOG
R
AUDIO OUT
DIGITAL OUT
COAXIAL
OPTICAL
L
Sceglierne uno
STB
!
Solo VSX-1021:
Se il vostro set-top box possiede un terminale di uscita HDMI, raccomandiamo di collegarlo al
terminale
HDMI
IN 1
del ricevitore. Nel farlo, collegare anche il ricevitore ed il televisore via HDMI
(vedere
Collegamento mediante HDMI
pagina 12 ).
Collegamento di altri componenti audio
Questo ricevitore possiede ingressi sia digitali sia analogici, permettendovi di collegare vari compo-
nenti di riproduzione audio.
Al momento dell’impostazione del ricevitore sarà necessario specificare a quale ingresso è stato
collegato il componente (vedere anche
Il menu Input Setup
nelle istruzioni per l’uso del CD-ROM).
HDMI
VIDEO
CONTROL
IR
COMPONENT VIDEO
VIDEO IN
TV/SAT
IN
ZONE 2
DVR/BDR
CD-R/TAPE
ZONE 2
DVR/
BDR
OUT
OUT
DVD IN
IN
IN
IN
IN
CD
L
R
L
R
IN
L
R
OUT
OUT
VIDEO
IN
DVD IN
BD IN
DVR/BDR IN
FM UNBAL
75
FRONT
CENTER
SURROUND
SURROUND BACK / ZONE 2
R
L
R
L
R
L
(Single)
AM LOOP
(
CD
)
(
DVD
)
TV/SAT VIDEO
DVD
Y
P
B
P
R
(
DVR/BDR
)
(
TV/SAT
)
COAXIAL
(10/100)
LAN
AUDIO
PRE OUT
SPEAKERS
ANTENNA
OPTICAL
ASSIGN
ABLE
ASSIGNABLE
ASSIGNABLE
OUT
MONITOR
OUT
MONITOR
OUT
SUBWOOFER
IN
1
(DVD)
IN
1
(DVR/
BDR)
IN
2
ASSIGNABLE
1
IN
1
IN
2
IN
1
IN
2
SELEC
SELEC
CAUTION:
SPEAKER IMPEDANCE
6 -16 .
ATTENTION:
ENCEINTE D’IMPEDANCE DE
6 -16 .
A
OUT
IN
OUT
IN
DC OUTPUT
for WIRELESS LAN
(OUTPUT 5 V
0.1 A MAX)
ADAPTER PORT
(OUTPUT 5 V 0.6 A MAX)
DIGITAL OUT
COAXIAL
OPTICAL
ANALOG
R
L
AUDIO OUT
ANALOG
R
L
AUDIO IN
CD-R, MD, DAT, ecc.
Sceglierne uno
!
Nel caso di un registratore collegare le uscite audio analogiche agli ingressi audio analogici del
registratore.
!
Se il giradischi è dotato di uscite a livello linea (ovvero di un preamplificatore fono incorporato),
collegarlo agli ingressi
CD
.
It
15
02
Collegamento dell’apparecchio
Impostazione MULTI-ZONE
Dopo avere effettuato i collegamenti MULTI-
ZONE appropriati, questo ricevitore sarà in
grado di alimentare due sistemi indipendenti in
stanze separate.
È possibile riprodurre sorgenti differenti in due
zone diverse allo stesso tempo o, se necessario,
la stessa sorgente. Le zone principale e secon-
daria vengono alimentate indipendentemente
(l’alimentazione della zona principale può
essere disattivata mentre quella della zona
secondaria è attivata) e la zona secondaria può
essere controllata tramite il telecomando o i
controlli del pannello anteriore.
Importante
Il modello VSX-921 non può fare uso di televisori
nella zona secondaria.
Creazione di collegamenti
MULTI-ZONE
È possibile fare questi collegamenti se si pos-
siedono un televisore e diffusori separati per la
zona secondaria (
ZONE 2
). Non sarà necessario
un amplificatore separato se non si utilizza l’im-
postazione
Impostazione MULTI-ZONE usando i
terminali dei diffusori (ZONE 2)
pagina 16 per la
zona secondaria.
Opzioni di ascolto MULTI-ZONE
La tabella che segue mostra i segnali che pos-
sono venire mandati a ZONE 2:
Nel caso dell’VSX-1021
Zona
secondaria
Funzioni di ingresso
disponibili
ZONE 2
DVD
,
TV/SAT
,
DVR/BDR
,
VIDEO
,
HOME MEDIA GALLERY
,
iPod/USB
,
CD
,
CD-R/TAPE
,
TUNER
,
ADAPTER
PORT
(Emette audio e video composito
analogici.)
Non è possibile convertire a frequenze infe-
riori i segnali audio e video dai terminali di
ingresso
HDMI
, dai terminali di ingresso
digitali (
OPTICAL
e
COAXIAL
) e da quelli
COMPONENT VIDEO
e mandarli a ZONE 2.
Nel caso dell’VSX-921
Zona
secondaria
Funzioni di ingresso
disponibili
ZONE 2
DVD
,
TV/SAT
,
DVR/BDR
,
VIDEO 1
,
VIDEO 2
,
CD
,
CD-R/TAPE
,
TUNER
,
ADAPTER PORT
(Viene emesso solo audio analo-
gico.)
Non è possibile convertire a frequenze inferiori
i segnali audio dai terminali di ingresso
HDMI
,
dai terminali di ingresso digitali (
OPTICAL
e
COAXIAL
) e mandarli a ZONE 2.
Impostazione MULTI-ZONE di base
(ZONE 2)
1 Collegare un amplificatore separato
alle prese AUDIO ZONE 2 OUT di questo
ricevitore.
Collegare una coppia di diffusori all’amplifica-
tore della zona secondaria come illustrato nella
figura che segue.
2
VSX-1021 solo:
Collegare un televisore
alle prese VIDEO ZONE 2 OUT di questo
ricevitore.
HDMI
VIDEO
CONTROL
IR
COMPONENT VIDEO
VIDEO IN
TV/SAT
IN
ZONE 2
DVR/BDR CD-R/TAPE
ZONE 2
DVR/
BDR
OUT
OUT
DVD IN
IN
IN
IN
IN
CD
L
R
L
R
IN
L
R
OUT
OUT
VIDEO
IN
DVD IN
BD IN
DVR/BDR IN
FM
75
TV/SAT VIDEO
DVD
Y
P
B
P
R
AUDIO
AN
ASSIGN
ABLE
MONITOR
OUT
MONITOR
OUT
IN
1
(DVD)
IN
1
(DVR/
BDR)
IN
2
ASSIGNABLE
1
OUT
IN
OUT
IN
R
L
AUDIO IN
VIDEO IN
Zona secondaria (
ZONE 2
)
Zona principale
Solo
VSX-1021
Collegamento di antenne AM/
FM
Collegare l’antenna a telaio AM e quella FM nel
modo visto di seguito. Per migliorare la rice-
zione e la qualità del suono, fare uso di antenne
esterne (vedere
Collegamento di antenne
esterne
pagina 15 ).
FM UNBAL
75
AM LOOP
ANTENNA
3
1
4
fig. a
fig. b
fig. c
5
2
1 Togliere le schermature di protezione
da entrambi i fili dell’antenna AM.
2 Premere le linguette facendole aprire,
quindi inserire un filo a fondo in ciascun
terminale, lasciando infine andare le
linguette bloccando i fili dell’antenna AM.
3 Fissare l’antenna a telaio AM al
supporto apposito in dotazione.
Per fissare il supporto all’antenna, piegare nella
direzione indicata dalla freccia (
fig. a
), quindi
fissare il telaio al supporto (
fig. b
).
!
Se si intende installare l’antenna AM su di un
muro o altra superficie, fermare il supporto
con le viti (
fig. c
) prima di fissare il telaio al
supporto. Controllare che la ricezione sia
chiara.
4 Collocare l’antenna AM su una
superficie piana e orientarla nella
direzione che fornisce la ricezione
migliore.
5 Collegare l’antenna a filo FM alla presa
FM.
Per ottenere risultati ottimali, estendere com-
pletamente l’antenna FM e fissarla al muro o
all’intelaiatura di una porta. Non lasciare il filo
penzolante né avvolto.
Collegamento di antenne esterne
Per migliorare la qualità della ricezione FM,
collegare un’antenna FM esterna al terminale
FM UNBAL 75
W
.
FM UNBAL
75
AM LOOP
ANTENNA
Cavo coassile 75
Ω
Per migliorare la ricezione AM, collegare un filo
con rivestimento vinilico lungo da 5 m a 6 m, ai
terminali
AM LOOP
senza scollegare l’antenna
AM a telaio in dotazione.
Per ottenere la migliore ricezione possi-
bile, appendere l’antenna orizzontalmente
all’esterno.
FM UNBAL
75
AM LOOP
ANTENNA
Antenna esterna
Antenna
per interni
(filo rivestito di
vinile)
da 5 m a 6 m
Collegamento ad una LAN
wireless
Il collegamento wireless alla rete è possibile
attraverso attrezzature wireless. Per il colle-
gamento, usare un AS-WL300 da acquistarsi
separatamente.
WAN
DC 5V
WPS
Ethernet
UNBAL
FRONT
CENTER
SURROUND
R
L
R
AM LOOP
(
CD
)
(
DVD
)
COAXIAL
PRE OUT
SPEA
TENNA
ASSIGNABL
OUT
SUBWOOFER
IN
1
IN
2
CAUTION:
SPEAKER IMPEDANCE
6 -16 .
ATTENTION:
ENCEINTE D’IMPEDANCE DE
6 -16 .
A
DC OUTPUT
for WIRELESS LAN
(OUTPUT 5 V
0.1 A MAX)
ADAPTER PORT
(OUTPUT 5 V 0.6 A MAX)
(10/100)
LAN
Internet
Modem
Convertitore LAN wireless (AS-WL300)
Router
Collegamento del ricevitore
Collegare il ricevitore solo dopo avere collegato
tutti i componenti, compresi gli diffusori.
ATTENZIONE
!
Maneggiare sempre il cavo di alimentazione
dall’estremità dotata di spina. Non estrarre la
spina tirando il cavo e non toccare mai il cavo
di alimentazione con le mani bagnate, poiché
potrebbe verificarsi un cortocircuito o scariche
elettriche. Non posizionare l’unità, un mobile o
un altro oggetto sopra al cavo di alimentazione
né schiacciarlo in un altro modo. Non
annodare mai il cavo né legarlo insieme ad
altri cavi. Posare i cavi di alimentazione in
modo da evitarne il calpestio. Un cavo di
alimentazione danneggiato può causare
incendi o scariche elettriche. Controllare il
cavo di alimentazione di tanto in tanto. Se
fosse danneggiato, rivolgersi al più vicino
centro di assistenza autorizzato Pioneer per la
sostituzione.
!
Non utilizzare un cavo di alimentazione
diverso da quello in dotazione all’unità.
!
Non utilizzare il cavo di alimentazione in
dotazione per altri scopi, se non quello
descritto di seguito.
!
Il ricevitore deve essere scollegato estraendo
la spina dalla presa elettrica quando non viene
utilizzato, ad esempio durante una vacanza.
1 Collegare il cavo di alimentazione in
dotazione alla presa AC IN nella parte
posteriore del ricevitore.
2 Collegare l’altra estremità a una presa
a muro.
!
Dopo che il ricevitore è stato collegato ad
una presa di corrente alternata, inizia un
periodo lungo da 2 a 10 secondi dedicato
al processo di inizializzazione HDMI. Non è
possibile eseguire alcuna operazione durante
questo processo. L’indicatore
HDMI
del
pannello anteriore lampeggia durante questo
processo e, quando smette di lampeggiare,
potere accendere il ricevitore. Se si regola
Control
con HDMI su
OFF
, potete saltare
questo processo. Per dettagli sulla funzione
Control
con HDMI, vedere
Funzione Control
con HDMI
nelle Istruzioni per l’uso del
CD-ROM.
It
16
02
Collegamento dell’apparecchio
Impostazione MULTI-ZONE usando i
terminali dei diffusori (ZONE 2)
Per fare uso di questa impostazione, scegliere
ZONE 2
di Speaker system nelle Istruzioni per
l’uso del CD-ROM.
1 Collegare due diffusori al terminale dei
diffusori surround posteriori.
2
VSX-1021 solo:
Collegare un televisore
alle prese VIDEO ZONE 2 OUT di questo
ricevitore.
SURROUND
SURROUND BACK / ZONE 2
R
L
R
R
L
(Single)
(
CD
)
(
DVD
)
(
DVR/BDR
)
(
TV/SAT
)
COAXIAL
SPEAKERS
OPTICAL
ASSIGNABLE
ASSIGNABLE
IN
1
IN
2
IN
1
IN
2
SEE INST
SELECTABLE
SELECTABLE
VOIR LE M
FRONT HEIG
HDMI
VIDEO
CONTROL
IR
COMPONENT VI
VIDEO IN
TV/SAT
IN
ZONE 2
DVR/
BDR
OUT
OUT
IN
Y
P
B
ASSIGN
ABLE
MONITOR
OUT
MONITOR
OUT
IN
1
(DVD)
IN
1
(DVR/
BDR)
IN
2
ASSIGNABLE
1
OUT
IN
OUT
IN
VIDEO IN
R
L
Solo
VSX-1021
Zona secondaria (
ZONE 2
) Zona principale
Collegamento alla rete LAN
via l’interfaccia LAN
Collegando questo ricevitore alla rete via il
terminale LAN si possono ascoltare stazioni
radio via Internet. L’ascolto di stazioni radio via
Internet richiede un previo contratto col proprio
ISP (Internet Service Provider).
Con questi collegamenti si possono riprodurre
file audio memorizzati in componenti della rete,
compreso un computer, usando gli ingressi
HOME MEDIA GALLERY.
UNBAL
FRONT
CENTER
R
L
AM LOOP
C
(10/100)
LAN
PRE OUT
TENNA
OUT
SUBWOOFER
CAUTION:
SPEAKER IMPEDANCE
6 -16 .
ATTENTION:
ENCEINTE D’IMPEDANCE DE
6 -16 .
A
DC OUTPUT
for WIRELESS LAN
(OUTPUT 5 V
0.1 A MAX)
ADAPTER PORT
(OUTPUT 5 V 0.6 A MAX)
WAN
3
2
1
LAN
Internet
Modem
Router
Cavo LAN
(venduto
separatamente)
ad una porta
LAN
PC
Collegare il terminale LAN di questo ricevitore
al terminale LAN del proprio router (con o senza
server DHCP incorporato) usando un cavo LAN
diritto (CAT 5 o superiore).
Attivare la funzione di server DHCP del proprio
router. Se il vostro router non possedesse
un server DHCP incorporato, è necessario
impostare i parametri di rete manualmente.
Per dettagli, vedere
Menu Network Setup
nelle
Istruzioni per l’uso del CD-ROM.
Specifiche tecniche LAN
!
Terminale LAN : Presa Ethernet
(10BASE-T/100BASE-TX)
Nota
!
Consultare le istruzioni per l’uso
dell’apparecchio, dato che le attrezzature
possedute ed i metodi di collegamento possono
differire a seconda dell’ambiente Internet usato.
!
Se si usa una connessione Internet a banda
larga, è necessario un contratto con un
Internet provider. Per dettagli, entrare in
contatto con l’Internet provider più vicino.

