Pioneer MVH-8300BT: Подключение устройств
Подключение устройств: Pioneer MVH-8300BT

Подключение устройств
Примечания
ВНИМАНИЕ
• Данное устройство не может быть установлено
• Во избежание повреждения устройства
в транспортном средстве без положения АСС
и получения травм, а также возможного
(вспомог.) на замке зажигания.
нарушения действующего законодательства
запрещается просмотр видео на передних
сиденьях, когда автомобиль находится в
движении.
•
В нек
оторых странах или штатах
просмотр изображений на дисплее внутри
транспортного средства даже пассажирами
может быть противозаконным. Такие правила
должны соблюдаться везде, где они приняты.
ПРЕДУПРЕЖДЕНИЕ
• PIONEER не рекомендует вам
самостоятельно производить установку
или обслуживание дисплея. Устанавливая
или обслуживая устройство, вы можете
подвергнуться риску поражения
электрическим током, а также другим
рискам. Предоставьте выполнение
всех работ, связанных с установкой
и обслуживанием вашего дисплея
официальному обслуживающему
персоналу компании Pioneer.
• Закрепите все провода кабельными
зажимами или липкой лентой.
Не оставляйте никаких проводов
неизолированными.
• Не просверливайте никаких отверстий
в моторном отсеке для подключения
желтого провода устройства к батарее
автомобиля. Вибрация двигателя может
случайно привести к повреждению
изоляции в том месте, где проведен
провод из пассажирского салона в
моторный отсек. Будьте особо осторожны
при закреплении провода в этом месте.
• Убедитесь, что провода не касаются
двигающихся частей автомобиля,
например рычага переключения коробки
передач, стояночного тормоза или
направляющего механизма сидений.
• Не укорачивайте никакие провода. При
укорачивании провода цепь защиты может
не сработать в нужный момент.
ВНИМАНИЕ
СВЕТЛО-ЗЕЛЕНЫЙ ПРОВОД НА
РАЗЪЕМЕ ПИТАНИЯ ПРЕДНАЗНАЧЕН
ДЛЯ ОТОБРАЖЕНИЯ СТОЯНОЧНОГО
СОСТОЯНИЯ И ДОЛЖЕН ПОДКЛЮЧАТЬСЯ
К СТОРОНЕ ПИТАНИЯ ПЕРЕКЛЮЧАТЕЛЯ
СТОЯНОЧНОГО ТОРМОЗА. НЕПРАВИЛЬНОЕ
ПОДКЛЮЧЕНИЕ ИЛИ ИСПОЛЬЗОВАНИЕ
ЭТОГО ПРОВОДА МОЖЕТ НАРУШИТЬ
ПРИМЕНИМЫЙ ЗАКОН И ПРИВЕСТИ
К СЕРЬЕЗНЫМ ТРАВМАМ ИЛИ
ПОВРЕЖДЕНИЯМ.
<YRD5342-A> <50>
A
C
C
O
F
N
F
O
S
T
A
R
T
O
F
N
F
O
S
T
A
R
T
АСС положение
АСС положение нет
• Использование данного устройства в иных,
чем следующие условия, может привести к
возгоранию или неправильному срабатыванию.
— А
в
томобиль батареей с 12-вольт и
отрицательным заземлением.
— Ди
намики с 50 Вт (выходная величина) и от
4 Ом до 8 Ом (полное сопротивление).
• Чт
обы предотвратить короткое замыкание,
перегрев или неправильное срабатывание
убедитесь, что следуете указаниям ниже.
— Отсоедините отрицательную клемму батареи
пред установкой.
— За
крепите провода кабельными зажимами
или липкой лентой. Для защиты проводов
следует обмотать их липкой летной в
тех местах, где они соприкасаются с
металлическими частями.
— П
р
окладывайте все кабели вдали от
двигающихся частей, таких как рычаг
переключения коробки передач или
направляющая для выдвижения сиденья.
— Пр
окладывайте все кабели вдали от
горячих мест, таких как рядом с выпуском
нагревателя.
— Не пропускайте желтый кабель через
отверстие в моторном отсеке, для того чтобы
подключить его к батарее.
— Защитите все неподключенные кабели
разъемами с изоляционной лентой.
— Не
удаляйте колпачки RCA, если RCA кабели
не используются.
— Не
укорачивайте какие-либо кабели.
— Никогда не обрезайте изоляцию питающего
кабеля данного устройства, чтобы
подключить питание на другое оборудование.
Пропускная способность кабеля ограничена.
— И
с
пользуйте плавкий предохранитель
заданного номинала.
— Ни
когда не подключайте отрицательный
кабель динамика напрямую к заземлению.
— Ни
когда не связывайте вместе различные
отрицательные кабели динамиков.
2

Подключение устройств
• Контрольный сигнал выходит по сине/
белому кабелю, когда данное устройство
подключено к электропитанию. Подключите
его к системе дистанционного управления
внешнего усилителя мощности или к клемме
управляющего реле автомобильной антенны
(макс. 300 мА, 12 В пост. ток). Если автомобиль
снабжен стеклянной антенной, подключите её
к питающему терминалу антенного усилителя.
• Н
и
когда не подключайте сине/белый
кабель к питающему терминалу внешнего
усилителя мощности. Так же, никогда не
подключайте его к питающему терминалу
автомобильной антенны. Иначе, в результате
батарея разрядится или будет происходить
неправильное срабатывание.
• Ч
е
рный кабель – заземление. Этот кабель и
кабели заземления других изделий (особенно,
сильноточные изделия, такие как усилитель
мощности) должны быть проложены раздельно.
Иначе, в результате может произойти
возгорание или неправильное срабатывание,
если они внезапно отсоединятся.
Русский
3
<YRD5342-A> <51>

Подключение устройств
Соединительный шнур питания
<YRD5342-A> <52>
Вход микрофона
Данное устройство
(только MVH-8300BT)
4 м
Микрофон
(только MVH-8300BT)
Вход антенны
Примечание:
Предохранитель (10А)
Дистанционный монтажный вход
В зависимости от типа автомобиля
Адаптер жестко смонтированного
функции 2* и 4* могут быть
дистанционного управления может
различными. В этом случае, убедитесь,
быть подключен (продается отдельно).
что 1* подключили к 4*, а 3* к 2*.
2*
1*
Желтый/черный
Если Вы используете оборудование с функцией Приглушения
звука, подключите подводящий провод к проводу Audio Mute
на той части оборудования. Если нет, то держите провод Audio
4*
3*
Соедините провода одинакового
Mute свободным от любых подключений.
цвета друг с другом.
Способ подключения
1. Зажмите провод.
2. Плотно обожмите
острогубцами.
Желтый (2*)
Желтый (1*)
Разрывный (или
Подключите к клемме
Примечание:
вспомогательный)
постоянно подающей 12 В.
• Положение переключателя стояночного тормоза зависит от модели автомобиля.
За более подробной информацией, обращайтесь к инструкции по эксплуатации
Резистор
автомобиля или к дилеру.
Красный (4*)
Красный (3*)
предохранителя
Вспомогательный
Подключите к клемме,
Светло-зеленый
контролируемой замком
(или разрывный)
Используется для индикации состояния стояночного тормоза.
зажигания (12 В пост. ток).
Эти провода должны подключаться к стороне питания
переключателя стояночного тормоза.
Оранжевый/белый
Резистор
Подключить к клемме выключателя освещения.
предохранителя
Синий/белый
Переключатель
Подключите к клемме системы контроля
Сторона электропитания
стояночного
Черный (заземление на массу)
усилителя мощности (макс. 300 мА 12 В пост. ток).
тормоза
Подключите к чистому, неокрашенному металлическому участку.
Сторона заземления
Синий/белый (6*)
ISO разъем
Провода динамиков
Синий/белый (5*)
Подключите к клемме реле управления
Примечание:
Белый: Передний левый
автомобильной антенны (макс. 300 мА 12 В пост. ток).
В некоторых автомобилях ISO
Белый/черный: Передний левый
разъем может быть разделен на
Расположение штырей ISO
Серый: Передний правый
два. В этом случае убедитесь,
разъема может быть
Серый/черный: Передний правый
Примечание:
что подключили оба разъема.
различным в зависимости от
Зеленый: Задний левый или низкочастотный динамик
·
Измените исходные настройки данного устройства (См. Руководство по
типа автомобиля. Соедините 5*
Зеленый/черный: Задний левый или низкочастотный динамик
эксплуатации). Низкочастотный динамик данного устройства обеспечивает
и 6* когда штырь 5 это штырь
Фиолетовый: Задний правый или низкочастотный динамик
монофонический выходной сигнал.
типа управления антенны. В
Фиолетовый/черный:
Задний правый или низкочастотный динамик
·
Когда используется Низкочастотный динамик 70 Вт (2 Ω), будьте уверены,
других типах автомобилей
что соединили с Фиолетовым и Фиолетово/Черным проводами данного
никогда не соединяйте 5* и 6*.
устройства. Ничего не соединяйте с Зеленым и Зелено/Черным проводами.
4

Соединительный шнур питания
Русский
<YRD5342-A> <53>
Вход микрофона
Данное устройство
(только MVH-8300BT)
4 м
Микрофон
(только MVH-8300BT)
Вход антенны
Примечание:
Предохранитель (10А)
Дистанционный монтажный вход
В зависимости от типа автомобиля
Адаптер жестко смонтированного
функции 2* и 4* могут быть
дистанционного управления может
различными. В этом случае, убедитесь,
быть подключен (продается отдельно).
что 1* подключили к 4*, а 3* к 2*.
1*
2*
Желтый/черный
Если Вы используете оборудование с функцией Приглушения
звука, подключите подводящий провод к проводу Audio Mute
на той части оборудования. Если нет, то держите провод Audio
3*
4*
Соедините провода одинакового
Mute свободным от любых подключений.
цвета друг с другом.
Способ подключения
1. Зажмите провод.
2. Плотно обожмите
острогубцами.
Желтый (2*)
Желтый (1*)
Разрывный (или
Подключите к клемме
Примечание:
вспомогательный)
постоянно подающей 12 В.
• Положение переключателя стояночного тормоза зависит от модели автомобиля.
За более подробной информацией, обращайтесь к инструкции по эксплуатации
Резистор
автомобиля или к дилеру.
Красный (4*)
Красный (3*)
предохранителя
Вспомогательный
Подключите к клемме,
Светло-зеленый
контролируемой замком
(или разрывный)
Используется для индикации состояния стояночного тормоза.
зажигания (12 В пост. ток).
Эти провода должны подключаться к стороне питания
переключателя стояночного тормоза.
Резистор
Оранжевый/белый
предохранителя
Подключить к клемме выключателя освещения.
Синий/белый
Переключатель
Подключите к клемме системы контроля
Сторона электропитания
стояночного
Черный (заземление на массу)
усилителя мощности (макс. 300 мА 12 В пост. ток).
тормоза
Подключите к чистому, неокрашенному металлическому участку.
Сторона заземления
Синий/белый (6*)
Провода динамиков
ISO разъем
Синий/белый (5*)
Подключите к клемме реле управления
Белый: Передний левый
Примечание:
автомобильной антенны (макс. 300 мА 12 В пост. ток).
Белый/черный: Передний левый
В некоторых автомобилях ISO
Серый: Передний правый
разъем может быть разделен на
Расположение штырей ISO
два. В этом случае убедитесь,
разъема может быть
Серый/черный: Передний правый
Примечание:
различным в зависимости от
Зеленый: Задний левый или низкочастотный динамик
что подключили оба разъема.
·
Измените исходные настройки данного устройства (См. Руководство по
типа автомобиля. Соедините 5*
Зеленый/черный: Задний левый или низкочастотный динамик
эксплуатации). Низкочастотный динамик данного устройства обеспечивает
и 6* когда штырь 5 это штырь
Фиолетовый: Задний правый или низкочастотный динамик
монофонический выходной сигнал.
типа управления антенны. В
Фиолетовый/черный:
Задний правый или низкочастотный динамик
·
Когда используется Низкочастотный динамик 70 Вт (2 Ω), будьте уверены,
других типах автомобилей
что соединили с Фиолетовым и Фиолетово/Черным проводами данного
никогда не соединяйте 5* и 6*.
устройства. Ничего не соединяйте с Зеленым и Зелено/Черным проводами.
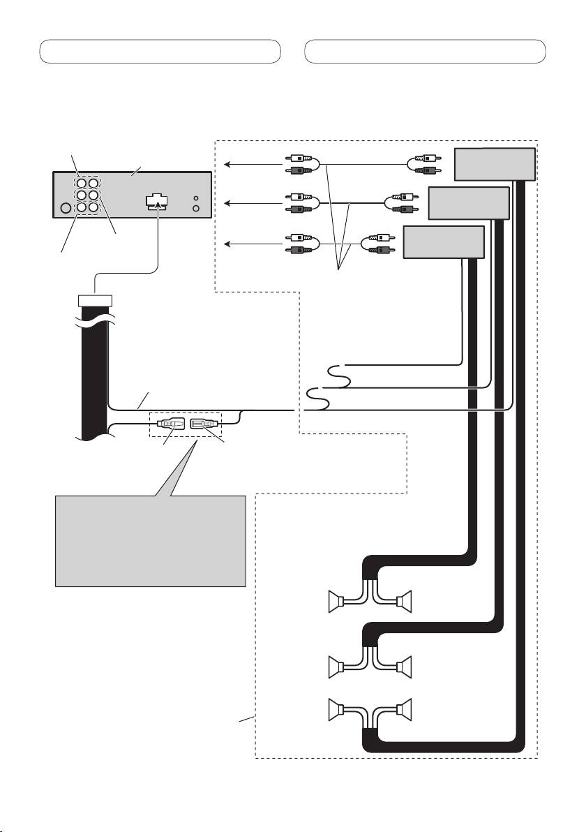
Подключение устройств
5

Подключение устройств
Соединение с усилителем мощности, который продается
отдельно
<YRD5342-A> <54>
Задний выход
Усилитель мощности
Данное устройство
(продается отдельно)
К заднему
выходу
Усилитель мощности
(продается отдельно)
К переднему
выходу
Усилитель мощности
Передний выход
(продается отдельно)
Выход низкочастотного
К выходу
динамика
низкочастотного
динамика
Соедините с кабелями RCA
(продаются отдельно)
Синий/белый
Подключите к клемме системы
контроля усилителя мощности
(макс. 300 мА 12 В пост. ток).
Система дистанционного управления
Синий/белый (6*)
Синий/белый (5*)
Подключите к клемме управления
реле автомобильной антенны
(макс. 300 мА 12 В пост. ток).
Расположение штырей ISO разъема
может быть различным в зависимости
Левый Правый
от типа автомобиля. Соедините 5* и 6*
когда штырь 5 это штырь типа
управления антенны. В других типах
автомобилей никогда не соединяйте
5* и 6*.
Низкочастотный
Низкочастотный
динамик
динамик
Передний
Передний
динамик
динамик
Задний
Задний
динамик
динамик
Выполните данные подключения,
когда используется усилитель,
который не входит в состав
обязательного оборудования.
6





