Pioneer MVH-8300BT: Aansluiten van de apparatuur
Aansluiten van de apparatuur: Pioneer MVH-8300BT

Aansluiten van de apparatuur
Opmerkingen
WAARSCHUWING
• Dit toestel kan niet worden geïnstalleerd in een
voertuig zonder ACC (Accessoire) stand op het
• Om ongevallen en mogelijke wetsovertreding te
contactslot
vermijden, mag nooit vanaf de voorzetels naar
video worden gekeken terwijl het voertuig wordt
bestuurd.
• In sommige landen of staten geldt het verbod op
kijken naar beelden op een display in een voertuig
niet alleen voor de bestuurder maar ook voor
andere inzittenden. Indien dit voor uw regio van
toepassing is, dient u zich hieraan te houden.
LET OP
• PIONEER raadt u af de display zelf in te
bouwen of eventueel onderhoud te verrichten.
Bij verkeerd inbouwen of onderhoud bestaat
de kans op een elektrische schok of een
andere gevaarlijke situatie. Laat inbouwen
en onderhoud van het apparaat over aan
bevoegd Pioneer servicepersoneel.
•
Maak alle draden met kabelklemmen of
isolatietape vast. Let er tevens op dat er geen
draden blootliggen.
• Boor geen gat in het motorruimteschot om
de geel draad van het apparaat naar de
auto-accu te leiden. Door de motortrillingen
kan de aangebrachte isolatie losraken op de
plaats waar de draad van het interieur naar
de motorruimte loopt, met een gevaarlijke
situatie tot gevolg. Zorg ervoor dat u de draad
op de diverse plaatsen stevig vastmaakt.
•
Zor
g ervoor dat de draden de beweging van
de diverse onderdelen van de auto zoals
de versnellingspook, de handrem of het
stoelverschuivingsmechanisme niet hinderen.
• Maak ook geen enk
ele andere draad
korter. Het is anders mogelijk dat het
beveiligingscircuit niet juist werkt.
WAARSCHUWING
LICHTGROENE KABEL BIJ VOEDINGSSTEKKER
IS ONTWORPEN OM DE PARKEERSTATUS
WAAR TE NEMEN EN MOET WORDEN
AANGESLOTEN OP DE VOEDINGSZIJDE VAN HET
HANDREMCONTACT. ONJUISTE AANSLUITING
OF ONJUIST GEBRUIK VAN DEZE KABEL KAN
EEN SCHENDING VAN GELDENDE WETTEN
ZIJN EN KAN ERNSTIG LETSEL OF SCHADE
VEROORZAKEN.
<YRD5342-A> <42>
A
C
C
O
F
N
F
O
S
T
A
R
T
O
F
N
F
O
S
T
A
R
T
ACC stand
Geen ACC stand
• Gebruik van dit toestel onder andere dan de
volgende omstandigheden kan leiden tot brand of
storingen.
— Voertuigen met een negatief geaarde 12 V
accu.
— Luidsprekers van 50 W (uitgangsvermogen) en
4 Ohm tot 8 Ohm (impedantie).
• Om kortsluiting, oververhitting of andere
storingen te voorkomen moet u de onderstaande
instructies opvolgen.
— Koppel de negatieve pool van de accu los voor
u begint met de installatie.
— Zet alle bedrading vast met kabelklemmen
of isolatieband. Ter bescherming van de
bedrading dient u deze te omwikkelen met
isolatieband waar de bedrading met metalen
onderdelen in aanraking komt.
— Houd alle bedrading uit de buurt
van bewegende onderdelen, zoals de
versnellingspook en de stoelenrails.
— Houd de bedrading uit de buurt van
zeer warme plekken, zoals bij een
verwarmingsrooster.
— Leid de gele draad niet door een gat naar het
motorcompartiment om aan te sluiten op de
accu.
— Plak eventuele losse aansluitingen,
draadeinden of stekkers netjes af met
isolatieband.
— Maak de kabels niet korter.
— Tap in geen geval de stroomkabel voor dit
toestel af om andere apparatuur van stroom
te voorzien. Het vermogen van de draad is
beperkt.
— Gebruik een zekering met het voorgeschreven
vermogen.
— Sluit de negatieve luidsprekerdraden in geen
geval direct op aarde aan.
— Bundel de negatieve luidsprekerdraden in
geen geval samen.
2

Aansluiten van de apparatuur
• Via de blauw/witte draad wordt een stuursignaal
geproduceerd wanneer dit toestel is ingeschakeld.
Verbind deze met de systeemafstandsbediening
van een externe eindversterker, of met de
stuuraansluiting voor het relais van de antenne
van het voertuig (max. 300 mA, 12 V gelijkstroom).
Als het voertuig een ruitantenne heeft, dient u
deze draad te verbinden met de stroomaansluiting
van de antennesignaalversterker (booster).
• Verbind de blauw/witte draad in geen geval met de
stroomaansluiting van een externe eindversterker.
Verbind deze draad ook in geen geval met de
stroomaansluiting zelf van de antenne van de
auto. Doet u dit toch, dan kan de accu leeglopen
of kunnen zich andere storingen voordoen.
• De zwarte draad is de aarding. Deze draad en de
aardingen van andere apparatuur (in het bijzonder
producten met een hoog vermogen, zoals een
eindversterker), moeten onafhankelijk van elkaar
worden aangesloten. Doet u dit niet, dan kan er
brand ontstaan of kunnen zich storingen voordoen
wanneer de bedrading onbedoeld los raakt.
Nederlands
3
<YRD5342-A> <43>

Aansluiten van de apparatuur
Aansluiten van het stroomsnoer
<YRD5342-A> <44>
Microfoon ingangsaansluiting
Dit product
(Alleen voor de MVH-8300BT)
4 m
Microfoon
(Alleen voor de MVH-8300BT)
Opmerking:
Antenne-ingang
Zekering (10 A)
Afhankelijk van het soort voertuig is het
Afstandsbediening met draad
mogelijk dat de functies van 2* en 4*
Er kan een adapter voor een afstandsbediening met
verschillen. Let er in een dergelijk geval op
draad worden aangesloten (los verkrijgbaar).
dat u 1* op 4* en 3* op 2* aansluit.
2*
1*
Geel/zwart
Als u apparatuur gebruikt met een functie om het geluid
tijdelijk uit te schakelen (Mute), dient u deze draad aan te
sluiten op de Audio Mute draad van die apparatuur. Zoniet,
4*
3*
dan dient u de Audio Mute draad nergens op aan te sluiten.
Sluit in het algemeen draden van
dezelfde kleur op elkaar aan.
Aansluitmethode
1. Doe de draad in de klem.
2. Maak de
stekkerhelften met
Geel (2*)
Geel (1*)
een kabeltang dicht.
Back-up
Verbinden met de continue
(of accessoire)
12 V stroomaansluiting.
Opmerking:
· De plaats waar de handremschakelaar zich bevindt, hangt af van het automodel. Zie het
instructieboekje van de auto of vraag uw autodealer.
Zekering
Rood (4*)
Rood (3*)
Accessoire
Verbinden met een elektrische
Licht groen
aansluiting die aangestuurd wordt via
(of back-up)
Via deze draad wordt de stand van de handrem
het contactslot (12 V gelijkstroom).
(aangetrokken/ontspannen) doorgegeven. De draad moet
verbonden worden met de stroomaansluiting van de
handremschakelaar.
Oranje/wit
Zekering
Verbinden met de aansluiting van de
verlichtingsschakelaar.
Blauw/wit
Handremscha-
Verbinden met de systeembedieningsaansluiting
Stroomdraad
kelaar
Zwart (chassis aarde)
van de eindversterker (max. 300 mA 12 V
Aansluiten op een schone, blank metalen plek.
gelijkstroom).
Massadraad
Blauw/wit (6*)
ISO stekker
Luidsprekerdraden
Blauw/wit (5*)
Verbinden met de stuuraansluiting van het relais van de
Opmerking:
Wit: Links voor
antenne van het voertuig (max. 300 mA 12 V gelijkstroom).
In sommige voertuigen kan de ISO stekker in
Wit/zwart: Links voor
twee stukken gedeeld zijn. Sluit in een dergelijk
Grijs: Rechts voor
De penposities van de ISO
geval beide stekkers aan.
Grijs/zwart: Rechts voor
stekker hangen mede af van het
Opmerkingen:
Groen: Links achter of subwoofer
type voertuig. Sluit 5* en 6* aan
·
Verander de basisinstelling van dit toestel (zie bladzijde de
Groen/zwarte: Links achter of subwoofer
wanneer pen 5 de antenne
Gebruiksaanwijzing). De subwoofer weergave van dit toestel is in mono.
Paars: Rechts achter of subwoofer
aanstuurt. In andere typen
· Bij gebruik van een subwoofer van 70 W (2 Ω), moet u erop letten dat
Paars/zwarte: Rechts achter of subwoofer
voertuigen hoeft u 5* en 6*
u de aansluiting verricht met de paarse en paars/zwarte draden van
helemaal niet aan te sluiten.
dit toestel. Sluit niets aan op de groene en groen/zwarte draden.
4

Aansluiten van het stroomsnoer
Nederlands
<YRD5342-A> <45>
Microfoon ingangsaansluiting
Dit product
(Alleen voor de MVH-8300BT)
4 m
Microfoon
(Alleen voor de MVH-8300BT)
Opmerking:
Antenne-ingang
Zekering (10 A)
Afhankelijk van het soort voertuig is het
Afstandsbediening met draad
mogelijk dat de functies van 2* en 4*
Er kan een adapter voor een afstandsbediening met
verschillen. Let er in een dergelijk geval op
draad worden aangesloten (los verkrijgbaar).
dat u 1* op 4* en 3* op 2* aansluit.
1*
2*
Geel/zwart
Als u apparatuur gebruikt met een functie om het geluid
tijdelijk uit te schakelen (Mute), dient u deze draad aan te
sluiten op de Audio Mute draad van die apparatuur. Zoniet,
3*
4*
dan dient u de Audio Mute draad nergens op aan te sluiten.
Sluit in het algemeen draden van
dezelfde kleur op elkaar aan.
Aansluitmethode
1. Doe de draad in de klem.
2. Maak de
stekkerhelften met
Geel (2*)
Geel (1*)
een kabeltang dicht.
Back-up
Verbinden met de continue
(of accessoire)
12 V stroomaansluiting.
Opmerking:
· De plaats waar de handremschakelaar zich bevindt, hangt af van het automodel. Zie het
instructieboekje van de auto of vraag uw autodealer.
Zekering
Rood (4*)
Rood (3*)
Accessoire
Verbinden met een elektrische
Licht groen
aansluiting die aangestuurd wordt via
(of back-up)
Via deze draad wordt de stand van de handrem
het contactslot (12 V gelijkstroom).
(aangetrokken/ontspannen) doorgegeven. De draad moet
verbonden worden met de stroomaansluiting van de
handremschakelaar.
Oranje/wit
Zekering
Verbinden met de aansluiting van de
verlichtingsschakelaar.
Blauw/wit
Handremscha-
Verbinden met de systeembedieningsaansluiting
Stroomdraad
kelaar
Zwart (chassis aarde)
van de eindversterker (max. 300 mA 12 V
Aansluiten op een schone, blank metalen plek.
gelijkstroom).
Massadraad
Blauw/wit (6*)
Luidsprekerdraden
ISO stekker
Blauw/wit (5*)
Verbinden met de stuuraansluiting van het relais van de
Wit: Links voor
Opmerking:
antenne van het voertuig (max. 300 mA 12 V gelijkstroom).
Wit/zwart: Links voor
In sommige voertuigen kan de ISO stekker in
Grijs: Rechts voor
twee stukken gedeeld zijn. Sluit in een dergelijk
De penposities van de ISO
Grijs/zwart: Rechts voor
geval beide stekkers aan.
stekker hangen mede af van het
Opmerkingen:
Groen: Links achter of subwoofer
type voertuig. Sluit 5* en 6* aan
·
Verander de basisinstelling van dit toestel (zie bladzijde de
Groen/zwarte: Links achter of subwoofer
wanneer pen 5 de antenne
Gebruiksaanwijzing). De subwoofer weergave van dit toestel is in mono.
Paars: Rechts achter of subwoofer
aanstuurt. In andere typen
· Bij gebruik van een subwoofer van 70 W (2 Ω), moet u erop letten dat
Paars/zwarte: Rechts achter of subwoofer
voertuigen hoeft u 5* en 6*
u de aansluiting verricht met de paarse en paars/zwarte draden van
helemaal niet aan te sluiten.
dit toestel. Sluit niets aan op de groene en groen/zwarte draden.
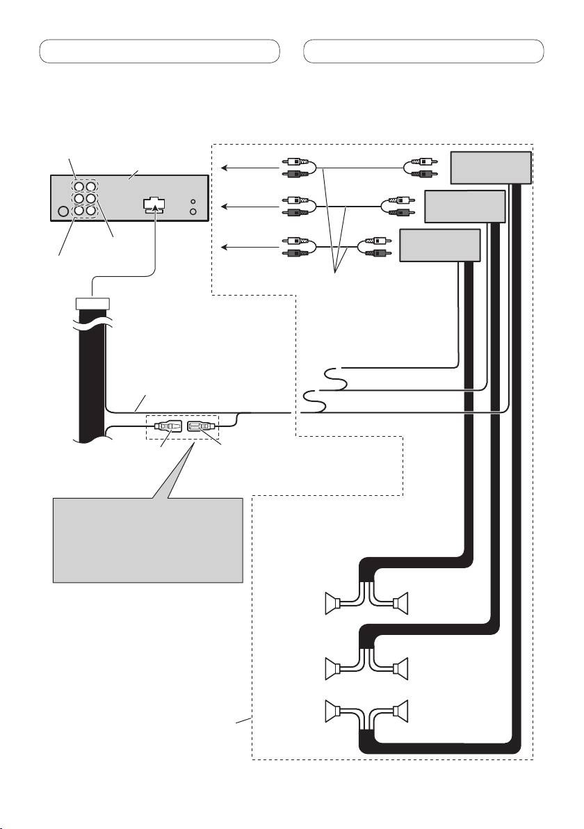
Aansluiten van de apparatuur
5

Aansluiten van de apparatuur
Bij aansluiting op een los verkrijgbare eindversterker
<YRD5342-A> <46>
Achteruitgang
Eindversterker
Dit product
(los verkrijgbaar)
Naar
achteruitgang
Eindversterker
(los verkrijgbaar)
Naar
vooruitgang
Eindversterker
Vooruitgang
(los verkrijgbaar)
Subwoofer uitgang
Naar
subwoofer-uitgang
Aansluiten met RCA
(tulpstekker) kabels
(los verkrijgbaar)
Blauw/wit
Verbinden met de
systeembedieningsaansluiting
van de eindversterker (max.
300 mA 12 V gelijkstroom).
Systeemafstandsbediening
Blauw/wit (6*)
Blauw/wit (5*)
Verbinden met de stuuraansluiting van
het relais van de antenne van het voertuig
(max. 300 mA 12 V gelijkstroom).
De penposities van de ISO stekker hangen
mede af van het type voertuig. Sluit 5* en
Links Rechts
6* aan wanneer pen 5 de antenne
aanstuurt. In andere typen voertuigen
hoeft u 5* en 6* helemaal niet aan te
sluiten.
Subwoofer Subwoofer
Voor-
Voor-
luidspreker
luidspreker
Achter-
Achter-
luidspreker
luidspreker
Voer deze verbindingen uit
wanneer u de los verkrijgbare
versterker gebruikt.
6





