Pioneer MVH-8300BT: Conexión de las unidades
Conexión de las unidades: Pioneer MVH-8300BT

Conexión de las unidades
Notas
ADVERTENCIA
• No se puede instalar esta unidad en un vehículo
sin una posición ACC (accesorio) en el interruptor
• Para evitar el riesgo de accidentes y la posible
de encendido.
violación de las leyes pertinentes, no se debe
nunca visualizar el vídeo en el asiento delantero
mientras se esté conduciendo el vehículo.
• En algunos países o estados, puede ser ilícita la
visualización de imágenes en un display dentro
de un vehículo, incluso por otras personas que
no sean el conductor. Se deben respetar estas
normas en los casos en que resulten aplicables.
PRECAUCIÓN
• PIONEER no recomienda que sea usted
mismo quien instale o revise su pantalla. La
instalación o revisión del producto puede
exponerle a descargas eléctricas u otros
peligros. Solicite que todos los trabajos
de instalación y revisión de su pantalla
los realice el personal de servicio Pioneer
autorizado.
•
Asegur
e todo el cableado con abrazaderas
de cables o cinta para usos eléctricos. No
permita que el cableado pelado permanezca
expuesto.
• No taladr
e un agujero en el compartimiento
del motor para conectar el cable amarillo
de la unidad a la batería del vehículo. La
vibración del motor podría estropear el
aislamiento en el punto por donde el cable
pasa del compartimiento de los pasajeros
al compartimiento del motor. Tenga mucho
cuidado para mantener el buen estado del
cable en lo relativo a este punto.
•
Asegúrese de que los cables no interfieran
con partes móviles del vehículo tales como
la palanca de cambio, el freno de mano o el
mecanismo de deslizamiento de los asientos.
• Nunca acorte los cables. Si lo hace, el
cir
cuito de protección tal vez no funcione
correctamente.
ADVERTENCIA
EL CABLE VERDE CLARO DEL CONECTOR
DE ALIMENTACIÓN ESTÁ DISEÑADO PARA
DETECTAR SI EL VEHÍCULO ESTÁ ESTACIONADO
Y DEBE CONECTARSE CON EL LADO DE LA
FUENTE DE ALIMENTACIÓN DEL INTERRUPTOR
DEL FRENO DE MANO. LA CONEXIÓN O EL USO
INCORRECTO DE ESTE CABLE PUEDE INFRINGIR
LAS LEYES PERTINENTES Y OCASIONAR
LESIONES FÍSICAS O DAÑOS GRAVES.
<YRD5342-A> <26>
A
C
C
O
F
N
F
O
S
T
A
R
T
O
F
N
F
O
S
T
A
R
T
Posición ACC
Sin posición ACC
• El uso de esta unidad en condiciones diferentes
de las siguientes podría causar un fuego o fallo de
funcionamiento.
— Vehículos con una batería de 12 voltios y
puesta a tierra negativa.
— Altavoz con 50 W (valor de salida) y de 4 a 8
ohmios (valor de impedancia).
• Para prevenir cortocircuitos, sobrecalentamiento
o fallo de funcionamiento, asegúrese de seguir las
instrucciones a continuación.
— Desenchufe el terminal negativo de la batería
antes de la instalación.
— Fije el cableado con abrazaderas de cable o
con cinta adhesiva. Para proteger el cableado,
envuélvalo con cinta adhesiva donde el
cableado se apoya sobre piezas metálicas.
— Posicione todos los cables alejados de las
piezas móviles, como el cambio de marchas y
rieles de los asientos.
— Posicione todos los cables alejados de
lugares calientes como cerca de la salida del
calentador.
— No pase el cable amarillo a través de un
agujero en el compartimiento del motor para
conectar la batería.
— Cubra cualquier conector de cable
desconectado con cinta de aislamiento.
— No acorte ningún cable.
— No corte nunca el aislamiento del cable de
alimentación de esta unidad para compartir
la energía con otro equipo. La capacidad de
corriente del cable es limitada.
— Utilice un fusible con la capacidad
especificada.
— No conecte nunca el cable negativo de altavoz
directamente a la puesta a tierra.
— No junte nunca múltiples cables negativos de
altavoz.
2

Conexión de las unidades
• La señal de control se emite a través del cable
azul/blanco cuando se enciende esta unidad.
Conéctelo a un terminal de control de sistema de
amplificador de potencia externo o al terminal de
control de relé de antena automática del vehículo
(máx. 300 mA, 12 V CC). Si el vehículo está
equipado con una antena de vidrio, conéctelo al
terminal de suministro de potencia de refuerzo de
la antena.
• No conecte nunca el cable azul/blanco al terminal
de alimentación de un amplificador de potencia
externo. Igualmente, no conéctelo nunca al
terminal de alimentación de la antena automática.
De lo contrario, puede ocurrir la descarga de la
batería o un fallo de funcionamiento.
• El cable negro es para la puesta a tierra. Se debe
conectar este cable y el cable de puesta a tierra
de otro producto (especialmente de productos de
alta corriente como un amplificador de potencia)
separadamente. De lo contrario, puede ocurrir un
fuego o fallo de funcionamiento si los cables se
sueltan accidentalmente.
Español
3
<YRD5342-A> <27>

Conexión de las unidades
Conexión del cable de alimentación
<YRD5342-A> <28>
Entrada de micrófono
Este producto
(solamente MVH-8300BT)
4 m
Micrófono
(solamente MVH-8300BT)
Nota:
Entrada para antena
Fusible (10 A)
Dependiendo del tipo de vehículo, la
Entrada remota cableada
función de 2* y 4* puede ser diferente. En
Se puede conectar el adaptador
este caso, asegúrese de conectar 1* a 4*
de control remoto cableado
y 3* a 2*.
(vendido separadamente)
2*
1*
Amarillo/negro
Si se utiliza un equipo con función de silenciamiento, conecte
este conductor con el conductor de silenciamiento de audio
en tal parte del equipo. De lo contrario, mantenga el conductor
4*
3*
de silenciamiento de audio libre de conexiones.
Conecte los hilos del mismo
color a cada otro.
Método de conexión
1. Apriete el cable.
2. Apriete firmemente
con alicates de
Amarillo (2*)
Amarillo (1*)
punta de aguja.
Reserva
Conecte el terminal de
(o accesorio)
suministro de 12 V constante.
Nota:
· La posición del freno de estacionamiento depende del modelo del vehículo. Para conocer
detalles, consulte el manual del propietario del vehículo o a su concesionario.
Resistencia
Rojo (4*)
Rojo (3*)
de fusible
Accesorio
Conecte al terminal controlado por del
Verde claro
(o reserva)
interruptor de encendido (12 V CC).
Se utiliza para detectar el estado ON/OFF del freno de mano. Este
cable debe conectarse al lado de alimentación del interruptor del
freno de mano.
Anaranjado/blanco
Resistencia
Conecte al terminal de interruptor de iluminación.
de fusible
Azul/blanco
Interruptor del
Conecte al terminal de control de sistema del
Lado de alimentación
freno de mano
Negro (masa de la carrocería)
amplificador de potencia (máx. 300 mA 12 V CC).
Conecte a un punto de metal limpio, libre de pintura.
Lado de masa
Azul/blanco (6*)
Conector ISO
Hilos de altavoz
Azul/blanco (5*)
Conecte al terminal de control de relé de antena
Nota:
Blanco: Izquierda delantera
automática (máx. 300 mA 12 V CC).
En algunos vehículos, puede que el conector
Blanco/negro: Izquierda delantera
ISO esté dividido en dos. En este caso,
La posición de los contactos del
Gris: Derecha delantera
asegúrese de conectar a ambos conectores.
conector ISO difiere
Gris/negro: Derecha delantera
dependiendo del tipo del
Notas:
Verde: Izquierda trasera o altavoz de subgraves
vehículo. Conecte 5* y 6*
·
Cambie el ajuste inicial de esta unidad (refiérase al manual de operación).
Verde/negro: Izquierda trasera o altavoz de subgraves
cuando el contacto 5 es del tipo
La salida de altavoz de subgraves de esta unidad es monofónica.
Violeta: Derecha trasera o altavoz de subgraves
de control de antena. En otros
· Cuando utilice un altavoz de subgraves de 70 W (2 Ω), asegúrese de
Violeta/negro: Derecha trasera o altavoz de subgraves
tipos de vehículo, no conecte
conectarlo con los hilos Violeta y Violeta/negro de esta unidad. No
nunca 5* y 6*.
conecte nada con los hilos Verde y Verde/negro.
4

Conexión del cable de alimentación
Español
<YRD5342-A> <29>
Entrada de micrófono
Este producto
(solamente MVH-8300BT)
4 m
Micrófono
(solamente MVH-8300BT)
Nota:
Entrada para antena
Fusible (10 A)
Dependiendo del tipo de vehículo, la
Entrada remota cableada
función de 2* y 4* puede ser diferente. En
Se puede conectar el adaptador
este caso, asegúrese de conectar 1* a 4*
de control remoto cableado
y 3* a 2*.
(vendido separadamente)
1*
2*
Amarillo/negro
Si se utiliza un equipo con función de silenciamiento, conecte
este conductor con el conductor de silenciamiento de audio
en tal parte del equipo. De lo contrario, mantenga el conductor
3*
4*
de silenciamiento de audio libre de conexiones.
Conecte los hilos del mismo
color a cada otro.
Método de conexión
1. Apriete el cable.
2. Apriete firmemente
con alicates de
Amarillo (2*)
Amarillo (1*)
punta de aguja.
Reserva
Conecte el terminal de
(o accesorio)
suministro de 12 V constante.
Nota:
· La posición del freno de estacionamiento depende del modelo del vehículo. Para conocer
detalles, consulte el manual del propietario del vehículo o a su concesionario.
Resistencia
Rojo (4*)
Rojo (3*)
de fusible
Accesorio
Conecte al terminal controlado por del
Verde claro
(o reserva)
interruptor de encendido (12 V CC).
Se utiliza para detectar el estado ON/OFF del freno de mano. Este
cable debe conectarse al lado de alimentación del interruptor del
freno de mano.
Resistencia
Anaranjado/blanco
de fusible
Conecte al terminal de interruptor de iluminación.
Azul/blanco
Interruptor del
Conecte al terminal de control de sistema del
Lado de alimentación
freno de mano
Negro (masa de la carrocería)
amplificador de potencia (máx. 300 mA 12 V CC).
Conecte a un punto de metal limpio, libre de pintura.
Lado de masa
Azul/blanco (6*)
Conector ISO
Hilos de altavoz
Azul/blanco (5*)
Conecte al terminal de control de relé de antena
Nota:
Blanco: Izquierda delantera
automática (máx. 300 mA 12 V CC).
En algunos vehículos, puede que el conector
Blanco/negro: Izquierda delantera
ISO esté dividido en dos. En este caso,
La posición de los contactos del
Gris: Derecha delantera
asegúrese de conectar a ambos conectores.
conector ISO difiere
Gris/negro: Derecha delantera
dependiendo del tipo del
Notas:
Verde: Izquierda trasera o altavoz de subgraves
vehículo. Conecte 5* y 6*
·
Cambie el ajuste inicial de esta unidad (refiérase al manual de operación).
Verde/negro: Izquierda trasera o altavoz de subgraves
cuando el contacto 5 es del tipo
La salida de altavoz de subgraves de esta unidad es monofónica.
Violeta: Derecha trasera o altavoz de subgraves
de control de antena. En otros
· Cuando utilice un altavoz de subgraves de 70 W (2 Ω), asegúrese de
Violeta/negro: Derecha trasera o altavoz de subgraves
tipos de vehículo, no conecte
conectarlo con los hilos Violeta y Violeta/negro de esta unidad. No
nunca 5* y 6*.
conecte nada con los hilos Verde y Verde/negro.
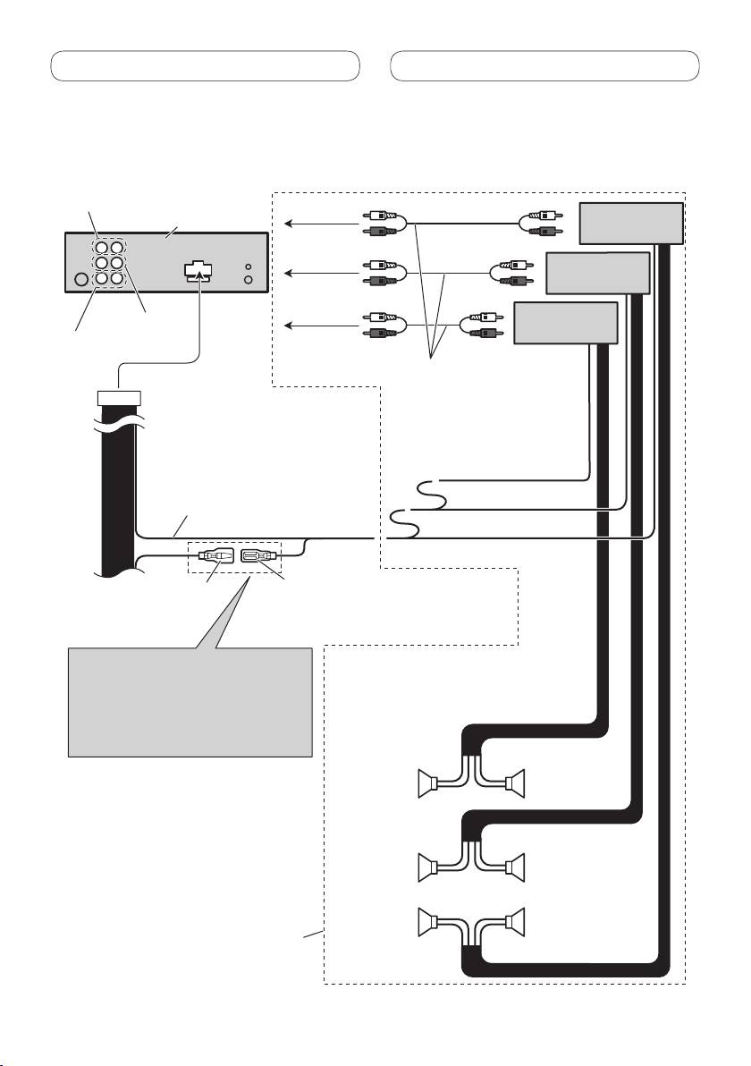
Conexión de las unidades
5

Conexión de las unidades
Cuando conecte a un amplificador de potencia vendido
separadamente
<YRD5342-A> <30>
Salida trasera
Amplificador de
Este producto
potencia (vendido
separadamente)
A la salida
trasera
Amplificador de
potencia (vendido
separadamente)
A la salida
delantera
Amplificador de
Salida delantera
potencia (vendido
Salida de altavoz
separadamente)
A salida de
de subgraves
altavoz de
Conecte los cables RCA
subgraves
(vendidos separadamente)
Azul/blanco
Conecte al terminal de
control de sistema del
amplificador de potencia
(máx. 300 mA 12 V CC).
Control remoto de sistema
Azul/blanco (6*)
Azul/blanco (5*)
Conecte al terminal de control
de relé de antena automática
(máx. 300 mA 12 V CC).
La posición de los contactos del conector
ISO difiere dependiendo del tipo del
Izquierda Derecha
vehículo. Conecte 5* y 6* cuando el
contacto 5 es del tipo de control de
antena. En otros tipos de vehículo, no
conecte nunca 5* y 6*.
Altavoz de
Altavoz de
subgraves
subgraves
Altavoz
Altavoz
delantero
delantero
Altavoz
Altavoz
trasero
trasero
Realice estas conexiones cuando
utilice el amplificador opcional.
6





