Pioneer A-10-S – page 3
Manual for Pioneer A-10-S
Table of contents

A30_SYXE8-It.book Page 5 Thursday, February 16, 2012 11:27 AM
Collegamento 02
English
Capitolo 2:
Attenzione
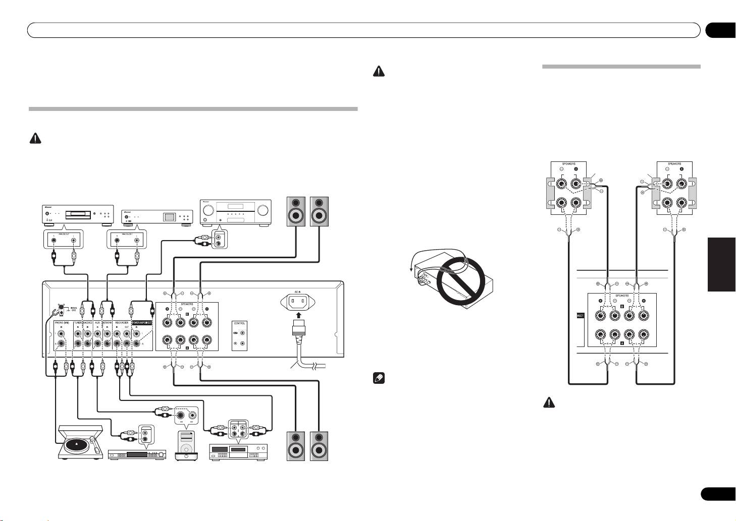
Informazioni sul “biwiring”
• Il terminale SIGNAL GND è fornito per ridurre i
Collegamento
disturbi quando l’unità è collegata a componenti
Questa unità può essere usata con altoparlanti che
come un giradischi.
supportano il biwiring. Assicurarsi di collegare
• Non collegare i terminali PHONO (MM) a
correttamente i collegamenti ad alta frequenza e
componenti diversi dai giradischi; inoltre, non
bassa frequenza.
Collegamento dei cavi
collegare giradischi dotati di equalizzatore
• Durante la riproduzione, assicurarsi che sia il
integrato. Potrebbe essere prodotta un’uscita
pulsante SPEAKERS A sia il pulsante SPEAKERS B
siano impostati su ON (pagina 7).
Attenzione
audio di volume eccessivamente elevato,
provocando danni agli altoparlanti o ad altri
• Prima di effettuare o modificare i collegamenti, spegnere l’unità e scollegare il cavo di alimentazione dalla presa
Sistema di altoparlanti
Sistema di altoparlanti
dispositivi.
di corrente CA.
Destra
Rimuovere la barra
Sinistra
• I terminali PHONO (MM) dell’unità sono progettati
• Collegare il cavo di alimentazione dopo avere collegato tutti i dispositivi.
di corto circuito tra i
per essere usati con giradischi dotati di cartucce di
tipo MM (a magnete mobile). Non possono essere
HIGH
terminali + e –.
HIGH
Jack PRE OUT del
DeutschFrançais
usati giradischi dotati di cartucce MC (a bobina
preamplificatore o
Sistema di altoparlanti B
Destra
mobile).
dell’amplificatore AV
Sinistra
Lettore SACD/CD
• Avere cura di non piegare i cavi sulla parte
Lettore audio di rete
superiore di questa unità (come mostrato in figura).
LOW
LOW
Se ciò dovesse accadere, il campo magnetico
prodotto dai trasformatori presenti nell’unità
PRE OUT
potrebbe causare l’emissione di un ronzio dai
L
L
diffusori.
Solo per il
R
R
Italiano Español Русский
Pannello
R
L
R
L
modello A-30
posteriore
A-30
Pannello posteriore A-30
Nederlands
L
R
L
R
L
R
• I terminali POWER AMP DIRECT dell’unità non
dovrebbero mai essere collegati a connettori di altri
componenti, fatta eccezione per quelli delle uscite
pre-amplificate.
• Se il giradischi dispone di un filo di massa, fissarlo
Cavo di
al terminale di messa a terra dell’amplificatore.
R
L
R
L
R
L
R
L
R
L
alimentazione
(incluso)
Nota
• Quando si collega un registratore di audiocassette,
si potrebbero sentire dei disturbi durante la
Attenzione
L
riproduzione, ciò dipende dal luogo d’installazione.
R
Questo disturbo è causato da una perdita di flusso
• Quando si usa il biwiring per collegare gli
RL
OUTPUT
AUDIO
PLAY
REC
dal trasformatore dell’amplificatore. In questo
altoparlanti, evitare effetti negativi
OUTPUT
L
L
L
caso, cambiare la posizione d’installazione, o
L
L
sull’amplificatore accertandosi di rimuovere le
Music>
Extras>
iPod
R
Settings>
R
R
R
R
Shuffle Songs
Backlight
allontanare il registratore dall’amplificatore.
barre di corto circuito HIGH e LOW fornite in
MENU
• iPod è un marchio di fabbrica di Apple Inc.,
dotazione con gli altoparlanti. Per informazioni
registrato negli Stati Uniti ed in altri Paesi.
dettagliate, consultare le istruzioni fornite con gli
altoparlanti.
Giradischi
Sintonizzatore
Dock iPod,
Registratore CD
Destra
Sinistra
eccetera
o audiocassette
Sistema di altoparlanti A
5
It

02 Collegamento
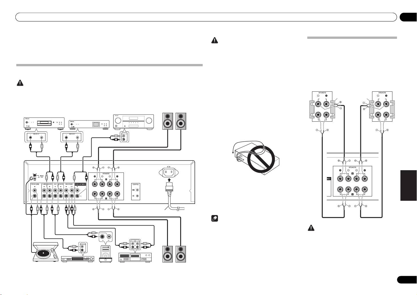
• Quando si usano altoparlanti con circuiti di rete
• Assicurarsi che tutti i cavi nudi degli altoparlanti
rimovibili, notare che se la rete è rimossa, non sarà
siano attorcigliati tra loro e inseriti completamente
prodotto alcun effetto e gli altoparlanti potrebbero
nel terminale dell'altoparlante. Se uno qualsiasi dei
subire danni.
cavi nudi degli altoparlanti tocca il pannello
• Un altro metodo di collegamento è quello di
posteriore, il sistema potrebbe spegnersi come
collegare i terminali SPEAKERS A a HIGH e i
misura di sicurezza.
terminali SPEAKERS B a LOW (inversamente
rispetto a quello che è mostrato nella figura).
Collegamento dei cavi audio
Collegare la spina bianca al jack sinistra (bianco) e la
Collegamento dei cavi degli
spina rossa al jack destra (rosso). Assicurarsi di inserire
completamente le spine nei jack.
altoparlanti
1 Attorcigliare i fili del cavo.
2 Allentare il dado del terminale
SPEAKERS
e inserire il cavo nel foro esposto
presente nell
’
asta del terminale.
3 Serrare di nuovo il dado del terminale.
123
Attenzione
• Quando si usa solo una serie di terminali per
altoparlanti (SPEAKERS A o SPEAKERS B), o
quando si usano collegamenti biwiring,
l’altoparlante usato deve avere un’impedenza
nominale compresa tra 4 Ω e 16 Ω. Quando si
usano entrambe le serie di terminali, gli
altoparlanti collegati devono avere
un’impedenza nominale compresa tra 8 Ω e
32 Ω. Per informazioni in dettaglio sul valore
dell'impedenza consultare le istruzioni fornite
con gli altoparlanti.
• Assicurarsi che i terminali positivo e negativo (+/–)
dell’amplificatore corrispondano a quelli degli
altoparlanti.
• I terminali degli altoparlanti sono sotto tensione,
alla stessa PERICOLOSA tensione della corrente di
rete. Per prevenire il rischio di scosse elettriche
quando si collegano o disconnettono i cavi degli
altoparlanti, staccare il cavo di alimentazione prima
di toccare qualsiasi parte non isolata.
6
It
10 mm
Sinistra (bianco)
Destra (rosso)
Uso del dispositivo di regolazione
Collegamento
centralizzato con altri componenti
Pioneer (tranne che per il modello
Importante
A-10)
• Quando si parte per un viaggio, oppure non si usa
Più componenti Pioneer dotati di jack CONTROL IN/
l’unità per un periodo di tempo prolungato,
OUT possono essere collegati all’unità A-30/A-20,
staccare sempre il cavo di alimentazione dalla
consentendo il controllo centralizzato dei componenti
presa di corrente. Notare che varie impostazioni
tramite il sensore remoto del dispositivo A-30/A-20.
interne non andranno perse nemmeno se il cavo di
Questo permette di controllare componenti non dotati di
alimentazione è staccato dalla presa di corrente per
sensore remoto, oppure che sono installati in luoghi
un lungo periodo di tempo.
dove non è possibile accedere al sensore remoto del
• Se è necessario staccare il cavo di alimentazione,
componente.
prima accertarsi di premere il pulsante
/I
STANDBY/ON situato sul pannello frontale
dell’unità in modo che il dispositivo A-30/A-20 sia
spento o il dispositivo A-10 entri in modalità di
standby prima di disinserire il cavo.
Attenzione
• L’utilizzo di un cavo di alimentazione diverso da
quello fornito renderà invalida la garanzia, dal
momento che Pioneer non si assumerà la
responsabilità di eventuali danni prodottisi. (Il cavo
di alimentazione fornito con il modello A-30 ha una
corrente nominale di 10 A, mentre i cordoni forniti
con i modelli A-20/A-10 hanno una corrente
nominale pari a 2,5 A.)
• Non usare cavi di alimentazione diversi da quelli
forniti in dotazione con questa unità.
• Non usare il cavo di alimentazione fornito per scopi
diversi da quelli descritti di seguito.
Dopo avere eseguito tutti i collegamenti, collegare
l’unità a una presa AC.
Nota
• Per i collegamenti usare un cavo mini plug mono
(senza resistenza) reperibile in commercio.
• Quando si collegano i jack CONTROL IN/OUT, per
eseguire i collegamenti analogici devono inoltre
essere usati dei cavi audio disponibili sul mercato.
1 Collegare il cavo di alimentazione
Collegare soltanto i jack CONTROL IN/OUT non
permette un adeguato controllo del sistema.
fornito in dotazione alla presa
AC IN
• Quando un cavo di controllo è collegato al jack
posizionata sul pannello posteriore
CONTROL IN del dispositivo A-30/A-20, l’unità non
dell’unità.
può essere controllata puntando il telecomando
verso il dispositivo A-30/A-20 (il sensore remoto è
2 Collegare l’altra estremità a una presa
automaticamente disabilitato).
AC.
IN
OUT
CONTROL
All’altro
dispositivo
Pioneer dotato di
jack CONTROL IN
Altro dispositivo
Pioneer dotato di jack
CONTROL IN/OUT
A-30/A-20
Puntare il
Telecomando
telecomando verso il
A-30/A-20
sensore dei
dispositivi A-30/A-20.
Pannello posteriore
A-30
Alla presa AC
Cavo di alimentazione
02_connecting_up.fm 6 ページ 2012年6月21日 木曜日 午後2時10分

A30_SYXE8-It.book Page 7 Thursday, February 16, 2012 11:27 AM
Comandi e display 03
English
Capitolo 3:
6 Sensore remoto (
tranne che per il modello
12 Comando VOLUME
A-10
)
Utilizzare per regolare il livello del volume. (Consente
Riceve i segnali dal telecomando (pagina 4).
anche la regolazione del volume delle cuffie.)
Comandi e display
7Presa
PHONES
13 Manopola/spie
INPUT SELECTOR
Usare per collegare le cuffie. Quando il pulsante POWER
Girare la manopola in senso orario o antiorario per
AMP DIRECT è acceso non viene prodotto suono.
accendere la spia indicante la sorgente di ingresso
Pannello frontale
desiderata. Girando la manopola in senso orario si
8 Pulsante/spia DIRECT
accende la spia di destra. Girandola in senso antiorario
1
2 54
3
On : La spia si accende: Quando questo pulsante è
si accende la spia di sinistra. Quando si preme il tasto
A-30
posizionato su ON, i segnali audio sono emessi
MUTE del telecomando per silenziare l’audio, la spia
direttamente, senza passare attraverso i vari circuiti di
indicante la sorgente di ingresso selezionata usando la
regolazione (BASS, TREBLE, BALANCE, LOUDNESS).
manopola INPUT SELECTOR lampeggia.
Questo permette la riproduzione dei segnali con una
maggiore fedeltà, ma disabilita tutte le impostazioni
14 Pulsante/spia
POWER AMP DIRECT
DeutschFrançais
configurate per i comandi BASS, TREBLE, BALANCE o
(solo per il modello A-30)
LOUDNESS.
Premere questo pulsante quando il dispositivo A-30 è
Off : La spia si spegne: Il segnale passa attraverso i vari
usato come amplificatore di potenza (pagina 10).
circuiti di regolazione della frequenza. Quando la spia è
spenta, le regolazioni possono essere eseguite con i
comandi BASS, TREBLE, BALANCE e LOUDNESS.
6
7
8
9
10 11 12
13 14
9 Comando per la regolazione del tono
Italiano Español Русский
BASS
1
/I
STANDBY/ON
4 Pulsante/spia
SPEAKERS B
Utilizzare per regolare i toni che operano sulle frequenze
basse. La posizione centrale è la posizione di mezzo tono
Accende e spegne l’amplificatore.
Usare questo pulsante per ascoltare l’audio dal sistema
(normale). Quando il comando viene ruotato verso
Quando l’alimentazione è attivata, la spia di
di altoparlanti collegato ai terminali SPEAKERS B.
destra, i toni a bassa frequenza vengono accentuati;
alimentazione posizionata al centro del pulsante si
On :
La spia si accende. Il sistema di altoparlanti produce
quando è ruotato verso sinistra, si toglie loro enfasi.
accende.
del suono. (Anche la presa
PHONES
produrrà del suono.)
• Questo tasto non funziona quando il pulsante
• Per il modello A-10, questo tasto accende e mette in
Off : La spia si spegne. Il sistema di altoparlanti non
DIRECT è in posizione di accensione.
Nederlands
standby l’amplificatore.
produce suono. Impostare su questa posizione quando
si usano le cuffie.
10 Comando per la regolazione del tono
2Spia
STANDBY/APD
TREBLE
Quando l’alimentazione è in modalità di standby, la spia
5 Pulsante/spia
LOUDNESS
Utilizzare per regolare i toni che operano sulle frequenze
si accende assumendo un colore rosso. Quando la
Usare per l’ascolto a volume basso.
alte. La posizione centrale è la posizione di mezzo tono
funzione di spegnimento automatico
On : La spia si accende: Potenzia le frequenze alte e
(normale). Quando il comando viene ruotato verso
(Auto Power Down – APD) è attiva, la spia si accende
basse per conferire maggior forza alla riproduzione
destra, i toni ad alta frequenza vengono accentuati;
assumendo un colore verde (pagina 11).
anche a volume basso.
quando è ruotato verso sinistra, si toglie loro enfasi.
3 Pulsante/spia
SPEAKERS A
Off : La spia si spegne: Di norma il pulsante dovrebbe
• Questo tasto non funziona quando il pulsante
Usare questo pulsante per ascoltare l’audio dal sistema
essere lasciato in questa posizione.
DIRECT è in posizione di accensione.
di altoparlanti collegato ai terminali SPEAKERS A.
• Questo tasto non funziona quando il pulsante
On : La spia si accende. Il sistema di altoparlanti
DIRECT è in posizione di accensione.
11 Comando
BALANCE
• Quando si alza il volume, la quantità di
Di norma dovrebbe essere lasciato in posizione centrale.
produce del suono. (Anche la jack PHONES produrrà del
cambiamento prodotta dal circuito LOUDNESS
Se il suono esce con più forza da uno degli altoparlanti
suono.)
Off : La spia si spegne. Il sistema di altoparlanti non
viene ridotta.
regolare il bilanciamento. Se il suono fuoriesce più forte
dal lato destro, ruotare il comando verso la posizione L
produce suono. Impostare su questa posizione quando
(sinistra), se è più forte in uscita dal lato sinistro, ruotarlo
si usano le cuffie.
verso la posizione R (destra).
• Questo tasto non funziona quando il pulsante
DIRECT è in posizione di accensione.
7
It

A30_SYXE8-It.book Page 8 Thursday, February 16, 2012 11:27 AM
03 Comandi e display
Pannello posteriore
Per informazioni in dettaglio sui collegamenti fare riferimento alle pagine 5-6.
1 6
2
2 23 24 25
A-30
28 2
10
12
2
7
9
1311
14
1 Terminale GND (terra piatto giradischi)
10 Terminali
AUX
IN
Questo terminale di terra è stato progettato per ridurre il
disturbo quando è collegato un giradischi. Non è una
11 Terminali
NETWORK
IN
messa a terra di sicurezza.
12 Terminali
RECORDER IN/OUT
2 Terminali
SPEAKERS A
(canale destro)
13 Terminali
POWER AMP DIRECT
IN
3 Terminali
SPEAKERS B
(canale destro)
(solo modello A-30)
Quando si usa il dispositivo A-30 come amplificatore di
4 Terminali
SPEAKERS B
(canale sinistro)
potenza, collegare qui il preamplificatore (pagina 10).
5 Terminali
SPEAKERS A
(canale sinistro)
14 Presa
CONTROL IN/OUT
(tranne che per il
modello A-10)
6Presa
AC IN
Collegare il cavo di alimentazione qui e a una presa a
muro di tipo AC.
7 Terminali
PHONO (MM)
IN
8 Terminali
TUNER
IN
9 Terminali
SACD/CD
IN
8
It

A30_SYXE8-It.book Page 9 Monday, March 5, 2012 2:13 PM
Comandi e display 03
English
1
STANDBY/ON
Telecomando (tranne che per il modello A-10)
Accende l’amplificatore o lo pone in standby.
2 Pulsanti del selettore di ingresso
A-30
A-20
Premere questo pulsante per selezionare una sorgente
di ingresso. In tal modo si seleziona il componente
STANDBY/ON DIMMER
collegato all’ingresso corrispondente del pannello
1
8
posteriore.
SACD/CD NETWORK PHONO
1
8
• Quando il dispositivo A-30 è collegato, il pulsante
OPTION è disabilitato.
TUNER
AUX RECORDER
2
3 Pulsanti del comando SACD PLAYER
OPTION
5
Usare per gestire il lettore SACD Pioneer.
INPUT
9
2
(Non può essere utilizzato per impostare la riproduzione/
SACD PLAYER
FUNC
7
pausa sui modelli PD-D6/PD-D6MK2/PD-D9/PD-D9MK2.)
DeutschFrançais
3
34
10
4 Pulsanti del comando NETWORK AUDIO
NETWORK AUDIO PLAYER
FUNC
PLAYER
3
11
Usare per regolare il lettore audio di rete Pioneer.
4
5
LOUDNESS
LOUDNESS
VOLUME
Usare per attivare/disattivare il circuito del volume
6
5
A
10
(pagina 7).
MUTE
SPEARKERS
Italiano Español Русский
6
B
11
6
MUTE
Consente di eliminare/ripristinare l’audio.
34
12
12
7
DIRECT
NETWORK AUDIO PLAYER
Premere per accedere a di ascolto directo (pagina 7).
SOUNDSETUP
8
DIMMER
4
ENTER
Questo pulsante permette di impostare su tre livelli
Nederlands
34
3
l’illuminazione delle spie del pannello frontale dell’unità
HOME MENU
RETURN
(non influenza la spia STANDBY).
9
INPUT +/–
7
DIRECT
APD
13
Usare per cambiare la sorgente di ingresso. La sorgente
cambia come segue.
SACD/CD NETWORK PHONO TUNER
AUX RECORDER ritorno all’inizio.
10 Pulsante/spia
SPEAKERS A
Usare questo pulsante per ascoltare l’audio dal sistema
di altoparlanti collegato ai terminali SPEAKERS A.
11 Pulsante/spia
SPEAKERS B
Usare questo pulsante per ascoltare l’audio dal sistema
di altoparlanti collegato ai terminali SPEAKERS B.
12
VOLUME +/–
Si utilizza per impostare il volume di ascolto.
13
APD
Usare per attivare/disattivare la funzione di spegnimento
automatico APD (Auto Power Down) (pagina 11).
9
It

A30_SYXE8-It.book Page 10 Thursday, February 16, 2012 11:27 AM
04 Funzionamento
Capitolo 4:
Impostare la modalità di standby
Quando si usa l’unità come amplificatore
di potenza (solo per il modello A-30)
1 Premere il tasto
STANDBY/ON
del
Funzionamento
Quando un preamplificatore è collegato ai suoi terminali
telecomando.
POWER AMP DIRECT, l’unità può essere usata come un
amplificatore di potenza.
1 Premere il pulsante
POWER AMP
Riproduzione
DIRECT
sul pannello frontale dell’unità.
Per riaccendere l’unità, premere il tasto
La spia POWER AMP DIRECT si accenderà.
Giradischi
Dock iPod, eccetera
STANDBY/ON del telecomando.
Music>
Extras>
iPod
Lettore SACD/CD
Settings>
Registratore CD o
Lettore audio di rete
Shuffle Songs
Backlight
MENU
audiocassette
• Per i modelli A-30/A-20, se è premuto il tasto
Sintonizzatore
STANDBY/ON del pannello frontale, l’unità si
/I STANDBY/ON
STANDBY
PURE AUDIO Hi-Bit 32
FUNCTION
NETWORK AUDIO PLAYER
N-50
iPod/USB
5V 2.1A
spegne. In questo caso, se l’unità è spenta,
premendo il tasto STANDBY/ON del
telecomando l’unità non si accenderà. Per
riaccendere l’unità, premere il pulsante
STANDBY/ON sul pannello frontale.
62
Nota
Attenzione
• Se il cavo di alimentazione è staccato quando
• Quando la spia POWER AMP DIRECT è accesa, le
l’unità è in modalità di standby, l’unità si spegnerà,
operazioni cambiano come segue:
tuttavia, quando il cavo viene collegato
–I comandi VOLUME, BASS, TREBLE e BALANCE
nuovamente, l’unità non si riaccenderà
del pannello frontale dell’unità sono disabilitati.
Riproduzione
Riproduzione
automaticamente. Dopo aver ricollegato il cavo di
Queste regolazioni sono controllate dal
alimentazione, premere il tasto STANDBY/ON
componente collegato ai terminali POWER
3566
del telecomando per accendere l’unità.
AMP DIRECT dell’unità.
– Quando la spia POWER AMP DIRECT è accesa,
1 Accendere il componente di
• Quando si usano i comandi del pannello frontale,
il volume del suono in uscita da un apparecchio
girare la manopola INPUT SELECTOR.
riproduzione.
modello A-30 sarà automaticamente impostato
sul livello massimo. Quando si utilizza l’unità
4 Avviare la riproduzione del componente
2 Accendere l’unità.
come amplificatore di potenza, controllare il
selezionato nel punto 1.
• Se l’unità è in modalità di standby, premere il tasto
livello di uscita del componente collegato ai
STANDBY/ON del telecomando.
terminali POWER AMP DIRECT e impostarlo su
5 Regolare il volume di riproduzione
un valore basso, come opportuno, prima di
usando il comando
VOLUME
.
accendere la spia POWER AMP DIRECT. Se il
volume dell’audio del componente collegato ai
VOLUME
terminali POWER AMP DIRECT inizialmente è
impostato su un livello di uscita alto, si potrebbe
3 Selezionare la sorgente che si desidera
avere un’improvvisa emissione di suono ad alto
riprodurre.
volume nel momento in cui la spia POWER AMP
DIRECT si accende.
SACD/CD NETWORK PHONO
– Il jack PHONES e i terminali RECORDER OUT
6 Regolare le preferenze in materia di
non producono suono.
TUNER AUX RECORDER
tono usando i comandi
BASS
e
TREBLE
e il
• Per altre informazioni, consultare le istruzioni di
pulsante
LOUDNESS
.
funzionamento relative al componente collegato ai
Se il pulsante DIRECT è stato posizionato su ON, questi
terminali POWER AMP DIRECT del dispositivo
Selezionare il componente di riproduzione.
comandi sono disabilitati.
A-30.
• Quando si usa il telecomando del modello A-30, il
tasto INPUT +/– può essere usato per selezionare il
componente.
10
It

A30_SYXE8-It.book Page 11 Monday, March 5, 2012 2:13 PM
Funzionamento 04
English
Effettuazione di una registrazione audio
Impostazione dello stato di standby automatico (Auto Power Down)
È possibile effettuare una registrazione audio da qualsiasi sorgente collegata all’amplificatore.
Quando è impostata questa modalità, se per trenta minuti non viene rilevato alcun segnale in ingresso, l’unità entrerà
automaticamente in standby.
Giradischi
Dock iPod, eccetera
iPod
1 Se l’unità è accesa, tenere premuti contemporaneamente per tre secondi il pulsante
Lettore SACD/CD
Music>
Extras>
Settings>
Lettore audio di rete
Shuffle Songs
Backlight
MENU
DIRECT
e il pulsante
LOUDNESS
posizionati sul suo pannello frontale.
/I STANDBY/ON
FUNCTION
NETWORK AUDIO PLAYER
N-50
Sintonizzatore
STANDBY
iPod/USB
5V 2.1A
PURE AUDIO Hi-Bit 32
Riproduzione
DeutschFrançais
Quando questa funzione è attivata, la spia STANDBY/APD del pannello frontale dell'unità si accenderà assumendo
un colore verde. Premere di nuovo i pulsanti per disabilitare l’impostazione.
• Questa funzione può anche essere impostata usando il tasto APD del telecomando del dispositivo A-30.
• Per impostazione predefinita la funzione è attiva.
Registrazione
1
Nota
Italiano Español Русский
• A seconda della tipologia di dispositivo connesso, un rumore eccessivo prodotto da un apparecchio potrebbe
essere interpretato come un segnale audio, impedendo così l’attivazione della funzione di spegnimento
automatico.
Componente per registrazione audio (registratore
CD, registratore per audiocassette, eccetera)
1 Selezionare la sorgente che si desidera
Ripristino di tutte le impostazioni sui valori predefiniti
registrare.
Nederlands
1 Quando l’unità è in modalità di standby, tenere premuti contemporaneamente per
SACD/CD NETWORK PHONO
cinque secondi il pulsante DIRECT e il pulsante SPEAKERS A del pannello frontale.
TUNER AUX
2 Avviare la registrazione, quindi avviare
la riproduzione della sorgente.
2 Accendere l’unità.
11
It

A30_SYXE8-It.book Page 12 Thursday, February 16, 2012 11:27 AM
05 Informazioni supplementari
Capitolo 5:
Problema Soluzione
Il telecomando non funziona. •Sostituire le batterie (pagina 4).
Informazioni supplementari
•Usare il telecomando entro una distanza di 7 m e 30° dal sensore remoto posto sul
pannello frontale (pagina 4).
•Rimuovere eventuali ostacoli oppure mettere in funzione da un’altra posizione.
•Evitare di esporre alla luce diretta il sensore remoto posto sul pannello frontale.
•Il cavo di controllo di un componente è collegato in modo scorretto? Verificare che i
Risoluzione dei problemi
collegamenti siano corretti (pagina 6).
Operazioni non corrette sono spesso scambiate per guasti o malfunzionamenti. Se si ritiene che vi siano problemi a
Impossibile modificare la sorgente di
•Controllare se la funzione
POWER AMP DIRECT
è attiva. In caso affermativo,
carico di questo componente, controllare i punti indicati di seguito. A volte il guasto può essere localizzato in un altro
ingresso sul dispositivo modello A-30.
premere il pulsante
POWER AMP DIRECT
situato sul pannello frontale per disattivare
componente. Controllare gli altri componenti e le altre apparecchiature elettriche utilizzati. Se il guasto non può
la funzione (pagina 10).
essere riparato neanche dopo aver eseguito i controlli elencati di seguito, richiedere un intervento di riparazione al
centro di assistenza autorizzato Pioneer più vicino o al proprio rivenditore.
• Se l’unità non funziona regolarmente a causa di fattori esterni quali elettricità statica, scollegare la spina di
alimentazione dalla presa e inserirla di nuovo per ripristinare le condizioni di funzionamento normali.
Pulizia dell’unità
Problema Soluzione
• Utilizzare un panno per lucidare o un panno
asciutto per eliminare la polvere e lo sporco.
L’alimentazione non si attiva. •La spina è staccata dalla presa a muro? Collegare in modo appropriato la spina alla
• Se la superficie è sporca, pulire con un panno
sua presa di corrente (pagina 6).
morbido immerso in un detergente neutro diluito in
•Il cavo di alimentazione è staccato dal connettore AC IN? Collegare correttamente il
cinque o sei parti di acqua e ben strizzato, quindi
cavo di alimentazione (pagina 6).
strofinare con un panno asciutto. Non utilizzare
cera o detergenti per mobili.
L’unità si spegne. •La funzione APD (Auto Power Down) è attivata? Se non si vuole che l’unità si spenga
automaticamente, disabilitare la funzione APD (Auto Power Down) (pagina 11).
• Non utilizzare mai solventi, benzina, spray
insetticidi o altri agenti chimici sull’unità o in
Durante la riproduzione, il suono si
•La temperatura interna dell’unità è aumentata e si è attivato il circuito di sicurezza.
prossimità di essa, poiché potrebbero corroderne la
arresta e la spia
STANDBY/APD
si
- Spegnere l’unità e consentirle di raffreddarsi prima di riaccenderla.
superficie.
accende assumendo un colore rosso
- Installare l’unità in un luogo con una ventilazione migliore.
e lampeggia a intervalli di circa 1
- Accertarsi che l’unità sia installata correttamente; se l’unità viene riaccesa senza
secondo.
averla lasciata raffreddare, possono manifestarsi gli stessi sintomi (pagina 4).
Durante la riproduzione, il suono si
•Si stanno usando degli altoparlanti con dei valori di impedenza non supportati da
arresta e la spia
STANDBY/APD
si
questa unità? Verificare il valore nominale di impedenza degli altoparlanti (pagina 6).
accende assumendo un colore rosso
•Ci sono dei cavi degli altoparlanti allentati sui terminali
SPEAKERS
e/o a contatto con
e lampeggia a intervalli di circa 2
altri cavi o con la superficie del pannello posteriore? Staccare il cavo di alimentazione
secondo.
e ricollegare correttamente i cavi degli altoparlanti (pagina 6).
Quando l’unità è accesa, la spia
•I circuiti dell’unità sono danneggiati. Staccare il cavo di alimentazione e contattare il
STANDBY/APD
lampeggia ad
proprio rivenditore di fiducia o il più vicino
Centro Assistenza autorizzato Pioneer
.
intervalli irregolari.
Non viene emesso alcun suono
•Un cavo di collegamento è staccato, oppure è collegato in modo inappropriato.
quando viene selezionata una
Verificare i collegamenti (pagina 5).
funzione.
•I connettori o le spine a poli di un cavo sono sporchi. Eliminare la sporcizia dai
connettori e dalle spine a poli.
•Verificare che il selettore di ingresso dell’unità sia impostato sul componente di
riproduzione desiderato. Impostare correttamente il selettore (pagina 10).
•Per i modelli A-30/A-20, premere il tasto
MUTE
del telecomando per disattivare
l’esclusione audio (pagina 9).
Uno degli altoparlanti non emette
•I cavi di collegamento o i cavi dell'altoparlante sono staccati su un lato? Ricollegarli
suoni.
bene (pagina 5).
12
It

A30_SYXE8-It.book Page 13 Thursday, February 16, 2012 11:27 AM
Informazioni supplementari 05
English
Varie
Dati tecnici
Requisiti di potenza . . . . . . . AC da 220 V a 230 V, 50 Hz
Consumo energetico
Sezione amplificatore
A-30 . . . . . . . . . . . . . . . . . . . . . . . . . . . . . . . . . . . . . .175 W
Specifica di potenza in uscita quando l’alimentazione è a
A-20/A-10. . . . . . . . . . . . . . . . . . . . . . . . . . . . . . . . . .135 W
230 V.
In standby . . . . . . . . . . . . . . . . . . . . . . . . . . . . . . . . . 0,3 W
Dimensioni
• Potenza continua in uscita
. . . . . . . . . . . . . .435 mm (L) x 128 mm (H) x 360 mm (P)
(entrambi i canali da 20 Hz a 20 kHz)
Peso (senza imballaggio)
A-30 . . . . . . . . . . . . . . . . . . . . . . . . . . . . . . . . 70 W + 70 W
A-30 . . . . . . . . . . . . . . . . . . . . . . . . . . . . . . . . . . . . . . 7,9 kg
A-20, A-10 . . . . . . . . . . . . . . . . . . . . . . . . . . . 50 W + 50 W
A-20 . . . . . . . . . . . . . . . . . . . . . . . . . . . . . . . . . . . . . . 7,2 kg
(THD 0,1%, 4 Ω)
A-10 . . . . . . . . . . . . . . . . . . . . . . . . . . . . . . . . . . . . . . 6,7 kg
A-30 . . . . . . . . . . . . . . . . . . . . . . . . . . . . . . . . 40 W + 40 W
A-20, A-10 . . . . . . . . . . . . . . . . . . . . . . . . . . . 30 W + 30 W
Accessori
(THD 0,05 %, 8 Ω)
Telecomando (tranne che per il modello A-10) . . . . . . . 1
DeutschFrançais
Batterie a cella secca AAA/IEC R03
Sezione audio
(tranne che per il modello A-10) . . . . . . . . . . . . . . . . . . . 2
Cavo di alimentazione
• Ingresso (sensibilità/impedenza)
Documento di garanzia
SACD/CD, NETWORK, TUNER, AUX, RECORDER
Istruzioni per l’uso (questo documento)
. . . . . . . . . . . . . . . . . . . . . . . . . . . . . . . . . . . 200 mV/50 kΩ
POWER AMP DIRECT (solo A-30). . . . . . . . . . . 1 V/10 kΩ
PHONO (MM) . . . . . . . . . . . . . . . . . . . . . . . .2,8 mV/50 kΩ
Nota
Italiano Español Русский
• Uscita (livello/impedenza)
• Dati tecnici e disegno soggetti a possibili modifiche
RECORDER OUT . . . . . . . . . . . . . . . . . . . .200 mV/2,2 kΩ
senza preavviso, dovute alle migliorie apportate.
PHONES . . . . . . . . . . . . . . . . . . . . . . . . . . . . 250 mV/32 Ω
• I nomi di società e prodotti citati nel presente
documento sono marchi commerciali o marchi
• Risposta in frequenza
commerciali registrati delle rispettive società.
SACD/CD, NETWORK, TUNER, AUX, RECORDER
. . . . . . . . . . . . . . . . . . . . . . . . . Da 5 Hz a 100 kHz dB*
Nederlands
PHONO (MM) . . . . . . . . . . . Da 20 Hz a 20 kHz ±0,5 dB*
* Misurato con il tasto DIRECT acceso.
• Comando di tonalità
(Quando VOLUME è impostato su
-
30 dB)
Bassi . . . . . . . . . . . . . . . . . . . . . . . . . . . .± 10 dB (100 Hz)
Alti . . . . . . . . . . . . . . . . . . . . . . . . . . . . . .± 10 dB (10 kHz)
• Rapporto disturbi (IHF IN CORTO,
RETE-A)
SACD/CD, NETWORK, TUNER, AUX, RECORDER
. . . . . . . . . . . . . . . . . . . . . . . . . . . . . . . . . . . . . . . . 105 dB*
PHONO (MM, ingresso da 2,8 mV). . . . . . . . . . . . 77 dB*
* Misurato con il tasto DIRECT acceso.
• Impedenza del carico dell'altoparlante
A, B . . . . . . . . . . . . . . . . . . . . . . . . . . . . . . . Da 4 Ω a 16 Ω
A+B. . . . . . . . . . . . . . . . . . . . . . . . . . . . . . . Da 8 Ω a 32 Ω
© 2012 PIONEER CORPORATION.
Biwiring. . . . . . . . . . . . . . . . . . . . . . . . . . . . Da 4 Ω a 16 Ω
Tutti i diritti riservati.
13
It

A30_SYXE8_Nl.book Page 2 Thursday, February 16, 2012 11:42 AM
WARNING
WAARSCHUWING
BELANGRIJK
IMPORTANT
This equipment is not waterproof. To prevent a fire or
Dit apparaat is niet waterdicht. Om brand of een
shock hazard, do not place any container filled with
elektrische schok te voorkomen, mag u geen voorwerp
CAUTION
CAUTION
liquid near this equipment (such as a vase or flower
dat vloeistof bevat in de buurt van het apparaat zetten
RISK OF ELECTRIC SHOCK
RISK OF ELECTRIC SHOCK
pot) or expose it to dripping, splashing, rain or
(bijvoorbeeld een bloemenvaas) of het apparaat op
DO NOT OPEN
DO NOT OPEN
moisture.
andere wijze blootstellen aan waterdruppels,
D3-4-2-1-3_A1_En
De lichtflash met pijlpuntsymbool in een
The lightning flash with arrowhead symbol,
WAARSCHUWING:
CAUTION:
Het uitroepteken in een gelijkzijdige
The exclamation point within an equilateral
opspattend water, regen of vocht.
gelijkzijdige driehoek is bedoeld om de
within an equilateral triangle, is intended to
OM HET GEVAAR VOOR EEN ELEKTRISCHE
TO PREVENT THE RISK OF ELECTRIC
driehoek is bedoeld om de aandacht van de
triangle is intended to alert the user to the
D3-4-2-1-3_A1_Nl
aandacht van de gebruikers te trekken op
alert the user to the presence of uninsulated
SHOCK TE VOORKOMEN, DEKSEL (OF
SHOCK, DO NOT REMOVE COVER (OR
gebruiker te trekken op de aanwezigheid van
presence of important operating and
WARNING
WAARSCHUWING
een niet geïsoleerde “gevaarlijke spanning”
“dangerous voltage” within the product’s
RUG) NIET VERWIJDEREN. AAN DE
BACK). NO USER-SERVICEABLE PARTS
belangrijke bedienings- en
maintenance (servicing) instructions in the
BINNENZIJDE BEVINDEN ZICH GEEN
Before plugging in for the first time, read the following
Lees zorgvuldig de volgende informatie voordat u de
in het toestel, welke voldoende kan zijn om
enclosure that may be of sufficient
INSIDE. REFER SERVICING TO QUALIFIED
onderhoudsinstructies in de handleiding bij
literature accompanying the appliance.
bij aanraking een elektrische shock te
magnitude to constitute a risk of electric
ELEMENTEN DIE DOOR DE GEBRUIKER
SERVICE PERSONNEL.
dit toestel.
section carefully.
stekker de eerste maal in het stopcontact steekt.
veroorzaken.
shock to persons.
KUNNEN BEDIEND WORDEN. ENKEL
D3-4-2-1-1_A1_En
The voltage of the available power supply differs
De bedrijfsspanning van het apparaat verschilt
DOOR GEKWALIFICEERD PERSONEEL TE
according to country or region. Be sure that the
afhankelijk van het land waar het apparaat wordt
BEDIENEN.
power supply voltage of the area where this unit
verkocht. Zorg dat de netspanning in het land waar
European model only
D3-4-2-1-1_A1_Nl
will be used meets the required voltage (e.g., 230 V
het apparaat wordt gebruikt overeenkomt met de
or 120 V) written on the rear panel.
bedrijfsspanning (bijv. 230 V of 120 V) aangegeven
Information for users on collection and disposal of old equipment and used batteries
op de achterkant van het apparaat.
D3-4-2-1-4*_A1_En
D3-4-2-1-4*_A1_Nl
Symbol for
These symbols on the products, packaging, and/or accompanying documents mean
Gebruikersinformatie voor het verzamelen en verwijderen van oude producten en
equipment
that used electrical and electronic products and batteries should not be mixed with
WARNING
batterijen
BELANGRIJKE INFORMATIE BETREFFENDE
general household waste.
To prevent a fire hazard, do not place any naked flame
DE VENTILATIE
Symbool voor
De symbolen op producten, verpakkingen en bijbehorende documenten geven aan
For proper treatment, recovery and recycling of old products and used batteries,
sources (such as a lighted candle) on the equipment.
Let er bij het installeren van het apparaat op dat er
toestellen
dat de gebruikte elektronische producten en batterijen niet met het gewone
please take them to applicable collection points in accordance with your national
D3-4-2-1-7a_A1_En
voldoende vrije ruimte rondom het apparaat is om een
huishoudelijk afval kunnen worden samengevoegd.
legislation.
goede doorstroming van lucht te waarborgen
Er bestaat een speciaal wettelijk voorgeschreven verzamelsysteem voor de juiste
By disposing of these products and batteries correctly, you will help to save valuable
(tenminste 30 cm boven, 10 cm achter en 10 cm aan de
VENTILATION CAUTION
Symbol examples
behandling, het opnieuw bruikbaar maken en de recyclage van gebruikte producten
resources and prevent any potential negative effects on human health and the
zijkanten van het apparaat).
When installing this unit, make sure to leave space
for batteries
en batterijen.
environment which could otherwise arise from inappropriate waste handling.
around the unit for ventilation to improve heat radiation
WAARSCHUWING
Door een correcte verzamelhandeling zorgt u ervoor dat het verwijderde product en/of
For more information about collection and recycling of old products and batteries,
(at least 30 cm at top, 10 cm at rear, and 10 cm at each
De gleuven en openingen in de behuizing van het
Symbolen
batterij op de juiste wijze wordt behandeld, opnieuw bruikbaar wordt gemaakt, wordt
please contact your local municipality, your waste disposal service or the point of sale
side).
apparaat zijn aangebracht voor de ventilatie, zodat een
voor batterijen
gerecycleerd en het niet schadelijk is voor de gezondheid en het milieu.
where you purchased the items.
betrouwbare werking van het apparaat wordt verkregen
WARNING
en oververhitting wordt voorkomen. Om brand te
Voor verdere informatie betreffende de juiste behandling, het opnieuw bruikbaar
These symbols are only valid in the European Union.
Slots and openings in the cabinet are provided for
voorkomen, moet u ervoor zorgen dat deze openingen
maken en de recyclage van gebruikte producten en batterijen kunt u contact opnemen
For countries outside the European Union:
ventilation to ensure reliable operation of the product,
nooit geblokkeerd worden of dat ze afgedekt worden
met de plaatselijke overheid of een verkooppunt.
and to protect it from overheating. To prevent fire
If you wish to discard these items, please contact your local authorities or dealer and
door voorwerpen (kranten, tafelkleed, gordijn e.d.) of
hazard, the openings should never be blocked or
Deze symbolen zijn enkel geldig in de landen van de europese unie.
ask for the correct method of disposal.
door gebruik van het apparaat op een dik tapijt of een
covered with items (such as newspapers, table-cloths,
Pb
bed.
K058a_A1_En
curtains) or by operating the equipment on thick carpet
D3-4-2-1-7b*_A1_Nl
Indien u zich in een ander dan bovengenoemde landen bevindt kunt u contact
or a bed.
D3-4-2-1-7b*_A1_En
opnemen met de plaatselijke overheid voor meer informatie over de juiste verwijdering
Pb
van het product.
K058a_A1_Nl

A30_SYXE8_Nl.book Page 3 Thursday, February 16, 2012 11:42 AM
Bedankt voor de aanschaf van dit
Gebruiksomgeving
Dit apparaat is bestemd voor normaal huishoudelijk
Pioneer product.
Temperatuur en vochtigheidsgraad op de plaats van
gebruik. Indien het apparaat voor andere doeleinden
gebruik:
Lees a.u.b. deze handleiding door om u ervan te
of op andere plaatsen wordt gebruikt (bijvoorbeeld
verzekeren dat u de werking van uw model volledig
+5 °C tot +35 °C, minder dan 85 % RH
langdurig gebruik in een restaurant voor zakelijke
begrijpt. Bewaar deze handleiding zorgvuldig ter
(ventilatieopeningen niet afgedekt)
referentie na hem te hebben doorgelezen
.
doeleinden, of gebruik in een auto of boot) en als
Zet het apparaat niet op een slecht geventileerde plaats
gevolg hiervan defect zou raken, zullen de reparaties
en stel het apparaat ook niet bloot aan hoge
in rekening gebracht worden, ook als het apparaat
vochtigheid of direct zonlicht (of sterke kunstmatige
nog in de garantieperiode is.
Inhoud
verlichting).
K041_A1_Nl
D3-4-2-1-7c*_A1_Nl
01 Voordat u begint
WAARSCHUWING NETSNOER
De inhoud van de verpakking controleren . . . . . . .4
Als de netstekker van dit apparaat niet geschikt is
Pak het netsnoer beet bij de stekker. Trek de stekker er
De batterijen laden in de afstandsbediening
voor het stopcontact dat u wilt gebruiken, moet u de
niet uit door aan het snoer te trekken en trek nooit aan
(behalve A-10) . . . . . . . . . . . . . . . . . . . . . . . . . . . .4
stekker verwijderen en een geschikte stekker
Gebruik van de afstandsbediening. . . . . . . . . . . . . 4
het netsnoer met natte handen aangezien dit
aanbrengen. Laat het vervangen en aanbrengen van
De versterker installeren . . . . . . . . . . . . . . . . . . . .4
kortsluiting of een elektrische schok tot gevolg kan
een nieuwe netstekker over aan vakkundig
hebben. Plaats geen toestel, meubelstuk o.i.d. op het
02 Aansluitingen
onderhoudspersoneel. Als de verwijderde stekker per
netsnoer, en klem het niet vast. Maak er nooit een
De kabels aansluiten . . . . . . . . . . . . . . . . . . . . . . .5
ongeluk in een stopcontact zou worden gestoken,
knoop in en en verbind het evenmin met andere
Over “dubbele bedrading” . . . . . . . . . . . . . . . . . . .5
kan dit resulteren in een ernstige elektrische schok.
snoeren. De netsnoeren dienen zo te worden geleid
Luidsprekerkabels aansluiten . . . . . . . . . . . . . . . .6
Zorg er daarom voor dat de oude stekker na het
dat er niet per ongeluk iemand op gaat staan. Een
Audiokabels aansluiten . . . . . . . . . . . . . . . . . . . . .6
verwijderen op de juiste wijze wordt weggegooid.
Gecentraliseerd beheer gebruiken met andere
beschadigd netsnoer kan brand of een elektrische
Haal de stekker van het netsnoer uit het stopcontact
Pioneer-componenten (behalve A-10) . . . . . . . . . .6
schok veroorzaken. Kontroleer het netsnoer af en toe.
wanneer u het apparaat geruime tijd niet denkt te
De stekker in het stopcontact steken . . . . . . . . . . .6
Wanneer u de indruk krijgt dat het beschadigd is,
gebruiken (bijv. wanneer u op vakantie gaat).
D3-4-2-2-1a_A1_Nl
dient u bij uw dichtstbijzijnde erkende PIONEER
03 Functies en displays
onderhoudscentrum of uw dealer een nieuw snoer te
Voorpaneel. . . . . . . . . . . . . . . . . . . . . . . . . . . . . . .7
kopen.
Achterpaneel . . . . . . . . . . . . . . . . . . . . . . . . . . . . .8
LET OP
S002*_A1_Nl
Afstandsbediening (behalve A-10) . . . . . . . . . . . . .9
De /I STANDBY/ON schakelaar van dit apparaat
04 Bediening
koppelt het apparaat niet volledig los van het lichtnet.
WAARSCHUWING
Afspelen . . . . . . . . . . . . . . . . . . . . . . . . . . . . . . .10
Aangezien er na het uitschakelen van het apparaat
Om brand te voorkomen, mag u geen open vuur (zoals
Stel de voeding in op stand-by . . . . . . . . . . . . . . . 10
nog een kleine hoeveelheid stroom blijft lopen, moet
een brandende kaars) op de apparatuur zetten.
Wanneer u het apparaat gebruikt als een
D3-4-2-1-7a_A1_Nl
u de stekker uit het stopcontact halen om het
stroomversterker (alleen A-30) . . . . . . . . . . . . . . . 10
apparaat volledig van het lichtnet los te koppelen.
Een audioopname maken . . . . . . . . . . . . . . . . . .11
(alleen A-30)
Plaats het apparaat zodanig dat de stekker in een
Instellen voor automatische stand-bystatus
WAARSCHUWING:
(Auto uitschakelen) . . . . . . . . . . . . . . . . . . . . . . .11
noodgeval gemakkelijk uit het stopcontact kan
HEET OPPERVLAK. NIET AANRAKEN.
Alle instellingen opnieuw instellen naar de
worden gehaald. Om brand te voorkomen, moet u de
standaard fabrieksinstellingen. . . . . . . . . . . . . . .11
De bovenkant van de interne warmteo-
stekker uit het stopcontact halen wanneer u het
pnemer kan heet worden wanneer dit
05 Bijkomende informatie
apparaat langere tijd niet denkt te gebruiken (bijv.
product gedurende langere tijd
wanneer u op vakantie gaat).
Problemen oplossen . . . . . . . . . . . . . . . . . . . . . .12
D3-4-2-2-2a*_A1_Nl
ononderbroken wordt gebruikt.
Reiniging van het toestel . . . . . . . . . . . . . . . . . . .12
Specificaties . . . . . . . . . . . . . . . . . . . . . . . . . . . .13
3

A30_SYXE8_Nl.book Page 4 Thursday, February 16, 2012 11:42 AM
01 Voordat u begint
Hoofdstuk 1:
• Zorg ervoor dat zich geen obstakels tussen de
Let op
afstandsbediening en de sensor op de versterker
Onjuist gebruik van de batterijen kan gevaar opleveren,
bevinden.
Voordat u begint
zoals lekkage of ontploffen. Neem de volgende
• De afstandsbediening werkt mogelijk niet goed als
voorzorgsmaatregelen in acht:
sterk zonlicht of TL-licht op de
afstandsbedieningssensor valt.
• Wanneer u de batterijen plaatst, moet u ervoor
• De afstandsbedieningen van verschillende
2 Plaats de nieuwe batterijen en zorg dat
zorgen dat u de veren op de -aansluitingen van de
apparaten kunnen elkaar storen. Het gebruik van
De inhoud van de verpakking
de polariteiten overeenstemmen met de
batterijen niet beschadigt.
afstandsbedieningen voor andere apparatuur
aanduidingen in het batterijvak.
• Gebruik alleen de batterijen die zijn opgegeven.
vlakbij dit apparaat moet worden vermeden.
controleren
Gebruik ook geen nieuwe batterij samen met een
• Vervang de batterijen wanneer het bereik van de
Verzeker u ervan dat de volgende accessoires zijn
A-30
A-20
oude.
afstandsbediening begint af te nemen.
meegeleverd in de doos als u deze opent.
• Let op, wanneer u de batterijen in de
afstandsbediening plaatst, dat ze in de juiste
• Afstandsbediening (behalve A-10)
richting worden geplaatst, zoals aangegeven door
• AAA/IEC R03 droge celbatterijen x2 (behalve A-10)
de polariteitsmarkeringen ( en ).
De versterker installeren
•Netsnoer
• Verwarm geen batterijen, demonteer ze niet of gooi
• Garantiebewijs
ze niet in vuur of water.
Installeer dit toestel op een vlak en stabiel oppervlak.
• Handleiding (dit document)
• Batterijen kunnen verschillende spanningen
• Installeer het niet op de volgende plaatsen:
hebben, zelfs als ze dezelfde grootte en vorm
– op een kleuren-TV (kan beeldvervorming
hebben. Gebruik nooit verschillende batterijen
veroorzaken)
Opmerking
tegelijk.
– dicht bij een cassettedeck (of een ander apparaat
• Illustraties in de handleiding kunnen zijn gewijzigd
• Om lekken van batterijvloeistof te voorkomen, moet
dat een magnetisch veld opwekt). Dit kan storingen
u de batterijen verwijderen als u de
of vereenvoudigd voor een gemakkelijke uitleg en
in het geluid veroorzaken.
afstandsbediening gedurende langere tijd niet zult
kan daarom verschillen van het eigenlijke uiterlijk
3 Sluit het deksel achteraan.
– in direct zonlicht
gebruiken (1 maand of meer). Als er toch vloeistof
van het product.
– een vochtige of natte omgeving
A-30
A-20
zou lekken, veegt u het batterijvak voorzichtig
• De illustraties die hier zijn gebruikt, zijn
– een zeer warme of koude omgeving
schoon en plaatst u nieuwe batterijen. Als een
hoofdzakelijk van de A-30.
batterij zou lekken en de vloeistof in contact komt
– op plaatsen die onderhevig zijn aan trilling of
met uw huid, moet u deze spoelen met een grote
andere bewegingen
hoeveelheid water.
– op zeer stoffige plaatsen
• Bij het weggooien van gebruikte batterijen moet u
– op plaatsen waar hete dampen of olie aanwezig
De batterijen laden in de
de milieuwetten en andere openbare
zijn (bv. in de keuken)
reglementeringen naleven die in uw land of streek
• Plaats het apparaat niet op een sofa of een ander
afstandsbediening (behalve A-10)
van toepassing zijn.
object of materiaal met absorberende
eigenschappen waardoor de geluidskwaliteit
1 Open het deksel achteraan.
Gebruik van de afstandsbediening
negatief kan worden beïnvloed.
De afstandsbediening heeft een bereik van ongeveer 7 m
A-30
A-20
De batterijen bij het apparaat zijn geleverd zodat u het
bij een hoek van ongeveer 30º vanaf de
gebruik van het product kunt controleren. Ze zullen
afstandsbedieningssensor.
mogelijk niet lang werken. Wij raden u aan
alkalinebatterijen te gebruiken die een langere
levensduur hebben.
WAARSCHUWING
• Gebruik of bewaar batterijen niet in direct zonlicht
of op een hete plaats, zoals in de auto of bij een
30 °
kachel. Hierdoor kunnen batterijen gaan lekken,
30 °
oververhit raken, exploderen of in brand vliegen.
Bovendien reduceert dit de levensduur of prestatie
van de batterijen.
7 m
Houd tijdens het gebruik van de afstandsbediening
rekening met het volgende:
4
Nl

Aansluitingen 02
English
Hoofdstuk 2:
Aansluitingen
De kabels aansluiten
Let op
• Voordat u aansluitingen maakt of wijzigt, moet u dit toestel uitschakelen en de stekker van het netsnoer uit het
stopcontact trekken.
• Sluit de voedingskabel aan nadat alle aansluitingen tussen apparaten zijn voltooid.
DeutschFrançais
SACD/CD-speler
Netwerkaudiospeler
PRE OUT
L
L
Italiano Español Русский
R
R
R
L
R
L
Nederlands
L
R
L
R
L
R
R
L
R
L
R
L
R
L
R
L
L
R
RL
OUTPUT
AUDIO
PLAY
REC
OUTPUT
L
L
L
L
L
Music>
Extras>
iPod
Settings>
R
R
R
R
R
Shuffle Songs
Backlight
MENU
5
Nl
PRE OUT
-aans
l
ui
t
ingen
Let op
Over “dubbele bedrading”
•De SIGNAL GND-terminal is voorzien om het lawaai
te verminderen wanneer u het apparaat aansluit op
Dit apparaat kan worden gebruikt met luidsprekers
componenten, zoals een analoge platenspeler.
die dubbele bedrading ondersteunen. Zorg dat u de
• Sluit de PHONO (MM)-aansluitingen op een
hoog- en laagfrequentie-aansluitingen correct
andere component aan dan op een platenspeler.
aansluit.
Voer ook geen aansluitingen uit op een
• Zorg er tijdens het afspelen voor dat zowel de
platenspeler die is uitgerust met een ingebouwde
SPEAKERS A- als de SPEAKERS B-knop zijn
equalizer. Er kan een extreem hoog geluid worden
ingesteld op AAN (pagina 7).
weergegeven waardoor uw luidsprekers of andere
apparaten kunnen schade oplopen.
• De aansluitingen van PHONO (MM) het apparaat
zijn ontworpen om te worden gebruikt met
platenspelers die zijn uitgerust met cartridges van
HIGH
HIGH
het MM-type (moving-magnet). De platenspelers
Luidsprekersysteem B
op de voorversterker of de
die zijn uitgerust met MC-cartridges (moving-coil),
Rechts Links
AV-versterker
kunnen niet worden gebruikt.
• Zorg ervoor dat de kabels niet over het apparaat
LOW
LOW
heen liggen (zoals aangegeven in de afbeelding).
Anders produceert het magnetische veld van de
transformatoren in het apparaat een brom in de
luidsprekers.
Alleen
A-30
Achterpaneel
A-30
• De aansluitingen van POWER AMP DIRECT het
apparaat mogen nooit worden aangesloten op de
aansluitingen van een andere component, behalve
de PRE-AMP OUT.
• Als uw platenspeler is voorzien van een
aardingsdraad, dient u dit vast te maken aan de
Voedingskabel
ground-aansluiting van deze versterker.
(bijgeleverd)
Opmerking
• Wanneer u een cassettedeck aansluit, kan er ruis
hoorbaar zijn, afhankelijk van de installatielocatie.
Let op
Deze ruis wordt veroorzaakt door lekkage van de
• Wanneer u dubbele bedrading gebruikt voor het
transformator van de versterker. Wijzig in dat geval
aansluiten van de luidsprekers, kunt u negatieve
de installatielocatie of plaats de deck verder van de
invloeden op de versterker voorkomen door de
versterker.
kortsluitingsbalken HOOG en LAAG die bij de
• iPod is een geregistreerd handelsmerk van Apple
luidsprekers zijn geleverd, te verwijderen.
Inc. in de V.S. en andere landen.
Raadpleeg de instructies die bij de luidsprekers zijn
geleverd voor gedetailleerde informatie.
Platenspeler Tuner
iPod dock, enz.
CD-recorder of
Rechts
Links
cassettedeck
Luidsprekersysteem A
L
ui
d
spre
k
ersys
t
eem
Links
L
u
id
spre
k
ersys
t
A30_SYXE8_Nl.book Page 5 Thursday, February 16, 2012 11:42 AM
eem
Verwijder de
Rechts
kortsluitingsbalk
tussen de
aansluitingen + en –.
Achterpaneel
A-30

02 Aansluitingen
• Wanneer u luidsprekers gebruikt met afneembare
• Zorg dat alle ontblote luidsprekerdraden samen zijn
netwerkcircuits, wordt er bij het verwijderen van het
gedraaid en volledig in de luidsprekeraansluiting
netwerk, geen effect geproduceerd en kan de
zijn gestopt. Als een ontblote luidsprekerdraad het
luidspreker schade oplopen.
achterpaneel raakt, kan de stroom worden
• Een andere methode is het aansluiten van de
uitgeschakeld als veiligheidsmaatregel.
SPEAKERS A-aansluitingen op HOOG en van de
SPEAKERS B-aansluitingen op LAAG (omgekeerd
dan in afbeelding).
Audiokabels aansluiten
Sluit de witte stekker aan op de linkeraansluiting (L) en
de rode op de rechteraansluiting (R). Zorg dat u de
Luidsprekerkabels aansluiten
stekkers volledig in de aansluitingen stopt.
1 Draai de kabelkernen.
2 Maak de moer los op de
SPEAKERS
-
aansluiting en stop de luidsprekerkabel in
de opening in de aansluitingsas.
3 Maak de moer van de aansluiting
opnieuw vast.
123
Let op
• Wanneer u slechts één set
luidsprekeraansluitingen gebruikt (SPEAKERS
A of SPEAKERS B) of wanneer u aansluitingen
met twee draden gebruikt, moet de gebruikte
luidsprekers een nominale impedantie hebben
tussen 4 Ω en 16 Ω. Wanneer u beide sets
aansluitingen gebruikt, moeten de aangesloten
luidsprekers een nominale impedantie hebben
van 8 Ω en 32 Ω. Raadpleeg de instructies die
bij uw luidsprekers zijn geleverd voor meer
informatie over de impedantiewaarde.
• De positieve en negatieve (+/–) aansluitingen op de
versterker moeten overeenkomen met die van de
luidsprekers.
• Op deze luidsprekeraansluitingen staat een
GEVAARLIJKE spanning. Om een elektrische
schok te voorkomen bij het aansluiten en losmaken
van de luidsprekerkabels, moet u de stekker uit het
stopcontact halen voordat u niet geïsoleerde
onderdelen aanraakt.
6
Nl
10 mm
Links (wit)
Rechts (rood)
Gecentraliseerd beheer gebruiken met
De stekker in het stopcontact steken
andere Pioneer-componenten
(behalve A-10)
Belangrijk
Meerdere Pioneer-componenten die zijn uitgerust met
• Wanneer u op reis bent of het apparaat voor een
CONTROL IN/OUT-
aansluitingen kunnen worden
aangesloten op het A-30/A-20-apparaat. Hierdoor is
andere reden niet gebruik gedurende langere tijd,
gecentraliseerd beheer van de componenten mogelijk via
moet u de voedingskabel altijd loskoppelen van het
de afstandsbedieningssensor op de A-30/A-20. Hierdoor is
stopcontact. De verschillende interne instellingen
het ook mogelijk componenten die niet zijn uitgerust met
gaan niet verloren, zelfs wanneer de voedingskabel
een afstandsbedieningssensor of die zijn geïnstalleerd op
langere tijd niet is losgekoppeld van dit
plaatsen waar de afstandsbedieningssensor geen bereik
stopcontact.
heeft, op afstand te bedienen.
• Als het nodig is de voedingskabel los te koppelen,
moet u eerst drukken op de knop
/I STANDBY/ON
op het voorpaneel van het apparaat, zodat de A-30/
A-20 wordt UITGESCHAKELD of dat de A-10 in de
stand-bymodus is voordat u de kabel loskoppelt.
Let op
• Wanneer u een andere dan de bijgeleverde
voedingskabel gebruikt, wordt de garantie ongeldig
en zal Pioneer niet aansprakelijk zijn voor enige
opgelopen schade. (De voedingskabel die bij het
model A-30 is geleverd, heeft een nominale
stroomcapaciteit van 10 A, terwijl de kabel die bij de
A-20/A-10 is geleverd, een nominale
stroomcapaciteit van 2.5 A heeft.)
• Gebruik alleen een voedingskabel die bij dit
apparaat is geleverd.
• Gebruik de bijgeleverde voedingskabel alleen voor
de doeleinden die hieronder zijn beschreven.
Sluit het apparaat aan op de netstroom nadat u alle
aansluitingen hebt uitgevoerd.
Opmerking
• Gebruik een in de handel verkrijgbare mono
ministekkerkabel (zonder weerstand) voor
aansluitingen.
• Wanneer u de CONTROL IN/OUT-aansluitingen
aansluit, moeten ook in de handel verkrijgbare
kabels worden gebruikt voor het maken van
analoge aansluitingen. Wanneer u alleen de
CONTROL IN/OUT-aansluitingen aansluit, is er
1 Sluit de bijgeleverde voedingskabel aan
geen goed systeembeheer mogelijk.
• Wanneer een besturingskabel wordt aangesloten
op de
AC IN
-aansluiting op het achterpaneel
op de CONTROL IN-aansluiting van de A-30/A-20,
van het apparaat.
kan het apparaat niet worden beheerd door de
afstandsbediening te richten naar de A-30/A-20 (de
2 Sluit het andere uiteinde aan op een
afstandsbedieningssensor wordt automatisch
uitgeschakeld).
stopcontact.
IN
OUT
CONTROL
Op een andere
Pioneer-component
die is uitgerust
met een CONTROL
IN-aansluiting
Een andere Pioneer-
component die is
uitgerust met CONTROL
IN/OUT-aansluitingen
A-30/A-20
Richt de
afstandsbediening
A-30/A-20
naar de sensor op de
afstandsbediening
A-30/A-20.
Achterpaneel A-30
Naar het
stopcontact
Netsnoer
02_connecting_up.fm 6 ページ 2012年6月21日 木曜日 午後2時13分

A30_SYXE8_Nl.book Page 7 Thursday, February 16, 2012 11:42 AM
Functies en displays 03
English
Hoofdstuk 3:
6 Afstandsbedieningssensor
(behalve A-10)
12 VOLUME-regeling
Ontvangt de signalen van de afstandsbediening
Gebruiken voor het aanpassen van het volumeniveau.
(pagina 4).
(Hiermee kunt u ook het volume van de hoofdtelefoon
Functies en displays
aanpassen.)
7
PHONES
-aansluiting
Gebruiken voor het aansluiten van de hoofdtelefoon. Er
13
INPUT SELECTOR
-knop/indicators
wordt geen geluid weergegeven wanneer de POWER
Draai de knop naar rechts of links zodat de indicator
Voorpaneel
AMP DIRECT-knop AAN is.
oplicht voor de gewenste invoerbron. Wanneer u de
knop naar rechts draait, licht de indicator naar rechts
1
2 54
3
8 DIRECT-knop/indicator
op. Wanneer u de knop naar links draait, licht de
A-30
On : de indicator licht op: Wanneer deze knop is
indicator naar links op. Wanneer u op de MUTE-knop
ingesteld op AAN, worden de geluidssignalen direct
van de afstandsbediening drukt om het geluid te
uitgevoerd, zonder dat er via de verschillende
dempen, knippert de indicator voor de invoerbron die is
aanpassingcircuits wordt gegaan (BASS, TREBLE,
geselecteerd met de INPUT SELECTOR-knop.
BALANCE, LOUDNESS). Hierdoor kunnen signalen
natuurgetrouwer worden weergegeven, maar worden
14
POWER AMP DIRECT
-knop/indicator
DeutschFrançais
alle instellingen die u hebt gemaakt met de
(alleen A-30)
bedieningselementen BASS, TREBLE, BALANCE of
Druk op deze knop wanneer de A-30 moet worden
LOUDNESS uitgeschakeld.
gebruikt als een stroomversterker (pagina 10).
Off : de indicator dooft. Het signaal gaat door de
verschillende circuits voor frequentieaanpassingen.
Wanneer de indicator UIT is, kunnen aanpassingen
worden uitgevoerd met de bedieningselementen BASS,
6
7
8
9
10 11 12
13 14
TREBLE, BALANCE en LOUDNESS.
Italiano Español Русский
1
/I
STANDBY/ON
4
SPEAKERS B
-knop/indicator
9
BASS
-toonbeheersing
Schakelt de versterker uit en in.
Gebruik deze knop om te luisteren naar het
Gebruiken voor het aanpassen van een
Wanneer de voeding is ingeschakeld, licht de
luidsprekersysteem dat is aangesloten op de
laagfrequentietoon. De middelste positie is de platte
voedingsindicator in het midden op.
SPEAKERS B-aansluitingen.
(normale) positie. Wanneer deze naar rechts wordt
• Op het A-10-model schakelt dit de versterker tussen
On : de indicator licht op. Er is geluid te horen via het
gedraaid, worden de laagfrequentietonen benadrukt en
stand-by en aan.
luidsprekersysteem. (Het geluid wordt ook weergegeven
wanneer deze naar links wordt gedraaid, wordt de
vanaf de PHONES-aansluiting.)
nadruk van de laagfrequentietonen verminderd.
Nederlands
2
STANDBY/APD
-indicator
Off : de indicator dooft. Er is geen geluid te horen via het
• Deze knop werkt niet wanneer de DIRECT-knop op
Wanneer de voeding in stand-by is, licht de indicator
luidsprekersysteem. Stel in op deze positie wanneer u
AAN staat.
rood op. Wanneer de functie Auto uitschakelen is
luistert via de hoofdtelefoon.
ingeschakeld, licht de indicator groen op (pagina 11).
10
TREBLE
-toonbeheersing
5
LOUDNESS
-knop/indicator
Gebruiken voor het aanpassen van een
3
SPEAKERS A
-knop/indicator
Gebruiken wanneer u luistert met een laag volume.
hoogfrequentietoon. De middelste positie is de platte
Gebruik deze knop om te luisteren naar het
(normale) positie. Wanneer deze naar rechts wordt
On : de indicator licht op: Versterkt lage en hoge
luidsprekersysteem dat is aangesloten op de
gedraaid, worden de hoogfrequentietonen benadrukt en
frequenties om extra kracht te geven aan het afspelen,
SPEAKERS A-aansluitingen.
wanneer deze naar links wordt gedraaid, wordt de
zelfs bij een laag volumeniveau.
On : de indicator licht op. Er is geluid te horen via het
nadruk van de hoogfrequentietonen verminderd.
Off : de indicator dooft. Dit zou normaal op deze positie
luidsprekersysteem. (Het geluid wordt ook weergegeven
• Deze knop werkt niet wanneer de DIRECT-knop op
moeten blijven.
vanaf de PHONES-aansluiting.)
AAN staat.
• Deze knop werkt niet wanneer de DIRECT-knop op
Off : de indicator dooft. Er is geen geluid te horen via het
AAN staat.
luidsprekersysteem. Stel in op deze positie wanneer u
11
BALANCE
-regeling
luistert via de hoofdtelefoon.
• Wanneer het geluidsvolume wordt verhoogd, wordt
Dit zou normaal in de middelste positie moeten blijven.
de aanpassing die wordt geproduceerd door het
Pas de balans aan als het geluid luider is uit een van de
LOUDNESS-circuit verminderd.
luidsprekers. Als de rechterzijde luider is, draait u deze
naar links (L) en als de linkerzijde luider is, draait u deze
naar rechts (R).
• Deze knop werkt niet wanneer de DIRECT-knop op
AAN staat.
7
Nl

A30_SYXE8_Nl.book Page 8 Thursday, February 16, 2012 11:42 AM
03 Functies en displays
Achterpaneel
Raadpleeg pagina’s 5-6 voor details over verbindingen.
1 6
2
2 23 24 25
A-30
28 2
10
12
2
7
9
1311
14
1 GND-aansluiting (aarding platendraaier)
10
AUX IN
-aansluitingen
Deze aardingsaansluiting is ontworpen om ruis te
onderdrukken wanneer een platendraaier is
11
NETWORK IN
-aansluitingen
aangesloten. Dit is geen veiligheidsaarding.
12
RECORDER IN/OUT
-aansluitingen
2
SPEAKERS A
-aansluitingen
13
POWER AMP DIRECT IN
-aansluitingen
(rechterkanaal)
(alleen A-30)
3
SPEAKERS B
-aansluitingen
Wanneer u de A-30 gebruikt als stroomversterker, sluit u
(rechterkanaal)
hier de voorversterker aan (pagina 10).
14
CONTROL IN/OUT
-aansluiting
4
SPEAKERS B
-aansluitingen
(behalve A-10)
(linkerkanaal)
5
SPEAKERS A
-aansluitingen
(linkerkanaal)
6
AC IN
-aansluiting
Sluit de voedingskabel hier aan en op een stopcontact.
7
PHONO (MM) IN
-aansluitingen
8
TUNER IN
-aansluitingen
9
SACD/CD IN
-aansluitingen
8
Nl

A30_SYXE8_Nl.book Page 9 Monday, March 5, 2012 2:18 PM
Functies en displays 03
English
1
STANDBY/ON
13
APD
Afstandsbediening (behalve A-10)
Voor het kiezen tussen stand-by en het inschakelen van
Gebruiken om de functie Auto uitschakelen in te stellen
de versterker.
op AAN/UIT (pagina 11).
A-30
A-20
2 Knoppen ingangsselectie
Indrukken om een input te selecteren. Voor het
STANDBY/ON DIMMER
selecteren van het component dat is aangesloten op de
1
8
overeenkomstige aansluiting op het achterpaneel.
SACD/CD NETWORK PHONO
1
8
• Wanneer de A-30 is aangesloten, wordt de
OPTION-knop uitgeschakeld.
TUNER
AUX RECORDER
2
3 SACD PLAYER-bedieningsknoppen
OPTION
5
Gebruiken om de Pioneer SACD-speler te bedienen.
INPUT
9
2
(Kan niet worden gebruikt voor afspelen/pauzeren op de
SACD PLAYER
FUNC
7
modellen PD-D6/PD-D6MK2/PD-D9/PD-D9MK2.)
DeutschFrançais
3
34
10
4 NETWORK AUDIO PLAYER-
NETWORK AUDIO PLAYER
FUNC
bedieningsknoppen
3
11
Gebruiken om de Pioneer netwerkaudiospeler te
4
bedienen.
LOUDNESS
VOLUME
5
LOUDNESS
A
6
5
10
Gebruiken om het volumecircuit AAN/UIT te zetten
MUTE
SPEARKERS
(pagina 7).
Italiano Español Русский
6
B
11
6
MUTE
34
12
Mute/unmute van het geluid.
12
NETWORK AUDIO PLAYER
7
DIRECT
SOUNDSETUP
Druk hierop om Direct luisteren te activeren (pagina 7).
4
ENTER
8
DIMMER
Nederlands
34
3
Met deze knop kunt u het oplichten van de indicators op
HOME MENU
RETURN
het voorpaneel van het apparaat instellen op drie
niveaus (heeft geen invloed op de STANDBY-indicator).
7
DIRECT
APD
13
9
INPUT +/–
Gebruiken voor het wijzigen van de invoerbron. De bron
wijzigt zoals hieronder weergegeven.
SACD/CD NETWORK PHONO TUNER
AUX RECORDER terug naar het begin.
10
SPEAKERS A
-knop/indicator
Gebruik deze knop om te luisteren naar het
luidsprekersysteem dat is aangesloten op de SPEAKERS
A-aansluitingen.
11
SPEAKERS B
-knop/indicator
Gebruik deze knop om te luisteren naar het
luidsprekersysteem dat is aangesloten op de SPEAKERS
B-aansluitingen.
12
VOLUME +/–
Gebruik deze knop om het volume te regelen.
9
Nl

A30_SYXE8_Nl.book Page 10 Thursday, February 16, 2012 11:42 AM
04 Bediening
Hoofdstuk 4:
Stel de voeding in op stand-by
Wanneer u het apparaat gebruikt als een
stroomversterker (alleen A-30)
1 Druk op de
STANDBY/ON
-knop van
Bediening
Wanneer een voorversterker is aangesloten op de
de afstandsbediening.
POWER AMP DIRECT-aansluitingen van het apparaat,
kan dit worden gebruikt als een stroomversterker.
1 Druk op de
POWER AMP DIRECT
-knop
Afspelen
op het voorpaneel van het apparaat.
Wanneer u de voeding de volgende keer wilt
De POWER AMP DIRECT-indicator licht op.
Platenspeler
iPod dock, enz.
inschakelen, drukt u op de STANDBY/ON-knop van
iPod
SACD/CD-speler
Music>
Extras>
Settings>
Shuffle Songs
CD-recorder of
Backlight
de afstandsbediening.
Netwerkaudiospeler
cassettedeck
NETWORK AUDIO PLAYER
Tuner
MENU
• Als u bij de A-30/A-20 op de knop op het voorpaneel
/I STANDBY/ON
STANDBY
FUNCTION
N-50
iPod/USB
5V 2.1A
PURE AUDIO Hi-Bit 32
STANDBY/ON drukt, wordt de voeding
uitgeschakeld. Als de voeding is uitgeschakeld en u
in dit geval op de STANDBY/ON-knop op de
afstandsbediening drukt, wordt de voeding niet
ingeschakeld. Druk op de STANDBY/ON-knop
62
op het voorpaneel om de voeding opnieuw in te
schakelen.
Let op
Opmerking
• Wanneer de POWER AMP DIRECT-indicator is
opgelicht, veranderen de bewerkingen als volgt:
• Als de voedingskabel wordt losgekoppeld wanneer
– De bedieningselementen VOLUME, BASS,
het apparaat in stand-bymodus is, wordt het
TREBLE en BALANCE op het voorpaneel van het
Afspelen
Afspelen
apparaat uitgeschakeld, maar wanneer de kabel
apparaat, zijn uitgeschakeld. Deze
daarna opnieuw wordt aangesloten, wordt het
aanpassingen worden bestuurd door de
3566
apparaat niet automatisch ingeschakeld. Na het
component die is aangesloten op de POWER
opnieuw aansluiten van de voedingskabel, drukt u
AMP DIRECT-aansluitingen van het apparaat.
1 Schakel de stroom van de
4 Start de weergave van het apparaat dat
op de STANDBY/ON-knop om de voeding in te
– Wanneer de POWER AMP DIRECT-indicator is
schakelen.
weergaveapparatuur uit.
u heeft geselecteerd in stap 1.
opgelicht, wordt het geluidsvolume van de A-30
automatisch vast ingesteld op de maximale
2 Schakel de voeding van het toestel IN.
5 Pas het weergavevolume aan met de
uitvoer. Wanneer u het apparaat als
• Als het apparaat in stand-bymodus is, drukt u op de
VOLUME
-bediening.
stroomversterker gebruikt, moet u het
knop STANDBY/ON van de afstandsbediening.
uitvoerniveau controleren van de component die
VOLUME
is aangesloten op de POWER AMP DIRECT-
aansluitingen en dit instellen op een lager,
geschikt niveau voordat u de indicator POWER
AMP DIRECT wordt ingeschakeld. Als het
3 Selecteer de bron die u wenst weer te
geluidsvolume van de component die is
geven.
aangesloten op de POWER AMP DIRECT-
aansluitingen aanvankelijk is ingesteld op een
6 Regel de toon volgens uw voorkeur met
SACD/CD NETWORK PHONO
hoog uitvoerniveau, kan er plots een luid geluid
de
BASS
- en
TREBLE
-bedieningselementen
worden uitgevoerd wanneer de POWER AMP
en met de
LOUDNESS
-knop.
DIRECT-indicator oplicht.
TUNER AUX RECORDER
Als de DIRECT-knop is ingesteld op AAN, worden deze
– Het geluid wordt niet geproduceerd vanaf de
bedieningselementen uitgeschakeld.
PHONES-aansluiting en RECORDER OUT-
Selecteer de weergavecomponent.
aansluitingen.
• Wanneer u de afstandsbediening van de A-30
• Raadpleeg de bedieningsinstructies voor meer
gebruikt, kan de INPUT +/–-knop worden gebruikt
informatie over de component die is aangesloten
om de component te selecteren.
op de POWER AMP DIRECT-aansluitingen van de
• Wanneer u de bedieningselementen van het
A-30.
voorpaneel gebruikt, draait u aan de INPUT
SELECTOR-knop.
10
Nl

A30_SYXE8_Nl.book Page 11 Monday, March 5, 2012 2:18 PM
Bediening 04
English
Een audioopname maken
Instellen voor automatische stand-bystatus (Auto uitschakelen)
U kunt audio opnemen dat afkomstig is van iedere willekeurige bron die is aangesloten op de versterker.
Wanneer deze voorwaarde is ingesteld en er gedurende 30 minuten geen ingangssignaal wordt gedetecteerd, gaat
het apparaat automatisch in stand-by.
Platenspeler
iPod dock, enz.
iPod
1 Als de voeding van het apparaat AAN is, houdt u de
DIRECT
-knop en de
LOUDNESS
-kop
SACD/CD-speler
Music>
Extras>
Settings>
Netwerkaudiospeler
Shuffle Songs
Backlight
MENU
op het voorpaneel gedurende drie seconden tegelijkertijd ingedrukt.
/I STANDBY/ON
FUNCTION
NETWORK AUDIO PLAYER
N-50
Tuner
STANDBY
iPod/USB
5V 2.1A
PURE AUDIO Hi-Bit 32
Afspelen
DeutschFrançais
Wanneer deze voorwaarde is ingesteld op AAN, zal de STANDBY/APD-indicator op het voorpaneel groen oplichten.
Druk opnieuw op de knoppen om de instelling uit te schakelen.
• Deze voorwaarde kan ook worden ingesteld door middel van de APD-knop op de afstandsbediening van de A-30.
• De standaard fabrieksinstelling is AAN.
Opnemen
1
Opmerking
Italiano Español Русский
• Afhankelijk van het aangesloten apparaat, kan de overmatige ruis die door het apparaat wordt geproduceerd,
worden geïnterpreteerd als aan audiosignaal. Hierdoor zal de functie Automatisch uitschakelen mogelijk niet
werken.
Audio-opnamecomponent
(CD-recorder, cassettedeck, enz.)
1 Selecteer de bron waar u van wenst op
Alle instellingen opnieuw instellen naar de standaard fabrieksinstellingen
te nemen.
Nederlands
1 Wanneer de voeding in stand-by is, houdt u de DIRECT-knop en de SPEAKERS A-
SACD/CD NETWORK PHONO
knop op het voorpaneel tegelijkertijd ingedrukt gedurende vijf seconden.
TUNER AUX
2 Start de opname en start daarna de
weergave van de bronapparatuur.
2 Schakel de voeding van het toestel IN.
11
Nl

A30_SYXE8_Nl.book Page 12 Thursday, February 16, 2012 11:42 AM
05 Bijkomende informatie
Hoofdstuk 5:
Probleem Oplossing
Er komt geen geluid uit een
•Zijn de aansluitkabels of luidsprekerkabels aan één zijde losgekoppeld ? Sluit veilig
Bijkomende informatie
luidspreker.
opnieuw aan (pagina 5).
De afstandsbediening doet het niet. •Vervang de batterij (pagina 4).
•Blijf binnen 7 m en 30° van de sensor op het voorpaneel (pagina 4).
•Verwijder het obstakel of ga op een andere plaats zitten of staan.
Problemen oplossen
•Zorg dat er geen direct licht valt op de sensor op het voorpaneel.
•Is de besturingskabel voor een component verkeerd aangesloten? Controleer of de
Vaak worden onjuiste handelingen verward met problemen of storingen. Wanneer u denkt dat er iets mis is met dit
aansluitingen juist zijn (pagina 6).
apparaat, controleer dan eerst de onderstaande punten. Soms kan de storing veroorzaakt worden door een ander
component. Controleer daarom ook de andere componenten en elektrische apparatuur die gebruikt wordt. Als u het
Kan de ingangsbron op A-30 niet
•Controleer of de
POWER AMP DIRECT
-functie AAN is. Indien dat zo is, drukt u op de
probleem aan de hand van de gegeven maatregelen niet kunt verhelpen, dient u contact op te nemen met uw
wijzigen.
POWER AMP DIRECT
-knop op het voorpaneel om de functie UIT te schakelen
dichtstbijzijnde officiële Pioneer-servicecentrum of met uw vakhandelaar om het apparaat te laten repareren.
(pagina 10).
• Als dit toestel niet naar behoren functioneert vanwege externe effecten zoals statische elektriciteit, trek dan de
stekker uit het stopcontact en steek hem weer in om het toestel weer normaal te doen werken.
Probleem Oplossing
Reiniging van het toestel
Het apparaat gaat niet aan. •Is de voedingsstekker losgekoppeld van het stopcontact? Sluit de voedingsstekker
• Gebruik een poetsdoek of een droge doek om stof
correct aan op het stopcontact (pagina 6).
en vuil van het toestel te vegen.
•Is de voedingskabel losgekoppeld van de AC IN-aansluiting? Sluit de voedingskabel
• Wanneer het buitenoppervlak van het toestel vuil is,
correct aan (pagina 6).
veeg het dan schoon met een zachte doek die u in
een neutraal reinigingsmiddel, vijf- tot zesmaal
De voeding wordt uitgeschakeld. •Is de functie Automatisch uitschakelen AAN? Als u niet wilt dat het apparaat
verdund in water, heeft gedompeld en goed heeft
automatisch wordt uitgeschakeld, moet u de functie Automatisch uitschakelen
uitgewrongen. Gebruik geen meubelwas of
deactiveren (pagina 11).
meubelreinigers.
Tijdens het afspelen wordt het geluid
•De interne temperatuur van het apparaat is gestegen en het veiligheidscircuit heeft
• Gebruik nooit verdunner, benzine, insectensprays
gestopt en knippert de
STANDBY/APD
-
gewerkt.
of andere chemische producten op of in de
indicator rood met intervallen van
- Schakel de voeding UIT en laat het apparaat afkoelen voordat u de voeding opnieuw
omgeving van dit product, want deze kunnen
ongeveer 1 seconde.
INSCHAKELT.
corrosie op het buitenoppervlak veroorzaken.
- Installeer het apparaat op een locatie met een betere ventilatie.
- Controleer of het apparaat correct is geïnstalleerd. Als het apparaat opnieuw wordt
ingeschakeld zonder dat het heeft kunnen afkoelen, kunnen dezelfde symptomen
optreden (pagina 4).
Tijdens het afspelen wordt het geluid
•Gebruikt u luidsprekers met impedantiewaarden die niet worden ondersteund door
gestopt en knippert de
STANDBY/APD
-
dit apparaat? Controleer de normale impedantiewaarde van de luidspreker (pagina 6).
indicator rood met intervallen van
•Zijn er luidsprekerkabels losgekoppeld van de
SPEAKERS
-aansluiting en zijn er
ongeveer 2 seconde.
andere draden die het oppervlak van het achterpaneel raken? Koppel de voedingskabel
los en sluit de luidsprekerkabels correct aan (pagina 6).
Wanneer de voeding wordt ingeschakeld,
•Het circuit van het apparaat is beschadigd. Koppel de voedingskabel los en
knippert de
STANDBY/APD
-indicator
raadpleeg uw leverancier of een
erkend Pioneer servicepunt
in uw buurt.
met onregelmatige intervallen.
Er is geen geluid als u een functie
•Een verbindingskabel is losgekoppeld of onjuist aangesloten. Controleer uw
selecteert.
verbindingen (pagina 5).
•De aansluitingen of pinstekkers op een kabel zijn vuil. Veeg eventueel vuil af van de
aansluitingen en pinstekkers.
•Controleer of de ingangsselectie voor het apparaat is ingesteld op de gewenste
weergavecomponent. Stel de selectieknop correct in (pagina 10).
•
Als u bij de A-30/A-20 op de
druk op
MUTE
op de afstandsbediening om het dempen
uit te schakelen (pagina 9).
12
Nl






