Pioneer A-10-S – page 2
Manual for Pioneer A-10-S
Table of contents

A30_SYXE8-Fr.book Page 9 Monday, March 5, 2012 2:07 PM
Commandes et afficheur 03
English
1
STANDBY/ON
13
APD
Télécommande (à l’exception de l’A-10)
Cette touche permet d’allumer l’amplificateur et de le
Permet d’activer/désactiver la fonction de hors tension
mettre en veille.
automatique (page 11).
A-30
A-20
2 Boutons de sélection des entrées
Appuyez sur l’une de ces boutons pour sélectionner une
STANDBY/ON DIMMER
source d’entrée. Elles sélectionnent le composant
1
8
raccordé à l’entrée correspondante sur le panneau
SACD/CD NETWORK PHONO
1
8
arrière.
• Lorsque l’A-30 est connecté, le bouton OPTION est
TUNER
AUX RECORDER
désactivé.
2
OPTION
5
3 Boutons de commande du SACD PLAYER
INPUT
9
2
Permet de contrôler le lecteur SACD Pioneer.
SACD PLAYER
FUNC
7
(Ne pas utiliser pour effectuer une lecture/pause sur les
DeutschFrançais
modèles PD-D6/PD-D6MK2/PD-D9/PD-D9MK2.)
3
34
10
4 Boutons de commande du AUDIO
NETWORK AUDIO PLAYER
FUNC
3
11
PLAYER DE RÉSEAU
4
Permet de contrôler le lecteur Pioneer audio en réseau.
LOUDNESS
VOLUME
5
LOUDNESS
A
6
5
10
Utilisez pour activer/désactiver (ON/OFF) (page 7) le
MUTE
SPEARKERS
circuit de la puissance sonore.
Italiano Español Русский
6
B
11
6
MUTE
34
12
Permet de couper/restaurer le son.
12
7
DIRECT
NETWORK AUDIO PLAYER
SOUNDSETUP
Permet d’accéder à la fonction d’écoute en mode direct
(page 7).
4
ENTER
Nederlands
34
3
8
DIMMER
HOME MENU
RETURN
Ce bouton permet d’allumer les indicateurs du panneau
avant de l’unité pour régler les trois niveaux (aucune
incidence sur l’indicateur STANDBY).
7
DIRECT
APD
13
9
INPUT +/–
Permet de changer la source d’entrée. La source change
tel qu’indiqué ci-dessous.
SACD/CD NETWORK PHONO TUNER
AUX RECORDER Permet de revenir au début.
10
SPEAKERS A
bouton/indicateur
Ce bouton permet d’écouter le système d’enceinte
connecté aux bornes SPEAKERS A.
11
SPEAKERS B
bouton/indicateur
Ce bouton permet d’écouter le système d’enceinte
connecté aux bornes SPEAKERS B.
12
VOLUME +/–
Permet de régler le volume d’écoute.
9
Fr

A30_SYXE8-Fr.book Page 10 Thursday, February 16, 2012 11:51 AM
04 Fonctionnement
Chapitre 4 :
Réglage de la puissance sur la mise en
Lorsque vous utilisez l’unité comme
veille
amplificateur (A-30 uniquement)
Fonctionnement
Lorsqu’un pré-amplificateur est connecté aux bornes de
1 Appuyez sur le bouton de la
l’unité POWER AMP DIRECT, l’unité peut être utilisée
télécommande
STANDBY/ON
.
comme amplificateur de puissance.
1 Appuyez sur le bouton
POWER AMP
Lecture
DIRECT
situé sur le panneau avant de
l’unité.
Platine
Station d’accueil iPod, etc.
Music>
Extras>
iPod
Enregistreur CD
La prochaine fois que vous remettrez sous tension,
L’indicateur POWER AMP DIRECT s’allume.
Lecteur SACD/CD
Settings>
Lecteur audio réseau
Shuffle Songs
Backlight
MENU
ou à bande
appuyez sur le bouton STANDBY/ON de la
Syntoniseur
/I STANDBY/ON
STANDBY
PURE AUDIO Hi-Bit 32
FUNCTION
NETWORK AUDIO PLAYER
N-50
télécommande.
iPod/USB
5V 2.1A
• Dans le cas de l’A-30/A-20, si le bouton
STANDBY/ON est appuyé, l’unité s’éteint. Dans
ce cas, si l’alimentation est coupée, vous ne
pourrez pas remettre sous tension en appuyant sur
62
le bouton de la télécommande STANDBY/ON.
Pour remettre sous tension, appuyez sur le bouton
du panneau avant STANDBY/ON.
Attention
Remarque
• Lorsque l’indicateur POWER AMP DIRECT
• Si le cordon de l’alimentation n’est pas branché
s’allume, les opérations changent comme suit :
lorsque l’unité est en mode de veille, l’unité
– Le panneau avant VOLUME de l’unité, BASS,
Lecture
Lecture
s’éteindra. Toutefois lorsque le cordon est
TREBLE et les commandes BALANCE sont
rebranché, l’unité ne se remettra pas
désactivés. Ces réglages sont contrôlés par le
3566
automatiquement en marche. Après la
composant connecté aux bornes de l’unité
rebranchement du cordon d’alimentation, appuyez
POWER AMP DIRECT.
1 Mettez sous tension le composant de
• Lorsque vous utilisez les commandes du panneau
sur le bouton de la télécommande
avant, tournez le bouton INPUT SELECTOR.
– Lorsque l’indicateur POWER AMP DIRECT
lecture.
STANDBY/ON pour remettre sous tension.
s’allume, le volume sonore de l’A-30 est
4 Débutez la lecture du composant que
automatiquement fixé à sa puissance maximale.
2 Mettez l’unité sous tension.
vous avez sélectionné dans l’étape 1.
Lorsque vous utilisez cet appareil comme
• Si l’unité est en mode de veille, appuyez sur le
amplificateur de puissance, vérifiez le niveau de
bouton de la télécommande STANDBY/ON.
5 Réglez le volume de la lecture avec la
sortie du composant connecté aux bornes
POWER AMP DIRECT et réglez-le à un niveau
commande
VOLUME
.
bas, le cas échéant, avant d’allumer l’indicateur
VOLUME
POWER AMP DIRECT. Si le volume sonore de
l’appareil raccordé aux bornes POWER AMP
DIRECT est initialement réglé sur un niveau de
3 Sélectionnez la source que vous
sortie élevé, un fort bruit peut se trouver
souhaitez lire.
soudainement émis lorsque l’indicateur
POWER AMP DIRECT s'allume.
SACD/CD NETWORK PHONO
– Le son n’est pas produit par la prise PHONES ni
6 Ajustez la tonalité à votre choix à l’aide
les bornes RECORDER OUT.
TUNER AUX RECORDER
des commandes
BASS
et
TREBLE
et du
• Pour de plus amples informations, consultez les
bouton
LOUDNESS
.
instructions sur le fonctionnement du composant
Si le bouton DIRECT a été réglé sur ON, ces commandes
connecté aux bornes de l’A-30 POWER AMP
Sélectionnez le composant de lecture.
sont désactivées.
DIRECT.
• Lorsque vous utilisez la télécommande de l’A-30, le
bouton INPUT +/– peut être utilisé pour la sélection
du composant.
10
Fr

A30_SYXE8-Fr.book Page 11 Monday, March 5, 2012 2:07 PM
Fonctionnement 04
English
Réalisation d’un enregistrement audio
Pour régler un statut de veille automatique (fonction de mise hors tension
Vous pouvez faire un enregistrement audio à partir de n’importe quelle source audio raccordée à l’amplificateur.
automatique)
Platine
Station d’accueil iPod, etc.
Lorsque cette fonction est définie, si aucun signal d’entrée n’est détecté pendant 30 minutes, l’unité adopte
iPod
Lecteur SACD/CD
Music>
automatiquement le statut de veille.
Extras>
Settings>
Lecteur audio réseau
Shuffle Songs
Backlight
Syntoniseur
MENU
1 Si l’unité est sous tension, appuyez simultanément sur le bouton du panneau avant de
/I STANDBY/ON
NETWORK AUDIO PLAYER
STANDBY
PURE AUDIO Hi-Bit 32
FUNCTION
N-50
iPod/USB
5V 2.1A
l’unité
DIRECT
et sur
LOUDNESS
et maintenez-les enfoncés pendant trois secondes.
Lecture
DeutschFrançais
Lorsque cette fonction est définie sur ON, l’indicateur STANDBY/APD situé sur le panneau avant de l’unité s’allume
en vert. Appuyez à nouveau sur les boutons pour désactiver le réglage.
• Vous pouvez également définir cette fonction avec le bouton APD sur la télécommande de l’A-30.
• Par défaut, cette option est activée.
Enregistrem
1
Italiano Español Русский
Remarque
• En fonction du dispositif connecté, un bruit excessif risque de se produire qui pourrait être interprété comme un
Composant d’enregistrement audio
signal audio, annulant ainsi la fonction de mise a l’arrêt automatique.
(graveur CD, enregistreur à bande, etc.)
1 Sélectionnez la source que vous
Pour restaurer tous les réglages sur les valeurs par défaut
souhaitez enregistrer.
Nederlands
1 Lorsque l’unité est en mode de veille, appuyez simultanément les boutons sur le
SACD/CD NETWORK PHONO
panneau avant DIRECT et SPEAKERS A que vous maintenez enfoncés pendant cinq
secondes.
TUNER AUX
2 Commencez l’enregistrement, puis
commencez la lecture du composant source.
2 Mettez l’unité sous tension.
11
Fr

A30_SYXE8-Fr.book Page 12 Thursday, February 16, 2012 11:51 AM
05 Informations supplémentaires
Chapitre 5 :
Problèmes Solutions
Aucun son n’est entendu d’une
•Les câbles de raccordement ou des enceintes sont déconnectés sur un côté?
Informations supplémentaires
enceinte.
Reconnectez fermement (page 5).
Impossible de faire fonctionner
•Remplacez les piles (page 4).
la télécommande.
•Utilisez à moins de 7 m, 30° du capteur de télécommande du panneau avant (page 4).
•Eliminez tout obstacle ou utilisez dans une autre position.
Guide de dépannage
•Ne pas exposer le capteur de télécommande du panneau avant à la lumière directe.
•Le cordon de commande d’un composant est connecté incorrectement? S’assurer
Des opérations incorrectes sont souvent interprétées comme des problèmes et des mauvais fonctionnements. Si
que les connexions sont correctes (page 6).
vous pensez qu’il y a un problème avec ce composant, vérifiez les points ci-dessous. Parfois le problème peut se
trouver dans un autre composant. Examinez les autres composants et les appareils électriques en usage. Si le
Impossible de changer la source
•Vérifiez si la fonction
POWER AMP DIRECT
est activée. Si c’est le cas, appuyez sur le
problème ne peut pas se résoudre malgré les indications ci-dessous, consultez votre service après-vente Pioneer le
d’entrée sur l’A-30.
bouton du panneau avant
POWER AMP DIRECT
pour désactiver la fonction (page 10).
plus proche pour le faire réparer.
• Si l’unité ne fonctionne pas normalement en raison d’effets externes comme l’électricité statique, débranchez
la fiche d’alimentation de la prise de courant et insérez-la de nouveau pour rétablir les conditions normales de
fonctionnement.
Nettoyage de l’unité
Problèmes Solutions
• Utilisez un chiffon sec pour essuyer la poussière et
la saleté.
Impossible de mettre sous tension. •La fiche est déconnectée de la prise? Connectez correctement la fiche à la prise
• Lorsque le surface est sale, essuyez avec un chiffon
(page 6).
doux trempé dans un nettoyant neutre dilué dans
•Le cordon d’alimentation est déconnecté du connecteur AC IN (Entrée CA)?
une dose cinq ou six fois supérieure d’eau, et bien
Connectez correctement le cordon d’alimentation (page 6).
essoré. Essuyez encore avec un chiffon sec. Ne pas
utiliser de cire ou nettoyant pour meubles.
L’unité s’éteint. •La fonction de mise hors tension automatique est activée? Si vous ne voulez pas que
l’alimentation soit coupée automatiquement, désactivez la fonction Auto Power Down
• Ne jamais utiliser de diluants, benzine, insecticides
(mise hors tension automatique) (page 11).
en bombe ou autres produits chimiques sur ou
près de cet appareil au risque d’entraîner une
Au cours de la lecture, le son s’arrête
•La température interne de l’unité a augmenté et le circuit de sécurité s’est
corrosion.
et l’indicateur
STANDBY/APD
déclenché.
clignote en rouge à environ 1 seconde
- Mettez l’unité hors tension et attendrez qu’elle ait refroidi avant de la remettre sous
d’intervalle.
tension.
- Installez l’unité dans un endroit mieux ventilé.
- Confirmez l’installation appropriée de l’unité; si vous remettez l’unité en marche
sans attendre qu’elle ait refroidi, les mêmes symptômes peuvent se reproduire
(page 4).
Au cours de la lecture, le son s’arrête
•Utilisez-vous des enceintes avec des valeurs d’impédance non prise en charge par
et l’indicateur
STANDBY/APD
cette unité? Confirmez la valeur d’impédance nominale de l’enceinte (page 6).
clignote en rouge à environ 2 seconde
•Des câbles d’enceinte sont desserrés des bornes
SPEAKERS
et touchent d’autres fils
d’intervalle.
ou la surface du panneau arrière ? Déconnectez le cordon d’alimentation et
reconnectez correctement les câbles d’enceinte (page 6).
Lorsque l’unité est mise sous tension,
•La circuitrie de l’unité est endommagée. Déconnectez le cordon d’alimentation et
l’indicateur
STANDBY/APD
se met à
consultez votre revendeur ou le
centre de service agréé par Pioneer
le plus proche.
clignoter à intervalles réguliers.
Aucun son n’est fourni quand une
•Un câble de raccordement est déconnecté ou connecté incorrectement. Vérifiez vos
fonction est sélectionnée.
connexions (page 5).
•Les connecteurs ou les fiches à broche du câble sont sales. Nettoyez les impuretés
des connecteurs et des fiches à broche.
•Vérifiez que le sélecteur d’entrée de l’unité est réglé au composant de lecture
souhaité. Réglez le sélecteur correctement (page 10).
•Dans le cas de I’A-30/A-20, appuyez sur
MUTE
de la télécommande pour désactiver
la sourdine (page 9).
12
Fr

A30_SYXE8-Fr.book Page 13 Thursday, February 16, 2012 11:51 AM
Informations supplémentaires 05
English
Divers
Spécifications
Puissance requise . . . . . . . . . . . 220 V à 230 V CA, 50 Hz
Consommation électrique
Section amplificateur
A-30 . . . . . . . . . . . . . . . . . . . . . . . . . . . . . . . . . . . . . .175 W
La spécification pour la puissance de sortie concerne les
A-20/A-10. . . . . . . . . . . . . . . . . . . . . . . . . . . . . . . . . .135 W
cas où l’alimentation électrique est de 230 V.
En mode veille. . . . . . . . . . . . . . . . . . . . . . . . . . . . . . 0,3 W
Dimensions
• Puissance de sortie continue (les deux
. . . . . . . . . . . . . .435 mm (L) x 128 mm (H) x 360 mm (P)
canaux fonctionnant entre 20 Hz et
Poids (sans emballage)
20 kHz)
A-30 . . . . . . . . . . . . . . . . . . . . . . . . . . . . . . . . . . . . . . 7,9 kg
A-30 . . . . . . . . . . . . . . . . . . . . . . . . . . . . . . . . 70 W + 70 W
A-20 . . . . . . . . . . . . . . . . . . . . . . . . . . . . . . . . . . . . . . 7,2 kg
A-20, A-10 . . . . . . . . . . . . . . . . . . . . . . . . . . . 50 W + 50 W
A-10 . . . . . . . . . . . . . . . . . . . . . . . . . . . . . . . . . . . . . . 6,7 kg
(THD 0,1 %, 4 Ω)
A-30 . . . . . . . . . . . . . . . . . . . . . . . . . . . . . . . . 40 W + 40 W
Accessoires
A-20, A-10 . . . . . . . . . . . . . . . . . . . . . . . . . . . 30 W + 30 W
Télécommande (à l’exception de l’A-10) . . . . . . . . . . . . 1
DeutschFrançais
(THD 0,05 %, 8 Ω)
Piles sèches AA/IEC R03 (à l’exception de l’A-10). . . . . 2
Cordon d’alimentation
Section audio
Carte de garantie
Mode d’emploi (ce document)
• Entrée (Sensibilité/impédance)
SACD/CD, NETWORK, TUNER, AUX, RECORDER
. . . . . . . . . . . . . . . . . . . . . . . . . . . . . . . . . . . 200 mV/50 kΩ
Remarque
ALIMENTATION AMP DIRECTE (A-30 uniquement)
• Les spécifications et la conception sont sujettes à
Italiano Español Русский
. . . . . . . . . . . . . . . . . . . . . . . . . . . . . . . . . . . . . . . 1 V/10 kΩ
de possibles modifications sans préavis, suite à des
PHONO (MM) . . . . . . . . . . . . . . . . . . . . . . . .2,8 mV/50 kΩ
améliorations.
• Sortie (Niveau/impédance)
• Les noms d’entreprise et de produit mentionnés
dans les présentes sont des marques de commerce
RECORDER OUT . . . . . . . . . . . . . . . . . . . .200 mV/2,2 kΩ
ou des marques déposées de leur propriétaire
PHONES . . . . . . . . . . . . . . . . . . . . . . . . . . . . 250 mV/32 Ω
respectif.
• Réponse en fréquence
Nederlands
SACD/CD, NETWORK, TUNER, AUX, RECORDER
. . . . . . . . . . . . . . . . . . . . . . . . . . . . 5 Hz à 100 kHz dB*
PHONO (MM) . . . . . . . . . . . . . . 20 Hz à 20 kHz ±0,5 dB*
* Mesure effectuée avec le bouton DIRECT activé.
• Commande de la tonalité
(Lorsque le VOLUME est réglé sur
-
30 dB)
Graves . . . . . . . . . . . . . . . . . . . . . . . . . . .± 10 dB (100 Hz)
Aigus . . . . . . . . . . . . . . . . . . . . . . . . . . . .± 10 dB (10 kHz)
• Ratio Signal sur Bruit (IHF EN COURT-
CIRCUIT, RESEAU-A)
SACD/CD, NETWORK, TUNER, AUX, RECORDER
. . . . . . . . . . . . . . . . . . . . . . . . . . . . . . . . . . . . . . . . 105 dB*
PHONO (MM, entrée de 2,8 mV). . . . . . . . . . . . . . 77 dB*
* Mesure effectuée avec le bouton DIRECT activé.
• Impédance charge haut-parleur
© 2012 PIONEER CORPORATION.
A, B . . . . . . . . . . . . . . . . . . . . . . . . . . . . . . . . . . 4 Ω à 16 Ω
Tous droits de reproduction et de traduction
A+B. . . . . . . . . . . . . . . . . . . . . . . . . . . . . . . . . . 8 Ω à 32 Ω
réservés.
Bi-câblage . . . . . . . . . . . . . . . . . . . . . . . . . . . . . 4 Ω à 16 Ω
13
Fr

A30_SYXE8-De.book Page 2 Thursday, February 16, 2012 11:47 AM
WARNUNG
WICHTIG
Dieses Gerät ist nicht wasserdicht. Zur Vermeidung der
Gefahr von Brand und Stromschlag keine Behälter mit
CAUTION
Flüssigkeiten (z.B. Blumenvasen und -töpfe) in die
RISK OF ELECTRIC SHOCK
Nähe des Gerätes bringen und dieses vor Tropfwasser,
DO NOT OPEN
Spritzwasser, Regen und Nässe schützen.
D3-4-2-1-3_A1_De
Das Blitzsymbol in einem Dreieck weist den
ACHTUNG:
Ein Ausrufezeichen in einem Dreieck weist
Benutzer darauf hin, dass eine
UM SICH NICHT DER GEFAHR EINES
den Benutzer auf wichtige Bedienungs- und
WARNUNG
Berührungsgefahr mit nicht isolierten Teilen
ELEKTRISCHEN SCHLAGES
Wartungsanweisungen in den Dokumenten
Vor dem erstmaligen Anschluss des Gerätes an das
im Geräteinneren, die eine gefährliche
AUSZUSETZEN, DÜRFEN SIE NICHT DEN
hin, die dem Gerät beiliegen.
Spannung führen, besteht. Die Spannung
DECKEL (ODER DIE RÜCKSEITE)
Stromnetz bitte den folgenden Hinweis sorgfältig
kann so hoch sein, dass sie die Gefahr eines
ENTFERNEN. IM GERÄTEINNEREN
beachten.
elektrischen Schlages birgt.
BEFINDEN SICH KEINE VOM BENUTZER
Die Netzspannung ist je nach Land verschieden.
REPARIERBAREN TEILE. ÜBERLASSEN SIE
Vor der Inbetriebnahme des Gerätes sicherstellen,
REPARATUREN DEM QUALIFIZIERTEN
KUNDENDIENST.
dass die örtliche Netzspannung mit der auf dem
D3-4-2-1-1_A1_De
Typenschild an der Rückwand des Gerätes
angegebenen Nennspannung (z.B. 230 V oder 120
V) übereinstimmt.
D3-4-2-1-4*_A1_De
Informationen für Anwender zur Sammlung und Entsorgung von Altgeräten und
gebrauchten Batterien
VORSICHTSHINWEIS ZUR BELÜFTUNG
Bei der Aufstellung dieses Gerätes muss für einen
Diese Symbole auf den Produkten, der Verpackung und/oder Begleitdokumenten
Symbol für
ausreichenden Freiraum gesorgt werden, um eine
bedeuten, dass gebrauchte elektrische und elektronische Produkte und Batterien
Geräte
einwandfreie Wärmeabfuhr zu gewährleisten
nicht über den Haushaltsmüll entsorgt werden dürfen.
(mindestens 30 cm oberhalb des Gerätes, 10 cm hinter
Zur richtigen Handhabung, Rückgewinnung und Wiederverwertung von Altprodukten
dem Gerät und jeweils 10 cm an der Seite des Gerätes).
und gebrauchten Batterien bringen Sie diese bitte zu den gemäß der nationalen
WARNUNG
Gesetzgebung dafür zuständigen Sammelstellen.
Im Gerätegehäuse sind Ventilationsschlitze und andere
Mit der korrekten Entsorgung dieser Produkte und Batterien helfen Sie dabei,
Öffnungen vorgesehen, die dazu dienen, eine
wertvolle Ressourcen zu schonen und vermeiden mögliche negative Auswirkungen
Symbolbeispiele
Überhitzung des Gerätes zu verhindern und einen
auf die Gesundheit und die Umwelt, die durch eine unsachgemäße Behandlung des
für Batterien
zuverlässigen Betrieb zu gewährleisten. Um
Abfalls entstehen könnten.
Brandgefahr auszuschließen, dürfen diese Öffnungen
auf keinen Fall blockiert oder mit Gegenständen (z.B.
Weitere Informationen zur Sammlung und Wiederverwertung von Altprodukten und
Zeitungen, Tischdecken und Gardinen) abgedeckt
Batterien erhalten Sie von Ihrer örtlichen Gemeindeverwaltung, Ihrem Müllentsorger
werden, und das Gerät darf beim Betrieb nicht auf
oder dem Verkaufsort, an dem Sie die Waren erworben haben.
einem dicken Teppich oder Bett aufgestellt sein.
Diese Symbole gelten ausschließlich in der Europäischen Union.
D3-4-2-1-7b*_A1_De
Für Länder außerhalb der Europäischen Union:
Wenn Sie diese Gegenstände entsorgen wollen, wenden Sie sich bitte an Ihre
Pb
lokalen Behörden oder Händler und fragen Sie dort nach der korrekten
Entsorungsweise.
K058a_A1_De

A30_SYXE8-De.book Page 3 Thursday, February 16, 2012 11:47 AM
Betriebsumgebung
Vielen Dank für den Erwerb dieses
Dieses Gerät ist für den Heimgebrauch vorgesehen.
Betriebstemperatur und Betriebsluftfeuchtigkeit:
Pioneer Produkts.
Falls bei Einsatz zu einem anderem Zweck (z.B.
+5 °C bis +35 °C, 85 % rel. Feuchte max.
Lesen Sie bitte zum korrekten Betrieb Ihres Modells die
Langzeitgebrauch zu gewerblichen Zwecken in einem
gesamte Bedienungsanleitung durch. Bewahren Sie sie
(Ventilationsschlitze nicht blockiert)
Restaurant oder Betrieb in einem Fahrzeug bzw.
nach dem Durchlesen zur Einsicht an einem sicheren
Eine Aufstellung dieses Gerät an einem unzureichend
Schiff) eine Funktionsstörung auftritt, die eine
Ort auf
.
belüfteten, sehr feuchten oder heißen Ort ist zu
Reparatur des Gerätes erforderlich macht, werden
vermeiden, und das Gerät darf weder direkter
die Reparaturkosten dem Kunden selbst dann in
Sonneneinstrahlung noch starken Kunstlichtquellen
Rechnung gestellt, wenn die Garantiefrist noch nicht
Inhalt
ausgesetzt werden.
abgelaufen ist.
D3-4-2-1-7c*_A1_De
K041_A1_De
01 Bevor Sie beginnen
Falls der Netzstecker des Netzkabels dieses Gerätes
Prüfung des Kartoninhalts. . . . . . . . . . . . . . . . . . .4
nicht in die Zusatzsteckdose einer anderen
VORSICHT MIT DEM NETZKABEL
Batterien in die Fernbedienung einlegen
(außer A-10) . . . . . . . . . . . . . . . . . . . . . . . . . . . . . . 4
Komponente passt, muss er gegen einen Netzstecker
Fassen Sie das Netzkabel immer am Stecker. Ziehen Sie
Verwendung der Fernbedienung . . . . . . . . . . . . . . .4
der geeigneten Ausführung ausgewechselt werden.
nicht am Kabel selbst, und fassen Sie das Netzkabel
Aufstellung des Verstärkers. . . . . . . . . . . . . . . . . .4
Ein derartiger Austausch des Netzsteckers muss vom
niemals mit nassen Händen an, da dies einen
Kundendienstpersonal vorgenommen werden. Wenn
Kurzschluss oder elektrischen Schlag verursachen kann.
02 Anschlüsse
der vom Netzkabel abgeschnittene ursprüngliche
Stellen Sie nicht das Gerät, Möbelstücke o.ä. auf das
Anschließen der Kabel. . . . . . . . . . . . . . . . . . . . . .5
“Bi-wiring” (Doppelverkabelung) . . . . . . . . . . . . . .5
Netzstecker in eine Netzsteckdose eingesteckt wird,
Netzkabel; sehen Sie auch zu, dass es nicht eingeklemmt
wird. Machen Sie niemals einen Knoten in das Netzkabel,
Lautsprecherkabel anschließen. . . . . . . . . . . . . . .6
besteht akute Stromschlaggefahr! Daher ist
und binden Sie es nicht mit anderen Kabeln. Das
Audiokabel anschließen. . . . . . . . . . . . . . . . . . . . .6
unbedingt dafür zu sorgen, dass der abgeschnittene
Netzkabel sollte so gelegt werden, dass niemand darauf
Zentrale Steuerung mit anderen Pioneer-
Netzstecker sofort vorschriftsmäßig entsorgt wird.
tritt. Ein beschädigtes Netzkabel kann einen Brand oder
Komponenten (außer A-10) verwenden . . . . . . . . .6
Vor einem längeren Nichtgebrauch des Gerätes,
elektrischen Schlag verursachen. Prüfen Sie das
Anschließen. . . . . . . . . . . . . . . . . . . . . . . . . . . . . .6
beispielsweise während des Urlaubs, sollte der
Netzkabel von Zeit zu Zeit. Sollte es beschädigt sein,
03 Bedienelemente und Anzeigen
Netzstecker aus der Netzsteckdose gezogen werden,
wenden Sie sich an Ihre nächste autorisierte
Vorderseite . . . . . . . . . . . . . . . . . . . . . . . . . . . . . .7
um das Gerät vollständig vom Netz zu trennen.
PIONEER-Kundendienststelle oder Ihren Händler, um
D3-4-2-2-1a_A1_De
Rückwand . . . . . . . . . . . . . . . . . . . . . . . . . . . . . . . 8
es zu ersetzen.
Fernbedienung (außer A-10) . . . . . . . . . . . . . . . . .9
S002*_A1_De
04 Bedienung
ACHTUNG
Wiedergabe . . . . . . . . . . . . . . . . . . . . . . . . . . . . .10
Der /I STANDBY/ON-Schalter dieses Gerätes
Bereitschaftsmodus einstellen . . . . . . . . . . . . . . .10
WARNUNG
Wenn das Gerät als Verstärker
trennt das Gerät nicht vollständig vom Stromnetz. Um
Keine Quellen offener Flammen (z.B. eine brennende
eingesetzt wird (nur A-30) . . . . . . . . . . . . . . . . . . .10
das Gerät vollständig vom Netz zu trennen, muss der
Kerze) auf dieses Gerät stellen.
Vornahme eine Audioaufnahme . . . . . . . . . . . . . 11
Netzstecker aus der Netzsteckdose gezogen werden.
D3-4-2-1-7a_A1_De
Automatisch in den Bereitschaftsmodus
Daher sollte das Gerät so aufgestellt werden, dass
wechseln (Auto-Abschaltung) . . . . . . . . . . . . . . .11
stets ein unbehinderter Zugang zur Netzsteckdose
Alle Einstellungen auf die Werkseinstellungen
(nur A-30)
rücksetzen . . . . . . . . . . . . . . . . . . . . . . . . . . . . . 11
gewährleistet ist, damit der Netzstecker in einer
Notsituation sofort abgezogen werden kann. Um
AUHTUNG:
05 Zusätzliche Informationen
Brandgefahr auszuschließen, sollte der Netzstecker
HEISSE OBERFLÄCHE. NICHT BERÜHREN.
Fehlerbehandlung . . . . . . . . . . . . . . . . . . . . . . . .12
vor einem längeren Nichtgebrauch des Gerätes,
Die Oberabdeckung über dem internen
Reinigung des Geräts . . . . . . . . . . . . . . . . . . . . .12
beispielsweise während des Urlaubs, grundsätzlich
Technische Daten . . . . . . . . . . . . . . . . . . . . . . . .13
Kühlkörper kann bei längerem Gebrauch
von der Netzsteckdose getrennt werden.
D3-4-2-2-2a*_A1_De
dieses Produkts sehr heiß werden.
3

A30_SYXE8-De.book Page 4 Thursday, February 16, 2012 11:47 AM
01 Bevor Sie beginnen
Kapitel 1:
Beachten Sie bei der Verwendung der Fernbedienung
Vorsicht
folgende Punkte:
Eine unsachgemäße Verwendung der Batterien kann zu
• Achten Sie darauf, dass sich keine Hindernisse
Bevor Sie beginnen
Gefährdungen durch Auslaufen oder Explosion führen.
zwischen der Fernbedienung und ihrem Sensor am
Beachten Sie die folgenden Vorsichtsmaßnahmen:
Gerät befinden.
• Achten Sie beim Einlegen der Batterien darauf, die
• Die Fernbedienung arbeitet nicht zuverlässig, wenn
2 Legen Sie neue Batterien richtig herum
Federn an den Batteriekontakten nicht zu
ihr Sensor am Gerät starker Sonneneinstrahlung
Prüfung des Kartoninhalts
ein; orientieren sich dabei an den
beschädigen.
oder dem Licht einer Leuchtstofflampe ausgesetzt
wird.
Achten Sie bitte darauf, dass sich beim Öffnen des
Polaritätskennzeichnungen im Inneren des
• Verwenden Sie ausschließlich Batterien vom
angegebenen Typ. Mischen Sie keine frischen mit
• Fernbedienungen verschiedener Geräte können
Kartons folgendes Zubehör darin befindet:
Batteriefachs.
älteren Batterien.
sich gegenseitig beeinflussen. Vermeiden Sie den
• Fernbedienung (außer A-10)
Gebrauch anderer Fernbedienungen in der Nähe
• Achten Sie beim Einlegen der Batterien in die
dieses Geräts.
• AAA/IEC R03-Trockenbatterien x2 (außer A-10)
A-30
A-20
Fernbedienung darauf, dass diese richtig herum
• Netzkabel
eingelegt werden. Orientieren Sie sich dabei an den
• Wechseln Sie die Batterien aus, wenn die
Polaritätsmarkierungen und .
Reichweite der Fernbedienung merklich nachlässt.
• Garantiekarte
• Batterien nicht erhitzen, nicht zerlegen, nicht
• Bedienungsanleitung (dieses Dokument)
verbrennen, nicht mit Wasser in Berührung
kommen lassen.
• Batterien können auch bei identischer Größe und
Aufstellung des Verstärkers
Hinweis
Form unterschiedliche Spannungen aufweisen.
Achten Sie bei der Aufstellung des Geräts darauf, dass
• Die Abbildungen in der Bedienungsanleitung
Verwenden Sie unterschiedliche Batterietypen
es auf einer ebenen und stabilen Oberfläche steht.
wurden zur besseren Erkennbarkeit vereinfacht,
niemals gleichzeitig.
• Stellen Sie das Gerät nicht an folgenden Orten auf:
können daher etwas vom Aussehen des
• Zum Schutz vor auslaufender Batterieflüssigkeit
– auf einem Farbfernsehgerät (das Bild könnte
tatsächlichen Produktes abweichen.
nehmen Sie die Batterien heraus, wenn Sie die
infolgedessen verzerrt sein)
• Bei den Illustrationen wird meist die A-30
Fernbedienung längere Zeit (länger als einen
3 Schließen Sie den Deckel an der
Monat) nicht benutzen. Falls Batterieflüssigkeit
– in der Nähe eines Kassettenrekorders (oder eines
dargestellt.
Rückseite.
auslaufen sollte, wischen Sie diese sorgfältig und
anderen Gerätes, das ein magnetisches Feld
restlos aus dem Inneren des Gehäuses,
erzeugt). Dadurch kann der Klang beeinträchtigt
A-30
A-20
anschließend legen Sie neue Batterien ein. Falls
werden.
Batterien in die Fernbedienung
auslaufende Batterieflüssigkeit an Ihre Haut
– in direktem Sonnenlicht
gelangen sollte, spülen Sie diese sofort mit viel
– in feuchten oder nassen Bereichen
einlegen (außer A-10)
Wasser ab.
– in sehr heißen oder kalten Bereichen
• Bei der Entsorgung von verbrauchten Batterien
– an Orten mit starken Vibrationen oder
1 Öffnen Sie den Deckel an der Rückseite.
sind die einschlägigen gesetzlichen Vorschriften
Erschütterungen
und Umweltschutzbestimmungen strikt
– an staubigen Orten
einzuhalten.
A-30
A-20
– an Orten mit heißen Dämpfen oder Öldämpfen
(wie z. B. in einer Küche)
Verwendung der Fernbedienung
• Installieren Sie das Gerät nicht auf Sofas oder
Die Fernbedienung hat einen Wirkungsbereich von ca.
anderen schallschluckenden Objekten; andernfalls
7 m bei einem Winkel von ca. 30º zu ihrem Sensor.
Die mit dem Gerät gelieferten Batterien dienen in erster
kann die Klangqualität leiden.
Linie zur Überprüfung, ob das Gerät richtig funktioniert;
dürften daher auch nicht übermäßig lange halten. Wir
empfehlen Alkalibatterien, die deutlich länger
durchhalten.
WARNUNG
30 °
• Vermeiden Sie Gebrauch und Lagerung von
Batterien unter direkter Sonneneinstrahlung oder
30 °
an einem anderen sehr heißen Ort, z.B. im Inneren
eines Fahrzeugs oder in der Nähe eines
Heizkörpers. Dadurch können die Batterien
7 m
auslaufen, sich überhitzen, explodieren oder in
Brand geraten. Auch kann dies die Lebensdauer
der Batterien verringern.
4
De

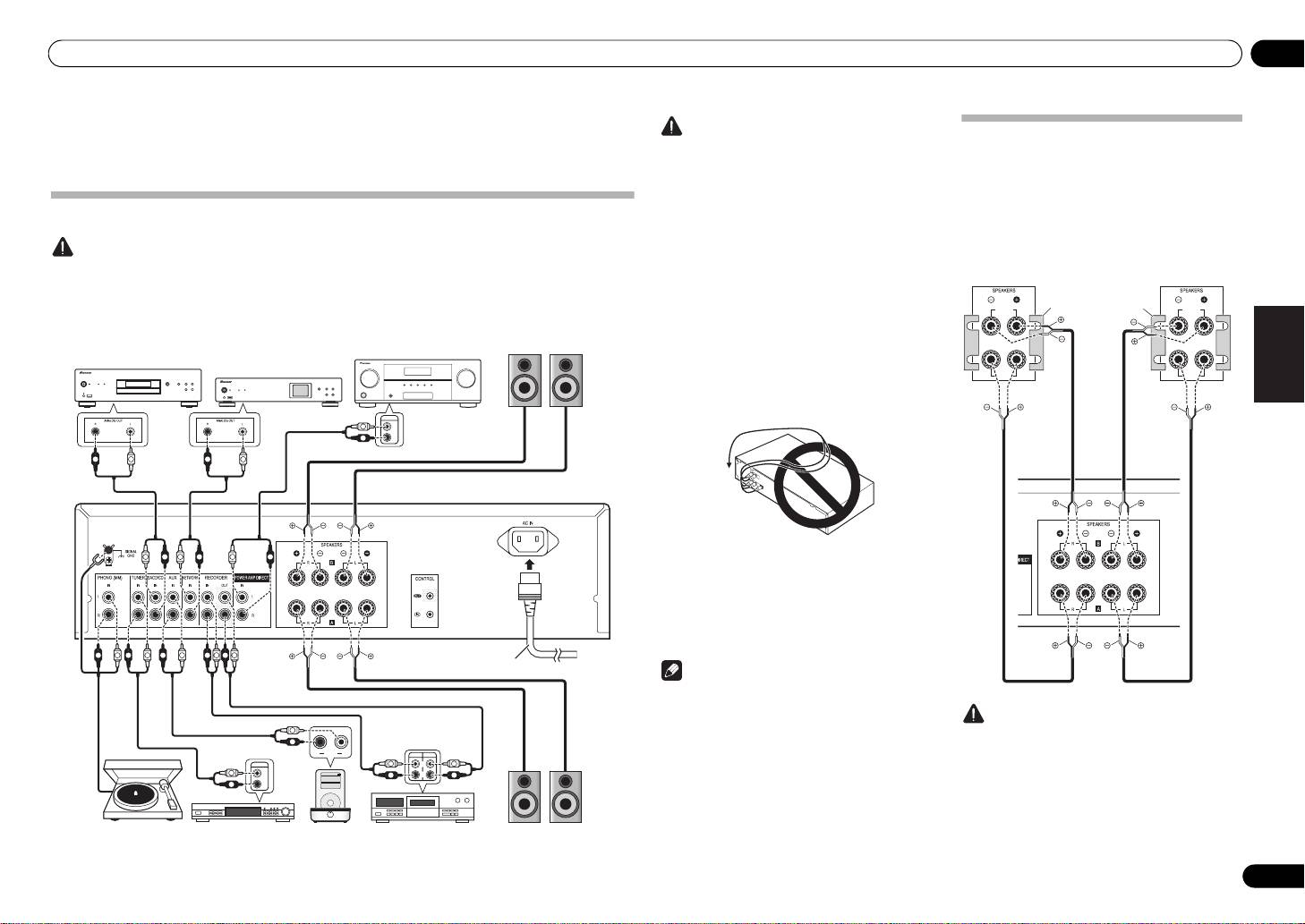
Anschlüsse 02
English
Kapitel 2:
Vorsicht
“Bi-wiring” (Doppelverkabelung)
•Der SIGNAL GND-Anschluss reduziert
Anschlüsse
Störgeräusche, wenn das Gerät an Komponenten
Das Gerät kann mit Bi-wiring-fähigen Lautsprechern
wie analoge Plattenspieler angeschlossen wird.
eingesetzt werden. Achten Sie darauf, die
• Schließen Sie die PHONO (MM)-Anschlüsse
Verbindungen zum Hochtöner und Tieftöner korrekt
ausschließlich an Plattenspieler an; schließen Sie
herzustellen.
Anschließen der Kabel
keine Plattenspieler mit integriertem Equalizer an.
• Achten Sie bei der Wiedergabe darauf, dass die
Andernfalls kann es zu extrem lauter, verzerrter
Tasten SPEAKERS A und SPEAKERS B beide
Vorsicht
Tonausgabe kommen, die Lautsprecher und
EINgeschaltet sind (Seite 7).
andere Geräte beschädigen kann.
• Bevor Sie Anschlüsse vornehmen oder abtrennen, schalten Sie das Gerät aus und ziehen Sie das Netzkabel aus
• Die PHONO (MM)-Anschlüsse sind zum
der Netzsteckdose.
Anschluss von Plattenspielern mit MM-
• Schließen Sie erst dann das Netzteil an, wenn sämtliche Verbindungen zwischen den Geräten hergestellt
Tonabnehmern (Moving Magnet) vorgesehen.
wurden.
Plattenspieler mit MC-Tonabnehmern (Moving
HIGH
HIGH
DeutschFrançais
Coil) können nicht angeschlossen werden.
Vorverstärker-Buchsen (PRE OUT) am
Lautsprechersystem B
Vorverstärker oder AV-Verstärker
Rechts Links
• Achten Sie darauf, die Kabel nicht über die
SACD/CD-Player
Oberseite des Geräts zu führen (wie auf der
Netzwerk-Audioplayer
Abbildung gezeigt). In diesem Fall kann das von
LOW
LOW
den Transformatoren in diesem Gerät erzeugte
magnetische Feld ein Brummen in den
Lautsprechern hervorrufen.
PRE OUT
L
L
Italiano Español Русский
nur A-30
R
R
R
L
R
L
A-30-Rückwand
Nederlands
L
R
L
R
L
R
•Mit den POWER AMP DIRECT-Anschlüssen des
Gerätes sollten niemals andere Komponenten
verbunden werden; Ausnahme:
Vorverstärkerausgänge (PRE-AMP OUT).
• Falls Ihr Plattenspieler über ein geerdetes Kabel
verfügt, schließen Sie dieses an den
Erdungsanschluss dieses Verstärkers an.
R
L
R
L
R
L
R
L
R
L
Netzkabel
(mitgeliefert)
Hinweis
• Beim Anschluss eines Cassettenlaufwerks kann es
je nach Aufstellungsort zu Störgeräuschen bei der
Wiedergabe kommen. Solche Störgeräusche
Vorsicht
L
entstehen durch Einstrahlungen durch das
R
• Bei Bi-wiring-Anschluss der Lautsprecher achten
Verstärkernetzteil. In solchen Fällen ändern Sie den
RL
OUTPUT
AUDIO
PLAY
REC
Sie unbedingt darauf, dass die mit den
OUTPUT
L
L
L
Ausstellungsort oder sorgen für mehr Abstand
Lautsprechern gelieferten und vermutlich
L
L
Music>
Extras>
iPod
Settings>
R
R
R
zwischen Cassettenlaufwerk und Verstärker.
angebrachten HIGH- und LOW-
R
R
Shuffle Songs
Backlight
MENU
• iPod ist ein in den USA und anderen Ländern
Kurzschlussbrücken entfernt werden, damit der
eingetragenes Warenzeichen der Apple Inc.
Verstärker nicht beeinträchtigt wird. Detaillierte
Hinweise finden Sie in der mit den Lautsprechern
Plattenspieler Tuner
iPod-Dock etc.
CD-Recorder oder
Rechts Links
gelieferten Dokumentation.
Cassettenlaufwerk
Lautsprechersystem A
5
De
L
au
t
sprec
h
ersys
t
em
Links
L
au
t
sprec
h
ersys
t
A30_SYXE8-De.book Page 5 Thursday, February 16, 2012 11:47 AM
em
Rechts
Entfernen Sie die
Kurzschlussbrücke
zwischen den Anschlüssen
+ und –.
A-30-Rückwand

02 Anschlüsse
• Wenn Lautsprecher mit trennbaren
• An den Lautsprecherklemmen dieses Gerätes liegt
Netzwerkschaltungen verwendet werden, beachten
eine potentiell GEFÄHRLICHE Spannung an. Zur
Sie bitte, dass nach Netztrennung kein Ton
Vermeidung von Stromschlaggefahr ist unbedingt
ausgegeben wird und die Lautsprecher beschädigt
darauf zu achten, den Netzstecker beim
werden können.
Anschließen und Abtrennen der Lautsprecherkabel
• Eine weitere Anschlussvariante besteht darin, die
von der Netzsteckdose zu trennen, bevor
SPEAKERS A-Anschlüsse mit HIGH und die
irgendwelche nicht isolierten Teile berührt werden.
SPEAKERS B-Anschlüsse mit LOW zu verbinden
• Sorgen Sie dafür, dass sämtliche blanken
(entgegengesetzt zur Abbildung).
Lautsprecheradern gut verdrillt und vollständig in
den Lautsprecheranschluss eingeführt werden.
Falls blanke Adern an die Rückwand geraten, kann
sich das Gerät aus Sicherheitsgründen abschalten.
Lautsprecherkabel anschließen
1 Verdrillen Sie die Seele (den Kern aus
Metalladern) des Kabels.
Audiokabel anschließen
Schließen Sie den weißen Stecker an die linke Buchse
2 Lösen Sie die Klemmmutter am
(L), den roten Stecker an die rechte Buchse (R) an.
SPEAKERS
-Anschluss, führen Sie das
Stecken Sie die Stecker bis zum Anschlag ein.
Lautsprecherkabel in die nun sichtbare
Öffnung am Anschluss.
3 Ziehen Sie die Klemmmutter wieder an.
123
Vorsicht
• Wenn Sie nur ein einziges
Lautsprecheranschlusspaar (SPEAKERS A oder
SPEAKERS B) oder eine Bi-wiring-Verbindung
nutzen, sollte der Lautsprecher eine
Nennimpedanz zwischen 4 Ω und 16 Ω
aufweisen. Wenn Sie beide
Lautsprecheranschlusspaare nutzen, sollten die
angeschlossenen Lautsprecher eine
Nennimpedanz zwischen 8 Ω und 32 Ω
aufweisen. Hinweise zur Impedanz finden Sie
in der mit den Lautsprechern gelieferten
Dokumentation.
• Achten Sie darauf, dass die positiven und
negativen Anschlüsse am Verstärker (+/–) mit den
richtigen Anschlüssen an den Lautsprechern
verbunden werden.
6
De
10 mm
Links (weiß)
Rechts (rot)
Zentrale Steuerung mit anderen
Anschließen
Pioneer-Komponenten (außer A-10)
Wichtig
verwenden
Mehrere mit CONTROL IN/OUT-Anschlüssen
• Ziehen Sie grundsätzlich den Netzstecker aus der
ausgestattete Pioneer-Komponenten lassen sich mit
Steckdose, wenn Sie Urlaub machen oder das
dem A-30/A-20 verbinden; dadurch können diese
Gerät aus anderen Gründen längere Zeit nicht
Komponenten zentral über den Fernbedienungssensor
nutzen. Beachten Sie, dass interne Einstellungen
des A-30/A-20 gesteuert werden. Auf diese Weise
auch dann nicht verloren gehen, wenn das Gerät
können auch Komponenten ohne
längere Zeit vom Stromnetz getrennt wird.
Fernbedienungssensor gesteuert oder Komponenten an
• Bevor Sie den Netzstecker ziehen: Drücken Sie
Stellen platziert werden, die nicht mit der regulären
zuerst die Taste
/I
STANDBY/ON an der
Fernbedienung erreicht werden.
Frontblende des Gerätes, damit der A-30/A-20
abgeschaltet oder der A-10 in den
Bereitschaftsmodus versetzt wird, bevor Sie die
Verbindung zur Stromversorgung trennen.
Vorsicht
•
Die Garantie erlischt, falls nicht das mitgelieferte
Netzkabel verwendet wird. Pioneer haftet nicht für
jegliche entstehende Schäden. Das mit dem Modell
A-30 gelieferte Netzkabel ist für einen Nennstrom von
10 A, das mit den Modellen A-20/A-10 gelieferte
Netzkabel ist für einen Nennstrom von 2,5 A ausgelegt.
• Verwenden Sie ausschließlich das mit dem Gerät
gelieferte Netzkabel.
• Nutzen Sie das mitgelieferte Netzkabel
ausschließlich für die nachstehend beschriebenen
Zwecke.
Nachdem sämtliche sonstigen Verbindungen
hergestellt wurden, schließen Sie das Gerät an eine
Steckdose an.
Hinweis
• Zur Verbindung verwenden Sie ein
handelsübliches Mono-Klinkensteckerkabel (ohne
Widerstand).
• Wenn die CONTROL IN/OUT-Anschlüsse
1 Schließen Sie das mitgelieferte
verwendet werden, müssen analoge Verbindungen
Netzkabel an den
AC IN
-Anschluss an der
ebenfalls über handelsübliche Audiokabel
Rückwand des Gerätes an.
hergestellt werden. Wenn lediglich die CONTROL
IN/OUT-Verbindungen hergestellt werden, lässt
2 Stecken Sie den Netzstecker in eine
sich das System nicht richtig steuern.
Steckdose.
• Wenn ein Steuerkabel an den
CONTROL IN
-
Anschluss des A-30/A-20 angeschlossen wurde, lässt
sich das Gerät nicht über den Fernbedienungssensor
des A-30/A-20 bedienen, da der Fernbedienungssensor
automatisch abgeschaltet wird.
IN
OUT
CONTROL
Zu anderen
Pioneer-
Komponenten mit
CONTROL IN-
Anschluss
Andere Pioneer-
Komponente mit
CONTROL IN/OUT-
Anschlüssen
A-30/A-20
A-30/A-20-
Richten Sie die
Fernbedienung
Fernbedienung auf
den Sensor am A-30/
A-20.
A-30-Rückwand
Zur Steckdose
Netzkabel
02_connecting_up.fm 6 ページ 2012年6月21日 木曜日 午後2時4分

A30_SYXE8-De.book Page 7 Thursday, February 16, 2012 11:47 AM
Bedienelemente und Anzeigen 03
English
Kapitel 3:
6 Fernbedienungssensor (
außer A-10
)
13
INPUT SELECTOR
-Knöpfe/Anzeigen
Empfängt Signale von der Fernbedienung (Seite 4).
Drehen Sie den Knopf im oder gegen den Uhrzeigersinn,
bis die Anzeige der gewünschten Eingangsquelle
Bedienelemente und Anzeigen
7
PHONES
-
Anschluss
aufleuchtet. Wenn Sie den Knopf im Uhrzeigersinn
Zum Anschluss von Kopfhörern. Bei gedrückter POWER
drehen, leuchtet die Anzeige rechts, bei Drehung gegen
AMP DIRECT-Taste wird kein Ton ausgegeben.
den Uhrzeigersinn die Anzeige links. Wenn der Ton über
die Fernbedienungstaste MUTE stummgeschaltet wird,
Vorderseite
8 DIRECT-Taste/Anzeige
blinkt die Anzeige der mit dem Knopf INPUT SELECTOR
On : Die Anzeige leuchtet auf: Wenn die Funktion dieser
ausgewählten Eingangsquelle.
1
2 54
3
Taste aktiv ist, wird der Klang direkt ausgegeben, ohne
A-30
zuvor durch diverse Klangeinstellungsschaltungen
14
POWER AMP DIRECT
-Taste/Anzeige
(BASS, TREBLE, BALANCE, LOUDNESS) geleitet zu
(nur A-30)
werden. Dies erlaubt eine möglichst naturgetreue
Diese Taste drücken Sie, wenn der A-30 als Verstärker
Wiedergabe, setzt jedoch sämtliche BASS-, TREBLE-,
eingesetzt wird (Seite 10).
BALANCE- und LOUDNESS-Regelungen außer Kraft.
DeutschFrançais
Off :
Die Anzeige erlischt: Das Signal wird durch die
verschiedenen Klangeinstellungsschaltungen geleitet.
Wenn die Anzeige nicht leuchtet, können Anpassungen
über die
BASS
-,
TREBLE
-,
BALANCE
- und
LOUDNESS
-
Regler vorgenommen werden.
9
BASS
-Tonsteuerung
Zum Anpassen der Wiedergabe niederfrequenter Töne.
6
7
8
9
10 11 12
13 14
In der mittleren Position (Normal) wird der Klang nicht
Italiano Español Русский
beeinflusst. Bei Drehung nach rechts werden
1
/I
STANDBY/ON
4
SPEAKERS B
Taste/Anzeige
niederfrequente Töne betont, bei Drehung nach links
Schaltet den Verstärker ein und aus.
Mit dieser Taste schalten Sie zu den mit den SPEAKERS
entsprechend reduziert.
Im Betrieb leuchtet die Betriebsanzeige in der Mitte der
B-Anschlüssen verbundenen Lautsprechern um.
• Diese Taste ist ohne Funktion, wenn die DIRECT-
Taste auf.
On : Die Anzeige leuchtet auf. Ton wird über das
Taste betätigt wurde.
• Beim Modell A-10 schalten Sie mit dieser Taste
Lautsprechersystem ausgegeben. (Der Ton wird
zwischen Bereitschaft und Betrieb um.
zusätzlich über den PHONES-Anschluss
10
TREBLE
-Tonsteuerung
Nederlands
wiedergegeben.)
Zum Anpassen der Wiedergabe hochfrequenter Töne. In
2
STANDBY/APD
-Anzeige
Off : Die Anzeige erlischt. Die Tonausgabe über das
der mittleren Position (Normal) wird der Klang nicht
Diese Anzeige leuchtet im Bereitschaftsmodus rot. Bei
Lautsprechersystem ist abgeschaltet. Diese Einstellung
beeinflusst. Bei Drehung nach rechts werden
aktiver Auto-Abschaltung (APD) leuchtet die Anzeige
wählen Sie zum Hören mit Kopfhörern.
hochfrequente Töne betont, bei Drehung nach links
grün (Seite 11).
entsprechend reduziert.
5
LOUDNESS
Taste/Anzeige
• Diese Taste ist ohne Funktion, wenn die DIRECT-
3
SPEAKERS A
Taste/Anzeige
Zum Hören bei geringer Lautstärke.
Taste betätigt wurde.
Mit dieser Taste schalten Sie zu den mit den
On : Die Anzeige leuchtet auf: Betont die Wiedergabe
SPEAKERS A-Anschlüssen verbundenen Lautsprechern
niedriger und hoher Frequenzen zum Ausgleich von
11
BALANCE
-Regler
um.
Klangverlusten bei geringer Lautstärke.
Dieser Regler sollte gewöhnlich in der mittleren Position
On : Die Anzeige leuchtet auf. Ton wird über das
verbleiben. Zum Anpassen der Balance, falls der Ton
Off : Die Anzeige erlischt: Diese Einstellung empfiehlt
Lautsprechersystem ausgegeben. (Der Ton wird
eines Lautsprechers oder Lautsprecherpaares lauter
sich im Normalbetrieb.
zusätzlich über den PHONES-Anschluss
wiedergegeben wird. Wenn die rechte Seite lauter
wiedergegeben.)
• Diese Taste ist ohne Funktion, wenn die DIRECT-
erscheint, drehen Sie den Regler nach links; falls die
Taste betätigt wurde.
Off : Die Anzeige erlischt. Die Tonausgabe über das
linke Seite lauter erscheint, entsprechend nach rechts.
Lautsprechersystem ist abgeschaltet. Diese Einstellung
• Je höher die Lautstärke, desto weniger wirkt sich
• Diese Taste ist ohne Funktion, wenn die DIRECT-
wählen Sie zum Hören mit Kopfhörern.
die LOUDNESS-Schaltung aus.
Taste betätigt wurde.
12 VOLUME-Regler
Zum Einstellen der Lautstärke. (Auch zum Einstellen der
Kopfhörerlautstärke.)
7
De

A30_SYXE8-De.book Page 8 Thursday, February 16, 2012 11:47 AM
03 Bedienelemente und Anzeigen
Rückwand
Detaillierte Hinweise zu Anschlüssen finden Sie auf den Seiten 5 – 6.
1 6
2
2 23 24 25
A-30
28 2
10
12
2
7
9
1311
14
1 GND-Anschluss (Plattenspieler-Masse)
10
AUX
IN-Anschlüsse
Dieser Masseanschluss vermindert Störgeräusche beim
Anschluss eines analogen Plattenspielers. Es handelt
11
NETWORK
IN-Anschlüsse
sich nicht um Schutzerde.
12
RECORDER IN/OUT
-Anschlüsse
2
SPEAKERS A
-Anschlüsse (rechter Kanal)
13
POWER AMP DIRECT
IN-Anschlüsse
3
SPEAKERS B
-Anschlüsse (rechter Kanal)
(nur A-30)
Hier schließen Sie den Vorverstärker an, wenn Sie den
4
SPEAKERS B
-Anschlüsse (linker Kanal)
A-30 als Verstärker einsetzen (Seite 10).
5
SPEAKERS A
-Anschlüsse (linker Kanal)
14
CONTROL IN/OUT
-Anschluss
(außer A-10)
6
AC IN
-
Anschluss
Diesen Anschluss verbinden Sie über das Netzkabel mit
der Steckdose.
7
PHONO (MM)
IN-Anschlüsse
8
TUNER
IN-Anschlüsse
9
SACD/CD
IN-Anschlüsse
8
De

A30_SYXE8-De.book Page 9 Monday, March 5, 2012 5:10 PM
Bedienelemente und Anzeigen 03
English
1
STANDBY/ON
13
APD
Fernbedienung (außer A-10)
Umschalten des Verstärker zwischen Bereitschaft und
Zum Ein- und Ausschalten der Auto-Abschaltung
Einschalten.
(Seite 11).
A-30
A-20
2 Funktionswahltasten
Zur Wahl einer Signalquelle drücken. Auswahl des an
STANDBY/ON DIMMER
den entsprechenden Eingang an der Rückseite
1
8
angeschlossenen Geräts.
SACD/CD NETWORK PHONO
1
8
• Wenn der A-30 angeschlossen ist, ist die Taste
OPTION ohne Funktion.
TUNER
AUX RECORDER
2
3 SACD PLAYER-Bedienungstasten
OPTION
5
Zum Steuern eines Pioneer-SACD-Players.
INPUT
9
2
(Kann bei den Modellen PD-D6/PD-D6MK2/PD-D9/
SACD PLAYER
FUNC
7
PD-D9MK2 nicht für Wiedergabe-/Pause-Funktionen
DeutschFrançais
genutzt werden.)
3
34
10
4 NETWORK AUDIO PLAYER-Bedientasten
NETWORK AUDIO PLAYER
FUNC
3
11
Zum Steuern eines Pioneer-Netzwerk-Audioplayers.
4
5
LOUDNESS
LOUDNESS
VOLUME
Zum Ein- und Ausschalten der Loudness-Schaltung
A
6
(Seite 7).
5
10
MUTE
SPEARKERS
Italiano Español Русский
6
B
6
MUTE
11
Stumm-/Einschalten des Tons.
34
12
12
7
DIRECT
Zum Umschalten auf Direktes Hören drücken (Seite 7).
NETWORK AUDIO PLAYER
SOUNDSETUP
8
DIMMER
4
ENTER
Mit dieser Taste stellen Sie die Helligkeit der
Nederlands
34
3
Anzeigeleuchten an der Vorderseite des Gerätes in drei
HOME MENU
RETURN
Stufen ein (die STANDBY-Anzeige wird nicht
beeinflusst).
7
DIRECT
APD
13
9
INPUT +/–
Zum Umschalten der Eingangsquelle. Die Quellen
werden wie folgt durchgeschaltet.
SACD/CD NETWORK PHONO TUNER
AUX RECORDER Zurück zum Anfang.
10
SPEAKERS A
Taste/Anzeige
Mit dieser Taste schalten Sie zu den mit den
SPEAKERS A-Anschlüssen verbundenen Lautsprechern
um.
11
SPEAKERS B
Taste/Anzeige
Mit dieser Taste schalten Sie zu den mit den
SPEAKERS B-Anschlüssen verbundenen Lautsprechern
um.
12
VOLUME +/–
Einstellung der Hörlautstärke.
9
De

A30_SYXE8-De.book Page 10 Thursday, February 16, 2012 11:47 AM
04 Bedienung
Kapitel 4:
Bereitschaftsmodus einstellen
Wenn das Gerät als Verstärker eingesetzt
wird (nur A-30)
1 Drücken Sie die Fernbedienungstaste
Bedienung
Wenn ein Vorverstärker an die POWER AMP DIRECT-
STANDBY/ON
.
Anschlüsse angeschlossen wird, lässt sich das Gerät als
Verstärker einsetzen.
1 Drücken Sie die Taste
POWER AMP
Wiedergabe
DIRECT
an der Frontblende des Gerätes.
Zum nächsten Einschalten drücken Sie die
Die POWER AMP DIRECT-Anzeige leuchtet auf.
Plattenspieler
iPod-Dock etc.
Fernbedienungstaste STANDBY/ON.
SACD/CD-Player
Music>
Extras>
iPod
Settings>
Netzwerk-Audioplayer
Shuffle Songs
CD-Recorder oder
Backlight
• Wenn am A-30/A-20 die Frontblendentaste
Cassettenlaufwerk
Tuner
MENU
STANDBY/ON gedrückt wird, schaltet sich das
/I STANDBY/ON
STANDBY
PURE AUDIO Hi-Bit 32
FUNCTION
NETWORK AUDIO PLAYER
N-50
iPod/USB
5V 2.1A
Gerät ab. In diesem Fall lässt sich das Gerät nicht
mehr mit der Fernbedienungstaste STANDBY/
ON einschalten. Zum Einschalten drücken Sie bitte
die Taste STANDBY/ON an der Frontblende.
62
Hinweis
Vorsicht
• Falls das Netzkabel getrennt wird, während sich
das Gerät im Bereitschaftsmodus befindet, schaltet
• Wenn die POWER AMP DIRECT-Anzeige leuchtet,
sich das Gerät nicht automatisch ein, wenn das
ändert sich die Bedienung wie folgt:
Netzkabel wieder angeschlossen wird. Drücken Sie
– Die Frontblendenbedienelemente VOLUME,
die Fernbedienungstaste STANDBY/ON zum
BASS, TREBLE und BALANCE werden außer
Wiedergabe
Wiedergabe
Einschalten, nachdem die Stromversorgung
Kraft gesetzt. Diese Einstellungen werden nun
wiederhergestellt wurde.
durch die Komponente gesteuert, die mit den
3566
Anschlüssen POWER AMP DIRECT verbunden
wurde.
1 Schalten Sie den Strom des
• Wenn Sie die A-30-Fernbedienung verwenden,
– Wenn die POWER AMP DIRECT-Anzeige
können Sie die gewünschte Komponente mit der
Wiedergabegeräts ein.
leuchtet, wird die Lautstärke des A-30
Taste INPUT +/– auswählen.
automatisch auf maximale Ausgangsleistung
2 Schalten Sie das Gerät EIN.
• Zur Auswahl an der Frontblende drehen Sie den
fixiert. Prüfen Sie daher zuvor die
• Falls sich das Gerät im Bereitschaftsmodus
Knopf INPUT SELECTOR.
Ausgangsleistung der mit den POWER AMP
befindet, drücken Sie die Fernbedienungstaste
DIRECT-Anschlüssen verbundenen
4 Starten Sie die Wiedergabe des in Schritt
STANDBY/ON.
Komponente, stellen Sie diese auf einen
1 gewählten Geräts.
entsprechend niedrigen Pegel ein, bevor Sie das
Gerät mit der POWER AMP DIRECT-Funktion als
5 Stellen Sie die Wiedergabelautstärke
Leistungsverstärker einsetzen. Falls die
mit dem
VOLUME
-Regler ein.
Lautstärke der mit den POWER AMP DIRECT-
Anschlüssen verbundenen Komponente
3 Wählen Sie die gewünschte
VOLUME
anfangs sehr hoch eingestellt ist, kann es beim
Wiedergabequelle.
Einsatz der POWER AMP DIRECT-Funktion zu
sehr (zu) lauter Tonausgabe kommen.
SACD/CD NETWORK PHONO
– Über die Anschlüsse PHONES und RECORDER
OUT wird kein Ton ausgegeben.
TUNER AUX RECORDER
• Weitere Informationen finden Sie in der
6 Passen Sie den Klang mit den
BASS
- und
Bedienungsanleitung des Gerätes, das mit den
TREBLE
-Reglern sowie mit der
LOUDNESS
-
POWER AMP DIRECT-Anschlüssen des A-30
Wählen Sie die gewünschte Wiedergabekomponente
Taste an Ihren persönlichen Geschmack an.
verbunden wurde.
aus.
Bei aktiver DIRECT-Taste sind diese Regler ohne
Funktion.
10
De

A30_SYXE8-De.book Page 11 Monday, March 5, 2012 5:10 PM
Bedienung 04
English
Vornahme eine Audioaufnahme
Automatisch in den Bereitschaftsmodus wechseln (Auto-Abschaltung)
Sie können eine Audioaufnahme von jeglicher an den Verstärker angeschlossenen Quelle vornehmen.
Bei dieser Einstellung wechselt das Gerät automatisch in den Ruhezustand, wenn 30 Minuten lang kein
Eingangssignal erkannt wird.
Plattenspieler
iPod-Dock etc.
iPod
1 Halten Sie die Frontblendentasten
DIRECT
und
LOUDNESS
bei eingeschaltetem Gerät
SACD/CD-Player
Music>
Extras>
Settings>
Netzwerk-Audioplayer
Shuffle Songs
Backlight
MENU
gleichzeitig drei Sekunden lang gedrückt.
/I STANDBY/ON
FUNCTION
NETWORK AUDIO PLAYER
N-50
Tuner
STANDBY
iPod/USB
5V 2.1A
PURE AUDIO Hi-Bit 32
Wiedergabe
DeutschFrançais
Wenn diese Funktionen aktiv ist, leuchtet die STANDBY/APD-Anzeige an der Frontblende des Gerätes grün. Zum
Abschalten drücken Sie die Tasten noch einmal.
• Diese Funktion können Sie auch mit der APD-Taste an der A-30-Fernbedienung einschalten.
• Diese Funktion ist per Werksvorgabe eingeschaltet.
Aufnahme
1
Hinweis
Italiano Español Русский
• Je nach angeschlossenem Gerät können übermäßige Störsignale als Audiosignale interpretiert werden und so
die automatische Abschaltung verhindern.
Audioaufnahme-Komponente
(CD-Recorder, Cassettendeck etc.)
Alle Einstellungen auf die Werkseinstellungen rücksetzen
1 Wählen Sie die gewünschte
Aufnahmequelle.
1 Halten Sie im Bereitschaftsmodus die Frontblendentasten DIRECT und SPEAKERS A
Nederlands
gleichzeitig fünf Sekunden lang gedrückt.
SACD/CD NETWORK PHONO
TUNER AUX
2 Starten Sie die Aufnahme und dann die
Wiedergabe des Quellengeräts.
2 Schalten Sie das Gerät EIN.
11
De

A30_SYXE8-De.book Page 12 Thursday, February 16, 2012 11:47 AM
05 Zusätzliche Informationen
Kapitel 5:
Problem Abhilfe
Kein Ton aus einem Lautsprecher. •Sind Verbindungskabel oder Lautsprecherkabel auf einer Seite nicht richtig
Zusätzliche Informationen
angeschlossen? Achten Sie auf gute, wackelfreie Verbindungen (Seite 5).
Die Fernbedienung funktioniert nicht. •Tauschen Sie die Batterien aus (Seite 4).
•Achten Sie auf einen Abstand von maximal 7 m und einen Winkel von maximal 30 °
zwischen Fernbedienung und Frontblende (Seite 4).
Fehlerbehandlung
•Beseitigen Sie Hindernisse oder begeben Sie sich an eine andere Stelle.
•Vermeiden Sie direkten Lichteinfall auf den Fernbedienungssensor an der
Häufig ist eine vermeintliche Störung oder Fehlfunktion durch einen Bedienungsfehler bedingt. Wenn das Gerät
Frontblende.
nicht richtig arbeitet, gehen Sie zunächst die unten stehenden Punkte durch. Manchmal könnte die Störung von
•Wurde das Steuerkabel einer Komponente nicht richtig angeschlossen?
einem anderen Gerät verursacht werden. Überprüfen Sie die anderen verwendeten Geräte und elektrischen
Vergewissern Sie sich, dass die Verbindungen richtig hergestellt wurden (Seite 6).
Zusatzgeräte. Wenn Sie das Problem auch nach Prüfung der folgenden Punkte nicht beheben können, wenden Sie
sich für Reparaturen an die nächste Pioneer-Kundendienststelle oder Ihren Händler.
Eingangsquelle kann am A-30 nicht
•Schauen Sie nach, ob die
POWER AMP DIRECT
-Funktion eingeschaltet ist. Falls ja,
• Wenn das Gerät aufgrund externer Einwirkungen wie statischer Elektrizität nicht richtig funktioniert, ziehen Sie
umgeschaltet werden.
schalten Sie die Funktion mit der Frontblendentaste
POWER AMP DIRECT
AUS
den Stecker aus der Steckdose und stecken Sie ihn wieder ein, um den normalen Betrieb fortzusetzen.
(Seite 10).
Problem Abhilfe
Das Gerät schaltet sich nicht ein. •Wurde der Netzstecker aus der Steckdose gezogen? Schließen Sie den Netzstecker
Reinigung des Geräts
richtig an die Steckdose an (Seite 6).
•Wurde das Netzkabel aus dem AC IN-Anschluss gezogen? Schließen Sie das
• Verwenden Sie ein trockenes Poliertuch, um Staub
Netzkabel richtig an (Seite 6).
und Schmutz abzuwischen.
• Bei starker Verschmutzung wischen Sie das
Das Gerät schaltet sich ab. •Ist die Auto-Abschaltung aktiv? Wenn Sie nicht möchten, dass sich das Gerät
Gehäuse mit einem weichen, in ein fünf- oder
automatisch abschaltet, deaktivieren Sie die Auto-Abschaltung (Seite 11).
sechsfach mit Wasser verdünntes, neutrales
Reinigungsmittel getauchten und gründlich
Bei der Wiedergabe setzt der Ton aus,
•Die Innentemperatur des Gerätes ist zu hoch, die Sicherheitsschaltung wurde
ausgewrungenen Tuch ab. Wischen Sie
die
STANDBY/APD
-Anzeige blinkt im
ausgelöst.
anschließend mit einem trockenen Tuch nach.
Sekundentakt rot.
- Schalten Sie das Gerät ab, lassen Sie das Gerät ausreichend abkühlen, bevor Sie es
wieder einschalten.
Verwenden Sie keine Möbelpolitur und keinen
- Stellen Sie das Gerät an einer Stelle auf, an der es besser belüftet wird.
Haushaltsreiniger.
- Überzeugen Sie sich davon, dass das Gerät richtig aufgestellt, installiert und
• Auf keinen Fall dürfen Verdünner, Benzin,
angeschlossen wurde. Falls das Gerät wieder eingeschaltet wird, ohne zuvor
Insektensprays oder andere Chemikalien mit dem
abzukühlen, kann dasselbe Problem erneut auftreten (Seite 4).
Gerät in Kontakt kommen oder in der Nähe des
Geräts verwendet werden, da hierdurch die
Bei der Wiedergabe setzt der Ton aus,
•Nutzen Sie Lautsprecher, deren Impedanz nicht von Ihrem Gerät unterstützt wird?
Oberfläche korrodiert.
die
STANDBY/APD
-Anzeige blinkt
Überzeugen Sie sich von der richtigen Impedanz der Lautsprecher (Seite 6).
alle 2 Sekundentakt rot.
•Gibt es lose Kabel an den
SPEAKERS
-Anschlüssen, berühren diese andere Kabel
oder die Rückwand? Ziehen Sie den Netzstecker, schließen Sie die Lautsprecherkabel
richtig an (Seite 6).
Beim Einschalten blinkt die
•Die Schaltungen des Gerätes sind beschädigt. Trennen Sie das Netzkabel, wenden
STANDBY/APD
-Anzeige
Sie sich an Ihren Händler oder an den
autorisierten Pioneer-Kundendienst
in Ihrer
unregelmäßig.
Nähe.
Bei Auswahl einer Funktion erfolgt
•Ein Verbindungskabel ist nicht oder nicht richtig angeschlossen. Prüfen Sie die
keine Tonausgabe.
Verbindungen (Seite 5).
•Stecker oder Kontakte sind verschmutzt. Wischen Sie sämtliche Verschmutzungen
von Steckern und Kontakten ab.
•Überzeugen Sie sich davon, dass der Eingangswähler des Gerätes auf die
gewünschte Wiedergabekomponente eingestellt ist. Stellen Sie den Regler richtig ein
(Seite 10).
•Wenn am A-30/A-20 die Schalten Sie die Stummschaltung mit der
Fernbedienungstaste
MUTE
ab (Seite 9).
12
De

A30_SYXE8-De.book Page 13 Thursday, February 16, 2012 11:47 AM
Zusätzliche Informationen 05
English
Verschiedenes
Technische Daten
Stromversorgung
. . . . . . . . . . . . 220 V bis 230 V Wechselspannung, 50 Hz
Verstärkereinheit
Stromverbrauch
Die Angaben zur Leistungsausgabe beziehen sich auf eine
A-30 . . . . . . . . . . . . . . . . . . . . . . . . . . . . . . . . . . . . . .175 W
Stromversorgung von 230 V.
A-20/A-10. . . . . . . . . . . . . . . . . . . . . . . . . . . . . . . . . .135 W
In Bereitschaft . . . . . . . . . . . . . . . . . . . . . . . . . . . . . 0,3 W
• Kontinuierliche Leistungsausgabe
Abmessungen
(beide Kanäle laufen auf 20 Hz bis 20 kHz)
. . . . . . . . . . . . . .435 mm (B) x 128 mm (H) x 360 mm (T)
A-30 . . . . . . . . . . . . . . . . . . . . . . . . . . . . . . . . 70 W + 70 W
Gewicht (ohne Verpackung)
A-20, A-10 . . . . . . . . . . . . . . . . . . . . . . . . . . . 50 W + 50 W
A-30 . . . . . . . . . . . . . . . . . . . . . . . . . . . . . . . . . . . . . . 7,9 kg
(Klirrfaktor (THD) 0,1 %, 4 Ω)
A-20 . . . . . . . . . . . . . . . . . . . . . . . . . . . . . . . . . . . . . . 7,2 kg
A-30 . . . . . . . . . . . . . . . . . . . . . . . . . . . . . . . . 40 W + 40 W
A-10 . . . . . . . . . . . . . . . . . . . . . . . . . . . . . . . . . . . . . . 6,7 kg
A-20, A-10 . . . . . . . . . . . . . . . . . . . . . . . . . . . 30 W + 30 W
(Klirrfaktor (THD) 0,05 %, 8 Ω)
Zubehör
DeutschFrançais
Fernbedienung (außer A-10) . . . . . . . . . . . . . . . . . . . . . . 1
Audioeinheit
AAA/IEC R03-Trockenbatterien (außer A-10) . . . . . . . . . 2
Netzkabel
• Eingabe (Empfindlichkeit/Impedanz)
Garantiekarte
SACD/CD, NETWORK, TUNER, AUX, RECORDER
Bedienungsanleitung (dieses Dokument)
. . . . . . . . . . . . . . . . . . . . . . . . . . . . . . . . . . . 200 mV/50 kΩ
POWER AMP DIRECT (nur A-30) . . . . . . . . . . . 1 V/10 kΩ
PHONO (MM) . . . . . . . . . . . . . . . . . . . . . . . .2,8 mV/50 kΩ
Hinweis
Italiano Español Русский
• Ausgabe (Pegel/Impedanz)
• Technische Daten und das Design können sich
RECORDER OUT . . . . . . . . . . . . . . . . . . . .200 mV/2,2 kΩ
aufgrund von Verbesserungen ohne Ankündigung
PHONES . . . . . . . . . . . . . . . . . . . . . . . . . . . . 250 mV/32 Ω
ändern.
• In diesem Dokument erwähnte Firmen- und
•Frequenzgang
Produktnamen sind Marken oder eingetragene
SACD/CD, NETWORK, TUNER, AUX, RECORDER
Marken ihrer jeweiligen Inhaber.
. . . . . . . . . . . . . . . . . . . . . . . . . . .5 Hz bis 100 kHz dB*
Nederlands
PHONO (MM) . . . . . . . . . . . . .20 Hz bis 20 kHz ±0,5 dB*
* Messung bei eingeschalteter DIRECT-Taste.
• Tonsteuerung
(Bei Lautstärkeeinstellung
-
30 dB.)
Bässe. . . . . . . . . . . . . . . . . . . . . . . . . . . .± 10 dB (100 Hz)
Höhen . . . . . . . . . . . . . . . . . . . . . . . . . . .± 10 dB (10 kHz)
• Signalrauschabstand (IHF SHORTED,
A-NETWORK)
SACD/CD, NETWORK, TUNER, AUX, RECORDER
. . . . . . . . . . . . . . . . . . . . . . . . . . . . . . . . . . . . . . . . 105 dB*
PHONO (MM, 2,8 mV-Eingang) . . . . . . . . . . . . . . 77 dB*
* Messung bei eingeschalteter DIRECT-Taste.
• Lautsprecherimpedanz
A, B . . . . . . . . . . . . . . . . . . . . . . . . . . . . . . . . .4 Ω bis 16 Ω
A+B. . . . . . . . . . . . . . . . . . . . . . . . . . . . . . . . .8 Ω bis 32 Ω
Bi-wiring . . . . . . . . . . . . . . . . . . . . . . . . . . . . .4 Ω bis 16 Ω
© 2012 PIONEER CORPORATION.
Alle Rechte vorbehalten.
13
De

A30_SYXE8-It.book Page 2 Thursday, February 16, 2012 11:27 AM
ATTENZIONE
Questo apparecchio non è impermeabile. Per prevenire
IMPORTANTE
pericoli di incendi o folgorazioni, non posizionare nelle
vicinanze di questo apparecchio contenitori pieni di
CAUTION
liquidi (quali vasi da fiori, o simili), e non esporre
RISK OF ELECTRIC SHOCK
l’apparecchio a sgocciolii, schizzi, pioggia o umidità.
DO NOT OPEN
D3-4-2-1-3_A1_It
Il simbolo del lampo con terminale a forma
ATTENZIONE:
Il punto esclamativo in un triangolo
ATTENZIONE
di freccia situato all’interno di un triangolo
PER EVITARE IL RISCHIO DI SCOSSE
equilatero serve ad avvisare l’utilizzatore
Prima di collegare per la prima volta l’apparecchio alla
equilatero serve ad avvisare l’utilizzatore
ELETTRICHE, NON RIMUOVERE IL
della presenza di importanti istruzioni di
sorgente di alimentazione leggere attentamente la
della presenza di una “tensione pericolosa”
COPERCHIO (O IL RETRO). NON CI SONO
funzionamento e manutenzione riportate nel
sezione che segue.
non isolata nella struttura del prodotto che
PARTI INTERNE LA CUI MANUTENZIONE
libretto allegato al prodotto.
potrebbe essere di un’intensità tale da
POSSA ESSERE EFFETTUATA
La tensione della sorgente di elettricità differisce
provocare scosse elettriche all’utilizzatore.
DALL’UTENTE. IN CASO DI NECESSITÀ,
da Paese a Paese e da regione a regione. Verificare
RIVOLGERSI ESCLUSIVAMENTE A
che la tensione di rete della zona in cui si intende
PERSONALE DI SERVIZIO QUALIFICATO.
D3-4-2-1-1_A1_It
utilizzare l’apparecchio sia quella corretta, come
indicato sul pannello posteriore dell’apparecchio
stesso (ad es.: 230 V o 120 V).
D3-4-2-1-4*_A1_It
ATTENZIONE
Informazioni per gli utilizzatori finali sulla raccolta e lo smaltimento di vecchi
Per evitare il pericolo di incendi, non posizionare
dispositivi e batterie esauste
sull’apparecchio dispositivi con fiamme vive (ad
Questi simboli sui prodotti, confezioni, e/o documenti allegati significano che vecchi
esempio una candela accesa, o simili).
Simbolo per
D3-4-2-1-7a_A1_It
il prodotto
prodotti elettrici ed elettronici e batterie esauste non devono essere mischiati ai rifiuti
urbani indifferenziati.
AVVERTENZA PER LA VENTILAZIONE
Per l’appropriato trattamento, recupero e riciclaggio di vecchi prodotti e batterie
Installare l’apparecchio avendo cura di lasciare un
esauste, fate riferimento ai punti di raccolta autorizzati in conformità alla vostra
certo spazio all’intorno dello stesso per consentire una
legislazione nazionale.
adeguata circolazione dell’aria e migliorare la
dispersione del calore (almeno 30 cm sulla parte
Con il corretto smaltimento di questi prodotti e delle batterie, aiuterai a salvaguardare
superiore, 10 cm sul retro, e 10 cm su ciascuno dei lati).
Esempi di simboli
preziose risorse e prevenire i potenziali effetti negativi sull’ambiente e sulla salute
per le batterie
umana che altrimenti potrebbero sorgere da una inappropriata gestione dei rifiuti.
ATTENZIONE
L’apparecchio è dotato di un certo numero di fessure e
Per maggiori informazioni sulla raccolta e il riciclaggio di vecchi prodotti e batterie
di aperture per la ventilazione, allo scopo di garantirne
esauste, contattate il vostro Comune, il Servizio di raccolta o il punto vendita dove
un funzionamento affidabile, e per proteggerlo dal
avete acquistato l’articolo.
surriscaldamento. Per prevenire possibili pericoli di
Questi simboli sono validi solo nell’Unione Europea.
incendi le aperture non devono mai venire bloccate o
coperte con oggetti vari (quali giornali, tovaglie, tende o
Per i paesi al di fuori dell’unione Europea:
tendaggi, ecc.), e l’apparecchio non deve essere
Se volete liberarvi questi oggetti, contattate le vostre autorità locali o il punto vendita
utilizzato appoggiandolo su tappeti spessi o sul letto.
per il corretto metodo di smaltimento.
D3-4-2-1-7b*_A1_It
Pb
K058a_A1_It

A30_SYXE8-It.book Page 3 Thursday, February 16, 2012 11:27 AM
Condizioni ambientali di funzionamento
Grazie per aver acquistato questo
Gamma ideale della temperatura ed umidità
Questo prodotto è destinato esclusivamente all'uso
prodotto Pioneer.
dell’ambiente di funzionamento:
domestico. Eventuali disfunzioni dovute ad usi diversi
Leggere atentamente queste istruzioni per l’uso in modo
da +5 °C a +35 °C, umidità relativa inferiore all‘85 %
(quali uso prolungato a scopi commerciali, in
da imparare come azionare correttamente il modello.
Dopo aver terminato la lettura delle istruzioni,
(fessure di ventilazione non bloccate)
ristoranti, o uso in auto o su navi) e che richiedano
conservarle in un luogo sicuro per consultazione futura
.
Non installare l’apparecchio in luoghi poco ventilati, o
particolari riparazioni, saranno a carico dell'utente,
in luoghi esposti ad alte umidità o alla diretta luce del
anche se nel corso del periodo di garanzia.
sole (o a sorgenti di luce artificiale molto forti).
K041_A1_It
D3-4-2-1-7c*_A1_It
C
ontenuto
Se la spina del cavo di alimentazione di questo
AVVERTIMENTO RIGUARDANTE IL FILO DI
01 Prima di iniziare
apparecchio non si adatta alla presa di corrente
ALIMENTAZIONE
Contenuto della confezione . . . . . . . . . . . . . . . . . .4
alternata di rete nella quale si intende inserire la
Prendete sempre il filo di alimentazione per la spina.
Installazione delle batterie nel telecomando
spina stessa, questa deve essere sostituita con una
Non tiratelo mai agendo per il filo stesso e non toccate
(tranne che per il modello A-10). . . . . . . . . . . . . . .4
adatta allo scopo. La sostituzione della spina del cavo
mai il filo con le mani bagnati, perchè questo potrebbe
Uso del telecomando. . . . . . . . . . . . . . . . . . . . . . . .4
di alimentazione deve essere effettuata solamente da
causare cortocircuiti o scosse elettriche. Non collocate
Installazione dell’amplificatore . . . . . . . . . . . . . . .4
personale di servizio qualificato. Dopo la sostituzione,
l’unità, oppure dei mobili sopra il filo di alimentazione e
02 Collegamento
la vecchia spina, tagliata dal cavo di alimentazione,
controllate che lo stesso non sia premuto. Non
Collegamento dei cavi . . . . . . . . . . . . . . . . . . . . . .5
deve essere adeguatamente eliminata per evitare
annodate mai il filo di alimentazione nè collegatelo con
Informazioni sul “biwiring”. . . . . . . . . . . . . . . . . . .5
possibili scosse o folgorazioni dovute all’accidentale
altri fili. I fili di alimentazione devono essere collocati in
Collegamento dei cavi degli altoparlanti . . . . . . . .6
inserimento della spina stessa in una presa di
tal modo che non saranno calpestati. Un filo di
Collegamento dei cavi audio . . . . . . . . . . . . . . . . .6
corrente sotto tensione.
alimentazione danneggiato potrebbe causare incendi o
Uso del dispositivo di regolazione centralizzato
Se si pensa di non utilizzare l’apparecchio per un
scosse elettriche. Controllate il filo di alimentazione
con altri componenti Pioneer
(tranne che per il modello A-10). . . . . . . . . . . . . . .6
relativamente lungo periodo di tempo (ad esempio,
regolarmente. Quando localizzate un eventuale danno,
Collegamento . . . . . . . . . . . . . . . . . . . . . . . . . . . .6
durante una vacanza), staccare la spina del cavo di
rivolgetevi al più vicino centro assistenza autorizzato
alimentazione dalla presa di corrente alternata di
della PIONEER oppure al vostro rivenditore per la
03 Comandi e display
rete.
sostituzione del filo di alimentazione.
Pannello frontale . . . . . . . . . . . . . . . . . . . . . . . . . .7
D3-4-2-2-1a_A1_It
S002*_A1_It
Pannello posteriore . . . . . . . . . . . . . . . . . . . . . . . .8
Telecomando (tranne che per il modello A-10). . . .9
(solo per il modello A-30)
AVVERTENZA
04 Funzionamento
L’interruttore principale (/I STANDBY/ON)
ATTENZIONE:
Riproduzione . . . . . . . . . . . . . . . . . . . . . . . . . . . .10
dell’apparecchio non stacca completamente il flusso
Impostare la modalità di standby. . . . . . . . . . . . . .10
SUPERFICIE ARROVENTATA, NON TOCCARE.
di corrente elettrica dalla presa di corrente alternata
Quando si usa l’unità come amplificatore di
La superficie superiore del dispersore di
potenza (solo per il modello A-30) . . . . . . . . . . . . .10
di rete. Dal momento che il cavo di alimentazione
calore interno può essere rovente se il
Effettuazione di una registrazione audio . . . . . . .11
costituisce l’unico dispositivo di distacco
prodotto è stato usato a lungo.
Impostazione dello stato di standby automatico
dell’apparecchio dalla sorgente di alimentazione, il
(Auto Power Down) . . . . . . . . . . . . . . . . . . . . . . .11
cavo stesso deve essere staccato dalla presa di
Ripristino di tutte le impostazioni sui valori
corrente alternata di rete per sospendere
predefiniti . . . . . . . . . . . . . . . . . . . . . . . . . . . . . .11
completamente qualsiasi flusso di corrente.
05 Informazioni supplementari
Verificare quindi che l’apparecchio sia stato installato
Risoluzione dei problemi . . . . . . . . . . . . . . . . . . .12
in modo da poter procedere con facilità al distacco
Pulizia dell’unità . . . . . . . . . . . . . . . . . . . . . . . . .12
del cavo di alimentazione dalla presa di corrente, in
Dati tecnici . . . . . . . . . . . . . . . . . . . . . . . . . . . . .13
caso di necessità. Per prevenire pericoli di incendi,
inoltre, il cavo di alimentazione deve essere staccato
dalla presa di corrente alternata di rete se si pensa di
non utilizzare l’apparecchio per periodi di tempo
relativamente lunghi (ad esempio, durante una
3
vacanza).
D3-4-2-2-2a*_A1_It

A30_SYXE8-It.book Page 4 Thursday, February 16, 2012 11:27 AM
01 Prima di iniziare
Capitolo 1:
• Il funzionamento del telecomando può risultare
Attenzione
scarsamente affidabile se la luce del sole o di una
L’uso non corretto delle batterie può causare pericolo di
lampada fluorescente si riflette sul sensore del
Prima di iniziare
perdite e di esplosione. Osservare le seguenti
telecomando situato sull’unità.
precauzioni:
• I telecomandi di unità differenti possono interferire
tra loro. Evitare di usare i telecomandi di apparati
• Quando si inseriscono le batterie, prestare
differenti situati in prossimità di questa unità.
2 Inserire le batterie nuove, rispettando le
attenzione a non danneggiare le molle dei terminali
• Sostituire le batterie quando si nota una riduzione
Contenuto della confezione
polarità come indicato all’interno dello
.
del raggio di azione del telecomando.
Verificare che i seguenti accessori siano inclusi nella
scomparto.
• Non usare batterie diverse da quelle specificate.
Inoltre, non usare batterie nuove insieme a batterie
confezione.
A-30
A-20
vecchie.
• Telecomando (tranne che per il modello A-10)
• Quando si installano le batterie nel telecomando,
Installazione dell’amplificatore
• Batterie a secco AAA/IEC R03 x2 (tranne che per il
inserirle nella direzione corretta, come indicato dai
Quando si installa l’unità, avere cura di collocarla su una
modello A-10)
segni di polarità ( e ).
superficie piana e stabile.
• Cavo di alimentazione
• Non scaldare, smontare o gettare le batterie nel
fuoco o nell’acqua.
• Evitare di installare l’apparecchio nei seguenti
• Documento di garanzia
• Le batterie possono avere tensioni diverse, anche
luoghi:
• Istruzioni per l’uso (questo documento)
se sono delle stesse dimensioni e della stessa
– su un televisore a colori (possibile distorsione
forma. Non usare tipi diversi di batterie insieme.
dello schermo)
Nota
• Per evitare la fuoriuscita di elettroliti, rimuovere le
– in prossimità di una piastra a cassette (o vicino a
batterie se si prevede di non usare il telecomando
un dispositivo che genera campi magnetici). Ciò
• Le illustrazioni delle Istruzioni per l’uso potrebbero
per un periodo di tempo prolungato (1 mese o più).
potrebbe interferire con il suono.
essere state modificate o semplificate per
Se c’è una perdita di elettroliti, pulire
– alla luce diretta del sole
comodità di spiegazione e possono quindi essere
3 Chiudere il coperchio posteriore.
accuratamente l’interno dello scomparto batterie e
– in luoghi umidi o bagnati
diverse nell’aspetto rispetto al prodotto reale.
poi inserire delle nuove batterie. Se una batteria
– in luoghi eccessivamente caldi o freddi
• Le illustrazioni usate in questa pubblicazione si
A-30
A-20
perde elettroliti e il liquido entra in contatto con la
riferiscono principalmente al modello A-30.
pelle, lavare la parte interessata con abbondante
– in luoghi esposti a vibrazioni o a movimenti di
acqua.
altro tipo
• Per lo smaltimento delle batterie usate osservare le
– in luoghi molto polverosi
leggi statali o le regolamentazioni in materia di
– in luoghi esposti a vapori caldi o ai grassi (ad
esempio in cucina)
Installazione delle batterie nel
ambiente emesse dagli enti pubblici in vigore nel
proprio paese/regione.
• Non montare l’unità su un divano o altro oggetto o
telecomando (tranne che per il
materiale dotato di qualità assorbenti poiché la
Uso del telecomando
qualità del suono può essere influenzata
modello A-10)
Il telecomando dispone di un raggio di circa 7 m in un
negativamente.
1 Aprire il coperchio posteriore.
angolo di circa 30º dal sensore remoto.
Le batterie in dotazione con l’unità sono state fornite per
A-30
A-20
permettere di controllare il funzionamento del prodotto e
potrebbero non durare a lungo. Per una maggiore
durata di utilizzo si raccomanda di usare batterie
alcaline.
AVVERTENZA
30 °
30 °
• Non usare né conservare le batterie alla luce diretta
del sole o in luoghi eccessivamente caldi, ad
esempio all’interno di un’automobile o in
prossimità di un calorifero. Le batterie potrebbero
7 m
perdere liquido, surriscaldarsi, esplodere o
prendere fuoco. Anche la durata e le prestazioni
delle batterie potrebbero risultare ridotte.
Quando si usa il telecomando, tenere presente quanto
segue:
• Accertarsi che non vi siano ostacoli tra il
telecomando e il relativo sensore presente
sull’unità.
4
It






