Pioneer MVH-7300: Raccordements des appareils
Raccordements des appareils: Pioneer MVH-7300

Raccordements des appareils
Remarques
AVERTISSEMENT
• Cet appareil ne peut pas être installé dans
un véhicule dont le contacteur d’allumage ne
• Pour éviter le risque d’accident et une violation
possède pas de position ACC (accessoire).
potentielle des lois applicables, l’écran du siège
avant ne doit en aucun cas être regardé pendant
la conduite du véhicule.
• Dans certains états ou pays, il peut être illégal
même pour des personnes autres que le
conducteur de regarder des images sur un
écran à l’intérieur d’un véhicule. Lorsque ces
réglementations s’appliquent, elles doivent être
respectées.
ATTENTION
• PIONEER ne vous recommande pas
d’installer ou d’entretenir vous-même cet
écran, car ces travaux peuvent présenter un
risque d’électrocution ou d’autres dangers.
Confiez tous les travaux d’installation et
d’entretien de votre écran à un personnel de
service Pioneer agréé.
•
Immobilisez toutes les câblages avec des
serre-fils ou du ruban isolant. Ne laissez
aucun conducteur à nu.
• Ne forez pas un orifice vers le compartiment
du moteur afin de raccorder le fil jaune de
l’appareil sur la batterie du véhicule car les
vibrations du moteur pourraient à la longue
abîmer l’isolation du fil au point de passage
entre l’habitable et le compartiment du
moteur. Veillez tout particulièrement à bien
immobiliser le fil à ce point.
•
Assur
ez-vous que les câblages ne font pas
obstacle aux pièces mobiles du véhicule,
telles que le levier des vitesses, le frein à
main ou le mécanisme de coulissement des
sièges.
•
Ne raccour
cissez pas les fils car le circuit
de protection ne fonctionnerait plus
correctement.
AVERTISSEMENT
LE FIL VERT CLAIR SUR LE CONNECTEUR
D’ALIMENTATION A POUR BUT DE DETECTER
L’ETAT DE STATIONNEMENT DU VEHICULE ET
DOIT ETRE CONNECTE AU COTE ALIMENTATION
DU COMMUTATEUR DU FREIN A MAIN. UNE
CONNEXION OU UNE UTILISATION INCORRECTE
DE CE FIL PEUT VIOLER LA LOI APPLICABLE ET
PEUT ENTRAINER DES BLESSURES GRAVES OU
DES DOMMAGES SERIEUX.
<YRD5342-A> <10>
A
C
C
O
F
N
F
O
S
T
A
R
T
O
F
N
F
O
S
T
A
R
T
Position ACC
Pas de Position ACC
• Utiliser cet appareil dans d’autres conditions
que les conditions suivantes peut entraîner un
incendie ou un mauvais fonctionnement.
— Véhicule avec une batterie de 12 volts et une
mise à la masse négative.
— Enceintes de 50 W (valeur de sortie) et de 4
ohms à 8 ohms (valeur d’impédance).
• Pour éviter tout court-circuit, surchauffe ou
mauvais fonctionnement, assurez-vous de suivre
les instructions ci-dessous.
— Déconnectez la borne négative de la batterie
avant l’installation.
— Fixez solidement les câbles avec des serre-
câbles ou du ruban adhésif. Pour protéger
le câblage, entourez-le de ruban adhésif à
l’endroit où il est en contact avec des pièces
métalliques.
— T
enez tous les câbles à l’écart des parties
mobiles, telles que le levier de vitesse et les
rails des sièges.
— Tenez tous les câbles à l’écart des endroits
chauds, tels que les sorties du chauffage.
— Ne faites pas passer le câble jaune par un
trou dans le compartiment du moteur pour le
connecter à la batterie.
— Recouvrez tous les câbles non connectés avec
du ruban isolant.
— Ne raccourcissez aucun câble.
— Ne coupez jamais l’isolant du câble
d’alimentation de cet appareil afin partager
l’alimentation avec un autre appareil. La
capacité électrique du câble est limitée.
— Utilisez un fusible de la valeur donnée.
— Ne connectez jamais le câble négatif des
enceintes directement à la masse.
— N’attachez jamais ensemble plusieurs câbles
négatifs de plusieurs enceintes.
2

Raccordements des appareils
• Le signal de commande est sorti par le câble
bleu/blanc quand cet appareil est sous
tension. Connectez-le à la télécommande
d’un système d’amplification extérieur ou à la
prise de commande du contrôle de relais de
l’antenne automatique (max. 300 mA, 12 V CC).
Si le véhicule est équipée d’une antenne de
vitre, connectez-la à la prise d’alimentation de
Français
l’amplificateur d’antenne.
• Ne connectez jamais le câble bleu/blanc à la prise
d’alimentation d’un amplificateur extérieur. Et
ne le connectez pas à la prise d’alimentation de
l’antenne automatique. Sinon, la batterie risque
de se décharger ou un mauvais fonctionnement
peut se produire.
• Le câble noir est pour la masse. Ce câble et
les câbles de masse des autres produits (en
particulier les appareils à haute intensité tels
que les amplificateurs) doivent être câblés
séparément. Sinon, ils peuvent entraîner un
incendie ou un mauvais fonctionnement s’ils se
détachent.
3
<YRD5342-A> <11>

Raccordements des appareils
Branchement du cordon d’alimentation
<YRD5342-A> <12>
Entrée microphone
Cet appareil
(MVH-8300BT seulement)
4 m
Microphone
(MVH-8300BT seulement)
Remarque:
Entrée d’antenne
Fusible (10 A)
En fonction du type de véhicule, la
Entrée pour télécommande câblée
fonction de 2* et de 4* peut différer. Dans
Un adaptateur de télécommande
ce cas, assurez-vous de connecter 1* à 4*
câblée peut être connecté à cette
et 3* à 2*.
prise (vendu séparément).
2*
1*
Jaune/noir
Si vous utilisez un équipement avec une fonction de mise en
sourdine, raccordez ce conducteur au conducteur de mise en
sourdine audio de cet équipement. Sinon, laissez le
4*
3*
conducteur de mise en sourdine audio non raccordé.
Connectez les câbles de la même
couleur les uns aux autres.
Méthode de connexion
1. Serrez le conducteur.
2. Serrez fermement
avec une pince à
Jaune (2*)
Jaune (1*)
mâchoires pointues.
Secours
Connectez à une prise
(ou accessoire)
d’alimentation constante 12 V.
Remarque:
· La position du contacteur de frein à main dépend du modèle de véhicule. Pour les
détails, consultez le manuel de l’utilisateur du véhicule ou un concessionnaire.
Résistance
Rouge (4*)
Rouge (3*)
fusible
Accessoire
Connectez à une prise commandée par
Vert clair
(ou secours)
le commutateur d’allumage (12 V CC).
Utilisé pour détecter l’état ON/OFF du frein à main.
Ce fil doit être raccordé sur l’alimentation du
contacteur de frein à main.
Orange/blanc
Résistance
Raccordez ce fil
à
la prise du commutateur d’éclairage.
fusible
Bleu/blanc
Contacteur de
Connectez à la prise de commande du système de
Côté alimentation
frein à main
Noire (masse au châssis)
l’amplificateur de puissance (max. 300 mA 12 V CC).
Connectez à une section métallique propre et sans peinture.
Côté mise à terre
Bleu/blanc (6*)
Connecteur ISO
Câbles d’enceinte
Bleu/blanc (5*)
Connectez à la prise du contrôle de relais de
Remarque:
Blanc: Avant gauche
l’antenne automatique (max. 300 mA, 12 V CC).
Dans certains véhicule, le connecteur ISO peut
Blanc/noir: Avant gauche
être divisé en deux. Dans ce cas, assurez-vous
Gris: Avant droit
La position des broches du
de faire la connexion aux deux connecteurs.
Gris/noir: Avant droit
connecteur ISO diffère en
Remarques:
Vert: Arrière gauche ou caisson de grave
fonction du type de véhicule.
·
Change le réglage initial de cet appareil (reportez-vous au mode d’emploi).
Vert/noir: Arrière gauche ou caisson de grave
Connectez 5* et 6* quand la
La sortie de caisson de grave de cet appareil est monophonique.
Violet: Arrière droit ou caisson de grave
broche 5 correspond à la
· Lors de l’utilisation d’un caisson de grave de 70 W (2 Ω),
Violet/noir: Arrière droit ou caisson de grave
commande de l’antenne. Dans
assurez-vous de le raccorder aux câbles Violet et Violet/noir de cet
les autres cas, ne connectez
appareil. Ne connectez rien aux câbles Vert et Vert/noir.
jamais 5* et 6*.
4

Branchement du cordon d’alimentation
Français
<YRD5342-A> <13>
Entrée microphone
Cet appareil
(MVH-8300BT seulement)
4 m
Microphone
(MVH-8300BT seulement)
Remarque:
Entrée d’antenne
Fusible (10 A)
En fonction du type de véhicule, la
Entrée pour télécommande câblée
fonction de 2* et de 4* peut différer. Dans
Un adaptateur de télécommande
ce cas, assurez-vous de connecter 1* à 4*
câblée peut être connecté à cette
et 3* à 2*.
prise (vendu séparément).
1*
2*
Jaune/noir
Si vous utilisez un équipement avec une fonction de mise en
sourdine, raccordez ce conducteur au conducteur de mise en
sourdine audio de cet équipement. Sinon, laissez le
3*
4*
conducteur de mise en sourdine audio non raccordé.
Connectez les câbles de la même
couleur les uns aux autres.
Méthode de connexion
1. Serrez le conducteur.
2. Serrez fermement
avec une pince à
Jaune (2*)
Jaune (1*)
mâchoires pointues.
Secours
Connectez à une prise
(ou accessoire)
d’alimentation constante 12 V.
Remarque:
· La position du contacteur de frein à main dépend du modèle de véhicule. Pour les
détails, consultez le manuel de l’utilisateur du véhicule ou un concessionnaire.
Résistance
Rouge (4*)
Rouge (3*)
fusible
Accessoire
Connectez à une prise commandée par
Vert clair
(ou secours)
le commutateur d’allumage (12 V CC).
Utilisé pour détecter l’état ON/OFF du frein à main.
Ce fil doit être raccordé sur l’alimentation du
contacteur de frein à main.
Résistance
Orange/blanc
fusible
Raccordez ce fil
à
la prise du commutateur d’éclairage.
Bleu/blanc
Contacteur de
Connectez à la prise de commande du système de
Côté alimentation
frein à main
Noire (masse au châssis)
l’amplificateur de puissance (max. 300 mA 12 V CC).
Connectez à une section métallique propre et sans peinture.
Côté mise à terre
Bleu/blanc (6*)
Câbles d’enceinte
Connecteur ISO
Bleu/blanc (5*)
Connectez à la prise du contrôle de relais de
Blanc: Avant gauche
Remarque:
l’antenne automatique (max. 300 mA, 12 V CC).
Blanc/noir: Avant gauche
Dans certains véhicule, le connecteur ISO peut
Gris: Avant droit
être divisé en deux. Dans ce cas, assurez-vous
La position des broches du
Gris/noir: Avant droit
de faire la connexion aux deux connecteurs.
connecteur ISO diffère en
Remarques:
Vert: Arrière gauche ou caisson de grave
fonction du type de véhicule.
·
Change le réglage initial de cet appareil (reportez-vous au mode d’emploi).
Vert/noir: Arrière gauche ou caisson de grave
Connectez 5* et 6* quand la
La sortie de caisson de grave de cet appareil est monophonique.
Violet: Arrière droit ou caisson de grave
broche 5 correspond à la
· Lors de l’utilisation d’un caisson de grave de 70 W (2 Ω),
Violet/noir: Arrière droit ou caisson de grave
commande de l’antenne. Dans
assurez-vous de le raccorder aux câbles Violet et Violet/noir de cet
les autres cas, ne connectez
appareil. Ne connectez rien aux câbles Vert et Vert/noir.
jamais 5* et 6*.
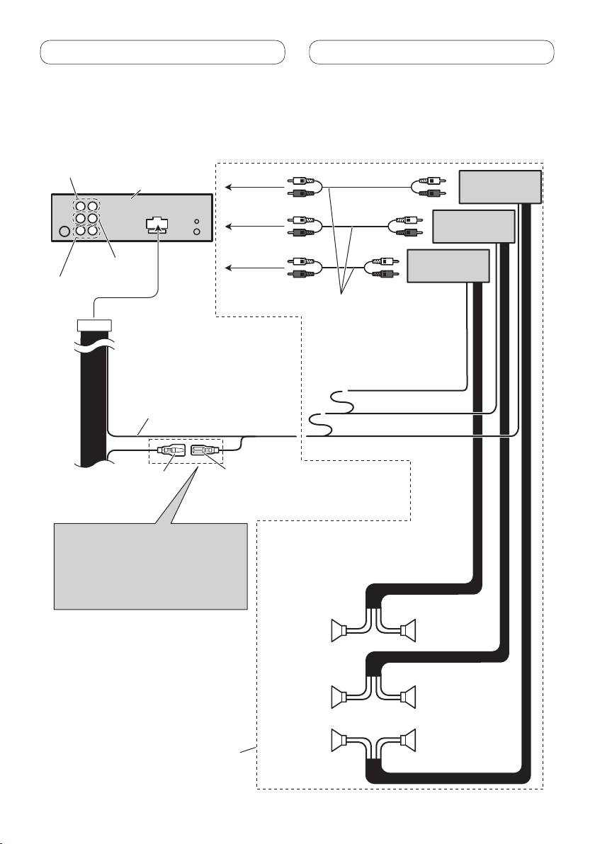
Raccordements des appareils
5

Raccordements des appareils
Raccordements à un amplificateur de puissance vendu
séparément
<YRD5342-A> <14>
Sortie arrière
Amplificateur de
Cet appareil
puissance (vendu
séparément)
À la sortie
arrière
Amplificateur de
puissance (vendu
séparément)
À la sortie
avant
Amplificateur de
Sortie avant
puissance (vendu
séparément)
Sortie du caisson
À la sortie du
de grave
caisson de
Raccordez avec des
grave
câbles cinch (RCA)
(vendus séparément)
Bleu/blanc
Connectez à la prise de
commande du système de
l’amplificateur de puissance
(max. 300 mA 12 V CC).
Télécommande du système
Bleu/blanc (6*)
Bleu/blanc (5*)
Connectez à la prise du contrôle de
relais de l’antenne automatique
(max. 300 mA, 12 V CC).
La position des broches du connecteur
ISO diffère en fonction du type de
Gauche Droit
véhicule. Connectez 5* et 6* quand la
broche 5 correspond à la commande de
l’antenne. Dans les autres cas, ne
connectez jamais 5* et 6*.
Caisson
Caisson
de grave
de grave
Enceinte
Enceinte
avant
avant
Enceinte
Enceinte
arrière
arrière
Réalisez ces connexions lors de
l’utilisation de l’amplificateur en
option.
6






