Pioneer MVH-7300: Collegamento delle unità
Collegamento delle unità: Pioneer MVH-7300

Collegamento delle unità
Note
AVVERTENZA
• Questa unità non può essere installata nei veicoli
il cui blocco della chiave di accensione non è
• Per evitare il rischio di incidenti e la potenziale
provvisto della posizione ACC (accessori).
violazione della normativa applicabile, la visione
dei video dal sedile anteriore è vietata mentre il
veicolo è in movimento.
• In alcuni Stati o Paesi la visione di immagini su un
display installato all’interno di un veicolo, anche
da parte di persone diverse dal conducente,
potrebbe essere illegale. Se sono in vigore
norme di questo tipo, è necessario osservarle
scrupolosamente.
PRECAUZIONE
• PIONEER non raccomanda di installare
o riparare personalmente lo schermo.
L’installazione o la manutenzione del prodotto
può esporre al rischio di scosse elettriche
o altri pericoli. Per tutti gli interventi di
installazione e manutenzione rivolgersi a
personale tecnico autorizzato Pioneer.
•
Fissare tutti i fili con morsetti cavo o nastro
isolante. Non lasciare esposto alcun filo
nudo.
• Non trapanare un foro nel comparto motore
per collegare il cavo giallo dell’unità alla
batteria del veicolo. Le vibrazioni del motore
possono a lungo andare danneggiare
l’isolante nel punto dove il filo passa
dall’abitacolo al comparto motore. Fare
particolare attenzione quando si fissa il filo in
questo punto.
•
Assicurarsi che i fili non interferiscano con
le parti mobili del veicolo, come la leva del
cambio, il fr
eno a mano o il meccanismo di
scorrimento dei sedili.
• Non accor
ciare alcun cavo. Altrimenti il
circuito di protezione può non funzionare
correttamente.
AVVERTENZA
IL FILO DI COLORE VERDE CHIARO SUL
CONNETTORE DI ALIMENTAZIONE È
PROGETTATO PER RILEVARE LA CONDIZIONE DI
STAZIONAMENTO E DEVE ESSERE COLLEGATO
AL LATO ALIMENTAZIONE DELL’INTERRUTTORE
DEL FRENO A MANO. IL COLLEGAMENTO
O L’USO NON CORRETTO DI QUESTO FILO
POTREBBE RAPPRESENTARE UNA VIOLAZIONE
DELLA NORMATIVA APPLICABILE E PROVOCARE
DANNI O LESIONI GRAVI.
<YRD5342-A> <18>
A
C
C
O
F
N
F
O
S
T
A
R
T
O
F
N
F
O
S
T
A
R
T
Posizione ACC
Assenza di posizione ACC
• L’impiego dell’unità in condizioni diverse
dalle seguenti potrebbe dar luogo a incendi o
malfunzionamenti:
— Veicoli provvisti di batteria da 12 V con messa
a terra sul negativo.
— Altoparlanti da 50 W (uscita) e da 4 ohm a 8
ohm (impedenza).
• Per impedire il verificarsi di cortocircuiti, di
surriscaldamento o di malfunzionamenti
raccomandiamo di osservare le seguenti
istruzioni.
— Prima di procedere con l’installazione
scollegate il terminale negativo della batteria.
— Bloccate i cavi con apposite fascette o con
del nastro adesivo. Per proteggere i cavi che
scorrono contro le parti metalliche del veicolo
avvolgeteli inoltre con del nastro adesivo.
— Allontanate tutti i cavi da qualsiasi parte in
movimento quali, ad esempio, la leva del
cambio e le guide dei sedili.
— Allontanate tutti i cavi da punti ad elevata
temperatura quali, ad esempio, gli effusori del
sistema di riscaldamento del veicolo.
— Per collegare il cavo giallo alla batteria non
fatelo passare per un foro ricavato nella
struttura di separazione dal vano del motore.
— Proteggete con del nastro adesivo tutti i
connettori non usati.
— Non accorciate alcun cavo di collegamento.
— Non tagliate la guaina d’isolamento del cavo
di alimentazione di questa unità in modo
da prelevare corrente per alimentare altri
apparecchi. La capacità di corrente di questo
cavo è infatti limitata.
— Usate solo un fusibile della capacità prescritta.
— Non collegate mai direttamente a terra il cavo
negativo degli altoparlanti.
— Non raggruppate fra loro il cavo negativo di
più altoparlanti.
2

Collegamento delle unità
• Quando l’unità è accesa il segnale di controllo
è posto in uscita attraverso il cavo blu/bianco.
Collegatelo al telecomando di un amplificatore
di potenza esterno o al terminale di controllo del
relé dell’antenna automatica del veicolo (massimo
300 mA e 12 V CC). Se il veicolo è provvisto di
un’antenna a vetro collegatela al terminale di
alimentazione del relativo booster.
• Non collegate il cavo blu/bianco al terminale
di alimentazione dell’amplificatore di potenza
esterno. Non collegatelo inoltre al terminale di
alimentazione dell’antenna. In caso contrario la
batteria si scaricherebbe oppure si potrebbero
verificare dei malfunzionamenti.
• Il cavo nero va usato solo per la messa a terra.
Questo cavo e il cavo di messa a terra di altri
apparecchi (in particolare quelli ad alta corrente
Italiano
quali gli amplificatori di potenza) devono essere
collegati separatamente. In caso contrario,
qualora si scolleghino accidentalmente, si
potrebbero verificare incendi o malfunzionamenti.
3
<YRD5342-A> <19>

Collegamento delle unità
Collegamento del cavo di alimentazione
<YRD5342-A> <20>
Ingresso microfono
Questo apparecchio
(solo MVH-8300BT)
4 m
Microfono
(solo MVH-8300BT)
Ingresso antenna
Fusibile (10 A)
Nota:
Ingresso per telecomando a filo
A seconda del tipo di veicolo le funzione
Qui si collega mediante cavo
di 2* e di 4* potrebbe differire. In tal caso
l’adattatore per telecomando
collegare 1* a 4* e 3* a 2*.
(venduto a parte).
2*
1*
Giallo/nero
In caso d’uso di un apparecchio provvisto della funzione di silenziamento,
questo cavo deve essere collegato al corrispondente cavo di silenziamento
audio dell’apparecchio stesso. Qualora non si desideri eseguire questo
4*
3*
collegamento si raccomanda di mantenere questo cavo completamente libero.
Collegare fra loro i cavi di
uguale colore.
Metodo di collegamento
1. Fissare il cavo.
2. Fissare saldamente
con pinze a punta.
Giallo (2*)
Giallo (1*)
Retromarcia
Da collegare al terminale
(o per accessori)
costantemente alimentato a 12 V.
Nota:
· La posizione dell’interruttore freno a mano dipende dal modello di veicolo. Per dettagli
consultare il manuale del veicolo o il concessionario.
Resistenza fusibile
Rosso (4*)
Rosso (3*)
Accessori
Da collegare al terminale controllato
Luce verde
(o retromarcia)
dalla chiavetta di accensione (12 V CC).
Usato per individuare lo stato attivato (ON)/disattivato (OFF) del
freno a mano. Questo cavo deve essere collegato al lato
alimentazione dell’interruttore freno a mano.
Arancione/bianco
Resistenza fusibile
Collegare al terminale dell’interruttore d’illuminazione.
Blu/bianco
Interruttore
Da collegare al terminale di controllo di sistema
Lato alimentazione
freno a mano
Nero (messa a terra sulla carrozzeria)
dell’amplificatore di potenza (massimo 300 mA
Da collegare in un punto metallico pulito e non verniciato.
12 V CC).
Lato massa
Blu/bianco (6*)
Connettore ISO
Cavi altoparlanti
Blu/bianco (5*)
Da collegare al terminale di controllo del relé
Nota:
Bianco: Anteriore sinistro
dell’antenna automatica (massimo 300 mA 12 V CC).
In alcuni veicoli il connettore ISO potrebbe
Bianco/nero: Anteriore sinistro
essere separato in due. In tal caso è necessario
Grigio: Anteriore destro
La posizione dei contatti del
collegare entrambi.
Grigio/nero: Anteriore destro
connettore ISO può differire in
funzione del tipo di veicolo.
Note:
Verde: Posteriore sinistro o subwoofer
· Cambiare l’impostazione iniziale di questa unità (far riferimento al manuale
Verde/nero: Posteriore sinistro o subwoofer
Collegare 5* e 6* qualora il
d’istruzioni). L’uscita subwoofer di questa unità è di tipo mono.
Viola: Posteriore destro o subwoofer
contatto 5 sia del tipo per
· Se s’impiega un subwoofer da 70 W (2
Ω
Viola/nero: Posteriore destro o subwoofer
controllo dell’antenna. In altri
) è necessario collegarlo con i cavi
tipi di veicolo 5* e 6* non devo
viola e viola/nero di questa unità. Nulla deve invece essere collegato con i
mai essere collegati.
cavi verde e verde/nero.
4

Collegamento del cavo di alimentazione
Italiano
<YRD5342-A> <21>
Ingresso microfono
Questo apparecchio
(solo MVH-8300BT)
4 m
Microfono
(solo MVH-8300BT)
Ingresso antenna
Fusibile (10 A)
Nota:
Ingresso per telecomando a filo
A seconda del tipo di veicolo le funzione
Qui si collega mediante cavo
di 2* e di 4* potrebbe differire. In tal caso
l’adattatore per telecomando
collegare 1* a 4* e 3* a 2*.
(venduto a parte).
1*
2*
Giallo/nero
In caso d’uso di un apparecchio provvisto della funzione di silenziamento,
questo cavo deve essere collegato al corrispondente cavo di silenziamento
audio dell’apparecchio stesso. Qualora non si desideri eseguire questo
3*
4*
collegamento si raccomanda di mantenere questo cavo completamente libero.
Collegare fra loro i cavi di
uguale colore.
Metodo di collegamento
1. Fissare il cavo.
2. Fissare saldamente
con pinze a punta.
Giallo (2*)
Giallo (1*)
Retromarcia
Da collegare al terminale
(o per accessori)
costantemente alimentato a 12 V.
Nota:
· La posizione dell’interruttore freno a mano dipende dal modello di veicolo. Per dettagli
consultare il manuale del veicolo o il concessionario.
Resistenza fusibile
Rosso (4*)
Rosso (3*)
Accessori
Da collegare al terminale controllato
Luce verde
(o retromarcia)
dalla chiavetta di accensione (12 V CC).
Usato per individuare lo stato attivato (ON)/disattivato (OFF) del
freno a mano. Questo cavo deve essere collegato al lato
alimentazione dell’interruttore freno a mano.
Arancione/bianco
Resistenza fusibile
Collegare al terminale dell’interruttore d’illuminazione.
Blu/bianco
Interruttore
Da collegare al terminale di controllo di sistema
Lato alimentazione
freno a mano
Nero (messa a terra sulla carrozzeria)
dell’amplificatore di potenza (massimo 300 mA
Da collegare in un punto metallico pulito e non verniciato.
12 V CC).
Lato massa
Blu/bianco (6*)
Cavi altoparlanti
Connettore ISO
Blu/bianco (5*)
Da collegare al terminale di controllo del relé
Bianco: Anteriore sinistro
Nota:
dell’antenna automatica (massimo 300 mA 12 V CC).
Bianco/nero: Anteriore sinistro
In alcuni veicoli il connettore ISO potrebbe
Grigio: Anteriore destro
essere separato in due. In tal caso è necessario
La posizione dei contatti del
Grigio/nero: Anteriore destro
collegare entrambi.
connettore ISO può differire in
funzione del tipo di veicolo.
Note:
Verde: Posteriore sinistro o subwoofer
· Cambiare l’impostazione iniziale di questa unità (far riferimento al manuale
Verde/nero: Posteriore sinistro o subwoofer
Collegare 5* e 6* qualora il
d’istruzioni). L’uscita subwoofer di questa unità è di tipo mono.
Viola: Posteriore destro o subwoofer
contatto 5 sia del tipo per
· Se s’impiega un subwoofer da 70 W (2
Ω
Viola/nero: Posteriore destro o subwoofer
controllo dell’antenna. In altri
) è necessario collegarlo con i cavi
tipi di veicolo 5* e 6* non devo
viola e viola/nero di questa unità. Nulla deve invece essere collegato con i
mai essere collegati.
cavi verde e verde/nero.
Collegamento delle unità
5

Collegamento delle unità
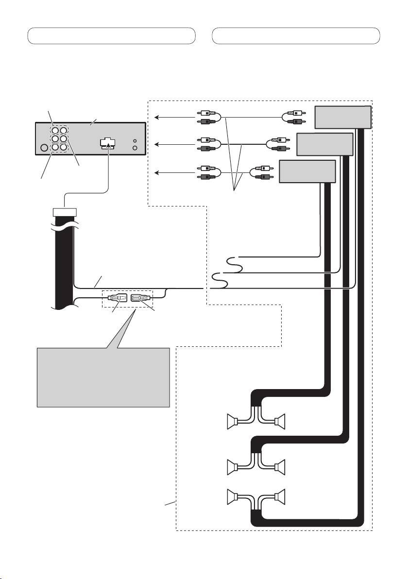
Collegamento ad un amplificatore venduto a parte
<YRD5342-A> <22>
Uscita posteriore
Amplificatore di
Questo apparecchio
potenza (venduto
a parte)
All’uscita
posteriore
Amplificatore di
potenza (venduto
a parte)
All’uscita
anteriore
Amplificatore di
Uscita anteriore
potenza (venduto
a parte)
Uscita per subwoofer
All’uscita per
subwoofer
Da collegare ai cavi RCA
(venduti a parte)
Blu/bianco
Da collegare al terminale di
controllo di sistema
dell’amplificatore di potenza
(massimo 300 mA 12 V CC).
Telecomando del sistema
Blu/bianco (6*)
Blu/bianco (5*)
Da collegare al terminale di controllo
del relé dell’antenna automatica
(massimo 300 mA 12 V CC).
La posizione dei contatti del connettore
ISO può differire in funzione del tipo di
Sinistra Destra
veicolo. Collegare 5* e 6* qualora il
contatto 5 sia del tipo per controllo
dell’antenna. In altri tipi di veicolo 5* e 6*
non devo mai essere collegati.
Subwoofer Subwoofer
Diffusore
Diffusore
anteriore
anteriore
Diffusore
Diffusore
posteriore
posteriore
Questi collegamenti devono essere
eseguiti quando s’impiega
l’amplificatore opzionale.
6






