Pioneer VSX-420-S: Raccordement de votre équipement
Raccordement de votre équipement: Pioneer VSX-420-S

13
Fr
English
Français
Italiano
Deutsch
Nederlands
Español
Chapitre 3 :
Raccordement de votre
équipement
• Si vous prévoyez de placer les enceintes à
côté d’un téléviseur à écran cathodique,
Installation des enceintes
utilisez des enceintes protégées contre les
Un système surround de type 5.1 canaux peut
interférences électromagnétiques, ou
être obtenu en connectant les enceintes avant
placez les enceintes à une distance
gauche et droite (L/R), l’enceinte centrale (C),
suffisante de l’écran.
les enceintes surround gauche et droite
• Si vous utilisez une enceinte centrale,
(SL/SR) et le subwoofer (SW).
placez les enceintes avant à un angle plus
grand. Sinon, placez-les à un angle plus
Pour obtenir le meilleur son surround possible,
étroit.
installez vos enceintes conformément à
• Placez l’enceinte centrale au-dessus ou
l’illustration ci-dessous.
en dessous du téléviseur de sorte que le
son du canal central semble provenir de
l’écran du téléviseur. Assurez-vous
également que l’enceinte centrale ne
traverse pas la ligne formée par le bord
d’attaque des enceintes avant gauche et
droite.
• Il vaut mieux placer les enceintes de
manière à réaliser un angle ouvert vers la
position d’écoute. L’angle dépend de la
taille de la pièce. Utilisez un angle
inférieur pour les pièces plus grandes.
• Les enceintes surround doivent être
placées 60 cm à 90 cm plus haut que vos
oreilles et légèrement inclinées vers le
bas. Assurez-vous que les enceintes ne
Conseils d’installation des enceintes
sont pas face à face. Pour les signaux
DVD-Audio, les enceintes doivent être
L’emplacement des enceintes dans la pièce
plus rapprochées de l’auditeur que lors de
d’écoute a une grande influence sur la qualité
la lecture sur un appareil de cinéma à
du son obtenu. Les conseils suivants vous
domicile.
permettront d’obtenir le meilleur son avec
• Essayez de placer les enceintes surround
votre système.
à la même distance de la position
• Le caisson de basses peut être placé sur le
d’écoute que les enceintes avant et
sol. L’idéal est de placer les autres
centrale. Sinon, l’effet de son surround
enceintes au niveau de vos oreilles en
sera affaibli.
position d’écoute. Il est déconseillé de
poser les enceintes sur le sol (à l’exception
ATTENTION
du caisson de graves) ou de les installer
très haut en position murale.
• Assurez-vous que toutes les enceintes
sont correctement installées. Ceci permet
• Pour obtenir un effet stéréo optimal,
écartez les enceintes avant de 2 à 3 mètres
non seulement d’améliorer la qualité du
en les plaçant à égale distance du
son, mais aussi de réduire les risques de
téléviseur.
dommages ou de blessures, en empêchant
les enceintes d’être renversées ou de
tomber en cas de choc externe ou de
secousse telle qu’un tremblement de terre.
R
L
C
SW
120
120
SR
SL
VSX-420_SYXCN_Fr.book 13 ページ 2010年3月18日 木曜日 午後10時7分

Assurez-vous que tous les branchements ont
été effectués correctement avant de raccorder
Raccordement des enceintes
cet appareil au secteur.
Le récepteur fonctionnera avec seulement
deux enceintes stéréo (les enceintes avant sur
Branchement des fils nus
le schéma), mais il est recommandé d’en
Bornes des enceintes avant :
utiliser au moins trois ; une configuration
complète de huit enceintes est cependant
1 Torsadez ensemble les brins de fil
idéale pour la production du son surround.
dénudés.
Vérifiez que l’enceinte droite est raccordée à la
2 Libérez la borne de l’enceinte et insérez-y
borne droite (R) et que l’enceinte gauche est
le fil.
raccordée à la borne gauche (L). Assurez-vous
également que les bornes positive et négative
3 Refermez la borne.
(+/–) du récepteur sont reliées aux bornes
positive et négative des enceintes.
123
Si vous n’utilisez pas de caisson de basse,
changez le réglage des enceintes avant (voir
Réglage des enceintes à la page 33) sur LARGE
(Grande).
Bornes de l’enceinte centrale et des enceintes
ATTENTION
surround :
• Les bornes des haut-parleurs sont sous
1 Torsadez ensemble les brins de fil
une tension HAZARDOUS LIVE. Pour
dénudés.
éviter tout risque de décharge électrique
lors du branchement et du débranchement
2 Poussez sur les languettes pour les ouvrir
des câbles de haut-parleur, débranchez le
et insérez le fil dénudé.
cordon d’alimentation avant de toucher
3 Relâchez les languettes.
des parties non isolées.
• Assurez-vous que tous les brins de fil
dénudés du câble d’enceinte sont torsadés
ensemble et insérés complètement dans la
borne de l’enceinte. Si une partie du fil
d’enceinte exposé entre en contact avec le
panneau arrière, l’alimentation peut être
coupée par mesure de sécurité.
14
Fr
10 mm
12 3
10 mm
AUDIO
FRONT
SPEAKERS A
ZONE2 OUT
SUBWOOFER
RL
L R
PRE OUT
SURROUND CENTER
L
MONITOR OUT BD/TV IN DVD/SAT IN
ANTENNA
P
R
B
YP
R
MONITOR
FM
OUT
T
FRONT
SPEAKERS A
SUBWOOFER
RL
IN
PRE OUT
SURROUND CENTER
AC IN
RL
RL
L
OUT
DVR/VCR VIDEO
IN
R
IN
SW
L
R
C
SL
SR
Subwoofer amplifié
Enceintes avant
Enceinte centrale
Enceintes surround
VSX-420_SYXCN_Fr.book 14 ページ 2010年3月18日 木曜日 午後10時7分

15
Fr
English
Français
Italiano
Deutsch
Nederlands
Español
HDMI peut prendre en charge la vidéo
standard, la vidéo améliorée ou la vidéo haute
Raccordements des câbles
définition plus toutes les formes d’audio, de
Veillez à ne pas plier les câbles par dessus
l’audio standard au son surround multicanal.
l’appareil (conformément à l’illustration). Dans
HDMI prend en charge les signaux vidéo
ce cas, le champ magnétique produit par les
numériques sans compression, offre une
transformateurs de l’appareil pourrait
largeur de bande allant jusqu’à 2,2 gigaoctets
provoquer le ronflement des enceintes.
par seconde (pour les signaux HDTV), utilise
un connecteur unique (au lieu de câbles et
connecteurs multiples) et permet la
communication entre la source AV et des
appareils AV tels que les téléviseurs
numériques.
Même si vous raccordez les équipements de
lecture avec un câble HDMI, aucun son ne
sera émis par les enceintes connectées à cet
appareil. Pour cela, il est aussi nécessaire
Important
d’utiliser un branchement par câble audio.
• Avant tout raccordement ou toute
HDMI, le logo HDMI et High-Definition
modification de raccordement, mettez
Multimedia Interface sont des marques
l’appareil hors tension et débranchez le
commerciales ou des marques déposées de
cordon d’alimentation de la prise secteur.
HDMI Licensing, LLC aux États-Unis et dans
• Avant de débrancher le cordon
d’autres pays.
d’alimentation, mettez l’appareil en veille.
Câbles audio analogiques
Câbles HDMI
Utilisez des câbles phono stéréo RCA pour
Les câbles HDMI servent à transmettre des
raccorder les appareils audio analogiques.
1
signaux vidéo non compressés.
Ces câbles sont le plus souvent rouges et
blancs ; les fiches rouges doivent être
raccordées aux bornes R (côté droit) et les
fiches blanches aux bornes L (côté gauche).
Veillez à raccorder la borne dans le sens qui
convient.
À propos de HDMI
L’interface HDMI (High Definition Multimedia
Interface) a été développée pour intégrer en un
seul standard les technologies HDCP (High
Bandwidth Digital Content Protection) et DVI
(Digital Visual Interface). Le système HDCP est
utilisé pour protéger le contenu numérique
transmis et reçu par les écrans compatibles
DVI.
Remarque
Câble HDMI
1 Si le signal vidéo n’apparaît sur votre téléviseur, essayez d’ajuster les réglages de la résolution de votre composant ou écran.
Notez que certains composants (par exemple les consoles de jeux vidéo) ont des résolutions qui ne peuvent pas être affichées.
Dans ce cas, utilisez une connexion composite (analogique).
Câbles audio analogiques
Droit (rouge)
Gauche (blanc)
VSX-420_SYXCN_Fr.book 15 ページ 2010年3月18日 木曜日 午後10時7分

Câbles audio numériques
Les câbles audio numériques coaxiaux ou les
À propos du raccordement des
câbles optiques disponibles dans le commerce
sorties vidéo
doivent être utilisés pour raccorder les
1
Ce récepteur ne comporte pas de
appareils numériques au récepteur.
convertisseur vidéo. Les câbles vidéo en
Un tel branchement est nécessaire pour
composantes ou les câbles HDMI que vous
écouter des contenus audionumériques
utilisez pour le raccordement à l’appareil
multicanaux avec cet appareil.
d’entrée doivent également servir pour le
raccordement au téléviseur.
Les signaux des entrées vidéo analogiques
(composite et composant) de cet appareil ne
seront pas transmis par la sortie HDMI OUT.
Câbles vidéo
Câbles vidéo RCA standard
Ces câbles sont couramment utilisés pour les
raccordements vidéo et ils sont utilisés pour le
raccordement à des bornes vidéo en
composantes. Les fiches jaunes les
distinguent des câbles audio.
Câbles vidéo en composantes
Les câbles vidéo en composantes permettent
d’obtenir la meilleure reproduction couleur
possible de votre source vidéo. Le signal
couleur de votre téléviseur regroupe le signal
de luminance (Y) et la couleur (les signaux P
B
et PR) et la sortie. Les interférences entre les
signaux sont ainsi évitées.
16
Fr
Remarque
Câble audio numérique coaxial Câble optique
1 • Lors du raccordement de câbles optiques, faites attention à ne pas endommager le cache qui protège la prise optique lors
de l’insertion de la fiche.
• Si vous devez entreposer le câble optique, enroulez-le sans serrer. Vous pourriez endommager le câble en l’enroulant de
façon trop serrée.
• Vous pouvez également utiliser un câble vidéo RCA standard pour les raccordements numériques coaxiaux.
Câbles vidéo RCA standard
Câbles des composants vidéo
Vert (Y)
Bleu (P
B)
Rouge (P
R)
P
R
P
B
Y
HDMI IN
COMPONENT VIDEO IN
VIDEO IN
P
R
P
B
Y
HDMI OUT
COMPONENT VIDEO MONITOR OUT
MONITOR OUT
Périphérique de
lecture
Borne pour le raccordement d’une source
Borne pour le raccordement d’un téléviseur
Téléviseur
Signaux vidéo pouvant être transmis.
VSX-420_SYXCN_Fr.book 16 ページ 2010年3月18日 木曜日 午後10時7分

17
Fr
English
Français
Italiano
Deutsch
Nederlands
Español
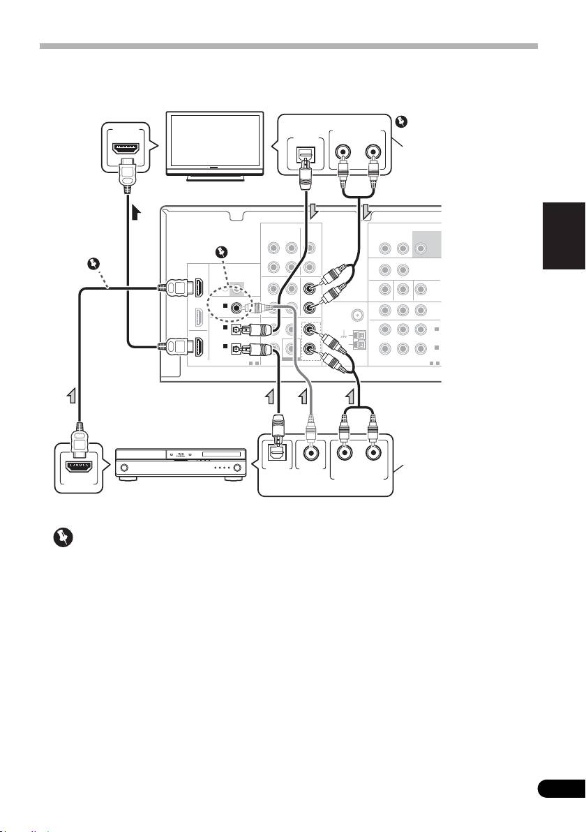
Raccordement d’un téléviseur et d’un lecteur de disques Blu-ray
Vous pouvez raccorder un téléviseur et un lecteur de disque Blu-ray à cet appareil à l’aide d’un
câble HDMI disponible dans le commerce.
AUDIO
AUDIO
HDMI
L
COAXIAL
IN 1
ANTENNA
R
(CD)
FM
UNBAL
CENTERSURROUND
FRONT
75
Ω
IN 2
L
(DVD/SA
AM
IN 1
R
LOOP
IN 1
(BD/TV)
DIGITAL
1
-
2
BD/TV MULTI CH IN
COMPONENT VIDEO
Important
1 Même si vous raccordez les différents
équipements de lecture, aucun son ne sera
émis par les enceintes connectées à cet
appareil. Pour cela, il est aussi nécessaire
d’utiliser un branchement par câble audio.
2 Dans le cas où le branchement est effectué
avec un câble coaxial, appuyez plusieurs fois
sur la touche SIGNAL SEL pour sélectionner
C1 (voir page 26).
3 Si le téléviseur est déjà raccordé (comme
indiqué ci-dessus) et qu’il n’y a toujours pas de
son, appuyez sur DVD puis appuyez plusieurs
fois sur SIGNAL SEL pour sélectionner O2 ou A
(voir page 26).
T
IR
OUT
ASSIGNABLE
MONIT
OUT
OPTICAL
IN 2
ASSIGNABLE
ASSIGNABLE
1
-
2
O
ZONE2 OUT
SUBWOOFER
OUT
CD-R/TAPE CD
IN IN
L R
PRE OUT
L
OUT
DVR/VCR VIDEO
IN
R
BD/TV
IN
DVR/VCR
IN
IN
DVD/SAT
MONITOR OUT DVD/SAT IN
IN
P
R
B
YP
OUT
SUBWOOFER
3
HDMI IN
DIGITAL AUDIO OUT
ANALOG AUDIO OUT
OPTICAL
RL
2
1
HDMI
DVD/SAT
IN
L
MONITOR OUT BD/TV IN
R
IN 2
L
OUT
(DVD/SAT)
IN 1
(BD/TV)
R
BD/TV IN
OPTICAL
COAXIAL
RL
DIGITAL AUDIO OUT
ANALOG AUDIO OUT
HDMI OUT
Sélectionnez-en une
Cette liaison est
nécessaire pour pouvoir
écouter le son du
téléviseur ou du
récepteur.
Téléviseur compatible HDMI/DVI
Sans ce branchement, vous
ne pourrez PAS écouter de
contenu audio avec cet
appareil à partir d’un
équipement de lecture.
Lecteur de disque Blu-ray
Sélectionnez-en une
compatible HDMI/DVI
VSX-420_SYXCN_Fr.book 17 ページ 2010年3月18日 木曜日 午後10時7分

Raccordement d
’
un téléviseur et d
’
un lecteur DVD
Connexion au moyen de l’interface HDMI
Si vous possédez un lecteur DVD équipé de connexions HDMI ou DVI (avec HDCP), vous pouvez
le raccorder à ce récepteur à l’aide d’un câble HDMI disponible dans le commerce.
Important
1 Même si vous raccordez les différents
3 Si le téléviseur est déjà raccordé (comme
équipements de lecture, aucun son ne sera
indiqué ci-dessus) et qu’il n’y a toujours pas de
émis par les enceintes connectées à cet
son, appuyez sur BD puis appuyez plusieurs
appareil. Pour cela, il est aussi nécessaire
fois sur SIGNAL SEL pour sélectionner O1 ou A
d’utiliser un branchement par câble audio.
(voir page 26).
2 Dans le cas où le branchement est effectué
avec un câble coaxial, appuyez plusieurs fois
sur la touche SIGNAL SEL pour sélectionner
C1 (voir page 26).
18
Fr
AUDIO
AUDIO
ZONE2 OUT
SUBWOOFER
OUT
CD-R/TAPE CD
IN IN
L R
PRE OUT
L
OUT
DVR/VCR VIDEO
IN
HDMI
R
BD/TV
IN
IR
OUT
DVR/VCR
IN
IN
L
DVD/SAT
COAXIAL
ASSIGNABLE
MONITOR OUT DVD/SAT IN
IN
IN 1
ANTENNA
P
R
B
YP
R
MONITO
(CD)
FM
OUT
UNBAL
OPTICAL
CENTERSURROUND
FRONT
75
Ω
IN 2
L
IN 2
OUT
(DVD/SAT
AM
IN 1
R
LOOP
IN 1
(BD/TV)
ASSIGNABLE
SUBWOOFER
ASSIGNABLE
DIGITAL
1
-
2
BD/TV MULTI CH IN
COMPONENT VIDEO
1
-
2
HDMI OUT
DIGITAL AUDIO OUT
ANALOG AUDIO OUT
COAXIAL
OPTICAL
RL
2
HDMI
DVD/SAT
IN
L
1
MONITOR OUT BD/TV IN
R
IN 2
L
OUT
(DVD/SAT)
IN 1
(BD/TV)
R
BD/TV IN
3
RL
OPTICAL
HDMI IN
DIGITAL AUDIO OUT
ANALOG AUDIO OUT
Sélectionnez-en une
Sans ce branchement, vous
ne pourrez PAS écouter de
contenu audio avec cet
Lecteur DVD compatible
appareil à partir d’un
HDMI/DVI
équipement de lecture.
Cette liaison est
nécessaire pour pouvoir
Sélectionnez-en une
écouter le son du
Téléviseur compatible
téléviseur ou du récepteur.
HDMI/DVI
VSX-420_SYXCN_Fr.book 18 ページ 2010年3月18日 木曜日 午後10時7分

19
Fr
English
Français
Italiano
Deutsch
Nederlands
Español
Raccordement d’un équipement dépourvu de borne HDMI
Ce schéma montre les connexions d’un téléviseur et d’un lecteur DVD (ou autre équipement de
lecture) dépourvus de borne HDMI à cet appareil.
DIGITAL AUDIO OUT
ANALOG AUDIO OUT
VIDEO OUT
COMPONENT VIDEO OUT
OPTICAL
COAXIAL
RL
P
R
B
YP
AUDIO
AUDIO
ZONE2 OUT
SUBWOOFER
OUT
CD-R/TAPE CD
IN IN
L R
PRE OUT
L
3
OUT
DVR/VCR VIDEO
IN
HDMI
R
BD/TV
IN
IR
OUT
DVR/VCR DVD/ SAT
IN
IN
IN
L
DVD/SAT
COAXIAL
ASSIGNABLE
MONITOR OUT BD/TV IN DVD/SAT IN
IN
IN 1
ANTENNA
P
P
R
R
B
B
YP
YP
R
MONITOR
(CD)
FM
OUT
OUT
UNBAL
OPTICAL
CENTERSURROUND
FRONT
75
Ω
IN 2
L
IN 2
OUT
(DVD/SAT)
(DVD/SAT)
AM
1,2
IN 1
(BD/TV)
R
LOOP
IN 1
IN 1
(BD/TV)
ASSIGNABLE
SUBWOOFER
BD/TV IN
ASSIGNABLE
ASSIGNABLE
DIGITAL
1
-
2
BD/TV MULTI CH IN
COMPONENT VIDEO
COMPONENT VIDEO
1
1
-
-
2
2
RL
P
R
B
YP
OPTICAL
VIDEO IN
COMPONENT VIDEO IN
DIGITAL AUDIO OUT
ANALOG AUDIO OUT
4
Important
1 Si vous utilisez des câbles vidéo en
3 Dans le cas où le branchement est
composante pour le raccordement au lecteur
effectué avec un câble coaxial, appuyez
DVD, le même type de câble doit être utilisé
plusieurs fois sur la touche SIGNAL SEL pour
pour le raccordement au téléviseur.
sélectionner C1 (voir page 26).
2 Si nécessaire, affectez les entrées vidéo en
4 Si le téléviseur est déjà raccordé (comme
composantes aux entrées de la source que
indiqué ci-dessus) et qu’il n’y a toujours pas
vous venez de raccorder.
de son, appuyez sur BD puis appuyez
Cette étape doit être exécutée uniquement si
plusieurs fois sur SIGNAL SEL pour
vos raccordements ne respectent pas les
sélectionner O1 ou A (voir page 26).
raccordements par défaut suivants :
• COMPONENT VIDEO IN 1 – BD/TV
• COMPONENT VIDEO IN 2 – DVD/SAT
Voir la section Menu d’affectation d’entrée à la
page 35.
Sélectionnez-en une
Sélectionnez-en une
Lecteur DVD, etc.
Cette liaison est
nécessaire pour
pouvoir écouter le
son du téléviseur ou
du récepteur.
Sélectionnez-en une
Sélectionnez-en une
Téléviseur
VSX-420_SYXCN_Fr.book 19 ページ 2010年3月18日 木曜日 午後10時7分

Raccordement d’un enregistreur HDD/DVD, d’un magnétoscope ou
d’autres équipements vidéo
Ce récepteur est muni d’entrées et de sorties audio/vidéo adaptées au raccordement
d’enregistreurs analogiques ou numériques, tels que des magnétoscopes ou des enregistreurs
HDD/DVD.
• Seuls les signaux qui sont envoyés sur la borne VIDEO IN peuvent être sortis au niveau de la
borne VIDEO OUT.
• Les signaux qui sont envoyés sur la borne numérique ne peuvent pas être sortis au niveau de
la borne analogique.
Important
Remarque
• Dans le cas où le branchement a été
• Si les équipements vidéo et le téléviseur
effectué avec un câble optique, appuyez
possèdent aussi une prise HDMI ou des
plusieurs fois sur la touche SIGNAL SEL
prises vidéo en composantes, vous pouvez
pour sélectionner O2 (voir page 26).
également les raccorder. Pour plus
d’informations, voir les sections Connexion
au moyen de l’interface HDMI à la page 18
et Raccordement d’un équipement
dépourvu de borne HDMI à la page 19.
20
Fr
OPTICAL
RL
PLAY
DIGITAL
RL
REC
AUDIO OUT
ANALOG AUDIO OUT
ANALOG AUDIO IN
VIDEO IN
VIDEO OUT
AUDIO
AUDIO
ZONE2 OUT
SUBWOOFER
OUT
CD-R/TAPE CD
IN IN
L R
PRE OUT
L
OUT
OUT
DVR/VCR VIDEO
DVR/VCR VIDEO
IN
IN
HDMI
R
BD/TV
IN
IR
OUT
OUT
DVR/VCR
DVR/VCR
IN
IN
DVD/SAT
IN
IN
L
L
DVD/SAT
COAXIAL
COAXIAL
ASSIGNABLE
MONITOR OUT BD/DVD IN DVD/SAT IN
IN
IN 1
IN 1
ANTENNA
P
R
B
YP
R
R
MONITOR
(CD)
(CD)
OUT
OPTICAL
OPTICAL
CENTERSURROUND
FRONT
IN 2
IN 2
L
IN 2
OUT
(DVD/SAT)
(DVD/SAT)
AM
IN 1
(BD/TV)
R
LOOP
IN 1
(BD/TV)
ASSIGNABLE
SUBWOOFER
BD/TV IN
ASSIGNABLE
DIGITAL
DIGITAL
1
-
2
BD/TVD MULTI CH IN
COMPONENT VIDEO
1
-
2
Sélectionnez-en une
DVR, magnétoscope, lecteur LD, etc.
VSX-420_SYXCN_Fr.book 20 ページ 2010年3月18日 木曜日 午後10時7分

21
Fr
English
Français
Italiano
Deutsch
Nederlands
Español
Raccordement d’un récepteur
Raccordement des sorties
satellite ou d’un boîtier
analogiques multicanaux
Votre lecteur de BD/DVD peut être pourvu de
décodeur numérique
sorties analogiques à 5.1 canaux pour la
Les récepteurs satellites et par câble, ainsi que
lecture de DVD audio et de SACD. Dans ce
les syntoniseurs de téléviseur numérique
cas, vous pouvez raccorder les sorties
terrestre sont tous des exemples de ce que l’on
analogiques multicanaux
aux entrées
appelle boîtiers décodeurs.
multicanaux de ce récepteur, comme illustré
ci-dessous.
AUDIO
AUDIO
Important
• Si le boîtier décodeur est déjà raccordé
(comme indiqué ci-dessus) et qu’il n’y a
toujours pas de son, appuyez sur DVD puis
appuyez plusieurs fois sur SIGNAL SEL
Remarque
pour sélectionner O2 ou A (voir page 26).
• L’entrée multicanaux peut être utilisée
Remarque
uniquement si MULTI IN est sélectionné
• Si le décodeur et le téléviseur possèdent
(voir page 26).
aussi une prise HDMI ou des prises vidéo
• Vous pouvez affecter COMPONENT
en composantes, vous pouvez également
VIDEO IN 1 ou IN 2 à l’entrée multicanal
les raccorder. Pour plus d’informations,
(Pour de plus amples informations à ce
voir les sections Connexion au moyen de
sujet, voir la section Menu d’affectation
l’interface HDMI à la page 18 et
d’entrée à la page 35.)
Raccordement d’un équipement dépourvu
de borne HDMI à la page 19.
G
ZONE2 OUT
SUBWOOFER
OUT
CD-R/TAPE CD
IN IN
L R
PRE OUT
L
OUT
DVR/VCR VIDEO
IN
R
IR
OUT
DVR/VCR
IN
IN
L
COAXIAL
ASSIGNABLE
MONITOR OUT BD/TV IN
IN 1
ANTENNA
P
R
B
YP
R
MONITOR
(CD)
FM
OUT
UNBAL
OPTICAL
CENTERSURROUND
FRONT
75
Ω
IN 2
L
IN 2
(DVD/SAT)
(DVD/SAT)
AM
IN 1
(BD/TV)
R
LOOP
IN 1
(BD/TV)
ASSIGNABLE
SUBWOOFER
BD/TV IN
ASSIGNABLE
ITAL
1
-
2
BD/TV MULTI CH IN
COMPONENT VIDEO
1
-
2
T
DVD/SAT
IN
L
DVD/SAT IN
R
IN 2
OPTICAL
RL
DIGITAL AUDIO OUT
ANALOG AUDIO OUT
VIDEO OUT
Sélectionnez-en une
STB
AUDIO
AUDIO
HDMI
IR
OUT
L
COAXIAL
ASSIGNABLE
IN 1
ANTENNA
R
(CD)
FM
UNBAL
OPTICAL
CENTERSURROUND
FRONT
75
Ω
IN 2
L
(DVD/SAT)
AM
IN 1
LOOP
(BD/TV)
R
ASSIGNABLE
BD/TV IN
DIGITAL
1
-
2
COMPONENT VIDEO
Y
ZONE2 OUT
IN
MONITOR OUT
P
R
P
B
S
OUT
CD-R/TAPE CD
IN IN
L R
L
OUT
DVR/VCR
IN
R
BD/TV
IN
DVR/VCR
DVD/SAT
IN
IN
DVD/SAT
BD/TV IN
IN
CENTERSURROUND
FRONT
L
OUT
R
SUBWOOFER
SUBWOOFER
BD/TV MULTI CH IN
RLRL
VIDEO
CENTER
SURROUND
SUBWOOFER
FRONT
OUTPUT
OUTPUT
OUTPUT
OUTPUT
OUTPUT
Lecteur de disque Blu-ray ou lecteur DVD
équipé de sorties analogiques multicanaux
VSX-420_SYXCN_Fr.book 21 ページ 2010年3月18日 木曜日 午後10時7分

Raccordement d’autres
Raccordement à la mini-prise
appareils audio
audio du panneau frontal
Le nombre et le type de raccordement
Les raccordements audio avant sont
dépendent des appareils que vous désirez
accessibles via le panneau avant à l’aide de la
raccorder.
Suivez les étapes ci-dessous pour
touche INPUT SELECTOR ou PORTABLE de la
raccorder un lecteur CD-R, MD, DAT, un
télécommande. Utilisez un câble pour mini-
magnétophone ou tout autre appareil audio.
prise stéréo pour raccorder un lecteur audio
numérique, etc.
Important
• Si le branchement a été réalisé avec un
câble optique ou un câble coaxial, vous
devrez appuyer sur la touche
SIGNAL SEL
pour sélectionner le signal d’entrée
correspondant aux équipements audio
(voir Choix du signal d’entrée à la page 26).
Remarque
• Pensez à raccorder les appareils
numériques aux prises femelles audio
analogiques si vous désirez enregistrer à
partir d’appareils numériques (lecteur MD
par ex.) vers des appareils analogiques et
réciproquement.
22
Fr
AUDIO
OUT
CD-R/TAPE CD
IN IN
L
HDMI
R
BD/TV
IN
IR
OUT
DVR/VCR
IN
DVD/SAT
IN
IN
L
DVD/SAT
COAXIAL
ASSIGNABLE
MO
IN
IN 1
ANTENNA
R
(CD)
OPTICAL
CENTERSURROUND
FRONT
IN 2
L
OUT
(DVD/SAT)
AM
IN 1
R
LOOP
ASSIGNABLE
SUBWOOFER
BD/TV IN
DIGITAL
1
-
2
BD/TV MULTI CH IN
C
AUDIO
OUT
CD-R/TAPE
IN
L
R
COAXIAL
IN 1
(CD)
OPTICAL
IN 1
(BD/TV)
DIGITAL
OPTICAL
COAXIAL
RL
PLAY
RL
REC
DIGITAL AUDIO OUT
ANALOG AUDIO OUT
ANALOG AUDIO IN
Sélectionnez-en une
CD-R, MD, DAT, magnétophone, etc.
PRESET
+
ENTER
ZONE
MASTER
ON/OFF
SPEAKERS
VOLUME
PORTABLE
AUDIO OUT
Lecteur audio numérique, etc.
VSX-420_SYXCN_Fr.book 22 ページ 2010年3月18日 木曜日 午後10時7分

23
Fr
English
Français
Italiano
Deutsch
Nederlands
Español
Utilisation des antennes externes
Raccordement des antennes
Pour améliorer la réception FM
Raccordez l’antenne cadre AM et l’antenne
Utilisez un connecteur de type PAL (non fourni)
filaire FM comme indiqué ci-dessous. Pour
pour raccorder une antenne FM externe.
améliorer la réception et la qualité du son,
raccordez les antennes externes (voir la
section Utilisation des antennes externes ci-
dessous).
Pour améliorer la réception AM
Connectez un fil recouvert de vinyle de 5 à
6 mètres de long à la borne d’antenne AM
sans déconnecter l’antenne cadre AM fournie.
Pour obtenir la meilleure réception possible,
fixez ce fil métallique horizontalement, à
l’extérieur.
1 Poussez sur les languettes pour les ouvrir,
puis insérez complètement un fil dans chaque
borne avant de relâcher les languettes pour
mettre en place les fils de l’antenne AM.
2 Reliez l’antenne cadre AM au pied joint.
Pour relier le pied à l’antenne, courbez-le dans
le sens indiqué par la flèche (fig. a), puis
attachez le cadre sur le pied (fig. b).
3 Placez l’antenne AM sur une surface plane
en l’orientant vers une direction qui offre la
meilleure réception.
4 Raccordez l’antenne filaire FM à la prise
d’antenne FM.
Pour de meilleurs résultats, déroulez l’antenne
FM et fixez-la sur un mur ou sur un
encadrement de porte. Tendez-la, elle ne doit
pas être enroulée.
fig. a fig. b
2
ANTENNA
4
AM
LOOP
3
1
ANTENNA
FM
UNBAL
75
Ω
AM
LOOP
Connecteur PAL
simple
Câble coaxial 75 Ω
ANTENNA
AM
LOOP
Antenne
extérieure
Antenne intérieure
5 m à 6 m
(câble avec
protection vinyle)
VSX-420_SYXCN_Fr.book 23 ページ 2010年3月18日 木曜日 午後10時7分

Raccordement d’un récepteur IR
Branchement du récepteur
Si vous conservez vos composants stéréo dans
Ne raccordez le récepteur au secteur qu’après
une armoire fermée ou sur un élément de
y avoir connecté tous les composants, y
rayonnage ou si vous souhaitez utiliser la
compris les haut-parleurs.
télécommande sous-zone dans une autre
zone, vous pouvez utiliser un récepteur IR
ATTENTION
facultatif (par exemple, un appareil Niles ou
• Tenez le cordon d’alimentation par sa prise
Xantech) pour commander votre système au
lorsque vous le manipulez. Ne débranchez
lieu du capteur de télécommande sur le
1
pas l’appareil en tirant sur le cordon et ne
panneau avant de ce récepteur.
touchez jamais le cordon d’alimentation
• Raccordez le capteur du récepteur IR à la
avec les mains mouillées ; vous pourriez
prise
IR IN
à l’arrière de ce récepteur.
provoquer un court-circuit ou prendre un
Pour plus d’informations sur le raccordement
choc électrique. Ne placez pas l’appareil,
du récepteur IR, consultez les instructions
un meuble ou tout autre objet sur le cordon
d’installation du récepteur IR.
d’alimentation, et évitez de le pincer de
toute autre manière. Ne faites jamais de
nœud dans le cordon et ne le liez jamais
avec d’autres câbles. Les cordons
d’alimentation doivent être acheminés de
façon à ce qu’on ne puisse pas marcher
dessus. Un cordon d’alimentation
endommagé peut provoquer un incendie
ou un choc électrique. Vérifiez l’état du
cordon de temps à autre. Si le cordon est
endommagé, demandez-en le
remplacement auprès du service après-
vente agréé Pioneer le plus proche.
• N’utilisez aucun autre cordon
d’alimentation que celui fourni avec cet
appareil.
• N’utilisez pas le cordon d’alimentation
fourni à d’autres fins que celles décrites ci-
après.
• Lorsque le récepteur n’est pas utilisé
durant une longue période (par ex. pendant
les vacances), il est recommandé de le
débrancher, en retirant le connecteur
d’alimentation de la prise murale.
1 Enfichez le cordon d’alimentation fourni
dans la prise
AC IN
à l’arrière du récepteur.
2 Enfichez l’autre extrémité dans une prise
électrique.
24
Fr
Remarque
VSX-420_SYXCN_Fr.book 24 ページ 2010年3月18日 木曜日 午後10時7分
1 • Vous risquez de ne pas pouvoir utiliser la télécommande si la lumière émanant d’une lampe fluorescente puissante est
dirigée sur la fenêtre du capteur de télécommande du récepteur IR.
• Notez qu’il est possible que les autres fabricants n’utilisent pas la terminologie IR. Consultez le manuel fourni avec votre
composant pour vérifier la compatibilité IR.
Table of contents
- Contents
- Flow of settings on the receiver
- Before you start
- Controls and displays
- Connecting your equipment
- Listening to your system
- The System Setup menu
- Using the MULTI-ZONE feature
- Using the tuner
- Making recordings
- Additional information
- Table des matières
- Organigramme des réglages sur le récepteur
- Avant de commencer
- Commandes et affichages
- Raccordement de votre équipement
- Les modes d’écoute de votre système
- Menu de configuration du système
- Utilisation de la fonction MULTI-ZONE
- Utilisation du tuner
- Enregistrement
- Informations complémentaires
- Содержание
- Порядок выполнения настроек на ресивере
- Перед началом работы
- Органы управления и индикаторы
- Подключение оборудования
- Прослушивание системы
- Меню System Setup (Настройка системы)
- Использование функции MULTI- ZONE
- Использование тюнера
- Выполнение записи на внешний источник
- Дополнительная информация






