Pioneer VSX-420-S: Подключение оборудования
Подключение оборудования: Pioneer VSX-420-S

13
Ru
English
Français
Italiano
Deutsch
Nederlands
Español
VSX-420_SYXCN_Ru.book 13 ページ 2010年3月19日 金曜日 午前9時16分
Глава 3:
Подключение оборудования
• В случае расположения
громкоговорителей около ЭЛТ-
Размещение громкоговорителей
телевизора, используйте
Подключив левый и правый передние
громкоговорители магнитозащищенного
громкоговорители (L/R), центральный
типа или располагайте громкоговорители
громкоговоритель (C), левый и правый
на достаточном расстоянии от ЭЛТ-
громкоговорители объемного звучания
телевизора.
(SL/SR) и низкочастотный громкоговоритель
• Если используется центральный
(SW), можно прослушивать 5.1-канальную
громкоговоритель, разместите передние
систему объемного звучания.
громкоговорители под большим углом.
Для получения наилучшего качества
Есл
и нет – под меньшим углом.
объемного звучания установите
• Расположите центральный
громкоговорители, как показано ниже.
громкоговоритель под телевизором или
над ним, чтобы звук центрального канала
исходил от экрана телевизора. Кроме того,
центральный громкоговоритель не должен
R
пересекать линию, образованную
L
передним краем правого и левого
фронтальных громкоговорителей.
C
• Лучше всего поверните громкоговорители
SW
120
в направлении точки прослушивания.
Угол зависит от размера помещения. Дл
я
120
более просторных помещений
SR
используйте меньший угол.
SL
• Громкоговорители объемного звучания
следует устанавливать на 60 см дo 90 см
выше уровня ушей и слегка наклонить
вниз. Убедитесь в том, что
Советы по расположению
громкоговорители не направлены
громкоговорителей
навстречу друг другу. Для формата DVD-
Pасположение громкоговорителей в комнате
Audio громкоговорители должны
имеет большое влияние на качество звука.
находиться дальше от слушателя.
Следующие рекомендации помогут добиться
• Старайтесь не размещать
оптимального звучания вашей системы.
громкоговорители объемного звучания
• Сабвуфер можно поместить на полу. В
дальше от сл
ушателя, чем передние и
идеальном случае другие
центральные. В противном случае может
громкоговорители во время
произойти ослабление эффекта объемного
прослушивания должны располагаться на
звучания.
уровне ушей. Расположение
громкоговорителей на полу (кроме
сабвуфера) или закрепление их высоко на
ОСТОРОЖНО
стене не рекомендуется.
• Все громкоговорители должны быть
• Для полу
чения оптимального
надежно установлены. Это не только
стереоэффекта расположите фронтальные
улучшает качество звука, но и уменьшает
громкоговорители на расстоянии 2–3
риск повреждения или травмы в результате
метров друг от друга и на равном удалении
падения или переворачивания
от телевизора.
громкоговорителей в случае внешнего
толчка (например, при землетрясении).

любой из неизолированных проводов
громкоговорителя коснется задней панели,
Подключение громкоговорителей
это может вызвать отключение питания в
Ресивер может работать с двумя стерео
целях безопасности.
громкоговорителями (передние
Подключайте устройство к сети переменного
громкоговорители на рисунке), тем не менее,
тока только после завершения всех
рекомендуется использовать по крайней мере
три, а полный комплект обеспечивает
соединений.
наилучшее объемное звучание.
Подключение проводов
Убедитесь, что правый громкоговоритель
Зажимы передних громкоговорителей:
подключен к правому (R) разъему, а левый (L)
громкоговоритель – к левому. Также
1 Скрутите оголенные жилы провода.
убедитесь, что положительный и
2 Ослабьте зажим контакта и вставьте
отрицательный (+/–) разъемы ре
сивера
оголенный провод.
совпадают с соответствующими разъемами
3 Зажмите контакт.
громкоговорителей.
Если низкочастотный громкоговоритель не
используется, то выберите для параметра
123
настройки громкоговорителей значение
LARGE (Большой) (см. Speaker setting
(Настройка громкоговорителей) на стр. 33).
ОСТОРОЖНО
Зажимы центрального громкоговорителя и
• На контактах громкоговорителей имеется
громкоговорителей объемного звучания:
ОПАСНОЕ ДЛЯ ЖИЗНИ напряжение.
1 Скрутите оголенные жилы провода.
Во избежание опасности поражения
электрическим током при подключении
2 Откройте защитные выступы и
или отключении кабелей
вставьте оголенный провод.
громкоговорителей отсоединяйте кабель
3 Отпустите защитные выступы.
питания, прежде чем при
касаться к любым
неизолированным деталям.
• Оголенные концы провода
громкоговорителя должны быть
обязательно скручены и вставлены в
контакт громкоговорителя до конца. Если
14
Ru
10 мм
12 3
10 мм
AUDIO
FRONT
SPEAKERS A
ZONE2 OUT
SUBWOOFER
RL
L R
PRE OUT
SURROUND CENTER
L
MONITOR OUT BD/TV IN DVD/SAT IN
ANTENNA
P
R
B
YP
R
MONITOR
FM
OUT
T
FRONT
SPEAKERS A
SUBWOOFER
RL
IN
PRE OUT
SURROUND CENTER
AC IN
RL
RL
L
OUT
DVR/VCR VIDEO
IN
R
IN
SW
L
R
C
SL
SR
Активный
Фронтальные
Центральный
Объемные
низкочастотный
громкоговорители
громкоговоритель
громкоговорители
громкоговоритель
VSX-420_SYXCN_Ru.book 14 ページ 2010年3月19日 金曜日 午前9時16分

15
Ru
English
Français
Italiano
Deutsch
Nederlands
Español
DVI (Digital Visual Interface – цифровой
визуальный интерфейс). HDCP служит для
Подсоединение кабелей
защиты цифровыx данных, передаваемых и
Не перегибайте кабели поверх устройства (как
принимаемых совместимыми с DVI дисплеями.
показано на рисунке). В противном случае
HDMI поддерживает видео стандартного,
магнитное поле, генерируемое
улучшенного качества и высокой четкости, а
трансформаторами этого устройства, может
также многоканальный объемный звук. К
вызвать помехи в громкоговорителях.
особенностям HDMI относятся пе
редача
цифрового видео без сжатия, полоса
пропускания до 2,2 гигабит в секунду (для
сигналов HDTV), один разъем (вместо
нескольких кабелей и разъемов) и
возможность связи между источником
сигнала и аудио/видеоустройствами, такими
как цифровой телевизор.
Даже если вы подключите компоненты
воспроизведения кабелем HDMI, звук не
Внимание
будет выходить из громкоговорителя,
• Перед выполнением или изменением схем
подключенного к этому ресиверу. Для это
го
подключения обязательно отсоедините
также необходимо подключение аудикабеля.
кабель питания от электророзетки.
HDMI, логотип HDMI и High-Definition
• Перед отсоединением кабеля питания
Multimedia Interface являются торговыми
переключите питание в режим ожидания.
марками или зарегистрированными
торговыми марками HDMI Licensing, LLC в
Кабели HDMI
США и других странах.
Кабели HDMI передают несжатое цифровое
1
видео.
Аналоговые аудиокабели
Для подключения аналоговых
аудиокомпонентов используйте
стереофонические аудиокабели RCA. Эти
кабели имеют стандартную красную и белую
маркировку, и необходимо подключить
красные штекеры к разъемам R (правый), а
Будьте внимательны и соблюдайте
белые – к разъемам L (левый).
правильность направления при подключении
разъема.
О HDMI
HDMI (High Definition Multimedia Interface –
интерфейс мультимедиа с высоким
разрешением) разработан с целью объединения
в одной спецификации технологий HDCP (High
Bandwidth Digital Content Protection – защита
широкополосного цифрового содержимого) и
Примечание
VSX-420_SYXCN_Ru.book 15 ページ 2010年3月19日 金曜日 午前9時16分
Кабель HDMI
1 Если на телевизоре не появляется видеосигнал, попробуйте отрегулировать настройки разрешения используемого
компонента или дисплея. Учтите, что некоторые компоненты (например, игровые видеоприставки) имеют
разрешение, отображение которого невозможно. В этом случае используйте (аналоговое) композитное
подключение.

Цифровые аудиокабели
Для подключения к данному ресиверу
Подключение видеовыходов
цифровых компонентов следует использовать
Данный ресивер не оборудован
имеющиеся в продаже коаксиальные цифровые
видеопреобразователем. Если для
1
аудиокабели или оптические кабели.
подключения к входному устройству
Это подключение требуется для
используются видеокабели или кабели HDMI,
прослушивания многоканального цифрового
такие же кабели должны использоваться для
звучания с этим ресивером.
подключения к телевизору.
Сигналы, поступающие с аналоговых
(композитных и компонентных) видеовходов
устройства, не будут передаваться с HDMI
OUT.
Видеокабели
Стандартные видеокабели RCA
Эти кабели являются наиболее
распространенным типом видеокабелей и
используются для подключения к разъемам
композитного видео. Штекеры с желтой
маркировкой отличают их от аудиокабелей.
Кабели компонентного видео
Наивысшее качество воспроизведения цвета от
источника видеосигнала обеспечивают кабели
компонентного видео. По этим кабелям
передается телевизионный цветовой сигнал,
разделенный на сигнал яркости (Y) и сигналы
цветности (P
B и PR). Таким образом
устраняются взаимные помехи между
сигналами.
16
Ru
Примечание
1• Аккуратно выполняйте подключение оптического кабеля, старайтесь не повредить защитную шторку оптического
разъема.
• Обеспечьте для оптического кабеля свободно свисающую петлю. Можно повредить кабель об острые углы.
• Для коаксиального цифрового подключения также можно использовать стандартный видеокабель RCA.
P
R
P
B
Y
HDMI IN
COMPONENT VIDEO IN
VIDEO IN
P
R
P
B
Y
HDMI OUT
COMPONENT VIDEO MONITOR OUT
MONITOR OUT
Компонент
воспроизведения
Терминал для подключения с исходным устройством
Терминал для подключения с телевизионным монитором
Телевизор
Возможность вывода видеосигналов.
VSX-420_SYXCN_Ru.book 16 ページ 2010年3月19日 金曜日 午前9時16分

17
Ru
English
Français
Italiano
Deutsch
Nederlands
Español
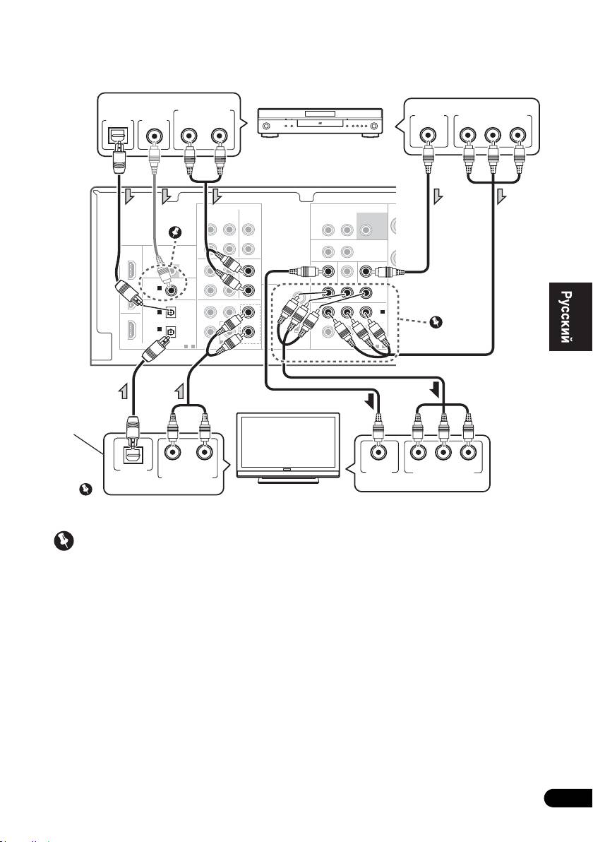
Подключение телевизора и проигрывателя Blu-ray дисков
Подключите телевизор и проигрыватель Blu-ray дисков к данному ресиверу с помощью
имеющегося в продаже кабеля HDMI.
AUDIO
AUDIO
HDMI
L
COAXIAL
IN 1
ANTENNA
R
(CD)
FM
UNBAL
CENTERSURROUND
FRONT
75
Ω
IN 2
L
(DVD/SA
AM
IN 1
R
LOOP
IN 1
(BD/TV)
DIGITAL
1
-
2
BD/TV MULTI CH IN
COMPONENT VIDEO
Внимание
1 Даже если вы подключите компоненты
воспроизведения кабелем HDMI, звук не будет
выходить из громкоговорителя,
подключенного к этому ресиверу. Для этого
также необходимо подключение аудикабеля.
2 Если подключение было выполнено с
помощью коаксиального кабеля, несколько раз
нажмите кнопку SIGNAL S
EL для выбора C1
(см. стр. 26).
3 Если вы подключили телевизор (как
показано выше), но отсутствует звук, нажмите
кнопку DVD, а затем несколько раз нажмите
кнопку SIGNAL SEL для выбора O2 или A (см.
стр.26).
T
IR
OUT
ASSIGNABLE
MONIT
OUT
OPTICAL
IN 2
ASSIGNABLE
ASSIGNABLE
1
-
2
O
3
HDMI IN
DIGITAL AUDIO OUT
ANALOG AUDIO OUT
OPTICAL
RL
ZONE2 OUT
SUBWOOFER
OUT
CD-R/TAPE CD
IN IN
L R
PRE OUT
L
2
OUT
DVR/VCR VIDEO
IN
1
HDMI
R
BD/TV
IN
DVR/VCR
IN
DVD/SAT
IN
IN
L
DVD/SAT
MONITOR OUT DVD/SAT IN
MONITOR OUT BD/TV IN
IN
P
R
B
YP
R
IN 2
L
OUT
OUT
(DVD/SAT)
IN 1
(BD/TV)
R
SUBWOOFER
BD/TV IN
OPTICAL
COAXIAL
RL
DIGITAL AUDIO OUT
ANALOG AUDIO OUT
HDMI OUT
Выберите один
Данное подключение
требуется для
прослушивания звучания
телевизора через ресивер.
Телевизор, совместимый с HDMI/DVI
Без этого подключения вы
НЕ сможете прослушивать
проигрыватель с этим
ресивером.
Совместимый с HDMI/DVI
Выберите один
проигрыватель дисков Blu-ray
VSX-420_SYXCN_Ru.book 17 ページ 2010年3月19日 金曜日 午前9時16分

Подключение телевизора и проигрывателя DVD
Подключение с помощью HDMI
При наличии проигрывателя DVD с интерфейсом HDMI или DVI (с HDCP), его можно подключить
к данному ресиверу с помощью имеющегося в продаже кабеля HDMI.
Внимание
1 Даже если вы подключите компоненты
3 Если вы подключили телевизор (как
воспроизведения кабелем HDMI, звук не будет
показано выше), но отсутствует звук, нажмите
выходить из громкоговорителя,
кнопку BD, а затем несколько раз нажмите
подключенного к этому ресиверу. Для этого
кнопку SIGNAL SEL для выбора O1 или A (см.
также необходимо подключение аудикабеля.
стр.26).
2 Если подключение было выполнено с
помощью коаксиального ка
беля, несколько раз
нажмите кнопку SIGNAL SEL для выбора C1
(см. стр.26).
18
Ru
AUDIO
AUDIO
ZONE2 OUT
SUBWOOFER
OUT
CD-R/TAPE CD
IN IN
L R
PRE OUT
L
OUT
DVR/VCR VIDEO
IN
HDMI
R
BD/TV
IN
IR
OUT
DVR/VCR
IN
IN
L
DVD/SAT
COAXIAL
ASSIGNABLE
MONITOR OUT DVD/SAT IN
IN
IN 1
ANTENNA
P
R
B
YP
R
MONITO
(CD)
FM
OUT
UNBAL
OPTICAL
CENTERSURROUND
FRONT
75
Ω
IN 2
L
IN 2
OUT
(DVD/SAT
AM
IN 1
R
LOOP
IN 1
(BD/TV)
ASSIGNABLE
SUBWOOFER
ASSIGNABLE
DIGITAL
1
-
2
BD/TV MULTI CH IN
COMPONENT VIDEO
1
-
2
HDMI OUT
DIGITAL AUDIO OUT
ANALOG AUDIO OUT
COAXIAL
OPTICAL
RL
2
HDMI
DVD/SAT
IN
L
1
MONITOR OUT BD/TV IN
R
IN 2
L
OUT
(DVD/SAT)
IN 1
(BD/TV)
R
BD/TV IN
3
RL
OPTICAL
HDMI IN
DIGITAL AUDIO OUT
ANALOG AUDIO OUT
Выберите один
Без этого подключения вы
НЕ сможете прослушивать
проигрыватель с этим
Совместимый с HDMI/DVI
ресивером.
проигрыватель DVD
Данное подключение
требуется для
Выберите один
прослушивания звучания
Телевизор, совместимый
телевизора через ресивер.
с HDMI/DVI
VSX-420_SYXCN_Ru.book 18 ページ 2010年3月19日 金曜日 午前9時16分

19
Ru
English
Français
Italiano
Deutsch
Nederlands
Español
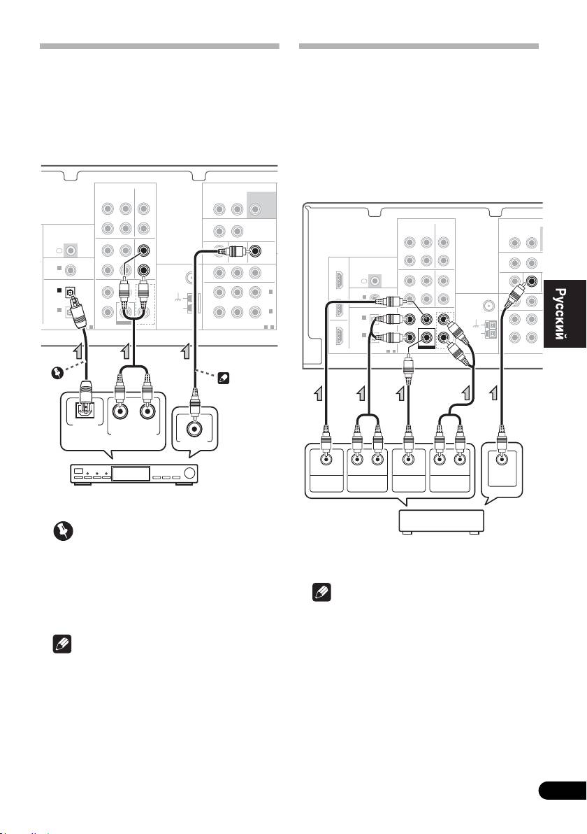
Подключение компонента без разъема HDMI
На данном рисунке показаны подключения телевизора и проигрывателя DVD (или другого
компонента воспроизведения) без разъема HDMI к ресиверу.
DIGITAL AUDIO OUT
ANALOG AUDIO OUT
VIDEO OUT
COMPONENT VIDEO OUT
OPTICAL
COAXIAL
RL
P
R
B
YP
AUDIO
AUDIO
ZONE2 OUT
SUBWOOFER
OUT
CD-R/TAPE CD
IN IN
L R
PRE OUT
L
3
OUT
DVR/VCR VIDEO
IN
HDMI
R
BD/TV
IN
IR
OUT
DVR/VCR DVD/ SAT
IN
IN
IN
L
DVD/SAT
COAXIAL
ASSIGNABLE
MONITOR OUT BD/TV IN DVD/SAT IN
IN
IN 1
ANTENNA
P
P
R
R
B
B
YP
YP
R
MONITOR
(CD)
FM
OUT
OUT
UNBAL
OPTICAL
CENTERSURROUND
FRONT
75
Ω
IN 2
L
IN 2
OUT
(DVD/SAT)
(DVD/SAT)
AM
1,2
IN 1
(BD/TV)
R
LOOP
IN 1
IN 1
(BD/TV)
ASSIGNABLE
SUBWOOFER
BD/TV IN
ASSIGNABLE
ASSIGNABLE
DIGITAL
1
-
2
BD/TV MULTI CH IN
COMPONENT VIDEO
COMPONENT VIDEO
1
1
-
-
2
2
RL
P
R
B
YP
OPTICAL
VIDEO IN
COMPONENT VIDEO IN
DIGITAL AUDIO OUT
ANALOG AUDIO OUT
4
Внимание
1 Если для подключения проигрывателя
3 Если подключение было выполнено с
DVD используются кабели компонентного
помощью коаксиального кабеля, несколько
видео, такие же кабели должны использоваться
раз нажмите кнопку SIGNAL SEL для выбора
для подключения к телевизору.
C1 (см. стр. 26).
2 Если необходимо, назначьте входы
4 Если вы подключили телевизор (как
компонентного видео для подключенного
показано выше), но отсутствует звук, нажмите
источника сигнала.
кн
опку BD, а затем несколько раз нажмите
Это необходимо сделать, только если
кнопку SIGNAL SEL для выбора O1 или A
подключение выполн
ено не в соответствии со
(см. стр. 26).
следующими параметрами по умолчанию:
• COMPONENT VIDEO IN 1 – BD/TV
• COMPONENT VIDEO IN 2 – DVD/SAT
См. Меню назначения входов на стр. 35.
Выберите один
Выберите один
Проигрыватель DVD, и др.
Данное
подключение
требуется для
прослушивания
звучания телевизора
через ресивер.
Выберите один
Выберите один
Телевизор
VSX-420_SYXCN_Ru.book 19 ページ 2010年3月19日 金曜日 午前9時16分

Подключение HDD/DVD рекордера, видеомагнитофона и других
видеокомпонентов
Данный ресивер имеет аудио и видео входы и выходы, пригодные для подключения аналоговых
или цифровых видео рекордеров, включая HDD/DVD-рекордеры и видеомагнитофоны.
• Только сигналы, которые подводятся к разъему VIDEO IN, могут выводиться с разъема VIDEO
OUT.
• Аудиосигналы, которые подводятся через цифровой терминал, будут выводиться с
аналогового терминала.
Внимание
Примечание
• Если подключение было выполнено с
• Если видеокомпоненты и телевизор также
помощью опт
ического кабеля, несколько
имеют выход HDMI или разъемы
раз нажмите кнопку SIGNAL SEL для
компонентного видео, их тоже можно
выбора O2 (см. стр. 26).
подключить. Подробнее см. раздел
Подключение с помощью HDMI на стр.18
или Подключение компонента без разъема
HDMI на стр. 19.
20
Ru
OPTICAL
RL
PLAY
DIGITAL
RL
REC
AUDIO OUT
ANALOG AUDIO OUT
ANALOG AUDIO IN
VIDEO IN
VIDEO OUT
AUDIO
AUDIO
ZONE2 OUT
SUBWOOFER
OUT
CD-R/TAPE CD
IN IN
L R
PRE OUT
L
OUT
OUT
DVR/VCR VIDEO
DVR/VCR VIDEO
IN
IN
HDMI
R
BD/TV
IN
IR
OUT
OUT
DVR/VCR
DVR/VCR
IN
IN
DVD/SAT
IN
IN
L
L
DVD/SAT
COAXIAL
COAXIAL
ASSIGNABLE
MONITOR OUT BD/DVD IN DVD/SAT IN
IN
IN 1
IN 1
ANTENNA
P
R
B
YP
R
R
MONITOR
(CD)
(CD)
OUT
OPTICAL
OPTICAL
CENTERSURROUND
FRONT
IN 2
IN 2
L
IN 2
OUT
(DVD/SAT)
(DVD/SAT)
AM
IN 1
(BD/TV)
R
LOOP
IN 1
(BD/TV)
ASSIGNABLE
SUBWOOFER
BD/TV IN
ASSIGNABLE
DIGITAL
DIGITAL
1
-
2
BD/TVD MULTI CH IN
COMPONENT VIDEO
1
-
2
Выберите один
DVR, VCR, проигрыватель LD, и т.д.
VSX-420_SYXCN_Ru.book 20 ページ 2010年3月19日 金曜日 午前9時16分

21
Ru
English
Français
Italiano
Deutsch
Nederlands
Español
Подключение спутникового
Подключение многоканальных
ресивера или другой цифровой
аналоговых выходов
Для воспроизведения стандартов BD/DVD
приставки
Audio и SACD используемый проигрыватель
Спутниковые и кабельные ресиверы, а также
DVD может иметь 5.1-канальные аналоговые
цифровые радио ресиверы являются
выходы. В этом случае многоканальные
примерами так называемых «приставок».
аналоговые выходы можно подключить к
многоканальным аналоговым входам ресивера,
AUDIO
AUDIO
как показано ниже.
Внимание
• Если вы подключили приставку (как
показано выше), но отсутствует звук,
нажмите кнопку DVD, а затем несколько
раз нажмите кнопку SIGNAL SEL для
Примечание
выбора O2 или A (см. стр. 26).
• Многоканальный вход можно
использовать, только если выбран режим
MULTI IN (см. стр. 26).
Примечание
• Можно назначить вход COMPONENT
• Если приставка и телевизор также имеют
VIDEO IN 1 или IN 2 устройства
выход HDMI ил
и разъемы компонентного
многоканальному входу (Подробнее см.
видео, их тоже можно подключить.
раздел Меню назначения входов на стр. 35).
Подробнее см. раздел Подключение с
помощью HDMI на стр.18 или
Подключение компонента без разъема
HDMI на стр. 19.
G
ZONE2 OUT
SUBWOOFER
OUT
CD-R/TAPE CD
IN IN
L R
PRE OUT
L
OUT
DVR/VCR VIDEO
IN
R
IR
OUT
DVR/VCR
IN
IN
L
COAXIAL
ASSIGNABLE
MONITOR OUT BD/TV IN
IN 1
ANTENNA
P
R
B
YP
R
MONITOR
(CD)
FM
OUT
UNBAL
OPTICAL
CENTERSURROUND
FRONT
75
Ω
IN 2
L
IN 2
(DVD/SAT)
(DVD/SAT)
AM
IN 1
(BD/TV)
R
LOOP
IN 1
(BD/TV)
ASSIGNABLE
SUBWOOFER
BD/TV IN
ASSIGNABLE
ITAL
1
-
2
BD/TV MULTI CH IN
COMPONENT VIDEO
1
-
2
T
DVD/SAT
IN
L
DVD/SAT IN
R
IN 2
OPTICAL
RL
DIGITAL AUDIO OUT
ANALOG AUDIO OUT
VIDEO OUT
Выберите один
Приставка
AUDIO
AUDIO
HDMI
IR
OUT
L
COAXIAL
ASSIGNABLE
IN 1
ANTENNA
R
(CD)
FM
UNBAL
OPTICAL
CENTERSURROUND
FRONT
75
Ω
IN 2
L
(DVD/SAT)
AM
IN 1
LOOP
(BD/TV)
R
ASSIGNABLE
BD/TV IN
DIGITAL
1
-
2
COMPONENT VIDEO
Y
ZONE2 OUT
IN
MONITOR OUT
P
R
P
B
S
OUT
CD-R/TAPE CD
IN IN
L R
L
OUT
DVR/VCR
IN
R
BD/TV
IN
DVR/VCR
DVD/SAT
IN
IN
DVD/SAT
BD/TV IN
IN
CENTERSURROUND
FRONT
L
OUT
R
SUBWOOFER
SUBWOOFER
BD/TV MULTI CH IN
RLRL
VIDEO
CENTER
SURROUND
SUBWOOFER
FRONT
OUTPUT
OUTPUT
OUTPUT
OUTPUT
OUTPUT
Проигрыватель дисков Blu-ray или DVD с
многоканальными аналоговыми выходами
VSX-420_SYXCN_Ru.book 21 ページ 2010年3月19日 金曜日 午前9時16分

Примечание
Подключение других
• Учтите, что необходимо подключить
аудиокомпонентов
цифровые компоненты к гнездам
Количество и тип соединений зависит от типа
аналогового аудио, если требуется
подключаемого компонента.
Для подключения
выполнить запись с цифровых
проигрывателей CD-R, MD, DAT, кассетного
компонентов (например, минидиска) на
магнитофона или других аудиокомпонентов
аналоговые компоненты или наоборот.
выполняйте действия, описанные ниже.
Подключение к мини-гнезду
аудио на передней панели
Доступ к передним разъемам аудио
осуществляется с передней панели с помощью
кнопки INPUT SELECTOR или PORTABLE
на пульте дистанционного управления.
Используйте кабель с миниатюрным стерео
разъемом для подключения цифрового
аудиопроигрывателя и т.д.
Внимание
• Если подключение было выполнено с
помощью оптического или коаксиального
кабеля, вам нужно будет нажать кнопку
SIGNAL SEL
для выбора входного сигнала,
соответствующего аудиокомпонентам (см.
Выбор входного сигнала на стр.26).
22
Ru
AUDIO
OUT
CD-R/TAPE CD
IN IN
L
HDMI
R
BD/TV
IN
IR
OUT
DVR/VCR
IN
DVD/SAT
IN
IN
L
DVD/SAT
COAXIAL
ASSIGNABLE
MO
IN
IN 1
ANTENNA
R
(CD)
OPTICAL
CENTERSURROUND
FRONT
IN 2
L
OUT
(DVD/SAT)
AM
IN 1
R
LOOP
ASSIGNABLE
SUBWOOFER
BD/TV IN
DIGITAL
1
-
2
BD/TV MULTI CH IN
C
AUDIO
OUT
CD-R/TAPE
IN
L
R
COAXIAL
IN 1
(CD)
OPTICAL
IN 1
(BD/TV)
DIGITAL
OPTICAL
COAXIAL
RL
PLAY
RL
REC
DIGITAL AUDIO OUT
ANALOG AUDIO OUT
ANALOG AUDIO IN
Выберите один
CD-R, MD, DAT, кассетный магнитофон, и т.д.
PRESET
+
ENTER
ZONE
MASTER
ON/OFF
SPEAKERS
VOLUME
PORTABLE
AUDIO OUT
Цифровой аудиопроигрыватель и т.д.
VSX-420_SYXCN_Ru.book 22 ページ 2010年3月19日 金曜日 午前9時16分

23
Ru
English
Français
Italiano
Deutsch
Nederlands
Español
Использование внешних антенн
Подключение антенн
Улучшение качества приема FM
Подключите рамочную антенну АМ и
Для подключения внешней FM-антенны
проволочную антенну FM, как показано ниже.
используйте PAL-соединитель (приобретается
Для улучшения приема и качества звука
отдельно).
подключите внешние антенны (см.
Использование внешних антенн ниже).
Улучшение качества приема AM
Подсоедините провод в виниловой изоляции
длиной от 5 м дo 6 м к гнезду AM антенны, не
отсоединяя прилагаемую рамочную антенну
AM.
Для наилучшего качества приема подвесьте ее
горизонтально на улице.
1 Откройте защитные выступы,
вставьте по одному проводу в каждый
разъем до конца, затем отпустите
выступы для фиксации проводов
антенны AM.
2 Прикрепите рамочную антенну AM к
специальной стойке.
Чтобы прикрепить антенну к стойке, отогните
стойку в направлении стрелки (рис. а), затем
закрепите рамочную антенну на стойке с
помощью зажима (рис. б).
3 Установите антенну AM на плоскую
поверхность в направлении наилучшего
приема.
4 Подключите проволочную антенну FM
к разъему антенны FM.
Чтобы улучшить прием, полностью вытяните
проволочную антенну FM и прикрепите ее к
стене или дверной раме. Не допускайте, чтобы
антенна свешивалась или спутывалась.
рис. а рис. б
2
ANTENNA
4
AM
LOOP
3
1
ANTENNA
FM
UNBAL
75
Ω
AM
LOOP
Одноконтактный
разьем PAL
Коаксиальный кабель с
сопротивлением 75 Ω
ANTENNA
AM
LOOP
Наружная
антенна
Комнатная антенна
от 5 м до 6 м
(с виниловой
изоляцией)
VSX-420_SYXCN_Ru.book 23 ページ 2010年3月19日 金曜日 午前9時16分

Если кабель питания поврежден,
обратитесь за сменным кабелем в
Подключение ИК-приемника
ближайший уполномоченный независимый
Если стереоустройства установлены в
сервис-центр Pioneer.
закрытом шкафу или тумбе, или если вы хотите
• Используйте только кабель питания,
использовать пульт ДУ подзоны в другой зоне,
входящий в комплект поставки данного
для управления системой можно использовать
устройства.
дополнительный ИК-приемник (например,
блок Niles или Xantech), а не датчик на
• Используйте прилагаемый кабель питания
1
передней панели ресивера.
только по его прямому назначению, как
описано ниже.
• Подключите датчик ИК-ресивера к
• Когда ресивер не используется (например,
гнезду
IR IN
на задней панели этого
во вр
емя отпуска), его следует отключать
ресивера.
от питания, вынув вилку из розетки
Подробные инструкции по подключению ИК-
электросети.
приемника см. в инструкциях по установке ИК-
приемника.
1 Вставьте разъем кабеля питания,
входящего в комплект поставки, в гнездо
AC IN
на задней панели ресивера.
Подключение ресивера к
2 Вилку кабеля питания вставьте в
электророзетке
розетку электросети.
Включайте вилку в сеть только после
подключения к ресиверу всех устройств
(включая громкоговорители).
ОСТОРОЖНО
• Держите кабель питания за вилку.
Вынимая вилку из электророзетки, никогда
не тяните за сам кабель, никогда не
дотрагивайтесь до кабеля питания
влажными руками, так как это может стать
причиной короткого замыкания и
поражения электрическим током. Не
став
ьте на кабель питания устройство,
мебель или другие предметы и не
зажимайте его каким-либо иным образом.
Запрещается завязывать узлы на кабеле
питания или связывать его с другими
кабелями. Кабели питания следует
прокладывать в таких местах, где
возможность наступить на них будет
маловероятной. Поврежденный кабель
питания может стать причиной возгорания
или п
оражения электрическим током.
Периодически проверяйте кабель питания.
24
Ru
Примечание
VSX-420_SYXCN_Ru.book 24 ページ 2010年3月19日 金曜日 午前9時16分
1• Дистанционное управление может не действовать, если на окошко датчика ИК-приемника падает прямой свет
мощной флуоресцентной лампы.
• Обратите внимание, что другие производители могут не использовать терминологию, связанную с ИК-
технологиями. Просмотрите информацию об ИК-совместимости вашего устройства в прилагаемой к нему
документации.
Table of contents
- Contents
- Flow of settings on the receiver
- Before you start
- Controls and displays
- Connecting your equipment
- Listening to your system
- The System Setup menu
- Using the MULTI-ZONE feature
- Using the tuner
- Making recordings
- Additional information
- Table des matières
- Organigramme des réglages sur le récepteur
- Avant de commencer
- Commandes et affichages
- Raccordement de votre équipement
- Les modes d’écoute de votre système
- Menu de configuration du système
- Utilisation de la fonction MULTI-ZONE
- Utilisation du tuner
- Enregistrement
- Informations complémentaires
- Содержание
- Порядок выполнения настроек на ресивере
- Перед началом работы
- Органы управления и индикаторы
- Подключение оборудования
- Прослушивание системы
- Меню System Setup (Настройка системы)
- Использование функции MULTI- ZONE
- Использование тюнера
- Выполнение записи на внешний источник
- Дополнительная информация






