Pioneer MVH-8200: Conexión de las unidades
Conexión de las unidades: Pioneer MVH-8200

Conexión de las unidades
• La señal de control se emite a través del cable
Nota
azul/blanco cuando se enciende esta unidad.
Conéctelo a un terminal de control de sistema de
• No se puede instalar esta unidad en un vehículo
amplificador de potencia externo o al terminal de
sin una posición ACC (accesorio) en el interruptor
control de relé de antena automática del vehículo
de encendido.
(máx. 300 mA, 12 V CC). Si el vehículo está
equipado con una antena de vidrio, conéctelo al
terminal de suministro de potencia de refuerzo de
C
A
C
O
O
la antena.
F
N
F
N
F
F
O
O
• No conecte nunca el cable azul/blanco al terminal
S
S
T
T
de alimentación de un amplificador de potencia
A
A
R
R
T
T
externo. Igualmente, no conéctelo nunca al
terminal de alimentación de la antena automática.
De lo contrario, puede ocurrir la descarga de la
batería o un fallo de funcionamiento.
Posición ACC
Sin posición ACC
• El cable negro es para la puesta a tierra. Se debe
conectar este cable y el cable de puesta a tierra
• El uso de esta unidad en condiciones diferentes
de otro producto (especialmente de productos de
de las siguientes podría causar un fuego o fallo de
alta corriente como un amplificador de potencia)
funcionamiento.
separadamente. De lo contrario, puede ocurrir un
— Vehículos con una batería de 12 voltios y
fuego o fallo de funcionamiento si los cables se
puesta a tierra negativa.
sueltan accidentalmente.
— Altavoz con 50 W (valor de salida) y de 4 a 8
ohmios (valor de impedancia).
• Para prevenir cortocircuitos, sobrecalentamiento
Español
o fallo de funcionamiento, asegúrese de seguir las
instrucciones a continuación.
— Desenchufe el terminal negativo de la batería
antes de la instalación.
— Fije el cableado con abrazaderas de cable o
con cinta adhesiva. Para proteger el cableado,
envuélvalo con cinta adhesiva donde el
cableado se apoya sobre piezas metálicas.
— Posicione todos los cables alejados de las
piezas móviles, como el cambio de marchas y
rieles de los asientos.
— Posicione todos los cables alejados de
lugares calientes como cerca de la salida del
calentador.
— No pase el cable amarillo a través de un
agujero en el compartimiento del motor para
conectar la batería.
— Cubra cualquier conector de cable
desconectado con cinta de aislamiento.
— No acorte ningún cable.
— No corte nunca el aislamiento del cable de
alimentación de esta unidad para compartir
la energía con otro equipo. La capacidad de
corriente del cable es limitada.
— Utilice un fusible con la capacidad
especificada.
— No conecte nunca el cable negativo de altavoz
directamente a la puesta a tierra.
— No junte nunca múltiples cables negativos de
altavoz.
3

Conexión de las unidades
Conexión del cable de alimentación
Este producto
Nota:
Entrada para antena
Fusible (10 A)
Dependiendo del tipo de vehículo
, la
función de 2* y 4* puede ser diferente. En
este caso
, asegúrese de conectar 1* a 4*
y 3* a 2*.
2*
1*
4*
3*
Conecte los hilos del mismo
color a cada otro.
Amarillo (2*)
Amarillo (1*)
R
eserva
Conecte el terminal de
(o accesorio)
suministro de 12 V constante.
Resistencia
Rojo (4*)
Rojo (3*)
de fusible
Accesorio
Conecte al terminal controlado por del
(o reserva)
interruptor de encendido (12 V CC).
Anaranjado/blanco
Resistencia
Conecte al terminal de interruptor de iluminación.
de fusible
Negro (masa de la carrocería)
Conecte a un punto de metal limpio, libre de pintura.
Conector ISO
Hilos de altavoz
Nota:
Blanco: Izquierda delantera
En algunos vehículos, puede que el conector
Blanco/negro: Izquierda delantera
ISO esté dividido en dos. En este caso
,
Gris: Derecha delantera
asegúrese de conectar a ambos conectores.
Gris/negro: Derecha delantera
Verde: Izquierda trasera o altavoz de subgraves
Verde/negro: Izquierda trasera o altavoz de subgraves
Violeta: Derecha trasera o altavoz de subgraves
Violeta/negro: Derecha trasera o altavoz de subgraves
4

Conexión de las unidades
Entrada de micrófono
(solamente MVH-8200BT)
4 m
Micrófono
(solamente MVH-8200BT)
Entrada remota cableada
Se puede conectar el adaptador
de control remoto cableado
(vendido separadamente)
Amarillo/negro
Si se utiliza un equipo con función de silenciamiento, conecte
este conductor con el conductor de silenciamiento de audio
en tal parte del equipo
. De lo contrario, mantenga el conductor
de silenciamiento de audio libre de conexiones.
Método de conexión
Español
1. Apriete el cable.
2. Apriete firmemente
con alicates de
punta de aguja.
Nota:
· La posición del freno de estacionamiento depende del modelo del vehículo. Para conocer
detalles, consulte el manual del propietario del vehículo o a su concesionario.
Verde claro
Se utiliza para detectar el estado ON/OFF del freno de mano
. Este
cable debe conectarse al lado de alimentación del interruptor del
freno de mano
.
Azul/blanco
Interruptor del
Conecte al terminal de control de sistema del
Lado de alimentación
freno de mano
amplificador de potencia (máx. 300 mA 12 V CC).
Lado de masa
Azul/blanco (6*)
Azul/blanco (5*)
Conecte al terminal de control de relé de antena
automática (máx. 300 mA 12 V CC).
La posición de los contactos del
conector ISO difiere
dependiendo del tipo del
Notas:
vehículo
. Conecte 5* y 6*
·
Cambie el ajuste inicial de esta unidad (refiérase al manual de operación).
cuando el contacto 5 es del tipo
La salida de altavoz de subgraves de esta unidad es monofónica.
de control de antena. En otros
· Cuando utilice un altavoz de subgraves de 70 W (2 Ω), asegúrese de
tipos de vehículo
, no conecte
conectarlo con los hilos Violeta y Violeta/negro de esta unidad. No
nunca 5* y 6*.
conecte nada con los hilos Verde y Verde/negro.
5

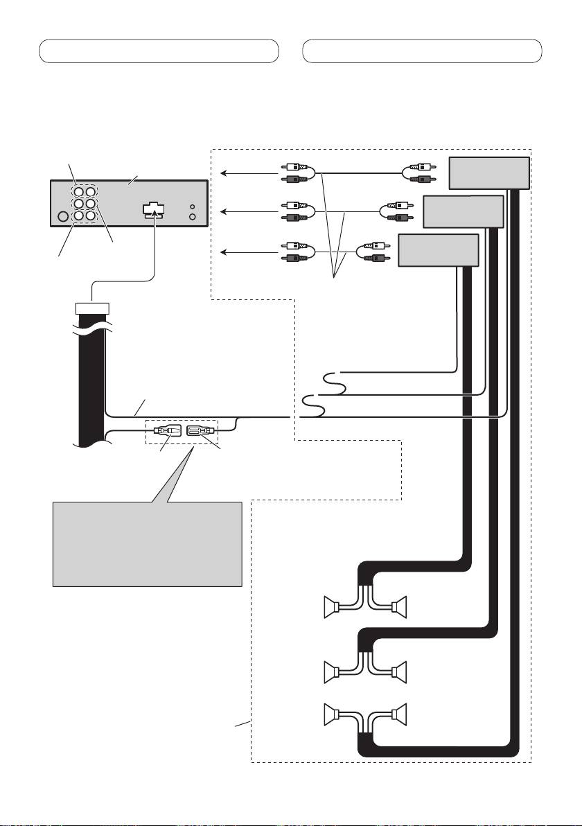
Conexión de las unidades
Cuando conecte a un amplificador de potencia vendido
separadamente
Salida trasera
Amplificador de
Este producto
potencia (vendido
separadamente)
A la salida
trasera
Amplificador de
potencia (vendido
separadamente)
A la salida
delantera
Amplificador de
Salida delantera
potencia (vendido
Salida de altavoz
separadamente)
A salida de
de subgraves
altavoz de
Conecte los cables RCA
subgraves
(vendidos separadamente)
Azul/blanco
Conecte al terminal de
control de sistema del
amplificador de potencia
(máx. 300 mA 12 V CC).
Control remoto de sistema
Azul/blanco (6*)
Azul/blanco (5*)
Conecte al terminal de control
de relé de antena automática
(máx. 300 mA 12 V CC).
La posición de los contactos del conector
ISO difiere dependiendo del tipo del
Izquierda Derecha
vehículo. Conecte 5* y 6* cuando el
contacto 5 es del tipo de control de
antena. En otros tipos de vehículo, no
conecte nunca 5* y 6*.
Altavoz de
Altavoz de
subgraves
subgraves
Altavoz
Altavoz
delantero
delantero
Altavoz
Altavoz
trasero
trasero
Realice estas conexiones cuando
utilice el amplificador opcional.
6
Table of contents
- Contents Connecting the units
- Connecting the units
- Installation
- Table des matières Raccordements des appareils
- Raccordements des appareils
- Raccordements des appareils
- Raccordements des appareils
- Installation
- Indice Collegamento delle unità
- Collegamento delle unità
- Installazione
- Contenido Conexión de las unidades
- Conexión de las unidades
- Instalación
- Inhalt Anschließen der Einheiten
- Anschließen der Einheiten
- Einbau
- Inhoud Aansluiten van de apparatuur
- Aansluiten van de apparatuur
- Installatie
- Содержание Подключение устройств
- Подключение устройств
- Установка






