Pioneer MVH-8200: Aansluiten van de apparatuur
Aansluiten van de apparatuur: Pioneer MVH-8200

Aansluiten van de apparatuur
• Via de blauw/witte draad wordt een stuursignaal
Opmerking
geproduceerd wanneer dit toestel is ingeschakeld.
Verbind deze met de systeemafstandsbediening
• Dit toestel kan niet worden geïnstalleerd in een
van een externe eindversterker, of met de
voertuig zonder ACC (Accessoire) stand op het
stuuraansluiting voor het relais van de antenne
contactslot
van het voertuig (max. 300 mA, 12 V gelijkstroom).
Als het voertuig een ruitantenne heeft, dient u
deze draad te verbinden met de stroomaansluiting
A
C
C
O
O
van de antennesignaalversterker (booster).
F
N
F
N
F
F
O
O
• Verbind de blauw/witte draad in geen geval met de
S
S
T
T
stroomaansluiting van een externe eindversterker.
A
A
R
R
T
T
Verbind deze draad ook in geen geval met de
stroomaansluiting zelf van de antenne van de
auto. Doet u dit toch, dan kan de accu leeglopen
of kunnen zich andere storingen voordoen.
ACC stand
Geen ACC stand
• De zwarte draad is de aarding. Deze draad en de
aardingen van andere apparatuur (in het bijzonder
• Gebruik van dit toestel onder andere dan de
producten met een hoog vermogen, zoals een
volgende omstandigheden kan leiden tot brand of
eindversterker), moeten onafhankelijk van elkaar
storingen.
worden aangesloten. Doet u dit niet, dan kan er
— Voertuigen met een negatief geaarde 12 V
brand ontstaan of kunnen zich storingen voordoen
accu.
wanneer de bedrading onbedoeld los raakt.
— Luidsprekers van 50 W (uitgangsvermogen) en
4 Ohm tot 8 Ohm (impedantie).
• Om kortsluiting, oververhitting of andere
storingen te voorkomen moet u de onderstaande
instructies opvolgen.
— Koppel de negatieve pool van de accu los voor
u begint met de installatie.
— Zet alle bedrading vast met kabelklemmen
of isolatieband. Ter bescherming van de
bedrading dient u deze te omwikkelen met
isolatieband waar de bedrading met metalen
onderdelen in aanraking komt.
— Houd alle bedrading uit de buurt
van bewegende onderdelen, zoals de
versnellingspook en de stoelenrails.
— Houd de bedrading uit de buurt van
zeer warme plekken, zoals bij een
verwarmingsrooster.
— Leid de gele draad niet door een gat naar het
motorcompartiment om aan te sluiten op de
Nederlands
accu.
— Plak eventuele losse aansluitingen,
draadeinden of stekkers netjes af met
isolatieband.
— Maak de kabels niet korter.
— Tap in geen geval de stroomkabel voor dit
toestel af om andere apparatuur van stroom
te voorzien. Het vermogen van de draad is
beperkt.
— Gebruik een zekering met het voorgeschreven
vermogen.
— Sluit de negatieve luidsprekerdraden in geen
geval direct op aarde aan.
— Bundel de negatieve luidsprekerdraden in
geen geval samen.
3

Aansluiten van de apparatuur
Aansluiten van het stroomsnoer
Dit product
Opmerking:
Antenne-ingang
Zekering (10 A)
Afhankelijk van het soort voertuig is het
mogelijk dat de functies van 2* en 4*
verschillen
. Let er in een dergelijk geval op
dat u 1* op 4* en 3* op 2* aansluit.
2*
1*
4*
3*
Sluit in het algemeen draden van
dezelfde kleur op elkaar aan.
Geel (2*)
Geel (1*)
Back-up
V
erbinden met de continue
(of accessoire)
12 V stroomaansluiting.
Zekering
Rood (4*)
Rood (3*)
Accessoire
Verbinden met een elektrische
aansluiting die aangestuurd wordt via
(of back-up)
het contactslot (12 V gelijkstroom).
Oranje/wit
Zekering
Verbinden met de aansluiting van de
verlichtingsschakelaar.
Zwart (chassis aarde)
Aansluiten op een schone, blank metalen plek.
ISO stekker
Luidsprekerdraden
Opmerking:
Wit: Links voor
In sommige voertuigen kan de ISO stekker in
Wit/zwart: Links voor
twee stukken gedeeld zijn
. Sluit in een dergelijk
Grijs: Rechts voor
geval beide stekkers aan
.
Grijs/zwart: Rechts voor
Groen: Links achter of subwoofer
Groen/zwarte: Links achter of subwoofer
Paars: Rechts achter of subwoofer
Paars/zwarte: Rechts achter of subwoofer
4

Aansluiten van de apparatuur
Microfoon ingangsaansluiting
(Alleen voor de MVH-8200BT)
4 m
Microfoon
(Alleen voor de MVH-8200BT)
Afstandsbediening met draad
Er kan een adapter voor een afstandsbediening met
draad worden aangesloten (los verkrijgbaar).
Geel/zwart
Als u apparatuur gebruikt met een functie om het geluid
tijdelijk uit te schakelen (Mute), dient u deze draad aan te
sluiten op de Audio Mute draad van die apparatuur
. Zoniet,
dan dient u de Audio Mute draad nergens op aan te sluiten
.
Aansluitmethode
1. Doe de draad in de klem.
2. Maak de
stekkerhelften met
een kabeltang dicht.
Opmerking:
· De plaats waar de handremschakelaar zich bevindt, hangt af van het automodel. Zie het
instructieboekje van de auto of vraag uw autodealer.
Licht groen
Via deze draad wordt de stand van de handrem
(aangetrokken/ontspannen) doorgegeven
. De draad moet
verbonden worden met de stroomaansluiting van de
handremschakelaar.
Blauw/wit
Handremscha-
Verbinden met de systeembedieningsaansluiting
Stroomdraad
kelaar
Nederlands
van de eindversterker (max. 300 mA 12 V
gelijkstroom).
Massadraad
Blauw/wit (6*)
Blauw/wit (5*)
Verbinden met de stuuraansluiting van het relais van de
antenne van het voertuig (max. 300 mA 12 V gelijkstroom).
De penposities van de ISO
stekker hangen mede af van het
Opmerkingen:
type voertuig. Sluit 5* en 6* aan
·
Verander de basisinstelling van dit toestel (zie bladzijde de
wanneer pen 5 de antenne
Gebruiksaanwijzing). De subwoofer weergave van dit toestel is in mono.
aanstuurt. In andere typen
· Bij gebruik van een subwoofer van 70 W (2 Ω), moet u erop letten dat
voertuigen hoeft u 5* en 6*
u de aansluiting verricht met de paarse en paars/zwarte draden van
helemaal niet aan te sluiten.
dit toestel. Sluit niets aan op de groene en groen/zwarte draden
.
5

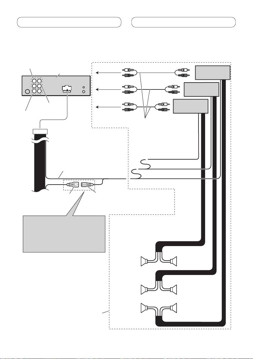
Aansluiten van de apparatuur
Bij aansluiting op een los verkrijgbare eindversterker
Achteruitgang
Eindversterker
Dit product
(los verkrijgbaar)
Naar
achteruitgang
Eindversterker
(los verkrijgbaar)
Naar
vooruitgang
Eindversterker
Vooruitgang
(los verkrijgbaar)
Subwoofer uitgang
Naar
subwoofer-uitgang
Aansluiten met RCA
(tulpstekker) kabels
(los verkrijgbaar)
Blauw/wit
Verbinden met de
systeembedieningsaansluiting
van de eindversterker (max.
300 mA 12 V gelijkstroom).
Systeemafstandsbediening
Blauw/wit (6*)
Blauw/wit (5*)
Verbinden met de stuuraansluiting van
het relais van de antenne van het voertuig
(max. 300 mA 12 V gelijkstroom).
De penposities van de ISO stekker hangen
mede af van het type voertuig. Sluit 5* en
Links Rechts
6* aan wanneer pen 5 de antenne
aanstuurt. In andere typen voertuigen
hoeft u 5* en 6* helemaal niet aan te
sluiten.
Subwoofer Subwoofer
Voor-
Voor-
luidspreker
luidspreker
Achter-
Achter-
luidspreker
luidspreker
Voer deze verbindingen uit
wanneer u de los verkrijgbare
versterker gebruikt.
6
Table of contents
- Contents Connecting the units
- Connecting the units
- Installation
- Table des matières Raccordements des appareils
- Raccordements des appareils
- Raccordements des appareils
- Raccordements des appareils
- Installation
- Indice Collegamento delle unità
- Collegamento delle unità
- Installazione
- Contenido Conexión de las unidades
- Conexión de las unidades
- Instalación
- Inhalt Anschließen der Einheiten
- Anschließen der Einheiten
- Einbau
- Inhoud Aansluiten van de apparatuur
- Aansluiten van de apparatuur
- Installatie
- Содержание Подключение устройств
- Подключение устройств
- Установка






