Pioneer MVH-8200: Collegamento delle unità
Collegamento delle unità: Pioneer MVH-8200

Collegamento delle unità
• Quando l’unità è accesa il segnale di controllo
Nota
è posto in uscita attraverso il cavo blu/bianco.
Collegatelo al telecomando di un amplificatore
• Questa unità non può essere installata nei veicoli
di potenza esterno o al terminale di controllo del
il cui blocco della chiave di accensione non è
relé dell’antenna automatica del veicolo (massimo
provvisto della posizione ACC (accessori).
300 mA e 12 V CC). Se il veicolo è provvisto di
un’antenna a vetro collegatela al terminale di
alimentazione del relativo booster.
A
C
C
O
O
• Non collegate il cavo blu/bianco al terminale
F
N
F
N
F
F
O
O
di alimentazione dell’amplificatore di potenza
S
S
T
T
esterno. Non collegatelo inoltre al terminale di
A
A
R
R
T
T
alimentazione dell’antenna. In caso contrario la
batteria si scaricherebbe oppure si potrebbero
verificare dei malfunzionamenti.
• Il cavo nero va usato solo per la messa a terra.
Posizione ACC
Assenza di posizione ACC
Questo cavo e il cavo di messa a terra di altri
apparecchi (in particolare quelli ad alta corrente
Italiano
• L’impiego dell’unità in condizioni diverse
quali gli amplificatori di potenza) devono essere
dalle seguenti potrebbe dar luogo a incendi o
collegati separatamente. In caso contrario,
malfunzionamenti:
qualora si scolleghino accidentalmente, si
— Veicoli provvisti di batteria da 12 V con messa
potrebbero verificare incendi o malfunzionamenti.
a terra sul negativo.
— Altoparlanti da 50 W (uscita) e da 4 ohm a 8
ohm (impedenza).
• Per impedire il verificarsi di cortocircuiti, di
surriscaldamento o di malfunzionamenti
raccomandiamo di osservare le seguenti
istruzioni.
— Prima di procedere con l’installazione
scollegate il terminale negativo della batteria.
— Bloccate i cavi con apposite fascette o con
del nastro adesivo. Per proteggere i cavi che
scorrono contro le parti metalliche del veicolo
avvolgeteli inoltre con del nastro adesivo.
— Allontanate tutti i cavi da qualsiasi parte in
movimento quali, ad esempio, la leva del
cambio e le guide dei sedili.
— Allontanate tutti i cavi da punti ad elevata
temperatura quali, ad esempio, gli effusori del
sistema di riscaldamento del veicolo.
— Per collegare il cavo giallo alla batteria non
fatelo passare per un foro ricavato nella
struttura di separazione dal vano del motore.
— Proteggete con del nastro adesivo tutti i
connettori non usati.
— Non accorciate alcun cavo di collegamento.
— Non tagliate la guaina d’isolamento del cavo
di alimentazione di questa unità in modo
da prelevare corrente per alimentare altri
apparecchi. La capacità di corrente di questo
cavo è infatti limitata.
— Usate solo un fusibile della capacità prescritta.
— Non collegate mai direttamente a terra il cavo
negativo degli altoparlanti.
— Non raggruppate fra loro il cavo negativo di
più altoparlanti.
3

Collegamento delle unità
Collegamento del cavo di alimentazione
Questo apparecchio
Ingresso antenna
Fusibile (10 A)
Nota:
A seconda del tipo di veicolo le funzione
di 2* e di 4* potrebbe differire. In tal caso
collegare 1* a 4* e 3* a 2*.
2*
1*
4*
3*
Collegare fra loro i cavi di
uguale colore.
Giallo (2*)
Giallo (1*)
R
etromarcia
Da collegare al terminale
(o per accessori)
costantemente alimentato a 12 V
.
Resistenza fusibile
Rosso (4*)
Rosso (3*)
Accessori
Da collegare al terminale controllato
(o retromarcia)
dalla chiavetta di accensione (12 V CC).
Arancione/bianco
Resistenza fusibile
Collegare al terminale dell’interruttore d’illuminazione.
Nero (messa a terra sulla carrozzeria)
Da collegare in un punto metallico pulito e non verniciato.
Connettore ISO
Cavi altoparlanti
Nota:
Bianco: Anteriore sinistro
In alcuni veicoli il connettore ISO potrebbe
Bianco/nero: Anteriore sinistro
essere separato in due. In tal caso è necessario
Grigio: Anteriore destro
collegare entrambi.
Grigio/nero: Anteriore destro
Verde: Posteriore sinistro o subwoofer
Verde/nero: Posteriore sinistro o subwoofer
Viola: Posteriore destro o subwoofer
Viola/nero: Posteriore destro o subwoofer
4

Collegamento delle unità
Ingresso microfono
(solo MVH-8200BT)
4 m
Microfono
(solo MVH-8200BT)
Ingresso per telecomando a filo
Qui si collega mediante cavo
l’adattatore per telecomando
(venduto a parte).
Italiano
Giallo/nero
In caso d’uso di un apparecchio provvisto della funzione di silenziamento,
questo cavo deve essere collegato al corrispondente cavo di silenziamento
audio dell’apparecchio stesso
. Qualora non si desideri eseguire questo
collegamento si raccomanda di mantenere questo cavo completamente libero.
Metodo di collegamento
1. Fissare il cavo.
2. Fissare saldamente
con pinze a punta.
Nota:
· La posizione dell’interruttore freno a mano dipende dal modello di veicolo. Per dettagli
consultare il manuale del veicolo o il concessionario.
Luce verde
Usato per individuare lo stato attivato (ON)/disattivato (OFF) del
freno a mano
. Questo cavo deve essere collegato al lato
alimentazione dell’interruttore freno a mano
.
Blu/bianco
Interruttore
Da collegare al terminale di controllo di sistema
Lato alimentazione
freno a mano
dell’amplificatore di potenza (massimo 300 mA
12 V CC).
Lato massa
Blu/bianco (6*)
Blu/bianco (5*)
Da collegare al terminale di controllo del relé
dell’antenna automatica (massimo 300 mA 12 V CC).
La posizione dei contatti del
connettore ISO può differire in
funzione del tipo di veicolo
.
Note:
Collegare 5* e 6* qualora il
· Cambiare l’impostazione iniziale di questa unità (far riferimento al manuale
contatto 5 sia del tipo per
d’istruzioni). L’uscita subwoofer di questa unità è di tipo mono.
controllo dell’antenna. In altri
· Se s’impiega un subwoofer da 70 W (2
Ω
) è necessario collegarlo con i cavi
tipi di veicolo 5* e 6* non devo
viola e viola/nero di questa unità. Nulla deve invece essere collegato con i
mai essere collegati.
cavi verde e verde/nero.
5

Collegamento delle unità
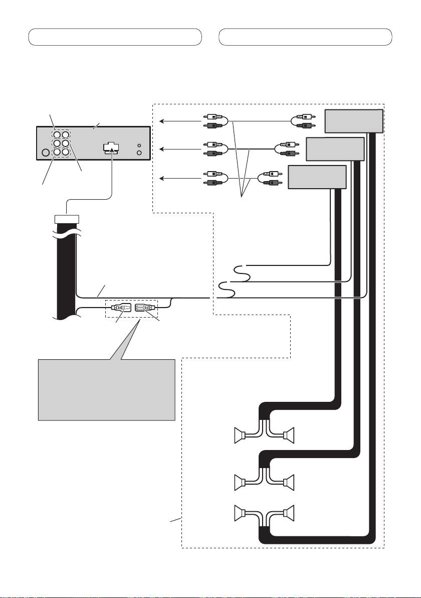
Collegamento ad un amplificatore venduto a parte
Uscita posteriore
Amplificatore di
Questo apparecchio
potenza (venduto
a parte)
All’uscita
posteriore
Amplificatore di
potenza (venduto
a parte)
All’uscita
anteriore
Amplificatore di
Uscita anteriore
potenza (venduto
a parte)
Uscita per subwoofer
All’uscita per
subwoofer
Da collegare ai cavi RCA
(venduti a parte)
Blu/bianco
Da collegare al terminale di
controllo di sistema
dell’amplificatore di potenza
(massimo 300 mA 12 V CC).
Telecomando del sistema
Blu/bianco (6*)
Blu/bianco (5*)
Da collegare al terminale di controllo
del relé dell’antenna automatica
(massimo 300 mA 12 V CC).
La posizione dei contatti del connettore
ISO può differire in funzione del tipo di
Sinistra Destra
veicolo. Collegare 5* e 6* qualora il
contatto 5 sia del tipo per controllo
dell’antenna. In altri tipi di veicolo 5* e 6*
non devo mai essere collegati.
Subwoofer Subwoofer
Diffusore
Diffusore
anteriore
anteriore
Diffusore
Diffusore
posteriore
posteriore
Questi collegamenti devono essere
eseguiti quando s’impiega
l’amplificatore opzionale.
6
Table of contents
- Contents Connecting the units
- Connecting the units
- Installation
- Table des matières Raccordements des appareils
- Raccordements des appareils
- Raccordements des appareils
- Raccordements des appareils
- Installation
- Indice Collegamento delle unità
- Collegamento delle unità
- Installazione
- Contenido Conexión de las unidades
- Conexión de las unidades
- Instalación
- Inhalt Anschließen der Einheiten
- Anschließen der Einheiten
- Einbau
- Inhoud Aansluiten van de apparatuur
- Aansluiten van de apparatuur
- Installatie
- Содержание Подключение устройств
- Подключение устройств
- Установка






