Sony XR-C7500R – page 9
Manual for Sony XR-C7500R
Table of contents

Disk hafızasının silinmesi
Bir diskin isme göre
1 “CD” işlevini seçmek için tekrar tekrar
(SOURCE) tuşuna basınız.
yerleştirilmesi — List-up (Özel
dosyalama işlevi olan CD ünitesi veya
2 CD ünitesini seçmek için tekrar tekrar
MD ünitesi için)
(MODE) tuşuna basınız.
Bu işlevi özel bir isim tahsis edilmiş diskler için
kullanabilirsiniz. Disk hafızasının isimleri ile
3 (MENU) tuşuna basınız, ardından
ilgili daha fazla bilgi için, “CD’nin
“Name Del” görülene kadar tekrar tekrar
etiketlenmesine” bakınız (sayfa 34).
(PRST/DISC) tuşunun iki tarafına birden
basınız.
1 (LIST) tuşuna basınız.
Göstergede çalan diske tahsis edilen isim
4 (ENTER) tuşuna basınız.
görülür.
5 Silmek istediğiniz disk ismini seçmek
için tekrar tekrar (PRST/DISC) tuşunun iki
tarafına birden basınız.
6 İki saniye için (ENTER) tuşuna basınız.
Bir disk hafıza etiketini CD TEXT diskine
İsim silinir.
tahsis ederseniz, orijinal CD TEXT bilgisine
Başka isimleri silmek istiyorsanız adım 5 ve
göre öncelik kazanır.
6’yı tekrar ediniz.
2 Arzu edilen diski bulana kadar tekrar
tekrar (PRST/DISC) tuşunun iki tarafına
7 İki kere (MENU) tuşuna basınız.
birden basınız.
Ünite normal CD çalış kipine döner.
Notlar
• Özelleştirilmiş bir etiket silinirse, göstergede orijinal
CD TEXT bilgisi görülür.
• Tüm disk isimlerini silerseniz, adım 5’deki “No Data”
görülür.
3 Diski çalmak için (ENTER) tuşuna
basınız.
Notlar
• Bir disk ismi beş saniye için yansıtıldıktan sonra
gösterge normal çalış kipine döner. Göstergeyi
kapatmak için, (LIST) tuşuna basınız.
• Parça isimleri MD veya CD TEXT disk çalışı
esnasında görülmez.
• Magazinde disk yoksa göstergede “NO Disc”
görülür.
• Disk özel bir dosyaya tahsis edilmemişse
göstergede “ ********” görülür.
• Disk bilgisi ünite tarafından okunamamışsa,
göstergede “?” görülür. Bir diski yüklemek için önce
ayar tuşuna basınız, ardından yüklenmemiş diski
seçiniz.
• Bazı harfler görülemeyebilir. (MD veya CD TEXT
diski çalışı sırasında).
35
SOURCE
Önceki diskleri
bulmak için
Sonraki diskleri
bulmak için

Yalnız özel parçaların çalınması
Çalış için özel parçaların
Seçebilirsiniz:
• “Bank on” — parçaları “Play” ayarı ile çalmak
seçilmesi — Bank (Özel
için.
dosyalama işlevi olan bir CD ünitesi
• “Bank inv” (Inverse) — parçaları “Skip” ayarı
ile çalmak için.
için)
Diski etiketlerseniz, üniteyi seçeceğiniz
1 Çalış sırasında (MENU) tuşuna basınız,
parçaları atlamaya veya çalmaya
ardından “Bank” görülene kadar tekrar
ayarlayabilirsiniz.
tekrar (PRST/DISC) tuşunun iki tarafını
birden basınız.
1 Etiketlemek istediğiniz diski çalmaya
başlayınız.
2 Arzu edilen ayar görülene kadar tekrar
tekrar (SEEK/AMS) tuşunun (+) tarafına
2 (MENU) tuşuna basınız, ardından
basınız.
“Bank sel” görülene kadar tekrar tekrar
B Bank on B Bank inv
(PRST/DISC) tuşunun iki tarafına birden
basınız.
Bank off b
3 (ENTER) tuşuna basınız.
Bank ekleme kipi
3 (ENTER) tuşuna basınız.
Çalış o an çalan parçayı takip eden
parçadan başlar.
Normal çalış kipine dönmek için adım 2’deki
4 Parçaları etiketleyiniz.
“Bank off” işlevini seçiniz.
1 Etiketlemek istediğiniz parçayı
seçmek için (SEEK/AMS) tuşunun iki
tarafına birden tekrar tekrar basınız.
2 “Play” veya “Skip” işlevini seçmek
için tekrar tekrar (ENTER) tuşuna
basınız.
5 Tüm parçalara “Play” veya “Skip”
işlevlerini ayarlamak için adım 4'ü
tekrarlayınız.
6 (MENU) tuşuna iki kere basınız.
Ünite normal CD çalış kipine döner.
Notlar
• Adım 3’deki etiketlenmemiş CD seçili ise,
“NO Name” beş saniye için yanıp söner.
• 24 parçaya kadar “Play” ve “Skip” işlevlerini
ayarlayabilirsiniz.
• “Skip” işlevini CD üzerindeki tüm parçalar için
ayarlayamazsınız.
36

Konektörlerin temizlenmesi
Ünite ile ön panel arasındaki bağlantılar temiz
değil ise, ünite tam anlamıyla çalışmayabilir.
Ek bilgi
Bunu önlemek için (OPEN) tuşuna basarak ön
paneli açınız ve alkole batırılmış bir pamuk
çubuk ile konektörleri temizleyiniz. Fazla
kuvvet kullanmayınız. Aksi takdirde
Bakım
konektörlere zarar verebilirsiniz.
Sigortanın değiştirilmesi
Sigortayı değiştirirken orijinal sigortanın amper
gücünde bir sigorta kullanmaya dikkat ediniz.
Sigorta attığı takdirde güç bağlantısını kontrol
edip sigortayı değiştiriniz. Sigorta
değiştirildikten sonra tekrar atarsa, bu dahili bir
Ana ünite
islev bozukluğuna işaret eder. Böyle bir
durumda en yakın Sony bayiine danışınız.
Ön panelin arkası
Sigorta (10 A)
Notlar
• Emniyetiniz için, konektörleri temizlemeden önce,
motoru kapatınız ve anahtarı kontaktan çıkarınız.
• Konektörlere hiçbir zaman direkt ellerinizle veya
metal bir aletle dokunmayınız.
Uyarı
Hiçbir zaman üniteye takılı sigortanın amper
gücünden daha güçlü bir sigorta takmayınız,
aksi takdirde üniteye zarar verebilirsiniz.
37

Ünitenin sökülmesi
1 Ön kapağın içindeki tırnağı ince bir
tornavida ile içeri itiniz ve ön kapağı
yerinden oynatarak çıkarınız.
2 Adım 1’i sol tarafta tekrarlayınız.
Ön kapak yerinden çıkarılır.
3 Ünitenin sol yanındaki tırnağı içeri itmek
için ince bir tornavida kullanınız,
ardından ünitenin sol yanını kanca
destekten kurtulana kadar çekiniz.
4 Adım 3'ü sağ tarafta tekrarlayınız.
5 Üniteyi destekten kaydırınız.
38

Özellikler
Kasetçalar bölümü
Genel
Kaset parçaları 4-parça 2-kanal stereo
Çıkışlar Audio çıkışları
Titreşim 0,08 % (WRMS)
Güç anteni yayın kontrol
Frekans cevabı 30 – 18.000 Hz
kablosu
Ses sinyal oranı
Güç amplifikatör kontrol
kablosu
Kaset tipi
Dolby B NR
Dolby NR off
Telefon ATT kontrol teli
TYPE II, IV
67 dB
61 dB
Güç gereksinimi 12 V DC otomobil aküsü
(negatif toprak)
TYPE I
64 dB
58 dB
Boyutlar Azami 178 × 50 × 183 mm
Montaj boyutları Azami 182 × 53 × 162 mm
Ağırlık Azami 1,2 kg
Radyo bölümü
Birlikte verilen aksesuarlar
FM
Kurma ve bağlantı
Ayar sırası 87,5 – 108,0 MHz
parçaları (1 set)
Ön panel çantası (1)
Anten terminali Harici anten konektörü
Döner kumanda
Ortalama frekans 10,7 MHz/450 kHz
RM-X4S
Kullanılabilir ince ayar 8 dBf
Tercihe bağlı aksesuarlar Uzaktan kumanda
Seçicilik 400 kHz’de 75dB
RM-X91
Ses sinyal oranı 66 dB (stereo),
BUS kablosu (RCA pinli
72 dB(mono)
kablo ile birlikte)
Harmonik bozulma 1kHz
RC-61 (1 m), RC-62 (2 m)
0,6% (stereo),
Tercihe bağlı aletler CD değiştirici (10 disk)
0,3% (mono)
CDX-828, CDX-737
Separasyon 1 kHz’de 35 dB
MD değiştirici (6 disk)
Frekans cevabı 30 – 15.000 Hz
MDX-65
Sony-BUS sistemli diğer
MW/LW
CD/MD değiştiriciler
Ayar cetveli MW: 531 – 1.602 kHz
Kaynak selektörü
LW: 153 – 279 kHz
XA-C30
Anten terminali Harici anten konektörü
DAB radyo ünitesi
Ortalama frekans 10,7 MHz/450 kHz
XT-100 DAB
Duyarlılık MW: 30 µV
LW: 40 µV
Tasarım ve özellikler değiştirilebilir.
Güç amplifikatör bölümü
Çıkışlar Hoparlör çıkışı
(contalı konektörler)
Hoparlör empedansı 4 – 8 ohm
Azami güç çıkışı 50 W × 4 (4 ohm’da)
39

Sorun giderme kılavuzu
Aşağıdaki liste üniteniz ile karşılaşacağınız problemleri çözmenize yardım edecektir.
Aşağıdaki kontrol listesine bakmadan önce bağlantıları ve çalışma tarzını kontrol ediniz.
Genel
Problem
Sebep/çözüm
Ses çıkmıyor.
• ATT işlevini iptal ediniz.
• İki hoparlörlü sistemde dengeli ses dağılımı için ön ve arka
ses ayar denetimini uygun biçimde ayarlayın.
• Sesi ayarlamak için kadranı saat yönünde döndürünüz.
Hafızanın içeriği silinmiş.
• Güç kablosunun veya akünün bağlantısı kesilmiş.
• Ayar tuşuna basılmış.
t Tekrar hafızaya kaydediniz.
İşaretler göstergede
Ön paneli çıkarıp konektörleri temizleyiniz. Detaylar için
görülmüyor.
“Konektörlerin temizlenmesi”ne (sayfa 37) bakınız.
Ses seviyesi daha fazla
DSO işlevi çalışır ve ses seviyesine yönelik tüm filtreler +12 dB
artırılamıyor.
olur.
Kaset çalınması
Problem
Sebep/çözüm
Ses kötü çıkıyor.
Teybin kafası kirlenmiş.
t Kafayı satın alabileceğiniz kuru tip bir temizleme kaseti ile
temizleyiniz.
AMS tam anlamıyla çalışmıyor.
• Parçalar arasındaki boşluklarda ses var.
• Boşluk çok kısa (dört saniyeden daha az).
• Uzun bir ara veya alçak frekanslı pasaj veya çok alçak ses
seviyesi boşluk olarak işlem görmüş.
Radyo yayını
Problem
Sebep/çözüm
Hafıza ayarı mümkün değil.
• Doğru frekansın hafızaya alınması.
• Yayın sinyali çok zayıf.
Hafıza ayarı mümkün değil.
• Yayın çok zayıf.
t El ile ayarlamayı kullanınız.
• Yerli arama kipi “on” pozisyonuna ayarlandı.
t Yerli arama kipini “off” pozisyonuna getiriniz (sayfa 13).
İstasyonlar bulunamıyor.
Anten kontrol kablosunu (mavi) veya ek güç destek kablosunu
Ses cızırtılarla bozuluyor.
(kırmızı) otomobilin anten kutusunun güç destek kablosuna
bağlayınız. (Yalnız otomobilinizin arka/yan camda dahili FM/
MW/LW anteni varsa).
“ST” işareti yanıp sönüyor.
• Frekansı ayarlayınız.
• Yayın sinyali çok zayıf.
t Mono kipini ayarlayınız (sayfa 13).
40

RDS
Problem
Sebep/Çözüm
SEEK dinlemeye başladıktan
İstasyon TP türünde değil veya sinyali zayıf.
birkaç saniye sonra çalışmaya
t “AF off” veya “TA off” görülene kadar tekrar tekrar (AF)
başlar.
veya (TA) tuşlarına basınız.
Trafik açıklamaları yok.
• “TA”yı çalıştırınız.
• İstasyon TP olduğu halde trafik açıklamaları yayınlamıyor.
t Başka bir istasyonu ayarlayınız.
PTY “NONE” işareti veriyor.
İstasyon program tipini ayrımsamıyor.
DSP
Problem
Sebep/Çözüm
Ses yok veya ses çok kısık.
Hoparlörlerin sesi, dinleme ayarının etkisini yükseltmek için
otomatik olarak kısılmış olabilir.
t Dengeyi ayarlamak için (SEEK/AMS) tuşunun iki tarafına
birden basınız.
Hoparlör dengesi DSP açık kipi ve DSP kapalı kipi için ayrı
ayrı ayarlanabilir (sayfa 26).
CD/MD çalışı
Problem
Sebep/Çözüm
Ses atlıyor.
Kirli veya bozuk bir disk.
devamı bir sonraki sayfada
t
41

Error görülür (tercihe bağlı CD/MD ünitesi bağlı ise)
Aşağıdaki işaretler beş saniye için yanıp söner ve bir ikaz duyulur.
Gösterge
Sebep
Çözüm
Disk magazini CD/MD ünitesine
Disk magazinini CD/MD ünitesine
NO Mag
yerleştirilmemiş.
yerleştiriniz.
CD/MD ünitesine disk yerleştirilmemiş.
CD/MD ünitesine diskleri
NO Disc
yerleştiriniz.
CD/MD bazı problemler yüzünden
Başka bir CD/MD yerleştiriniz.
NG Discs
çalınamıyor.
Bir CD kirli veya ters yerleştirilmiş.*
CD’yi temizleyiniz veya doğru
şekilde yerleştiriniz.
Error
Bir MD bazı problemler yüzünden
Başka bir MD yerleştiriniz.
çalmıyor.*
MD üzerine hiçbir parça
Parçaların kayıtlı olduğu bir MD
Blank
kaydedilmemiş.*
çalınız.
CD/MD ünitesi bazı problemler
Ünitenin ayar tuşuna basınız.
Push Reset
yüzünden kullanılamıyor.
MD ünitesinin kapağı açık veya MD’ler
Kapağı kapatınız veya MD’yi doğru
Not Ready
doğru şekilde yerleştirilmemiş.
şekilde yerleştiriniz.
* Göstergede hataya sebep olan diskin numarası görülür.
Yukarıda açıklanan çözümlerden bir fayda sağlanamıyorsa, en yakın Sony bayiine başvurunuz.
42


Поздравляем с
Меры предосторожности
покупкой!
• В случае если Ваш автомобиль был
запаркован на солнцепеке, в результате
Благодарим Вас за приобретение
чего произошло значительное повышение
магнитофона Sony. Данный аппарат
температуры в его салоне, дайте
предоставляет множество полезных
магнитоле остыть, прежде чем начать ее
функций при использовании
эксплуатацию.
нижeyкaзaнного пpиcпоcоблeния для
• В случае если на магнитолу не поступает
yпpaвлeния:
питание, проверьте сначала контакты.
Входящая в комплект принадлежность
Если все в порядке, проверьте
Поворотный дистанционный
предохранитель.
переключатель RM-X4S
• В случае если с громкоговорителей
стереосистемы с двумя
Дополнительная принадлежность
громкоговорителями не поступает звук,
Беспроводной пульт дистанционного
установите регулятор балансировки
управления RM-X91
переднего/заднего громкоговорителей в
среднее положение.
В дополнение к функции воспроизведения
• При длительном прослушивании одной и
кассетных записей и операциям с
той же кассеты она может нагреться от
радиоприемником Вы можете расширить
встроенного усилителя. Это, однако, не
cвою стереосистему, подключив к ней
является признаком неисправности.
приобретенный отдельно проигрыватель
1
компакт-/мини-дисков (CD/MD) *
.
В случае возникновения у Вас каких-либо
При использовании Вами данной
вопросов или проблем, связанных с Вашей
магнитолы или подключенного
магнитолой и нe paccмотpeнныx в дaнной
дополнительного проигрывателя CD с
Инcтpyкции по эксплуатации, обратитесь,
функцией CD TEXT для воспроизведения
пожалуйста, за консультацией к
2
компакт-диска CD TEXT*
информация с
ближайшему дилеру фирмы “Sony”.
этого диска выводится на дисплей
магнитолы.
Во избежание ухудшения качества
1
звука
*
К магнитоле можно подключить устройство
для смены CD, устройство для смены MD,
Если вблизи магнитолы в салоне Вашего
проигрыватель CD или проигрыватель MD.
автомобиля расположены подставки для
2
*
Диск CD TEXT - это звуковой CD, содержащий,
стаканов, следите за тем, чтобы на нее не
в частности, информацию о названии диска,
пролились соки или другие прохладительные
исполнителе и названиях дорожек.
напитки. Сахарный налет, оставшийся от них
Эта информация записана на диске.
на деталях аппарата или на магнитной ленте,
может загрязнить воспроизводящие головки,
ухудшив тем самым качество звучания или
вообще сделав воспроизведение звука
XR-C7500R
невозможным.
Загрязненные сахарным налетом
Кacceтнaя cтepeофоничecкaя
магнитофонные головки не поддаются
aвтомaгнитолa c диaпaзоном
очистке с помощью приспособлений для
FM/MW/LW
чистки кассет.
Cдeлaно в Taилaндe
2

Кассеты с продолжительностью
звучания более 90 минут
Примечания о кассетах
Использование кассет с
продолжительностью звучания более 90
Уход за кассетами
минут не рекомендуется, за исключением
• Не прикасайтесь к поверхности
случаев, когда необходимо долгое,
магнитной ленты, поскольку
непрерывное воспроизведение. Магнитная
появляющаяся на них грязь или пыль
лента, используемая в таких кассетах,
будет загрязнять головки.
очень тонка и легко растягивается. Частое
• Держите кассеты вдали от оборудования
воспроизведение и остановка таких лент
со встроенными магнитами, такого как
может привести к их запутыванию в
громкоговорители и усилители, поскольку
лентопротяжном механизме кассетного
в противном случае запись на ленте
магнитофона.
может оказаться стертой или
искаженной.
• Не подвергайте кассеты воздействию
прямого солнечного света, слишком
низких температур или влаги.
• Слабое натяжение ленты в кассете
может привести к ее втягиванию в
лентопротяжный механизм. Перед тем
как вставить кассету, подтяните в ней
слабонатянутую ленту, провернув одну из
катушек с помощью карандаша или
аналогичного предмета.
Петля
• Деформация корпуса кассет или
отстающие от кассет наклейки могут
создавать проблемы при установке или
извлечении кассет из магнитолы. Если
наклейка отстает от кассеты, снимите
или замените ее.
• Во время прослушивания кассеты может
происходить искажение звука. Магнитную
головку следует чистить после каждых 50
часов работы магнитофона.
3

Содержание
Расположение органов управления ................. 5
DSP
Hacтpойкa эквaлaйзepa ............................. 24
Начальные операции
Bыбоp положeния для пpоcлyшивaния ..... 25
Переустановка параметров аппарата ......... 7
Bыбоp мeню звyчaния
Снятие передней панели ............................. 7
— Фyнкция динaмичecкого звyчaния
(DSO) ....................................................... 25
Включение/выключение аппарата .............. 8
Hacтpойкa бaлaнca (BAL) ........................... 26
Как пользоваться меню ............................... 8
Hacтpойкa гpомкоcти звyчaния пepeдниx
Установка часов ........................................... 9
и зaдниx гpомкоговоpитeлeй................. 26
Пpоcлyшивaниe кaждой пpогpaммы в
Проигрыватель кассет
зapeгиcтpиpовaнном для нee DSO
Прослушивание кассет .............................. 10
— пaмять звyчaния иcточникa (SSM) .. 27
Воспроизведение кассеты в различных
Bыбоp aнaлизaтоpa cпeктpa ...................... 27
режимах .................................................. 11
Прочие функции
Радиоприемник
Наклейка ярлычка на поворотный
Автоматическое занесение станций в
дистанционный переключатель............ 28
память
Использование поворотного
— Функция памяти оптимальной
дистанционного переключателя ........... 28
настройки на станции (BTM) ................. 12
Приглушение звука .....................................30
Занесение в память только желаемых
Изменение заданных параметров звука
станций .................................................... 12
и дисплея ................................................ 30
Прием занесенных в память станций ....... 13
Проигрыватель CD/MD
RDS
Воспроизведение CD или MD .................... 31
Обзор функции RDS ................................... 14
Повторное воспроизведение дорожек
Индикация названия станции .................... 14
— Повторное воспроизведение ............ 33
Автоматическая перенастройка на ту же
Воспроизведение дорожек в случайном
программу
порядке
— Альтернативные частоты (AF) ......... 15
— “Перетасованное”
Прослушивание дорожных сообщений ..... 16
воспроизведение .................................... 33
Предустановка станций RDS с данными
Присвоение названия CD
AF и TА .................................................... 17
— Программная память CD (Для
Oбнapyжeниe станции по типу
проигрывателя CD с функцией
программы .............................................. 17
авторского наименования файлов) ...... 34
Автоматическая установка часов ............. 18
Нахождение диска по названию
— Функция пролистывания
(для проигрывателя CD с функцией
DAB (ЦAB)
авторского наименования файлов или
Обзор функции ЦAB ................................... 19
для проигрывателя МD) ........................ 35
Основные операции с использованием
Выбор определенных дорожек для
ЦАВ .......................................................... 19
воспроизведения
Автоматическое занесение в память услуг
— Банк (Для проигрывателя CD с
ЦАВ
функцией авторского наименования
— Функция BTM ..................................... 20
файлов) ...................................................36
Занесение в память услуг ЦАВ вручную
— Память предварительной настройки
Дополнительная информация
вручную ................................................... 21
Технический уход ........................................ 37
Прослушивание программ ЦАВ ................. 22
Демонтаж аппарата .................................... 38
Установочные параметры при приеме
Технические характеристики ..................... 39
аудиопрограмм........................................ 23
Устранение неполадок ............................... 40
Нахождение услуги ЦАВ по типу
программы (функция PTY) .................... 23
4

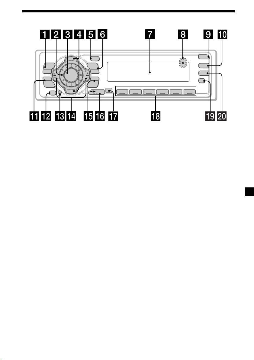
Расположение органов управления
OPEN
D
I
S
C
+
PTY
P
DSPL
R
S
T
+
MENU
LIST
DSO
TA
SOURCE
-
SEEK/AMS
AF
SOUND
ENTER
P
R
S
REP SHUF
T
-
D
I
S
C
–
OFF
MODE
1 2 3 4 56
XR-C7500RX/XR-C7500R
За подробностями обращайтесь к указанным соответствующим страницам.
1 Клавиша MENU
qg Клавиша ENTER
9, 11, 12, 13, 15, 17, 18, 20, 21, 23, 24, 26,
9, 11, 12, 13, 15, 17, 18, 20, 21, 22, 23, 24,
27, 31, 32, 34, 35, 36
26, 27, 31, 32, 34, 35, 36
2 Поворотный регулятор звука
qh Клавиша MODE
3 Клавиша SOURCE (TUNER/TAPE/CD/
10, 11, 12, 13, 19, 20, 31, 35
MD)
При воспроизведении кассетной
6, 8, 10, 12, 13, 19, 20, 24, 25, 26, 27, 31, 35
записи:
4 Клавиши PRST/DISC +/– (Курсор вверх/
Изменение направления движения
вниз)
ленты 10
8, 9, 11, 12, 13, 15, 17, 18, 19, 20, 21, 22, 23,
При приеме радиопередач:
24, 26, 27, 31, 32, 33, 34, 35, 36
BAND select (выбор диапазона) 12, 13
При приеме радиопередач:
При воспроизведении CD или MD:
Выбор предустановленных
кнопка выбора источника CD/MD 32
станций 13
qj Сенсор для дополнительного
При воспроизведении записи на CD/MD:
беспроводного дистанционного
Смена диска 33
управления
5 Клавиша DSPL/PTY (изменение режима
qk Номерные клавиши
дисплея/тип программы)
При приеме радиопередач:
11, 18, 23, 31, 32, 34
Выбор предустановленного номера
6 Клавиша LIST
12, 13, 16, 17, 20, 21
Программная память CD 34
При воспроизведении кассетной записи:
Функция пролистывания 22, 35
(1) REP 11
7 Окошко дисплея
При воспроизведении CD/MD:
8 Клавиша Z (извлечение кассеты)
(1) REP 33
(расположена на лицевой стороне
(2) SHUF 33
прибора под передней панелью) 10
ql Клавиша AF 15, 17
9 Клавиша OPEN 7, 10, 37
w; Клавиша TA 16, 17
0 Клавиша DSO 26
qa Клавиша SOUND (звук) 24, 25, 26
* Меры предосторожности в случае
qs Клавиша OFF (ВЫКЛ.)* 6, 7, 8, 10
установки аппарата в автомобиле, замок
qd Клавиша переустановки (расположена
зажигания которого не имеет специальной
на лицевой стороне прибора под
позиции ACC (для отключения
передней панелью) 7
подсоединенной аппаратуры)
qf Клавиши SEEK/AMS –/+ (Курсор влево/
Не забудьте после выключения двигателя
вправо)
на две секунды нажать на аппарате
8, 9, 10, 11, 12, 13, 15, 17, 18, 19, 21, 23, 24,
клавишу (OFF), чтобы отключить дисплей
25, 26, 27, 31, 32, 33, 34, 36
часов.
Поиск 13, 15, 19
При более кратком нажатии (OFF)дисплей
часов не отключится, что приведет к
Автоматический музыкальный сенсор 10, 33
ненужному расходованию энергии
Ручной поиск 13, 33
5

Приобретается отдельно
Беспроводной пульт
дистанционного управления
Функции кнопок на беспроводном
RM-X91
пульте дистанционного управления
соответствуют функциям тех же
кнопок на аппарате.
OPEN/CLOSE
1 Клавиша OFF
OFF
2 Клавиша MENU
MENU LIST
DISC
3 Клавиша SOURCE
SEEK SEEK
4 Клавиши SEEK/AMS (Курсор </,)
SOURCE
5 Клавиша SOUND
6 Клавиша DSPL/PTY
SOUND
DISC
ENTER
7 Клавиша ATT
8 Клавиша LIST
DSPL MODE
VOLATT
9 Клавиши DISC/PRST (Курсор M/m)
q; Клавиша ENTER
qa Клавиша MODE
qs Клавиши VOL
После выключения мaгнитолы нажатием на две секунды клавиши (OFF) управлять ею с
помощью пульта дистанционного управления можно только в том случае, если сначала
опять включить ее, нажав на ней клавишу (SOURCE) или вставив кассету.
Замена литиевой батарейки
Примечания о литиевой батарейке
По мере того, как батарейка садится,
• Доступ детей к литиевым батарейкам
диапазон работы беспроводного пульта
должен быть исключен. В случае
дистанционного управления сокращается.
проглатывания батарейки, немедленно
Замените батарейку новой литиевой
обращайтесь к врачу.
батарейкой CR2025.
• Для поддержания контакта в рабочем
состоянии, батарейку следует протирать
сухой тряпкой.
• При установлении батарейки обращайте
внимание на правильную установку
полюсов.
• Во избежание замыкания нельзя брать
батарейку металлическим пинцетом.
ВНИМАНИЕ!
При неправильном обращении батарейка
может взорваться.
x
Не перезаряжать, не разбирать, не
Положительным
подносить к огню.
зарядом (+) наверх
6

Установка передней панели
Начальные
Наложите отверстие A на передней
панели на штырек B на аппарате, как
операции
показано на рисунке, затем задвиньте
левую сторону внутрь.
Переустановка
A
параметров аппарата
B
Перед первым использованием аппарата
или после замены автомобильного
аккумулятора Вы должны произвести
переустановку заложенных в память
магнитолы параметров.
Снимите переднюю панель и нажмите
кнопку переустановки с помощью
заостренного предмета, например
шариковой ручки.
x
Кнопка переустановки
Примечание
При нажатии кнопки cбрoca cтиpaютcя установка
часов и некоторые функции пporpaммиpoвaния.
Снятие передней
Примечания
панели
• Не устанавливайте переднюю панель верхней
стороной вниз.
В целях предотвращения кражи аппарата
• При установке панели не прижимайте ее
Вы можете снять с него переднюю панель.
слишком сильно к магнитоле.
• Не надавливайте и не нажимайте слишком
сильно на окошко дисплея, расположенное на
1 Нажмите (OFF).
передней панели.
• Не подвергайте переднюю панель прямому
2 Нажмите клавишу (OPEN), затем
воздействию солнечных лучей, источников
сдвиньте пepeднюю панель вправо и
тепла, таких как автомобильная печка, и не
оставляйте ее во влажном месте. Никогда не
снимите ее, потянув влево.
оставляйте ее на приборной доске автомобиля,
запаркованного на солнцепеке, из-за которого
возможно значительное повышение
температуры в салоне автомобиля.
Предупреждающий сигнал
Если Вы, повернув ключ зажигания,
1
перевели его в положение выкл, не
2
отсоединив переднюю панель, в течение
нескольких секунд будет слышен
сигнальный зуммер.
Примечания
В случае если Вы не пользуетесь
• Старайтесь не уронить переднюю панель при ее
отсоединении от аппарата.
встроенным усилителем, а подключаете
• Если Вы снимаете панель при включенном питании,
дополнительный, зуммер работать не
оно автоматически отключится для предотвращения
будет.
повреждения громкоговорителей.
• Если Вы берете переднюю панель с собой, поместите
ее в прилагаемый специальный футляр.
7

Включение/
Как пользоваться
выключение аппарата
меню
Включение аппарата
Данная магнитола работает при помощи
выбора параметров из меню.
Нажмите (SOURCE) или вставьте кacceтy в
Для выбора введите сначала режим меню,
аппарат.
а затем выберите up/down (вверх/вниз)
Более подробную информацию об
(клавишей +/– (PRST/DISC) ), или выберите
эксплуатации см. на стр. 10 (проигрыватель
left/right (влево/вправо) (клавишей –/+
кассет) и на стр. 12 (радиоприемник).
(SEEK/AMS)).
Выключение аппарата
(PRST/DISC)
Нажмите (OFF) для остановки
(+): Для выбора вверх
воспроизведения кассет или приема
радиостанций в диапазоне УКВ СВ/ДВ
(основная подсветка и дисплей
SOURCE
сохраняются).
Нажимайте (OFF) в течение двух секунд
для полного выключения аппарата.
(–): Для выбора вниз
Примечание
(SEEK/AMS)
Если на замке зажигания Вашей машины нет
положения ACC, не забудьте выключить аппарат
нажатием (OFF) в течение двух секунд во
избежание разрядки аккумулятора.
(–): Для выбора
(+): Для выбора
влево
вправо
SOURCE
8

2 Нажмите (ENTER).
Установка часов
Часы имеют 24-часовую индикацию
Пример: установка часов на 10:08.
Часы пошли.
1 Нажмите (MENU), затем
По окончании установки часов дисплей
последовательно нажимайте на
возвращается в обычный режим
любую сторону клавиши (PRST/DISC)
воспроизведения.
до появления на дисплее надписи
“Clock”.
Coвeты
• Для установки часов удобно пользоваться
функцией CT (см. с. 18).
• Когда режим “D.Info” находится во
включенном состоянии on, на часах всегда
высвечивается время (см. с. 30).
1 Нажмите (ENTER).
Начинает мигать индикатор часа.
2 Нажатием на любую сторону
клавиши (PRST/DISC)установите
час.
3 Нажмите на помеченную знаком (+)
сторону регулятора (SEEK/AMS).
Начинает мигать индикатор минут.
4 Нажатием на любую сторону
клавиши (PRST/DISC) установите
минуты.
9

Быстрая перемотка ленты
Проигрыватель
Во время воспроизведения нажмите
кассет
на любую сторону регулятора
(SEEK/AMS) и держите ее.
Быстрая
Быстрая
Прослушивание кассет
перемотка
SOURCE
перемотка
ленты назад
ленты вперед
1 Нажмите (OPEN) и вставьте кассету.
Воспроизведение начинается
автоматически.
Для начала воспроизведения во время
быстрой перемотки вперед или назад
нажмите (MODE) (o).
Поиск нужной дорожки
— Автоматический музыкальный
сенсор (AMS)
Во время воспроизведения кратко
нажимайте на любую сторону
2 Закройте переднюю панель.
регулятора (SEEK/AMS) - по одному
разу на каждую дорожку, которую
Если кассета уже вставлена, то для начала
хотите пропустить.
воспроизведения нажмите неоднократно
Вы можете пропустить до 9 дорожек за
клавишу (SOURCE) до появления на
один раз.
дисплее надписи “FWD” или “REV”.
Воспроизводится сторона, обращенная вверх.
Для
Для
SOURCE
нахождения
нахождения
предыдущих
следующих
дорожек
дорожек
Примечание
Воспроизводится сторона, обращенная вниз.
Функция АMS может не сработать, если:
— паузы между дорожками короче четырех
секунд
— в записи между дорожками есть шум
— имеются продолжительные перерывы в
звучании или длинные участки с низким
уровнем записи.
Совет
Для изменения направления движения ленты при
В режиме Motion Display все позиции
воспроизведении нажмите клавишу (MODE)
прокручиваются на дисплее поочередно,
(o).
одна за другой.
Совет
Для того чтобы Нажмите
Режим Motion Display можно отключить. (См.
Остановить (OFF)
раздел “Изменение заданных параметров звука и
дисплея” на стр. 30.)
воспроизведение
Извлечь кассету (OPEN) затем Z
10

Воспроизведение
кассеты в различных
режимах
Вы можете воспроизводить кассетную
запись в различных режимах:
• Repeat (Повторное воспроизведение) -
воспроизведение прослушиваемой
дорожки еще раз.
• NR (Dolby NR) дает Вам возможность
выбрать систему Dolby* NR B.
• Позиция “Metal” (металл) позволяет
воспроизводить записи на ленте с
металлическим покрытием и покрытием
из CrO2.
• B.Skip (пропуск пауз) - перескакивание
через паузы продолжительностью более
восьми секунд.
• АТА (Автоматическая активация
радиоприемника) - автоматическое
включение приемника во время
ускоренной перемотки ленты.
* Системa Долби для снижения шумa,
изготовленная по лицензии фирмы Долби
Лабораториз Лайсенсинг Корлорэйшн.
Слово DOLBY, ДОЛБИ, и состоящий из двух
букв D символ ; являются товарными
фирмы Долби Лабораториз Лайсенсинг
Корлорэйшн.
1 Во время воспроизведения нажмите
(MENU).
2 Последовательно нажимайте на
любую сторону клавиши (PRST/DISC)
до появления на дисплее нужного
Вам параметра.
При каждом нажатии Вами помеченной
знаком (–) стороны клавиши (PRST/DISC)
параметр меняется следующим
образом:
NR t Metal t B.Skip t ATA
11
R
S
T
+
LIST
PTY
DSPL
3 Нажатием на помеченную знаком (+)
сторону регулятора (SEEK/AMS)
выведите на дисплей надпись “on”.
Воспроизведение начинается.
4 Нажмите (ENTER).
Чтобы вернуться в обычный режим
воспроизведения, в операции 3 выберите
“off”.
Совет
При активированной функции ATA индикация
дисплея (TAPE y TUNER) может быть изменена
нажатием кнопки (DSPL/PTY).
Повторное воспроизведение
дорожек
— Повторное воспроизведение
Во время воспроизведения следует
несколько раз подряд нажать
клавишу (1) (REP), пока на дисплее
не появится надпись “Repeat on”.
Repeat on y Repeat off
-
SEEK/AMS
ENTER
REP SHUF
MODE
1 2 3 4 56
Начинается повторное
воспроизведение.
Чтобы вернуться к обычному режиму
воспроизведения, выберите “Repeat off”.
Совет
Во время повторного проигрывания, нажмите
клавишу (MODE). С дисплея исчезнет надпись
“REP”, и режим повтора будет отключен.

4 Нажмите (ENTER).
Прибор заносит в память под
номерными клавишами станции в
Радиоприемник
порядке очередности их частот.
Звуковой сигнал зуммера означает, что
установка занесена в память.
Примечания
Автоматическое
• Прибор не заносит в память станции со слабым
сигналом. Если принимается только
занесение станций в
незначительное количество станций, некоторые
номерные клавиши сохранят прежние
память
закрепленные за ними программные установки.
— Функция памяти оптимальной
• Если на дисплее высвечен какой-либо
предустановленный номер, аппарат начинает
настройки на станции (BTM)
занесение станций в память с этого
Аппарат выбирает станции с наиболее
высвеченного номера.
сильным сигналом и запоминает их в
порядке их рабочих частот. Вы можете
занести в память до 6 станций в каждом
диапазоне (FM1, FM2, FM3, MW и LW).
Занесение в память
Предостережение
только желаемых
При настройке на станции во время
управления автомобилем во избежание
станций
аварий используйте функцию памяти
оптимальной настройки.
Вы можете занести в память до 18 станций
FM (по 6 станций на каждый из
поддиапазонов: FM1, FM2 и FM3), до 6
1 Многократным нажатием (SOURCE)
станций MW и до 6 станций LW в любой
выберите в качестве источника
последовательности по своему выбору.
радиоприемник.
При каждом нажатии Вами (SOURCE)
источник меняется следующим образом:
1 Последовательным нажатием
B TUNER BCD* B MD* B TAPE
(SOURCE) выберите в качестве
источника приемник.
* Если соответствующее дополнительное
оборудование (приобретается отдельно) не
2 Последовательным нажатием (MODE)
подключено, эта позиция на дисплее не
выберите диапазон волн.
появится.
3 Нажатием на любую сторону
2 Последовательным нажатием (MODE)
регулятора (SEEK/AMS) настройтесь на
выберите желаемый диапазон.
волну станции, которую Вы хотите
При каждом нажатии (MODE) диапазон
занести в память под данной
меняется следующим образом:
номерной клавишей.
B FM1 B FM2 B FM3 B MW B LW
4 Нажмите и удерживайте в нажатом
положении номерную клавишу (с (1)
3 Нажмите (MENU), затем
по (6)) до появления на дисплее
последовательно нажимайте на
надписи “MEM”.
любую сторону клавиши (PRST/DISC)
На дисплее загорается номер данной
до появления на дисплее надписи
клавиши.
“BTM”.
Примечание
Если Вы попытаетесь занести в память другую
станцию под той же номерной клавишей,
предыдущая занесенная в память станция будет
стерта.
12


