Hach-Lange FP 360 sc Basic User Manual – страница 2
Инструкция к Hach-Lange FP 360 sc Basic User Manual

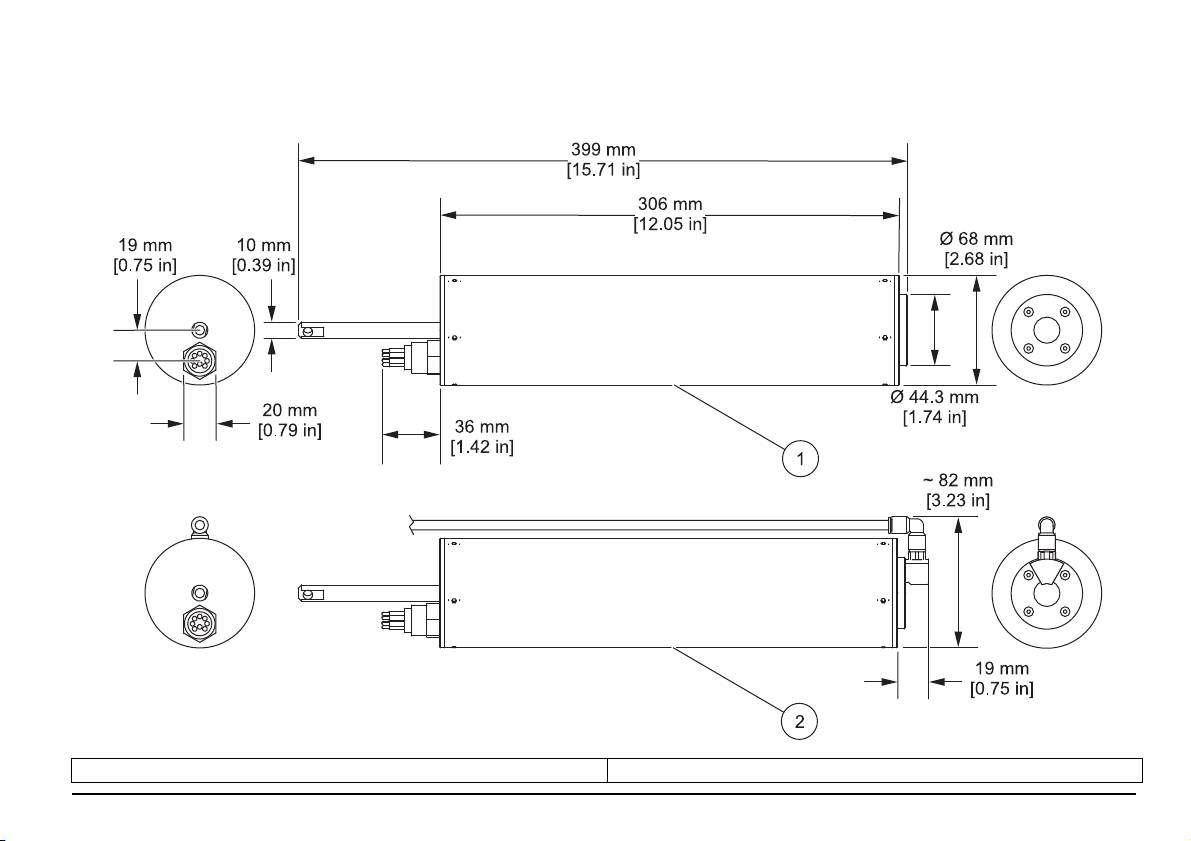
Abmessungen
Abbildung 1 Sensor ohne und mit Reinigungseinheit
1 Sensor ohne Reinigungseinheit 2 Sensor mit Reinigungseinheit
Deutsch 21

Allgemeine Informationen
Warnschilder
Beachten Sie alle Kennzeichen und Schilder, die an dem Gerät
Sicherheitshinweise
angebracht sind. Nichtbeachtung kann Personenschäden oder
Beschädigungen am Gerät zur Folge haben.
Lesen Sie das gesamte Handbuch sorgfältig durch, bevor Sie das Gerät
auspacken, aufbauen oder in Betrieb nehmen. Achten Sie auf alle
Dieses Symbol ist ein Warndreieck. Befolgen Sie alle
Gefahren- und Warnhinweise. Nichtbeachtung kann zu schweren
Sicherheitshinweise, die diesem Symbol folgen, um mögliche
Verletzungen des Bedieners oder zu Beschädigungen am Gerät führen.
Verletzungen zu vermeiden. Wenn sich dieses Symbol auf dem
Um sicherzustellen, dass die Schutzvorrichtungen des Geräts nicht
Gerät befindet, verweist es auf Informationen in den Betriebs- und/
oder Sicherheitshinweisen der Betriebanleitung.
beeinträchtigt werden, darf dieses Gerät in keiner anderen als der in
diesem Handbuch beschriebenen Weise verwendet oder installiert
Dieses Symbol kann an einem Gehäuse oder einer Absperrung im
werden.
Produkt angebracht sein und zeigt an, dass Stromschlaggefahr und/
Gefahrenhinweise in diesem Handbuch
oder das Risiko einer Tötung durch Stromschlag besteht.
GEFAHR
Dieses Symbol zeigt an, dass eine UV-Lampe im Gerät benutzt wird.
Zeigt eine potenziell oder unmittelbar gefährliche Situation an,
die, wenn sie nicht vermieden wird, zum Tod oder zu schweren
Verletzungen führt.
Mit diesem Symbol gekennzeichnete elektrische Geräte dürfen ab
dem 12. August 2005 europaweit nicht mehr im unsortierten Haus-
oder Gewerbemüll entsorgt werden. Gemäß geltenden
WARNUNG
Bestimmungen (EU-Direktive 2002/96/EG) müssen ab diesem
Zeitpunkt Verbraucher in der EU elektrische Altgeräte zur Entsorgung
Zeigt eine potenziell oder unmittelbar gefährliche Situation an,
an den Hersteller zurückgeben. Dies ist für den Verbraucher
die, wenn sie nicht vermieden wird, zum Tod oder zu schweren
kostenlos.
Verletzungen führen kann.
Hinweis: Anweisungen zur fachgerechten Entsorgung aller
(gekennzeichneten und nicht gekennzeichneten)
elektrischen Produkte, die von Hach-Lange geliefert oder
VORSICHT
hergestellt wurden, erhalten Sie bei Ihrem zuständigen
Kennzeichnet eine mögliche Gefahrensituation, die geringfügige
Hach-Lange-Verkaufsbüro.
oder mittelschwere Verletzungen zur Folge haben kann.
ACHTUNG
Kennzeichnet eine Situation, die, wenn sie nicht vermieden wird,
zu Schäden am Gerät führen kann. Informationen, die besonders
hervorgehoben werden sollen.
Hinweis: Informationen, die Aspekte aus dem Haupttext ergänzen.
Deutsch 22

Produkt Überblick
Lieferumfang
Der Sensor ist in verschiedenen Varianten lieferbar.
GEFAHR
Kontrollieren Sie die Lieferung auf Vollständigkeit (siehe Abbildung 2).
Wenn etwas fehlt oder beschädigt ist, wenden Sie sich bitte sofort an
Dieses Produkt ist nicht zum Einsatz in explosionsgefährdeten
den Hersteller oder die Vertriebsstelle.
Bereichen geeignet.
Abbildung 2 FP 360 sc-Sensor
WARNUNG
Die UV-Strahlung der Blitzlampe schädigt Augen und Haut.
Schauen Sie während des Betriebs keinesfalls direkt in das
Messfenster. Nehmen Sie den Messsensor außer Betrieb, bevor
Sie Wartungs- oder Montagearbeiten durchführen.
Der FP 360 sc-Sensor ist ein UV-Fluorometer zur kontinuierlichen
Messung der PAK (Polyzyklische Aromatische Kohlenwasserstoffe)
Konzentration in Wasser. Die Messwerte können bei Mineralölen auf
den Gesamtölgehalt umgerechnet werden.
Je nach Einsatzgebiet muss der Sensor mit weiterem optionalem
Zubehör installiert werden.
Einsatzgebiet Installation mit Sensorvariante
Offene Rinnen, Schächte,
Sensor mit oder ohne
Tanks (Feststoffgehalt max.
Kettenhalterung
Reinigungseinheit
200 mg/l)
Messmedien ohne Feststoffe
Sensor ohne
mit kontinuierlichem
Durchflusszelle
Reinigungseinheit
geringem Probendurchsatz
Setzen Sie den Sensor keinen mechanischen Stößen aus.
1 FP 360 sc Messsensor 5 6 mm Fitting für Reinigungs-
einheit (modellabhängig)
2 Basic User Manual mit CD 6 Sicherheitshülse
3 Messfenster 7 Anschlusskabel
4 Sensor mit Reinigungseinheit
8 Schäkel
(modellabhängig)
Deutsch 23

Funktionskontrolle
Installation
VORSICHT
GEFAHR
Vor dem Einschalten der Spannungsversorgung unbedingt die
Die Installation dieses Systems muss von qualifiziertem
Hinweise in der Betriebsanleitung des Controllers beachten!
Fachpersonal unter Einhaltung aller lokal gültigen
Sicherheitsvorschriften ausgeführt werden.
Prüfen Sie die Komponenten nach dem Auspacken auf eventuelle
Transportschäden und führen Sie eine kurze Funktionskontrolle durch.
1. Schließen Sie das Anschlusskabel an den Sensor (8-poliger
ACHTUNG
verpolungssicherer Stecker) und an einen geeigneten sc Controller
Falls der Sensor nicht komplett eintaucht, soll bei hoher
(5-poliger verpolungssicherer Stecker) an (siehe Sensorkabel
Umgebungstemperatur und starker Sonneneinstrahlung ein
anschließen auf Seite 25).
Sonnenschutz zum Schutz vor thermischen und UV-Belastungen
2. Schalten Sie die Spannungsversorgung des sc Controllers ein.
verwendet werden.
Die Anzeige wird aktiviert und der Sensor geht in den Messbetrieb
über.
Sie hören ein regelmäßiges leises Ticken des Sensors.
3. Verdecken Sie das Messfenster des Sensors mit einem weißen
Blatt Papier (kein Recyclingpapier).
4. Variieren Sie den Abstand zwischen Messfenster und Papier.
Der auf dem Display angezeigte Messwert muss entsprechend
variieren.
Hinweis: In Luft ist der anzeigte Messwert wegen Reflexionen an der
Fensteroberfläche nicht exakt bei Null (siehe Nullpunkt kontrollieren auf
Seite 31).
Deutsch 24

Sensorkabel anschließen
4. Schrauben Sie die Schutzkappe der Controllerbuchse ab und
bewahren Sie diese auf.
5. Achten Sie auf die Führung im Stecker und schieben Sie den
VORSICHT
Stecker in die Buchse ( siehe Abbildung 4).
Verlegen Sie Kabel und Schläuche stets stolperfrei und ohne
6. Schrauben Sie die Mutter handfest an.
Knick.
Hinweis: Verbindungskabel sind in verschiedenen Längen erhältlich. Die
maximale Gesamtkabellänge beträgt 40 m (131,23 ft).
VORSICHT
Abbildung 4 Anschluss des Sensors an den Controller
Vor dem Einschalten der Spannungsversorgung unbedingt die
Hinweise in der Betriebsanleitung des Controllers beachten!
1. Stecken Sie die verpolungssichere Buchse des Anschlusskabels
auf den Stecker des Sensors (8-poliger Stecker) (siehe Abbildung 3
Schritt 1).
2. Schieben Sie die Sicherheitshülse auf den Stecker (Schritt 2).
3. Schrauben Sie die Sicherheitshülse handfest an (Schritt 3).
Abbildung 3 Anschluss des Sensorkabels an den Sensor
Deutsch 25

Optionale Installationsvarianten
Installation der Kettenhalterung bei Sensoren mit
Reinigungseinheit
Je nach Einsatzgebiet muss der Sensor mit weiterem optionalem
Schlauch der Reinigungseinheit montieren
Zubehör installiert werden.
Hinweis: Genaue Details zur Installation der Varianten entnehmen Sie
Hinweis: Zum Betrieb des Sensors mit optionaler Reinigungseinheit wird
bitte den entsprechenden Anleitungen.
ein Luftschlauch benötigt. Weiter erforderlich ist entweder ölfreie
Druckluft (6 bar) und ein Magnetventil, oder das Druckluftreinigungs-
Installation mit Kettenhalterung
system HOAB.
In offenen Rinnen, Schächten und Tanks wird der FP 360 sc-Sensor mit
Bei der Verwendung des Druckluftreinigungssystems HOAB muss der
der Kettenhalterung installiert.
druckseitige Schlauchanschluss an der Unterseite des Geräts gegen
das mit der Sonde mitgelieferte gerade 6 mm Fitting (Abbildung 2 auf
Abbildung 5 FP 360 sc Messsensor mit Kettenhalterung
Seite 23, Punkt 5) getauscht werden.
Abbildung 6 Schlauch der Reinigungseinheit montieren
1 Sensor ohne Reinigungseinheit 2 Sensor mit Reinigungseinheit
Deutsch 26

Abbildung 7 FP 360 sc Messsensor mit Reinigungseinheit und
Installation mit Durchflusszelle
Kettenhalterung
Für Messmedien ohne Feststoffgehalt und kleinere Probenströme wird
der FP 360 sc-Sensor mit der Durchflusszelle installiert.
Abbildung 8 Installation mit Durchflusszelle
Deutsch 27

Bedienung
SENSOR SETUP
Sensor Setup
WÄHLE SENSOR (bei mehreren Sensoren)
Wenn Sie den Sensor zum ersten Mal anschließen, wird die
KALIBRIEREN
Seriennummer des Sensors als Sensorname angezeigt. Den
Verhalten der Ausgänge während der Kalibrierung
Sensornamen können Sie wie folgt ändern:
AUSGANGSMODUS
oder Nullpunkteinstellung
1. Öffnen Sie das HAUPTMENÜ.
HALTEN
2. Wählen Sie SENSOR SETUP und bestätigen Sie.
MITLAUFEN
3. Wählen Sie den entsprechenden Sensor und bestätigen Sie.
ERSATZWERT
4. Wählen Sie KONFIGURIEREN und bestätigen Sie.
MESSWERT SENS aktueller, unkorrigierter Messwert
5. Wählen Sie NAME MESSORT und bestätigen Sie.
FAKTOR: 0.1 bis 100
6. Editieren Sie den Namen und bestätigen Sie, um zum SENSOR
KONFIGURIEREN
SETUP Menü zurückzukehren.
OFFSET: –1000 bis +1000
Vervollständigen Sie in gleicher Weise Ihre Systemkonfiguration mit der
FAKTOR
Einstellung folgender Menüpunkte:
OFFSET
• PARAMETER
2 PUNKTE
• EINHEIT WÄHLEN
3 PUNKTE
• MITTELWERT
4 PUNKTE
• LOGGER
5 PUNKTE
• VERSTÄRK.
Erscheint, wenn FAKTOR unter KONFIGURIEREN
Menü Struktur
FAKTOR
ausgewählt wurde. Detaillierte Beschreibung siehe
Kalibrierung auf Seite 30.
SENSOR STATUS
Erscheint, wenn OFFSET unter KONFIGURIEREN
OFFSET
ausgewählt wurde. Detaillierte Beschreibung siehe
WÄHLE SENSOR (bei mehreren Sensoren)
Kalibrierung auf Seite 30.
FEHLER Mögliche Fehlermeldungen: SENSOR FEHLER
Erscheint, wenn 2 PUNKTE unter
2 PUNKTE
KONFIGURIEREN ausgewählt wurde. Detaillierte
Mögliche Warnmeldungen: WARTUNG, LAMPENWECHSEL,
Beschreibung siehe Kalibrierung auf Seite 30.
WARNUNGEN
LETZTE KONFIG, SOLLWERT
Erscheint, wenn 3 PUNKTE unter
3 PUNKTE
KONFIGURIEREN ausgewählt wurde. Detaillierte
Hinweis: Im Abschnitt Störungen, Ursachen, Beseitigung auf Seite 33
Beschreibung siehe Kalibrierung auf Seite 30.
finden Sie neben der Auflistung sämtlicher Fehler- und Warnmeldungen
auch die Beschreibung aller notwendigen Maßnahmen.
Erscheint, wenn 4 PUNKTE unter
4 PUNKTE
KONFIGURIEREN ausgewählt wurde. Detaillierte
Beschreibung siehe Kalibrierung auf Seite 30.
Deutsch 28

SENSOR SETUP (Fortsetzung)
SENSOR SETUP (Fortsetzung)
WÄHLE SENSOR (bei mehreren Sensoren)
WÄHLE SENSOR (bei mehreren Sensoren)
KALIBRIEREN
DIAG/TEST
Erscheint, wenn 5 PUNKTE unter
SENSOR INFO
5 PUNKTE
KONFIGURIEREN ausgewählt wurde. Detaillierte
NAME SENSOR Gerätename
Beschreibung siehe Kalibrierung auf Seite 30.
NAME MESSORT
Sicherheitsabfrage, Rücksetzen auf (FAKTOR=1,
WERKS-KAL
OFFSET=0)
GERÄTENUMMER Seriennummer des Gerätes
MESSBEREICH 0 bis 500 oder 0 bis 5000
KONFIGURIEREN
TYPENBEZ. Artikel-Nr. Sensor
bis 16-stelliger Name möglich,
NAME MESSORT
WERKS-KONFIG: Seriennummer des Sensors
SOFTWARE-VERS Sensor-Software
PAK: Messwert bezogen auf PAK-Kalibrierstandard
ZÄHLER
PARAMETER
OIL: Messwert bezogen auf Öl-Kalibrierstandard
BETRIEBS-
WERKS-KONFIG: PAK
Betriebsstundenzählwerk
STUNDEN
ppb, ppm, µg/L, mg/L,
EINHEIT WÄHLEN
WARTUNG Zählwerk Tage rückwärts
WERKS-KONFIG: ppb
LAMPENWECHSEL Zählwerk Tage rückwärts
1 bis 300 s,
MITTELWERT
WERKS-KONFIG: 3 s
SERVICE
5 s, 30 s, 1, 2, 3, 4, 5, 6, 10, 15, 30 min,
AUSGANGSMODUS Verhalten der Geräteausgänge im SERVICE-Menü
LOGGER
WERKS-KONFIG: 10 min
HALTEN
Messbereich 0 bis 500 ppb: AUTO, 0.01 bis 50,
0.01 bis 500,
MITLAUFEN
VERSTÄRK.
Messbereich 0 bis 5000 ppb: AUTO, 0.01 bis 500,
ERSATZWERT
0.01 bis 5000
WERKS-KONFIG: AUTO
SIGNALE
Sicherheitsabfrage,
I LAMPE Intensität der Blitzlampe
WERKS-KONFIG
Rücksetzen auf Werkskonfiguration bei allen oben
Nullpunkt und Steilheitskontrolle mit externen
aufgeführten Menüpunkten.
DIAG / TEST
Standards
OFFSET MESSW
KAL
TROCKEN-
STD
passwortgeschützter Zugang für den Service
Deutsch 29

Die Messbedingungen können sich ändern in Bezug auf
Kalibrierung
• Zusammensetzung der PAK- oder Öl-Verunreinigungen
Werkskalibrierung
• Verteilung der Verunreinigungen im Wasser
Nullpunkt und Steilheit der Kalibrierkurve sind ab Werk eingestellt. Eine
• Temperatur
Nachkalibrierung dieser Grundeinstellungen ist in der Regel außerhalb
• Zusammensetzung des Messmediums
der Inspektionsintervalle nicht erforderlich.
• Messsensor und Messfenster
Führen Sie regelmäßige Nullpunkt-Kontrollen durch, um sicher
Verschmutzungen oder Störungen zu erkennen (siehe Nullpunkt
Faktorermittlung und Anpassung der Steilheit
kontrollieren auf Seite 31).
Zur Anpassung der Steilheit des Sensors gehen Sie wie folgt vor:
Führen die Bestandteile des Messmediums oder die
1. Nehmen Sie am Installationsort des Sensors eine Probe des
Installationsbedingungen bei der Messung zu einem erhöhten
Messmediums und analysieren Sie diese zeitnah auf den PAK-
Nullsignal, können Sie diesen Einfluss über eine Offset-Korrektur
oder Ölgehalt.
kompensieren. Führen Sie hierzu eine Laboranalyse der Probe durch.
2. Notieren Sie den angezeigten Messwert am Controller zum
Wenn tatsächlich keine PAK-/Ölverunreinigung im Messmedium vorliegt,
Zeitpunkt der Probenahme. Achten Sie auf die richtige Einheit des
geben Sie den vom Gerät angezeigten Messwert als Offset ein (siehe
Messwerts, z. B. als ppm Öl.
Anpassung des Nullpunkts (OFFSET) auf Seite 31).
3. Wiederholen Sie Punkt 1 und 2 mehrmals.
Prozesskalibrierung/Anpassung
4. Errechnen Sie aus jedem Laborwert und dem am Controller zum
Der Sensor ist werkseitig mit unterschiedlichen Konzentrationen eines
Zeitpunkt der Probenahme angezeigten Wert einen Faktor.
speziellen Kalibrierstandards in Reinstwasser kalibriert. Diese optimalen
5. Errechnen Sie einen Mittelwert aus den Faktoren.
Messbedingungen sind in der Praxis nur selten gegeben. Die
6. Geben Sie den gemittelten Faktor als Steilheit ein (siehe
angezeigten Messwerte sind ohne Anpassung an die vor Ort gegebenen
Anpassung der Steilheit (FAKTOR) auf Seite 31).
Messbedingungen qualitative Trendanzeigen.
Wenn Sie quantitativ richtige Messwerte benötigen, ist entweder eine
Beispiel für Motoröl Beispiel für Naphthalin
Anpassung der Steilheit oder eine Mehrpunktkalibrierung notwendig.
Laborwert: 4,0 ppm Öl
Laborwert: 420 ppb PAK
Beides muss vor Ort unter Verwendung von Laboranalysedaten
1
1
Messwertanzeige
: 2,4 ppm Öl
Messwertanzeige
: 120 ppb PAK
durchgeführt werden. Grundvoraussetzung für quantitative Messungen
errechneter Faktor: 1,67
errechneter Faktor: 3,5
sind genaue Kenntnisse über die auftretende Ölsorte und gleich
bleibende Messbedingungen, z. B. im Kühlwasser eines
1 zum Zeitpunkt der Probennahme
Wärmetauschers. Wenn mehrere Öle in variierenden Anteilen
vorhanden sein können, ist eine quantitative Messung in den meisten
Sinnvoll ist eine Anpassung der Steilheit, wenn folgende
Fällen nicht möglich.
Voraussetzungen vorliegen:
Wenn sich die Messbedingungen ändern, müssen Sie die Richtigkeit der
• Der angezeigte Messwert bei einer PAK-/ölfreien Probe des
Messwerte erneut mit Laboranalysen prüfen und gegebenenfalls erneut
Messmediums muss nahe bei Null liegen.
anpassen.
• Die aus den Laborwerten errechneten Faktoren müssen eine
sinnvolle Mittelwertbildung zulassen.
Falls diese Voraussetzungen nicht vorliegen, sollte eine
Mehrpunktkalibrierung erfolgen.
Deutsch 30

Hinweis: Falls sowohl Nullpunkt als auch Steilheit geändert werden
Anpassung von Steilheit und Nullpunkt;
sollen, verwenden Sie die 2-Punktkalibrierung (siehe Mehrpunkt-
Mehrpunktkalibrierung
Kalibrierung (2 bis 5 Punkt-Kalibrierung) auf Seite 32).
Anpassung der Steilheit (FAKTOR)
Mehrpunktkalibrierung
1. Öffnen Sie das HAUPTMENÜ.
Bei einer Mehrpunktkalibrierung geben Sie als Sollwert den Laborwert
2. Wählen Sie SENSOR SETUP und bestätigen Sie.
und als Istwert den Anzeigewert ein. Achten Sie darauf, dass alle Werte
3. Wählen Sie den entsprechenden Sensor und bestätigen Sie.
in der gleichen Einheit eingegeben werden, z. B. als ppm Öl. (siehe
4. Wählen Sie KALIBRIEREN und bestätigen Sie.
Mehrpunkt-Kalibrierung (2 bis 5 Punkt-Kalibrierung) auf Seite 32).
5. Wählen Sie KONFIGURIEREN und bestätigen Sie.
Nullpunkt kontrollieren
6. Wählen Sie FAKTOR und bestätigen Sie.
• Medium: Reinstwasser
7. Geben Sie den errechneten Faktor ein und bestätigen Sie.
• Sollwert: < 1 ppb. Reinigen Sie bei Abweichungen das Fenster.
8. Gehen Sie zurück ins HAUPTMENÜ oder in die Messbetriebs-
Anzeige.
Verwenden Sie ein ausreichend großes Glasgefäß (kein Kunststoff), das
die Messung bei einem Abstand des Messfensters vom Boden von 8 bis
Anpassung des Nullpunkts (OFFSET)
10 cm erlaubt (z.B. 1000 ml Becherglas). Legen Sie eine schwarze,
nichtreflektierende Unterlage unter das Gefäß und schalten Sie
1. Öffnen Sie das HAUPTMENÜ.
künstliche Lichtquellen während der Messung aus.
2. Wählen Sie SENSOR SETUP und bestätigen Sie.
Hinweis: In Luft ist der anzeigte Messwert wegen Reflexionen an der
3. Wählen Sie den entsprechenden Sensor und bestätigen Sie.
Fensteroberfläche nicht exakt bei Null. Das ist das normale Verhalten
4. Wählen Sie KALIBRIEREN und bestätigen Sie.
des Sensors und kein Anzeichen für eine Fehlfunktion.
5. Wählen Sie KONFIGURIEREN und bestätigen Sie.
Hinweis: Verwenden Sie unbedingt Reinstwasser. Destilliertes Wasser
6. Wählen Sie OFFSET und bestätigen Sie.
oder VE Wasser ist nicht geeignet, da organische Verbindungen
7. Geben Sie den gewünschten Offset ein und bestätigen Sie.
enthalten sein können.
8. Gehen Sie zurück ins HAUPTMENÜ oder in die Messbetriebs-
Anzeige.
Deutsch 31

Mehrpunkt-Kalibrierung (2 bis 5 Punkt-Kalibrierung)
Wartung
Hinweis: Bei der Mehrpunktkalibrierung müssen die Wertepaare immer
Das Innere des Sensors ist wartungsfrei.
in aufsteigender Reihenfolge eingegeben werden.
Entscheidend für die Richtigkeit der Messergebnisse ist die Sauberkeit
1. Öffnen Sie das HAUPTMENÜ.
des Messfensters im Sensorkopf. Kontrollieren Sie in regelmäßigen
Abständen das Messfenster auf Verschmutzung. Die Kontrollintervalle
2. Wählen Sie SENSOR SETUP und bestätigen Sie.
sind vom Messmedium abhängig. Führen Sie nach ungewöhnlich hohen
3. Wählen Sie den entsprechenden Sensor und bestätigen Sie.
Messwerten ebenfalls eine Kontrolle und falls erforderlich eine manuelle
4. Wählen Sie KALIBRIEREN und bestätigen Sie.
Reinigung des Messfensters durch (siehe Messfenster reinigen auf
5. Wählen Sie KONFIGURIEREN und bestätigen Sie.
Seite 33).
6. Wählen Sie die Art der Kalibrierung, z. B. 2 PUNKTE und
Passen Sie bei Sensoren mit Reinigungseinheit die Intervalle der
bestätigen Sie.
automatischen Reinigung den Messbedingungen an. Je mehr Feststoffe
7. Wählen Sie WERTEPAAR1 und bestätigen Sie.
das Messfenster verschmutzen können, desto kürzer muss das
Reinigungsintervall sein.
8. Editieren Sie den SOLLWERT und bestätigen Sie.
9. Editieren Sie den ISTWERT und bestätigen Sie.
10. Wiederholen Sie den Vorgang für WERTEPAAR2 und bestätigen
ACHTUNG
Sie.
Bei einem Einsatz in korrosiven Medien muss beachtet werden,
11. Gehen Sie zurück ins HAUPTMENÜ oder in die Messbetriebs-
dass einige Teile der Aufhängevorrichtung (Schäkel und Kette der
Anzeige.
Kettenhalterung) aus Edelstahl sind und gegebenenfalls
korrodieren können.
Tabelle 1 Wartungskalender
1
Intervall Wartungsarbeit
Auf Verschmutzung und
Sichtkontrolle Applikationsabhängig
Korrosion prüfen.
Inspektion des
Stecker und Blitzlampe
Alle 2 Jahre
Systems
prüfen.
Prüfung der
Alle 2 Jahre Kalibrierung prüfen
Kalibrierung
1 Bei Betrieb laut Werkseinstellungen und bestimmungsgemäßem Gebrauch
Kontaktieren Sie alle 2 Jahre die Serviceabteilung des Herstellers zur
Inspektion, Prüfung, Kalibrierung und Dichtungswechsel des Sensors.
Alle 4 Jahre wird zusätzlich die Blitzlampe gewechselt.
Deutsch 32

Messfenster reinigen
Störungen, Ursachen, Beseitigung
Fehlermeldungen
VORSICHT
Mögliche Fehler des Sensors werden vom sc Controller angezeigt.
Reinigungsmittel können gesundheitsgefährdend sein.
Tragen Sie eine persönliche Schutzausrüstung und vermeiden Sie
Angezeigte Fehler Ursache Beseitigung
den direkten Kontakt mit Reinigungsflüssigkeiten.
SENSOR FEHLER Elektronik defekt Hersteller-Kundendienst rufen
ACHTUNG
Warnmeldungen
Andere Lösungsmittel können das Material beschädigen. Durch
Mögliche Warnmeldungen des Sensors werden vom sc Controller
unsachgemäße Reinigung entstandene Folgeschäden sind kein
angezeigt.
Garantiefall.
Angezeigte
1. Spülen Sie den Sensor mit Frischwasser, bis alle anhaftenden
Ursache Beseitigung
Warnungen
Feststoffe entfernt sind.
2. Verwenden Sie reines Aceton und ein sauberes weiches Tuch
WARTUNG Zählwerk abgelaufen Hersteller-Kundendienst rufen
(z. B. Reinigungspapier für Kamera-Objektive) um am Messfenster
LAMPENWECHSEL Zählwerk abgelaufen Hersteller-Kundendienst rufen
haftende Beläge vorsichtig zu entfernen. Vermeiden Sie Kratzer auf
Geänderte
der Oberfläche des Messfensters.
Neue Konfiguration noch
LETZTE KONFIG
Konfiguration wurde
einmal senden
3. Spülen Sie Lösungsmittelrückstände mit Frischwasser ab.
nicht angenommen
Bei
Mehrpunktkalibrierung
Werte nicht in
Kalibrierwerte in aufsteigender
SOLLWERT
aufsteigender
Reihenfolge eingeben
Reihenfolge
eingegeben
Verschleißteile
Durchschnittliche
Bezeichnung Anzahl
Lebensdauer
Blitzlampe 1 4 Jahre
O-Ringe 4 2 Jahre
Deutsch 33

Deutsch 34

Italiano
Specifiche tecniche
Le specifiche tecniche sono soggette a modifiche senza preavviso.
Misura
Il processo di misurazione a fluorescenza UV per IPA (idrocarburi policiclici aromatici)
Metodo di misura
Lunghezza d'onda di eccitazione: 254 nm; Lunghezza d'onda di riemissione (misurazione): 360 nm
Da 0 a 50 ppb e da 0 a 500 ppb in relazione allo standard di calibrazione IPA, corrispondente a un
Intervallo di misurazione basso
valore compreso tra
0,1 e 1,5 ppm e da 0,1 a 15 ppm in relazione allo standard di calibrazione olio
Intervallo di misurazione
Da 0 a 500 ppb e da 0 a 5000 ppb in relazione allo standard di calibrazione IPA, corrispondente a un
Intervallo di misurazione alto
valore compreso tra
0,1 e 15 ppm e da 0,1 a 150 ppm in relazione allo standard di calibrazione olio
Unità di visualizzazione ppb, ppm, µg/L, mg/L
Precisione 2.5% del valore di misurazione a temperatura costante
Accuratezza misura 5% del valore di misurazione ±2% dal limite dell'intervallo di misurazione a temperatura costante
Limite di rilevamento 1,2 ppb (IPA)
Tempo di risposta 10 s (T90)
Calibrazione di fabbrica con standard di calibrazione a fluorescenza UV, con possibilità di
Calibrazione
personalizzazione
Versione software del sensore
Versione software Da 1.14
Proprietà dell'apparecchiatura
Sensore Versione in acciaio da 2,8 kg, versione in titanio da 1,8 kg
Peso
Cella a flusso Circa 0,6 kg, con supporto di installazione circa 2,0 kg
Sensore Max. 30 bar
Intervallo di pressione
Cella a flusso Max. 1 bar
Italiano 35

68 mm × 306 mm (2,68 × 12,05 pollici) (senza connettori o perni di sospensione)
Sensore di misurazione
68 mm × 399 mm (2,68 × 15,71 pollici) (incluso perno di sospensione)
(Ø × lunghezza)
Dimensioni
68 mm × 413 mm (2,68 × 16,26 pollici) (con opzione per sistema di pulizia aggiuntivo)
98 mm × 98 mm × 150 mm (3,86 × 3,86 × 5,91 pollici) (senza raccordi),
Cella a flusso (L × A × P)
supporto di installazione 600 × 300 × 10 mm (23,62 × 11,81 × 0,39 pollici)
Proprietà dell'apparecchiatura (continua)
Alloggiamento: acciaio 1.4571 o titanio
Supporto ottico: POM
Bulloni alloggiamento: acciaio 1.4571
Sensore
Finestra di misura: vetro in quarzo sintetico (Suprasil)
Guarnizioni (alloggiamento): Viton
Guarnizioni (finestra di misura): gomma nitrilica NBR (Nitrile Butadiene Rubber)
Materiali
Alloggiamento: POM
Supporto di installazione: PVC
Cella a flusso
Guarnizioni: gomma nitrilica NBR (Nitrile Butadiene Rubber)
Raccordi: ottone placcato nickel
Moschettone Acciaio 1.4301
Considerazioni ambientali
Temperatura media di misurazione Da 1 a 40 °C (da 34 a 104 °F)
Da –5 a + 45 °C (da 23 a 113 °F)
Temperatura ambiente
Sensore di misurazione bagnato almeno per metà nel mezzo di misura:
da –25 a +55 °C (da -13 a 131 °F)
Distanza sensore - parete/terreno Minimo 100 mm (3,94 pollici) (consigliato)
Varie
Lunghezza cavo 1,5 o 10 m, prolunga massima 40 m
Lato sensore 8 pin, tipo di protezione IP68, PUR
Informazioni di
collegamento
Lato controller M12, tipo di protezione IP67
Intervallo di manutenzione Ogni 2 anni; Stipulando contratto annuale di assistenza tecnica, garanzia estendibile fino a 5 anni
Manutenzione Se necessario, pulire la finestra di misura. La frequenza dipende dalla matrice.
Compatibilità CE
Garanzia 2 anni
Italiano 36

Dimensioni
Figura 1 Sensore senza e con unità di pulizia
1 Sensore senza unità di pulizia 2 Sensore con unità di pulizia
Italiano 37

Nota: Informazioni operative aggiuntive per l’utente.
Informazioni generali
Etichette di avvertimento
Informazioni sulla sicurezza
Leggere tutte le etichette e le targhette affisse sullo strumento. La
Si prega di leggere attentamente il presente manuale in tutte le sue parti
mancata osservanza delle stesse può infatti causare lesioni personali o
prima di disimballare, configurare o mettere in funzione
danni allo strumento. Ogni simbolo presente sullo strumento è
l'apparecchiatura. Prestare particolare attenzione a tutte le indicazioni di
documentato nel manuale con una informazione precauzionale.
pericolo ed avvertenza. La mancata osservanza di tali indicazioni può
causare lesioni, anche gravi, all'operatore o danneggiare
Questo è un segnale di avviso di sicurezza. Rispettare tutti i
l'apparecchiatura.
messaggi di sicurezza che seguono questo simbolo per evitare
potenziali incidenti. Se riportato sullo strumento, fare riferimento al
Assicurarsi che la protezione fornita da questa apparecchiatura non sia
manuale di istruzioni per informazioni sulla sicurezza o sul
danneggiata. Non utilizzare o installare questa apparecchiatura in modo
funzionamento.
diverso da quanto specificato nel presente manuale.
Informazioni sui rischi
Questo simbolo indica il rischio di potenziali scosse elettriche e/o
folgorazioni.
PERICOLO
Indica una situazione di pericolo potenziale o imminente che, se
Questo simbolo indica che la lampada UV è utilizzata con
non evitata, può essere causa di gravi infortuni, con conseguenze
l'apparecchiatura.
anche fatali.
Le apparecchiature elettriche contrassegnate con questo simbolo
AVVERTENZA
non possono essere smaltite attraverso sistemi di smaltimento
domestici o pubblici europei dopo la data 12 agosto 2005. In
Indica una situazione di pericolo potenziale o imminente che, se
conformità con i regolamenti europei locali e nazionali (direttiva UE
non evitata, potrebbe essere causa di gravi infortuni, con
2002/96/CE), gli utenti dovranno restituire le apparecchiature vecchie
conseguenze anche fatali.
o non più utilizzabili al produttore, il quale è tenuto a provvedere allo
smaltimento gratuito.
Nota: Per la restituzione finalizzata al riciclaggio, contattare il
ATTENZIONE
produttore o il fornitore dell'apparecchiatura per ottenere
informazioni sulle modalità di restituzione ai fini del corretto
Indica una situazione potenzialmente pericolosa che può essere
smaltimento dell'apparecchiatura e di tutti gli accessori non
causa di infortuni di modesta o moderata gravità.
più utilizzabili.
AVVISO
Indica una situazione che, se non evitata, può essere causa di
danni allo strumento. Informazioni che richiedono particolare
attenzione da parte dell’utente.
Italiano 38

Descrizione del prodotto
Componenti del prodotto
Il sensore è disponibile in diverse tipologie.
Fare riferimento a Figura 2 per accertarsi che tutti i componenti siano
PERICOLO
stati ricevuti. Qualora qualcuno degli elementi elencati mancasse o
L'uso di questo prodotto non è adatto in ambienti con atmosfere
risultasse danneggiato, contattare immediatamente il produttore o un
potenzialmente esplosive.
responsabile commerciale di zona.
Figura 2 Sensore FP 360 sc
AVVERTENZA
I raggi UV della lampada flash sono dannosi per occhi e pelle.
Non guardare mai direttamente nella finestra di misura durante
l'uso dell'apparecchiatura. Rimuovere il sensore prima di eseguire
operazioni di manutenzione o di installazione.
Il sensore FP 360 sc è un fluorimetro UV utilizzato per misurare in
continuo la concentrazione di IPA (idrocarburi policiclici aromatici)
nell'acqua. I valori di misurazione possono essere convertiti per indicare
la concentrazione totale di oli minerali tramite i dati di laboratorio.
Potrebbe essere necessario installare il sensore con accessori
aggiuntivi, in base al tipo di applicazione.
Area di applicazione Installazione con Varianti del sensore
Canali aperti, pozzi, serbatoi
Sensore con o senza
Kit montaggio a catena
(solidi sospesi max. 200 mg/L)
unità di pulizia
Mezzo di misura senza solidi
Sensore senza unità di
sospesi, con flusso
Cella a flusso
pulizia
campione basso, continuo
Non applicare il sensore in caso di forti effetti meccanici.
1 Sensore di misurazione
5 Raccordo da 6 mm per l'unità di
FP 360 sc
pulizia (in base al modello)
2 Manuale di base utente con CD 6 Manicotto di protezione
3 Finestra di misura 7 Cavo di collegamento
4 Sensore con unità di pulizia (in
8 Moschettone
base al modello)
Italiano 39

Test funzionale
Installazione
ATTENZIONE
PERICOLO
Prima di alimentare l'apparecchiatura, fare riferimento alle
Pericolo di lesioni personali. Le operazioni descritte nel presente
istruzioni operative del controller.
capitolo del manuale devono essere eseguite esclusivamente da
personale qualificato.
Dopo la rimozione dei componenti dalla confezione, effettuare un test
funzionale.
1. Collegare il cavo di collegamento al sensore (connettore a 8 pin
AVVISO
polarizzati) e ad un controller sc appropriato (connettore a 5 pin
Se il sensore non è completamente immerso, si consiglia di
polarizzati) (fare riferimento a Collegamento del cavo del sensore a
utilizzare una protezione solare in ambienti con temperature
pagina 40).
elevate e con intensa radiazione solare, per proteggersi dagli
2. Alimentare il controller sc. Il display viene attivato e il sensore
effetti del calore e dei raggi UV.
passa in modalità di misura.
Il sensore emette un ticchettio lieve e regolare.
3. Coprire la finestra di misura con un foglio di carta bianco (non
Collegamento del cavo del sensore
utilizzare carta riciclata).
4. Variare la distanza tra la finestra di misura e la carta. Il valore di
misurazione sul display cambia di conseguenza.
ATTENZIONE
Nota: Il valore della misurazione non è esattamente zero, a causa dei
Posizionare sempre i cavi e i tubi in modo che non risultino piegati
riflessi sulla superficie della finestra (fare riferimento a Controllo del
e non possano creare intralcio.
punto zero a pagina 47).
ATTENZIONE
Prima di alimentare l'apparecchiatura, fare riferimento alle
istruzioni operative del controller.
1. Collegare la presa polarizzata del cavo di collegamento al
connettore del sensore (connettore a 8 pin) (fare riferimento a
Figura 3 passaggio 1).
2. Premere il manicotto di protezione sul connettore (passaggio 2).
3. Serrare manualmente il manicotto di protezione (passaggio 3).
Italiano 40

