Hach-Lange FP 360 sc Basic User Manual – страница 12
Инструкция к Hach-Lange FP 360 sc Basic User Manual

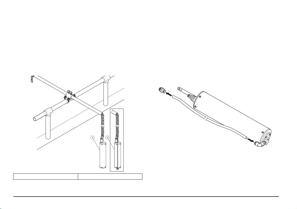
Az érzékelőkábel csatlakoztatása
4. Távolítsa el a vezérlő aljzatának védősapkáját, és őrizze azt meg,
mert szükség lehet rá a csatlakozó nyílásának lezárásához, amikor
el kell távolítani az érzékelőt.
VIGYÁZAT
5. Csatlakoztassa az érzékelőt a vezérlőhöz az ékelt gyorscsatlakozó
A kábeleket és a tömlőket mindig úgy helyezze el, hogy ne
segítségével. Húzza meg kézzel (lásd: 4. ábra).
törjenek meg, és ne álljon fenn a szétkapcsolás veszélye.
Megjegyzés: A csatlakozókábelek különféle hosszúságban kaphatók. A
teljes kábelhosszúság megengedett értéke 40 m (131,23 láb).
VIGYÁZAT
4. ábra Az érzékelő csatlakoztatása a vezérlőhöz
A tápfeszültség bekapcsolása előtt lásd a vezérlő kezelési
utasításait.
1. Csatlakoztassa a csatlakozókábel polarizált aljzatát az érzékelő
dugójába (8 tűs dugó) (lásd: 3. ábra, 1. lépés).
2. Nyomja rá a biztonsági perselyt a dugóra (2. lépés).
3. Rögzítse kézzel megfelelő helyzetbe a biztonsági perselyt (3.
lépés).
3. ábra Az érzékelőkábel csatlakoztatása az érzékelőhöz
Magyar 221

Telepítési tartozékok
Láncszerelő készlet telepítése tisztítóegységgel rendelkező
érzékelőkhöz
Az alkalmazási területtől függően az érzékelő telepítésénél kiegészítő
A tisztítóegység tömlőjének felszerelése
tartozékokra is szükség lehet.
Megjegyzés: A részletes telepítési tudnivalókat a tartozékokhoz
Megjegyzés: A választható tisztítóegységgel rendelkező érzékelő
mellékelt dokumentáció tartalmazza.
működtetéséhez egy levegőtömlő szükséges. Emellett követelmény az
olajmentes sűrített levegő (6 bar) és egy elektromágneses szelep, illetve
Telepítés láncszerelő készlettel
a HOAB sűrített levegős tisztítórendszer is.
Az FP 360 sc érzékelő telepítése a láncszerelő készlettel történik nyitott
A HOAB sűrített levegős tisztítórendszer esetében cserélje le a
csatornákon, tengelyeken és tartályokon.
berendezés alján a sűrített levegőre csatlakozó tömlőcsatlakozás végét
a szondához kapott egyenes, 6 mm-es szerelvényre (lásd: 2. ábra, 220.
5. ábra Az FP 360 sc mérési érzékelő láncszerelő készlettel
oldal, 5-ös tétel).
6. ábra A tisztítóegység tömlőjének felszerelése
1 Érzékelő tisztítóegység nélkül 2 Érzékelő tisztítóegységgel
Magyar 222

7. ábra Az FP 360 sc mérési érzékelő tisztítóegységgel és
Telepítés áramlási cellával
láncszerelő készlettel
Az FP 360 sc érzékelőt áramlási cellával telepítik a szilárd anyagoktól és
részecskéktől mentes mintákhoz, amelyeknél korlátozott a minta
átfolyása.
8. ábra Telepítés áramlási cellával
Magyar 223

Működtetés
SZENZORBEÁLLÍT
Az érzékelő beállítása
SZENZOR KIVÁL. (ha egynél több érzékelő van)
Amikor első alkalommal csatlakoztatja az érzékelőt, az érzékelő
KALIBRÁLÁS
neveként annak sorozatszáma jelenik meg. Az érzékelő nevének
A kimenetek viselkedése kalibrálás vagy
módosítása:
KIM.MÓD BEÁLL
nullpontbeállítás közben
1. Nyissa meg a FŐMENÜ elemet.
TARTVA
2. Válassza a SZENZORBEÁLLÍT elemet, majd hagyja jóvá.
AKTÍV
3. Jelölje ki a megfelelő érzékelőt, és hagyja jóvá.
ÁLLAPOT BEÁLL.
4. Válassza a BEÁLLÍTÁSOK elemet, és hagyja jóvá.
SZENZ. MÉRÉS Tényleges, helyesbítetlen mérési érték
5. Válassza a NÉV BEVITEL elemet, és hagyja jóvá.
FAKTOR: 0,1–100
6. Szerkessze a nevet, és hagyja jóvá a SZENZORBEÁLLÍT
BEÁLLÍTÁSOK
menühöz való visszatéréshez.
OFFSET: –1000 és +1000 között
Hasonló módon hajtsa végre az érzékelő konfigurálását a következő
FAKTOR
menüelemek választásával:
OFFSET
• PARAM. BEÁLLÍT
2 PONT
• MÉRTÉKEGYSÉG
3 PONT
• ÁTLAGÉRTÉK
4 PONT
• NAPLÓ BEÁLLÍT.
5 PONT
• GAIN ÉRTÉK
A BEÁLLÍTÁSOK alatt a FAKTOR választásakor
Menüszerkezet
FAKTOR
jelenik meg. A részletes tudnivalókat lásd:
Kalibrálás, 226. oldal.
SZENZOR ÁLLAPOT
A BEÁLLÍTÁSOK alatt az OFFSET választásakor
OFFSET
jelenik meg. A részletes tudnivalókat lásd:
SZENZOR KIVÁL. (ha egynél több érzékelő van)
Kalibrálás, 226. oldal.
HIBALISTA Lehetséges hibaüzenetek: ÉRZÉKELŐ HIBA
A BEÁLLÍTÁSOK alatt a 2 PONT választásakor
2 PONT
jelenik meg. A részletes tudnivalókat lásd:
FIGYELM.LIST
Lehetséges figyelmeztető üzenetek: ELLENÖRZ/KARB.,
Kalibrálás, 226. oldal.
A
TÖMÍTÉS, UTOLSÓ BEÁLLÍT., CÉLÉRTÉK
A BEÁLLÍTÁSOK alatt a 3 PONT választásakor
3 PONT
jelenik meg. A részletes tudnivalókat lásd:
Megjegyzés: Az összes lehetséges hibaüzenet és figyelmeztetés
Kalibrálás, 226. oldal.
felsorolását, valamint az ezeknél végrehajtandó intézkedések
A BEÁLLÍTÁSOK alatt a 4 PONT választásakor
ismertetését lásd: Hibaelhárítás, 229. oldal.
4 PONT
jelenik meg. A részletes tudnivalókat lásd:
Kalibrálás, 226. oldal.
Magyar 224

SZENZORBEÁLLÍT (Folytatás)
SZENZORBEÁLLÍT (Folytatás)
SZENZOR KIVÁL. (ha egynél több érzékelő van)
SZENZOR KIVÁL. (ha egynél több érzékelő van)
KALIBRÁLÁS
DIAGN./TESZT
A BEÁLLÍTÁSOK alatt a 5 PONT választásakor
SZENZOR INFO
5 PONT
jelenik meg. A részletes tudnivalókat lásd:
SZENZ. NEVE Az eszköz neve
Kalibrálás, 226. oldal.
NÉV BEVITEL
Biztonsági lekérdezés, visszaállítás: (FAKTOR=1,
ALAP KAL.ÉRT
OFFSET=0)
SZÉRIASZÁM Az eszköz sorozatszáma
TARTOMÁNY 0–500 vagy 0–5000
BEÁLLÍTÁSOK
MODELL SZÁM Az érzékelő cikkszáma
A név legfeljebb 16 karakterből állhat
NÉV BEVITEL
ALAPBEÁLLÍTÁS: érzékelő sorozatszáma
SZOFT. VERZIÓ Az érzékelő szoftvere
PAH: a PAH kalibrálási szabványra vonatkozó
SZÁMLÁLÓ
mérési érték
ÖSSZ IDŐ Üzemóra-számláló
PARAM. BEÁLLÍT
OIL: az olajkalibrálási szabványra vonatkozó
mérési érték
KARBANTARTÁS Állásidő-számláló
ALAPBEÁLLÍTÁS: PAH
TÖMÍTÉS Állásidő-számláló
ppb, ppm, µg/l, mg/l,
MÉRTÉKEGYSÉG
ELLENÖRZ/KARB.
ALAPBEÁLLÍTÁS: ppb
A berendezés kimeneti viselkedése a SZERVIZ
1–300 s,
KIM.MÓD BEÁLL
ÁTLAGÉRTÉK
menün
ALAPBEÁLLÍTÁS: 3 s
TARTVA
5 s, 30 s, 1, 2, 3, 4, 5, 6, 10, 15, 30 min,
NAPLÓ BEÁLLÍT.
ALAPBEÁLLÍTÁS: 10 min
AKTÍV
0–500 ppb tartomány: AUTOMAT., 0,01–50, 0,01–
ÁLLAPOT
500,
BEÁLL.
GAIN ÉRTÉK
0–5000 ppb tartomány: AUTOMAT., 0,01–500,
JELEK
0,01–5000
ALAPBEÁLLÍTÁS: AUTOMAT.
LÁMPA ÁRAM A villanólámpa intenzitása
Biztonsági lekérdezés,
A nullpont és a meredekség ellenőrzése külső
DIAGN./TESZT
ALAPBEÁLLÍTÁS
valamennyi fenti menüparancs visszaállítása az
szabványokkal
alapértelmezés szerinti beállításra.
ALAPVONAL
OLV.
KALIBR. TEST
Jelszóval védett hozzáférés a felülvizsgálathoz
Magyar 225

A mérési feltételek változását a következők okozhatják:
Kalibrálás
• A PAH- vagy olajszennyeződés összetétele
Gyári kalibrálás
• A szennyeződések eloszlása a vízben
A kalibrációs görbe nullpontja és meredeksége előre be van állítva.
• Hőmérséklet
Ezeknél az alapbeállításoknál általában nincs szükség visszamenőleges
• Mérőközeg összetétele
kalibrálásra az ellenőrzési időszakokon kívül.
• Mérési érzékelő és mérőablak
Rendszeres időközönként hajtson végre nullpont-ellenőrzést az
esetleges szennyeződések vagy hibák kiszűréséhez (lásd: A nullpont
A tényezők meghatározása és a meredekség beállítása
ellenőrzése, 227. oldal).
A meredekség beállítása:
Ha a mérőközeg összetevői vagy a telepítési feltételek miatt növekszik a
1. Az érzékelő telepítési helyén szívja fel a mérőközeg laboratóriumi
nullponti jel, ezt a hatást az eltolás helyesbítésével ki lehet egyenlíteni.
mintáját, és haladéktalanul elemezze a minta PAH- és olajtartalmát.
Ehhez hajtsa végre a minta laboratóriumi elemzését. Ha nincs PAH-
2. Jegyezze fel a vezérlőn a mintavétel időpontjában megjelenő
vagy olajszennyeződés a mérőközegben, adja meg az eszköz által
mérési értéket. Ügyeljen arra, hogy a mérési érték a megfelelő
kijelzett mérési értéket eltolási értékként (lásd: A nullpont beállítása
egységben jelenjen meg, például OIL-PPM.
(OFFSET), 227. oldal).
3. Ismételje meg többször az 1. és a 2. lépést.
Folyamatkalibrálás és -beállítás
4. A mintaérték és a mintavétel időpontjában a vezérlőn megjelenő
Az érzékelő előzetesen kalibrálva van a rendkívül tiszta vízre érvényes
érték alapján számítsa ki a tényezőt.
különleges kalibrálási szabvány különböző koncentrációinál. Ezek az
5. Keresse meg a tényezők átlagértékét.
ideális mérési feltételek azonban ritkán fordulnak elő a valóságban. A
6. Adja meg a tényezőt meredekségként (lásd: A meredekség
megjelenített mérési értékek a minőségi trend jelzésére szolgálnak, ha
beállítása (FAKTOR), 227. oldal).
nem hajtottak végre beállításokat a helyszíni mérési feltételeken.
Ha mennyiségileg helyes mérési értékekre van szükség,
Példa motorolajra Példa naftalinra
kontrasztbeállítást vagy többpontos kalibrálást kell végrehajtani. Mindkét
Laboratóriumi érték: 4,0 OIL-PPM
Laboratóriumi érték: 420 PAH-PPB
műveletet a helyszínen a laboratóriumi elemzési adatok
1
1
Megjelenített mérési érték
:
Megjelenített mérési érték
:
felhasználásával kell végrehajtani. A mennyiségi mérések alapvető
2,4 OIL-PPM
120 PAH-PPB
előfeltételei közé tartozik az előforduló olajtípus és az állandó mérési
Számított tényező: 1,67
Számított tényező: 3,5
feltételek (például hideg víz egy hőcserélőben) pontos ismerete. Ha
többféle olaj van jelen különböző mennyiségben, a mennyiségi mérések
1 A mintavétel időpontjában
végrehajtása általában nem lehetséges.
A következő feltételek esetében ajánlatos a meredekség állítása:
Ha a mérési feltételek megváltoznak, újból ellenőrizni kell az
• Ha a mérési minta PAH- vagy olajmentes, a mérési értéknek
eredmények pontosságát a laboratóriumi elemzések alapján, és végre
nullához közelinek kell lennie.
kell hajtani a szükséges beállításokat.
• A laboratóriumi értékekből számított tényezőknek lehetővé kell
tenniük érzékelhető átlagérték származtatását.
Ha ezek a feltételek nem állnak fenn, hajtson végre többpontos
kalibrálást.
Magyar 226

Megjegyzés: Ha a nullpontot és a meredekséget is módosítani kell,
A meredekség és a nullpont beállítása: többpontos
használjon kétpontos kalibrálást (lásd: Többpontos kalibrálás (2–5
kalibrálás
pontos kalibrálás), 228. oldal).
A meredekség beállítása (FAKTOR)
Többpontos kalibrálás
1. Nyissa meg a FŐMENÜ elemet.
Többpontos kalibrálás esetében a laboratóriumi értéket adja meg
2. Válassza a SZENZORBEÁLLÍT elemet, majd hagyja jóvá.
célértékként, míg a megjelenített értéket tényleges értékként. Ügyeljen
3. Jelölje ki a megfelelő érzékelőt, és hagyja jóvá.
arra, hogy az összes értéket azonos mértékegységben vigye be (például
4. Válassza a KALIBRÁLÁS elemet, és hagyja jóvá.
OIL-PPM) (lásd: Többpontos kalibrálás (2–5 pontos kalibrálás),
228. oldal).
5. Válassza a BEÁLLÍTÁSOK elemet, és hagyja jóvá.
6. Válassza a FAKTOR elemet, és hagyja jóvá.
A nullpont ellenőrzése
7. Írja be a számított tényezőt, és hagyja jóvá.
• Közeg: rendkívül tiszta víz
8. Térjen vissza a FŐMENÜ elemre vagy a Mérési mód képernyőre.
• Célérték: < 1 ppb. Eltérés esetén tisztítsa meg az ablakot.
A nullpont beállítása (OFFSET)
Használjon elegendően nagy üveg tartályt (ne műanyagot), amely
lehetővé teszi a mérés végrehajtását 8–10 cm távolsággal a mérőablak
1. Nyissa meg a FŐMENÜ elemet.
és az alapidom között (ilyen például egy 1000 ml-es főzőpohár).
2. Válassza a SZENZORBEÁLLÍT elemet, majd hagyja jóvá.
Helyezzen egy fekete, nem tükröző alátétet a tartály alá, és kapcsolja ki
3. Jelölje ki a megfelelő érzékelőt, és hagyja jóvá.
a mesterséges világítást a mérési folyamat alatt.
4. Válassza a KALIBRÁLÁS elemet, és hagyja jóvá.
Megjegyzés: Levegőben az ablak felületén tapasztalható
5. Válassza a BEÁLLÍTÁSOK elemet, és hagyja jóvá.
visszatükröződések miatt a kijelzett mérési érték nem lesz pontosan
nulla. Ez az érzékelő szokásos viselkedése, és nem jelent hibás
6. Válassza az OFFSET elemet, és hagyja jóvá.
működést.
7. Írja be a kívánt eltolásértéket, és hagyja jóvá.
8. Térjen vissza a FŐMENÜ elemre vagy a Mérési mód képernyőre.
Megjegyzés: Mindig rendkívül tiszta vizet használjon. A desztillált víz és
a lágyított víz nem alkalmas, mert ezek szerves vegyületet
tartalmazhatnak.
Magyar 227

Többpontos kalibrálás (2–5 pontos kalibrálás)
Karbantartás
Megjegyzés: A többpontos kalibrálás azt jelenti, hogy a párokat növekvő
Az érzékelő belseje nem igényel karbantartást.
sorrendben kell bevinni.
Az érzékelő mérőfejében elhelyezkedő mérőablak tisztasága hatással
1. Nyissa meg a FŐMENÜ elemet.
van a mérések pontosságára. Rendszeres időközönként ellenőrizze a
mérőablak tisztaságát. Ezeknek az ellenőrzéseknek a gyakorisága a
2. Válassza a SZENZORBEÁLLÍT elemet, majd hagyja jóvá.
mérőközegtől függ. A szokatlanul nagy mérési értékek esetében is
3. Jelölje ki a megfelelő érzékelőt, és hagyja jóvá.
hajtsa végre az ellenőrzést, és szükség szerint tisztítsa meg a
4. Válassza a KALIBRÁLÁS elemet, és hagyja jóvá.
mérőablakot (lásd: A mérőablakok tisztítása).
5. Válassza a BEÁLLÍTÁSOK elemet, és hagyja jóvá.
A tisztítóegységgel rendelkező érzékelőknél állítsa be a tisztítás
6. Jelölje ki a kalibrálás típusát, például 2 PONTOS, és hagyja jóvá.
gyakoriságát a mérési feltételeknek megfelelően. Az ellenőrzés időközét
7. Válassza az 1 PÁR elemet, és hagyja jóvá.
csökkenteni kell a szilárd anyag bármilyen növekedésekor.
8. Szerkessze a CÉLÉRTÉK mező értékét, és hagyja jóvá.
9. Szerkessze a JELEN ÉRTÉK mező értékét, és hagyja jóvá.
MEGJEGYZÉS
10. Ismételje meg az eljárást a 2 PÁR esetére, és hagyja jóvá.
A függesztőszerkezet egyedi alkatrészei (a láncszerelő készlet
11. Térjen vissza a FŐMENÜ elemre vagy a Mérési mód képernyőre.
kengyele és lánca) rozsdamentes acélból készültek, de
korrodálódhatnak.
Karbantartási ütemterv
1
Időköz Karbantartási feladat
Ellenőrizze, hogy nincs-e
Szemrevételezés Alkalmazástól függ
szennyeződés és
korrózió.
Rendszer
Ellenőrizze a dugókat és
2 évente
felülvizsgálata
a villanólámpát.
Kalibrálás
2 évente Ellenőrizze a kalibrálást.
ellenőrzése
1 Gyári beállításoknak megfelelő működtetésnél és megfelelő használatnál
2 évente lépjen kapcsolatba a gyártó szervizrészlegével, és beszélje
meg az érzékelő vizsgálatát, a tesztelést, a kalibrálást és tömítések
cseréjét. A villanólámpát 4 évente ki kell cserélni.
Magyar 228

A mérőablakok tisztítása
Hibaelhárítás
Hibaüzenetek
VIGYÁZAT
Az sc vezérlő által megjelenített lehetséges érzékelőhibák.
A tisztítószerek egészségre ártalmasak lehetnek.
Használjon védőfelszerelést, és kerülje a közvetlen érintkezést a
Kijelzett hibák Meghatározás Megoldás
tisztítófolyadékokkal.
Elektronikus
Vegye fel a kapcsolatot a
SZENZORHIBA
meghibásodás
gyártó vevőszolgálatával
MEGJEGYZÉS
Figyelmeztetések
Eltérő tisztítószerek használata anyagkárosodást okozhat. A
helytelenül végrehajtott tisztítás okozta károsodásokra nem
Az sc vezérlő által megjelenített, érzékelőre vonatkozó lehetséges
vonatkozik a garancia.
figyelmeztetések.
1. Lágy vízzel öblítse át az érzékelőt a felgyülemlett összes szilárd
Megjelenített
anyag eltávolításához.
Meghatározás Megoldás
figyelmeztetések
2. Használjon tiszta acetont és puha, tiszta ruhát (például
Vegye fel a kapcsolatot a
lencsetisztítót) a mérőablakra került lerakódások óvatos
DIAGN./TESZT Számláló lejárt
gyártó vevőszolgálatával
eltávolításához. Ne használjon éles tárgyakat a mérőablak
felületén.
Vegye fel a kapcsolatot a
TÖMÍTÉS Számláló lejárt
gyártó vevőszolgálatával
3. Lágy vizes átöblítéssel távolítsa el a tisztítószer maradványait.
A megváltoztatott
Hajtsa végre újra a
UTOLSÓ BEÁLLÍT.
konfiguráció nem
konfigurálást
fogadható el
Többpontos
kalibrálásnál az értékek
Növekvő sorrendben adja meg
CÉLÉRTÉK
nem növekvő
a kalibrálási értékeket
sorrendben lettek
megadva
Cserealkatrészek
Elnevezés Mennyiség Élettartam
Villanólámpa 1 4 év
O-gyűrűk 4 2 év
Magyar 229

Magyar 230

Română
Specificaţii
Specificaţiile pot fi modificate fără înştiinţare.
Măsurătoare
Procesul de măsurare cu radiaţii fluorescente UV pentru hidrocarburile policiclice aromatice (PAH)
Metoda de măsurare
Lungimea de undă de stimulare: 254 nm Lungimea de undă de emisie (măsurată): 360 nm
Domeniu de măsurare a
0 - 50 ppb şi 0 - 500 ppb în relaţie cu standardul de calibrare pentru PAH, care corespunde cu
lungimilor de undă joase
0,1 - 1,5 ppm şi 0,1 - 15 ppm din standardul de calibrare pentru ulei
Domeniu de măsurare
Domeniu de măsurare a
0 - 500 ppb şi 0 - 5000 ppb în relaţie cu standardul de calibrare pentru PAH, care corespunde cu
lungimilor de undă ridicate
0,1 - 1,5 ppm şi 0,1 - 150 ppm din standardul de calibrare pentru ulei
Unităţi de afişare ppb, ppm, µg/l, mg/l
Reproductibilitate 2,5% din valoarea măsurătorii la temperatură constantă
5% din valoarea măsurătorii ±2% din valoarea limită a domeniului de măsurare la temperatură
Precizia măsurării
constantă
Limita de detecţie 1,2 ppb (PAH)
Timp de răspuns 10 s (T90)
Calibrare din fabrică cu un standard de calibrare cu radiaţie UV fluorescentă
, posibilă adaptare
Calibrare
personalizată
Software senzor
Versiunea software De la 1,14
Proprietăţi ale echipamentului
Senzor de măsurare Versiunea din oţel inoxidabil de 2,8 kg, versiunea din titan de 1,8 kg
Greutate
Celulă de măsurare în flux Aproximativ 0,6 kg, inclusiv panoul instalaţiei aproximativ 2,0 kg
Senzor de măsurare Max. 30 bar
Domeniul de presiune
Celulă de măsurare în flux Max. 1 bar
Română 231

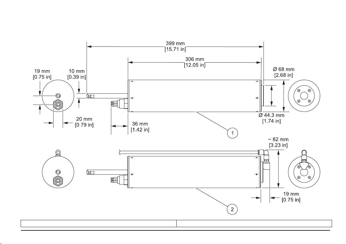
68 mm × 306 mm (2,68 in. × 12,05 in.) (fără prize sau ştift de suspendare)
Senzor de măsurare
68 mm × 399 mm (2,68 in. × 15,71 in.) (inclusiv ştift de suspendare)
(Ø × lungime)
68 mm × 413 mm (2,68 in. × 16,26 in.) (cu opţiuni suplimentare de curăţare)
Dimensiuni
Celulă de măsurare în flux (L ×
98 mm × 98 mm × 150 mm (3,86 in. × 3,86 in. × 5,91 in.) (fără garnituri),
W × D)
panou de instalare: 600 × 300 × 10 mm (23,62 in. × 11,81 in. × 0,39 in.)
Proprietăţi ale echipamentului (continuare)
Carcasă: oţel inoxidabil 1.4571 sau titan
Brăţară optică: POM
Bolţuri carcasă: oţel inoxidabil 1.4571
Senzor de măsurare
Fereastră de măsurare: sticlă din cuarţ sintetic (Suprasil)
Garnituri (carcasă): Viton
Garnituri (fereastră de măsurare): NBR (Cauciuc nitrilic butadienic)
Materiale
Carcasă: POM
Panou de instalare: PVC
Celulă de măsurare în flux
Garnituri NBR (Cauciuc nitrilic butadienic)
Garnituri: alamă placată cu nichel
Eclisă Oţel inoxidabil 1.4301
Consideraţii legate de mediu
Temperatura mediului de măsurare 1 - 40 °C (34 - 104 °F)
–5 până la +45 °C (23 până la 113 °F)
Temperatură ambientală
Senzor de măsurare înmuiat la cel puţin jumătate din mediul de măsurare:
–25 până la +55 °C (-13 până la 131 °F)
Distanţa senzorului - perete/sol Minim 100 mm (3,94 in.) (recomandat)
Diverse
Lungime cablu 1,5 sau 10 m, prelungitor până la o lungime totală maximă de 40 m
Partea senzorului 8 pini, tip de protecţie IP68, PUR
Informaţii despre
conectare
Partea aparatului de control M12, tip de protecţie IP67
Interval de inspecţie La fiecare 2 ani; contract 1 an de service, la cerere, cu extinderea garanţiei până la 5 ani
Cerinţe de întreţinere Curăţaţi fereastra de măsurare dacă este necesar. Intervalele depind de mediul de măsurare.
Conformitate CE
Garanţie 2 ani
Română 232

Dimensiuni
Figura 1 Senzor fără şi cu unitate de curăţare
1 Senzor fără unitate de curăţare 2 Senzor cu unitate de curăţare
Română 233

Informaţii generale
Etichete de atenţionare
Citiţi toate etichetele şi marcajele ataşate instrumentului. În caz de
Informaţii de siguranţă
nerespectare se pot produce vătămări personale sau avarieri ale
instrumentului. Un simbol pe instrument este menţionat în manual cu o
Vă rugăm să citiţi integral manualul înainte de a despacheta, configura
declaraţie de atenţionare.
sau utiliza acest echipament. Acordaţi atenţie tuturor declaraţiilor de
pericol şi avertizare. Dacă nu veţi respecta aceste precizări, riscaţi să vă
Acesta este simbolul de alertă privind siguranţa. Respectaţi toate
răniţi sau să defectaţi echipamentul.
mesajele privind siguranţa care urmează după acest simbol pentru a
Verificaţi dacă protecţia cu care este prevăzută aparatura nu este
evita potenţiale vătămări. În cazul prezenţei pe instrument, consultaţi
defectă; nu utilizaţi şi nu instalaţi aparatura în niciun alt mod decât cel
manualul de instrucţiuni pentru informaţii referitoare la operare sau
siguranţă.
specificat în prezentul manual.
Utilizarea informaţiilor privitoare la riscuri
Acest simbol indică existenţa unui risc de electrocutare.
PERICOL
Indică o situaţie riscantă posibilă sau iminentă care, dacă nu este
evitată, va avea ca rezultat moartea sau rănirea.
Acest simbol arată că o lampă UV este utilizată în echipament.
AVERTISMENT
Aparatura electrică inscripţionată cu acest simbol nu poate fi
eliminată în sistemele publice europene de deşeuri după 12 august
Indică o situaţie riscantă posibilă sau iminentă care, dacă nu este
2005. În conformitate cu reglementările europene locale şi naţionale
evitată, poate avea ca rezultat moartea sau rănirea.
(Directiva UE 2002/96/CE), utilizatorii echipamentelor electrice din
Europa trebuie să returneze producătorului echipamentele vechi sau
care au depăşit durata de viaţă pentru a fi reciclate, fără costuri
ATENŢIE
pentru utilizator.
Indică o situaţie riscantă posibilă care poate avea ca rezultat
Notă: În scopul returnării pentru reciclare, vă rugăm să
rănirea minoră sau moderată.
contactaţi producătorul echipamentului sau furnizorul pentru
instrucţiuni despre returnarea echipamentelor, accesoriilor
furnizate de producător şi a tuturor elementelor auxiliare care
şi-au depăşit durata de viaţă, pentru a fi reciclate
NOTĂ
corespunzător.
Indică o situaţie care, dacă nu este evitată, poate cauza defecţiuni
ale instrumentului. Informaţii care necesită o evidenţiere specială.
Notă: Informaţii care suplimentează puncte din textul principal.
Română 234

Prezentare generală a produsului
Componentele produsului
Senzorul este disponibil într-o varietate de tipuri.
Consultaţi Figura 2 pentru a vă asigura că toate componentele au fost
PERICOL
primite. Dacă unul din aceste elemente lipseşte sau este defect,
Acest produs nu este potrivit pentru utilizarea în atmosfere cu
contactaţi imediat producătorul sau un reprezentant de vânzări.
potenţial exploziv.
AVERTISMENT
Razele UV de la becul de semnalizare sunt dăunătoare ochilor şi
pielii. Nu priviţi direct prin fereastra de măsurare în timpul
funcţionării sub niciun motiv. Scoateţi senzorul de măsurare din
funcţionare înainte de a efectua orice lucrare de întreţinere sau
instalare.
Senzorul FP 360 sc este un fluorimetru UV utilizat pentru măsurarea
continuă a concentraţiei de PAH (hidrocarburi aromatice ciclice) în apă.
Valorile măsurate pot fi transformate pentru a reflecta conţinutul total de
uleiuri minerale utilizând date de laborator.
Este posibil ca senzorul să aibă nevoie să fie instalat cu accesorii
suplimentare, în funcţie de domeniul său de aplicare.
Domeniu de aplicare. Instalare cu Variante de senzori
Canale deschise, cuve,
Trusă de instalare a
Senzor cu sau fără
bazine (materii solide max.
lanţului
unitate de curăţare
200 mg/l)
Medii de măsurare fără
materii solide cu debit
Celulă de măsurare în
Senzor fără unitate de
continuu, scăzut pentru
flux
curăţare
probe
Nu aplicaţi senzorului niciun şoc mecanic dur.
Română 235

Figura 2 Senzorul FP 360 sc
Test de funcţionare
ATENŢIE
Înainte de conectarea la curent electric, consultaţi instrucţiunile de
utilizare ale controllerului.
După ce componentele au fost scoase din pachet, efectuaţi un test de
funcţionare.
1. Conectaţi cablul de conectare la senzor (conector polarizat cu
8pini) şi un controller sc adecvat (conector polarizat cu 5 pini)
(consultaţi Conectaţi cablul senzorului de la pagina 237).
2. Aplicaţi energie electrică controllerului sc. Afişajul este activat, iar
senzorul funcţionează în modul de măsurare.
Senzorul clipeşte silenţios şi regulat.
3. Acoperiţi fereastra senzorului de măsurare cu o foaie de hârtie albă
(nu utilizaţi hârtie reciclată).
4. Variaţi distanţa dintre fereastra de măsurare şi hârtie. Valoarea de
măsurare pe afişaj se va schimba în mod corespunzător.
Notă: În aer, valoarea de măsurare afişată nu este exact zero din cauza
reflexiilor pe suprafaţa ferestrei de măsurare (consultaţi Verificaţi punctul
zero de la pagina 244).
Instalarea
1 Senzorul de măsurare FP 360
5 Garnitură de 6 mm pentru
sc
unitatea de curăţare (în funcţie
de model)
PERICOL
2 Manual de utilizare de bază cu
6 Manşon de protecţie
Pericol de rănire. Sarcinile descrise în această secţiune a
CD
manualului trebuie executate numai de personal autorizat.
3 Fereastră de măsurare 7 Cablu de conectare
4 Senzor cu unitate de curăţare (în
8 Eclisă
NOTĂ
funcţie de model)
Dacă senzorul nu este complet introdus, se recomandă protecţie
solară în mediile cu temperaturi înalte şi radiaţie solară intensă
pentru protecţie împotriva efectelor termice şi UV.
Română 236

Conectaţi cablul senzorului
4. Scoateţi capacul de protecţie de pe priza controllerului şi păstraţi-l
pentru a etanşa deschiderea conectorului în caz că senzorul
trebuie îndepărtat.
ATENŢIE
5. Conectaţi senzorul la controller utilizând o garnitură de conectare
Puneţi întotdeauna cablurile şi tuburile flexibile într-o poziţie în
rapidă. Strângeţi cu mâna (consultaţi Figura 4).
care să nu se îndoaie sau să existe pericol de decuplare.
Notă: Cablurile de conectare sunt disponibile în diferite lungimi.
Lungimea maximă a cablului este 40 m (131,23 ft).
ATENŢIE
Figura 4 Conectaţi senzorul la controller
Înainte de conectarea la curent electric, consultaţi instrucţiunile de
utilizare ale controllerului.
1. Conectaţi mufa polarizată de pe cablul conectorului la mufa
senzorului (mufă cu 8 pini) (consultaţi Figura 3 pasul 1).
2. Împingeţi manşonul de siguranţă pe mufă (pasul 2).
3. Strângeţi cu mâna manşonul de siguranţă în poziţie (pasul 3).
Figura 3 Conectaţi cablul senzorului la senzor
Română 237

Opţiuni de instalare
Instalarea trusei de instalare a lanţului pentru senzori cu
unitate de curăţare
Senzorul poate avea nevoie să fie instalat cu accesorii suplimentare
Instalarea furtunului unităţii de curăţare
opţionale, în funcţie de domeniul de aplicaţie.
Notă: Consultaţi documentaţia furnizată împreună cu accesoriile pentru
Notă: Este necesar un furtun de aer pentru a opera senzorul cu unitate
instrucţiuni suplimentare de instalare.
de curăţare opţională. Este necesar un sistem de aer comprimat fără
urme de ulei (6 bar) şi un ventil electromagnetic sau un sistem de
Instalarea cu trusa de instalare a lanţului
curăţare cu aer comprimat HOAB.
Senzorul FP 360 sc este instalat cu trusa de instalare a lanţului în
Cu sistemul de curăţare cu aer comprimat HOAB, înlocuiţi capătul
canale deschise, cuve şi bazine.
conectării furtunului care este conectată la aerul comprimat pe partea de
jos a instrumentului cu o garnitură dreaptă de 6 mm (consultaţi Figura 2
Figura 5 Senzor de măsurare FP 360 sc cu trusă de instalare a
de la pagina 236, articolul 5) furnizată cu capul de măsurare.
lanţului
Figura 6 Instalarea furtunului unităţii de curăţare
1 Senzor fără unitate de curăţare 2 Senzor cu unitate de curăţare
Română 238

Figura 7 Senzor de măsurare FP 360 sc cu unitate de curăţare şi
Instalarea cu celulă de măsurare a fluxului
trusă de instalare a lanţului
Senzorul de măsurare FP 360 sc cu celulă măsurare a fluxului este
instalat pentru eşantioane fără impurităţi solide sau monoparticule şi
fluxuri limitate de probă.
Figura 8 Instalarea cu celulă de măsurare a fluxului
Română 239

Funcţionarea
CONFIGURARE SENZOR
Configurarea senzorului
SELECT SENSOR (dacă este prevăzut în sistem mai mult de un senzor)
Când senzorul este conectat pentru prima oară, numărul de serie şi
CALIBRATE (CALIBRARE)
numele senzorului sunt afişate pe ecran. Pentru a schimba numele
SET OUTMODE
Comportamentul rezultatelor în timpul calibrării şi
senzorului:
(SETARE MOD IEŞIRE)
reglării la punctul zero
1. Deschideţi MAIN MENU (MENIU PRINCIPAL).
HOLD (OPRIT)
2. Selectaţi SENSOR SETUP (CONFIGURARE SENZOR) şi
ACTIVE (ACTIV)
confirmaţi.
SET TRANSFER
3. Selectaţi respectivul senzor şi confirmaţi.
(SETARE
4. Selectaţi CONFIGURE (CONFIGURARE) şi confirmaţi.
TRANSFER)
5. Selectaţi EDIT NAME (EDITARE NUME) şi confirmaţi.
SENSOR MEASURE
Valoarea curentă, necorectată a măsurării
6. Editaţi numele şi confirmaţi pentru a reveni la meniul SENSOR
(MĂSURARE SENZOR)
SETUP (CONFIGURARE SENZOR).
CONFIGURE
FACTOR: 0,1 - 100
Finalizaţi configurarea senzorului în acelaşi mod, cu următoarele opţiuni
(CONFIGURARE)
OFFSET (DECALAJ): –1000 până la +1000
din meniu selectate:
FACTOR
• SET PARAMETER (SETARE PARAMETRU)
OFFSET (DECALAJ)
• SELECT UNITS (SELECTARE UNITĂŢI)
2 POINT
• AVERAGE (MEDIE)
(2 PUNCTE)
• LOG SETUP (CONFIGURARE JURNAL)
3 POINT
• GAIN VALUE (PRELUARE VALOARE)
(3 PUNCTE)
4 POINT
Structura meniului
(4 PUNCTE)
STARE SENZOR
5 POINT
(5 PUNCTE)
SELECT SENSOR (dacă este prevăzut în sistem mai mult de un senzor)
Este afişat când FACTOR a fost selectat sub
CONFIGURE (CONFIGURARE). Consultaţi
ERROR LIST
Posibile mesaje de eroare: SENSOR ERROR (EROARE
FACTOR
Calibrare de la pagina 243 pentru informaţii
(LISTĂ ERORI)
SENZOR)
detaliate.
Posibile mesaje de avertizare: TEST/MAINT (TESTARE/
WARNING LIST
Este afişat când OFFSET (DECALAJ) a fost
ÎNTREŢINERE), BULB CHANGE (SCHIMBARE BEC), LAST
(LISTĂ
selectat sub CONFIGURE (CONFIGURARE).
CONFIGUR (ULTIMA CONFIGURAŢIE), TARGET VALUE
OFFSET (DECALAJ)
AVERTISMENTE)
Consultaţi Calibrare de la pagina 243 pentru
(VALOARE ŢINTĂ)
informaţii detaliate.
Notă: Consultaţi Depanare de la pagina 246pentru o listă de posibile
mesaje de eroare şi mesaje de avertizare, împreună cu toate o descriere
a tuturor contramăsurilor necesare.
Română 240

