Rothenberger Hydraulik-Expanderanlage H 600 – страница 4
Инструкция к Rothenberger Hydraulik-Expanderanlage H 600

c) Aletinizin kontrolünüz dışında çalışmaması için gerekli önlemleri alın. Fişi prize
takmadan önce açma/kapama şalterinin mutlaka "Kapalı" konumda olduğundan emin
olun. Aleti taşırken parmağınız açma/kapama şalteri üzerinde ise veya aleti açık durumda
akım şebekesine bağlayacak olursanız kaza tehlikesi ile karşılaşırsınız.
d) Aleti çalıştırmadan önce ayar aletlerini veya tornavidaları aletten uzaklaştırın. Dönen
alet parçasına temas halinde bulunan bir uç veya anahtar yaralanmalara neden olabilir.
e) Kendinize çok fazla güvenmeyin. Duruşunuzun güvenli olmasına dikkat edin ve daima
dengenizi koruyun. Bu sayede aletinizi beklenmedik durumlarda daha iyi kontrol edersiniz.
f) Uygun iş giysileri giyin. Çalışırken çok bol giysiler giymeyin ve takı takmayın.
Saçlarınızı, giysilerinizi ve eldivenlerinizi aletin hareketli parçalarından uzak tutun. Bol
giysiler, takılar veya uzun saçlar aletin hareketli parçaları tarafından tutulabilir.
g) Aletinize toz emme donanımı ve toz tutma donanımı takılabiliyorsa, bunların bağlı
olup olmadığını ve doğru işlev görüp görmediklerini kontrol edin. Bu gibi donanımların
kullanılması tozlardan gelebilecek tehlikeleri azaltır.
4) Elektrikli el aletleriyle dikkatli çalışmak ve aleti doğru kullanmak
a) Aletinizi aşırı ölçüde zorlamayın. İşinize uygun elektrikli el aletini kullanın. Uygun
elektrikli el aleti ile belirtilen performans alanında daha iyi ve daha güvenli çalışırsınız.
b) Açma/kapama şalteri arızalı olan elektrikli el aletini kullanmayın. Açılıp kapanamayan
bir elektrikli el aleti tehlikelidir ve onarılması gerekir.
c) Aletin kendinde bir ayarlama yapmadan, aksesuarı değiştirmeden veya aleti elinizden
bırakmadan önce fişi prizden çekin. Bu önlem, aletin kontrolünüz dışında ve istenmeden
çalışmasını önler.
d) Kullanım dışında iken elektrikli el aletinizi çocukların ulaşamayacağı bir yerde
saklayın. Aleti kullanmayı bilmeyen veya bu güvenlik talimatını okumayan kişilerin
aleti kullanmasına izin vermeyin. Deneyimsiz kişiler tarafından kullanıldıkları takdirde
elektrikli el aletleri tehlikeli olabilirler.
e) Aletinizin bakımını özenle yapın. Aletin hareketli parçalarının kusursuz işlev görüp
görmediklerini ve sıkışmadıklarını, parçaların kırık veya hasarlı olup olmadıklarını
kontrol edin, aksi takdirde alet işlevini tam olarak yerine getiremez. Aletinizi
kullanmadan önce hasarlı parçaları onartın. Birçok iş kazası aletlerin kötü ve yetersiz
bakımından kaynaklanır.
f) Kesici uçları keskin ve temiz tutun. İyi bakım görmüş kesici uçlar daha ender sıkışırlar ve
daha iyi yönlendirilirler.
g) Elektrikli el aletlerini, aksesuarı, uçları ve benzerlerini bu güvenlik talimatına uygun
olarak ve alet tipine özgü kurallara uyarak kullanın. Aletinizi kullanırken çalışma
koşullarını ve yaptığınız işi daima dikkate alın. Elektrikli el aletlerini kendileri için
öngörülen işlerin dışında kullanmak tehlikeli durumların ortaya çıkmasına neden olabilir.
5) Servis
Aletinizi sadece uzman bir elemana ve orijinal yedek parçalar kullandırarak onartın.
Böylelikle aletin güvenliğini korumuş olursunuz.
1.3 Güvenlik Talimatları
Cihazı inşaatta ya da nemli mekanlarda sadece bir FI korumalı anahtar üzerinden bağlayınız!
Hariçten kullanılan aletler ve aksesuarların asgari 600 bar kapasiteli olması gereklidir!
Ekspander tabancasını değiştirmeden önce, cihazın basınçsız halde olmasına dikkat ediniz
(ayağı ayak şalterinden çekmek suretiyle)!
Ekspander kafasını ilk çalıştırmadan önce hasarlı olup olmadığı yolunda kontrol ediniz! En ufak
hasarlar bile, cihazın işletimi sırasında insan ve çevre açısından tehlikelere yol açabilir!
Hidrolik tabanca ile kullanılmadan önce her ekspander kafasının ayar ve pozisyonu mutlaka kon-
trol edilmelidir!
Boruları sabit biçimde yerleştiriniz! Boruları her zaman ekspander eksenine paralel olarak
koyunuz ve asla verevlemesine koymayınız! Asla doğrudan cihazın çalışma alanına yaklaşma-
yınız!
TÜRKÇE 57

Her zaman çabuk monte edilebilen alet tezgahı/sehpası ile çalışınız. Bu yolla hem kendinizi hem
de başkalarını kazalardan korur, aynı zamanda da aletlerinizi iyi muhafaza edersiniz!
2 Teknik veriler
58 TÜRKÇE
Nominal akım ....................................
2,1 A
Nominal kapasite ..............................
1,2 kW
Çalışma basıncı ................................
80 – 600 bar
Azami işletme basıncı .......................
700 bar
Nakil kapasitesi .................................
0,82 l/min
Açılma süresi ....................................
100 % - 80 bar
Koruma sınıfı ....................................
I
Koruma türü ......................................
IP 54
A değerli ses düzeyi:
Ses basınç düzeyi (L
pA
) .....................
66 dB (A) ¦ K
pA
3 dB (A)
Ses gücü (akustik) düzeyi (L
WA
) ........
77 dB (A) ¦ K
WA
3 dB (A)
Çalışma esnasında gürültü düzeyi, 85 dB‘yi (A) aşabilir. Kulaklık takınız! Ölçüm değerleri EN
60745-1:2010 normu uyarıncadır.
3 Cihazın fonksiyonu
3.1 Genel bakış (A)
1
Ayak şalteri fişi / soketi
7
“Kurulum/Ayar” Kontrol lambası
2
Alet kumanda fişi / soketi
8
“Arıza” Kontrol lambası
3
1,6 A / 0,25 A Tr. Akım sigortaları
9
İşletme basıncı düğmesi
4
„AÇIK“ ve „KAPALI“ şalterleri
10
Mahfaza
5
„Kurulum/Ayar“ ve „Otomatik“ şalteri
11
Hidrolik boru / Seri kuplaj bağlantısı
6
“İşletime hazır” Kontrol lambası
12
Emniyet ayak şalteri
3.2 Cihaz tarifi
ROTHENBERGER H 600 Elektro hidrolik cihazı veya Ekspander tesisi, sanayi ve zanaatta nor-
mal ve kalın duvarlı boruların seri biçimde genişletilmesi, inceltilmesi/kısaltılması ve kalibre edil-
mesinde kullanılan üniversal ve portatif bir tesistir.
Tesis, iki ana gruptan meydana gelmektedir:
1.
Hidrolik pompa ve kumanda (13002 H 600 Elektro hidrolik cihaz)
2.
Alet taşıyıcı olarak hidrolik tabanca (Ekspander tabanca H 1 No. 12001 H 600 No. 13100
Ekspander tesisinin teslimat 13100 kapsamındadır, ya da aksesuar olarak H 2 No. 12002
ekspander tabancası satın alınabilir)
Kurulum/Ayar ve Otomatik işletimli kademesiz ve hassas olarak ayarlanabilen çalışma basıncı
sayesinde malzemeye uygun iş çıkarma yeteneği sağlanmaktadır.
Aşağıdaki ROTHENBERGER Ekspander kafaları kullanılabilmektedir:
H 1 Alet taşıyıcı olarak ekspander tabanca ( 13100 teslimat kapsamındadır)
Perçin ekspander kafaları (Standart) Ø 8 – 42 mm veya 5/16“ – 1 ¾“ – 1,6 mm’ye kadar duvar
kalınlığı
Perçin ekspander kafaları Tip S Ø 22 – 67 mm veya 7/8“ – 2 ½“ – 2,5 mm’ye kadar duvar
kalınlığı (sadece 11007 nolu adaptör ile)
H 2 Alet taşıyıcı olarak ekspander tabanca - Ürün No. 12002 (Aksesuar olarak satın
alınabilmektedir)
Perçin ekspander kafaları Tip S Ø 22 – 67 mm veya 7/8“ – 2 ½“ – 2,5 mm’ye kadar duvar
kalınlığı (sadece 12097 nolu adaptör ile)

Perçin ekspander kafaları H 2 Tip 2 Ø 28 – 70 mm veya 1 1/8“ – 2 ¾“ – 2,5 mm’ye kadar duvar
kalınlığı
Perçin ekspander kafaları H 2 Tip 3 Ø 70 – 110 mm veya 2 ¾“ – 4 ¼“ – 3,0 mm’ye kadar duvar
kalınlığı
3.3 İlk çalıştırma
TÜRKÇE 59
Cihazın ilk çalıştırılmasından önce yağ kabı nakliye vidasının cihaz beraberinde
verilen pompa havalandırma filtresi ile aşağıda tarif edildiği şekilde değiştirilmesi
gereklidir:
Mahfazanın üst tarafındaki (10) üç vidayı sökünüz ve
mahfazayı arkaya doğru çekiniz.
Yağ kabı kapama vidasını (A) çıkarınız ve cihaz bera-
berinde verilen hava filtresi ile değiştiriniz.
Nakliye esnasında açılmış olabileceği ihtimaline karşı
aşırı yük rölesinin (C) stop manivelasını (B) emin olmak
için sonuna kadar bastırınız.
Mahfazayı yeniden vidalayınız.
Emniyet ayak şalterinin (12) fişini cihazdaki flanş soke-
tine (1) takınız.
Tabancanın kumanda kablosunu cihazdaki flanş soketi (2) ile bağlayınız ve basınçlı çevi-
rerek sağlamlaştırınız.
Seri kuplaj (11) ile tabancanın hidrolik hortumunu cihaza bağlayınız ve elektrik kablosunu
fişe takınız.
Hidrolik tesis böylece çalışmaya hazırdır.
Cihaz, sadece tip levhasında belirtilen gerilimle işletilmelidir! Elektrik şebekesi 10
A ile emniyete alınmış olmalıdır!
Cihaza aşırı akım gelmesi halinde aşırı yük rölesi (C) otomatik olarak kapatır ve arıza kontrol
lambası (8) yanar.
Fişi çekiniz ve mahfazayı (10) yukarıda tarif edildiği şekilde çıkarınız.
Stop manivelasını (B) sonuna kadar bastırınız ve elektrik kablosunu yeniden fişe takınız.
3.4 H 1 ve H 2 hidrolik tabancaların ayarlanması (B)
Ön ayar kontrolü:
Kullanılacak ekspander kafasını hidrolik tabancaya sonuna kadar çevirmek suretiyle takınız.
Ekspander kafasının parçaları içe sokulu durumda iken birbirinden ayrık durmamalıdır. Ayar
anahtarı yardımıya delginin sokulmasını ve çıkarılmasını ayarlayan tabanca ayar somunu ayar-
lanabilir.
Ekspander kafasını tekrar çıkarınız.
Ayar:
İşletim şalterini (4) AÇIK pozisyonuna getiriniz ve işletme basıncını düğme yardımıyla (9) 80
bar’a ayarlayınız.
Şalteri (5) Kurulum/Ayar pozisyonuna getirerek ayak şalterine (12) basınız.
Ayak şalterini işlem esnasında daima basılı tutunuz!
Hidrolik tabancadaki mikro şaltere dokunarak, genişletme delgisinin tamamen öne gelmesini
sağlayınız (Resim 1).
Cihaz, ayarlanmış basınca ulaşıldığında otomatik olarak durur!
Ekspander kafasını tabancaya sabitleyiniz ve basıncı tekrar boşaltmak için ayak şalterini
(12) serbest bırakınız (delgi pistonu tekrar çıkış pozisyonuna geri döner) (Resim 2).
Ekspander kafası, 1/3 – ½ kadar çevirme ile sonuna kadar sağa çevrilmesi halinde doğru
ayarlanmış demektir (Resim 3).

60 TÜRKÇE
İstenen genişlik çapına ulaşılıp ulaşılmadığının tespit edilebilmesi için her zaman
deneme amaçlı genişletme yapınız. Sapmaları, ayar anahtarı ile tabancanın ayar
somunundan düzeltiniz!
Ekspander kafası (yukarıda tarif edildiği şekilde) doğru ayarlandığında, şalteri (5) „OTO-
MATİK“ pozisyonuna getiriniz.
Boruyu ekspander kafasının üzerine takınız ve ayak şalterine dokununuz.
Ekspander tabancasının genişletme pistonu, ayarlanmış olan basınca ulaşana kadar otomatik
olarak öne çıkar ve tekrar geri gelir.
Doğru ekspander kafası büyüklüğüne dikkat ediniz! Ekspander kafası büyüklüğü,
genişletilecek boruya uygun olmalıdır!
Uyarı: İşlem 1 dakikadan daha az sürmemelidir.
3.5 Devredışı bırakma
Ayağı emniyet ayak şalterinden ve / veya eli mikro şalterden çekiniz.
Şalteri (4) KAPALI pozisyonuna getiriniz, fişi çekiniz ve bağlantıları (1, 2, 11) çıkarınız.
Cihazı emniyetli biçimde muhafaza ediniz!
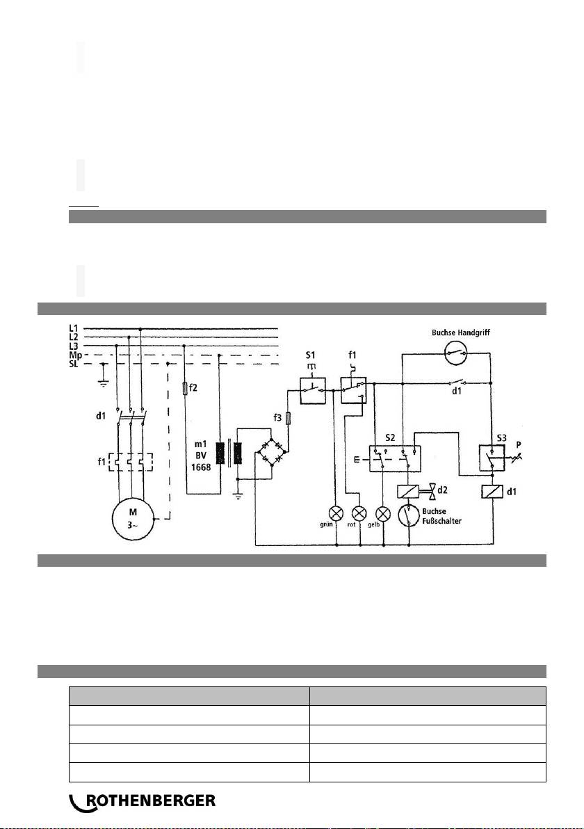
4 Elektro devre şeması
5 Bakım
Yağ seviyesini yaklaşık 300 işletim saatinden sonra kontrol ediniz: Hava filtresini (A) pompa
mahfazasından çıkarınız ve yağ ölçüm çubuğunda yağ seviyesini kontrol ediniz.
Yağı her zaman bir huni ile doldurunuz. Seviye çizgisini geçmeyecek şekilde doldurunuz!
Her 1500 işletim saatinde bir yağ değiştiriniz! Sadece 5.8185 ürün nolu ROTHENBERGER özel
hidrolik yağını 58185 kullanınız.
Tüm boru vida bağlantılarının ilk 500 işletim saatinden sonra sıkıştırılması gereklidir!
6 Aksesuarlar
Aksesuar Adı
ROTHENBERGER Parça Numarası
Hidrolik sistem tamamen, kafaları olmadan
No. 13100
Hidrolik cihaz H 600
No. 13002
Ayak Pedalı H 600 3 m kablo ile
No. 12013
Elektrikli hidrolik genişletici tabanca H 1
No. 12001

TÜRKÇE 61
Aksesuar Adı
ROTHENBERGER Parça Numarası
H 1 için ayarlanması
No. 12017
H 1 için S-kafaları için adaptör
No. 11007
Elektrikli hidrolik genişletici tabanca H 2
No. 12002
H 2 için ayarlanması
No. 12018
H 2 için S-kafaları için adaptör
No. 12097
Hidrolik hortum M 16x1,5
No. F88966
Kontrol kablosu 1 m
No. F88928
Hidrolik yağ 1 l
No. 58185
Aracı tepsi
No. 13023
7 Müşteri hizmetleri
ROTHENBERGER servis merkezleri size yardımcı olabilir (katalogdaki listelere veya web
sitemize bakın) ve yedek parçalar ve servis hizmeti de bu servis merkezlerinde mevcuttur.
Aksesuarlarınızı veya yedek parçalarınızı uzman satış temsilcinizden veya satış sonrası yardım
hattımızdan sipariş edin:
Telefon: + 49 (0) 61 95 / 800 – 8200
Faks: + 49 (0) 61 95 / 800 – 7491
Email: service@rothenberger.com
www.rothenberger.com
8 Atıklar İçin
Makine terkibinde, atık değerlendirme yerlerine teslim edebileceğiniz değerli maddeler
bulunmaktadır. Bulunduğunuz yerde de yetkili atık değerlendirme işletmeleri olabilir. Yeniden
değerlendirilemeyecek atıkların (örn. elektronik çöp) çevre temizliğine uygun şekilde
toplanmasıyla ilgili sorularınızı yerel atık toplama dairesine yöneltebilirsiniz.
Kullanılmış yağların tasfiyesinin sadece bu alanda uzman işletmeler tarafından yapılması
gereklidir! Kullanılmış ve pis yağlar, sızdırmaz ve yağa uygun kaplarda (metal variller) muhafaza
ve tasfiye edilmelidir! Yağlar (ufak miktarlarda da olsa) kesinlikle toprağa karışmamalıdır!
Koruyucu bakım işleminden ortaya çıkan atıkların tasfiyesinde eyalet ve ülke çapında ilgili
makamların yönetmeliklerine riayet edilmelidir! Bunların yerel çevre dairesinden öğrenilebilmesi
mümkündür!
Şüpheye düşülen durumlarda koruyucu bakım işleminden ortaya çıkan temizlik ve çalkalama
maddeleri, temizleme bezleri türünden atıkların özel atık olarak belediyeye ait atık toplama
yerleri kanalıyla tasfiye edilmesi gereklidir!
Yeniden değerlendirilebilecek atıklar, cinsine göre ayrılmalı ve uygun bir yeniden
değerlendirmeye iletilmelidir.
Sadece AB ülkeleri için:
Elektronik aletleri ev çöpüne atmayınız! 2012/19/EG numaralı Elektro ve Elektronik
Eski Cihazlar AB Yönetmeliği ve bunun üye ülkelerin hukukuna uyarlaması gereğince
artık kullanılamayacak durumda olan elektro cihaz ve aletlerin ev çöpünden ayrı olarak
toplanması ve çevreye zarar vermeyecek bir şekilde geri dönüşüme verilmesi
gerekmektedir.

62 PУCCKИЙ
Содержание
Страниц
1 Правила техники безопасности ...................................................................................... 63
1.1 Применение по назначению ........................................................................................... 63
1.2 Общие указания по технике безопасности для электроинструментов ........................ 63
1.3 Правила техники безопасности ...................................................................................... 65
2 Технические характеристики ........................................................................................... 65
3 Принцип работы прибора ................................................................................................ 65
3.1 Обзор (A) ......................................................................................................................... 65
3.2 Описание прибора .......................................................................................................... 66
3.3 Ввод в эксплуатацию ...................................................................................................... 66
3.4 Настройка гидравлических пистолетов H 1 и H 2 (B) .................................................... 67
3.5 Вывод из эксплуатации .................................................................................................. 67
4 Электросхема .................................................................................................................... 68
5 Уход и обслуживание ....................................................................................................... 68
6 Принадлежности ............................................................................................................... 68
7 Обслуживание клиентов .................................................................................................. 69
8 Утилизация ......................................................................................................................... 69
Специальные обозначения в этом документе:
Опасность!
Этот знак предупреждает о возможной травмоопасности.
Внимание!
Этот знак предупреждает о травмоопасности или опасности для окружающей
среды.
Необходимость действия

1 Правила техники безопасности
1.1 Применение по назначению
Электрогидравлический агрегат H 600 надлежит использовать только в соединении с
электрогидравлическими расширительными пистолетами H 1 (входит в объем поставки
No. 13100) и H 2 (поставляется в качестве принадлежностей) для расширения, редукции и
калибровки стандартных и толстостенных труб (макс. 3 мм). К эксплуатации прибора
допускается только квалифицированный и проинструктированный персонал!
1.2 Общие указания по технике безопасности для электроинструментов
PУCCKИЙ 63
ПPEНДУПPEЖДEHИЕ!
Прочтите все указа-ния и инструкции по технике безопасности.
Несоблюдение указаний и инструкций по технике безопасности может стать причиной
поражения электрическим током, пожара и тяжелых травм.
Сохраняйте эти инструкции и указания для будущего использования.
Использованное в настоящих инструкциях и указаниях понятие «электроинструмент» рас-
пространяется на электроинструмент с пита-нием от сети (с сетевым шнуром) и на акку-
муляторный электроинструмент (без сетевого шнура).
1) Безопасность рабочего места
a) Соблюдайте на Вашем рабочем месте чистоту и порядок. Беспорядок на рабочем
месте и его плохое освещение могут привести к несчастным случаям.
б) Не работайте с прибором во взрывоопасном окружении, в котором находятся
горючие жидкости, газы или пыли. При работе электроинструмент искрит и искры
могут воспламенить пыль или пары.
в) Не допускайте детей и других лиц к Вашему рабочему месту при работе с
электроинструментом. При отвлечении другими лицами Вы можете потерять
контроль над прибором.
2) Электрическая безопасность
a) Вилка подключения прибора должна отвечать штепсельной розетке. Не
производите на вилке никаких изменений.Не применяйте штекерные адаптеры
для приборов с защитным заземлением. Подлинные штекеры и соответствующие
сетевые розетки снижают риск возникновения электрического удара.
б) Избегайте контакта с заземленными поверхностями, как-то трубами, системами
отопления, плитами и холодильниками. При соприкосновении с “землей” возникает
повышенный риск электрошока.
в) Защищайте прибор от воздействий дождя и сырости. Проникновение воды в
электроприбор повышает риск электрического удара.
г) Не используйте кабель не по назначению и не носите за него прибор, не
используйте его для подвешивания прибора или для вытягивания вилки из
розетки. Оберегайте кабель от воздействий высоких температур, масла, острых
кромок или двигающихся частей прибора. Поврежденный или запутанный кабель
повышает риск электрического удара.
д) При работе с электроинструментом под открытым небом используйте только
такой удлинительный кабель, который допущен для наружного применения.
Использование допущенного для наружных работ удлинительного кабеля снижает
риск электрического удара.
е) Если невозможно избежать применения электроинструмента в сыром
помещении, подключайте электроинструмент через устройство защитного
отключения. Применение устройства защитного отключения снижает риск
электрического поражения.
3) Безопасность людей
a) Будьте внимательны, следите за тем, что Вы делаете и выполняйте работу с
электроинструментом обдуманно. Не пользуйтесь прибором в усталом
состоянии или если Вы находитесь под действием наркотиков, алкоголя или

лекарств. Момент невнимательности при работе с прибором может привести к
серьезным травмам.
б) Носите индивидуальные средства защиты и всегда защитные очки.
Индивидуальные средства защиты, применяемые в зависимости от вида и
использования электроинструмента, как то пылезащитный респиратор, нескользящая
обувь, защитный шлем, средства защиты слуха, сокращают риск травм.
в) Предотвращайте непреднамеренное включение электроинструмента. Перед
подключением электроинструмента к электропитанию и/или к аккумулятору
убедитесь в выключенном состоянии электроинструмента. Удержание пальца на
выключателе при транспортировке электроинструмента и подключение к сети питания
включенного электроинструмента чревато несчастными случаями.
г) Выньте инструменты для настройки и установки или гаечный ключ из прибора
перед его включением. Инструмент или ключ, находящийся во вращающейся части
прибора, может привести к травмам.
д) Не переоценивайте свои способности. Обеспечьте себе надежное и устойчивое
положение, чтобы Вы в любой момент держали свое тело в равновесии. В таком
положении Вы сможете лучше держать под контролем прибор в неожиданных
ситуациях.
е) Носите подходящую рабочую одежду, прилегающую к телу и откажитесь от
украшений. Держите волосы, одежду и перчатки подальше от находящихся в
движении частей прибора. Свободная одежда, украшения и длинные волосы могут
быть захвачены находящимися в движении частями.
ж) При наличии возможности установки пылеотсасывающих и пылесборных
устройств убедитесь в том, что они присоединены и правильно используются.
Применение пылеотсоса может снизить опасность, создаваемую пылью.
4) Применение электроинструмента и обращение с ним
a) Не перегружайте прибор. Используйте для Вашей работы предназначенный для
этого электроинструмент. С подходящим электроинструментом Вы работаете лучше
и надежнее в указанном диапазоне мощности.
б) Не пользуйтесь электроинструментом с неисправным выключателем.
Электроинструмент, не поддающийся включению или выключению, опасен и должен
быть отремонтирован.
в) До начала наладки электроинструмента, перед заменой принадлежностей и пре-
кращением работы отключайте штеп-сельную вилку от розетки сети и/или
выньте аккумулятор. Эта мера предос-торожности предотвращает непреднаме-
ренное включение электроинструмента.
г) Неиспользуемый электроинструмент храните в недосягаемом для детей месте.
Не позволяйте использовать прибор лицам, которые не ознакомлены с ним или
не читали настоящих указаний. Электроинструменты представляют собой опасность
в руках неопытных лиц.
д) Тщательно ухаживайте за Вашим прибором. Проверяйте безупречную функцию
подвижных частей, легкость их хода, целостность всех частей и отсутствие
повреждений, которые могли бы отрицательно повлиять на функционирование
прибора. Сдайте поврежденные части прибора на ремонт до его использования.
Причины большого числа несчастных случаев вытекали из плохого обслуживания
электроприбора.
е) Держите в заточенном и чистом состоянии режущие инструменты. Хорошо
ухоженный режущий инструмент с острыми режущими кромками реже заклинивается и
его легче вести.
ж) Применяйте электроинструмент, при-надлежности, рабочие инструменты и т.п. в
соответствии с настоящими ин-струкциями. Учитывайте при этом ра- бочие
условия и выполняемую работу. Использование электроинструментов для
непредусмотренных работ может привести к опасным ситуациям.
5) Сервис
64 PУCCKИЙ

Ремонт Вашего электроинструмента поручайте только квалифицированному
персоналу и только с применением оригинальных запасных частей. Этим
обеспечивается безопасность электроинструмента.
1.3 Правила техники безопасности
Подключайте прибор на стройке или во влажных помещениях только через автомат
защиты от тока утечки!
Инструменты и принадлежности посторонних производителей должны иметь допуск на
эксплуатации при давлении не менее 600 бар!
Перед заменой расширительного пистолета проследить за тем, чтобы прибор не
находился под давлением (снять ногу с ножного переключателя)!
Перед вводом в эксплуатацию проверьте расширительную головку на наличие
повреждений! Малейшие повреждения при эксплуатации могут стать источником
опасности для человека и окружающей среды!
Настройку каждой расширительной головки надлежит обязательно проверять перед
использованием с гидравлическим пистолетом! Вкладывать трубы туго! Всегда кладите
трубы параллельно, никогда – с перекосом по отношению к расширительной оси! Никогда
не протягивайте руки непосредственно в рабочую зону! Всегда работайте с быстро
собирающимися подставками под инструмент. Таким образом Вы защитите себя и
окружающих от несчастных случаев и сбережете инструменты!
2 Технические характеристики
PУCCKИЙ 65
Номинальный ток ..................................................
2,1 A
Номинальная потребляемая мощность ...............
1,2 кВт
Рабочее давление ................................................
80 – 600 бар
Макс. рабочее давление .......................................
700 бар
Подача ...................................................................
0,82 л/мин
Время включения ..................................................
100 % - 80 бар
Класс защиты ........................................................
I
защита ...................................................................
IP 54
Типичный уровень шума, определенный по А-показателю:
Уровень звукового давления (L
pA
) ........................
66 dB (A) ¦ K
pA
3 dB (A)
Уровень звукопроводности (L
WA
) ..........................
77 dB (A) ¦ K
WA
3 dB (A)
УровенЬ шума при работе может превысить 85dB (A). Надевайте средства для защиты
органов слуха! Измерение значений проводите в соответствии с EN 60745-1:2010.
3 Принцип работы прибора
3.1 Обзор (A)
1
Штекер / разъем ножного
переключателя
7
Контрольная лампа „Наладка“
2
Штекер / разъем управления
прибором
8
Контрольная лампа „Неполадка“
3
Предохранители 1,6 А / 0,25 А
инерц.
9
Вращающаяся ручка рабочего
давления
4
Переключатель „ВКЛ.“ И „ВЫКЛ.“
10
Корпус
5
Переключатель „Наладка“ и
„Автоматика“
11
Подключение гидравлического шланга /
быстроразъемное соединение
6
Контрольная лампа „Готовность к
эксплуатации“
12
Предохранительный ножной
выключатель

3.2 Описание прибора
Электрогидравлический прибор ROTHENBERGER и расширительная установка H 600 –
это универсальная и мобильная система для последовательного расширения, редукции и
калибровки стандартных и толстостенных труб для промышленности и производства.
Она состоит из двух главных групп:
66 PУCCKИЙ
1.
Гидравлический насос и система управления (13002 электрогидравлический прибор
H 600)
2.
Гидравлический пистолет как суппорт для инструментов (расширительный пистолет
H 1 № 12001 входит в объем поставки расширительной установки H 600 № 13100,
либо опционально расширительный пистолет H 2 № 12002)
Работа в соответствии с требованиями материала обеспечивается посредством плавно и
точно регулируемого рабочего давления в режиме наладки и в автоматическом режиме.
Используются следующие расширительные головки ROTHENBERGER:
Суппорт для инструмента расширительный пистолет H 1 (входит в объем поставки 13100)
Клепальные расширительные головки (стандарт) Ø 8 – 42 mm или 5/16“ – 1 ¾“ До
толщины стенки 1,6 mm
Клепальные расширительные головки тип S Ø 22 – 67 mm или 7/8“ – 2 ½“ До толщины
стенки 2,5 mm (только через адаптер № 11007)
Суппорт для инструмента расширительный пистолет H 2 арт. № 12002 (поставляется в
качестве принадлежностей)
Клепальные расширительные головки тип S Ø 22 – 67 mm или 7/8“ – 2 ½“ До толщины
стенки 2,5 mm (только через адаптер № 12097)
Клепальные расширительные головки H 2 тип 2 Ø 28 – 70 mm или 1 1/8“ – 2 ¾“ До
толщины стенки 2,5 mm
Клепальные расширительные головки H 2 тип 3 Ø 70 – 110 mm или 2 ¾“ – 4 ¼“ До
толщины стенки 3,0 mm
3.3 Ввод в эксплуатацию
Перед первым вводом в эксплуатацию прибора заменить
транспортировочную резьбовую пробку масляного резервуара прилагаемым
фильтром системы вентиляции насоса следующим образом:
Ослабить три винта на верхней части корпуса (10) и
стянуть корпус назад.
Извлечь резьбовую пробку масляного резервуара
(A) и заменить прилагаемым фильтром.
В целях безопасности продавить до упора
фиксаторный рычаг (B) реле перегрузки (C), так как
при транспортировке он мог ослабнуть.
Снова закрепить корпус.
Подключить штекер предохранительного ножного
переключателя (12) к фланцевому разъему (1) на
приборе.
Соединить управляющий кабель пистолета с фланцевым разъемом (2) на приборе и
зафиксировать, повернув с нажимом.
При помощи быстроразъемного соединения (11) соединить гидравлический шланг
пистолета на приборе и сетевой кабель с сетью.
Теперь гидравлическая установка готова к эксплуатации.
Прибор подлежит эксплуатации только с напряжением, указанным на
маркировочной табличке! В электросети надлежит установить
предохранитель на 10 А.

При перегрузке прибора реле перегрузки автоматически (C) отключается, и загорается
контрольная лампа неполадки (8):
Вытянуть сетевой штекер и снять корпус (10), как описано выше.
Продавить до упора фиксаторный рычаг (B) и снова подключить сетевой кабель к
электросети.
3.4 Настройка гидравлических пистолетов H 1 и H 2 (B)
Проверка предварительной настройки:
Навинтить выбранную расширительную головку на гидравлический пистолет до упора.
Сегменты расширительной головки не должны быть раздвинуты во втянутом состоянии.
При помощи установочного ключа можно настраивать регулировочную гайку пистолета, от
которой зависит выдвижение и втягивание расширительного стержня.
Отвинтить расширительную головку.
Настройка:
Установить рабочий переключатель (4) на ВКЛ. и настроить рабочее давление 80 бар
при помощи поворотной ручки (9).
Установить переключатель (5) на наладку и нажать ножной выключатель (12).
PУCCKИЙ 67
Держать ножной выключатель нажатым на протяжении всего рабочего
процесса!
Кратковременно нажать микропереключатель на гидравлическом пистолете, чтобы
расширительный стержень переместился до упора вперед (рис. 1).
Прибор автоматически отключается при достижении установленного давления!
Плотно навинтить расширительную головку на пистолет и отпустить ножной
выключатель (12), чтобы сбросить давление (расширительный поршень возвращается
в исходную позицию) (рис. 2).
Расширительная головка настроена правильно, если ее можно повернуть вправо еще
на 1/3 – ½ оборота (рис. 3).
Всегда выполнять пробное расширение, чтобы убедиться в достижении
требуемого диаметра расширения. Корректировать отклонения при помощи
установочного ключа на регулировочной гайке пистолета!
Если соответствующая расширительная головка (как описано выше) настроена
правильно, установить переключатель (5) в положение „АВТОМАТИКА“.
Надеть трубу на расширительную головку и кратковременно нажать ножной
выключатель.
Расширительный поршень расширительного пистолета перемещается вперед
автоматически до достижения заданного давления, и затем возвращается назад.
Контролировать правильный размер расширительной головки! Размер
расширительной головки должен соответствовать расширяемой трубе!
Указание: Длительность рабочего цикла должна быть не менее 1 минуты.
3.5 Вывод из эксплуатации
Снять ногу с предохранительного ножного выключателя и/или руку с
микропереключателя.
Установить переключатель (4) на ВЫКЛ., отсоединить сетевой кабель и подключения
(1, 2, 11).
Хранить приборы с соблюдением мер предосторожности!

4 Электросхема
5 Уход и обслуживание
Проверить уровень масла спустя прибл. 300 часов эксплуатации: вывинтить воздушный
фильтр (A) из корпуса насоса и проверить уровень масла щупом.
Доливать масло всегда через воронку. Не наполнять выше отметки!
Производить замену масла через каждые 1500 часов эксплуатации! При этом
использовать только специальное гидравлическое масло ROTHENBERGER арт. № 58185.
Все резьбовые соединения труб надлежит подтянуть спустя первые 500 часов
эксплуатации!
6 Принадлежности
68 PУCCKИЙ
Наименование принадлежности
Номер детали ROTHENBERGER
Гидравлическая система полностью, без голов
№ 13100
Гидравлическое устройство H 600
№ 13002
ножной выключатель H 600 с 3 м кабеля
№ 12013
Электрический гидравлический
расширительный пистолет H 1
№ 12001
С поправкой на H 1
№ 12017
Адаптер для S-головок для H 1
№ 11007
Электрический гидравлический
расширительный пистолет H 2
№ 12002
С поправкой на H 2
№ 12018
Адаптер для S-головок для H 2
№ 12097
гидравлический шланг M 16x1,5
№ F88966
кабель управления 1 m
№ F88928
Гидравлическое масло 1 l
№ 58185
инструментальный лоток
№ 13023

7 Обслуживание клиентов
Сервисные центры ROTHENBERGER предоставляют помощь клиентам (см. список в
каталоге или в Интернете), а также предлагают запасные части и обслуживание.
Заказывайте принадлежности и запасные части у розничного торгового представителя
или по телефону горячей линии послепродажного обслуживания:
Телефон: + 49 (0) 61 95 / 800 – 8200
Факс: + 49 (0) 61 95 / 800 – 7491
е-мейл: service@rothenberger.com
www.rothenberger.com
8 Утилизация
Части прибора являются вторичным сырьем и могут быть отправлены на повторную
переработку. Для этого в Вашем распоряжении имеются допущенные и
сертифицированные утилизационные предприятия. Для экологичной утилизации частей,
которые не могут быть переработаны (например, электронные части)
проконсультируйтесь, пожалуйста, в Вашем компетентном ведомстве по утилизации
отходов.
К утилизации отработанных масел допускаются исключительно специализированные
предприятия! Отработанные и загрязненные масла должны храниться и сдаваться в
утилизацию в герметичных, маслостойких резервуарах (металлических бочках)!
Поврежденные, не подлежащие ремонту электроприборы и станки следует вскрыть и
полностью очистить от масла! Масляные поддоны также следует полностью очистить от
следов масла! Масла (даже в малом количестве) не должны ни в коем случае попасть в
землю!
При утилизации отходов текущих ремонтных работ необходимо соблюдать предписания
соответствующего учреждения земли или федерации. Узнать о них можно в местном
учреждении по защите окружающей среды. В случаях сомнений отходы, накопившиеся в
процессе текущих ремонтных работ, как-то: чистящие и моющие средства, тряпки и т.д.,
следует утилизировать как специфические отходы в бытовых местах захоронения
отходов.
Отходы, пригодные для вторичной переработки, следует рассортировать и передать
соответствующему перерабатывающему предприятию!
Только для стран ЕС:
PУCCKИЙ 69
Не выбрасывайте электроинструменты в бытовой мусор! Согласно Европейской
Директиве 2012/19/EG об использовании старых электроприборов и электронного
оборудования и ее реализации в национальном праве ставшие непригодными к
использованию электроинструменты надлежит собирать отдельно и подвергать
экологичному повторному использованию.

70 中文版
内容
页
1 安全提示 ............................................................................................................................... 71
1.1 规定用途 ........................................................................................................................... 71
1.2 一般安全规定 .................................................................................................................... 71
1.3 特别安全提示 .................................................................................................................... 72
2 技术指标 ............................................................................................................................... 72
3 装置的功能 ............................................................................................................................ 73
3.1 装置一览 (A) ..................................................................................................................... 73
3.2 装置描述 ........................................................................................................................... 73
3.3 投入使用 ........................................................................................................................... 73
3.4 调整液压枪 H 1 和 H 2 (B) ................................................................................................ 74
3.5 停机 .................................................................................................................................. 74
4 电路图 ................................................................................................................................... 75
5 保养和维护 ............................................................................................................................ 75
6 附件 ...................................................................................................................................... 75
7 客户服务 ............................................................................................................................... 76
8 丢弃处理 ............................................................................................................................... 76
标志说明:
危险!
本标志警告发生人员伤害。
注意!
本标志警告发生物品或环境损害。
动作要求

1 安全提示
1.1 规定用途
电动液压器 H 600 只应与电动液压扩管枪 H 1 (包括在 No. 13100 供货范围内) 和 H 2 (可作为配
件提供) 结合使用,用于扩张、收缩和整圆标准管和厚壁管 (最大 3mm)。本装置只可由拥有专业
资质和受过培训指导的专业人员进行操作!
1.2 一般安全规定
中文版 71
注意!
请阅读所有安全须知和说明。
如因疏忽未能遵守安全须知和说明,则可能会导致触电、火灾和/或严重伤害。
妥善保管所有安全须知和说明,以便随时取阅。
安全须知中使用的“电动工具”一词是指使用电源操作的电动工具(配电源线)和使用电池操作的电
动工具(无电源线)。
1) 工作区域
a) 保持工作区域干净整洁. 工作区域杂乱昏暗容易引发事故。
b) 请勿在易爆环境中使用该设备, 如存在易燃液体、气体或粉尘环境中。电动工具产生的火花
可能会引燃粉尘或烟气。
c) 电动工具运转期间,勿让儿童和其它人员接近 。注意力不集中可能会导致设备失去控制。
2) 电气安全
a) 设备的插头必须与插座相匹配。不允许对插头进行任何改装。请勿使用带有接地保护装置的
转接插头。未经改装的插头和匹配的插座将会降低电击危险。
b) 身体请勿与接地表面接触,如管体、 加热装置、炉灶和冷冻设备接触。身体接地将会增加点
击危险。
c) 请勿将设备置于雨中和潮湿环境。电动设备中渗入水将会增加电击危险。
d) 请勿滥用线缆运送、拖拽设备, 不得将插头从插座中拔出。线缆应远离热源、油料、锋利边
缘或运动的设备组件。线缆破损或缠入会增加电击危险。
e) 室外使用电动工具时应使用适用于室外的延长 线。使用合适的室外延长线可降低电击危险。
f) 如须在潮湿的环境中使用电动工具,请使用漏电断路器。使用漏电断路器能降低触电风险。
3) 人员安全
a) 操作电动工具时,应保持警惕,注意自己的行 为,脑中应有安全常识。身体疲劳或服药、饮
酒、注射药剂情况下操作电动工具。操作时注意力不集中会导致严重的人身伤害。
b) 请穿戴个人防护装备并总是要佩戴护目镜。根 据电动工具的类型和使用情况,佩戴个人防护
装备,如防尘面具、防滑工作鞋、安全帽或、听力保护设备,可降低伤害危险。
c) 避免意外启动。确保在将插头插入插座前,开 关必须处于关闭位置。携带设备时,如果手指
放在开关上或接通连接电源的设备将会引发事故。
d) 请在打开设备前,取下调节工具或扳手。如果 工具或要钥匙位于旋转的设备组件上可能导致
伤害发生。
e) 请勿延伸过长。确保位置适当,同时时刻保持 平衡。这样可在意外情况下能更好地控制设
备。
f) 着装合适。请勿穿着宽松的衣物或佩戴首饰。 避免头发、衣装或手套靠近转动部件。宽松的
衣服、首饰或长发可能会卷进转动的部件中。
g) 如果设备用于吸尘装置或吸收装置,要确保这 些设备接通并正确使用。使用这些设备科避免
引起因灰尘引起的事故。

4) 电动工具的使用和保养
a) 请勿让设备超负荷运转。对于操作要使用适当 的电动工具。如果使用的电动工具合适,则将
以设计的功率更好更安全地进行操作。
b) 如果开关失灵,请勿使用电动工具。开关不能 打开或关闭的电动工具非常危险,必须要进行
维修。
c) 请在进行任何调整、更换附件或存储设备前, 务必将插头从插座上拔出。该预防措施可避免
偶然启动设备。
d) 请将不使用的电动工具置于儿童不能触及的地 方。不得允许不熟悉设备或使用说明书的人员
操作设备。电动工具由未经培训的人员操作时会产生危险。
e) 小心地维护设备。检查转动的设备组件是否功 能正常、未被卡住;检查部件是否锻炼,是否
存在有损设备功能的情况。如果部件损坏,请在使用前修理。许多事故都是由缺少维护的电
动工具引起。
f) 保持切割工具锋利清洁。正确维护的切割工具 的边缘特别锋利,可以更容易地控制。
g) 请根据使用说明书以及指定设备类型提示使用 电动工具、附件、应用工具等。同时要考虑工
作条件以及具体的作业。如果将电动工具应用于非指定用途可能导致危险发生。
5) 维修
仅可通过专业人员使用原装替换件对设备进行维修。以此保证设备的安全性。
1.3 特别安全提示
在工地或潮湿房间内只能通过 FI 保护开关进行系统连接!
非本厂生产的工具和配件应至少达 600 巴的应用标准!
在更换扩管枪之前应注意保证装置无压 (把脚从脚踏开关上移开)!
在投入使用前应检查扩头是否有损伤!
即使是极小的损伤在工作时可能会给人员和环境造成危险!
在使用液压枪之前一定检查扩头的调整!
将管子牢固地装入! 应保证管子与扩管器轴平行,不可歪斜! 决不应将手伸入作业区域!
原则上应使用可迅速安装的工具置放台进行操作。这样可保护自己和他人不发生事故,并且保护
工具。
2 技术指标
72 中文版
标准电流 .....................................
2,1 A
标准功率 .....................................
1,2 kW
工作压力范围 ..............................
80 – 600 bar
最大工作压力 ..............................
700 bar
给进速度 .....................................
0,82 升/分钟
接通时间 .....................................
100 % - 80 bar
绝缘保护级别 .............................
I
保护等级 .....................................
IP 54
标准 A 加权声级:
聲功率級 (L
pA
) .............................
66 dB (A) ¦ K
pA
3 dB (A)
声压级 (L
WA
) ................................
77 dB (A) ¦ K
WA
3 dB (A)
操作期间噪声级可能要超过 85 dB (A)。请佩戴耳部保护装置!测量值根据 EN 60745-1:2010 标
准确定。

3 装置的功能
3.1 装置一览 (A)
中文版 73
1
脚踏开关 插头 / 插座
7
„调节“ 控制灯
2
工具控制 插头 / 插座
8
„故障“ 控制灯
3
熔断器 1,6 A / 0,25 A(惰性)
9
工作压旋钮
4
„接通“ 和 „关断“ 开关
10
机壳
5
„调节“ 和 „自动“ 开关
11
液压软管接头 / 快速接合器
6
„运行准备“ 控制灯
12
安全脚踏开关
3.2 装置描述
罗森博格电动液压器及扩管器 H 600 是用于工业和手工业标准管及厚壁管的扩管、缩管和整圆的
通用活动式设备。
设备由两个主要单元构成:
1.
液压泵和控制单元 (13002 电动液压器 H 600)
2.
液压枪,作为工具载体 (扩管枪 H 1 产品号12001号属于扩管设备 H 600 产品号13100 的供
货范围,或扩管枪 H 2 产品号12002 作为选项)
使用调节及自动工作方式可无级和精确地调整工作压力,保证作业符合材料特性。
可使用以下罗森博格公司的扩管头:
工具载体扩管枪 H 1 (包括在13100 供货范围内)
铆接扩管头 (标准) Ø 8 – 42 mm 或5/16“ – 1 ¾“ 最大壁厚1,6 mm
铆接扩管头,S 型 Ø 22 – 67 mm 或7/8“ – 2 ½“ 最大壁厚2,5 mm (仅借助适配器,产品号
11007)
工具载体扩管枪 H 2 产品号 12002 (作为配件可供)
铆接扩头,S型 Ø 22 – 67 mm 或7/8“ – 2 ½“ 最大壁厚2,5 mm (仅借助适配器,产品号 12097)
铆接扩头 H 2 2 型 Ø 28 – 70 mm 或1 1/8“ – 2 ¾“ 最大壁厚2,5 mm
铆接扩头 H 2 3 型 Ø 70 – 110 mm 或2 ¾“ – 4 ¼“ 最大壁厚3,0 mm
3.3 投入使用
在首次使用该装置前需使用随附上的泵空气滤器取代油罐运输螺丝,具体做法如下:
松解机壳上部 (10) 三螺丝并将机壳向后拉出。
卸除油罐密封螺丝 (A) ,代之以随附上的空气滤器。
为安全起见,按压过载继电器 (C) 的止动柄 (B),直至止
挡,止动柄可能因运输而松动。
将机壳再次装好。
将安全脚踏开关 (12) 与装置上的接头盒 (1) 连接。
将液压枪的控制电缆与装置的接头盒 (2) 连接并通过按
压转动锁定。
使用快速连接器 (11) 将扩管枪液压管与系统连接并将电
源线与电网连接。
液压装置现在处于工作准备状态。
应使用装置铭牌上标明的电压进行操作! 电网应配备 10 A 保险装置。

如系统发生过载,过载继电器(C) 将自动关断,故障控制灯亮起 (8):
将电源线拔出,并按上述方法将机壳 (10) 取下。
按压止动柄 (B) ,直至止挡,然后再次将电源线接通电源。
3.4 调整液压枪 H 1 和 H 2 (B)
检查预调情况:
将需要使用的扩头旋拧在液压枪上,直至止挡。
扩头的扩件在收进状态中不应张开。使用调整扳手可调节调整螺母,调节扩头的伸出和收进。
将扩头旋拧下。
调节:
将工作开关 (4) 调至 EIN(接通)并通过旋钮 (9) 将工作压力调到 80 巴。
将开关 (5) 调至调节和脚踏开关 (12) 。
74 中文版
在工作过程中应压住脚踏开关!
轻点一下液压枪上的微型开关, 使扩管芯轴向前进至止挡位置 (图 1)。
系统在达到设定压力后将自动关断
!
将扩头旋拧固紧在液压枪上,松开脚踏开关 (12),以便消除压力(扩管柱塞又回到初始位
置) (图 2)。
如还可将扩头向右旋转 1/3 至 ½ 转,扩头即调整正确 (图 3)。
每次先进行一次试扩管,以便确定所要求的扩管直径是否达到。如有偏差,使用调整扳手
调节液压枪上的调整螺母进行校正!
相应的扩头(按如上所述)调整正确后,将开关 (5) 调至 „AUTOMATIK“ (自动)处。
将管子套在扩头上,轻点一下脚踏开关。
扩管柱塞在达到设定压力后自动前进,然后又缩回。
注意扩头尺寸大小是否合适! 扩头大小应与所要扩张的管子相符!
提示
:
工作行程不宜短于一分钟。
3.5 停机
将脚从安全脚踏开关移开并且 / 或者将手从微型开关移开。
将开关 (4) 调至 AUS(关断)位置,拔下电源线并将联接部件 (1, 2, 11) 摘除。
将装置安全保存。

4 电路图
5 保养和维护
运行约 300 小时后检查一下油位:将空气滤器 (A) 泵体中旋拧出并借助油位标尺检查油位。
液压油的灌充原则上应使用漏斗进行。灌充时不可越过标刻线!
每隔1500的运行小时需要换一次油! 为此只应使用罗森博格公司的专用液压油(产品号58185)。
在最初的500运行小时后应拧紧管道连接螺丝!
6 附件
中文版 75
配件名称
罗森博格产品编号
液壓系統完全,無頭
产品号 13100
液壓裝置H 600
产品号 13002
腳踏開關H 600帶3米電纜
产品号 12013
電動液壓擴張器手槍 H 1
产品号 12001
調整的 H 1
产品号 12017
適配器的S-磁頭 H 1
产品号 11007
電動液壓擴張器手槍 H 2
产品号 12002
調整的 H 2
产品号 12018
適配器的S-磁頭 H 2
产品号 12097
液壓膠管M 16x1,5
产品号 F88966
控制電纜1 m
产品号 F88928
液壓油1 l
产品号 58185
工具盤
产品号 13023

7 客户服务
罗森博格在多处设立客户服务部(请参见目录列表或在线查阅),随时为您效劳。服务部门能同
时提供备件及客户服务。
请在专业经销商处或拨打售后服务热线订购所需配件与备件。
电话: + 49 (0) 61 95 / 800 – 8200
传真: + 49 (0) 61 95 / 800 – 7491
电子邮件: service@rothenberger.com
www.rothenberger.com
8 丢弃处理
装置的各个部件是有价值材料,可回收利用。在这方面那些有专业资质的回收利用企业可提供服
务。处理不可回收利用的部件(如电子废料)应符合环保要求,请与有关废物处理部门联系。
废油的处理只应通过专业公司进行!
废油和污油应放在密封耐油的容器(金属桶)中保存并处理!
废油料(即使是很小的数量)决不可进入土壤!
处理维修工作所产生的废料应遵照有关政府部门的规定! 请向当地环保部门询问有关规定!
维修工作产生的废料,如清洁和冲洗剂、擦拭用布等应作为特殊废料通过市政废物收集处处理!
可回收利用的废料应按照材料性质分类并送交回收单位处理!
仅限欧盟成员国:
76 中文版
请勿将电动工具丢入生活垃圾中!根据欧盟关于废旧电子电气设备的 2012/19/EG 指令
和 和国内法 律实施办法,电动工具必须单独收集并根据环保要求进行再利用。

