Rothenberger Hydraulik-Expanderanlage H 600 – страница 3
Инструкция к Rothenberger Hydraulik-Expanderanlage H 600

I segmenti della testina allargatubo non devono essere allargati quando essa rientra. Con l'ausi-
lio della chiave di regolazione è possibile regolare il dado della pistola che comanda i movimenti
di uscita e di entrata della spina allargatubi.
Svitare nuovamente la testina allargatubo.
Regolazione:
Portare l'interruttore di servizio (4) su ON e regolare la pressione di esercizio a 80 bar con
l'ausilio della manopola (9).
Portare l'interruttore (5) su Avviamento e premere il contatto a pedale (12).
ITALIANO 37
Tenere sempre premuto il contatto a pedale durante il procedimento di lavoro!
Premere brevemente il microinterruttore sulla pistola idraulica in modo tale che la spina al-
largatubi avanzi fino in fondo (figura 1).
Al raggiungimento della pressione impostata l'apparecchio si spegne automaticamente!
Serrare la testina allargatubo sulla pistola e rilasciare il contatto a pedale (12) per ridurre la
pressione (il pistone allargatubi ritorna nella posizione di partenza) (figura 2).
La testina allargatubi è regolata in maniera corretta se la si può ruotare verso destra ancora
per 1/3 – ½ giro fino alla battuta d'arresto (figura 3).
Eseguire sempre una prova di allargamento per determinare se il diametro di
allargamento desiderato viene raggiunto. Correggere gli eventuali scostamenti
con l'ausilio di una chiave sul dado di regolazione della pistola!
Se è montata la giusta testina allargatubo (come descritto in precedenza), portare l'interrut-
tore (5) su „AUTOMATICO“.
Spingere il tubo nella testina allargatubo e premere brevemente l'interruttore a pedale.
Il pistone della pistola allargatubo si porta automaticamente in avanti fino a quando viene rag-
giunta la pressione impostata e poi torna indietro.
Fare attenzione alle corrette dimensioni della testina allargatubo! Le dimensioni
della testina allargatubo devono corrispondere al tubo da allargare!
Nota: Questo ciclo di lavoro non dovrebbe essere inferiore al minuto.
3.5 Messa fuori servizio
Togliere il piede dal contatto di sicurezza a pedale e / o la mano dal microinterruttore.
Portare l’interruttore (4) su OFF, staccare il cavo di rete e rimuovere gli allacciamenti (1, 2,
11).
Conservare gli apparecchi al sicuro!

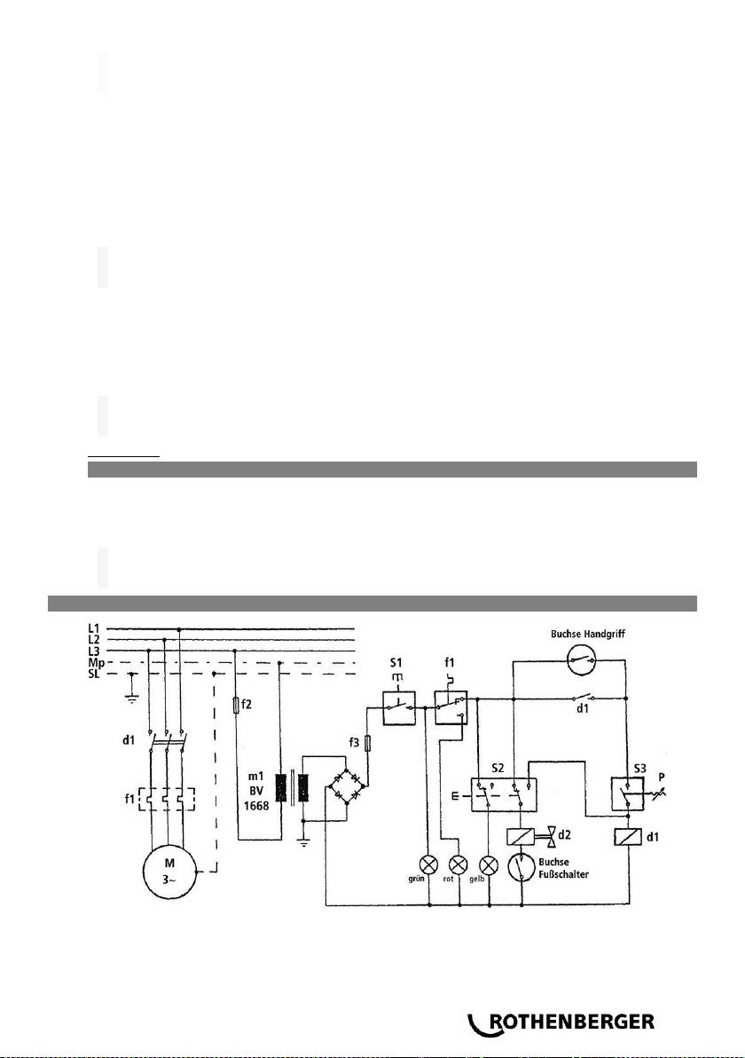
4 Schema elettrico
5 Cura e manutenzione
Controllare il livello dell’olio ogni 300 ore lavoro circa: svitare il filtro dell’aria (A) dalla scatola
della pompa e controllare il livello dell’olio sulla barretta graduata.
Versare l’olio con l’ausilio di un imbuto. Non riempire oltre il segno!
Il cambio dell’olio deve essere eseguito ogni 1500 ore lavoro! A tal fine adoperare esclusiva-
mente lo specifico olio idraulico ROTHENBERGER, art. n. 58185.
Dopo le prime 500 ore lavoro stringere tutti i raccordi filettati dei tubi!
6 Accessori
38 ITALIANO
Nome accessorio
Numero componente ROTHENBERGER
Impianto idraulico completamente,
senza la testa
N. 13100
Dispositivo idraulico H 600
N. 13002
Interrutore a pedale H 600 con 3 m cavo
N. 12013
Pistola H 1 per espansore elettroidraulico
N. 12001
Chiave di regolazione per H 1
N. 12017
Adattatore per testine tipo S per H 1
N. 11007
Pistola H 2 per espansore elettroidraulico
N. 12002
Chiave di regolazione per H 2
N. 12018
Adattatore per testine tipo S per H 2
N. 12097
Tubo idraulico M 16x1,5
N. F88966
Cavo di controllo 1 m
N. F88928
1 litro di olio idraulico
N. 58185
Portautensili
N. 13023

7 Servizio clienti
I centri di assistenza ROTHENBERGER sono disponibili per darvi supporto (vedere listino sul
catalogo oppure online) fornendovi inoltre ricambi e assistenza tecnica.
Ordinate gli accessori e i ricambi presso il vostro rivenditore di fiducia oppure chiamando il no-
stro Servizio di assistenza telefonica post-vendita:
Telefono: + 49 (0) 61 95 / 800 – 8200
Fax: + 49 (0) 61 95 / 800 – 7491
Email: service@rothenberger.com
www.rothenberger.com
8 Smaltimento
Alcuni componenti dell’attrezzo sono riciclabili e sono da raccogliere differenziatamente. Vi sono
imprese addette e certificate a tali lavori. Per lo smaltimento ecologico dei componenti non rici-
clabili (p.es. rfiuti elettronici) rivolgersi alle imprese competenti.
Per lo smaltimento di oli usati sono autorizzate esclusivamente aziende rispettivamente specia-
lizzate! Gli oli usati e quelli contenenti impurità devono essere conservati in appositi contenitori
ermetici e resistenti all'olio (recipienti di metallo), per recarli successivamente al centro di smal-
timento! Gli apparecchi elettrici e i macchinari non riparabili devono essere aperti e completa-
mente scaricati dai residui di olio! Le coppe d'olio devono essere depurate, senza lasciare alcuni
residui d'olio – neanche minime tracce d'olio! Gli oli (anche piccoli quantitativi) non devono per-
venire in nessun caso nei terreni!
Per lo smaltimento di rifiuti derivati dai lavori di manutenzione preventiva sono da osservare e ri-
spettare le rispettive prescrizioni delle autorità competenti nel paese d'impiego! Queste prescri-
zioni possono essere richieste alle autorità ambientali competenti sul luogo! In caso di dubbi, i ri-
fiuti derivati dai lavori di manutenzione, quali ad esempio detergenti e detersivi, stracci e panni di
pulizia, ecc., devono essere smaltiti nei rifiuti speciali presso i centri comunali di raccolta! I rifiuti
riciclabili devono essere separati secondo gruppi di materiali e quindi recati ad un centro di rici-
claggio adatto!
Solo per Paesi UE:
ITALIANO 39
Non smaltire gli utensili elettrici insieme ai rifiuti domestici! Ai sensi della Direttiva
Europea 2012/19/CE relativa ai rifiuti di apparecchiature elettriche ed elettroniche e
alla sua applicazione nel diritto vigente in ambito nazionale, le apparecchiature elettri-
che non più utilizzabili devono essere smaltite in modo differenziato e riciclate secondo
criteri di ecocompatibilità.

40 NEDERLANDS
Inhoudsopgave
Pagina
1 Aanwijzingen betreffende de veiligheid ............................................................................ 41
1.1 Doelmating gebruik ........................................................................................................... 41
1.2 Algemene veiligheidswaarschuwingen voor elektrische gereedschappen ......................... 41
1.3 Veiligheidsinstructies ........................................................................................................ 42
2 Technische gegevens ......................................................................................................... 43
3 Werking van de machine .................................................................................................... 43
3.1 Overzicht (A) .................................................................................................................... 43
3.2 Beschrijving van het apparaat ........................................................................................... 43
3.3 Inbedrijfstelling ................................................................................................................. 44
3.4 Instellen van het hydraulische pistool H 1 en H 2 (B) ........................................................ 44
3.5 Buiten bedrijfstelling ......................................................................................................... 45
4 Elektrisch schema .............................................................................................................. 45
5 Instandhouding en onderhoud........................................................................................... 46
6 Toebehoren ......................................................................................................................... 46
7 Klantenservice .................................................................................................................... 46
8 Afvalverwijdering ................................................................................................................ 46
Gebruikte symbolen en tekens in dit document:
Gevaar!
Dit symbool waarschuwt voor lichamelijk letsel.
Let op!
Dit teken waarschuwt voor materiële schade en schade aan het milieu.
Verzoek te handelen

1 Aanwijzingen betreffende de veiligheid
1.1 Doelmating gebruik
Het elektro-hydraulische apparaat H 600 dient uitsluitend in combinatie met het
elektrohydraulische expander-pistool H 1 (bij de levering No. 13100 inbegrepen) en H 2 (als
onderdeel verkrijgbaar) te worden gebruikt voor het verwijden, reduceren en kalibreren van
normale en dikwandige buizen (max. 3 mm). Het apparaat mag uitsluitend door gekwalificeerd
en geïnstrueerd technisch personeel worden gebruikt.
1.2 Algemene veiligheidswaarschuwingen voor elektrische gereedschappen
NEDERLANDS 41
WAARSCHUWING!
Lees alle veiligheidswaarschuwingen en alle voorschriften.
Als de waarschuwingen en voorschriften niet worden opgevolgd, kan dit een elektrische schok,
brand of ernstig letsel tot gevolg hebben.
Bewaar alle waarschuwingen en voorschriften voor toekomstig gebruik.
Het in de waarschuwingen gebruikte begrip „elektrisch gereedschap” heeft betrekking op
elektrische gereedschappen voor gebruik op het stroomnet (met netsnoer) en op elektrische
gereedschappen voor gebruik met een accu (zonder netsnoer).
1) Veiligheid van de werkomgeving
a) Houd uw werkomgeving schoon en goed verlicht. Een rommelige of onverlichte
werkomgeving kan tot ongevallen leiden.
b) Werk met het elektrische gereedschap niet in een omgeving met explosiegevaar
waarin zich brandbare vloeistoffen, brandbare gassen of brandbaar stof bevinden.
Elektrische gereedschappen veroorzaken vonken die het stof of de dampen tot ontsteking
kunnen brengen.
c) Houd kinderen en andere personen tijdens het gebruik van het elektrische
gereedschap uit de buurt. Wanneer u wordt afgeleid, kunt u de controle over het
gereedschap verliezen.
2) Elektrische veiligheid
a) De aansluitstekker van het elektrische gereedschap moet in het stopcontact passen.
De stekker mag in geen geval worden veranderd. Gebruik geen adapterstekkers in
combinatie met geaarde elektrische gereedschappen. Onveranderde stekkers en
passende stopcontacten beperken het risico van een elektrische schok.
b) Voorkom aanraking van het lichaam met geaarde oppervlakken, bijvoorbeeld van
buizen, verwarmingen, fornuizen en koelkasten. Er bestaat een verhoogd risico door een
elektrische schok wanneer uw lichaam geaard is.
c) Houd het elektrische gereedschap uit de buurt van regen en vocht. Het binnendringen
van water in het elektrische gereedschap vergroot het risico van een elektrische schok.
d) Gebruik de kabel niet voor een verkeerd doel, om het elektrische gereedschap te
dragen of op te hangen of om de stekker uit het stopcontact te trekken. Houd de kabel
uit de buurt van hitte, olie, scherpe randen en bewegende gereedschapdelen.
Beschadigde of in de war geraakte kabels vergroten het risico van een elektrische schok.
e) Wanneer u buitenshuis met elektrisch gereedschap werkt, dient u alleen
verlengkabels te gebruiken die voor gebruik buitenshuis zijn goedgekeurd. Het
gebruik van een voor gebruik buitenshuis geschikte verlengkabel beperkt het risico van een
elektrische schok.
f) Als het gebruik van het elektrische gereedschap in een vochtige omgeving
onvermijdelijk is, dient u een aardlekschakelaar te gebruiken. Het gebruik van een
aardlekschakelaar vermindert het risico van een elektrische schok.
3) Veiligheid van personen
a) Wees alert, let goed op wat u doet en ga met verstand te werk bij het gebruik van het
elektrische gereedschap. Gebruik het gereedschap niet wanneer u moe bent of onder
invloed staat van drugs, alcohol of medicijnen. Een moment van onoplettendheid bij het
gebruik van het gereedschap kan tot ernstige verwondingen leiden.

b) Draag persoonlijke beschermende uitrusting en altijd een veiligheidsbril. Het dragen
van persoonlijke beschermende uitrusting zoals een stofmasker, slipvaste werkschoenen,
een veiligheidshelm of gehoorbescherming, afhankelijk van de aard en het gebruik van het
elektrische gereedschap, vermindert het risico van verwondingen.
c) Voorkom per ongeluk inschakelen. Controleer dat het elektrische gereedschap
uitgeschakeld is voordat u de stekker in het stopcontact steekt of de accu aansluit en
voordat u het gereedschap oppakt of draagt. Wanneer u bij het dragen van het
gereedschap uw vinger aan de schakelaar hebt of wanneer u het gereedschap ingeschakeld
op de stroomvoorziening aansluit, kan dit tot ongevallen leiden.
d) Verwijder instelgereedschappen of schroefsleutels voordat u het gereedschap
inschakelt. Een instelgereedschap of sleutel in een draaiend deel van het gereedschap kan
tot verwondingen leiden.
e) Voorkom een onevenwichtige lichaamshouding. Zorg ervoor dat u stevig staat en
steeds in evenwicht blijft. Daardoor kunt u het elektrische gereedschap in onverwachte
situaties beter onder controle houden.
f) Draag geschikte kleding. Draag geen loshangende kleding of sieraden. Houd haren,
kleding en handschoenen uit de buurt van bewegende delen. Loshangende kleding,
sieraden en lange haren kunnen door bewegende delen worden meegenomen.
g) Wanneer stofafzuigings- of stofopvangvoorzieningen kunnen worden gemonteerd,
dient u zich ervan te verzekeren dat deze zijn aangesloten en juist worden gebruikt.
Het gebruik van een stofafzuiging beperkt het gevaar door stof.
4) Zorgvuldige omgang met en zorgvuldig gebruik van elektrische gereedschappen
a) Overbelast het gereedschap niet. Gebruik voor uw werkzaamheden het daarvoor
bestemde elektrische gereedschap. Met het passende elektrische gereedschap werkt u
beter en veiliger binnen het aangegeven capaciteitsbereik.
b) Gebruik geen elektrisch gereedschap waarvan de schakelaar defect is. Elektrisch
gereedschap dat niet meer kan worden in- of uitgeschakeld, is gevaarlijk en moet worden
gerepareerd.
c) Trek de stekker uit het stopcontact of neem de accu uit het elektrische gereedschap
voordat u het gereedschap instelt, toebehoren wisselt of het gereedschap weglegt.
Deze voorzorgsmaatregel voorkomt onbedoeld starten van het elektrische gereedschap.
d) Bewaar niet-gebruikte elektrische gereedschappen buiten bereik van kinderen. Laat
het gereedschap niet gebruiken door personen die er niet mee vertrouwd zijn en deze
aanwijzingen niet hebben gelezen. Elektrische gereedschappen zijn gevaarlijk wanneer
deze door onervaren personen worden gebruikt.
e) Verzorg het elektrische gereedschap zorgvuldig. Controleer of bewegende delen van
het gereedschap correct functioneren en niet vastklemmen en of onderdelen zodanig
gebroken of beschadigd zijn dat de werking van het elektrische gereedschap nadelig
wordt beïnvloed. Laat deze beschadigde onderdelen voor het gebruik repareren. Veel
ongevallen hebben hun oorzaak in slecht onderhouden elektrische gereedschappen.
f) Houd snijdende inzetgereedschappen scherp en schoon. Zorgvuldig onderhouden
snijdende inzetgereedschappen met scherpe snijkanten klemmen minder snel vast en zijn
gemakkelijker te geleiden.
g) Gebruik elektrisch gereedschap, toebehoren, inzetgereedschappen en dergelijke
volgens deze aanwijzingen. Let daarbij op de arbeidsomstandigheden en de uit te
voeren werkzaamheden. Het gebruik van elektrische gereedschappen voor andere dan de
voorziene toepassingen kan tot gevaarlijke situaties leiden.
5) Service
Laat het gereedschap alleen repareren door gekwalificeerd en vakkundig personeel
en alleen met originele vervangingsonderdelen. Daarmee wordt gewaarborgd dat de
veiligheid van het gereedschap in stand blijft.
1.3 Veiligheidsinstructies
Sluit het apparaat op de bouwplaats of in vochtige ruimtes uitsluitend via een FI-
veiligheidsschakelaar aan!
42 NEDERLANDS

Andere werktuigen en accessoires moeten toegelaten zijn voor min. 600 bar!
Voordat u het expander-pistool vervangt, moet erop gelet worden, dat het apparaat drukvrij is
(voet van de voetschakelaar halen)!
Controleer de expanderkop voor de ingebruikstelling op beschadigingen! De kleinste
beschadigingen kunnen bij een werkend apparaat tot gevaar voor mens en omgeving leiden!
Elke expanderkop moet absoluut op de instelling ervan gecontroleerd worden, voordat deze met
het hydraulische pistool wordt gebruikt!
Buizen vast plaatsen! Leg de buizen altijd parallel, nooit schuin ten opzichte van de expander-
as! Grijp nooit in de directe werkruimte!
Werk in principe met het snel te monteren werktuigvak. U beschermt zichzelf en anderen tegen
ongevallen en u spaart er de werktuigen mee!
2 Technische gegevens
NEDERLANDS 43
Nominale stroom ...............................
2,1 A
Nominaal ingangsvermogen .............
1,2 kW
Werkdruk ..........................................
80 – 600 bar
Max. bedrijfsdruk ..............................
700 bar
Toevoercapaciteit .............................
0,82 l/min
Inschakelduur ...................................
100 % - 80 bar
Veiligheidsklasse ..............................
I
Isolatieklasse ....................................
IP 54
Volgens de A-weging typisch geluidsniveau:
Geluidsdrukniveau (L
pA
) ....................
66 dB (A) ¦ K
pA
3 dB (A)
Geluidsvermogensniveau (L
WA
) .........
77 dB (A) ¦ K
WA
3 dB (A)
De geluidsdruk tijdens het werken kan de waarde van 85 dB (A) overschrijden. Gehoorbe-
schermers dragen! Messwerte ermittelt entsprechend EN 60745-1:2010.
3 Werking van de machine
3.1 Overzicht (A)
1
Stekker / stopcontact voetschakelaar
7
Controlelampje „Instellen“
2
Stekker / stopcontact werktuigbesturing
8
Controlelampje „Storing“
3
Stroomzekeringen 1,6 A / 0,25 A traag
9
Draaiknop bedrijfsdruk
4
Schakelaar „AAN“ en „UIT“
10
Behuizing
5
Schakelaar „Instellen“ en „Automatisch“
11
Aansluiting hydraulische slang /
snelkoppeling
6
Controlelampje „Bedrijfsklaar“
12
Veiligheidsvoetschakelaar
3.2 Beschrijving van het apparaat
Het ROTHENBERGER elektro-hydraulische apparaat, resp. de expanderinstallatie H 600 is een
universele en mobiele installatie voor het serieel verwijden, reduceren en kalibreren van normale
en dikwandige buizen voor industrie en handwerk.
Het bestaat uit twee hoofdgroepen:
1.
Hydraulische pomp en besturing (13002 elektro-hydraulisch – apparaat H 600)
2.
Hydraulisch pistool als werktuigdrager (expander-pistool H 1 nr. 12001 bij de levering
inbegrepen expanderinstallatie H 600 nr. 13100, of optioneel expander-pistool H 2 nr.
12002)
Het op de juiste manier werken met het materiaal wordt gewaarborgd door een traploos en
exact instelbare stand en automatische bedrijfsstand.

De volgende ROTHENBERGER expanderkoppen kunnen worden gebruikt:
Werktuigdrager expander-pistool H 1 (bij de levering 13100 inbegrepen)
Klinknagel-expanderkoppen (standaard) Ø 8 – 42 mm resp. 5/16“ – 1 ¾“ tot 1,6 mm wanddikte
Klinknagel-expanderkoppen, type S Ø 22 – 67 mm resp. 7/8“ – 2 ½“ tot 2,5 mm wanddikte
(uitsluitend door middel van adapter nr. 11007)
Werktuigdrager expander-pistool H 2 artikelnr. 12002 (als onderdeel verkrijgbaar)
Klinknagel-expanderkoppen, type S Ø 22 – 67 mm resp. 7/8“ – 2 ½“ tot 2,5 mm wanddikte
(uitsluitend door middel van adapter nr. 12097)
Klinknagel-expanderkoppen H 2, type 2 Ø 28 - 70 mm resp. 1 1/8“ - 2 ¾“ tot 2,5 mm wanddikte
Klinknagel-expanderkoppen H 2, type 3 Ø 70 - 110 mm resp. 2 ¾“ - 4 ¼“ tot 3,0 mm wanddikte
3.3 Inbedrijfstelling
44 NEDERLANDS
Voordat het apparaat de eerste keer in gebruik genomen wordt, de
oliereservoirtransportschroef door het bijgevoegde pomp-beluchtingsfilter
vervangen en wel als volgt!
De drie schroeven op het bovenste gedeelte van de
behuizing (10) losdraaien en het huis naar achter toe
wegtrekken.
De sluitschroef voor het oliereservoir (A) verwijderen
en door bijgevoegd luchtfilter vervangen.
De arrêteerhandel (B) van het overbelastingsrelais (C)
voor de zekerheid tot aan de aanslag terugdrukken;
door het transport zou hij losgeraakt kunnen zijn.
De behuizing weer bevestigen.
De stekker van de veiligheidsvoetschakelaar (12) op de
flensdoos (1) van het apparaat aansluiten.
De stuurkabel van het pistool met de flensdoos (2) van het apparaat verbinden en door
drukkend draaien borgen.
Met behulp van de snelkoppeling (11) de hydraulische slang van het pistool op het apparaat
aansluiten en de netkabel op de voeding aansluiten.
De hydraulische installatie is nu bedrijfsklaar.
Het apparaat mag uitsluitend met de op het typeplaatje aangegeven spanning
worden gebruikt! Het stroomnet moet met 10 A worden beveiligd!
Bij overbelasting van het apparaat schakelt het overbelastingsrelais (C) automatisch uit en het
lampje voor de storingscontrole (8) brandt:
De netstekker eruit trekken en de behuizing (10) als hierboven beschreven verwijderen.
De arrêteerhandel (B) doordrukken tot aan de aanslag en de netkabel weer met het
stroomnet verbinden.
3.4 Instellen van het hydraulische pistool H 1 en H 2 (B)
De voorinstelling controleren:
De te gebruiken expanderkop tot aan de aanslag op het hydraulische pistool schroeven.
De segmenten van de expanderkop mogen in ingeschoven toestand niet gespreid zijn. Met de
instelsleutel kan de stelmoer van het pistool worden ingesteld. Hiermee wordt het uit- en
inschuiven van de doorn geregeld.
De expanderkop er weer afschroeven.
Instellen:
De bedrijfsschakelaar (4) op AAN en de bedrijfsdruk met de draaiknop (9) op 80 bar zetten.
De schakelaar (5) op Instellen zetten en op de voetschakelaar (12) drukken.

NEDERLANDS 45
De voetschakelaar tijdens het proces steeds ingedrukt houden!
Kort op de microschakelaar op het hydraulische pistool drukken, zodat de doorn tot aan de
aanslag naar voren komt (afbeelding 1).
Bij het bereiken van de ingestelde druk schakelt het apparaat automatisch uit!
De expanderkop vastschroeven op het pistool en de voetschakelaar (12) loslaten, om de
druk weer te verminderen (de zuiger gaat weer terug naar zijn uitgangspositie) (afbeelding
2).
De expanderkop is juist ingesteld, wanneer hij nog 1/3 – ½ slag tot aan de aanslag naar
rechts draaien kan (afbeelding 3).
Altijd eerst een verwijding proberen, om vast te stellen of de vereiste
verwijdingsdiameter is bereikt. Met behulp van de instelsleutel afwijkingen met de
stelmoer van het pistool corrigeren!
Wanneer de betreffende expanderkop (als hierboven beschreven) juist is ingesteld, de
schakelaar (5) op „AUTOMATISCH“ zetten.
De buis over de expanderkop schuiven en de voetschakelaar kort aanraken.
De zuiger van het expander-pistool schuift automatisch naar voren, tot de ingestelde druk is
bereikt en schuift vervolgens weer terug.
Let op de juiste afmeting van de expanderkop! De afmeting van de expanderkop
moet passen bij de te verwijden buis!
Aanwijzing: De bewerkingscyclus moet niet minder dan een minuut duren.
3.5 Buiten bedrijfstelling
De voet van de veiligheidsvoetschakelaar halen en/of de hand van de microschakelaar.
De schakelaar (4) op UIT zetten, de netkabel eruit halen en de aansluitingen (1, 2, 11)
verwijderen.
De apparaten op een veilige manier opbergen!
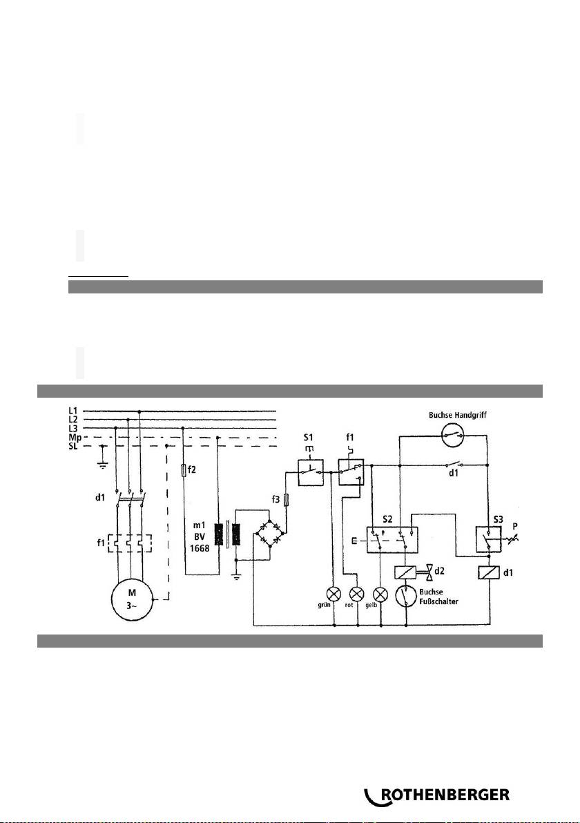
4 Elektrisch schema

5 Instandhouding en onderhoud
Het oliepeil na ca. 300 bedrijfsuren controleren: Het luchtfilter (A) uit het pomphuis schroeven en
het oliepeil met de oliepeilstok controleren.
De olie in principe door een trechter bijvullen. Niet tot boven de markering vullen!
Na 1500 bedrijfsuren alle olie verversen! Gebruik hiervoor uitsluitend de speciale hydraulische
olie van ROTHENBERGER. Artikelnr. 58185.
Alle buisschroefverbindingen moeten na de eerste 500 bedrijfsuren worden nagetrokken!
6 Toebehoren
46 NEDERLANDS
Naam
ROTHENBERGER artikelnummer
Hydraulisch systeem compleet, zonder koppen
nr. 13100
Hydraulisch apparaat H 600
nr. 13002
Voetschakelaar H 600 met 3 m Kabel
nr. 12013
Elektrohydraulisch optromppistool H 1
nr. 12001
Instelsleutel voor H 1
nr. 12017
Adapter voor de opname van S-koppen voor H 1
nr. 11007
Elektrohydraulisch optromppistool H 2
nr. 12002
Instelsleutel voor H 2
nr. 12018
Adapter voor de opname van S-koppen voor H 2
nr. 12097
Hydraulische slang M 16x1,5
nr. F88966
Stuurkabel 1 m
nr. F88928
Hydraulische olie 1 l
nr. 58185
Gereedschap opbergruimte
nr. 13023
7 Klantenservice
De ROTHENBERGER service-locaties zijn er om u te helpen (zie lijst in de catalogus of online).
Via deze service-locaties zijn ook vervangende onderdelen verkrijgbaar.
Bestel uw accessoires en reserveonderdelen via de vakhandel of maak gebruik van onze
service-after-sales hotline:
Telefoon: + 49 (0) 61 95 / 800 – 8200
Fax: + 49 (0) 61 95 / 800 – 7491
Email: service@rothenberger.com
www.rothenberger.com
8 Afvalverwijdering
Delen van het apparaat zijn recyclebare materialen en kunnen dus opnieuw worden gebruikt.
Hiertoe staan geregistreerde en gecertificeerde recyclebedrijven ter beschikking. Voor de
milieuvriendelijke verwerking van de niet-recyclebare delen (bijv. elektronisch schroot) dient u de
plaatselijk bevoegde afvaldiensten te raadplegen.
Het afvoeren van afgewerkte olie mag uitsluitend aan gespecialiseerde bedrijven worden
toevertrouwd. Afgewerkte en verontreinigde olie moet in gesloten, oliebestendige vaten (van
metaal) worden bewaard en afgevoerd. Defecte, niet-herstelbare elektrische apparatuur en
machines moeten worden geopend en volkomen van olie worden gereinigd. Oliebakken moeten
volledig – ook van oliesporen – worden gereinigd. Oliën (ook kleine hoeveelheden) mogen in
geen geval in de aarde dringen.
Voor de afvoer van afval uit onderhoudswerkzaamheden dienen de voorschriften van de
bevoegde instanties van deelstaat en land te worden nageleefd. Deze kunt u aanvragen bij de
plaatselijke verantwoordelijken voor milieubeheer.

In geval van twijfel dient het afval van onderhoudswerkzaamheden zoals reinigings- en
spoelmiddelen, poetsdoeken enz. Als speciaalafval door de gemeentelijke inzamelpunten te
worden afgevoerd.
Recyclebare afval dient volgens materiaalgroep te worden gescheiden en voor recycling
beschikbaar te worden gesteld.
Alleen voor de EU-landen:
NEDERLANDS 47
Werp elektrisch gereedschap niet in het huisvuil! Volgens de Europese richtlijn
2012/19/EG betreffende uitgediende elektro- en elektronica-apparatuur en haar
omzetting in nationaal recht moet niet meer bruikbaar elektrisch gereedschap
afzonderlijk worden verzameld en milieuvriendelijk voor recycling beschikbaar worden
gesteld.

48 ČESKY
Content
Stránky
1 Upozornění k bezpečnosti .................................................................................................. 49
1.1 Vymezení účelu použití ..................................................................................................... 49
1.2 Všeobecná varovná upozornění pro elektronářadí ............................................................ 49
1.3 Bezpečnostní pokyny ....................................................................................................... 50
2 Technické údaje .................................................................................................................. 51
3 Funkce zařízení ................................................................................................................... 51
3.1 Přehled (A) ....................................................................................................................... 51
3.2 Popis zařízení ................................................................................................................... 51
3.3 Uvedení do provozu ......................................................................................................... 52
3.4 Nastavení hydraulických pistolí H 1 a H 2 (B) ................................................................... 52
3.5 Odstavení z provozu ......................................................................................................... 53
4 Schéma elektrického zapojení ........................................................................................... 53
5 Péče a údržba ...................................................................................................................... 53
6 Příslušenství ....................................................................................................................... 54
7 Zákaznické služby ............................................................................................................... 54
8 Likvidace ............................................................................................................................. 54
Značky obsažené v textu:
Výstraha!
Tento symbol varuje před nebezpečím úrazu.
Varování!
Tento symbol varuje před nebezpečím škod na majetku a poškozením životního
prostředí.
Výzva k provedení úkonu

1 Upozornění k bezpečnosti
1.1 Vymezení účelu použití
Elektrohydraulické zařízení H 600 se má používat pouze ve spojení s elektrohydraulickými ro-
zšiřovacími pistolemi H 1 (obsažena v rozsahu dodávky jako č. 13100) a H 2 (dodávána jako
příslušenství) určenými k rozšiřování, redukování a kalibraci trubek s normální tloušťkou stěny a
silnostěnných trubek (max. 3 mm). Zařízení smí používat pouze kvalifikovaný a zaškolený od-
borný personál.
1.2 Všeobecná varovná upozornění pro elektronářadí
ČESKY 49
VAROVÁNÍ!
Čtěte všechna varovná upozornění a pokyny.
Zanedbání při dodržování varovných upozornění a pokynů mohou mít za následek zásah
elektrickým proudem, požár a/nebo těžká poranění.
Všechna varovná upozornění a pokyny do budoucna uschovejte.
Ve varovných upozorněních použitý pojem „elektronářadí“ se vztahuje na elektronářadí
provozované na el. síti (se síťovým kabelem) a na elektronářadí provozované na akumulátoru
(bez síťového kabelu).
1) Bezpečnost pracovního místa
a) Udržujte Vaše pracovní místo čisté a uklizené. Nepořádek a neosvětlené pracovní oblasti
mohou vést k úrazům.
b) Se strojem nepracujte v prostředích ohrožených explozí, kde se nacházejí hořlavé
kapaliny, plyny nebo prach. Elektronářadí vytváří jiskry, které mohou prach nebo páry
zapálit.
c) Děti a jiné osoby udržujte při použití elektronářadí daleko od Vašeho pracovního
místa. Při rozptýlení můžete ztratit kontrolu nad strojem.
2) Elektrická bezpečnost
a) Připojovací zástrčka stroje musí lícovat se zásuvkou. Zástrčka nesmí být žádným
způsobem upravena. Společně se stroji s ochranným uzemněním nepoužívejte žádné
adaptérové zástrčky. Neupravené zástrčky a vhodné zásuvky snižují riziko elektrického
úderu.
b) Zabraňte kontaktu těla s uzemněnými povrchy, jako např. potrubí, topení, sporáky a
chladničky. Je-li Vaše tělo uzemněno, existuje zvýšené riziko elektrického úderu.
c) Chraňte stroj před deštěm a vlhkem. Vniknutí vody do elektrického stroje zvyšuje
nebezpečí elektrického úderu.
d) Dbejte na účel kabelu, nepoužívejte jej k nošení či zavěšení stroje nebo vytažení
zástrčky ze zásuvky. Udržujte kabel daleko od tepla, oleje, ostrých hran nebo
pohyblivých dílů stroje. Poškozené nebo spletené kabely zvyšují riziko elektrického úderu.
e) Pokud pracujete s elektronářadím venku, použijte pouze takové prodlužovací kabely,
které jsou schváleny i pro venkovní použití. Použití prodlužovacího kabelu, jež je vhodný
pro použití venku, snižuje riziko elektrického úderu.
f) Pokud se nelze vyhnout provozu elektronářadí ve vlhkém prostředí, použijte
proudový chránič. Nasazení proudového chrániče snižuje riziko zásahu elektrickým
proudem.
3) Bezpečnost osob
a) Buďte pozorní, dávejte pozor na to, co děláte a přistupujte k práci s elektronářadím
rozumně. Stroj nepoužívejte pokud jste unaveni nebo pod vlivem drog, alkoholu nebo
léků. Moment nepozornosti při použití elektronářadí může vést k vážným poraněním.
b) Noste osobní ochranné pomůcky a vždy ochranné brýle. Nošení osobních ochranných
pomůcek jako maska proti prachu, bezpečnostní obuv s protiskluzovou podrážkou,
ochranná přilba nebo sluchátka, podle druhu nasazení elektronářadí, snižují riziko poranění.
c) Zabraňte neúmyslnému uvedení do provozu. Přesvědčte se, že je elektronářadí
vypnuté dříve než jej uchopíte, ponesete či připojíte na zdroj proudu a/nebo

akumulátor. Máte-li při nošení stroje prst na spínači nebo pokud stroj připojíte ke zdroji
proudu zapnutý, pak to může vést k úrazům.
d) Než stroj zapnete, odstraňte seřizovací nástroje nebo šroubovák. Nástroj nebo klíč,
který se nachází v otáčivém dílu stroje, může vést k poranění.
e) Vyvarujte se abnormálního držení těla. Zajistěte si bezpečný postoj a udržujte vždy
rovnováhu. Tím můžete stroj v neočekávaných situacích lépe kontrolovat.
f) Noste vhodný oděv. Nenoste žádný volný oděv nebo šperky. Vlasy, oděv a rukavice
udržujte daleko od pohybujících se dílů. Volný oděv, šperky nebo dlouhé vlasy mohou
být zachyceny pohybujícími se díly.
g) Lze-li namontovat odsávací či zachycující přípravky, přesvědčte se, že jsou připojeny
a správně použity. Použití odsávání prachu může snížit ohrožení prachem.
4) Svědomité zacházení a používání elektronářadí
a) Stroj nepřetěžujte. Pro svou práci použijte k tomu určený stroj. S vhodným
elektronářadím budete pracovat v udané oblasti výkonu lépe a bezpečněji.
b) Nepoužívejte žádné elektronářadí, jehož spínač je vadný. Elektronářadí, které nelze
zapnout či vypnout je nebezpečné a musí se opravit.
c) Než provedete seřízení stroje, výměnu dílů příslušenství nebo stroj odložíte,
vytáhněte zástrčku ze zásuvky. Toto preventivní opatření zabrání neúmyslnému zapnutí
stroje.
d) Uchovávejte nepoužívané elektronářadí mimo dosah dětí. Nenechte stroj používat
osobám, které se strojem nejsou seznámeny nebo nečetly tyto pokyny. Elektronářadí
je nebezpečné, je-li používáno nezkušenými osobami.
e) Pečujte o stroj svědomitě. Zkontrolujte, zda pohyblivé díly stroje bezvadně fungují a
nevzpřičují se, zda díly nejsou zlomené nebo poškozené tak, že je omezena funkce
stroje. Poškozené díly nechte před nasazením stroje opravit. Mnoho úrazů má příčinu
ve špatně udržovaném elektronářadí.
f) Řezné nástroje udržujte ostré a čisté. Pečlivě ošetřované řezné nástroje s ostrými
řeznými hranami se méně vzpřičují a dají se lehčeji vést.
g) Používejte elektronářadí, příslušenství, nasazovací nástroje apod. podle těchto
pokynů a tak, jak je to pro ten určitý speciální typ stroje předepsáno. Respektujte
přitom pracovní podmínky a prováděnou činnost. Použití elektronářadí pro jiné než
určující použití může vést k nebezpečným situacím.
5) Servis
Nechte Váš stroj opravit pouze kvalifikovaným odborným personálem a pouze s
originálními náhradními díly. Tím bude zajištěno, že bezpečnost stroje zůstane
zachována.
1.3 Bezpečnostní pokyny
Na staveništích nebo ve vlhkých místnostech připojujte zařízení k elektrické síti pouze prostřed-
nictvím ochranného proudového spínače!
Nářadí a příslušenství jiných výrobců musí být schváleno pro provoz při tlaku do min. 600 bar!
Dbejte na to, aby před výměnou rozšiřovací pistole byl v zařízení uvolněn tlak (sejměte nohu z
nožního spínače)!
Před uvedením do provozu zkontrolujte rozšiřovací hlavu se zaměřením na poškození! Sebe-
menší poškození se při provozu mohou stát zdrojem nebezpečí pro osoby i okolí!
Každá rozšiřovací hlava musí být před použitím s hydraulickou pistolí bezpodmínečně zkontro-
lována, aby bylo zajištěno její správné nastavení!
Trubky vkládejte tak, aby byly zajištěny v pevné poloze! Trubky pokládejte vždy rovnoběžně s
osou rozšiřovacího zařízení, nikdy šikmo vzhledem k této ose! Nikdy nezasahujte do be-
zprostřední pracovní oblasti!
Pracujte zásadně s rychle namontovatelným držákem nářadí. Tím zajistíte ochranu sebe samot-
ných i dalších osob před úrazy a současně budete šetřit nářadí!
50 ČESKY

2 Technické údaje
ČESKY 51
Jmenovitý proud ..................................
2,1 A
Jmenovitý příkon ..................................
1,2 kW
Pracovní tlak ........................................
80 – 600 bar
Max. provozní tlak ................................
700 bar
Dopravní výkon ....................................
0,82 l/min
Doba zapnutí .......................................
100 % - 80 bar
Třída ochrany ......................................
I
Druh ochrany .......................................
IP 54
Typická hladina zvuku s ohodnocením A:
Hladina akustického tlaku (L
pA
) ............
66 dB (A) ¦ K
pA
3 dB (A)
Hladina akustického výkonu (L
WA
) ........
77 dB (A) ¦ K
WA
3 dB (A)
Hladina hluku při práci může přesáhnout 85 dB (A). Noste ochranu sluchu!
Naměřené hodnoty zjištěny dle EN 60745-1:2010.
3 Funkce zařízení
3.1 Přehled (A)
1
Zástrčka / zásuvka nožního spínače
7
Kontrolka „Seřizování“
2
Zástrčka / zásuvka pro ovládací
jednotku
8
Kontrolka „Porucha“
3
Proudové pojistky 1,6 A / 0,25 A
zpožděné
9
Otočný regulátor provozního tlaku
4
Spínač s polohami „Zapnuto“ a
„Vypnuto“
10
Kryt
5
Přepínač „Seřizování“ a „Automati-
ka“
11
Místo pro připojení hydraulické hadice /
rychlospojka
6
Kontrolka „Připraveno k provozu“
12
Bezpečnostní nožní spínač
3.2 Popis zařízení
Elektrohydraulické zařízení ROTHENBERGER resp. rozšiřovací zařízení H 600 je univerzální a
mobilní zařízení k rozšiřování, redukování a kalibraci trubek s normální tloušťkou stěny a
silnostěnných trubek v průmyslové a řemeslné sféře.
Sestává ze dvou hlavních skupin:
1.
Hydraulické čerpadlo a ovládací jednotka (13002, elektrohydraulické zařízení H 600)
2.
Hydraulická pistole sloužící jako nosič nářadí (rozšiřovací pistole H 1 obj. č. 12001
obsažená v rozsahu dodávky rozšiřovacího zařízení H 600 obj. č. 13100, nebo volitelně
rozšiřovací pistole H 2 obj. č. 12002)
Pracovní postup odpovídající vlastnostem materiálu je zajištěn plynule a přesně nastavitelným
pracovním tlakem, který je k dispozici v seřizovacím i automatickém režimu.
Použitelné jsou následující rozšiřovací hlavy ROTHENBERGER:
Nosič nářadí provedený jako rozšiřovací pistole H 1 (obsažen v rozsahu dodávky rozšiřovacího
zařízení obj. č. 13100)
Nýtované rozšiřovací hlavy (standardní) Ø 8 – 42 mm popř. 5/16“ – 1 ¾“ tloušťka stěny do 1,6
mm
Nýtované rozšiřovací hlavy, typ S Ø 22 – 67 mm popř. 7/8“ – 2 ½“, tloušťka stěny do 2,5 mm
(pouze prostřednictvím adaptéru obj. č. 11007)

Nosič nářadí provedený jako rozšiřovací pistole H 2, obj. č. 12002 (dodává se jako příslušenství)
Nýtované rozšiřovací hlavy, typ S Ø 22 – 67 mm popř. 7/8“ – 2 ½“, tloušťka stěny do 2,5 mm
(pouze prostřednictvím adaptéru obj. č. 12097)
Nýtované rozšiřovací hlavy H2, typ 2 Ø 28 – 70 mm popř. 1 1/8“ – 2 ¾“ tloušťka stěny do 2,5
mm
Nýtované rozšiřovací hlavy H 2, typ 3 Ø 70 – 110 mm popř. 2 ¾“ – 4 ¼“ tloušťka stěny do 3,0
mm
3.3 Uvedení do provozu
52 ČESKY
Před prvním uvedením zařízení do provozu nahraďte přepravní šroub olejové
nádrže přiloženým zavzdušňovacím filtrem čerpadla. Přitom postupujte
následujícím způsobem:
Povolte tři šrouby na horní části (10) krytu a odtáhněte
kryt dozadu.
Odstraňte uzavírací šroub (A) olejové nádrže a nahr-
aďte jej přiloženým vzduchovým filtrem.
Pro jistotu zatlačte pojistnou páčku (B) ochranného relé
(C) proti přetížení až na doraz, jelikož během přepravy
mohlo dojít k jejímu uvolnění.
Znovu připevněte kryt.
Připojte zástrčkový konektor bezpečnostního nožního
spínače (12) k přírubové zásuvce (1) na zařízení.
Připojte ovládací kabel pistole k přírubové zásuvce (2) na zařízení a zajistěte jej současným
zatlačením a otočením.
Prostřednictvím rychlospojky (11) připojte hydraulickou hadici pistole k přístroji a připojte
síťový napájecí kabel ke zdroji elektrického proudu.
Hydraulické zařízení je nyní připraveno k provozu.
Zařízení se smí připojovat pouze k elektrické síti, jejíž napětí se shoduje s napětím
uvedeným na typovém štítku! Elektrická síť musí být jištěna pojistkou o hodnotě
10 A!
Při přetížení zařízení se automaticky vypíná ochranné relé (C) proti přetížení, což je signali-
zováno rozsvícením poruchové kontrolky (8).
Vytáhnete zástrčku síťového napájecího kabelu ze zásuvky a sejměte kryt (10) za použití
výše popsaného postupu.
Zatlačte pojistnou páčku (B) až na doraz a znovu připojte síťový napájecí kabel k elektrické
síti.
3.4 Nastavení hydraulických pistolí H 1 a H 2 (B)
Kontrola předběžného nastavení:
Na hydraulickou pistoli našroubujte až na doraz rozšiřovací hlavu, která má být použita.
Segmenty rozšiřovací hlavy nesmějí být v zasunutém stavu roztaženy. Prostřednictvím
seřizovacího klíče lze seřídit přestavovací matici pistole, která reguluje vysouvání a zasouvání
rozšiřovacího trnu.
Rozšiřovací hlavu opět odšroubujte.
Nastavení:
Přestavte provozní spínač (4) do zapnuté polohy a prostřednictvím otočného regulátoru (9)
nastavte provozní tlak o velikosti 80 bar.
Přestavte přepínač (5) do seřizovací polohy a stiskněte nožní spínač (12).
Během provádění pracovního úkonu udržujte nožní spínač trvale stisknutý!
Krátce klepněte na mikrospínač na hydraulické pistoli, aby rozšiřovací trn vyjel až na doraz
dopředu (obrázek 1).

Při dosažení nastaveného tlaku se zařízení automaticky vypne!
Rozšiřovací hlavu pevně našroubujte na pistoli a uvolněte nožní spínač (12),aby se opět
snížil tlak (rozšiřovací píst se vrátí zpět do výchozí polohy) (obrázek 2).
Rozšiřovací hlava je správně seřízena tehdy, jestliže ji lze otočit ještě o 1/3 – ½ otáčky až na
doraz doprava (obrázek 3).
ČESKY 53
Vždy provádějte zkušební rozšíření, abyste se ujistili, zda bylo dosaženo
požadovaného rozšířeného průměru. Korekci odchylek provádějte prostřednictvím
seřizovacího klíče nasazeného na přestavovací matici!
Je-li správně seřízena odpovídající rozšiřovací hlava (podle výše uvedeného popisu),
přestavte přepínač (5) do polohy „AUTOMATIKA“.
Nasuňte trubku na rozšiřovací hlavu a krátce klepněte na nožní spínač.
Rozšiřovací píst rozšiřovací pistole se bude automaticky posouvat dopředu, dokud nebude
dosažen nastavený tlak. Následně se píst opět odsune zpět.
Dbejte na použití správné velikosti rozšiřovací hlavy! Velikost rozšiřovací hlavy musí
odpovídat rozšiřované trubce!
Upozornění: Pracovní takt by neměl být kratší než 1 minuta.
3.5 Odstavení z provozu
Sejměte nohu z bezpečnostního nožního spínače a / nebo ruku z mikrospínače.
Přestavte spínač (4) do vypínací polohy, vytáhněte síťový kabel a odstraňte přípojky (1, 2,
11).
Zařízení uchovávejte na bezpečném místě!
4 Schéma elektrického zapojení
5 Péče a údržba
Po každých asi 300 provozních hodin kontrolujte hladinu oleje: Vyšroubujte vzduchový filtr (A)
ze skříně čerpadla a zkontrolujte hladinu oleje pomocí olejové měrky.
Doplňování oleje provádějte zásadně prostřednictvím nálevky. Při plnění nepřekračujte
označení maximální hladiny!
Výměnu oleje je nutno provádět po každých 1 500 provozních hodin! K tomuto účelu používejte
pouze speciální hydraulický olej ROTHENBERGER obj. č. 58185.
Všechna potrubní šroubová spojení je nutno po prvních 500 provozních hodin dotáhnout!

6 Příslušenství
54 ČESKY
Název příslušenství
Číslo dílu ROTHENBERGER
Hydraulický systém úplný, bez hlav
Č. 13100
Hydraulické zařízení H 600
Č. 13002
Nožní spínač H 600 s kabelem o délce 3 m
Č. 12013
Elektrohydraulická rozšiřovací pistole H 1
Č. 12001
Seřizovací klíč pro H 1
Č. 12017
Adaptér k upínání hlav typu S při použití pistole H 1
Č. 11007
Elektrohydraulická rozšiřovací pistole H 2
Č. 12002
Seřizovací klíč pro H 2
Č. 12018
Adaptér k upínání hlav typu S při použití pistole H 2
Č. 12097
Hydraulická hadice M 16x1,5
Č. F88966
Ovládací kabel 1 m
Č. F88928
Hydraulický olej 1 l
Č. 58185
Držák nářadí
Č. 13023
7 Zákaznické služby
K dispozici je síť servisních středisek společnosti ROTHENBERGER, která vám poskytnou
potřebnou pomoc a jejichž prostřednictvím jsou rovněž dodávány náhradní díly a zajišťovány
servisní zásahy (viz seznam v katalogu nebo na webových stránkách).
Příslušenství a náhradní díly můžete objednávat prostřednictvím svého specializovaného
prodejce nebo prostřednictvím pohotovostní linky našeho oddělení poprodejních služeb:
Telefon: + 49 (0) 61 95 / 800 – 8200
Fax: + 49 (0) 61 95 / 800 – 7491
Email: service@rothenberger.com
www.rothenberger.com
8 Likvidace
Části tohoto zařízení představují zhodnotitelný materiál a mohou být předány k recyklaci. K
tomuto účelu jsou k dispozici schválené a certifikované recyklační závody. K tomu, aby jste
mohli provést ekologicky přijatelnou likvidaci částí, které nelze zhodnotit (např. elektronický
šrot), je nutné provést konzultaci s Vaším úřadem, který je kompetentní pro likvidaci odpadů.
Likvidace starých olejů se smí provádět výlučně prostřednictvím specializovaných podniků!
Staré a znečištěné oleje je nutno uchovávat a předávat k likvidaci v těsných nádobách odolných
proti oleji (kovových obalech)! Oleje se (v sebemenších množstvích) nesmějí dostat do půdy! Při
likvidaci odpadů vznikajících při provádění činností údržby je nutno dodržovat předpisy vydané
příslušným úřadem na zemské a spolkové úrovni! Tyto předpisy si lze vyžádat u místně
příslušného úřadu, pod jehož působnost spadá ochrana životního prostředí!
V případě pochybností je odpady vznikající při provádění činností údržby, jako zbytky čisticích a
oplachových prostředků, hadříky použité k čištění atd. likvidovat jako zvláštní odpad
prostřednictvím komunálních sběrných středisek!
Recyklovatelné odpady je nutno třídit podle skupin obsažených látek a předávat k vhodnému
způsobu recyklace!
Pouze pro země EU:
Neodhazujte elektrické nástroje do odpadu! Podle Evropské směrnice 2012/19/EG o
odpadních elektrických a elektronických zařízeních (OEEZ) a podle jejího převedení
do národního práva musejí být opotřebené elektronástroje sbírány odděleně a ode
vzdány do ekologicky šetrného zpracování.

TÜRKÇE 55
İçindekiler
Sayfa
1 Güvenlik Notları .................................................................................................................. 56
1.1 Usulüne uygun kullanım ................................................................................................... 56
1.2 Elektrikli El Aletleri İçin Genel Uyar Talimat ...................................................................... 56
1.3 Güvenlik Talimatları .......................................................................................................... 57
2 Teknik veriler ....................................................................................................................... 58
3 Cihazın fonksiyonu ............................................................................................................. 58
3.1 Genel bakış (A) ................................................................................................................ 58
3.2 Cihaz tarifi ........................................................................................................................ 58
3.3 İlk çalıştırma ..................................................................................................................... 59
3.4 H 1 ve H 2 hidrolik tabancaların ayarlanması (B) .............................................................. 59
3.5 Devredışı bırakma ............................................................................................................ 60
4 Elektro devre şeması .......................................................................................................... 60
5 Bakım ................................................................................................................................... 60
6 Aksesuarlar ......................................................................................................................... 60
7 Müşteri hizmetleri ............................................................................................................... 61
8 Atıklar İçin ........................................................................................................................... 61
Dokümantasyonda kullanılan işaretler:
Tehlike!
İnsan sağlığıyla ilgili tehlikelere karşı ikazı.
Dikkat!
Eşyaya ve çevreye zarar verebilecek durumlara karşı ikaz.
Belli davranışlar için çağrı

1 Güvenlik Notları
1.1 Usulüne uygun kullanım
H 600 Elektro hidrolik cihazı, sadece H 1 (No. 13100 teslimat kapsamındadır) ve H 2 (aksesuar
olarak satın alınabilir) elektro hidrolik ekspander (genişletme) tabancaları ile normal ve kalın
duvarlı boruların (azami 3 mm) genişletilmesi, inceltilmesi/kısaltılması ve kalibre edilmesinde
kullanılır. Cihaz, sadece vasıflı ve cihaz hakkında bilgilendirilmiş uzman personel tarafından
kullanılabilir.
1.2 Elektrikli El Aletleri İçin Genel Uyar Talimat
56 TÜRKÇE
UYARI!
Bütün uyarıları ve talimat hükümlerini okuyun.
Aşağıdaki talimat hükümlerine uyarken hata yapılacak olursa, elektrik çarpmaları yangın ve/veya
ağır yaralanmalara neden olunabilir.
BU GÜVENLİK TALİMATINI GÜVENLİ BİR YERDE İYİ BİR BİÇİMDE SAKLAYIN.
Aşağıda kullanılan "Elektrikli el aleti" kavramı ile akım şebekesine bağlı elektrikli el aletleri
(bağlantı kablolu) ve batarya ile çalışan elektrikli el aletleri (bağlantı kablosuz) ifade edilmektedir.
1) Çalışma yeri güvenliği
a) Çalıştığınız yeri temiz ve düzenli tutun. İşyerindeki düzensizlik ve yetersiz aydınlatma
kazalara neden olabilir.
b) Yanıcı sıvıların, gazların veya tozların bulunduğunu patlama tehlikesi olan yer ve
mekânlarda aletinizle çalışmayın. Elektrikli el aletleri, toz veya buharların tutuşmasına
veya yanmasına neden olan kıvılcımlar çıkarırlar.
c) Elektrikli el aletinizle çalışırken çocukları ve başkalarını çalışma alanınızın uzağında
tutun. Yakınınızda bulunan kişiler dikkatinizi dağıtabilir ve bu da alet üzerindeki
kontrolünüzü kaybetmenize neden olabilir.
2) Elektriksel güvenlik
a) Aletinizin bağlantı fişi prize uymalıdır. Fişi hiçbir şekilde değiştirmeyin. Koruyucu
topraklamalı aletlerle adaptörlü fiş kullanmayın. Değiştirilmemiş, orijinal fiş ve uygun
prizler elektrik çarpma tehlikesini azaltır.
b) Borular, kalorifer tesisatı, ısıtıcılar ve buzdolapları gibi topraklanmış yüzeylerle
bedensel temasa gelmekten kaçının. Eğer bedeniniz topraklanacak olursa yüksek bir
elektrik çarpma tehlikesi ortaya çıkar.
c) Aletinizi yağmur ve nemden koruyun. Elektrikli el aletinin içine suyun sızması elektrik
çarpma tehlikesini yükseltir.
d) Kabloyu kendi amacı dışında kullanmayın; örneğin aleti kablodan tutarak taşımayın,
aleti kablo ile asmayın veya kablodan çekerek fişi prizden çıkarmayın. Kabloyu aşırı
sıcaktan, yağlardan, keskin kenarlı cisimlerden veya aletin hareketli parçalarından
uzak tutun. Hasarlı veya dolaşmış kablo elektrik çarpma tehlikesini yükseltir.
e) Når Elektrikli el aletinizle açık havada çalışırken mutlaka açık havada kullanılmaya
müsaadeli uzatma kablosu kullanın. Açık havada kullanılmaya uygun ve müsaadeli
uzatma kablosunun kullanılması elektrik çarpma tehlikesini azaltır.
f) Elektrikli el aletinin nemli ortamlarda çalıştırılması şartsa, mutlaka arıza akımı koruma
şalteri kullanın. Arıza akımı koruma şalterinin kullanımı elektrik çarpma tehlikesini azaltır.
3) Kişilerin güvenliği
a) Dikkatli olun, ne yaptığınıza dikkat edin ve elektrikli el aletinizle çalışırken makul
hareket edin. Yorgunsanız, hap, ilaç veya alkol almışsanız aletinizi kullanmayın.
Aletinizi kullanırken bir anlık dikkatsizliğiniz ciddi yaralanmalara yol açabilir.
b) Daima kişisel korunma donanımları ve bir koruyucu gözlük kullanın. Elektrikli el aletinin
türü ve kullanımına uygun olarak kullanacağınız toz maskesi, kaymayan sağlam iş
ayakkabıları, koruyucu kask veya koruyucu kulaklık gibi kişisel korunma donanımlarını
kullanmanız yaralanma tehlikesini büyük ölçüde azaltır.

