Rothenberger Elektrohydraulik-Expanderpistole H 2 – страница 5
Инструкция к Rothenberger Elektrohydraulik-Expanderpistole H 2

日本の 77
目次
ページ
1 安全上の注意点..................................................................................................................... 78
1.1 適切な使用について ......................................................................................................... 78
1.2 一般的な安全上の注意事項 ............................................................................................... 78
1.3 安全上の注意点 ................................................................................................................ 79
2 技術データ ............................................................................................................................ 80
3 機器の機能 ............................................................................................................................ 80
3.1 機器の構造 (A) .................................................................................................................. 80
3.2 機器の説明 ....................................................................................................................... 80
3.3 作業開始 ........................................................................................................................... 81
3.4 油圧ピストル H 1と H 2の設定 (B) ................................................................................... 81
3.5 作業終了 ........................................................................................................................... 82
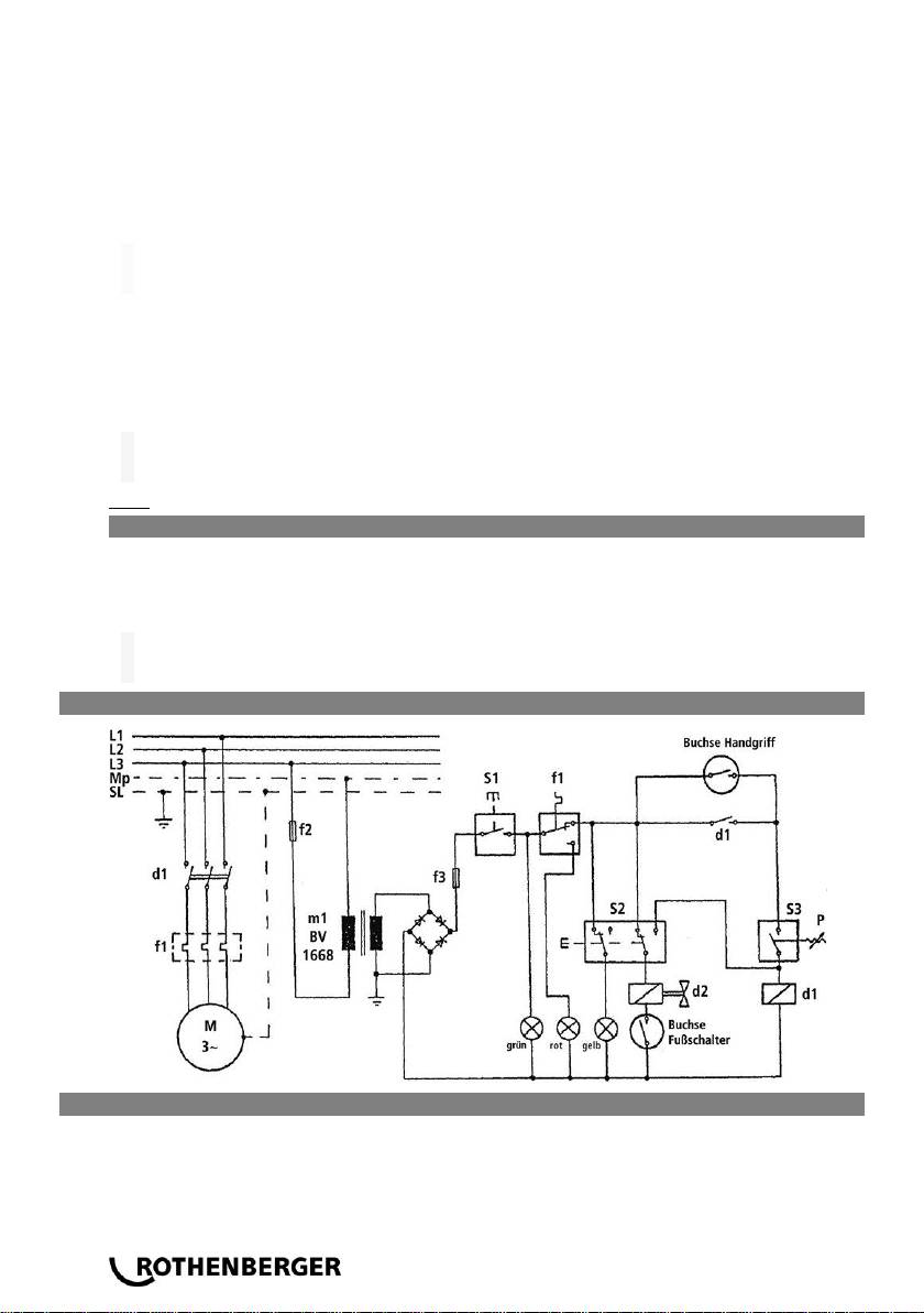
4 配線図 ................................................................................................................................... 82
5 手入れとメンテナンス .......................................................................................................... 82
6 アクセサリ ............................................................................................................................ 83
7 カスタマサービス ................................................................................................................. 83
8 廃棄 ...................................................................................................................................... 83
本文書中のマーク表示:
危険!
この印は人が怪我をする危険を警告しています。
注意!
この印は財産が損害を受けたり環境に損害を与える危険を警告してい ます。
処置が必要です。

1 安全上の注意点
1.1 適切な使用について
標準および太い肉厚の管(最高3mm)を拡張、縮小、調整するために電動油圧機器H 600を使用
するときは、電動油圧-エキスパンダーピストルH 1 (製品No. 13100に装備されています) とH
2 (付属品として販売されています)のみをお使いください。この機器の使用は資格を持ち、この
機器の使い方に精通した専門家だけに限ります !
1.2 一般的な安全上の注意事項
78 日本の
警告!
安全上の注意および指示書に目を通してください。
注意や指示に従わないと、感電、火災、重傷のおそれがあります。
今後のため、注意および指示書を保管してください。
注意にある「電動工具」とは、商用電源またはバッテリを使用した電動工具を指します。
1) 作業エリア
a) 作業エリアはきれいに保ち十分明るくしてください。散らかって暗いエリアは事故の原因
になります。
b) 可燃性の液体,ガス,埃などがある爆発性の雰囲気中では電 動工具を使用しないでくださ
い。電動工具はスパークを発生し埃やガスに火 がつく可能性があります。
c) 電動工具を扱っている間は子供や周りにいる人を近づけないようにしてください。注意が
散漫になるとコントロールを失う可能性があります。
2) 電気的な安全性
a) 電動工具のプラグはコンセントに合ったものを使ってください。どんな場合でもプラグを
改造することは止めてください。アースした(接地した)電動工具にはどんなアダプタプ
ラグも使用しないでください。プラグを改造しないこと,コンセントに合わせることで電気
ショックのリスクを減らします。
b) パイプ, ラジエータ, レンジ,冷蔵庫などアースされた,つまり接地された表面には身体を触れ
ないようにしてください。身体がアースされると,つまり接地されると電気ショックのリス
クは大きくなります。
c) 電気工具は雨や濡れた状態に晒さないようにしてください。電動工具の中に水が入ると電
気ショックのリスクは大きくなります。
d) コードを痛めないでください。電動工具を運んだり引っ張ったり,プラグを抜くためにコー
ドを決して使わないでください。熱, 油, 鋭いエッジ,動くものにはコードを近づけないよう
にしてください。痛んだまたは絡まったコードは
e) 電動工具を屋外で使用する時は,屋外用に適した延長コードを使用してください。屋外使用
に適したコードを使うことは電気ショックのリスクを小さくします。
f) 湿気のある場所で電動工具を使用しなければならない場合、残留電流機器(RCD)の保護
給電装置を使用します。RCDの使用によって、感電の危険を低減します。
3) 人の安全性
a) 電動工具を使う時は, 注意を払い,やっていることに気をつけて常識を働かせてください。
疲れている時, 薬,アルコール,薬物治療の影響を受けている時は,電動工具は使用しないでく
ださい。電動工具を扱っている間に注意が散漫になった瞬間,人が重大な怪我をする可能性
があります。
b) 安全用具の使用必ず目の保護具を使用してください。防塵マスク, 滑らない安全靴,硬い帽
子,耳栓などの安全用具をそれぞれに相応し 語い状態のために使えば人の怪我を減らしま
す。

c) 偶発的なスタートを避けてください。プラグを差し込む前には必ずスイッチがオフの位置
にあるようにしてください。電動工具を指をスイッチの上に置いて運んだりスイッチをオ
ンにしたままプラグを差し込んだりすると事故の原因になります。
d) 電動工具のスイッチを入れる前に調整キーやレンチは取り外しておいてください。電動工
具の回転部分にレンチやキーを当てたままにしておくと人が怪我をする原因になる可能性
があります。
e) 無理に身体を伸ばさないでください。いつも足場をしっかりしてバランスを保ってくださ
い。そうすると予期しない事態になっても電動工具をコントロールすることができます。
f) 相応しい服装をしてください。ルーズな服装やジュエリーを身に着けないでください。髪
の毛, 服,手袋を動いている部品に近づけないでください。ルーズな服, ジュエリー,長い髪は
動いている部品に巻き込まれる可能性があります。
g) ダスト抽出,収集設備と接続するようになっている場合は,接続と適切な使用がされているこ
とを確実にしてください。設備の使用でダスト関連のハザードを減らせます。
4) 電動工具の使用と手入れ
a) 電動工具に力を加えないでください。用途に応じて正しい電動工具を使ってください。正
しい電動工具を使って設計されたレートで仕事をより良く安全に行えます。
b) スイッチがオンオフしなければ,電動工具は使用しないでください。スイッチでコントロー
ルできない電動工具は危険で修理が必要です。
c) 調整, アクセサリの交換,電動工具の収納の前に電源からプラグを抜いてください。そのよ
うな予防的な安全対策が,電動工具が偶発的に起動するリスクを小さくします。
d) アイドル状態の電動工具は子供の手の届かない所に保管し,電動工具やこれらの指示に馴染
みのない人には電動工具を使用させないようにしてください。電動工具は訓練されてない
ユーザの手には危険です。
e) 電動工具のメンテナンス動く部品の不良位置合わせ, 締め具, 部品の損傷,電動工具の使用に
影響を与えるかもしれないその他の状態について確認してください。もし損傷を受けてい
る場合は,使用する前に電動工具を修理してください。多くのアクシデントは電動工具の貧
弱なメンテナンスに原因があります。
f) 刃物は鋭くクリーンに保ってください。適切にメンテナンスされた鋭い刃先を持つ刃物は,
固定されにくくコントロールがしやすくなります。
g) この指示と電動工具の特別タイプ用に意図されたやり方にしたがって,作業状況と実施すべ
き作業を考慮しながら, 電動工具, アクセサリ,小物などを使ってください。ここに意図した
ものと異なった動作のために電動工具を使用することは,ハザード状況を作り出す可能性が
あります。
5) サービス
電動工具は同じ交換部品だけを使い,認定を受けた修理作業者のサービスを受けるようにし
てください。これによって電動工具の安全性が保たれます。
1.3 安全上の注意点
工事現場、あるいは湿気がある部屋で作業するときは必ず漏電遮断器を通して接続してくださ
い!
この機器の装備に入っていないツール、付属品を使うときは、少なくとも600バールに耐えるこ
とを確認してください!
エキスパンダーピストルを交換するときは、その前に機器が無圧になっていることを確認して
ください (フットスイッチから足を離してください)!
作業を始める前にエキスパンダーヘッドが破損していないかチェックしてください!ほんの僅か
な破損でも人体と環境に大きな危険を及ぼすことがあります!
エキスパンダーヘッドは使う前に毎回必ず油圧ピストルで設定をチェックしてください!
日本の 79

管はしっかり固定してください!管はエキスパンダーの軸に対し、いつも平行になるようにし
てください!決して斜めにならないよう気をつけてください!作動している機器には絶対に手
を近づけないでください!
作業するときは、すぐ組み立てられる工具台を利用することを心がけてください。そうすれば
自分も他人も事故から守ることができ、結果的に工具の破損も防げます!
2 技術データ
80 日本の
定格電流 .....................................
2,1 A
使用電力 .....................................
1,2 kW
作業圧力 .....................................
80 – 600 バール
最高運転圧力 ..............................
700 バール
容量 ............................................
0,82 l/分
動作モード ..................................
100 % - 80 バール
安全規格 .....................................
I
保護 ............................................
IP 54
A特性等価騒音レベル:
音圧レベル (L
pA
) ..........................
66 dB (A) ¦ K
pA
3 dB (A)
音響パワーレベル (L
WA
) ..............
77 dB (A) ¦ K
WA
3 dB (A)
作業時の騒音レベルが85 dB (A)を越える場合があります。防音保護具を着用してください!測
定値は欧州規格EN 60745-1:2010に準じて測定されています。
3 機器の機能
3.1 機器の構造 (A)
1
プラグ / コンセント フットスイッチ
7
インジケーターランプ「設定」
2
プラグ/ コンセント 制御ツール
8
インジケーターランプ「故障」
3
遅延ヒューズ 1,6 A / 0,25 A
9
回転ノブ 作業圧力
4
スイッチ 「入」と 「切」
10
本体
5
スイッチ「設定」 と「自動」
11
接続 油圧ホース / クイック連結
6
インジケーターランプ 「作業可能」
12
安全フットスイッチ
3.2 機器の説明
ローテンベルガー社の電動油圧機器、エキスパンダー装置H 600は、標準または太い肉厚の管を
拡張、縮小、調整するときに繰り返しご利用いただける、様々な管に対応可能な機器で、持ち
運ぶことができます。機器は二つの部分に分かれています。
1.
油圧ポンプと制御装置 (13002 電動油圧機器 H 600)
2.
専用ツールとしての油圧ピストル (エキスパンダーピストル H 1 No. 12001 は、エキスパ
ンダー装置 H 600 No. 13100 に装備されています。 オプションとしてエキスパンダーピス
トルH 2 No. 12002 があります)。
手動で、または自動設定で作業圧力を段階なしに、正確にセットできるため、材料に適した作
業が可能です。
以下のローテンベルガー社のエキスパンダーヘッドをご利用いただけます:
専用ツール エキスパンダーピストルH 1(製品13100に装備されています)
リベット-エキスパンダーヘッド (標準) Ø 8 – 42 mm あるいは5/16“ – 1 ¾“、最大肉厚1,6 mm

リベット-エキスパンダーヘッド S型 Ø 22 – 67 mm あるいは7/8“ – 2 ½“、最大肉厚2,5 mm
(アダプタ No. 11007を使用する場合のみ)
専用ツール エキスパンダーピストル H 2 製品番号 12002 (付属品として販売されています)
リベット-エキスパンダーヘッド S型 Ø 22 – 67 mm あるいは7/8“ – 2 ½“、最大肉厚2,5 mm
(アダプタ No. 12097を使用する場合のみ)
リベット-エキスパンダーヘッドH 2 2型 Ø 28 – 70 mm あるいは1 1/8“ – 2 ¾“、最大肉厚2,5
mm
リベット-エキスパンダーヘッドH 2 3型 Ø 70 – 110 mm あるいは2 ¾“ – 4 ¼“、最大肉厚3,0
mm
3.3 作業開始
日本の 81
この機器を初めて使用するときは、作業を始める前に以下の説明に従って油タンク・運
搬ネジを付属のポンプ・換気フィルターと交換してください:
本体上部 (10) の3ネジをゆるめ、本体をはずします
油タンクの止めネジ (A) をはずし、付属のエアフィル
ター と交換します。
運搬中にストップレバーがはずれている可能性がある
ので、念のためにオーバーロードリレー (C) のストッ
プレバー (B) をストッパーのところまで押し込みます
本体を再び固定します。
安全フットスイッチ (12) のプラグを機器のフランジ
(1) に接続します。
ピストルの制御ケーブルを機器のフランジ (2) につなぎ、押し回して固定します。
クイック連結 (11)でピストルの油圧ホースを機器につなぎ、電源コードを電源に接続しま
す
これで油圧装置は作業可能な状態になりました。
この機器は表示記号に示されている電圧でのみ作動させてください!
電力網は10 Aを守ってください。
機器に負荷が掛かりすぎるとオーバーロードリレー (C) が自動的にスイッチを切り、故障を示
すインジケーターランプ (8) がつきます:
電源プラグを抜き、上記のやり方で本体 (10) をはずしてください。
ストップレバー (B) をストッパーのところまで押し込み、電源コードを再び電源につない
でください。
3.4 油圧ピストル H 1と H 2の設定 (B)
既定値のチェック:
使用するエキスパンダーヘッドを油圧ピストルのストッパーのところまでねじ回します。
はまっているときにエキスパンダーヘッドのセグメントが広がっていないことが重要です。ピ
ストルの調節ナットを調整レンチで設定することで、エキスパンションマンドレルのはめはず
しが制御できます。
エキスパンダーヘッドを再びはずしてください。
設定:
運転スイッチ (4) をオン [EIN] にし、 回転ノブ (9) で 運転圧力を 80 バールに設定します。
スイッチ (5) を設定にし、フットスイッチ (12) を踏んでください。
作業中はフットスイッチを踏み続けてください!

油圧ピストルのマイクロスイッチに軽くタッチして、エキスパンションマンドレルをスト
ッパーのところまで進めてください。( 図 1)
設定圧力に達すると自動的にスイッチが切れます
!
エキスパンダーヘッドをピストルに固定し、圧力を再び下げるためにフットスイッチ (12)
から足を離します(エキスパンションプランジャーが再び元の位置に戻ります)。( 図 2)
エキスパンダーヘッドをストッパーのところまで右にまだ 1/3 – ½ 回転させることができれ
ば、 ヘッドは正しくセットされています。( 図 3)
82 日本の
求められている拡張直径に達したかどうかを確認するために、必ず拡張テストを行って
ください。調整レンチを使ってピストルの調節ナットを修正してください!
合ったエキスパンダーヘッド (上記参照) を正しくセットしたら、スイッチ (5)を「自動」
に切り替えます。
管をエキスパンダーヘッドの上に押し、フットスイッチを軽く踏みます。
エキスパンダーピストルのエキスパンションプランジャーは、設定圧力に達するまで自動的に
進み、その後再び戻ります。
エキスパンダーヘッドの大きさがあっているか確認してください! エキスパンダーヘッ
ドの大きさは拡張する管に合わせてください!
注意
:
作業工程は一分以上続けてください。
3.5 作業終了
安全フットスイッチから足を、またはマイクロスイッチから手を離します(あるいはその
両方)。
スイッチ (4) をオフにし、電源コードを抜き、接続 (1, 2, 11) をはずします。
機器は安全に保管してください。
4 配線図
5 手入れとメンテナンス
作業時間がおよそ300時間を越えた段階で油の量を チェックしてください:ポンプケースから
エアフィルター (A) をはずし、測定棒で油の量を測ります。
油は基本的に漏斗を使って注ぎ足してください。目印のところ以上に入れ過ぎないよう気をつ
けてください!

作業時間が1500時間を超えるごとに油を交換してください!ローテンベルガー社の専用油圧オ
イル(製品番号 58185)のみをご利用ください。
作業時間が最初の500時間を超えた段階ですべての管のネジを固く締め直してください!
6 アクセサリ
日本の 83
アクセサリの名称
ROTHENBERGER 部品番号
頭のない、完全に油圧システム、
製品番号 13100
油圧装置H 600
製品番号 13002
フットスイッチH 600 3メートルのケーブル付き
製品番号 12013
電動油圧エキスパンダーピストル H 1
製品番号 12001
H 1について調整
製品番号 12017
H 1のSヘッド用アダプタ
製品番号 11007
電動油圧エキスパンダーピストル H 2
製品番号 12002
H 2について調整
製品番号 12018
H 2のSヘッド用アダプタ
製品番号 12097
油圧ホースM 16x1,5
製品番号 F88966
コントロールケーブル1 m
製品番号 F88928
油圧オイル1 l
製品番号 58185
工具入れ
製品番号 13023
7 カスタマサービス
ROTHENBERGER サービス拠点またはその他修理部門を持つ製造業者が支援のためご利用で
きます。弊社が短期通知でスペア部品を送付することは言うまでもありません。小売業者また
は製造業者にご相談ください。
アクセサリとスペア部品は専門小売業者に発注されるか弊社のアフターセールスホットライン
をご利用ください:
電話: + 49 (0) 61 95 / 800 – 8200
ファックス: + 49 (0) 61 95 / 800 – 7491
メール: service@rothenberger.com
www.rothenberger.com
8 廃棄
機器の部品は貴重な資源でリサイクルが可能です。検定を受け認可されたリサイクル業者が回
収します。リサイクルできない部品(たとえば電子部品のゴミ)の環境にやさしい廃棄方法に
ついては、お近くの役所のゴミ処理担当課にお尋ねください。
廃油の廃棄は専門業者にのみ許されています!廃油や汚れた油は密閉された、油に浸食されな
い容器(金属桶)に入れて廃棄 してください。 (たとえ少量でも)油が土壌に沁み込むような
ことは避けてください!
保守点検作業の際に出たゴミの廃棄については州[地方自治体]および国の管轄部署の規定に従っ
てください。この規定は最寄の役所の環境課に尋ねれば分かります!
保守点検作業の際に出た洗剤、食器用洗剤、雑巾などのゴミをどうしたらよいか分からないと
きは自治体の集積場に特殊ゴミとして廃棄してください!
利用可能なゴミは分類し、再利用のためにリサイクルに回してください!

EU 諸国についてのみ:
84 日本の
国内廃棄物と一緒に電動工具を廃棄しないでください。国内法令としての電気電子機
器の廃棄およびその実施に関する EU 指令 2012/19/EC にしたがって,すでに使用不能
となった電動工具は別個に収集し環境的に適合性のあるリサイクルとして利用されな
ければなりません。

NOTES

NOTES

NOTES

ROTHENBERGER Worldwide
Australia
ROTHENBERGER Australia Pty. Ltd.
Italy
ROTHENBERGER Italiana s.r.l.
Unit 6 • 13 Hoyle Avenue • Castle Hill • N.S.W. 2154
Via G. Reiss Romoli 17-19 • I-20019 Settimo Milanese
Tel. + 61 2 / 98 99 75 77 • Fax + 61 2 / 98 99 76 77
Tel. + 39 02 / 33 50 601 • Fax + 39 02 / 33 50 0151
rothenberger@rothenberger.com.au
info@rothenberger.it • www.rothenberger.it
www.rothenberger.com.au
Netherlands
ROTHENBERGER Nederland bv
Postbus 45 • NL-5120 AA Rijen
Austria
ROTHENBERGER Werkzeuge- und Maschinen
Tel. + 31 1 61 / 29 35 79 • Fax + 31 1 61 / 29 39 08
Handelsgesellschaft m.b.H.
info@rothenberger.nl • www.rothenberger.nl
Gewerbeparkstraße 9 • A-5081 Anif
Tel. + 43 62 46 / 7 20 91-45 • Fax + 43 62 46 / 7 20 91-15
Poland
ROTHENBERGER Polska Sp.z.o.o.
ofce@rothenberger.at • www.rothenberger.at
Ul. Annopol 4A • Budynek C • PL-03-236 Warszawa
Tel. + 48 22 / 2 13 59 00 • Fax + 48 22 / 2 13 59 01
Belgium
ROTHENBERGER Benelux bvba
biuro@rothenberger.pl • www.rothenberger.pl
Antwerpsesteenweg 59 • B-2630 Aartselaar
Tel. + 32 3 / 8 77 22 77 • Fax + 32 3 / 8 77 03 94
Russia
ROTHENBERGER Russia
Avtosavodskaya str. 25
info@rothenberger.be • www.rothenberger.be
115280 Moscow, Russia
Tel. + 7 495 / 792 59 44 • Fax + 7 495 / 792 59 46
Brazil
ROTHENBERGER do Brasil LTDA
info@rothenberger.rz • www.rothenberger.ru
Av. Fagundes de Oliveira, 538 - Galpão A4
09950-300 - Diadema / SP - Brazil
South Africa
ROTHENBERGER-TOOLS SA (PTY) Ltd.
Tel. + 55 11 / 40 44- 4748 • Fax + 55 11 / 40 44- 5051
P.O. Box 4360 • Edenvale 1610
spacente@rothenberger.com.br • www.rothenberger.com.br
165 Vanderbijl Street, Meadowdale Germiston
Gauteng (Johannesburg), South Africa
Bulgaria
ROTHENBERGER Bulgaria GmbH
Tel. + 27 11 / 3 72 96 31 • Fax + 27 11 / 3 72 96 32
Boul. Sitnjakovo 79 • BG-1111 Soa
info@rothenberger.co.za • www.rothenberger.co.za
Tel. + 35 9 / 2 9 46 14 59 • Fax + 35 9 / 2 9 46 12 05
Spain
ROTHENBERGER S.A.
info@rothenberger.bg • www.rothenberger.bg
Ctra. Durango-Elorrio, Km 2 • E-48220 Abadiano (Vizcaya)
(P.O. Box) 117 • E-48200 Durango (Vizcaya)
China
ROTHENBERGER Pipe Tool (Shanghai) Co., Ltd.
Tel. + 34 94 / 6 21 01 00 • Fax + 34 94 / 6 21 01 31
D-4, No.195 Qianpu Road,East New Area of Songjiang
export@rothenberger.es • www.rothenberger.es
Industrial Zone, Shanghai 201611, China
Sweden
Tel. + 86 21 / 67 60 20 61 • + 86 21 / 67 60 20 67
ROTHENBERGER Sweden AB
Fax + 86 21 / 67 60 20 63 • ofce@rothenberger.cn
Hemvärnsgatan 22 • S- 171 54 Solna, Sverige
Tel. + 46 8 / 54 60 23 00 • Fax + 46 8 / 54 60 23 01
Czech
ROTHENBERGER CZ
roswe@rothenberger.se • www.rothenberger.se
Republic
Prumyslova 1306/7 • 102 00 Praha 10
Tel. +420 271 730 183 • Fax +420 267 310 187
Switzerland
ROTHENBERGER (Schweiz) AG
Herostr. 9 • CH-8048 Zürich
prodej@rothenberger.cz • www.rothenberger.cz
Tel. + 41 (0)44 435 30 30 • Fax + 41 (0)44 401 06 08
info@rothenberger-werkzeuge.ch
Denmark
ROTHENBERGER Scandinavia A/S
Smedevænget 8 • DK-9560 Hadsund
Turkey
ROTHENBERGER Tes. Alet ve Mak. San. Tic. Ltd. Sti
Tel. + 45 98 / 15 75 66 • Fax + 45 98 / 15 68 23
Poyraz Sok. No: 20/3 - Detay Is Merkezi
roscan@rothenberger.dk
TR-34722 Kadiköy-Istanbul
Tel. + 90 / 216 449 24 85 • Fax + 90 / 216 449 24 87
France
ROTHENBERGER France S.A.
rothenberger@rothenberger.com.tr
24, rue des Drapiers, BP 45033 • F-57071 Metz Cedex 3
www.rothenberger.tr
Tel. + 33 3 / 87 74 92 92 • Fax + 33 3 / 87 74 94 03
info-fr@rothenberger.com • www.rothenberger.fr
UAE
ROTHENBERGER Middle East FZCO
PO Box 261190 • Jebel Ali Free Zone
Dubai, United Arab Emirates
Germany
ROTHENBERGER Deutschland GmbH
Tel. + 971 / 48 83 97 77 • Fax + 971 / 48 83 97 57
Industriestraße 7 • D-65779 Kelkheim/Germany
ofce@rothenberger.ae
Tel. + 49 61 95 / 800 81 00 • Fax + 49 61 95 / 800 37 39
verkauf-deutschland@rothenberger.com
ROTHENBERGER EQUIPMENT TRADING & SERVICES LLC
www.rothenberger.com
PO Box 91208 • Mussafah Industrial Area
Abu Dhabi, United Arab Emirates
ROTHENBERGER Werkzeuge Produktion GmbH
Tel. + 971 / 25 50 01 54 • + 971 / 25 50 01 53
Lilienthalstraße 71- 87 • D-37235 Hessisch-Lichtenau
uaesales@rothenberger.ae
Tel. + 49 56 02 / 93 94-0 • Fax + 49 56 02 / 93 94 36
UK
ROTHENBERGER UK Limited
2, Kingsthorne Park, Henson Way,
Greece
ROTHENBERGER Hellas S.A.
Kettering • GB-Northants NN16 8PX
Agias Kyriakis 45 • 17564 Paleo Faliro • Greece
Tel. + 44 15 36 / 31 03 00 • Fax + 44 15 36 / 31 06 00
Tel. + 30 210 94 02 049 • +30 210 94 07 302 / 3
info@rothenberger.co.uk
Fax + 30 210 / 94 07 322
ro-he@otenet.gr • www.rothenberger.com
USA
ROTHENBERGER USA LLC
7130 Clinton Road • Loves Park, IL 61111, USA
Hungary
ROTHENBERGER Hungary Kft.
Tel. +1 / 80 05 45 76 98 • Fax + 1 / 81 56 33 08 79
Gubacsi út 26 • H-1097 Budapest
pipetools@rothenberger-usa.com
Tel. + 36 1 / 3 47- 50 40 • Fax + 36 1 / 3 47 - 50 59
www.rothenberger-usa.com
info@rothenberger.hu • www.rothenberger.hu
India
ROTHENBERGER India Pvt. Ltd.
Plot No 17, Sector - 37, Pace city-I
Gurgaon, Haryana - 122 001, India
ROTHENBERGER Werkzeuge GmbH
Tel. 91124- 4618900 • Fax 91124- 4019471
Industriestraße 7
contactus@rothenbergerindia.com
www.rothenberger.com
D- 65779 Kelkheim / Germany
Telefon + 49 (0) 61 95 / 800 - 0
Fax + 49 (0) 6195 / 800 - 3500
info@rothenberger.com
F90199-i1/06.2014/F&E
www.rothenberger.com

