Hach-Lange CLT10 sc – страница 14
Инструкция к Hach-Lange CLT10 sc

Înlocuirea ansamblului supapei de control al debitului
Română 261

Depanarea
Jurnal de evenimente
Controllerul furnizează un jurnal de evenimente pentru fiecare senzor. Jurnalul de evenimente
stochează o varietate de evenimente care au loc pe dispozitive, precum calibrări efectuate, opţiuni
de calibrare modificate etc. Mai jos este afişată o listă cu evenimente posibile. Jurnalul de
evenimente poate fi citit în format CSV. Cu privire la instrucţiunile necesare în vederea descărcării
fişierelor de logare, consultaţi manualul de instrucţiuni de folosire al controllerului.
Tabelul 1 Jurnal de evenimente
Eveniment Descriere
Power On (Pornire) S-a pornit alimentarea.
Flash Failure (Defecţiune flash) Memoria flash externă s-a defectat sau este coruptă.
1pointpHCalibration_Start Pornirea calibrării probei într-un punct pentru pH
1pointpHCalibration_End Terminarea calibrării probei într-un punct pentru pH
2pointpHCalibration_Start Pornirea calibrării probei în două puncte pentru pH
2pointpHCalibration_End Terminarea calibrării probei în două puncte pentru pH
1pointBufferpHCalibration_Start Pornirea calibrării soluţiei tampon într-un punct pentru pH
1pointBufferpHCalibration_End Terminarea calibrării soluţiei tampon într-un punct pentru pH
2pointBufferpHCalibration_Start Pornirea calibrării soluţiei tampon cu două puncte pentru pH
2pointBufferpHCalibration_End Terminarea calibrării soluţiei tampon în două puncte pentru pH
TempCalibration_Start Pornirea calibrării temperaturii
TempCalibration_End Terminarea calibrării temperaturii
1pointChemZeroCL2_Start Pornirea calibrării chimice într-un punct pentru clor
1pointChemZeroCL2_End Terminarea calibrării chimice într-un punct pentru clor
1pointElecZeroCL2_Start Pornirea calibrării electrice într-un punct pentru clor
1pointElecZeroCL2_End Terminarea calibrării electrice într-un punct pentru clor
1pointProcessConc_Start Pornirea măsurării concentraţiei procesului într-un punct pentru clor
1pointProcessConc _End Terminarea măsurării concentraţiei procesului într-un punct pentru clor
2pointChemCL2_Start Pornirea calibrării chimice în două puncte pentru clor
2pointChemCL2_End Terminarea calibrării chimice în două puncte pentru clor
2pointElecCL2_Start Pornirea calibrării electrice în două puncte pentru clor
2pointElecCL2_End Terminarea calibrării electrice în două puncte pentru clor
CL2CalSetDefault Calibrarea clorului a fost resetată la valoarea implicită.
pHCalSetDefault Datele de calibrare a pH-ului au fost resetate la valoarea implicită.
TempCalSetDefault Datele de calibrare a temperaturii au fost resetate la valoarea implicită.
AllCalSetDefault Toate datele de calibrare a senzorului au fost resetate la valoarea implicită.
CL2CalOptionChanged Opţiunea de calibrare a clorului a fost modificată.
pHCalOptionChanged Opţiunea de calibrare a pH-ului a fost modificată.
TempCalOptionChanged Opţiunea de calibrare a temperaturii a fost modificată.
262 Română

Tabelul 1 Jurnal de evenimente (continuare)
Eveniment Descriere
SensorConfChanged Configurarea senzorului a fost modificată.
ResetCL2CalHist Istoricul calibrării CL2 a fost resetat.
ResetpH CalHist Istoricul calibrării pH-ului a fost resetat.
ResetTemp CalHist Istoricul calibrării temperaturii a fost resetat.
ResetAllSensorsCalHist Întregul istoric al calibrării senzorului a fost resetat.
ResetCL2Sensor Datele de calibrare CL2 (zile senzor, istoric calibrare şi date de calibrare) au
fost resetate la valorile implicite.
ResetpHSensor Datele de calibrare a pH-ului (zile senzor, istoric calibrare şi date de calibrare)
au fost resetate la valorile implicite.
ResetTempSensor Datele de calibrare a temperaturii (zile senzor, istoric calibrare şi date de
calibrare) au fost resetate la valorile implicite.
ResetAllSensors Toate datele de calibrare a senzorului (zile senzor, istoric calibrare şi date de
calibrare) au fost resetate la valorile implicite.
Flow Detection (Detectare debit) Starea senzorului de proximitate s-a modificat (debit suficient sau insuficient).
Listă erori
Erorile pot să apară din diferite motive. Citirea senzorului din ecranul de măsurare clipeşte. Toate
semnalele de ieşire se păstrează dacă s-a specificat în meniul controllerului. Pentru a afişa erorile
senzorilor, apăsaţi tasta MENIUşi selectaţi Sensor Diag (Diagnosticare senzor), Error List (Listă de
erori). Mai jos este afişată o listă cu erori posibile.
Tabelul 2 Listă de erori pentru senzor
Eroare Descriere Rezoluţie
CL CAL REQD Este necesară o calibrare a clorului şi/sau
Calibraţi senzorul de clor şi/sau senzorul
a pH-ului.
de pH.
Măsurarea clorului şi/sau a pH-ului s-a
modificat suficient pentru a determina
producerea unei alarme Cal Watch
(Urmărire calibrare). Pentru informaţii
suplimentare, consultaţi manualul
senzorului de clor.
CL MAINT REQD Este necesară întreţinerea senzorului de
Efectuaţi întreţinerea senzorului şi apoi
clor..
repetaţi calibrarea sau înlocuiţi senzorul.
Pentru informaţii suplimentare, consultaţi
Panta este mai mică de 30% sau mai
manualul senzorului de clor.
mare de 300% din valoarea implicită.
Valoarea implicită a pantei este
100 mV/ppm (100%).
CL MAINT REQD Este necesară întreţinerea senzorului de
Efectuaţi întreţinerea senzorului şi apoi
clor..
repetaţi calibrarea sau înlocuiţi senzorul.
Pentru informaţii suplimentare, consultaţi
Abaterea este prea mare (mai mare de
manualul senzorului de clor.
±50 mV).
PH PREA MIC Valoarea pH-ului este mai mică de 0 pH. Calibraţi sau înlocuiţi senzorul de pH.
PH PREA MARE Valoarea pH-ului este mai mare de
14 pH.
PH SLOPE FAIL Panta este în afara intervalului dintre
Curăţaţi senzorul de pH, apoi repetaţi
-45 şi -65 mV/pH.
calibrarea cu o soluţie tampon sau probă
proaspătă sau înlocuiţi senzorul.
Română 263

Tabelul 2 Listă de erori pentru senzor (continuare)
Eroare Descriere Rezoluţie
PH OFFSET FAIL Abaterea este în afara intervalului
Curăţaţi senzorul de pH şi apoi repetaţi
±60 mV.
calibrarea cu o soluţie tampon sau probă
proaspătă sau înlocuiţi senzorul.
PH OFFSET FAIL Abaterea este în afara intervalului
Curăţaţi senzorul de pH şi înlocuiţi
±60 mV.
puntea de sare şi soluţia celulei etalon.
Repetaţi calibrarea cu o soluţie tampon
sau probă proaspătă sau înlocuiţi
senzorul.
TEMPERATURĂ PREA
Temperatura este mai mică de 0°C. Calibraţi temperatura sau înlocuiţi
MICĂ
senzorul de pH.
TEMPERATURĂ PREA
Temperatura este mai mare de 100°C.
MARE
TEMP FAIL Abaterea este mai mare de 5,0°C sau
Calibraţi temperatura sau înlocuiţi
mai mică de -5,0°C.
senzorul de pH.
NO FLOW Nivelul debitului este prea mic. Măriţi debitul.
Listă avertismente
Un avertisment nu afectează funcţionarea meniurilor, a releelor sau a semnalelor de ieşire. În partea
de jos a ecranului de măsurare clipeşte o pictogramă de avertizare şi se afişează un mesaj. Pentru a
afişa avertismentele senzorului, apăsaţi tasta MENIU şi selectaţi Sensor Diag (Diagnosticare
senzor), , Warning List (Listă de avertismente). Mai jos este afişată o listă cu avertismente posibile.
Tabelul 3 Lista de avertismente pentru senzor
Avertisment Descriere Rezoluţie
CL CAL RECD Este recomandată o calibrare a clorului şi/sau a pH-ului.
Calibraţi senzorul de clor
şi/sau senzorul de pH.
Măsurarea clorului şi/sau a pH-ului s-a modificat suficient
pentru a determina producerea unei alarme de avertizare
Cal Watch (Urmărire calibrare). Pentru informaţii
suplimentare, consultaţi manualele pentru senzori.
CL CAL RECD Este recomandată o calibrare a clorului.
Calibraţi senzorul de clor.
Datele de calibrare a clorului nu sunt disponibile (senzor cu
date de calibrare eronate).
PH CAL RECD Este recomandată o calibrare a pH-ului.
Calibraţi senzorul de pH.
Datele de calibrare a pH-ului nu sunt disponibile (senzor cu
date de calibrare eronate).
TEMP CAL RECD Este recomandată o calibrare a temperaturii.
Calibraţi temperatura.
Datele de calibrare a temperaturii nu sunt disponibile
(senzor cu date de calibrare eronate).
CL CAL TO DO Valoarea parametrului Sensor Days (Zile senzor) pentru
Calibraţi senzorul de clor.
senzorul de clor este mai mare decât valoarea
parametrului Cal Reminder (Memento calibrare).
PH CAL TO DO Valoarea parametrului Sensor Days (Zile senzor) pentru
Calibraţi senzorul de pH.
senzorul de pH este mai mare decât valoarea parametrului
Cal Reminder (Memento calibrare).
TEMP CAL TO DO Valoarea parametrului Sensor Days (Zile senzor) pentru
Calibraţi temperatura.
senzorul de temperatură este mai mare decât valoarea
parametrului Cal Reminder (Memento calibrare).
264 Română

Tabelul 3 Lista de avertismente pentru senzor (continuare)
Avertisment Descriere Rezoluţie
CL MAINT RECD Este recomandată întreţinerea senzorului de clor.
Efectuaţi întreţinerea
senzorului şi apoi repetaţi
Panta se situează între 30 şi 45% din valoarea implicită
calibrarea sau înlocuiţi
sau între 250 şi 300% din valoarea implicită.
senzorul.
Valoarea implicită a pantei este 100 mV/ppm (100%).
CL MAINT RECD Este recomandată întreţinerea senzorului de clor.
Efectuaţi întreţinerea
senzorului şi apoi repetaţi
Abaterea se situează între -50 mV şi 45 mV sau între
calibrarea sau înlocuiţi
45 mV şi 50 mV.
senzorul.
PH MAINT RECD Este recomandată întreţinerea senzorului de pH.
Curăţaţi senzorul de pH, apoi
repetaţi calibrarea cu o soluţie
Panta este în afara intervalului dintre -50 şi -61 mV/pH.
tampon sau probă proaspătă
sau înlocuiţi senzorul.
PH MAINT RECD Este recomandată întreţinerea senzorului de pH.
Curăţaţi senzorul şi apoi
repetaţi calibrarea sau înlocuiţi
Abaterea se situează în afara intervalului ±45 mV, însă în
senzorul.
intervalul ±60 mV.
PH MAINT RECD Este recomandată întreţinerea senzorului de pH.
Curăţaţi senzorul şi înlocuiţi
puntea de sare şi soluţia
Abaterea se situează în afara intervalului ±45 mV, însă în
pentru celulă standard şi apoi
intervalul ±60 mV.
repetaţi calibrarea sau înlocuiţi
senzorul.
T MAINT RECD Abaterea temperaturii se situează în afara intervalului
Calibraţi temperatura.
±3°C, însă în intervalul ±5°C.
Piese de schimb şi accesorii
A V E R T I S M E N T
Pericol de vătămare corporală. Utilizarea pieselor neaprobate poate cauza vătămare corporală,
deteriorarea instrumentului sau defectarea echipamentului. Piesele de schimb din această secţiune
sunt aprobate de producător.
Notã: Numerele de produs şi articol pot să varieze pentru unele regiuni de comercializare. Contactaţi distribuitorul
corespunzător sau consultaţi site-ul Web al companiei pentru informaţii de contact.
Piese
Descriere Nr. articol
Cablu, gateway la controller, 1 m 6122400
Ansamblu cablu, 4 pini, ecranat, senzor debit, 2 m 9160900
Ansamblu cablu, 5 pini, ecranat, M12, senzor de clor, 1 m 9160300
Imperial:
9159200 (1/4")
Armătură, port de admisie pentru celulă de curgere pentru clor
Metric:
9196400 (6 mm)
Imperial:
Armătură, cuplare rapidă, port de ieşire pentru celulă de curgere pentru clor sau port
9159300 (3/8")
de intrare pentru celulă de curgere pentru pH
Metric:
9196500 (10 mm)
Română 265

Piese de schimb şi accesorii (continuare)
Descriere Nr. articol
Imperial:
9196900 (1/2")
Armătură, cot, port de ieşire pentru celulă de curgere pentru pH
Metric:
9197000 (12 mm)
Plutitor, senzor de debit 9159100
Imperial: 9198400
Ansamblu celulă de curgere, clor
Metric: 9198500
Imperial: 9180200
Ansamblu celulă de curgere, combinaţie pH
Metric: 9180400
Ansamblu celulă de curgere, pHD
Imperial: 9180100
include bucşă de etanşare
Metric: 9180300
Numai corp pe celulă de curgere (pH) 9159700
Bloc celulă de curgere, clor 9158900
Supapă de control debit 9159000
Kit supapă de control debit 9198600
Senzor de debit 9160800
Gateway, digital 9180500
Inel de fixare, celulă de curgere pentru clor 9196200
Inel de fixare, celulă de curgere pentru pH 60F2032-001
Inel toroidal, supapă celulă de curgere (2x) (#2-108, Viton) 9159600
Inel toroidal, celulă de curgere pentru pH (#2-228, Viton) 5H1223
Inel toroidal, bucşă de etanşare, celulă de curgere pentru clor ( #2-123, Viton) 9196300
Inel toroidal, inel decupat (M25 x 2,5) 9181800
Buşon, celulă de curgere pentru clor, 1/2" 9159500
Şurub, celulă de curgere pentru clor (2x) (10-32 x 1,75 Lg; cap Phillips adâncit) 4422200
Şurub, celulă de curgere pentru pH (2x) (10-32 x 0,5 Lg; cap Phillips adâncit) 561211
Dop de etanşare, celulă de curgere pentru pH 9198000
Bucşă de etanşare, celulă de curgere pentru clor 9196100
Bucşă de etanşare, senzor de pH combinat, 3/4" 9159800
Bucşă de etanşare, celulă de curgere pentru pHD, 1" 60F2021-001
Inel decupat, celulă de curgere pentru clor 9181700
Tubulatură, curent probă, 1/4" x 2 m 4743800
Tubulatură, curent probă, 3/8" x 18 in. 9198100
Tubulatură, curent uzat, 1/2" x 2 m 9198200
Supapă, port de preluare probă 9005300
Supapă, cuplare rapidă, port de curăţare 6166300
266 Română

Accesorii
Descriere Nr. articol
Kit de acidifiere LZY051
Kit de determinare a probei pentru regulatorul de presiune 9159900
Română 267

Содержание
Технические характеристики на стр. 268 Обслуживание на стр. 277
Общая информация на стр. 268 Поиск и устранение неисправностей на стр. 281
Монтаж на стр. 273 Запасные части и принадлежности на стр. 285
Эксплуатация на стр. 276
Технические характеристики
В технические характеристики могут быть внесены изменения без предварительного
уведомления.
Характеристика Детализация
Описание компонентов Панель амперометрического безреагентного
анализатора для контроля содержания хлора, в
состав которой входят: датчики хлора, датчик
потока, опциональные датчики - комбинированный
датчик pH или датчик pHD, проточная ячейка,
контроллер sc и цифровой интерфейс
Диапазон рабочих температур от 0 до 45 °C (от 0 до 113 °F)
Температура хранения (только панель) от –20 до 60 °C (от –4 до 149 °F)
Потребляемая мощность 12 В пост.тока ± 10%, 100 мА макс. (питание от
контроллера)
Размеры панели (Д x Ш x Г) 48,3 x 49,5 x 15,1 см (19 x 19,5 x 5,95") с
компонентами, установленными на панели
Масса Около 5,4 кг (только панель и пустые компоненты,
устанавливаемые на панели)
Скорость потока Диапазон: 30–50 л/час (7,9 – 13,2 гал/час)
Оптимальная: 40 л/час (10,5 гал/час)
Платформа контроллера Модели sc контроллеров
Общая информация
Производитель ни при каких обстоятельствах не несет ответственности за прямой, непрямой,
умышленный, неумышленный или косвенный ущерб в результате любых недочетов или
ошибок, содержащихся в данном руководстве. Производитель оставляет за собой право
вносить изменения в руководство или описанную в нем продукцию без извещений и
обязательств. Все обновления можно найти на веб-сайте производителя.
Указания по безопасности
У В Е Д О М Л Е Н И Е
Изготовитель не несет ответственности за любые повреждения, вызванные неправильным применением
или использованием изделия, включая, без ограничения, прямой, неумышленный или косвенный ущерб, и
снимает с себя ответственность за подобные повреждения в максимальной степени, допускаемой
действующим законодательством. Пользователь несет исключительную ответственность за выявление
критических рисков в работе и установку соответствующих механизмов для защиты обследуемой среды в
ходе возможных неполадок оборудования.
Внимательно прочтите все руководство пользователя, прежде чем распаковывать,
устанавливать или вводить в эксплуатацию оборудование. Соблюдайте все указания и
предупреждения относительно безопасности. Их несоблюдение может привести к серьезной
травме обслуживающего персонала или выходу из строя оборудования.
268
Русский

Чтобы гарантировать, что обеспечиваемая оборудованием защита не нарушена, не
используйте или не устанавливайте данное оборудование никаким иным способом, кроме
указанного в данном руководстве.
Информация о потенциальных опасностях
О П А С Н О С Т Ь
Указывает на потенциальные или непосредственно опасные ситуации, которые при нарушении могут
привести к серьезным травмам или смерти.
П Р Е Д У П Р Е Ж Д Е Н И Е
Указывает на потенциальные или непосредственно опасные ситуации, которые при нарушении могут
привести к серьезным травмам или смерти.
О С Т О Р О Ж Н О
Указывает на потенциально опасную ситуацию, которая может привести к травмам малой и средней
тяжести.
У В Е Д О М Л Е Н И Е
Указывает на ситуацию, которая, если ее не избежать, может привести и повреждению оборудования.
Информация, на которую следует обратить особое внимание.
Предупредительные надписи
Прочтите все бирки и этикетки на корпусе прибора. При их несоблюдении возникает опасность
телесных повреждений или повреждений прибора. Символ на приборе вместе с
предостережением об опасности включен в руководство.
Данный символ, если нанесен на прибор, требует обращения к руководству по эксплуатации за
информацией об эксплуатации и/или безопасности.
Начиная с 12 августа 2005 г., электрооборудование, отмеченное данным знаком, не может быть
утилизировано в системах обработки обычных городских отходов в странах Европы. Согласно
действующим местным и национальным положениям (Директива ЕС 2002/98/EC),
пользователи стран Европейского Союза обязаны возвращать старые или отслужившие свой
срок электроприборы производителю для их утилизации, не неся при этом никаких расходов.
Примечание: По вопросу возврата приборов для утилизации просим связаться с их производителем либо
поставщиком и действовать согласно полученным указаниям в плане возврата отслужившего свой ресурс
оборудования, поставленных производителем электрических и всех прочих вспомогательный
принадлежностей для их надлежащей утилизации.
Основные сведения об изделии
Изделие в первую очередь предназначено для анализа питьевой водопроводной воды.
Пригодность для промышленного использования и со сточными водами следует уточнить у
производителя перед установкой.
Безреагентный анализатор хлора предназначен для контроля концентрации свободного или
общего остаточного хлора в воде, и наиболее надежные результаты при концентрации
остаточного хлора выше 0,1 ppm (мг/л). Сочетание контроллера модели sc с трехэлектродным
датчиком хлора, опциональным датчиком pH и датчиком потока обеспечивает оптимальное
выполнение контрольных функций. Оба датчика определяют также температуру пробы. Датчик
pH передает значение температуры на дисплей контроллера. Датчик хлора использует
измеренную температуру самостоятельно и не передает ее на дисплей контроллера. Комплект
регулятора давления и комплект подкисления и очистки доступны в качестве опций.
Датчики хлора и pH устанавливаются на панели в последовательно включенные проточные
ячейки. В проточной ячейке обеспечивается контакт датчика с пробой и предотвращается
высыхание датчика, когда система не используется. На Рисунок 1, Рисунок 2, Рисунок 3
показаны общий вид системы и проточных ячеек.
Русский
269

Каждый датчик подключается к контроллеру через интерфейс, установленный на панели. В
интерфейсе аналоговый сигнал с датчиков преобразуется в цифровой сигнал, используемый
контроллером. Контроллер преобразует цифровые сигналы в соответствующие значения для
pH и температуры и выводит их на дисплей. С контроллера на датчики и цифровой интерфейс
подается напряжение питания.
Контроллер можно настроить на подачу сигнала тревоги или предупреждения, если
измеренное значение окажется выше или ниже установленных пределов. Сведения о сигналах
тревоги контроллера приводятся в руководстве пользователя контроллера.
Примечание: В руководстве пользователя датчика приводятся указания по хранению датчиков, когда
они не находятся в работе.
Возможны две конфигурации анализатора: вариант с пробоотборным краном (без датчика pH)
и вариант pH. В варианте с пробоотборным краном используются монтажная панель, датчик
хлора и проточная ячейка, проточная ячейка pH без датчика, цифровой интерфейс и
контроллер. В варианте pH используются те же элементы плюс датчик pH.
Поток пробы регулируется краном регулятора потока. Для правильной работы датчика
рекомендуется скорость потока 30-50 л/час. Оптимальным значением является скорость
40 л/час. Единственный светодиодный индикатор на датчике потока указывает, является ли
скорость потока достаточной. Если индикатор не горит, то величину потока необходимо
отрегулировать, пока датчик не загорится. Если индикатор горит, то точная скорость потока не
важна, если она остается в указанных пределах.
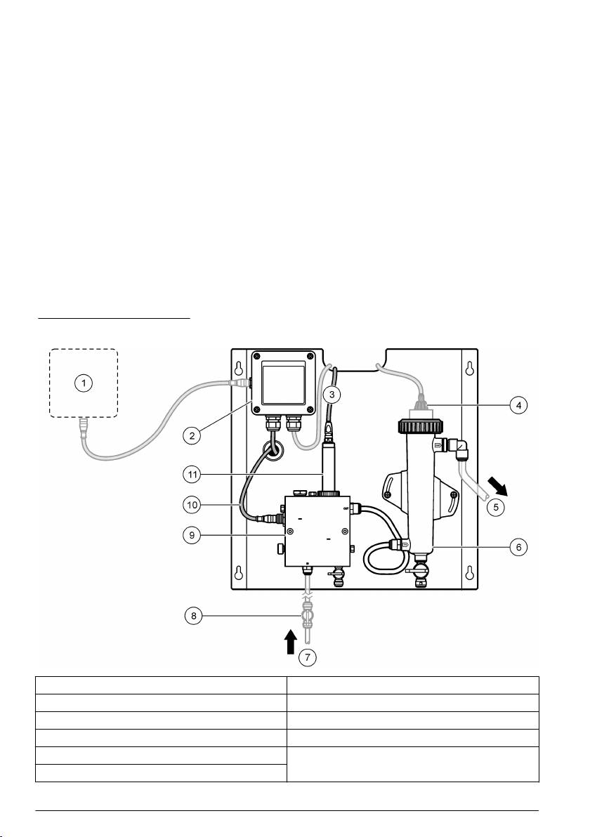
Рисунок 1 Обзор системы
1 Контроллер 7 Подача пробы
2 Интерфейс 8 Запорный кран (предоставляется клиентом)
3 Кабель датчика хлора 9 Проточная ячейка хлора
4 Датчик pH (опция) 10 Кабель датчика потока
5 Сток пробы 11 Датчик хлора
6 Проточная ячейка pH
270 Русский

Рисунок 2 Проточная ячейка хлора. Общий вид
1 Датчик потока 8 Выходной штуцер пробы
• Дюймовый стандарт: штуцер быстросъемного
соединения — 3/8" внешний диаметр трубки
• Метрический стандарт: штуцер
быстросъемного соединения — для трубки с
внешним диаметром 10 мм
2 Штуцер, 1/8" NPTF 9 Регулировочная метка датчика хлора
3 Метка регулировки потока 10 Кран, отверстие для очистки, 1/4" внешний
диаметр трубки
4 Штуцер, 1/2" NPTF 11 Входной штуцер проточной ячейки
• Дюймовый стандарт: штуцер
быстросъемного соединения —1/4" внешний
диаметр трубки
• Метрический стандарт: штуцер
быстросъемного соединения — для трубки с
внешним диаметром 6 мм
5 Стопорное кольцо 12 Проточная ячейка
6 Втулка уплотнения 13 Кран регулятора потока
7 Уплотнительное кольцо 14 Поплавок
Русский 271

Рисунок 3 Проточная ячейка pH. Общий вид
1 Стопорное кольцо 4 Выходной штуцер пробы
Дюймовый стандарт: штуцер быстросъемного
уголкового соединения — 1/2" внешним
диаметром
Метрический стандарт: штуцер быстросъемного
уголкового соединения — для трубки с внешним
диаметром 12 мм
2 Уплотнение 5 Пробоотборный кран
3 Уплотнительное кольцо 6 Входной штуцер проточной ячейки
• Дюймовый стандарт: штуцер быстросъемного
соединения — 3/8" внешним диаметром
• Метрический стандарт: штуцер
быстросъемного соединения — для трубки с
внешним диаметром 10 мм
Комплектация прибора
Убедитесь в том, что получены все компоненты прибора. Смотрите Рисунок 1 на стр. 270.
Если какой-либо элемент отсутствует либо поврежден, свяжитесь с изготовителем или
торговым представителем.
272
Русский

Рисунок 4 Панель безреагентного анализатора хлора
1 Системная панель 3 Трубка, 12 мм (½ дюйма)
2 Соединительный кабель для подключения
4 Датчик хлора
интерфейса к контроллеру, 1 м
Монтаж
Правила установки
• Сначала необходимо выполнить механические монтажные работы, затем электрические
подключения, и затем подсоединить трубопроводы.
• Все крепления затягиваются только вручную.
• Панель крепится на стене или стойке. Панель устанавливается или размещается в
доступном месте.
• Не помещайте панель вблизи источника тепла.
• Не устанавливайте панель в местах с повышенной вибрацией.
• Не устанавливайте панель на прямом солнечном свете.
• Панель следует устанавливать в помещении или в специальном защитном корпусе.
• Не допускайте образования конденсата на панели и ее компонентах, особенно на проточной
ячейке, датчике и в месте соединения датчика и кабеля.
• Для линии подачи пробы используются тефлоновые (Teflon
®
) или
поливинилиденфторидные (PVDF) трубопроводы из полиэтилена низкой плотности, при
этом трубопроводы должны быть по возможности короткими для уменьшения времени
задержки.
• Давление пробы должно быть достаточным для непрерывной подачи воды к датчиками.
Светодиодный индикатор на проточном датчике горит, если поток является достаточным.
• Для оптимальной работы датчика поддерживайте скорость потока по возможности
постоянной.
Линия подачи образца
Для оптимальной работы прибора необходимо выбрать правильное, репрезентативное место
взятия пробы. Проба должна быть репрезентативной для всей системы.
Для предотвращения ошибок необходимо:
Русский
273

• Брать пробы в местах, достаточно удаленных от мест введения химических добавок в
изучаемый поток.
• Убедиться, что пробы хорошо перемешаны.
• Убедиться, что все химические реакции завершены.
Механическая установка
Установка панели
Рисунок 5 показывает монтажные размеры. Обратитесь к рисунку и следуйте указаниям по
установке панели.
1. Приверните монтажные шурупы к монтажной поверхности. Установка ведется при помощи
специальных шурупов или дюбелей. Оставляйте достаточно места между головкой шурупа
и монтажной поверхностью, чтобы панель вошла между ними.
2. Наденьте монтажные отверстия панели на головки шурупов и сдвиньте панель вниз, пока
верх каждого монтажного отверстия не упрется в шуруп.
3. Затяните все шурупы, чтобы закрепить панель на монтажной поверхности.
4. Установите датчики хлора и pH (опция) в проточные ячейки. Сведения об установке
датчика см. в руководстве пользователя датчика.
Рисунок 5 Размеры панели безреагентного анализатора хлора
274 Русский

Электрические подключения
Подключение панели
П Р Е Д У П Р Е Ж Д Е Н И Е
Опасность поражения электрическим током. При выполнении работ по электромонтажу всегда
отключайте питание от прибора.
Напряжение с контроллера подается на датчики и цифровой интерфейс.
1. Отключите питание контроллера.
2. Подключите провода датчика pH (опция) к интерфейсу. Сведения об установке датчиков в
проточную ячейку и об их подключении к интерфейсу см. в руководстве пользователя
датчика.
3. Подключите датчик хлора к интерфейсу. Сведения о подключении датчика к интерфейсу
см. в руководстве пользователя датчика.
Примечание: При поставке панели кабель датчика хлора прикреплен к передней части панели около
места подключения датчика.
4. Подключите контроллер к интерфейсу соединительным кабелем длиной 1 м, прилагаемым
к панели.
Трубопроводы
Подключение трубопроводов к панели
Убедитесь в соответствии всех размеров трубопроводов и патрубков. Диаметр трубопроводов
по пути потока должен увеличиваться для предотвращения повышения противодавления.
Рисунок 1 на стр. 270 содержит схему подключений трубопроводов.
1. Подсоедините трубопроводы к входным и выходным патрубкам потока пробы.
2. Убедитесь, что отверстие очистки проточной ячейки хлора закрыто.
3. Убедитесь, что пробоотборный кран проточной ячейки pH закрыт.
4. Откройте кран потока на линии пробы, чтобы поток воды протекал сквозь систему.
5. Убедитесь в отсутствии течи из трубопроводов, креплений патрубков и проточных ячеек.
6. Для уменьшения количества пузырьков воздуха проточную ячейку pH можно наклонить под
углом от 0º до 30º, как показано на Рисунок 6.
Русский
275

Рисунок 6 Наклон проточной ячейки pH
Эксплуатация
Кнопки и меню перехода пользователя
Описание клавишной панели и сведений о переходах см. в документации на контроллер.
Конфигурация системы
Конфигурация и калибровка системы выполняются при помощи пользовательского
интерфейса контроллера. Дополнительные сведения о конфигурации и калибровке датчика
см. в руководстве пользователя датчика.
Контроллер модели sc должен подключаться к интерфейсу.
1. В главном меню контроллера выберите пункт Sensor Setup (Настройка датчика).
Будет выведено меню настройки Chlorine Gateway (CGW) (Интерфейс датчика хлора)
2. Выберите Configure (Конфигурация) и при необходимости измените записи. Подтвердите
сохранение изменений для каждой записи и вернитесь в меню Configure (Конфигурация).
Опция Наименование
РЕДАК. ИМЕНИ Редактирование имени датчика
276 Русский

Опция Наименование
Выберите Select Parameter (Выбрать
Выберите параметр, который требуется изменить.
параметр) — Chlorine (Total or Free) (Хлор,
Конфигурирование выбранного параметра требует
полное содержание или свободный), pH
дополнительных шагов. Для более подробной
(опция), Temperature (Температура, опция)
информации обратитесь к руководству
пользователя датчика
Reset Defaults (Сброс к значениям по
Сброс всех настроек к значениям по умолчанию.
умолчанию) — Подтвердите сброс.
Запуск системы
Перед подачей потока сквозь систему убедитесь в правильности механических электрических
и трубопроводных соединений и подключений.
1. Включите питание контроллера.
При первом включении на контроллере выводятся поочередно экраны Language (Язык),
Date Format (Формат даты) и Date/Time (Дата/Время).
2. Выберите язык и установите дату и время в контроллере, если это еще не сделано. Для
получения более подробной информации по этим настройкам см. руководство по
эксплуатации контроллера.
Контроллер выполняет поиск подключенных устройств.
3. Убедитесь, что кран очистки и пробоотборный кран закрыты, и откройте кран ON/OFF
(ВКЛ/ВЫКЛ) на линии забора пробы для прокачки воды сквозь систему.
Проточные ячейки датчиков хлора и pH будут заполнены водой.
4. Убедитесь, что индикатор датчика потока горит. Если индикатор не горит, увеличьте поток
краном регулятора потока.
Индикатор датчика потока загорается, когда поток становится достаточным для корректной
работы датчика. Если поток слишком велик, индикатор может не гореть. Убедитесь, что
поплавок находится приблизительно на уровне контрольной метки.
5. Убедитесь в отсутствии течи и закупоривания в трубопроводах и проточной ячейке. При
обнаружении неполадок перекройте подачу воды к панели и примите необходимые меры.
6. Если величина потока достаточна, сбросьте все предупреждения на дисплее контроллера,
выполнив соответствующие операции.
7. Нажмите клавишу HOME (Главный экран).
Будет выведен главный экран измерений с индикацией значений для хлора, температуры и
pH (если подключен датчик pH).
Обслуживание
О П А С Н О С Т Ь
Различные опасности. Работы, описываемые в данном разделе, должны выполняться только
квалифицированным персоналом.
Замена трубопроводов
Трубопроводы необходимо заменять не реже одного раза в год. Хрупкие, потрескавшиеся и
подтекающие элементы трубопроводов необходимо заменять немедленно. Старые,
выцветшие, загрязненные и поврежденные трубопроводы необходимо заменять на элементы
того же диаметра и типа (тефлон (Teflon
®
) или поливинилиденфторид (PVDF)).
Очистка проточной ячейки датчика
Проточную ячейку следует по мере необходимости очищать от отложений. Если ячейка
сильно загрязнена, ее следует очистить. Если ячейка повреждена, выцвела или стала
Русский
277

непрозрачной, ее необходимо заменить. Для очистки ячейки нет необходимости снимать ее
панели.
Примечание: Для очистки проточной ячейки хлора запрещается использовать промышленные моющие
средства и поверхностно-активные вещества.
1. Перекройте доступ потока пробы от источника к панели.
2. Снимите датчик хлора и поместите датчик в контейнер, заполненный хлорированной
водой.
Примечание: Не отключайте питание датчика. Если отключить питание датчика хлора, то перед
использованием его необходимо будет кондиционировать и калибровать.
Примечание: Удаление датчика из проточной ячейки с присоединенным кабелем датчика приведет к
изменению выходного сигнала датчика. Для более подробной информации обратитесь к руководству
по эксплуатации контроллера.
3. Промойте проточную ячейку водой и очистите ее от отложений мягкой щетинной щеткой.
4. Промойте проточную ячейку водой.
5. Если проточная ячейка недостаточно чистая, отмочите ее в течение 10-15 минут в смеси
3-5% перекиси водорода и уксуса в пропорции 1:3.
6. Промойте проточную ячейку водой.
7. Установите датчик в проточную ячейку и откройте поток.
Замена датчика потока
В нормальных условиях датчик потока не требует регулярного обслуживания или замены.
Однако, если светодиодный индикатор не загорается, когда поплавок находится на уровне
метки регулировки потока или выше, а питание подано, может потребоваться замена датчика.
Для замены датчика потока выполните действия, проиллюстрированные далее.
Примечание: Для замены датчика потока нет необходимости снимать датчик хлора, сливать
проточную ячейку или отключать питание контроллера.
278 Русский

Русский 279

Замена узла крана регулятора потока
280 Русский

