Hach-Lange CLT10 sc – страница 19
Инструкция к Hach-Lange CLT10 sc

Dodaci
Opis Broj proizvoda
Komplet za zakiseljavanje LZY051
Komplet za uvjetovanje uzorka za regulaciju tlaka 9159900
Hrvatski 361

Πίνακας περιεχομένων
Προδιαγραφές στη σελίδα 362 Συντήρηση στη σελίδα 371
Γενικές πληροφορίες στη σελίδα 362 Αντιμετώπιση προβλημάτων στη σελίδα 375
Εγκατάσταση στη σελίδα 367 Ανταλλακτικά και εξαρτήματα στη σελίδα 379
Λειτουργία στη σελίδα 370
Προδιαγραφές
Οι προδιαγραφές ενδέχεται να αλλάξουν χωρίς προειδοποίηση.
Προδιαγραφή Λεπτομέρειες
Περιγραφή εξαρτημάτων Αμπερομετρικός αναλυτής για την παρακολούθηση
χλωρίου χωρίς χρήση αντιδραστηρίων, με ροή,
προαιρετικού pH ή αισθητήριο pHD, κυψελίδες ροής,
ελεγκτή sc και ψηφιακή πύλη
Θερμοκρασία λειτουργίας 0°C έως 45°C (0°F έως 113°F)
Θερμοκρασία αποθήκευσης (μόνο πλαίσιο) –20 έως 60 °C (–4 έως 149 °F)
Απαιτήσεις ισχύος 12 VDC ± 10%, έως 100 mA (παρέχεται από τον
ελεγκτή sc)
Διαστάσεις του πάνελ (Μ x Π x Υ) 48,3 x 49,5 x 15,1 cm (19 x 19,5 x 5,95 in.) με
εξαρτήματα που στερεώνονται στο πλαίσιο
Βάρος Περίπου 5,4 kg (12 lb) (μόνο το πλαίσιο και τα κενά
εξαρτήματα που στερεώνονται σε αυτό)
Παροχή Εύρος: 30–50 L/ώρα (7,9–13,2 gal/ώρα)
Βέλτιστη: 40 L/ώρα (10,5 gal/ώρα)
Πλατφόρμα ελεγκτή Μοντέλα ελεγκτή sc
Γενικές πληροφορίες
Σε καμία περίπτωση ο κατασκευαστής δεν είναι υπεύθυνος για άμεσες, έμμεσες, ειδικές, τυχαίες ή
παρεπόμενες ζημίες που προκύπτουν από οποιοδήποτε ελάττωμα ή παράλειψη του παρόντος
εγχειριδίου. Ο κατασκευαστής διατηρεί το δικαίωμα να πραγματοποιήσει αλλαγές στο παρόν
εγχειρίδιο και στα προϊόντα που περιγράφει ανά στιγμή, χωρίς ειδοποίηση ή υποχρέωση.
Αναθεωρημένες εκδόσεις διατίθενται από τον ιστοχώρο του κατασκευαστή.
Πληροφορίες σχετικά με την ασφάλεια
Ε Ι Δ Ο Π Ο Ι Η Σ Η
Ο κατασκευαστής δεν φέρει ευθύνη για τυχόν ζημιές εξαιτίας της λανθασμένης εφαρμογής ή χρήσης του
παρόντος προϊόντος, συμπεριλαμβανομένων, χωρίς περιορισμό, των άμεσων, συμπτωματικών και παρεπόμενων
ζημιών, και αποποιείται τέτοιες ζημιές στη μέγιστη έκταση που επιτρέπει το εφαρμοστέο δίκαιο. Ο χρήστης είναι
αποκλειστικά υπεύθυνος για την αναγνώριση των σημαντικών κινδύνων εφαρμογής και την εγκατάσταση των
κατάλληλων μηχανισμών με στόχο την προστασία των διεργασιών κατά τη διάρκεια μιας πιθανής δυσλειτουργίας
του εξοπλισμού.
Παρακαλούμε διαβάστε ολόκληρο αυτό το εγχειρίδιο προτού αποσυσκευάσετε, εγκαταστήσετε ή
λειτουργήσετε αυτόν τον εξοπλισμό. Προσέξτε όλες τις υποδείξεις κινδύνου και προσοχής. Η
παράλειψη μπορεί να οδηγήσει σε σοβαρούς τραυματισμούς του χειριστή ή σε ζημιές της συσκευής.
Διασφαλίστε ότι δεν θα προκληθεί καμία βλάβη στις διατάξεις προστασίας αυτού του εξοπλισμού.
Μην χρησιμοποιείτε και μην εγκαθιστάτε τον συγκεκριμένο εξοπλισμό με κανέναν άλλον τρόπο, εκτός
από αυτούς που προσδιορίζονται στο παρόν εγχειρίδιο.
362
Ελληνικά

Χρήση των πληροφοριών προειδοποίησης κινδύνου
Κ Ι Ν Δ Υ Ν Ο Σ
Υποδεικνύει κάποια ενδεχόμενη ή επικείμενη επικίνδυνη κατάσταση, η οποία, εάν δεν αποτραπεί, θα οδηγήσει σε
θάνατο ή σοβαρό τραυματισμό.
Π Ρ Ο Ε Ι Δ Ο Π Ο Ι Η Σ Η
Υποδεικνύει ενδεχόμενη ή επικείμενη επικίνδυνη κατάσταση, η οποία, αν δεν αποτραπεί, θα μπορούσε να
προκαλέσει θάνατο ή σοβαρό τραυματισμό.
Π Ρ Ο Σ Ο Χ Η
Υποδεικνύει κάποια ενδεχόμενη επικίνδυνη κατάσταση, η οποία μπορεί να καταλήξει σε ελαφρό ή μέτριο
τραυματισμό.
Ε Ι Δ Ο Π Ο Ι Η Σ Η
Υποδεικνύει κατάσταση που, εάν δεν αποτραπεί, μπορεί να προκληθεί βλάβη στο όργανο. Πληροφορίες που
απαιτούν ειδική έμφαση.
Ετικέτες προειδοποίησης
Διαβάστε όλες τις ετικέτες και τις πινακίδες που είναι επικολλημένες στο όργανο. Η μη τήρησή τους
μπορεί να προκαλέσει τραυματισμό ή βλάβη στο όργανο. Το κάθε σύμβολο που θα δείτε στο όργανο,
αναφέρεται στο εγχειρίδιο μαζί με την αντίστοιχη δήλωση προειδοποίησης.
Το σύμβολο αυτό, εάν υπάρχει επάνω στο όργανο, παραπέμπει σε πληροφορίες σχετικά με την
ασφάλεια ή/και το χειρισμό, στο εγχειρίδιο λειτουργίας.
Ο ηλεκτρικός εξοπλισμός που επισημαίνεται με αυτό το σύμβολο δεν πρέπει να απορρίπτεται σε
ευρωπαϊκά δημόσια συστήματα απόρριψης από τις 12 Αυγούστου 2005. Σε συμμόρφωση με τους
Ευρωπαϊκούς τοπικούς και εθνικούς κανονισμούς (Οδηγία ΕΕ 2002/98/ΕΚ), οι χρήστες ηλεκτρικού
εξοπλισμού στην Ευρώπη πρέπει να αποστέλλουν τον παλαιό εξοπλισμό ή τον εξοπλισμό του οποίου
η διάρκεια ζωής έχει λήξει στον παραγωγό για απόρριψη, χωρίς χρέωση του χρήστη.
Σημείωση: Κατά την επιστροφή για ανακύκλωση, επικοινωνήστε με τον κατασκευαστή ή τον προμηθευτή του
εξοπλισμού για οδηγίες σχετικά με τον τρόπο επιστροφής εξοπλισμού, ηλεκτρικών εξαρτημάτων που έχει παράσχει ο
κατασκευαστής και όλων των βοηθητικών στοιχείων του, λόγω λήξης της διάρκειας ζωής τους, για κατάλληλη
απόρριψη.
Επισκόπηση προϊόντος
Το παρόν προϊόν προορίζεται κυρίως για χρήση σε εφαρμογές πόσιμου νερού. Η εφαρμογή σε
λύματα και βιομηχανίες πρέπει να κρίνεται υλοποιήσιμη από τον κατασκευαστή, πριν από την
εγκατάσταση.
Ο Αναλυτής χλωρίου χωρίς αντιδραστήρια ελέγχει τη συγκέντρωση ελεύθερου και υπολειμματικού
χλωρίου στο νερό και είναι πιο αξιόπιστος σε συγκεντρώσεις υπολειμματικού χλωρίου υψηλότερες
από 0,1 ppm (mg/L). Ο συνδυασμός ενός ελεγκτή μοντέλου sc με ένα αισθητήριο χλωρίου τριών
ηλεκτρόδιων, το προαιρετικό αισθητήριο pH και ένα αισθητήριο ροής παρέχουν τη βέλτιστη
λειτουργία παρακολούθησης. Και τα δύο αισθητήρια διαβάζουν τη θερμοκρασία του δείγματος. Το
αισθητήριο pH μεταδίδει την ένδειξη της θερμοκρασίας στην οθόνη του ελεγκτή. Το αισθητήριο
χλωρίου χρησιμοποιεί τη μέτρηση της θερμοκρασίας του εσωτερικά και δεν μεταδίδει τη μέτρηση
στην οθόνη του ελεγκτή. Διατίθεται ένα κιτ ρυθμιστή πίεσης και ένα κιτ οξίνισης και καθαρισμού ως
εξαρτήματα.
Τα αισθητήρια χλωρίου και pH παραμένουν τοποθετημένα στο πλαίσιο, συνδεδεμένα σε σειρά με τις
κυψελίδες ροής. Οι κυψελίδες ροής διατηρούν την επαφή αισθητηρίου με δείγματος και βοηθούν στο
να μην στεγνώσουν τα αισθητήρια όταν το σύστημα δεν βρίσκεται σε λειτουργία. Η Εικόνα 1, η
Εικόνα 2 και η Εικόνα 3 παρουσιάζουν επισκοπήσεις του συστήματος και των κυψελίδων ροής.
Κάθε αισθητήριο συνδέεται με τον ελεγκτή μέσω της πύλης που είναι τοποθετημένη στο πλαίσιο. Η
πύλη μετατρέπει τα αναλογικά σήματα από τα αισθητήρια σε ψηφιακά σήματα που χρησιμοποιούνται
από τον ελεγκτή. Ο ελεγκτής μετατρέπει τα ψηφιακά σήματα σε τιμές μέτρησης χλωρίου, pH και
Ελληνικά
363

θερμοκρασίας και εμφανίζει τις ενδείξεις στην οθόνη. Ο ελεγκτής παρέχει ρεύμα στα αισθητήρια και
στην ψηφιακή πύλη.
Ο ελεγκτής μπορεί να διαμορφωθεί ώστε να προκαλέσει μια συνθήκη συναγερμού ή προειδοποίηση,
εάν οι τιμές μέτρησης αυξηθούν πάνω ή μειωθούν κάτω από τις καθορισμένες τιμές. Για
πληροφορίες σχετικά με τους συναγερμούς του ελεγκτή, ανατρέξτε στο εγχειρίδιο λειτουργίας του
ελεγκτή.
Σημείωση: Ανατρέξτε στα εγχειρίδια λειτουργίας των αισθητηρίων για πληροφορίες σχετικά με τον τρόπο
αποθήκευσης των αισθητηρίων όταν το σύστημα δεν βρίσκεται σε λειτουργία.
Υπάρχουν δύο διαθέσιμες διαμορφώσεις αναλυτή: η επιλογή του Grab Sample (Στιγμιαίο δείγμα)
(χωρίς αισθητήριο pH) και η επιλογή pH. Η επιλογή Grab Sample (Στιγμιαίο δείγμα) περιλαμβάνει το
πλαίσιο στερέωσης, το αισθητήριο χλωρίου και την κυψελίδα ροής, μια κυψελίδα ροής pH χωρίς
αισθητήριο, ένα αισθητήριο ροής, την ψηφιακή πύλη και τον ελεγκτή. Η επιλογή pH περιλαμβάνει
αυτά τα στοιχεία, καθώς και ένα αισθητήριο pH.
Μια βαλβίδα ελέγχου ροής ρυθμίζει τη ροή του δείγματος. Συνιστάται σταθερή παροχή 30-50 L/ώρα
για σωστή λειτουργία των αισθητηρίων. Η βέλτιστη παροχή είναι 40 L/ώρα. Μία λυχνία LED στο
αισθητήριο ροής υποδεικνύει εάν η παροχή δείγματος επαρκεί. Εάν η λυχνία LED δεν είναι
αναμμένη, η παροχή πρέπει να ρυθμιστεί μέχρι να ανάψει η λυχνία LED. Η ακριβής παροχή δεν είναι
σημαντική υπό την προϋπόθεση ότι η λυχνία LED είναι αναμμένη, αλλά η ροή πρέπει να παραμένει
σταθερή εντός των προδιαγραφών.
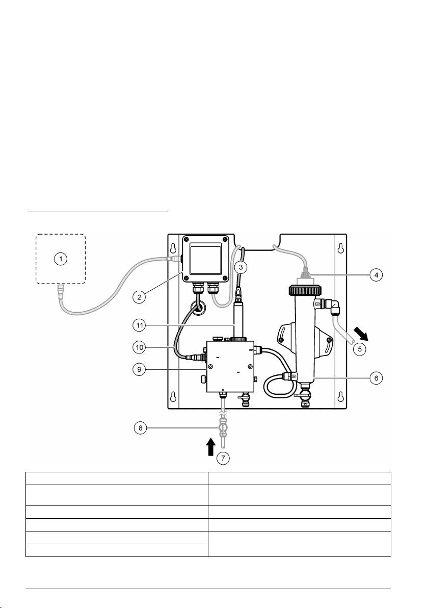
Εικόνα 1 Επισκόπηση συστήματος
1 Ελεγκτής 7 Είσοδος δείγματος
2 Πύλη 8 Βαλβίδα, διακοπή παροχής (παρέχεται από τον
πελάτη)
3 Καλώδιο αισθητηρίου χλωρίου 9 Κυψελίδα ροής χλωρίου
4 Αισθητήριο pH (προαιρετικό) 10 Καλώδιο αισθητηρίου ροής
5 Αποστράγγιση δείγματος 11 Αισθητήριο χλωρίου
6 Κυψελίδα ροής pH
364 Ελληνικά

Εικόνα 2 Επισκόπηση κυψελίδας ροής χλωρίου
1 Αισθητήριο ροής 8 Σύνδεσμος εξόδου δείγματος
• Αγγλικό: Σύνδεσμος Speed–fit—σωλήνας με
εξωτερική διάμετρο 3/8 in.
• Μετρικό: Σύνδεσμος Speed–fit—σωλήνας με
εξωτερική διάμετρο 10 mm
2 Πώμα, 1/8 in. NPTF 9 Ένδειξη ευθυγράμμισης αισθητηρίου χλωρίου
3 Ένδειξη γραμμής επίπλευσης 10 Βαλβίδα, θύρα καθαρισμού, σωλήνας με εξωτερική
διάμετρο 1/4 in.
4 Πώμα, 1/2 in. NPTF 11 Είσοδος κυψελίδας ροής
• Αγγλικό: Σύνδεσμος Speed–fit—σωλήνας με
εξωτερική διάμετρο 1/4 in.
• Μετρικό: Σύνδεσμος Speed–fit—σωλήνας με
εξωτερική διάμετρο 6 mm
5 Δακτύλιος ασφάλισης 12 Κυψελίδα ροής
6 Πλήμνη στεγανότητας 13 Βαλβίδα ελέγχου ροής
7 Δακτύλιος O-ring 14 Πλωτήρας
Ελληνικά 365

Εικόνα 3 Επισκόπηση κυψελίδας ροής pH
1 Δακτύλιος ασφάλισης 4 Σύνδεσμος εξόδου δείγματος
Αγγλικό: Γωνιακός σύνδεσμος Speed–fit—σωλήνας
με εξωτερική διάμετρο 1/2 in.
Μετρικό: Γωνιακός σύνδεσμος Speed–fit—
εσωτερική διάμετρος 12 mm
2 Τμήμα στεγανότητας 5 Θύρα στιγμιαίου δείγματος
3 Δακτύλιος O-ring 6 Είσοδος κυψελίδας ροής
• Αγγλικό: Σύνδεσμος Speed–fit—εξωτερική
διάμετρο 3/8 in.
• Μετρικό: Σύνδεσμος Speed–fit—εξωτερική
διάμετρος 10 mm
Εξαρτήματα προϊόντων
Βεβαιωθείτε ότι έχετε λάβει όλα τα εξαρτήματα. Ανατρέξτε στην παράγραφο Εικόνα 1 στη σελίδα 364.
Εάν κάποιο αντικείμενο λείπει ή είναι χαλασμένο, επικοινωνήστε αμέσως με τον κατασκευαστή ή με
έναν αντιπρόσωπο πωλήσεων.
366
Ελληνικά

Εικόνα 4 Πλαίσιο αναλύτη χλώριου χωρίς αντιδραστήριο
1 Πλαίσιο συστήματος 3 Σωλήνωση, 12 mm (½ in.)
2 Καλώδιο συνδέσμου για τη σύνδεση της πύλης
4 Αισθητήριο χλωρίου
στον ελεγκτή, 1 m (3,3 ft)
Εγκατάσταση
Θέματα εγκατάστασης
• Πραγματοποιήστε αρχικά τις εργασίες μηχανικής εγκατάστασης, στη συνέχεια τις εργασίες
ηλεκτρικής εγκατάστασης και τέλος τις εργασίες υδραυλικής εγκατάστασης.
• Όλοι οι σύνδεσμοι έχουν σχεδιαστεί ώστε να σφίγγονται μόνο με το χέρι.
• Το πλαίσιο έχει σχεδιαστεί για τοποθέτηση σε τοίχο ή ικρίωμα. Στερεώστε ή τοποθετήστε το
πλαίσιο σε προσβάσιμο σημείο.
• Μην τοποθετείτε το πλαίσιο κοντά σε πηγή θερμότητας.
• Μην τοποθετείτε το πλαίσιο σε περιβάλλον με συχνούς κραδασμούς
• Μην τοποθετείτε το πλαίσιο σε άμεση ηλιακή ακτινοβολία.
• Τοποθετήστε το πλαίσιο σε εσωτερικό χώρο ή σε περίβλημα προστατευμένο από το περιβάλλον.
• Αποτρέψτε τη συγκέντρωση συμπυκνώματος στο πλαίσιο και τα εξαρτήματά του, ειδικά στην
κυψελίδα ροής, το αισθητήριο και τα σημεία σύνδεσης μεταξύ αισθητηρίου και καλωδίου.
• Χρησιμοποιήστε γραμμική σωλήνωση πολυαιθυλενίου χαμηλής πυκνότητας Teflon
®
ή PVDF για
τη γραμμή παροχής δείγματος και διατηρήστε τη σωλήνωση όσο το δυνατόν πιο κοντή για την
ελαχιστοποίηση της χρονικής υστέρησης.
• Η πίεση του δείγματος πρέπει να είναι επαρκής, ώστε να διατηρείται η συνεχής παροχή νερού
προς τα αισθητήρια. Μια ενδεικτική λυχνία LED στο αισθητήριο ροής θα είναι αναμμένη για όσο
διάστημα η ροή επαρκεί.
• Διατηρείτε την παροχή όσο το δυνατόν πιο σταθερή για βέλτιστη λειτουργία του αισθητηρίου.
Οδηγίες γραμμής δειγμάτων
Επιλέξτε ένα καλό, αντιπροσωπευτικό σημείο δειγματοληψίας για βέλτιστη απόδοση οργάνου. Το
δείγμα πρέπει να είναι αντιπροσωπευτικό ολόκληρου του συστήματος.
Για να αποφύγετε εσφαλμένες μετρήσεις:
• Συλλέξτε δείγματα από τοποθεσίες, που απέχουν επαρκώς από τα σημεία των χημικών
προσθηκών στη ροή διεργασίας.
Ελληνικά
367

• Βεβαιωθείτε ότι τα δείγματα είναι επαρκώς αναμεμειγμένα.
• Βεβαιωθείτε ότι όλες οι χημικές αντιδράσεις είναι ολοκληρωμένες.
Μηχανολογική εγκατάσταση
Τοποθέτηση του πλαισίου
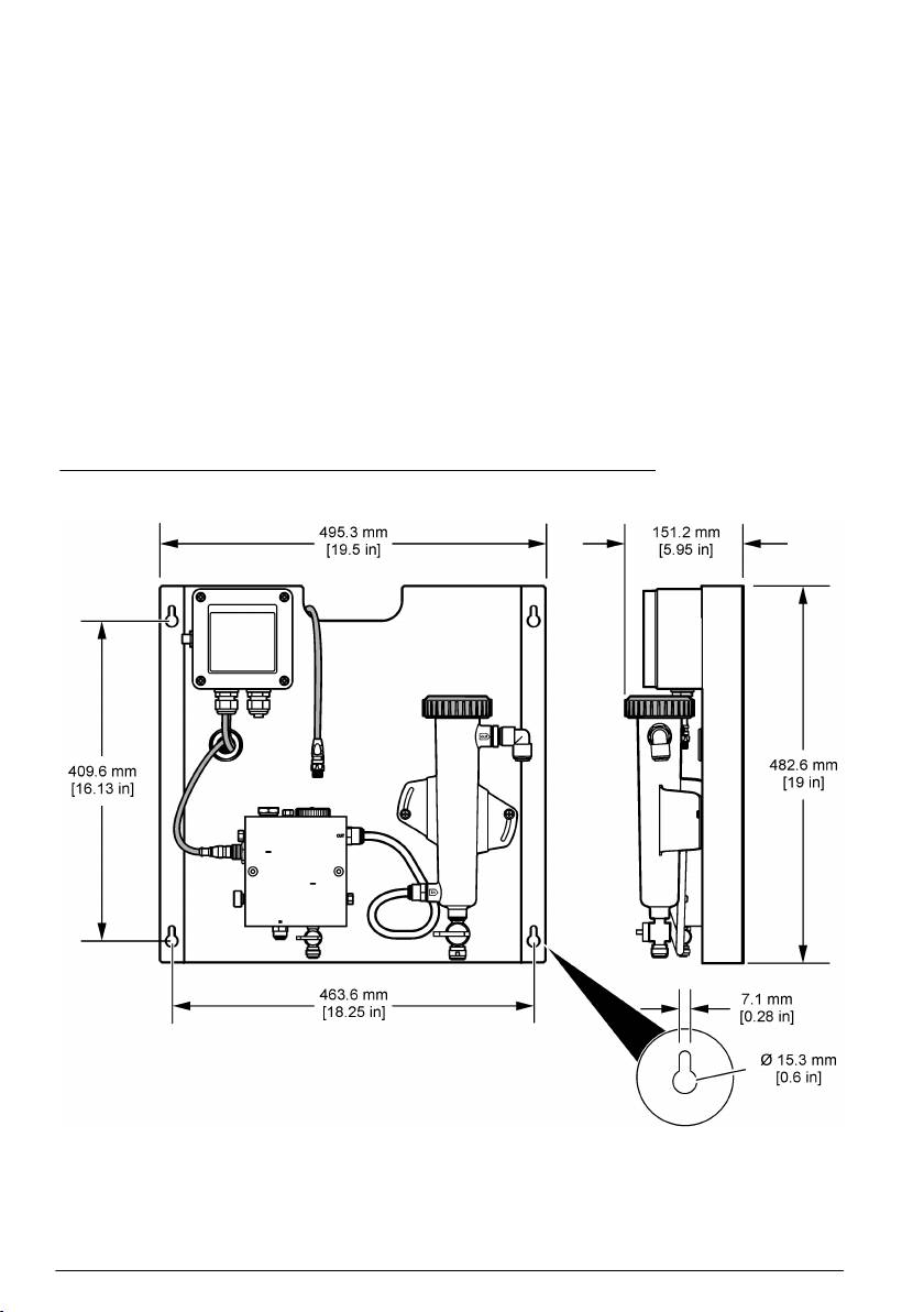
Η Εικόνα 5 παρουσιάζει τις διαστάσεις της στερέωσης. Ανατρέξτε στην εικόνα και ακολουθήστε τα
βήματα για να τοποθετήσετε το πλαίσιο.
1. Προσαρτήστε βίδες στερέωσης στην επιφάνεια στερέωσης. Τοποθετήστε επιτοίχια στηρίγματα ή
χρησιμοποιήστε επιτοίχιες αγκυρώσεις. Αφήστε αρκετό χώρο ανάμεσα στην κεφαλή κάθε βίδας
και την επιφάνεια στερέωσης, έτσι ώστε το πλαίσιο να χωρέσει ανάμεσά τους.
2. Σύρετε τις οπές στερέωσης πλαισίου πάνω από τις κεφαλές των βιδών στερέωσης και αφήστε το
πλαίσιο να ολισθήσει προς τα κάτω, μέχρι το επάνω μέρος κάθε οπής στερέωσης να ακουμπήσει
στο σώμα της βίδας.
3. Σφίξτε κάθε βίδα για να ασφαλίσετε το πλαίσιο στην επιφάνεια στερέωσης.
4. Εγκαταστήστε το αισθητήριο χλωρίου και pH (προαιρετικό) στις κυψελίδες ροής. Για πληροφορίες
σχετικά με τον τρόπο εγκατάστασης των αισθητηρίων, ανατρέξτε στο εγχειρίδιο λειτουργίας του
αισθητηρίου.
Εικόνα 5 Διαστάσεις πλαισίου αναλύτη χλωρίου χωρίς αντιδραστήριο
368 Ελληνικά

Ηλεκτρολογική εγκατάσταση
Καλωδίωση του πλαισίου
Π Ρ Ο Ε Ι Δ Ο Π Ο Ι Η Σ Η
Πιθανός κίνδυνος ηλεκτροπληξίας. Πάντοτε να αποσυνδέετε την τροφοδοσία ρεύματος στη συσκευή
όταν εκτελείτε ηλεκτρικές συνδέσεις.
Ο ελεγκτής παρέχει ρεύμα στα αισθητήρια και στην ψηφιακή πύλη.
1. Αποσυνδέστε την παροχή ισχύος προς τον ελεγκτή.
2. Συνδέστε τα καλώδια του αισθητηρίου pH (προαιρετικό) στην πύλη. Για πληροφορίες σχετικά με
τον τρόπο εγκατάστασης αισθητηρίων στις κυψελίδες ροής ή τον τρόπο σύνδεσης του
αισθητηρίου στην πύλη, ανατρέξτε στο εγχειρίδιο λειτουργίας του αισθητηρίου.
3. Συνδέστε το αισθητήριο χλωρίου στην πύλη. Για πληροφορίες σχετικά με τον τρόπο σύνδεσης
του αισθητηρίου στην πύλη, ανατρέξτε στο εγχειρίδιο λειτουργίας του αισθητηρίου.
Σημείωση: Όταν αποστέλλεται το πλαίσιο, το καλώδιο του αισθητηρίου χλωρίου είναι κολλημένο στο εμπρός
τμήμα του πλαισίου κοντά στο σημείο της σύνδεσης αισθητηρίου.
4. Συνδέστε τον ελεγκτή στην πύλη με το καλώδιο συνδέσμου 1 m που παρέχεται με το πλαίσιο.
Υδραυλική εγκατάσταση
Υδραυλική σύνδεση του πλαισίου
Βεβαιωθείτε ότι ακολουθείτε τις προδιαγραφές μεγέθους για όλες τις σωληνώσεις και τους
συνδέσμους του πλαισίου. Η διάμετρος της διαδρομής ροής πρέπει να αυξάνεται καθώς το νερό ρέει
μέσω του συστήματος για να αποτραπεί η αύξηση διαφορικής πίεσης. Η Εικόνα 1 στη σελίδα 364
παρουσιάζει μια επισκόπηση των υδραυλικών συνδέσεων.
1. Προσαρτήστε τη σωλήνωση στους συνδέσμους εισόδου και εξόδου δείγματος.
2. Βεβαιωθείτε ότι η θύρα καθαρισμού στην κυψελίδα ροής χλωρίου είναι κλειστή.
3. Βεβαιωθείτε ότι η θύρα στιγμιαίου δείγματος στην κυψελίδα ροής pH είναι κλειστή.
4. Ανοίξτε τη βαλβίδα ροής στη γραμμή δείγματος και αφήστε το νερό να μετακινηθεί στο σύστημα.
5. Βεβαιωθείτε ότι δεν υπάρχουν διαρροές από τη σωλήνωση, τους συνδέσμους βαλβίδων ή τις
κυψελίδες ροής.
6. Για την ελαχιστοποίηση των φυσαλίδων αέρα, η κυψελίδα ροής pH μπορεί να τοποθετηθεί με
κλίση μεταξύ 0º και 30º, όπως στην Εικόνα 6.
Ελληνικά
369

Εικόνα 6 Κλίση κυψελίδας ροής pH
Λειτουργία
Περιήγηση χρήστη
Για την περιγραφή του πληκτρολογίου και πληροφορίες σχετικά με την περιήγηση, ανατρέξτε στην
τεκμηρίωση του ελεγκτή.
Διαμόρφωση συστήματος
Η διαμόρφωση και η βαθμονόμηση του αισθητηρίου πραγματοποιείται μέσω της διεπαφής του
ελεγκτή. Για περισσότερες πληροφορίες σχετικά με τον τρόπο διαμόρφωσης ή βαθμονόμησης ενός
αισθητηρίου, ανατρέξτε στο εγχειρίδιο λειτουργίας του αισθητηρίου.
Στην πύλη πρέπει να είναι συνδεδεμένος ένας ελεγκτής μοντέλου sc.
1. Από το κύριο μενού του ελεγκτή, επιλέξτε Sensor Setup (Ρύθμιση αισθητηρίου).
Εμφανίζεται το μενού Chlorine Gateway (CGW) Setup (Ρύθμιση πύλης χλωρίου (CGW)).
2. Επιλέξτε Configure (Διαμόρφωση) και προσαρμόστε τις καταχωρίσεις. Επιβεβαιώνετε μετά από
κάθε καταχώριση για να αποθηκεύετε τις αλλαγές και επιστρέψετε στο μενού Configure
(Διαμόρφωση).
Επιλογή Περιγραφή
ΠΡΟΣΘ.ΟΝΟΜ. Επεξεργάζεται το όνομα του αισθητηρίου
370 Ελληνικά

Επιλογή Περιγραφή
Select Parameter—Chlorine (Total or Free), pH
Επιλέγει την παράμετρο προς διαμόρφωση. Για τη
(optional), Temperature (optional) (Επιλογή
διαμόρφωση της επιλεγμένης παραμέτρου
παραμέτρου—χλώριο (Ολικό ή Ελεύθερο), pH
απαιτούνται επιπλέον βήματα. Για περισσότερες
(προαιρετικό), θερμοκρασία (προαιρετικό))
πληροφορίες, ανατρέξτε στο εγχειρίδιο λειτουργίας
του αισθητηρίου.
Reset Defaults (Επαναφορά προεπιλογών)—
Πραγματοποιεί επαναφορά όλων των ρυθμίσεων
Confirm to do the reset (Πραγματοποιήστε
στις εργοστασιακά προεπιλεγμένες τιμές.
επιβεβαίωση για εκτέλεση της επαναφοράς).
Εκκίνηση συστήματος
Βεβαιωθείτε ότι όλες οι μηχανικές, ηλεκτρικές και υδραυλικές εργασίες έχουν πραγματοποιηθεί
σωστά προτού ξεκινήσετε τη ροή μέσω του συστήματος.
1. Τροφοδοτήστε τον ελεγκτή με ρεύμα.
Κατά την πρώτη τροφοδοσία, ο ελεγκτής εμφανίζει τις οθόνες Language (Γλώσσα), Date Format
(Μορφή ημερομηνίας) και Date/Time (Ημερομηνία/Ώρα) με τη σειρά.
2. Ρυθμίστε τη γλώσσα, την ημερομηνία και την ώρα στον ελεγκτή εάν αυτό δεν έχει γίνει. Ανατρέξτε
στο εγχειρίδιο λειτουργίας του ελεγκτή για περισσότερες πληροφορίες σχετικά με τον τρόπο
ρύθμισης αυτών των επιλογών.
Ο ελεγκτής πραγματοποιεί σάρωση για συνδεδεμένες συσκευές.
3. Βεβαιωθείτε ότι η θύρα καθαρισμού και η θύρα στιγμιαίου δείγματος είναι κλειστές και κατόπιν
ανοίξτε τη βαλβίδα ON/OFF στη γραμμή δείγματος για να ξεκινήσετε τη ροή του νερού μέσω του
συστήματος.
Οι κυψελίδες ροής χλωρίου και pH θα γεμίσουν με νερό.
4. Βεβαιωθείτε ότι η λυχνία LED του αισθητηρίου ροής είναι αναμμένη. Εάν η λυχνία LED δεν είναι
αναμμένη, ρυθμίστε τη βαλβίδα ελέγχου ροής για να αυξήσετε τη ροή.
Η λυχνία LED του αισθητηρίου ροής θα ανάψει όταν η ροή επαρκεί για την ικανοποιητική
λειτουργία του αισθητηρίου. Εάν η ροή είναι εξαιρετικά υψηλή, η λυχνία LED ενδέχεται να μην
είναι αναμμένη. Βεβαιωθείτε ότι το κινητό στοιχείο είναι περίπου ευθυγραμμισμένο με την ένδειξη
ευθυγράμμισης ροής.
5. Ελέγξτε για τυχόν διαρροές ή εμφράξεις στη σωλήνωση και τις κυψελίδες ροής. Διακόψτε τη ροή
του πλαισίου εάν ανακαλύψετε προβλήματα και πραγματοποιήστε τις απαραίτητες επισκευές.
6. Μόλις το σύστημα έχει επαρκή ροή, διαγράψτε κάθε προειδοποίηση που εμφανίζεται την οθόνη
του ελεγκτή πραγματοποιώντας τις προτεινόμενες ενέργειες.
7. Πατήστε το πλήκτρο HOME (ΑΡΧΙΚΗ ΣΕΛΙΔΑ).
Εμφανίζεται η κύρια οθόνη μέτρησης και υποδεικνύει τις τιμές μέτρησης χλωρίου, θερμοκρασίας
και pH (εάν το αισθητήριο pH είναι συνδεδεμένο).
Συντήρηση
Κ Ι Ν Δ Υ Ν Ο Σ
Πολλαπλοί κίνδυνοι. Μόνο ειδικευμένο προσωπικό πρέπει να εκτελεί τις εργασίες που περιγράφονται
σε αυτήν την ενότητα του εγχειριδίου.
Αντικατάσταση σωλήνωσης
Αντικαθιστάτε τη σωλήνωση τουλάχιστον μία φορά ετησίως. Αντικαθιστάτε τυχόν εύθραυστους,
ραγισμένους σωλήνες ή σωλήνες που παρουσιάζουν διαρροή αμέσως. Αντικαθιστάτε παλαιούς,
αποχρωματισμένους, βρόμικους ή ρυπαρούς σωλήνες με άλλους της ίδιας διαμέτρου και του ίδιου
τύπου (σωλήνες Teflon
®
ή PVDF).
Ελληνικά
371

Καθαρισμός κυψελίδας ροής αισθητηρίου
Καθαρίστε μια κυψελίδα ροής, όπως είναι απαραίτητο, για την αφαίρεση επικαθίσεων. Καθαρίστε μια
κυψελίδα ροής εάν μολυνθεί σημαντικά. Αντικαταστήστε μια κυψελίδα ροής εάν καταστραφεί,
αποχρωματιστεί ή δεν είναι διάφανη. Δεν είναι απαραίτητη η αφαίρεση μιας κυψελίδας ροής από το
πλαίσιο για να καθαριστεί.
Σημείωση: Μην χρησιμοποιείτε ποτέ απορρυπαντικά ή επιφανειοδραστικές ουσίες για τον καθαρισμό μιας
κυψελίδας ροής χλωρίου.
1. Σταματήστε τη ροή στο πλαίσιο.
2. Αφαιρέστε το αισθητήριο χλωρίου και τοποθετήστε το αισθητήριο σε ένα δοχείο γεμάτο με δείγμα
χλωριωμένου νερού.
Σημείωση: Μην αποσυνδέσετε το αισθητήριο από το ρεύμα. Εάν διακοπεί η παροχή ρεύματος στο αισθητήριο
χλωρίου, το αισθητήριο πρέπει να ρυθμιστεί και να βαθμονομηθεί πριν τη χρήση.
Σημείωση: Η αφαίρεση ενός αισθητηρίου από μια κυψελίδα ροής με συνδεδεμένο το καλώδιο αισθητηρίου θα
προκαλέσει αλλαγή στις εξόδους σήματος αισθητηρίου. Ανατρέξτε στο εγχειρίδιο του ελεγκτή για περισσότερες
πληροφορίες.
3. Ξεπλύνετε την κυψελίδα ροής με νερό και τρίψτε την με βούρτσα με μαλακές τρίχες για να
αφαιρέσετε τις επικαθίσεις.
4. Ξεπλύνετε την κυψελίδα ροής με νερό.
5. Εάν η κυψελίδα ροής δεν είναι αρκετά καθαρή, εμποτίστε την για 10 έως 15 λεπτά σε μίγμα
1:3 από διάλυμα υπεροξείδιου του υδρογόνου 3-5% και ξίδι.
6. Ξεπλύνετε την κυψελίδα ροής με νερό.
7. Εγκαταστήστε το αισθητήριο στην κυψελίδα ροής και εκκινήστε τη ροή δείγματος.
Αντικατάσταση του αισθητηρίου ροής
Υπό φυσιολογικές συνθήκες, το αισθητήριο ροής δεν απαιτεί τακτική συντήρηση ή αντικατάσταση.
Ωστόσο, εάν η ενδεικτική λυχνία LED ροής δεν ανάψει όταν το κινητό στοιχείο βρίσκεται (επάνω)
στην ένδειξη ευθυγράμμισης κινητού στοιχείου και παρέχεται ρεύμα, ενδέχεται να απαιτείται η
αντικατάσταση του αισθητηρίου. Για να αντικαταστήσετε το αισθητήριο ροής, ακολουθήστε τα εξής
βήματα που απεικονίζονται.
Σημείωση: Δεν είναι απαραίτητη η αφαίρεση του αισθητηρίου χλωρίου, αποστραγγίξτε την κυψελίδα ροής ή
απενεργοποιήστε τον ελεγκτή για να αντικαταστήσετε το αισθητήριο ροής.
372
Ελληνικά

Ελληνικά 373

Αντικατάσταση της διάταξης βαλβίδας ελέγχου ροής
374 Ελληνικά

Αντιμετώπιση προβλημάτων
Αρχείο καταγραφής συμβάντων
Ο ελεγκτής παρέχει ένα μητρώο καταγραφής συμβάντων για κάθε αισθητήριο. Το μητρώο
καταγραφής συμβάντων αποθηκεύει διάφορα συμβάντα που προκύπτουν στις συσκευές, όπως
πραγματοποιηθείσες βαθμονομήσεις, αλλαγές επιλογών βαθμονόμησης, κ.λπ. Παρακάτω
εμφανίζεται μια λίστα με πιθανά συμβάντα. Μπορείτε να διαβάσετε το μητρώο καταγραφής
συμβάντων σε μορφή CSV. Για οδηγίες σχετικά με τη λήψη των μητρώων, ανατρέξτε στο εγχειρίδιο
χρήσης του ελεγκτή.
Πίνακας 1 Αρχείο καταγραφής συμβάντων
Συμβάν Περιγραφή
Power On (Έναρξη λειτουργίας) Το ρεύμα τέθηκε σε λειτουργία.
Flash Failure (Σφάλμα μνήμης flash) Η εξωτερική μνήμη flash παρουσίαση σφάλμα ή είναι κατεστραμμένη.
1pointpHCalibration_Start Έναρξη βαθμονόμησης δείγματος ενός σημείου για pH
1pointpHCalibration_End Τέλος βαθμονόμησης δείγματος ενός σημείου για pH
2pointpHCalibration_Start Έναρξη βαθμονόμησης δείγματος δύο σημείων για pH
2pointpHCalibration_End Τέλος βαθμονόμησης δείγματος δύο σημείων για pH
1pointBufferpHCalibration_Start Έναρξη βαθμονόμησης ρυθμιστικού διαλύματος ενός σημείου για pH
1pointBufferpHCalibration_End Τέλος βαθμονόμησης ρυθμιστικού διαλύματος ενός σημείου για pH
2pointBufferpHCalibration_Start Έναρξη βαθμονόμησης ρυθμιστικού διαλύματος δύο σημείων για pH
2pointBufferpHCalibration_End Τέλος βαθμονόμησης ρυθμιστικού διαλύματος δύο σημείων για pH
TempCalibration_Start Έναρξη βαθμονόμησης θερμοκρασίας
TempCalibration_End Τέλος βαθμονόμησης θερμοκρασίας
1pointChemZeroCL2_Start Έναρξη χημικής μηδενικής βαθμονόμησης ενός σημείου για χλώριο
1pointChemZeroCL2_End Τέλος χημικής μηδενικής βαθμονόμησης ενός σημείου για χλώριο
1pointElecZeroCL2_Start Έναρξη ηλεκτρικής μηδενικής βαθμονόμησης ενός σημείου για χλώριο
1pointElecZeroCL2_End Τέλος ηλεκτρικής μηδενικής βαθμονόμησης ενός σημείου για χλώριο
1pointProcessConc_Start Έναρξη συγκέντρωσης διεργασίας ενός σημείου για χλώριο
1pointProcessConc _End Τέλος συγκέντρωσης διεργασίας ενός σημείου για χλώριο
2pointChemCL2_Start Έναρξη χημικής βαθμονόμησης δύο σημείων για χλώριο
2pointChemCL2_End Λήξη χημικής βαθμονόμησης δύο σημείων για χλώριο
2pointElecCL2_Start Έναρξη ηλεκτρικής βαθμονόμησης δύο σημείων για χλώριο
2pointElecCL2_End Λήξη ηλεκτρικής βαθμονόμησης δύο σημείων για χλώριο
CL2CalSetDefault Πραγματοποιήθηκε επαναφορά των δεδομένων βαθμονόμησης χλωρίου
στην προεπιλογή.
pHCalSetDefault Πραγματοποιήθηκε επαναφορά των δεδομένων βαθμονόμησης pH στην
προεπιλογή.
TempCalSetDefault Πραγματοποιήθηκε επαναφορά των δεδομένων βαθμονόμησης
θερμοκρασίας στην προεπιλογή.
AllCalSetDefault Πραγματοποιήθηκε επαναφορά των δεδομένων βαθμονόμησης
αισθητηρίου στην προεπιλογή.
Ελληνικά 375

Πίνακας 1 Αρχείο καταγραφής συμβάντων (συνέχεια)
Συμβάν Περιγραφή
CL2CalOptionChanged Η επιλογή βαθμονόμησης χλωρίου τροποποιήθηκε.
pHCalOptionChanged Η επιλογή βαθμονόμησης pH τροποποιήθηκε.
TempCalOptionChanged Η επιλογή βαθμονόμησης θερμοκρασίας τροποποιήθηκε.
SensorConfChanged Η διαμόρφωση αισθητηρίου τροποποιήθηκε.
ResetCL2CalHist Πραγματοποιήθηκε επαναφορά του ιστορικού βαθμονόμησης CL2.
ResetpH CalHist Πραγματοποιήθηκε επαναφορά του ιστορικού βαθμονόμησης pH.
ResetTemp CalHist Πραγματοποιήθηκε επαναφορά του ιστορικού βαθμονόμησης
θερμοκρασίας.
ResetAllSensorsCalHist Πραγματοποιήθηκε επαναφορά του ιστορικού βαθμονόμησης όλων των
αισθητηρίων.
ResetCL2Sensor Πραγματοποιήθηκε επαναφορά των δεδομένων βαθμονόμησης
CL2 (ημέρες λειτουργίας αισθητηρίου, ιστορικό βαθμονόμησης και
δεδομένα βαθμονόμησης) στην προεπιλογή.
ResetpHSensor Πραγματοποιήθηκε επαναφορά των δεδομένων βαθμονόμησης pH
(ημέρες λειτουργίας αισθητηρίου, ιστορικό βαθμονόμησης και δεδομένα
βαθμονόμησης) στην προεπιλογή.
ResetTempSensor Πραγματοποιήθηκε επαναφορά των δεδομένων βαθμονόμησης
θερμοκρασίας (ημέρες λειτουργίας αισθητηρίου, ιστορικό βαθμονόμησης
και δεδομένα βαθμονόμησης) στην προεπιλογή.
ResetAllSensors Πραγματοποιήθηκε επαναφορά των δεδομένων βαθμονόμησης όλων των
αισθητηρίων (ημέρες λειτουργίας αισθητηρίου, ιστορικό βαθμονόμησης και
δεδομένα βαθμονόμησης) στην προεπιλογή.
Ανίχνευση ροής Η κατάσταση του αισθητηρίου εγγύτητας έχει αλλάξει (επαρκής ή
ανεπαρκής ροή).
Λίστα σφαλμάτων
Είναι δυνατό να παρουσιαστούν σφάλματα για διάφορους λόγους. Η ένδειξη αισθητηρίου στην οθόνη
μέτρησης αναβοσβήνει. Όλες οι έξοδοι τίθενται σε αναμονή μόλις καθοριστεί στο μενού ελεγκτή. Για
να εμφανιστούν τα σφάλματα του αισθητηρίου, πατήστε το πλήκτρο MENU (ΜΕΝΟΥ) και επιλέξτε
376
Ελληνικά

Sensor Diag (Διάγνωση αισθητηρίου), Error List (Λίστα σφαλμάτων). Εμφανίζεται μια λίστα με πιθανά
σφάλματα.
Πίνακας 2 Λίστα σφαλμάτων για το αισθητήριο
Σφάλμα Περιγραφή Λύση
CL CAL REQD (ΑΠΑΙΤΕΙΤΑΙ
Απαιτείται βαθμονόμηση χλωρίου
Βαθμονομήστε το αισθητήριο χλωρίου
ΒΑΘΜΟΝΟΜΗΣΗ ΧΛΩΡΙΟΥ)
ή/και βαθμονόμηση pH.
ή/και το αισθητήριο pH.
Η μέτρηση χλωρίου ή/και pH έχει
αλλάξει αρκετά ώστε να έχει ως
αποτέλεσμα να σημειωθεί ο
συναγερμός Cal Watch
(Παρακολούθηση βαθμονόμησης).
Ανατρέξτε στο εγχειρίδιο του
αισθητηρίου ελεγκτή για περισσότερες
πληροφορίες.
CL MAINT REQD
Απαιτείται συντήρηση του αισθητηρίου
Πραγματοποιήστε συντήρηση του
(ΑΠΑΙΤΕΙΤΑΙ ΣΥΝΤΗΡΗΣΗ
χλωρίου.
αισθητηρίου και κατόπιν επαναλάβετε
ΧΛΩΡΙΟΥ)
τη βαθμονόμηση ή αντικαταστήστε το
Η κλίση είναι μικρότερη από 30% ή
αισθητήριο. Ανατρέξτε στο εγχειρίδιο
μεγαλύτερη από 300% της
του αισθητηρίου ελεγκτή για
προεπιλεγμένης τιμής.
περισσότερες πληροφορίες.
Η προεπιλεγμένη κλίση είναι
100 mV/ppm (100%).
CL MAINT REQD
Απαιτείται συντήρηση του αισθητηρίου
Πραγματοποιήστε συντήρηση του
(ΑΠΑΙΤΕΙΤΑΙ ΣΥΝΤΗΡΗΣΗ
χλωρίου.
αισθητηρίου και κατόπιν επαναλάβετε
ΧΛΩΡΙΟΥ)
τη βαθμονόμηση ή αντικαταστήστε το
Η μετατόπιση είναι εξαιρετικά υψηλή
αισθητήριο. Ανατρέξτε στο εγχειρίδιο
(πάνω από ±50 mV).
του αισθητηρίου ελεγκτή για
περισσότερες πληροφορίες.
PH TOO LOW (ΕΞΑΙΡΕΤΙΚΑ
Η τιμή pH είναι μικρότερη από 0 pH. Βαθμονομήστε ή αντικαταστήστε το
ΧΑΜΗΛΟ PH)
αισθητήριο pH.
PH TOO HIGH (ΕΞΑΙΡΕΤΙΚΑ
Η τιμή pH είναι μεγαλύτερη από
ΥΨΗΛΟ PH)
14 pH.
PH SLOPE FAIL (ΑΠΟΤΥΧΙΑ
Η κλίση βρίσκεται εκτός του εύρους
Καθαρίστε το αισθητήριο pH και
ΚΛΙΣΗΣ PH)
-45 έως -65 mV/pH.
κατόπιν επαναλάβετε τη βαθμονόμηση
με φρέσκο ρυθμιστικό διάλυμα ή
δείγμα ή αντικαταστήστε το αισθητήριο.
PH OFFSET FAIL (ΑΠΟΤΥΧΙΑ
Η μετατόπιση βρίσκεται εκτός του
Καθαρίστε το αισθητήριο pH και
ΜΕΤΑΤΟΠΙΣΗΣ PH)
±60 mV.
κατόπιν επαναλάβετε τη βαθμονόμηση
με φρέσκο ρυθμιστικό διάλυμα ή
δείγμα ή αντικαταστήστε το αισθητήριο.
PH OFFSET FAIL (ΑΠΟΤΥΧΙΑ
Η μετατόπιση βρίσκεται εκτός του
Καθαρίστε το αισθητήριο pH και
ΜΕΤΑΤΟΠΙΣΗΣ PH)
±60 mV.
αντικαταστήστε τη γέφυρα άλατος και
το τυπικό διάλυμα κυψελίδας.
Επαναλάβετε τη βαθμονόμηση με
φρέσκο ρυθμιστικό διάλυμα ή δείγμα ή
αντικαταστήστε το αισθητήριο.
TEMP TOO LOW
Η θερμοκρασία είναι κάτω από 0 °C. Βαθμονομήστε τη θερμοκρασία ή
(ΕΞΑΙΡΕΤΙΚΑ ΧΑΜΗΛΗ
αντικαταστήστε το αισθητήριο pH.
ΘΕΡΜΟΚΡΑΣΙΑ)
TEMP TOO HIGH
Η θερμοκρασία είναι πάνω από
(ΕΞΑΙΡΕΤΙΚΑ ΥΨΗΛΗ
100 °C.
ΘΕΡΜΟΚΡΑΣΙΑ)
TEMP FAIL (ΑΠΟΤΥΧΙΑ
Η μετατόπιση είναι μεγαλύτερη από
Βαθμονομήστε τη θερμοκρασία ή
ΘΕΡΜΟΚΡΑΣΙΑΣ)
5,0 °C ή μικρότερη από -5,0 °C.
αντικαταστήστε το αισθητήριο pH.
NO FLOW (ΑΠΟΥΣΙΑ ΡΟΗΣ) Το επίπεδο ροής είναι εξαιρετικά
Αυξήστε τη ροή.
χαμηλό.
Ελληνικά 377

Λίστα προειδοποιήσεων
Μια προειδοποίηση δεν επηρεάζει τη λειτουργία των μενού, των ρελέ και των εξόδων. Αναβοσβήνει
ένα εικονίδιο προειδοποίησης και στο κάτω μέρος της οθόνης μετρήσεων εμφανίζεται ένα μήνυμα.
Για να εμφανιστούν οι προειδοποιήσεις για το αισθητήριο, πατήστε το πλήκτρο MENU (ΜΕΝΟΥ) και
επιλέξτε Sensor Diag (Διάγνωση αισθητηρίου), Warning List (Λίστα προειδοποιήσεων). Παρακάτω
εμφανίζεται μια λίστα με πιθανές προειδοποιήσεις.
Πίνακας 3 Λίστα προειδοποιήσεων για το αισθητήριο
Προειδοποίηση Περιγραφή Λύση
CL CAL RECD (ΣΥΝΙΣΤΑΤΑΙ
Συνιστάται βαθμονόμηση χλωρίου ή/και pH.
Βαθμονομήστε το αισθητήριο
ΒΑΘΜΟΝΟΜΗΣΗ ΧΛΩΡΙΟΥ)
χλωρίου ή/και το αισθητήριο
Η μέτρηση χλωρίου ή/και pH έχει αλλάξει
pH.
αρκετά ώστε να έχει ως αποτέλεσμα να
σημειωθεί ο συναγερμός Cal Watch
(Παρακολούθηση βαθμονόμησης). Για
περισσότερες πληροφορίες, ανατρέξτε στο
εγχειρίδιο του αισθητηρίου.
CL CAL RECD (ΣΥΝΙΣΤΑΤΑΙ
Συνιστάται βαθμονόμηση χλωρίου.
Βαθμονομήστε το αισθητήριο
ΒΑΘΜΟΝΟΜΗΣΗ ΧΛΩΡΙΟΥ)
χλωρίου.
Δεν υπάρχουν διαθέσιμα δεδομένα
βαθμονόμησης χλωρίου (αισθητήριο με
προεπιλεγμένα δεδομένα βαθμονόμησης).
PH CAL RECD (ΣΥΝΙΣΤΑΤΑΙ
Συνιστάται βαθμονόμηση pH.
Βαθμονομήστε το αισθητήριο
ΒΑΘΜΟΝΟΜΗΣΗ PH)
pH.
Δεν υπάρχουν διαθέσιμα δεδομένα
βαθμονόμησης pH (αισθητήριο με
προεπιλεγμένα δεδομένα βαθμονόμησης).
TEMP CAL RECD (ΣΥΝΙΣΤΑΤΑΙ
Συνιστάται βαθμονόμηση θερμοκρασίας.
Βαθμονομήστε τη
ΒΑΘΜΟΝΟΜΗΣΗ
θερμοκρασία.
Δεν υπάρχουν διαθέσιμα δεδομένα
ΘΕΡΜΟΚΡΑΣΙΑΣ)
βαθμονόμησης θερμοκρασίας (αισθητήριο
με προεπιλεγμένα δεδομένα
βαθμονόμησης).
CL CAL TO DO (ΠΡΕΠΕΙ ΝΑ
Η τιμή Sensor Days (Ημέρες λειτουργίας
Βαθμονομήστε το αισθητήριο
ΠΡΑΓΜΑΤΟΠΟΙΗΘΕΙ
αισθητηρίου) για το αισθητήριο χλωρίου είναι
χλωρίου.
ΒΑΘΜΟΝΟΜΗΣΗ ΧΛΩΡΙΟΥ)
μεγαλύτερη από την τιμή Cal Reminder
(Υπενθύμιση βαθμονόμησης).
PH CAL TO DO (ΠΡΕΠΕΙ ΝΑ
Η τιμή Sensor Days (Ημέρες λειτουργίας
Βαθμονομήστε το αισθητήριο
ΠΡΑΓΜΑΤΟΠΟΙΗΘΕΙ
αισθητηρίου) για το αισθητήριο PH είναι
pH.
ΒΑΘΜΟΝΟΜΗΣΗ PH)
μεγαλύτερη από την τιμή Cal Reminder
(Υπενθύμιση βαθμονόμησης).
TEMP CAL TO DO (ΠΡΕΠΕΙ ΝΑ
Η τιμή Sensor Days (Ημέρες λειτουργίας
Βαθμονομήστε τη
ΠΡΑΓΜΑΤΟΠΟΙΗΘΕΙ
αισθητηρίου) για το αισθητήριο
θερμοκρασία.
ΒΑΘΜΟΝΟΜΗΣΗ
θερμοκρασίας είναι μεγαλύτερη από την τιμή
ΘΕΡΜΟΚΡΑΣΙΑΣ)
Cal Reminder (Υπενθύμιση βαθμονόμησης).
CL MAINT RECD (ΣΥΝΙΣΤΑΤΑΙ
Συνιστάται συντήρηση του αισθητηρίου
Πραγματοποιήστε συντήρηση
ΣΥΝΤΗΡΗΣΗ ΧΛΩΡΙΟΥ)
χλωρίου.
του αισθητηρίου και κατόπιν
επαναλάβετε τη βαθμονόμηση
Η κλίση είναι 30 έως 45% της
ή αντικαταστήστε το
προεπιλεγμένης τιμής ή η κλίση είναι
αισθητήριο.
250 έως 300% της προεπιλεγμένης τιμής.
Η προεπιλεγμένη κλίση είναι 100 mV/ppm
(100%).
CL MAINT RECD (ΣΥΝΙΣΤΑΤΑΙ
Συνιστάται συντήρηση του αισθητηρίου
Πραγματοποιήστε συντήρηση
ΣΥΝΤΗΡΗΣΗ ΧΛΩΡΙΟΥ)
χλωρίου.
του αισθητηρίου και κατόπιν
επαναλάβετε τη βαθμονόμηση
Η μετατόπιση είναι -50 mV έως 45 mV ή η
ή αντικαταστήστε το
μετατόπιση είναι 45 mV έως 50 mV.
αισθητήριο.
378 Ελληνικά

Πίνακας 3 Λίστα προειδοποιήσεων για το αισθητήριο (συνέχεια)
Προειδοποίηση Περιγραφή Λύση
PH MAINT RECD (ΣΥΝΙΣΤΑΤΑΙ
Συνιστάται συντήρηση του αισθητηρίου pH.
Καθαρίστε το αισθητήριο pH
ΣΥΝΤΗΡΗΣΗ PH)
και κατόπιν επαναλάβετε τη
Η κλίση βρίσκεται εκτός του εύρους -50 έως
βαθμονόμηση με φρέσκο
-61 mV/pH.
ρυθμιστικό διάλυμα ή δείγμα ή
αντικαταστήστε το αισθητήριο.
PH MAINT RECD (ΣΥΝΙΣΤΑΤΑΙ
Συνιστάται συντήρηση του αισθητηρίου pH.
Καθαρίστε το αισθητήριο και,
ΣΥΝΤΗΡΗΣΗ PH)
στη συνέχεια, επαναλάβετε τη
Η μετατόπιση είναι εκτός του εύρους
βαθμονόμηση ή
±45 mV, αλλά εντός του εύρους ±60 mV.
αντικαταστήστε το αισθητήριο
PH MAINT RECD (ΣΥΝΙΣΤΑΤΑΙ
Συνιστάται συντήρηση του αισθητηρίου pH.
Καθαρίστε το αισθητήριο,
ΣΥΝΤΗΡΗΣΗ PH)
αντικαταστήστε τη γέφυρα
Η μετατόπιση είναι εκτός του εύρους
άλατος και το πρότυπο
±45 mV, αλλά εντός του εύρους ±60 mV.
διάλυμα κυψελίδας και κατόπιν
επαναλάβετε τη βαθμονόμηση
ή αντικαταστήστε το
αισθητήριο.
T MAINT RECD (ΣΥΝΙΣΤΑΤΑΙ
Η μετατόπιση θερμοκρασίας είναι εκτός του
Βαθμονομήστε τη
ΣΥΝΤΗΡΗΣΗ ΘΕΡΜΟΚΡΑΣΙΑΣ)
εύρους ±3 °C, αλλά εντός του εύρους ±5 °C.
θερμοκρασία.
Ανταλλακτικά και εξαρτήματα
Π Ρ Ο Ε Ι Δ Ο Π Ο Ι Η Σ Η
Κίνδυνος τραυματισμού. Η χρήση μη εγκεκριμένων εξαρτημάτων ενδέχεται να προκαλέσει
τραυματισμό, βλάβη στο όργανο ή δυσλειτουργία εξοπλισμού. Τα ανταλλακτικά εξαρτήματα της
παρούσας ενότητας είναι εγκεκριμένα από τον κατασκευαστή.
Σημείωση: Οι κωδικοί προϊόντος και οι αριθμοί καταλόγου μπορεί να διαφέρουν σε ορισμένες περιοχές πώλησης.
Επικοινωνήστε με τον κατάλληλο διανομέα ή ανατρέξτε στη δικτυακή τοποθεσία της εταιρείας για τα στοιχεία
επικοινωνίας.
Ανταλλακτικά
Περιγραφή Αρ. προϊόντος
Καλώδιο, πύλη προς ελεγκτή, 1 m 6122400
Σύνολο καλωδίων, 4 ακίδων, θωρακισμένο, αισθητήριο ροής, 2 m 9160900
Σύνολο καλωδίων, 5 ακίδων, θωρακισμένο, M12, αισθητήριο χλωρίου, 1 m 9160300
Αγγλικό:
9159200 (1/4 in.)
Σύνδεσμος, θύρα εισόδου για κυψελίδα ροής χλωρίου
Μετρικό:
9196400 (6 mm)
Αγγλικό:
Σύνδεσμος, εξάρτημα speed fit, θύρα εξόδου για κυψελίδα ροής χλωρίου ή θύρα
9159300 (3/8 in.)
εισόδου για κυψελίδα ροής pH
Μετρικό:
9196500 (10 mm)
Αγγλικό:
9196900 (1/2 in.)
Σύνδεσμος, γωνία, θύρα εξόδου για κυψελίδα ροής pH
Μετρικό:
9197000 (12 mm)
Κινητό στοιχείο, αισθητήριο ροής 9159100
Αγγλικό: 9198400
Συγκρότημα κυψελίδων ροής, χλωρίου
Μετρικό: 9198500
Ελληνικά 379

Ανταλλακτικά και εξαρτήματα (συνέχεια)
Περιγραφή Αρ. προϊόντος
Αγγλικό: 9180200
Συγκρότημα κυψελίδων ροής, συνδυασμός pH
Μετρικό: 9180400
Συγκρότημα κυψελίδων ροής, pHD
Αγγλικό: 9180100
περιλαμβάνει πλήμνη στεγανότητας
Μετρικό: 9180300
Μόνο σώμα κυψελίδας ροής (pH) 9159700
Μπλοκ κυψελίδων ροής, χλωρίου 9158900
Βαλβίδα ελέγχου ροής 9159000
Κιτ βαλβίδας ελέγχου ροής 9198600
Αισθητήριο ροής 9160800
Πύλη, ψηφιακή 9180500
Δακτύλιος ασφάλισης, κυψελίδα ροής χλωρίου 9196200
Δακτύλιος ασφάλισης, κυψελίδα ροής pH 60F2032-001
Δακτύλιος O-ring, βαλβίδα ελέγχου ροής (2x) (#2-108, Viton) 9159600
Δακτύλιος O-ring, κυψελίδα ροής pH (#2-228, Viton) 5H1223
Δακτύλιος O-ring, πλήμνη στεγανότητας, κυψελίδα ροής χλωρίου ( #2-123, Viton) 9196300
Δακτύλιος O-ring, διακοπτόμενος δακτύλιος (M25 x 2,5) 9181800
Πώμα, κυψελίδα ροής χλωρίου, 1/2 in. 9159500
Βίδα, κυψελίδα ροής χλωρίου (2x) (10-32 x 1,75 Lg Phillps επίπεδης κεφαλής) 4422200
Βίδα, κυψελίδα ροής pH (2x) (10-32 x 5 Lg Phillps επίπεδης κεφαλής) 561211
Τμήμα στεγανότητας, κυψελίδα ροής pH 9198000
Πλήμνη στεγανότητας, κυψελίδα ροής χλωρίου 9196100
Πλήμνη στεγανότητας, αισθητήριο συνδυασμού pH, 3/4 in. 9159800
Πλήμνη στεγανότητας, κυψελίδα ροής pHD, 1 in. 60F2021-001
Διακοπτόμενος δακτύλιος, κυψελίδα ροής χλωρίου 9181700
Σωλήνωση, ρεύμα δείγματος, 1/4 in. x 2 m 4743800
Σωλήνωση, ροή δείγματος, 3/8 in. x 18 in. 9198100
Σωλήνωση, ροή αποβλήτων, 1/2 in. x 2 m 9198200
Βαλβίδα, θύρα στιγμιαίου δείγματος 9005300
Βαλβίδα, εξάρτημα speed fit, θύρα καθαρισμού 6166300
Παρελκόμενα
Περιγραφή Αρ. προϊόντος
Κιτ οξίνισης LZY051
Κιτ ρύθμισης δείγματος ρυθμιστή πίεσης 9159900
380 Ελληνικά

