Karcher NT 35/1 Ap – page 9
Manual for Karcher NT 35/1 Ap

Prieš pirmą kartą pradedant
Aplinkos apsauga
naudotis prietaisu, būtina ati-
džiai perskaityti originalią instrukciją, ja va-
Pakuotės medžiagos gali būti
dovautis ir saugoti, kad ja galima būtų nau-
perdirbamos. Neišmeskite pa-
dotis vėliau arba perduoti naujam savinin-
kuočių kartu su buitinėmis atlie-
kui.
komis, bet atiduokite jas per-
– Prieš pirmąjį naudojimą, būtinai per-
dirbti.
skaitykite saugos nurodymus Nr. 5.956-
Naudotų prietaisų sudėtyje yra
249!
vertingų, antriniam žaliavų per-
– Nesilaikant naudojimo instrukcijos ir
dirbimui tinkamų medžiagų, to-
saugos nurodymų galima sugadinti
dėl jie turėtų būti atiduoti perdir-
prietaisą ar sukelti pavojų naudotojui ir
bimo įmonėms. Akumuliatoriai,
kitiems asmenims.
alyvos ir panašios medžiagos
– Pastebėję transportavimo metu apga-
neturėtų patekti į aplinką. Todėl
dintas detales, informuokite tiekėją.
naudotus prietaisus šalinkite
Turinys
pagal atitinkamą antrinių žaliavų
surinkimo sistemą.
Aplinkos apsauga . . . . . . . . . . LT 1
Nurodymai apie sudedamąsias medžia-
Rizikos lygiai . . . . . . . . . . . . . . LT 1
gas (REACH)
Naudojimas pagal paskirtį. . . . LT 1
Aktualią informaciją apie sudedamąsias
Prietaiso dalys. . . . . . . . . . . . . LT 2
dalis rasite adresu:
Naudojimo pradžia . . . . . . . . . LT 2
www.kaercher.com/REACH
Valdymas. . . . . . . . . . . . . . . . . LT 3
Transportavimas . . . . . . . . . . . LT 3
Rizikos lygiai
Laikymas. . . . . . . . . . . . . . . . . LT 4
Pavojus
Priežiūra ir aptarnavimas . . . . LT 4
Žymi gresiantį tiesioginį pavojų, galintį su-
Pagalba gedimų atveju . . . . . . LT 4
kelti sunkius sužalojimus arba mirtį.
Garantija . . . . . . . . . . . . . . . . . LT 5
몇 Įspėjimas
Priedai ir atsarginės dalys. . . . LT 5
Žymi galimą pavojų, galintį sukelti sunkius
EB atitikties deklaracija . . . . . . LT 5
sužalojimus arba mirtį.
Techniniai duomenys . . . . . . . LT 6
몇 Atsargiai
Nurodo galimą pavojų, galintį sukelti len-
gvus sužalojimus.
Dėmesio
Nuoroda dėl galimo pavojaus, galinčio su-
kelti materialinius nuostolius.
Naudojimas pagal paskirtį
몇 Įspėjimas
Prietaisas nepritaikytas sveikatai pavojin-
goms dulkėms siurbti.
– Siurblys skirtas sausai ir drėgnai valyti
grindų ir sienų paviršius.
– Šis prietaisas yra tinkamas pramoni-
niam naudojimui, pvz., viešbučiuose,
mokyklose, ligoninėse, fabrikuose, par-
duotuvėse, biuruose ir nuomos punk-
tuose.
– 1
161LT

Popierinio filtro maišelio montavimas
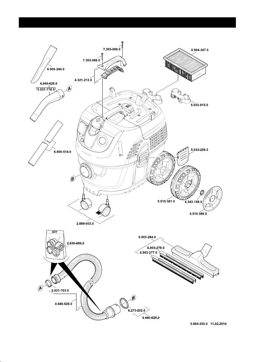
Prietaiso dalys
Paveikslas
1 Elektrodai
Atsklęskite ir nuimkite siurblio galvą.
2 Siurbimo žarna
Uždėkite popierinį filtro maišelį arba
3 Oro išėjimo anga, darbinis oras
membraninį filtrą (specialusis priedas).
4 Ratas
Uždėkite ir užsklę
skite siurblio galvą.
5 Siurbimo galvutės fiksatorius
Pertvarkymas iš drėgno į sausą
6 Oro įėjimo anga, variklio aušinimo oras
siurbimą
7 Purvo rezervuaras
8 Vairuojamasis ratukas
Dėmesio
9 Siurblio viršutinė dalis
Pertvarkydami prietaisą iš drėgno į sau-
10 Siurbimo antvamzdis
są siurbimą atkreipkite dėmesį į toliau
11 Antgalis grindims
pateikiamus dalykus.
12 Pagrindinis jungiklis
Jei siurbdami sausas dulkes naudosite drė-
13 Siurbimo vamzdis
gną filtravimo elementą, jis gali užsikimšti ir
14 Rankena
tapti nebenaudojamas.
15 Kabelio kablys
Prieš naudojimą gerai išdžiovinkite drė-
16 Filtro dangtelis
gną filtrą arba pakeiskite jį sausu.
17 Filtro valymo mygtukas
Jei reikia, pakeiskite filtrą kaip aprašyta
18 Žarnos laikiklis
skyriuje „Techninė priežiūra ir aptarna-
19 Lizdas
vimas“.
20 Kontrolinė lemputė
Pastaba: jei nuolat siurbiate drėgnuoju bū-
21 Jungė
du, rekomenduojame naudoti PES plokš-
22 Plokščiasis gofruotas filtras
čiąjį klostuotą filtrą (žr. „Filtravimo siste-
23 Filtro valymas
mos“).
24 Antgalio grindims laikiklis
Drėgnas valymas
25 Elektros laidas
Guminių apvadėlių uždėjimas
26 Duomenų lentelė
27 Siurbimo vamzdžių laikiklis
Paveikslas
28 Antgalio siūlėms laikiklis
Išmontuokite šepetinį apvadą.
29 Priedų laikiklis
Sumontuokite guminius apvadėlius.
Pastaba: grublėta guminių apvadėlių pusė
Naudojimo pradžia
turi būti išorėje.
Dėmesio
Pašalinkite popierinį filtro maišelį
Siurbimo metu niekada negalima pašalinti
– Siurbdami dr
ėgną purvą, būtinai išimki-
plokščiojo klostuoto filtro.
te popierinį filtro maišelį ar membraninį
Antistatinė sistema
filtrą (papildomas priedas).
– Rekomenduojama naudoti specialų fil-
Tik prietaisuose su įmontuotu kištukiniu
tro maišelį (drėgną) (žr. skyrių „Filtravi-
lizdu:
mo sistema“).
Statinė įkrova pašalinama įžemintomis
jungtimis. Taip pasirenkami priedai laidinin-
Bendroji informacija
kai apsaugomi nuo kibirkščiavimo ir srovės
– Siurbiant drėgnus nešvarumus antgaliu
smūgių.
minkštiems apmušalams (pasirinktis) ar
plyšiams arba siurbiant vandenį iš tam
Sausas valymas
tikro rezervuaro, rekomenduojama iš-
– Siurbiant labai smulkias dulkes galima
jungti pusiau automatinio filtro valymo
papildomai naudoti popierinį filtro mai-
funkciją.
šelį arba membraninį filtrą (specialus
– Pasiekus maksimalų skysčio kiekį, prie-
priedas).
taisas automatiškai išsijungia.
162 LT
– 2

– Siurbiant nelaidžius skysčius (pa-
Sumontuokite prietaiso adapterį prie si-
vyzdžiui, emulsijas, alyvas ir tepa-
urblio žarnos.
lus) prietaisas, prisipildžius rezervu-
Paveikslas
arui, neišsijungs. Nuolat tikrinkite re-
Prietaiso adapterį prijunkite prie elektri-
zervuaro prisipildymą ir jį laiku ištuš-
nio prietaiso.
tinkite.
Pusiau automatinis filtro valymas
– Baigę siurbti drėgnus nešvarumus:
Pastaba: Kas 5-10 minučių įjungiant filtro
plokščiąjį klostuotą filtrą išvalykite filtro
valymo sistemą, pailgėja plokščiojo klos-
valikliu; elektrodus nuvalykite šepečiu;
tuoto filtro naudojimo trukmė.
rezervuarą išvalykite drėgna šluoste ir
Pastaba: pusiau automatinio filtro valymą
nusausinkite.
įjungti galima tik tada, kai įjungtas prietai-
Jungiamasis spaustukas
sas.
Paveikslas
Pusiau automatinio filtro valymo jungiklį
Siurblio žarna turi spaustukų sistemą. Gali-
paspauskite 5 kartus. Plokščiasis klos-
ma prijungti visus C-35/C-DN-35 priedus.
tuotas filtras tada išvalomas oro smūgiu
(pasigirsta pulsuojantis garsas).
Valdymas
Prietaiso išjungimas
Prietaiso įjungimas
Pusiau automatinio filtro valymo jungiklį
Įkiškite elektros laido kištuką.
paspauskite 5 kartus.
Pagrindiniu jungikliu įjunkite prietaisą.
Pagrindiniu jungikliu išjunkite prietaisą.
Darbas su elektros įrankiu
Ištraukite elektros laido kištuką.
Tik prietaisuose su įmontuotu kištukiniu
Po kiekvieno naudojimo
lizdu:
Ištuštinkite kamerą.
Pavojus
Prietaisą iš vidaus ir išorės nusiurbkite
Sužalojimų ir pažeidimų pavojus! Lizdas
ir nuvalykite drė
gna šluoste.
yra skirtas tik elektriniams įrankiams tiesio-
Prietaiso laikymas
giai prijungti prie siurblio. Bet koks kitoks
lizdo naudojimas yra neleistinas.
Paveikslas
Elektros įtaiso maitinimo kištuką įkiškite
Siurbimo žarną ir elektros laidą saugo-
į siurblį.
kite, kaip parodyta paveiksle.
Pagrindiniu jungikliu įjunkite prietaisą.
Prietaisą palikite sausoje, pašaliniams
Kai šviečia kontrolinė lemputė, siurblys yra
neprieinamoje patalpoje.
„Standby“(parengties) režime.
Transportavimas
Pastaba: siurblys automatiškai įsijungs ir
몇 Atsargiai
išsijungs kartu su elektriniu įrankiu.
Sužalojimų ir pažeidimų pavojus! Transpor-
Pastaba: Į
jungtas siurblys įsidirba per 0,5
tuojant prietaisą, reikia atsižvelgti į jo svorį.
sekundės, o jo delsos periodas yra 15 se-
Išimkite iš laikiklio siurbimo vamzdį su
kundžių.
antgaliu grindims. Norėdami nešti prie-
Pastaba: Prijungiamo elektrinio įrankio ga-
taisą, kelkite už rankenos ir siurbimo
lingumo duomenis žiūrėkite skyriuje „Tech-
vamzdžio.
niniai duomenys“.
Transportuojant įrenginį transporto
Paveikslas
priemonėse, jį reikia užfiksuoti pagal
Prietaiso adapterį derinkite prie elektri-
galiojančius reglamentus, kad neslystų
nio prietaiso jungties.
ir neapvirstų.
Paveikslas
Nuo žarnos nuimkite lenktą antgalį.
– 3
163LT

Laikymas
Sumažėjo siurbimo jėga
몇 Atsargiai
Pašalinkite susidariusius kamščius iš
Sužalojimų ir pažeidimų pavojus! Pastatant
siurbimo antgalio, siurblio vamzdžio, si-
laikyti prietaisą, reikia atsižvelgti į prietaiso
urbimo žarnos ar plokščiojo klostuoto
svorį.
filtro.
Šį prietaisą galima laikyti tik patalpose.
Pakeiskite popierinį filtro maišelį.
Esant įjungtam prietaisui, 5 kartus pa-
Priežiūra ir aptarnavimas
spauskite pusiau automatinio filtro valy-
Pavojus
mo jungiklį.
Prieš visus prietaiso priežiūros darbus iš-
Tinkamai užfiksuokite filtro dangtelį.
junkite prietaisą ir ištraukite elektros laido
Išplaukite membraninį filtrą (specialusis
kištuką iš tinklo lizdo.
priedas) po tekančiu vandeniu arba pa-
keiskite.
Plokščiojo klostuoto filtro keitimas
Pakeiskite plokščiąjį klostuotą filtrą.
Atidarykite filtro dangtelį.
Pakeiskite plokščiąjį klostuotą filtrą.
Siurbimo metu dulkės šalinamos
Uždarykite filtro dangtelį taip, kad girdi-
laukan
mai užsifiksuotų.
Paveikslas
Patikrinkite, ar tinkamai įstatytas plokš-
Elektrodų valymas
čiasis klostuotas filtras ir, jei reikia, pa-
Atsklęskite ir nuimkite siurblio galvą.
taisykite.
Elektrodus nuvalykite šepečiu.
Pakeiskite plokščiąjį klostuotą filtrą.
Uždėkite ir užsklęskite siurblio galvą.
Automatinė išjungimo sistema
Pagalba gedimų atveju
(drėgno valymo metu) nereaguoja
Pavojus
Šepe
čiu nuvalykite elektrodus ir tarpą
Prieš visus prietaiso priežiūros darbus iš-
tarp jų.
junkite prietaisą ir ištraukite elektros laido
Nuolat stebėkite elektros srovei nelai-
kištuką iš tinklo lizdo.
daus skysčio kiekį.
Siurblio turbina neveikia
Neveikia pusiau automatinio filtro
Patikrinkite maitinimo tinklo lizdą ir sau-
valymo funkcija
giklį.
Neprijungta siurbimo žarna.
Patikrinkite įrenginio maitinimo kabelį,
kištuką, elektrodus ir, galimai, lizdą
.
Neišsijungia pusiau automatinio
Įjunkite prietaisą.
filtro valymo funkcija
Kreipkitės į klientų aptarnavimo tarny-
Siurblio turbina išsijungia
bą.
Ištuštinkite kamerą.
Neįsijungia pusiau automatinio
Ištuštinus rezervuarą siurblio
filtro valymo funkcija
turbina vis dar neveikia
Kreipkitės į klientų aptarnavimo tarny-
Išjunkite prietaisą ir, 5 sekundes palau-
bą.
kę, jį vėl įjunkite.
Šepečiu nuvalykite elektrodus ir tarpą
Klientų aptarnavimo tarnyba
tarp jų.
Jei negalite pašalinti gedimo, pateikite
prietaisą patikrinti klientų aptarnavimo
tarnybai.
164 LT
– 4

Garantija
EB atitikties deklaracija
Kiekvienoje šalyje galioja mūsų įgaliotų
Šiuo pareiškiame, kad toliau aprašyto apa-
pardavėjų nustatytos garantijos sąlygos.
rato brėžiniai ir konstrukcija bei mūsų į rinką
Galimus prietaiso gedimus garantijos galio-
išleistas modelis atitinka pagrindinius EB
jimo laikotarpiu pašalinsime nemokamai,
direktyvų
saugumo ir sveikatos apsaugos
jei tokių gedimų priežastis buvo netinka-
reikalavimus. Jei mašinos modelis keičia-
mos medžiagos ar gamybos defektai. Dėl
mas su mumis nepasitarus, ši deklaracija
garantinių gedimų šalinimo kreipkitės į
nebegalioja.
savo pardavėją arba artimiausią klientų ap-
Gaminys: Drėgno ir sauso valymo siur-
tarnavimo tarnybą pateikdami pirkimą pa-
blys
tvirtinantį kasos kvitą.
Tipas: 1.184-xxx
Specialios EB direktyvos:
Priedai ir atsarginės dalys
2006/42/EB (+2009/127/EB)
– Leidžiama naudoti tik gamintojo patvir-
2004/108/EB
tintus priedus ir atsargines dalis. Origi-
2011/65/ES
nalių priedų ir atsarginių dalių naudoji-
Taikomi darnieji standartai:
mas užtikrina saugų, be gedimų prietai-
EN 55014–1: 2006+A1: 2009+A2: 2011
so funkcionavimą.
EN 55014–2: 1997+A1: 2001+A2: 2008
EN 60335–1
– Dažniausia naudojamų atsarginių dalių
EN 60335–2–69
sąrašas pateiktas naudojimo instrukci-
EN 61000–3–2: 2006+A1: 2009+A2: 2009
jos pabaigoje.
EN 61000–3–3: 2008
– Informacijos apie atsargines dalis galite
EN 62233: 2008
rasti interneto svetainės www.kaer-
EN 50581
cher.com dalyje „Service“.
Taikomi nacionaliniai standartai:
-
5.957-602
Pasirašantys asmenys yra įgalioti parduo-
tuvės vadovybės.
CEO
Head of Approbation
Dokumentaciją tvarkyti įgaliotas asmuo:
S. Reiser
Alfred Kärcher GmbH & Co. KG
Alfred-Kärcher-Str. 28 - 40
71364 Winnenden (Germany)
Tel.: +49 7195 14-0
Faksas: +49 7195 14-2212
Winnenden, 2014/02/01
– 5
165LT

Techniniai duomenys
NT 25/1
NT 25/1
NT 35/1
NT 35/1
Ap
Ap Te
Ap
Ap Te
Tinklo įtampa V 220-240 220-240 220-240 220-240
Dažnis Hz 1~ 50/60 1~ 50/60 1~ 50/60 1~ 50/60
Maks. galia W 1380 1380 1380 1380
Nominalioji galia W 1200 1200 1200 1200
Kameros talpa l 25 25 35 35
Skysčio užpildymo lygis l 13 13 26 26
Oro kiekis (maks.) l/s 74 74 74 74
Subatmosferinis slėgis
kPa
25,4 (254) 25,4 (254) 25,4 (254) 25,4 (254)
(maks.)
(mbar)
Prijungiamo elektrinio įrankio
W -- 100-2200 -- 100-2200
galingumo duomenys
Saugiklio rūšis -- IPX4 IPX4 IPX4 IPX4
Apsaugos klasė II -- II --
-- -- I -- I
Siurbimo žarnos jungtis (C-
mm 35 35 35 35
DN/C-ID)
Ilgis x plotis x aukštis mm 510 x 370
510 x 370
510 x 370
510 x 370
x 480
x 480
x 575
x 575
Tipinė eksploatacinė masė kg 11,0 11,5 11,5 12,0
Aplinkos temperatūra (maks.) °C +40 +40 +40 +40
Nustatytos vertės pagal EN 60335-2-69
Garso slėgio lygis L
pA
dB(A) 70 70 70 70
Neapibrėžtis K
pA
dB(A) 1111
2
Delno/rankos vibracijos povei-
m/s
<2,5 <2,5 <2,5 <2,5
kis
2
Nesaugumas K m/s
0,2 0,2 0,2 0,2
2
Maitinimo
H05VV-F 2x1,0 mm
kabelis
Ap Dalies Nr.: Kabelio ilgis
EU 6.647-263.0 7,5 m
CH 6.647-265.0 7,5 m
2
Maitinimo
H07RN-F 3x1,5 mm
kabelis
Ap Te Dalies Nr.: Kabelio ilgis
EU 6.649-385.0 7,5 m
166 LT
– 6

Перед першим застосуванням
Старі пристрої містять цінні
вашого пристрою прочитайте
матеріали, що можуть викори-
цю оригінальну інструкцію з експлуата-
стовуватися повторно. Бата-
ції, після цього дійте відповідно неї та
реї, мастило та схожі матеріа-
збережіть її для подальшого користуван-
ли не повинні потрапити у на-
ня або для наступного власника.
вколишнє середовище. Тому,
– Перед першим використанням на ви-
будь ласка, утилізуйте старі
робництві обов’язково прочитайте
пристрої за допомогою спе-
вказівки з техніки безпеки № 5.956-
ціальних систем збору сміття.
249.
Інструкції із застосування компонен-
– Неслідування інструкції з експлуата-
тів (REACH)
ції та брошурі
з правил безпеки може
Актуальні відомості про компоненти на-
призвести до пошкодження пристрою
ведені на веб-вузлі за адресою:
та небезпеки для користувача та ін-
www.kaercher.com/REACH
ших людей.
Ступінь небезпеки
– Якщо виникають ошкодження при
транспортуванні, негайно повідомте
Обережно!
про це продавця.
Для небезпеки, яка безпосередньо за-
грожує
та призводить до тяжких
Перелік
травм чи смерті.
Захист навколишнього сере-
몇 Попередження
довища . . . . . . . . . . . . . . . . . . UK 1
Для потенційно можливої небезпечної
Ступінь небезпеки . . . . . . . . . UK 1
ситуації, що може призвести до тяж-
Правильне застосування . . . UK 1
ких травм чи смерті.
Елементи приладу . . . . . . . . UK 2
몇 Увага!
Введення в експлуатацію . . . UK 2
Вказівка щодо потенційно небезпечної
Експлуатація . . . . . . . . . . . . . UK 3
ситуації, яка може спричинити отри-
Транспортування . . . . . . . . . . UK 4
мання легких травм.
Зберігання . . . . . . . . . . . . . . . UK 4
Увага
Догляд та технічне обслугову-
Вказівка щодо можливої потенційно не-
вання . . . . . . . . . . . . . . . . . . . UK 4
безпечній ситуації, що може спричини-
Допомога у випадку непола-
ти матеріальні збитки.
док . . . . . . . . . . . . . . . . . . . . . UK 4
Гарантія . . . . . . . . . . . . . . . . . UK 5
Правильне застосування
Приладдя й запасні деталі . . UK 5
몇 Попередження
Заява при відповідність Євро-
Забороняється
експлуатація при-
пейського співтовариства . . . UK 6
строю для збору шкідливого для здо-
Технічні характеристики . . . . UK 7
ров'я пилу.
– Цей пилосос призначений для воло-
Захист навколишнього
гого та сухого очищення підлоги і
середовища
стін.
– Цей пристрій придатний для проми-
Матеріали упаковки піддають-
слового застосування, наприклад, в
ся переробці для повторного
готелях, школах, лікарнях, на фабри-
використання. Будь ласка, не
ках, у магазинах, офісах та орендних
викидайте пакувальні ма-
підприємствах.
теріали разом із домашнім
сміттям, віддайте їх для на пе-
реробку.
– 1
167UK

Елементи приладу
Пилосос для сухої очистки
1 Електроди
– При всмоктуванні дрібного пилу до-
2 Всмоктуючий шланг
датково може використовуватися па-
3 Отвір для випуску повітря, робоче по-
перовий фільтрувальний пакет або
вітря
мембранний фільтр (додаткове
4 Колесо
обладнання).
5 Фіксація головки всмоктування
Вставити паперовий фільтрувальний
6 Повітрозабирач, повітря для охолод-
пакет
ження двигуна
Малюнок
7 Ємкість для бруду
Висвободіть та зніміть всмоктуючу
8 Спрямовувальний валець
головку.
9 Гголовка всмоктування
Одягнути паперовий фільтрувальний
10 Усмоктувальний патрубок
пакет або мембранний фільтр (до-
11 Сопло для полу
даткове обладнання).
12 Головний вимикач
Встановіть та зафіксуйте всмоктуючу
13 Всмоктувальня трубка
головку
.
14 Ручка
Перехід від вологого до сухого
15 Гачки для кабелю
прибирання
16 Кришка фільтра
Увага
17 Кнопка очищення фільтра
При переході від вологого до сухого
18 Тримач шланга
чищення слід прийняти до уваги:
19 Розетка
Всмоктування сухого пилу з викори-
20 Контрольні лампи
станням вологого фільтруючого еле-
21 Всмоктувальне коліно
менту може призвести до забиття
22 Плоский складчастий фільтр
фільтру та зробить його непридат-
23 Очистка фільтра
ним для подальшого використання.
24 Тримач насадки для підлоги
Слід добре висушити вологий фільтр
25 Мережевий кабель
або замінити його на сухий.
26 Заводська табличка
У разі потреби слід замінити
фільтр,
27 Тримач для всмоктувальної трубки
як вказано у розділі "Догляд та тех-
28 Тримач насадки для стиків
нічне обслуговування".
29 Тримач для приналежностей
Вказівка: Якщо постійно використо-
Введення в експлуатацію
вується вологе прибирання, рекомен-
дується застосування плоского складча-
Увага
стого фільтра з ПЕС (див. системи філь-
Забороняється видалення складчасто-
трів).
го фільтра під час роботи.
Вологе прибирання
Система антистатик
Тільки для пристроїв з вбудованою
Установка гумових губок
розеткою:
Малюнок
Статичні заряди видаляються завдяки
Зняти щітки.
заземленому сполучному патрубку. Та-
Встановити гумові губки.
ким чином,
виключаються іскріння і вра-
Вказівка: Структурована сторона гумо-
ження струмом від електропровідних ак-
вих губок має дивитись назовні.
сесуарів (опція).
168 UK
– 2

Зніміть паперовий фільтр-пакет
Експлуатація
– При всмоктуванні вологого забруд-
Ввімкнення пристрою
нення завжди слід знімати паперовий
фільтр-пакет або мембранний
Вставте штепсельну вилку.
фільтр (додаткове обладнання).
Увімкнути пристрій через головний
– Рекомендується використання спе-
вмикач.
ціального фільтрувального мішка
Використання
(вологого чищення) (див. розділ
електроінструментів
"Фільтрувальні системи").
Тільки для пристроїв з вбудованою
Загальні положення
розеткою:
– При засмоктуванні вологого бруду
Обережно!
форсункою для чищення оббивки
Небезпека отримання травм та уш-
(опція), а також у тих випадках, коли з
коджень! Ця розетка призначена ви-
резервуара переважно відкачується
ключно для прямого підключення елек-
вода, не слід натискати на клавішу
троінструментів до пилососа. Інше ви-
перемикання функції «Напівавтома-
користання розетки не
допускається.
тичне чищення фільтру».
Вставити штепсель електроінстру-
– При досягненні максимального рівня
менту в пилосос.
рідини прилад автоматично відклю-
Увімкнути пристрій через головний
чається.
вмикач.
– Під час роботи з непровідними рі-
Контрольна лама горить, прилад знахо-
динами (наприклад, рідина для
диться в стані готовності.
охолодження при свердлінні, ма-
Вказівка: Пилосос вмикається і вими-
сла та жири), при наповненні ре-
кається електричним інструментом авто-
зервуара прилад не відключаєть-
матично.
ся. Рівень заповнення повинен по
-
Вказівка: Запізнення розгону пилососу
стійно контролюватися, а з резер-
становить до 0,5 секунди, час роботи за
вуара необхідно вчасно видаляти
інерцією - до 15 секунд.
його вміст.
Вказівка: Споживана потужність елек-
– Після завершення чищення у волого-
тричних інструментів зазначена в розділі
му режимі: Виконати чищення склад-
"Технічні дані".
частого фільтру за допомогою систе-
Малюнок
ми для чищення фільтру. Електроди
Розмір адаптера для інструментів
очистити за допомогою щітки. Резер-
підігнати під розмір вузла підключен-
вуар очистити за допомогою волого-
ня електричного інструменту.
го рушника та висушити.
Малюнок
Пружинний контакт
Зняти коліно на всмоктувальному
шлангові.
Малюнок
Встановити на всмоктувальному
Всмоктуючий шланг оснащено пружин
-
шлангу адаптер для інструментів.
ною системою. Може бути під'єднано
Малюнок
будь-яке допоміжне обладнання C-35/C-
Підключити адаптер до електроін-
DN-35.
струменту.
– 3
169UK

При перевезенні апарату в транспор-
Напівавтоматичне чищення
тних засобах слід
враховувати міс-
фільтру
цеві діючі державні норми, направ-
Вказівка: Включення очищення фільтра
лені на захист від ковзання та пере-
кожні 5-10 мінут збільшує термін служби
кидання.
складчастого фільтра.
Зберігання
Вказівка: Вмикання напівавтоматичного
чищення фільтру можливе тільки при
몇 Увага!
увімкненому пристрої.
Небезпека отримання травм та уш-
Натиснути 5 разів кнопку напівавто-
коджень! При зберіганні звернути увагу
матичного чищення фільтру. Очи-
на вагу пристрою.
щення складчастого фільтру при цьо-
Цей прилад має зберігатися лише у вну-
му відбувається за рахунок пневма-
трішніх приміщеннях.
тичного удару (пульсуючий звук).
Догляд та технічне
Вимкнути пристрій
обслуговування
Натиснути 5 разів на кнопку напівав-
Обережно!
томатичного чищення фільтру.
До проведення будь-яких робіт слід ви-
Вимкнути пристрій через головний
мкнути пристрій та
витягнути ште-
вмикач.
кер.
Вітягніть мережеву штепсельну вил-
Заміна складчастого фільтра
ку.
Відкрити кришку фільтра.
Після кожного використання
Замініть складчастий фільтр.
Випорожнити резервуар.
Закрити кришку фільтра так, щоб
Очистити прилад зовні та всередині
було чути щиглик.
за допомогою пилососа та протерти
Очистити електроди
його вологим рушником.
Висвободіть та зніміть всмоктуючу
Зберігати пристрій
головку.
Малюнок
Електроди очистити за допомогою
Зберігати всмоктувальний шланг і
щітки.
мережевий шнур, як вказано на ма-
Встановіть та зафіксуйте всмоктуючу
люнку.
головку.
Зберігайте пристрій у сухому при-
Допомога у випадку
міщенні та захищайте
від недозволе-
ного використання.
неполадок
Обережно!
Транспортування
До проведення будь-яких робіт слід ви-
몇 Увага!
мкнути пристрій та витягнути ште-
Небезпека отримання травм та уш-
кер.
коджень! При транспортуванні слід
звернути увагу на вагу пристрою.
Всмоктувальна турбіна не працює
Вийняти всмоктувальну трубку з на-
Перевірити
штепсельну розетку та за-
садкою для підлоги із тримача. Для
побіжник системи електроживлення.
перенесення пристрою його слід бра-
Перевірити мережний кабель, штеп-
ти за рукоятку та всмоктувальну
сельну вилку, електроди і, при необ-
трубку.
хідності, штепсельну розетку при-
строю.
Включіть пристрій.
170 UK
– 4

Всмоктувальна турбіна
Напівавтоматичне чищення
відключається
фільтру не припиняється
Випорожнити резервуар.
Звернутися до служби підтримки ко-
ристувачів.
Після спустошення бака
всмоктувальна турбіна не
Напівавтоматичне чищення
запускається
фільтру не починається
Вимкнути прилад і почекати 5 секунд,
Звернутися до служби підтримки ко-
після чого знову увімкнути прилад.
ристувачів.
Очистити електроди, а також простір
Служба підтримки користувачів
між електродами за допомогою щіт-
Якщо пошкодження не можна усуну-
ки.
ти, необхідно перевірити пристрій у
Знизилась сила всмоктування
службі обслуговування клієнтів.
Видалити сміття з всмоктувального
Гарантія
сопла, всмоктувальної трубки, всмок-
У кожній країні діють умови гарантії, на-
тувального шланга або складчастого
даної
відповідною фірмою-продавцем.
фільтра.
Неполадки в роботі пристрою ми усуває-
Замініть паперовий фільтр-пакет.
мо безплатно протягом терміну дії гаран-
Натиснути 5 разів кнопку напівавто-
тії, якщо вони викликані браком матеріа-
матичного чищення фільтру
при уві-
лу чи помилками виготовлення. У випад-
мкненому пристрої.
ку чинності гарантії звертіться до про-
Правильно зафіксувати кришка філь-
давця чи в найближчий авторизований
тра.
сервісний центр з документальним під-
Очистити під проточною водою або
твердженням покупки.
замінити мембранний фільтр (додат-
кове обладнання).
Приладдя й запасні деталі
Замініть складчастий фільтр.
– При цьому будуть використовуватись
При всмоктуванні виходить пил
лише
ті комплектуючі та запасні ча-
стини, що надаються виробником.
Малюнок
Оригінальні комплектуючі та запасні
Перевірити правильність встанов-
частини замовляються по гарантії,
лення складчастого фільтру або вне-
щоб можна було безпечно та без пе-
сти виправлення.
решкод використовувати пристрій.
Замініть складчастий фільтр.
– Асортимент запасних частин, що ча-
Автоматичне відключення
сто необхідні, можна знайти в кінці ін-
(чищення у вологому режимі) не
струкції по експлуатації.
спрацьовує
– Подальша інформація по запасним
Очистити електроди, а також простір
частинам є на сайті
між електродами за допомогою щіт-
www.kaercher.com в розділі Сервіс.
ки
.
При роботі з непровідною рідиною
слід постійно контролювати рівень
заповнення.
Напівавтоматичне чищення
фільтру не виконується
Всмоктувальний шланг не підключе-
ний.
– 5
171UK

Заява при відповідність
Європейського
співтовариства
Цим ми повідомляємо, що нижче зазна-
чена машина на основі своєї конструкції
та конструктивного виконання, а також у
випущеної у продаж моделі, відповідає
спеціальним основним вимогам щодо
безпеки та захисту здоров'я представле-
них нижче директив ЄС. У випадку неуз-
годженої з нами зміни машини ця заява
втрачає свою силу.
Продукт: Пилосос для сухого та во-
логого всмоктування
Тип: 1.184-xxx
Відповідна директива ЄС
2006/42/ЄС (+2009/127/ЄС)
2004/108/ЄС
2011/65/ЄС
Прикладні гармонізуючі норми
EN 55014–1: 2006+A1: 2009+A2: 2011
EN 55014–2: 1997+A1: 2001+A2: 2008
EN 60335–1
EN 60335–2–69
EN 61000–3–2: 2006+A1: 2009+A2: 2009
EN 61000–3–3: 2008
EN 62233: 2008
EN 50581
Запропоновані національні норми
-
5.957-602
Ті, хто підписалися діють за запитом та
дорученням керівництва.
CEO
Head of Approbation
уповноважений по документації:
S. Reiser
Alfred Kaercher GmbH & Co. KG
Alfred-Kaercher-Str. 28 - 40
71364 Winnenden (Germany)
Тел.: +49 7195 14-0
Факс: +49 7195 14-2212
Winnenden, 2014/02/01
172 UK
– 6

Технічні характеристики
NT 25/1
NT 25/1
NT 35/1
NT 35/1
Ap
Ap Te
Ap
Ap Te
Номінальна напруга V 220-240 220-240 220-240 220-240
Частота Hz 1~ 50/60 1~ 50/60 1~ 50/60 1~ 50/60
Макс. потужність W 1380 1380 1380 1380
Номінальна потужність W 1200 1200 1200 1200
Місткість резервуару l25253535
Об'єм заповнення рідини l13132626
Кількість повітря (макс.) l/s 74 74 74 74
Нижній тиск (макс.) kPa
25,4 (254) 25,4 (254) 25,4 (254) 25,4 (254)
(mbar)
Споживана потужність елек-
W -- 100-2200 -- 100-2200
тричних інструментів
Ступінь захисту -- IPX4 IPX4 IPX4 IPX4
Клас захисту II -- II --
-- -- I -- I
Гніздо під'єднання шлан-
mm 35 35 35 35
гу(C-DN/C-ID)
Довжина x ширина x висота mm 510 x 370
510 x 370
510 x 370
510 x 370
x 480
x 480
x 575
x 575
Типова робоча вага kg 11,0 11,5 11,5 12,0
Температура навколишньо-
°C +40 +40 +40 +40
го середовища (макс.)
Значення встановлено згідно стандарту EN 60335-2-69
Рівень шуму L
pA
dB(A) 70 70 70 70
Небезпека K
pA
dB(A) 1111
2
Значення вібрації рука-пле-
m/s
<2,5 <2,5 <2,5 <2,5
че
2
Небезпека K m/s
0,2 0,2 0,2 0,2
2
Мережний
H05VV-F 2x1,0 mm
кабель
Ap № деталі Довжина ка-
белю
EU 6.647-263.0 7,5 m
CH 6.647-265.0 7,5 m
2
Мережний
H07RN-F 3x1,5 mm
кабель
Ap Te № деталі Довжина ка-
белю
EU 6.649-385.0 7,5 m
– 7
173UK

Filtersysteme / Filter Systems / Système de filtres
Flachfalten-
Papierfilter-
Vliesfiltertüte
Membran-
Spezialfilter-
Flachfalten-
filter *
tüte 2-lagig *
3-lagig *
filter
tüte, nass
filter (PES) *
Flat pleated
Paper filter
Fleece filter
Diaphragm
Special filter
Flat pleated
filter *
bag double
bag triple
filter
bag, wet
filter (PES) *
Filtre plat à
layered *
layered *
Filtre à
Sachet filtre
Filtre plat à
plis *
Sachet filtre à
Sachet filtre
membrane
spécial,
plis (PES) *
2 épaisseurs *
en tissu non
mouillé
tissé à 3
épaisseurs *
Bestell-Nr.
6.904-367 6.904-210 6.904-351 6.904-212 6.904-171 6.904-356
Order No.
Numéro de
référence
Menge
155151
Quantity
Quantité
Normalstäube
XXXX
Normal dust
Poussières
normales
Feinstäube
XXX
Fine dust
Poussières fines
Abrasive Stäube
XXXXX
Abrasive dust
Poussières
abrasives
Flüssigkeiten,
XX
nasser Schmutz
Liquids, wet dirt
Liquides, saletès
humides
* Staubklasse M, Rückhaltevermögen > 99,9 %
* Dust class M, Retention > 99,9 %
* Classe de poussière M, Conservation > 99,9 %
174

Zubehör / Accessories / Accessoires
4.440-626
CDN 35
2,5
4.440-653
CDN 35 EL
2,5
6.906-208
C 35
2,5
6.906-241
C 35
4,0
6.906-242
C 35
10,0
6.906-321
C 40
4,0
6.906-279
C 40
10,0
6.906-546
C 40 EL
4,0
6.906-714
C 40 Oil
4,0
6.906-237
C 35
2,5
6.906-277
C 35 EL
2,5
6.906-344
C 40
2,5
Verlängerung,
extension,
rallonge
2.639-483 DN 35 0,45
2.639-484
DN 35/27
3,5
2.639-485
DN 35/27 EL
3,5
5.453-042
C 35 EL
5.453-052
C 35 EL
5.407-112
C 35 - DN 35
5.407-111
C 40 - DN 40
5.407-113
C 40 - C 35
5.031-718
DN 35
5.031-939
DN 35 EL
5.031-904
C/DN 40
5.032-427
C/DN 40 EL
6.900-514
DN 35 M
0,5
6.900-275
DN 40 M
0,5
175

Zubehör / Accessories / Accessoires
6.906-513
DN 35
360
6.906-384
DN 35 M
370
6.906-554
DN 40
360
6.903-018
DN 40 M
370
6.906-383
DN 40 M
450
6.906-511 DN 35 270
6.900-922
DN 35 M
0,5
6.903-033
DN 40
0,29
6.902-104
DN 35
0,2
6.902-105
DN 40
0,2
6.903-862 DN 35
6.900-425
DN 35 hard
0,25
6.903-863
DN 35 soft
0,25
EL = elektrisch leitend, electrical conductive, conducteur électrique
C = Clip-Verbindung, Clip connection, Connexion de clip
DN = Konus-Verbindung, Cone connection, Connexion de cône
M = Metall, metal, métal
Oil = ölbeständig, oil resistant, résistant à l’huile
176

NT 25/1 Ap - NT 35/1 Ap
177

NT 25/1 Ap Te - NT 35/1 Ap Te
178


http://www.kaercher.com/dealersearch




