Karcher KM 100/100 R P – page 19
Manual for Karcher KM 100/100 R P

Pagalba gedimų atveju
Pavojus
Prieš bet kokius techninės priežiūros dar-
Susižalojimo pavojus! Prieš atlikdami tech-
bus, išjunkite variklį ir ištraukite uždegimo
ninės priežiūros ir remonto darbus palauki-
raktą.
te, kol mašina pakankamai atvės.
Gedimas Šalinimas
Prietaisas neįsijungia Užimkite vietą vairuotojo sėdynėje, aktyvinamas kontaktinis sėdynės jungiklis.
Patikrinkite degalų ir alyvos kiekį, jei reikia, įpilkite alyvos ir degalų.
Patikrinkite saugiklius.
Patikrinkite bateriją ir, jei reikia, ją įkraukite.
Kreipkitės į „Kärcher“ klientų aptarnavimo tarnybą
Prietaisas važiuoja tik lėtai Kreipkitės į „Kärcher“ klientų aptarnavimo tarnybą
Prietaisas valo netinkamai Patikrinkite, ar nesusidėvėję valomasis velenas ir šoninė šluota ir, jei reikia, pakeiskite.
Patikrinkite, kaip veikia stambių atliekų sklendė
Patikrinkite, ar nenusidėvėję tarpinės juostos, jei reikia, nustatykite arba pakeiskite.
Patikrinkite šlavimo pavaros diržą.
Patikrinkite, ar sandari subatmosferinio slėgio sistema
Kreipkitės į „Kärcher“ klientų aptarnavimo tarnybą
Prietaisas dulkėja Ištuštinkite dulkių maišelį
Patikrinkite siurbimo orpūtės pavaros diržą.
Patikrinkite siurbimo orpūtės sandariklį
Patikrinkite ir išvalykite arba pakeiskite dulkių filtrą
Patikrinkite filtro korpuso tarpiklį
Uždarykite drėgno ir sauso valymo dangtelį.
Patikrinkite, ar nenusidėvėję tarpinės juostos, jei reikia, nustatykite arba pakeiskite.
Kreipkitės į „Kärcher“ klientų aptarnavimo tarnybą
Nesisuka šoninė šluota
Patikrinkite saugiklį.
Kreipkitės į „Kärcher“ klientų aptarnavimo tarnybą
Blogai valomi pakraščiai Pakeiskite šoninę šluotą
Patikrinkite, ar nenusidėvėję tarpinės juostos, jei reikia, nustatykite arba pakeiskite.
Kreipkitės į „Kärcher“ klientų aptarnavimo tarnybą
Neveikia šoninės šluotos arba be-
Patikrinkite, ar sandari subatmosferinio slėgio sistema
sisukančio veleno įjungimo siste-
Kreipkitės į „Kärcher“ klientų aptarnavimo tarnybą
ma
Nepakankama siurbimo galia Patikrinkite filtro korpuso tarpiklį
Patikrinkite siurbimo orpūtės sandariklį
Patikrinkite, ar sandarios siurbimo orpūtės žarnos.
Tinkamai sumontuokite klostuotąjį filtrą, žr. Dulkių filtro keitimas“.
Kreipkitės į „Kärcher“ klientų aptarnavimo tarnybą
Nesisuka valomasis velenas
Pašalinkite besisukančio veleno juostas ir virves.
Kreipkitės į „Kärcher“ klientų aptarnavimo tarnybą
- 12
361LT

Techniniai duomenys
KM 100/100 R P KM 100/100 R LPG
Mašinos duomenys
Ilgis x plotis x aukštis mm 2006 x 1005 x 1343 2006 x 1005 x 1343
Tuščia masė kg 300 300
Transportavimo svoris kg 375 375
Leistinas bendras svoris kg 520 520
Važiavimo greitis km/h 8 8
Šlavimo greitis km/h 6 6
Važiavimo posvyris (maks.) % 18 18
Valomojo veleno skersmuo mm 285 285
Besisukančio veleno plotis mm 710 710
Šoninės šluotos skersmuo mm 450 450
Darbinė pusė be šoninės šluotos mm 710 710
Darbo plotas su 1 šonine šluota mm 1000 1000
Darbo plotas su 2 šoninėmis šluotomis (pasirenka-
mm 1290 1290
ma)
Nešvarumų kameros talpa l 100 100
Apsauga nuo purškiamo vandens -- IPX 3 IPX 3
Variklis
Tipas -- Honda, 1 cilindro, keturtak-
Honda, 1 cilindro, keturtaktis
tis
Darbinė eiga cm
3
270 270
Didžiausia galia kW/AJ 6,6 / 9 6,6 / 9
Didžiausias sukimo momentas, esant 2500 1/min. Nm 19 19
Degalų rūšis -- bešvinis benzinas Suskystintosios dujos (dujiniai dega-
lai): butanas, propanas arba butano ir
propano mišiniai
RON 95 / EN 589
Degalų bako tūris -- 6 l 11 kg arba 20 litrų (keičiama talpykla)
Kaitinamoji žvakė, NGK -- BPR 6 ES BPR 6 ES
Saugiklio rūšis -- IP22 IP22
Baterija
Tipas -- 12V, 44Ah 12V, 44Ah
Alyvos rūšys
Variklis -- SAE 15W40 SAE 15W40
Siurbimo hidraulinė sistema -- HVLP 46 HVLP 46
Ašių pavara -- SAE 10W-60 SAE 10W-60
Padangos
Priekinės, dydis -- 4.00-4 4.00-4
Priekinės, oro slėgis bar 6 6
Galinės, dydis -- 4.00-8 4.00-8
Galinės, oro slėgis bar 6 6
Stabdžiai
Darbiniai stabdžiai -- hidrostatiniai hidrostatiniai
Stovėjimo stabdis -- automatinis (su spyruokle) automatinis (su spyruokle)
Filtravimo ir siurbimo sistema
Smulkių nešvarumų filtro plotas m
2
6,0 6,0
Naudojimo kategorija Sveikatai nepavojingų dulkių
-- U U
filtras
Siurbimo sistemos nominalusis subatmosferinis
mbar 12 12
slėgis
Siurbimo sistemos nominalioji siurbimo apimtis l/s 50 50
362 LT
- 13

Aplinkos sąlygos
Temperatūra °C -5...+40 -5...+40
Oro drėgmė, nesvarbi % 20 - 90 20 - 90
Nustatytos vertė
s pagal EN 60335-2-72
Keliamas triukšmas
Garso slėgio lygis L
pA
dB(A) 79 79
Neapibrėžtis K
pA
dB(A) 2 2
Garantuotas triukšmo lygis L
WA
+ neapibrėžtis K
WA
dB(A) 98 98
Mašinos vibracija
Delno/rankos vibracijos poveikis m/s
2
<2,5 <2,5
Sėdynė m/s
2
1,3 1,3
Nesaugumas K m/s
2
0,2 0,2
EB atitikties deklaracija
Garantija Dalys
Šiuo pareiškiame, kad toliau aprašyto apa-
Kiekvienoje šalyje galioja mūsų įgaliotų
rato brėžiniai ir konstrukcija bei mūsų į rin-
pardavėjų nustatytos garantijos sąlygos.
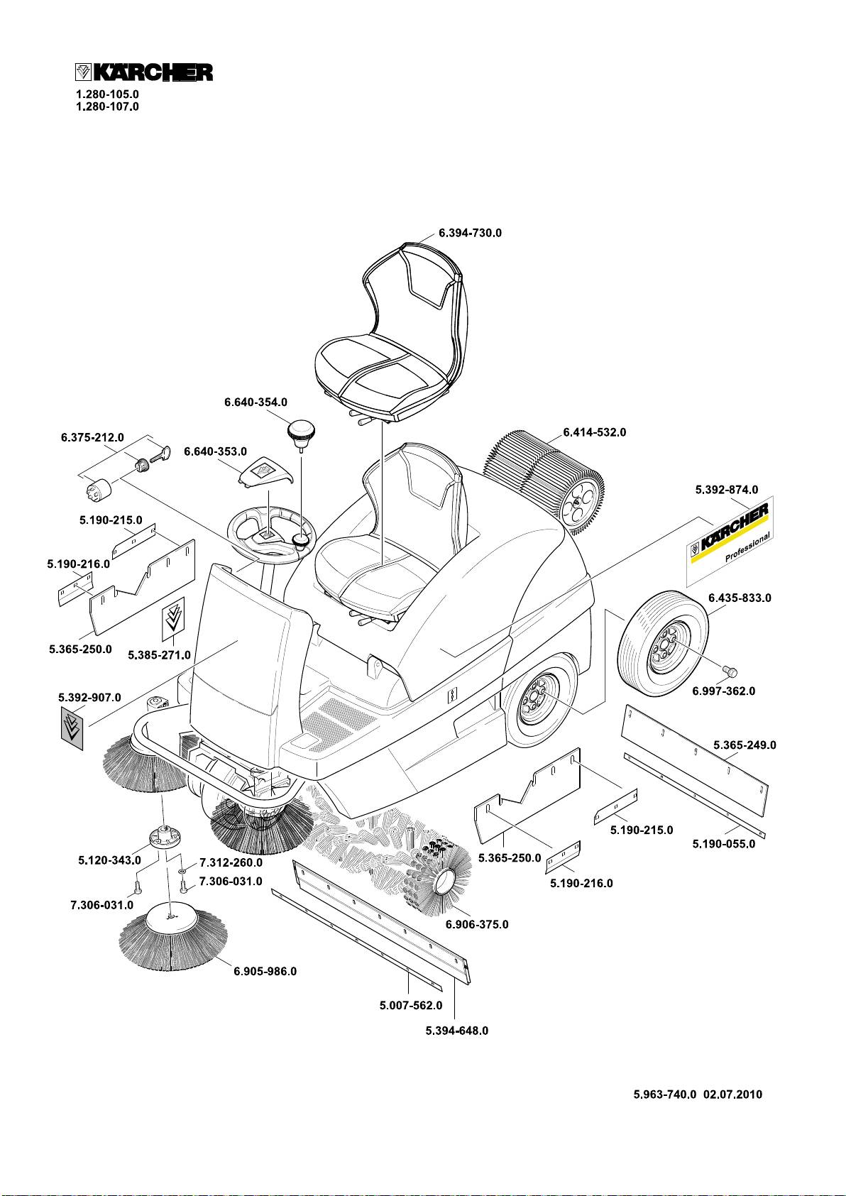
Šoninė šluota 6.905-986.0
ką išleistas modelis atitinka pagrindinius
Galimus prietaiso gedimus garantijos galio-
Su įprastiniais šeriais vidaus ir išorės pa-
EB direktyvų saugumo ir sveikatos apsau-
jimo laikotarpiu pašalinsime nemokamai,
viršiams.
gos reikalavimus. Jei mašinos modelis kei-
jei tokių gedimų priežastis buvo netinka-
čiamas su mumis nepasitarus, ši
mos medžiagos ar gamybos defektai. Dėl
deklaracija nebegalioja.
garantinių gedimų šalinimo kreipkitės į
Minkšta šoninė šluo-
6.906-133.0
savo pardavėją arba artimiausią klientų ap-
Gaminys: Siurbiamasis įrenginys kai-
ta
tarnavimo tarnybą pateikdami pirkimą pa-
tinamasis prietaisas
Skirta smulkiosioms dalelėms ant vidaus
Tipas: 1.280-xxx
tvirtinantį kasos kvitą.
paviršių, atspari drėgmei.
Specialios EB direktyvos:
2006/42/EB (+2009/127/EB)
Kieta šoninė šluota 6.906-065.0
2004/108/EB
2000/14/EB
Skirta įsisenėjusiems nešvarumams ant
Taikomi darnieji standartai:
išorės paviršių, atspari drėgmei.
EN 55012: 2007 + A1: 2009
EN 60335–1
Įprastinis besisukan-
6.906-375.0
EN 60335–2–72
EN 61000–6–2: 2005
tis šepetys
EN 62233: 2008
Atsparus nusidėvėjimui ir drėgmei. Su
Taikyta atitikties vertinimo procedura:
universaliais šeriais vidaus ir išorės pa-
2000/14/EB: V priedas
viršiams.
Garso galios lygis dB(A)
KM 100/100 R P
Išmatuotas: 95
Besisukantis šepe-
6.906-533.0
Garantuotas: 98
tys, minkštas
KM 100/100 R LPG
Išmatuotas: 95
Su natūralaus pluošto šeriais, skirtas va-
Garantuotas: 98
lyti smulkias dulkes nuo lygių grindų vi-
daus patalpose. Neatsparus drėgmei,
Pasirašantys asmenys yra įgalioti parduo-
netinkamas abrazyviniams paviršiams.
tuvės vadovybės.
Besisukantis šepe-
6.906-532.0
tys, kietas
CEO
Head of Approbation
Skirta įsisenėjusiems nešvarumams ant
Dokumentaciją tvarkyti įgaliotas asmuo:
išorės paviršių, atspari drėgmei.
S. Reiser
Dulkių filtras 6.414-532.0
Alfred Kärcher GmbH & Co. KG
Alfred-Kärcher-Str. 28 - 40
71364 Winnenden (Germany)
Tel.: +49 7195 14-0
Faksas: +49 7195 14-2212
Winnenden, 2012/04/01
- 14
363LT

Перед першим застосуванням
– У напрямках, поперечних до
Небезпека перегинання
вашого пристрою прочитайте
напрямку руху, допускається
та розриву ременя,
цю оригінальну інструкцію з
пересування апарата тільки по
бокових щіток,
експлуатації, після цього дійте
схилах до макс. 15%.
резервуару, кришки
відповідно неї та збережіть її для
– Також слід дотримуватися всіх
пристрою.
подальшого користування або для
правил і норм стосовно транспортних
наступного власника.
засобів.
Знаки у посібнику
Перед першим використанням на
– Користувач повинен
виробництві обов’язково прочитайте
Обережно!
використовувати пристрій у
вказівки з техніки безпеки № 5.956-250.
відповідності до інструкції. При русі
Для небезпеки, яка безпосередньо
він повинен враховувати умови
загрожує та призводить до тяжких
Перелік
місцевості, під час роботи з
травм чи смерті.
пристроєм звертати увагу на третіх
몇 Попередження
Правила безпеки . . . . . . . . UK . . 1
осіб, особливо на дітей.
Для потенційно можливої небезпечної
Призначення . . . . . . . . . . . UK . . 3
– Пристрій має використовуватися
ситуації, що може призвести до
Правильне застосування . UK . . 3
особами, що пройшли інструктаж
тяжких травм чи смерті.
Захист навколишнього
щодо його використання або
Увага!
середовища . . . . . . . . . . . . UK . . 3
підтвердили свої здібності для
Для потенційно можливої небезпечної
Елементи управління і
обслуговування пристрою, а також
ситуації, що може призвести до легких
функціональні вузли . . . . . UK . . 4
уповноважені використовувати його.
травм чи спричинити матеріальні
Перед початком роботи . . UK . . 5
– Забороняється експлуатація
збитки.
Введення в експлуатацію . UK . . 5
пристрою дітьми або підлітками.
Експлуатація . . . . . . . . . . . UK . . 5
– Не дозволяється брати із собою
Розпорядження по техніці
Зберігання . . . . . . . . . . . . . UK . . 7
супровідних осіб.
безпеки для транспортних
Догляд та технічне
– Апарати, що мають сидіння для
засобів, що працюють на
обслуговування . . . . . . . . . UK . . 8
обслуговувального персоналу,
зрідженому газі (тільки для KM
Допомога у випадку
повинні приводитися в рух тільки з
100/100 R LPG)
неполадок . . . . . . . . . . . . . UK . 13
цього сидіння.
Головне об'єднання ремісничих
Технічні характеристики . . UK . 14
Щоб уникнути несанкціонованого
професійних корпорацій, зареєстроване
Заява при відповідність
використання пристрою слід виймати
об'єднання (HVBG). Зрідженими газами
Європейського
ключ.
співтовариства. . . . . . . . . . UK . 15
(газоподібним паливом) є бутан, пропан
Не можна залишати пристрій без
Гарантія . . . . . . . . . . . . . . . UK . 15
або суміш бутану та пропану. Вони
нагляду під час роботи мотора.
постачаються в спеціальних балонах.
Аксесуари . . . . . . . . . . . . . UK . 15
Обслуговуючому персоналу
Робочий тиск цих газів залежить від
дозволяється залишати пристрій
температури довкілля.
Правила безпеки
тільки після того, як двигун буде
Небезпечно
зупинено, пристрій захищений від
Загальні вказівки
Небезпека вибуху! Зріджені гази
випадкового переміщення і ключ
вимагають іншого поводження чим
вийнятий.
Якщо при розпакуванні були виявлені
бензин. Бензин випаровується
пошкодження від транспортування,
Приладдя й запасні деталі
повільно, зріджений газ відразу
негайно сповістіть про це магазин, де ви
Обережно!
переходить в газоподібну форму. Тому
купили прилад.
Щоб уникнути небезпеки, ремонт і
небезпека виникнення загазованості
– Нанесені на пристрій
установку запасних деталей повинні
приміщень і займання для зріджених
попереджувальні знаки та таблички
виконувати тільки авторизовані
газів набагато вища, ніж для бензину.
дають важливі вказівки для
сервісні центри.
Небезпечно
безпечної експлуатації пристрою.
– При цьому будуть використовуватись
Небезпека травмування! Дозволяється
– Разом із вказівками в цій інструкції
лише ті комплектуючі та запасні
використовувати тільки газові балони,
для експлуатації слід враховувати
частини, що надаються виробником.
наповнені газовим паливом відповідно
загальні правила техніки безпеки та
Оригінальні комплектуючі та запасні
до DIN 51622 якості А або В.
норми для попередження нещасних
частини замовляються по гарантії,
випадків законодавчих органів.
Увага!
щоб можна було безпечно та без
Використовувати побутовий газ
Режим руху
перешкод використовувати пристрій.
суворо заборонено. Для газових
Обережно!
– Асортимент запасних частин, що
двигунів дозволяється
часто необхідні, можна знайти в кінці
Небезпека травмування!
використовувати лише суміші
інструкції по експлуатації.
Небезпека перекидання приладу на
зріджених газів, що складаються з
– Подальша інформація по запасним
занадто крутих схилах.
пропану/бутану в співвідношенні 90/10 -
частинам є на сайті
– У напрямку руху допускається їзда
30/70. Для кращого запуску при низьких
www.kaercher.com в розділі Сервіс.
апарата по схилах до 18%.
температурах, нижче 0 °C (32 °F),
Небезпека перекидання при швидкій їзді
Символи на пристрої
рекомендується використовувати
на поворотах.
зріджений газ з вищим вмістом
– На поворотах слід сповільнювати
Забороняється збирати
пропану, оскільки його випар
швидкість руху.
палаючі або тліючі
відбувається також при низьких
Небезпека перекидання на
предмети, наприклад,
температурах.
нестабільному ґрунті.
цигарки, сірники та ін.
Обов'язки керівництва та працедавців
– Дозволяється переміщати прилад
– Для безпечної експлуатації весь
тільки на міцній підставці.
персонал, що працює із зрідженим
Небезпека перекидання приладу при
газом, повинен володіти достатніми
великому бічному крені.
знаннями відносно властивостей
364 UK
- 1

зріджених газів. Ця брошура повинна
користуватися ударним
У гаражних та складських
завжди знаходитися на машині, що
інструментом як допоміжний засіб.
приміщеннях, а також в ремонтних
підмітає.
– При займанні зрідженого газу для
майстернях
гасіння дозволяється
Здійснення технічного
– Зберігання балонів з газоподібним
використовувати тільки вогнегасники
обслуговування фахівцями
паливом та зрідженим газом слід
з сухим або газоподібним
– Працездатність та герметичність
виконувати відповідно до вимог TRF
вуглекислим газом.
установок, що працюють на
1996 (Технічні правила відносно
газоподібному паливі, повинні
– Слід перевіряти надійність, особливо
зріджених газів, див. DA до BGV D34,
регулярно, але не рідше ніж раз на
герметичність всієї установки, що
Додаток 4).
рік перевірятися фахівцями (згідно
працює на зрідженому газі.
– Газові балони повинні зберігатися у
BGG 936).
Забороняється використовувати
вертикальному положенні.
транспортні засоби з
– Перевірка повинна мати письмове
Заборонено поводитися з відритим
негерметичними газовими
підтвердження. Підставою для
вогнем або палити в місці зберігання
системами.
перевірки є § 33 та § 37 UVV
ємкостей і при проведенні ремонтних
(Правила техніки безпеки)
– Перед від'єднанням труб і шлангів
робіт. Для балонів, що зберігаються
"Використання зріджених газів" (BGV
слід закрити вентиль балона.
на відритому повітрі, слід
D34).
Контактну гайку на балоні слід
передбачати обгороджування. Слід
відкручувати повільно і спочатку
– Як загальні норми діють
завжди закривати порожні балони.
лише трохи, інакше може статися
розпорядження відносно перевірки
– Головні замкові клапани та вентилі
різкий викид газу, який знаходився в
транспортних засобів, двигуни яких
балонів слід закривати відразу після
системі під тиском.
працюю на зріджених газах,
припинення робіт з транспортним
Федерального міністерства
– При заправці газом з великої ємкості
засобом.
транспорту.
слід отримати відомості про
– Відносно місця розташування і
спеціальні норми відносно збуту
характеристик гаражних приміщень
Введення в експлуатацію /
великих об'ємів зрідженого газу.
для транспортних засобів, що
Експлуатація
Обережно!
працюють на зрідженому газі, діють
– Забір газу повинне завжди робитися
Небезпека травмування!
положення Райхсгаражеорднунг
тільки з одного балона. При заборі
– Зріджений газ в рідкій формі
(Reichsgaragenordnung - норми
газу одночасно з декількох балонів
викликає відмороження шкіри.
відносно гаражів) та відповідні
може відбуватися перетікання
– Після зняття балона слід міцно
земельні будівельні правила.
зрідженого газу з одного балона в
іншій. Внаслідок цього переповнений
закрутити глуху гайку на
– Зберігати газові балони слід в
з’єднальному різьбленні балона.
особливих приміщеннях, окремих від
балон після закриття вентиля (див. 1
– Для випробування на
гаражних приміщень (див. DA до BGV
цього керівництва) може виявитися
D34, додаток 2).
під надмірним тиском.
герметичність слід
використовувати мильну воду,
– Електричні ручні лампи, що
– Правильне положення при
встановленні повного балона
розчин некалу (Nekal) або інші
використовуються в приміщеннях,
повинні мати закритий, герметичний
визначається по відмітці "oben"
пінотворні засоби. Заборонено
ковпак з міцною захисною сіткою.
("наверх") (різьбове з'єднання для
використовувати відритий вогонь
підключення направлене
для підсвічування на установках, що
– При проведенні робіт в ремонтних
вертикально наверх).
працюють на зрідженому газі.
майстернях слід закривати вентилі
балонів і головні замкові клапани, а
Заміну газових балонів слід проводити з
– При заміні окремих компонентів
установки слід дотримуватись
також захищати балони з
особливою ретельністю. При
встановленні та знятті випускний
вказівок виробника відносно
газоподібним паливом від дії тепла.
патрубок вентиля балона має бути
монтажу. При цьому необхідно
– Перед паузами в роботі або по
закритий глухою гайкою, затягнутою
закрити вентилі балонів і головні
закінченню роботи відповідальна
ключем.
замкові клапани.
особа повинна перевірити, чи закриті
– Не можна використовувати
– Слід вести постійний контроль над
всі вентилі, в першу чергу вентилі
негерметичні газові балони. З них
станом електричної системи
балонів. Забороняється проводити
слід спустити газ на відкритому
транспортного засобу, що працює
роботи з вогнем, особливо
повітрі з дотриманням всіх
на зрідженому газі. При
зварювальні та різальні роботи
запобіжних засобів, і після цього
негерметичності газопровідних
поблизу від балонів з газоподібним
зробити на них маркування, що
компонентів установки іскри
паливом. У майстернях
свідчить про їх негерметичність. При
можуть викликати вибухи.
забороняється зберігати балони з
доставці або вивозі пошкоджених
– Після тривалого простою
газоподібним паливом, навіть якщо
газових балонів особа, що здає
транспортного засобу, що працює
вони порожні.
балони на прокат або його
на зрідженому газі, гараж, в якому
– Гаражні, складські приміщення, а
представник (заправник, тощо)
проводитиметься введення в
також приміщення ремонтних
повинні отримати письмове
експлуатацію транспортного
майстерень повинні мати достатню
повідомлення про існуючі
засобу або його електричних
вентиляцію. При цьому слід
пошкодження.
частин слід ретельно провітрити.
враховувати, що зріджені гази важчі
– Перед підключенням газових балонів
– Про нещасні випадки, пов'язані з
за повітря. Вони збираються біля
слід перевірити належний стан
газовими балонами або
підлоги, в ремонтних ямах та інших
приєднувального штуцера.
установками, що працюють на
поглибленнях підлоги і можуть
– Після під'єднування балона він має
зрідженому газі, слід негайно
утворювати вибухонебезпечні
повітряне-газові суміші.
бути перевірений на герметичність за
повідомляти в профспілку і в
допомогою пінотворного засобу.
компетентний орган нагляду.
– Вентилі слід відкривати повільно.
Пошкоджені деталі слід зберігати
При відкритті та закритті не можна
до закінчення розслідування.
- 2
365UK

Призначення Правильне застосування
Захист навколишнього
середовища
Використовуйте цю підмітальну машину
тільки згідно з інструкцією по
експлуатації.
Матеріали упаковки
Перед використанням перевірте
піддаються переробці для
належний стан та безпеку пристрою
повторного використання.
та обладнання. Якщо обладнання
Будь ласка, не викидайте
знаходиться у небездоганному стані,
пакувальні матеріали разом
його не можна використовувати.
із домашнім сміттям,
– Ця сміттєзбиральна машина
віддайте їх для на переробку.
призначена для підмітання
забруднених поверхонь у приміщенні
Старі пристрої містять цінні
Машина, що підмітає, працює за
й на вулиці.
матеріали, що можуть
принципом накидання.
використовуватися
– Не допускається застосування
– Бічна щітка (3) підмітає кути й краї
повторно. Батареї, мастило
пристрою у суспільному вуличному
поверхні, що підмітаються, і
та схожі матеріали не
русі.
доставляє сміття в зону роботи вала,
повинні потрапити у
– Забороняється експлуатація
що підмітає.
навколишнє середовище.
пристрою для збору шкідливого для
– Обертовий вал, що підмітає (4)
Тому, будь ласка, утилізуйте
здоров'я пилу.
направляє сміття прямо в резервуар
старі пристрої за допомогою
– Забороняється вносити зміни в
для збору сміття.
спеціальних систем збору
прилад.
– Пил, піднятий у резервуарі,
сміття.
– Забороняється підбирання/
відділяється пиловим фільтром (2), а
всмоктування вибухонебезпечних
Інструкції із застосування
відфільтроване чисте повітря
рідин, горючих газів, а також
компонентів (REACH)
висмоктується усмоктувальним
нерозведених кислот та розчинників!
Актуальні відомості про компоненти
вентилятором (1).
Це стосується бензину,
наведені на веб-вузлі за адресою:
розріджувачів фарби та мазуту, які
www.kaercher.com/REACH
можуть створювати
вибухонебезпечні гази або суміші,
змішуючись зі всмоктуваним
повітрям, а також ацетону,
нерозведених кислот та розчинників,
оскільки вони пошкоджують
матеріали пристрою.
– Не допускати підмітання/
всмоктування палаючих або тліючих
предметів.
– Пристрій призначений тільки для
роботи на поверхнях, зазначених у
даному посібнику з експлуатації.
– Прилад може пересуватися тільки по
поверхнях, допущених для
використання підмітальних машин
керівництвом підприємства або їхнім
представником.
– Забороняється його зберігання у
небезпечних місцях. Заборонено
використовувати пристрій у
вибухонебезпечних приміщеннях.
– Як загальне правило діє наступне: не
допускати зіткнення приладу з
легкозаймистими речовинами
(небезпека вибуху/пожежі).
Підходящі поверхні
– Асфальт
– Промислові підлоги
– Суцільна (наливна) підлога
– Бетон
– Брущатка
– Килим
366 UK
- 3

Елементи управління і функціональні вузли
1 Пиловий фільтр
Відкрити кришку пристрою за
Панель управління
2 Змінний елемент повітряного
передбачене для цього заглиблення
фільтра
для ручок (потягнути вгору).
3 Свіча запалювання
4 Покажчик рівня мастила
5 Газовий балон (тільки для KM 100/
100 R LPG)
6 Кришка пристрою
7 Ємність для збору сміття (з обох
боків)
8 Важіль регулювання сидіння
9 Вал, що підмітає
1 Перемикач програм
10 Педаль підйому/опускання клапана
2 Очистка фільтра
для великих часток бруду
Витягти штангу з тримача.
3 Сигнал
11 Бічна щітка
4 Лічильник робочих годин
12 Акселератор
13 Фронтальна обшивка
Кольорове маркування
14 Дросель (холодний запуск)
– Органи управління для процесу
15 Замок запалювання
чищення є жовтими.
16
Кермове колесо
– Органи управління для технічного
17 Клапан для чищення в сухому/
обслуговування та сервісу є світло-
вологому режимі
сірими.
18 Сидіння (з контактним перемикачем
сидіння)
Закрити/відкрити кришку
пристрою
Вставити штангу в кріплення на
всмоктувальному вентиляторі.
Обережно!
Для закриття кришки приладу,
Небезпека защемлення при закритті
витягти штангу із кріплення та
кришки пристрою. Тому повільно
зафіксувати в тримачі кришки
опускайте кришку пристрою.
приладу.
- 4
367UK

Вказівка
Перед початком роботи
Пересування підмітальної
Під'єднування має лівобічне різьблення.
машини з власним приводом
Вивантаження приладу
몇 Попередження
Вставити важіль вільного ходу в
Вентиль для відбору газу (3) слід
Обережно!
нижній отвір.
відкривати тільки перед запуском
Небезпека отримання травм та
Привод приладу готовий до роботи.
пристрою (див. главу "Запуск
ушкоджень! Для вивантаження
Закрити кришку пристрою.
пристрою").
пристрою не допускається
Пристрій готовий до застосування.
використання навантажувачів.
Для вивантаження приладу слід
Введення в експлуатацію
몇 Попередження
виконати наступне:
Небезпека унаслідок наявності газу, що
Розрізати пакувальну стрічку з
Загальні вказівки
виходить. Газовий шланг
поліетилену і зняти упаковку.
Встановити машину, що підмітає, на
розташувати / зафіксувати так, щоб
Зняти кріплення стяжними хомутами
рівній поверхні.
він не виступав над пристроєм і під час
в точках кріплення.
Витягти ключ.
руху не порвався.
Чотири відповідні донні дошки
піддона закріплені гвинтами.
Встановлення/заміна газового
Заправлення (тільки для KM 100/
Відгвинтити ці дошки.
балона (тільки для KM 100/100 R
100 R P)
Покласти дошки на край піддону.
LPG)
Заправити прилад
Дошки вирівняти так, щоб вони
лежали перед колесами приладу.
몇 Попередження
Обережно!
Закріпити дошки шурупами.
Використовувати слід тільки змінні 11-
Небезпека вибуху!
кілограмові балоні з перевіреною
– Необхідно використовувати лише
конструкцією.
той тип пального, що зазначений у
Обережно!
інструкції з експлуатації.
Небезпека травмування!
– Забороняється заправка машини в
– Дотримуйте розпорядження щодо
закритих приміщеннях.
техніці безпеки для транспортних
– Забороняється паління й
засобів, що працюють на
розведення відкритого вогню.
зрідженому газі.
– Стежте за тим, щоб паливо не
– Сліди корозії та жовті пористі
попадало на гарячі поверхні.
відкладення на балоні вказують на
Вимкнути двигун.
наявність нещільності.
Для підпірки підкласти під рампу
Відкрити та зафіксувати кришку
балки, що перебувають в упакуванні.
– Виконувати заміну балонів можуть
приладу.
лише особи, які пройшли відповідний
Видалити дерев’яні бруски для
інструктаж.
фіксації коліс і пересунути під рампу.
– Забороняється виконувати заміну
Пересування підмітальної
балонів з газоподібним паливом в
машини без власного привода
гаражах та в підвальних
приміщеннях.
– Заборонено використовувати
джерела відритого світла і палити
під час заміни балонів.
– При заміні балона слід міцно
закрити замковий вентиль газового
Перевірити ємність палива по
балона і відразу ж надіти захисний
індикатору рівня пального.
ковпачок на порожній балон.
Відкрити кришку бака.
KM 100/100 R P: Залити
1
неетилований бензин "Normal".
Обережно!
Заповнити бак до рівня 1 см від
нижнього краю заливного патрубка.
Небезпека травмування! Перед
2
Витерти паливо, що пролилося,
включенням вільного ходу слід вжити
витягнути лійку й закрити кришку
заходів проти довільного скочування
3
бака.
пристрою.
Відкрити та зафіксувати кришку
Закрити кришку пристрою.
приладу.
Вставити важіль вільного ходу в
Експлуатація
Встановити балон так, щоб різьбове
верхній отвір.
з'єднання для підключення було
Привод руху, таким чином, відключений.
Настроїти положення сидіння
направлене вертикально наверх.
Закрити кришку пристрою.
водія
Закрити затвор з хомутиком.
Пристрій можна зміщувати.
Вставити запобіжний шплінт.
Засунути всередину важіль
Вказівка
Зніміть захисний ковпачок (1) з
регулювання сидіння.
Не допускається пересувати
приєднувального вентиля газового
Пересунути сидіння, відпустити
підмітальну машину на великі відстані
балона.
важіль і дати йому зафіксуватися.
або швидше 6 км/г.
Прикрутити газовий шланг за
Переміщенням сидіння вперед/назад
допомогою накидної гайки (2) (розмір
перевірити його фіксацію.
ключа 30 мм).
368 UK
- 5

Тільки для KM 100/100 R P
– За допомогою педалей руху можливе
Вибрати програму
безступінчасте регулювання
швидкості руху.
– Варто уникати різкого натискання на
педалі, тому що у цьому випадку
гідравлічна система може бути
пошкоджена.
– При падінні потужності під час
подолання підйому слід зменшити
натискання на ходову педаль.
Гальмування
Натиснути на дросельний важіль
При відпусканні педалі ходу, пристрій
1 Рух
вниз. Після того як мотор запрацює,
самостійно гальмує і зупиняється.
Під'їхати до місця роботи.
знову пересунути наверх дросельний
Подолання перешкод
2 Підмітання підмитаючим валом
важіль.
Подолання нерухомих перешкод
Вал, що підмітає, опускається
Тільки для KM 100/100 R LPG
висотою до 50 мм:
Циліндрична та бічна підмітальна
Натиснути дистанційну кнопку, коли
Перешкоди слід проходити
щітка обертаються.
двигун запрацює, дистанційну кнопку
обережно, рухаючись вперед на
3 Підмітання з використанням бічних
відпустити.
повільній швидкості.
щіток
Повернути ключ запалювання через
Подолання нерухомих перешкод
Вал, що підмітає, і бічні щітки
положення 1.
висотою більше 50 мм:
опускаються.
Після того як прилад запрацює,
Подібні перешкоди слід проходити
відпустити ключ запалювання.
тільки з використанням підходящої
Запустити пристрій
Вказівка
рампи.
Вказівка
Не натискати на стартер більше 10
Підмітання
Пристрій оснащений контактним
секунд. Перед повторним включенням
перемикачем сидіння. При залишенні
стартера почекати принаймі 10
Обережно!
сидіння водія пристрій вимикається, а
секунд.
Небезпека травмування! При
стоянкові гальма вмикаються
відкритому клапані для великих часток
Пересування на приладі
автоматично.
бруду вал, що підмітає, може відкидати
Обережно!
Відкрити паливний кран (тільки для
вперед камені й щебені. Не наражати
KM 100/100 R P)
Небезпека перекидання! Під час руху не
на небезпеку людей, тварин або
Відкрити та зафіксувати кришку
вставати.
предмети.
приладу.
Їхати вперед
Увага!
Не допускати влучення в машину
пакувальних стрічок, дроту й таке
інше., тому що це може привести до
ушкодження механізму, що підмітає.
Увага!
Щоб уникнути ушкодження грунту,
підмітальна машина не повинна
працювати, стоячи на одному місці.
Вказівка: Для досягнення оптимального
результату роботи необхідно розміряти
Перемістити важіль на "ON".
Плавно нажати вперед ходову
швидкість руху з місцевими умовами.
Закрити кришку пристрою.
педаль.
Вказівка: Під час роботи слід регулярно
видаляти вміст із резервуара для збору
Відкрити подачу газу (тільки для KM
Їхати назад
сміття.
100/100 R LPG)
Обережно!
Вказівка: При підмітанні поверхонь
Небезпека травмування! При русі назад
варто опускати тільки вал, що підмітає.
небезпека не загрожує третім особам,
Вказівка: При чищенні країв слід
якщо буде потреба, проінструктувати
додатково опускати бічні щітки.
їх.
Підмітання підмитаючим валом
Переставити перемикач програм на
ступінь 2. Підмітальний вал
опускається Циліндрична та бічна
підмітальна щітки обертаються.
Підмітання з піднятою заслінкою для
великих часток бруду
Відкрити кран для відбору газу
Вказівка: Для замітання великих
шляхом обертання проти
предметів висотою до 60 мм, наприклад,
годинникової стрілки.
банок для напоїв, необхідно ненадовго
Запустити пристрій
підняти заслінку для великих часток
Зайняти місце на сидінні оператора.
Плавно нажати назад ходову педаль.
бруду.
НЕ натискати педалі руху.
Вказівка
Підйом заслінки для великих часток
Переставити перемикач програм на
Характер руху
бруду:
ступiнь 1 (рух).
- 6
369UK

Нажати вперед педаль клапана для
Вказівка:Дотримуватися маркування
Вимкнути пристрій
великих часток бруду й тримати її в
для зон кріплення на рамі підмітальної
натиснутому положенні.
Переставити перемикач програм на
машини (символи ланцюгів). Для
Для опускання клапана варто
ступiнь 1 (рух). Бічні щітки й вал, що
навантаження/вивантаження пристрій
відпустити педаль.
підмітає, піднімаються.
може пересуватися тільки на схилах
Вказівка: Оптимальна якість збирання
Ключ запалювання повернути в
макс. до 18%
забезпечується тільки при повністю
позицію "0" і витягнути його.
Тільки для KM 100/100 R P
опущеній заслінці для великих часток
Вказівка: Після вимкнення пристрою
Закрити паливний кран.
бруду.
протягом прибл. 15 сек. відбувається
Спорожнити паливний бак.
автоматичне чищення фільтра пилу. У
Тільки для KM 100/100 R LPG
Підмітання з використанням бічних
цей час не відкривати кришки пристрою.
Закрити кран для відбору газу
щіток
Вказівка: Пристрій оснащений
шляхом обертання за годинниковою
Переставити перемикач програм на
автоматичним стоянковим гальмом, що
стрілкою.
ступiнь 3. Бічні щітки, а також вал, що
активізується після зупинки мотора й при
підмітає, опускаються.
Зняти газовий балон і зберігати
залишенні сидінь.
згідно з діючими розпорядженнями.
Вказівка: Вал, що підмітає, і бічні щітки
Тільки для KM 100/100 R P
вимикаються автоматично.
Зберігання
Підмітання сухої підлоги
Обережно!
Вказівка: Під час роботи слід регулярно
Небезпека отримання травм та
видаляти вміст із резервуара для збору
ушкоджень! При зберіганні звернути
сміття.
увагу на вагу пристрою.
Вказівка: Під час роботи слід регулярно
очищати фільтр для пилу.
Зберігання
Якщо машина, що підмітає не
використовується протягом тривалого
часу, слід дотримуватися наступних
Закрити клапан для чищення в
Закрити паливний кран.
вказівок:
сухому/вологому режимі.
Тільки для KM 100/100 R LPG
Встановити машину, що підмітає, на
Підмітання волокнистого й сухого
рівній поверхні.
сміття (наприклад, сухої трави,
Переставити перемикач програм на
соломи)
ступiнь 1 (рух). Щоб уникнути
Відкрити клапан для чищення в
ушкодження щетини, підняти вал,
сухому/вологому режимі.
що підмітає, і бічні щітки.
Вказівка: У такий спосіб можна уникнути
Ключ запалювання повернути в
засмічування системи фільтрів.
позицію "0" і витягнути його.
Підмітання вологої або мокрої підлоги
Вжити заходів проти мимовільного
Відкрити клапан для чищення в
скочування машини, що підмітає.
сухому/вологому режимі.
Почистити машину, що підмітає
Закрити кран для відбору газу
Вказівка: У такий спосіб фільтр буде
зсередини й зовні.
шляхом обертання за годинниковою
захищено від вологи.
Поставити прилад у захищеному і
стрілкою.
Чистка фільтру
сухому місці.
– Увімкнути ручне очищення фільтра:
Транспортування
Тільки для KM 100/100 R P
Повністю заправити паливний бак і
Обережно!
закрити паливний кран.
Небезпека отримання травм та
Тільки для KM 100/100 R LPG
ушкоджень! При транспортуванні слід
Закрити кран для відбору газу
Натиснути кнопку очищення фільтра.
звернути увагу на вагу пристрою.
шляхом обертання за годинниковою
Фільтр очищається протягом 15
Ключ запалювання повернути в
стрілкою.
секунд.
позицію "0" і витягнути його.
Зняти газовий балон і зберігати
Зафіксувати апарат, підклавши під
Спорожнити резервуар для
згідно з діючими розпорядженнями.
його колеса клини.
сміття
Усі варіанти двигунів:
Закріпити апарат натяжними
Замінити моторне мастило.
Вказівка: Перед тим, як відкривати й
ременями або канатами.
Викрутити свічу запалювання й
спорожняти резервуар для збору сміття,
При перевезенні апарату в
додати прибл. 3 см³ мастила в отвір
слід зачекати, доки не завершиться
транспортних засобах слід
свічі запалювання. Кілька разів
чищення фільтра, а пил осяде.
враховувати місцеві діючі державні
провернути двигун без свічки
Злегка підняти ємність для збору
норми, направлені на захист від
запалювання. Закрутити свічу
сміття й вийняти її.
ковзання та перекидання.
запалювання.
Спорожнити резервуар для збору
Від'єднати клеми акумуляторної
сміття.
батареї.
Вставте й заклацнути ємність для
Акумулятор слід заряджати прибл.
збору сміття.
кожні два місяці.
Спорожнити протилежну ємність для
збору сміття.
370 UK
- 7

Догляд та технічне
Періодичність технічного
Профілактичні роботи
обслуговування
обслуговування
Підготовка:
Вказівка: Лічильник робочих годин
Встановити машину, що підмітає, на
Загальні вказівки
повідомляє про момент проведення
рівній поверхні.
обслуговування.
Ключ запалювання повернути в
Перед очищенням і проведенням
позицію "0" і витягнути його з замка.
технічного обслуговування
Технічне обслуговування, що
пристрою, заміною деталей або
здійснюється клієнтом
Загальні вказівки щодо безпеки
настроювання на інші функції,
Щоденне технічне обслуговування:
Обережно!
пристрій слід виключити, ключ
Перевірити вал, що підмітає і бічні
Небезпека травмування!
вийняти, та витягти акумуляторний
щітки на зношування й наявність
Після виключення двигун пристрою
штекер або від'єднати акумулятор.
стрічок, що намоталися.
чищення фільтра обертається ще 15
При проведенні обслуговування
Перевірити тиск у шинах.
секунд по інерції. У цей час не
електричної системи слід від'єднати
Перевірити стан всіх елементів
відкривати кришку пристрою.
штекер або клеми акумулятора.
управління.
Обережно!
– Ремонтні роботи можуть
Щотижневе технічне обслуговування:
Небезпека травмування! Перед
проводитися лише авторизованими
Перевірити легкість ходу тросів
проведенням будь-яких робіт з
сервісними службами або
Боудена та рухливих частин.
технічного та профілактичного
спеціалістами у цій сфері, які
Перевірити установку й зношування
обслуговування машина повинна
ознайомлені з усіма важливими
ущільнювальних планок у зоні
охолонути.
правилами техніки безпеки.
підмітання
– Пристрої, що використовуються
Перевірити газовий фільтр (тільки
Перевірити фільтр пилу й при
комерційно у відповідності до
для KM 100/100 R LPG)
необхідності очистити коробки
місцевих вимог, підлягають
фільтра.
проведенню перевірки з техніки
Перевірити вакуумну систему.
безпеки згідно VDE 0701.
Кожні 100 годин роботи:
Перевірити функціонування системи
– Використовуйте тільки вал, що
контактного вимикача сидіння.
підмітає/бічні щітки, установлені на
Перевірити натяг, зношеність і
пристрої або зазначені в посібнику з
справність приводних ременів
експлуатації. Використання інших
(клиновидного ременя і круглого
валів/щіток небезпечно.
ременя).
Чищення
Технічне обслуговування частин, що
зношуються:
Перевірити забрудненість газового
Увага!
Замініть ущільнювальні планки.
фільтру в різьбовому з'єднанні на
Небезпека ушкодження! Не
газовому балоні.
Замініть вал, що підмітає.
дозволяється чистити пристрій з
Продути забруднений фільтр
Замініть бічні щітки.
водяного шланга або струменем води
стислим повітрям.
Вказівка: Докладніше див. розділ
під високим тиском (небезпека
"Технічне обслуговування".
Перевірити газопроводи (тільки для
короткого замикання та інших
Вказівка: Всі роботи з технічного
KM 100/100 R LPG)
пошкоджень).
обслуговування з боку клієнта повинні
Газові під'єднування, трубо- та
Чищення апарата зсередини
проводитися кваліфікованим фахівцем.
шлангопроводи, а також випарник
Обережно!
В разі потреби в будь-який момент
слід перевірити на щільність за
Небезпека травмування! Одягайте
можна звернутися по допомогу в
допомогою спеціального спрея для
захисну маску проти пилу і захисні
спеціалізовану торговельну організацію
пошуку негерметичностей.
окуляри.
фірми Kärcher.
Вказівка
Відкрити кришку приладу,
Технічне обслуговування, що
За наявності нещільності на газових
встановити штангу.
здійснюється службою
під'єднуваннях, трубо- і
Протерти апарат ганчіркою.
обслуговування споживачів
шлангопроводах, а також випарнику
Обдути апарат повітрям під тиском.
Обслуговування через 8 годин роботи:
виявляються сліди корозії і жовті
Закрити кришку пристрою.
Зробити первинну інспекцію.
пористі відкладення При
Вказівка: Пиловий фільтр можливо
Обслуговування через 20 годин роботи:
обслуговуванні газової системи
промити водою. Перед новим
Кожні 100 годин роботи
звертайтеся в авторизовану сервісну
застосуванням фільтр необхідно
Кожні 300 годин роботи
службу Kärcher.
повністю висушити.
Кожні 500 годин роботи
Перевірити тиск у шинах
Кожні 1000 годин роботи
Чищення апарата зовні
Встановити машину, що підмітає, на
Кожні 1500 годин роботи
Очистити апарат, використовуючи
рівній поверхні.
Вказівка: Для збереження права на
для цього вологу ганчірку, просочену
Підключити до вентиля шини
гарантійне обслуговування всі роботи з
слабким лужним розчином.
пристрій для перевірки тиску в
технічного й профілактичного
Вказівка: Забороняється використання
шинах.
обслуговування протягом гарантійного
агресивних мийних засобів.
Перевірити тиск у шинах, при
періоду повинні проводитися
необхідності, відкоригувати тиск.
вповноваженою сервісною службою
Тиск у шинах задніх коліс повинен
фірми Kärcher відповідно до брошури по
становити 6 бар.
технічному обслуговуванню
- 8
371UK

– Якщо ж бічна щітка або підмітальний
Заміна коліс
Перевірити вал, що підмітає
вал ще не опускається, то вакуумна
Обережно!
Встановити машину, що підмітає, на
система є негерметичною. В цьому
рівній поверхні.
Небезпека травмування!
випадку слід звернутися до служби
Встановити машину, що підмітає, на
Переставити перемикач програм на
сервісного обслуговування
рівній поверхні.
ступiнь 1 (рух). Вал, що підмітає,
піднімається.
Витягти ключ.
Пусковий перемикач повернути в
Під час ремонту підмітальної машини
позицію "0" та витягти його з замка.
на дорозі в зоні транспортного руху
(небезпечній зоні) слід носити
Заблокувати пристрій клином, щоб
спеціальний попереджувальний
уникнути мимовільного кочення.
одяг.
Злегка підняти з обох сторін ємність
Перевірити стабільність ґрунту.
для збору сміття й вийняти її.
Закріпити прилад для запобігання
Видалити з вала, що підмітає, стрічки
мимовільного скочування, підклавши
й мотузки, що намоталися.
під нього клин.
Заміна вала, що підмітає
Підключення шлангів до мембранного
Перевірка шин
Заміна стає необхідної, якщо внаслідок
механізму вакуумного регулятора
Перевірити протектор шини на
зношування щіток якість підмітання
системи опускання бічної щітки.
наявність в ньому сторонніх
помітно погіршується.
предметів.
Встановити машину, що підмітає, на
Видалити сторонні предмети.
рівній поверхні.
Використовуати підходящий
Переставити перемикач програм на
стандартний засіб для ремонту шин.
ступiнь 1 (рух). Вал, що підмітає,
Вказівка:Дотримуватись рекомендацій
піднімається.
відповідного виробника. Подальший рух
Пусковий перемикач повернути в
можливий лише з дотриманням вказівок
позицію "0" та витягти його з замка.
виробника. При першій можливісті
Заблокувати пристрій клином, щоб
провести заміну шини або колеса.
уникнути мимовільного кочення.
Злегка підняти на відповідному місці
Злегка підняти з обох сторін ємність
ємність для збору сміття й вийняти її.
Підключення шланга до мембранного
для збору сміття й вийняти її.
Послабити болт колеса.
механізму вакуумного регулятора
Використати домкрат.
системи опускання підмітального
вала.
Послабити передній кріпильний
гвинт правої бічної панелі.
Точка підйому для домкрату (задні
Підключення шлангів до вакуумного
колеса)
насосу та до мембранного механізму
Підняти пристрій за допомогою
вакуумного регулятора (ресивер)
домкрата.
Вказівка: Вакуумний насос працює
Вийняти болт колеса.
лише тоді, коли в системі утворюється
Зняти колесо.
вакуум. Якщо насос постійно працює,
Встановити запасне колесо.
необхідно звернутися до служби
Загвинтити болт колеса.
сервісного обслуговування.
Опустити пристрій за допомогою
Заміна бічних щіток
домкрата.
Встановити машину, що підмітає, на
Затягти болт колеса.
Послабити задній кріпильний гвинт
рівній поверхні.
Вставте й заклацнути ємність для
правої бічної панелі.
Переставити перемикач програм на
збору сміття.
Зняти бічну панель.
ступiнь 1 (рух). Бічні щітки
Вказівка: Використовувати підходящий
піднімуться.
стандартний домкрат.
Пусковий перемикач повернути в
Перевірити вакуумну систему.
позицію "0" та витягти його з замка.
– Ввімкнення системи підмітання
Послабити 3 кріпильних гвинти на
здійснюється за допомогою
нижній стороні.
вакуумної системи.
Зняти зношену бічну щітку.
– Якщо бічна щітка або підмітальний
Надягти нову бічну щітку на
вал не опускається, слід перевірити
загарбний пристрій і міцно затягти.
мембранний механізм вакуумного
регулятора на наявність належного
підключення шлангопроводів, при
Послабити гвинти.
необхідності підключити відповідний
шланг.
372 UK
- 9

Прикріпити нову ущільнювальну
Перевірити профіль підмітання для
планку, не затягуючи поки гайки.
вала, що підмітає
Переставити перемикач програм на
ступiнь 1 (рух). Вал, що підмітає, і
бічні щітки піднімаються
Поставити машину, що підмітає, на
рівну гладку підлогу, покриту
видимим шаром пилу або мела.
Переставити перемикач програм на
ступінь 2. Підмітальний вал
Вигвинтити гвинт в центрі обертання
опускається. Плавно натиснути на
балансира підмітального вала.
педаль руху та ненадовго розгорнути
підмітальний вал.
Відкоригувати ущільнювальну
Підняти вал, що підмітає.
планку.
Нажати на педаль для підйому
Відрегулювати висоту
клапана для великих часток бруду й
ущільнювальної планки над
тримати педаль натиснутою.
поверхнею землі таким чином, щоб
Дати пристрою задній хід.
вона опускалася з рухом по інерції
35-40 мм назад.
Затягти гайки.
Задня ущільнювальна планка
Зняти балансир підмітального вала.
Профіль підмітання має вигляд
рівномірного прямокутника шириною від
50 до 70 мм.
Вказівка:Завдяки плаваючому
Відрегулювати висоту
кріпленню вала, що підмітає, рівень
ущільнювальної планки над
профілю підмітання коректується
поверхнею землі таким чином, щоб
Зняти заслінку підмітального вала.
автоматично в міру зношування щетини.
вона опускалася з рухом по інерції 5-
Витягнути вал, що підмітає.
При занадто сильному зношуванні вал,
10 мм назад.
що підмітає, слід замінити.
При зношуванні планку необхідно
Установка й заміна ущільнювальних
замінити.
планок
Вийняти вал, що підмітає.
Встановити машину, що підмітає, на
рівній поверхні.
Переставити перемикач програм на
ступiнь 1 (рух). Вал, що підмітає,
піднімається.
Пусковий перемикач повернути в
позицію "0" та витягти його з замка.
Розташування вала, що підмітає при
Заблокувати пристрій клином, щоб
установці по напрямку руху
уникнути мимовільного кочення.
Помістити новий вал, що підмітає, у
Злегка підняти з обох сторін ємність
коробку вала, що підмітає, і надягти
для збору сміття й вийняти її.
його на цапфу приводу.
Відгвинтити кріпильні гайки задньої
Послабити кріпильні гвинти бічних
ущільнювальної планки.
Вказівка: При установці нового вала, що
панелей по обидві сторони.
підмітає, звернути увагу на положення
Установити нову ущільнювальну
Зняти бічні панелі.
щетини
планку.
Передня ущільнювальна планка
Вказівка: Відрегулювати трос Боудена
Бічні ущільнювальні планки
таким чином, щоб підмітальний вал був
піднятий над поверхнею землі
приблизно на 10 мм.
Встановити заслінку вала, що
підмітає.
Встановити балансир підмітального
вала.
Укласти трос Боудена.
Загвинтити кріпильні гвинти.
Закріпити бічну панель.
Вставити й заклацнути сміттєві баки
Трохи послабити кріпильні гайки
Трохи послабити кріпильні гайки
по обидві сторони.
бічної ущільнювальної планки, для
передньої ущільнювальної планки,
заміни - вигвинтити.
для заміни - вигвинтити.
- 10
373UK

Прикріпити нову ущільнювальну
Заміна прокладки фільтрувальної
Замінити запобіжники
планку, не затягуючи поки гайки.
коробки
Для настроювання відстані до
підлоги використовувати підкладки
товщиною 1 - 2 мм.
Відкоригувати ущільнювальну
планку.
Затягти гайки.
Закріпити бічні панелі.
Вставити й заклацнути сміттєві баки
по обидві сторони.
Заміна пилового фільтра
Послабити гвинти на обох сторонах
몇 Попередження
Вийняти прокладку фільтрувальної
панелі.
коробки з канавки в кришці пристрою.
До початку заміни пилового фільтра
видалити вміст із резервуара для збору
Вставити нову прокладку.
сміття При роботі з фільтрувальною
Перевірка приводних ременів
установкою носити маску для захисту
від пилу. Дотримуйте приписань по
техніці безпеки відносно обігу із
дрібним пилом.
Пусковий перемикач повернути в
позицію "0" та витягти його з замка.
Відкрити кришку приладу,
встановити штангу.
Несправні запобіжники замінити.
Знов встановити передню панель.
Вказівка: Використовувати запобіжники
Перевірити натяг, зношування і
лише з однаковим значенням.
ушкодження приводних ременів
Перевірка рівня і доливання мастила
(клиновидного ременя)
Вказівка
всмоктувального вентилятора.
Двигун оснащений перемикачем
контролю рівня мастила. При
недостатньому рівні мастила двигун
відключається і може бути знову
запущений тільки після заливання
Витягти ручку кріплення фільтра
мастила у двигун.
якомога далі та зафіксувати її.
Обережно!
Вийняти пластинчастий фільтр.
Небезпека опіку об гарячу поверхню!
Встановіть новий фільтр.
Дати двигуну охолонути.
Перевірити натяг та зношування
приводних ременів підмітального
вала, а також наявність у них
пошкоджень.
Перевірити ущільнювальну манжету
З боку приводу дати можливість
Витягнути покажчик рівня мастила та
загарбному пристрою зафіксуватися
перевірити його рівень. Ємність не
в отворах.
менше 1/3.
Знову зафіксувати ручку чищення
Якщо рівень мастили нижче 1/3, то
фільтра.
мастило необхідно долити до
Вказівка: При установці нового фільтра
нижньої крайки отвору для заливки.
стежити за тим, щоб пластини не були
Зачекати принаймі 5 хвилин.
ушкоджені.
регулярно перевіряти
Знову перевірити рівень мастила.
ущільнювальну манжету на
всмоктувальному вентиляторі на
посадку належним чином.
374 UK
- 11

Замінити моторне мастило.
Перевірити рівень гідравлічного
Обережно!
мастила та долити його.
Небезпека опіку об гарячу поверхню!
Вказівка
Витягнути покажчик рівня мастила.
Машина має два гідравлічні контури:
Відкачати масло із двигуна через
Гідравлічний контур підмітання
патрубок заливання масла,
використовуючи для цього насос для
заміни масла 6491-538.
Через патрубок для заливу залити
нове мастило за допомогою чистого
насосу 6.491-538 для заміни мастила
Зачекати принаймі 5 хвилин.
Знову перевірити рівень мастила.
Чищення та заміна повітряного
фільтру
Перевірити рівень гідравлічного
мастила в запасному резервуарі.
Рівень мастила повинен перебувати
між відмітками "MІN" і "MAX".
Якщо рівень мастила дуже низький,
необхідно долити гідравлічне
мастило через заливний патрубок
зверху на резервуарі.
Контур приводу осі.
Увага!
Послабити смушкові гайки на
Дана перевірка повинна здійснюватися
всмоктувальному резервуарі.
тільки при холодному двигуні.
Вийняти та перевірити
фільтрувальну вставку.
Вставити у всмоктувальний
резервуар очищений або новий
фільтр.
Міцно затягнути смушкову гайку.
Чищення і заміна свічки запалення
Перевірити рівень мастила в
розширювальному резервуарі.
При необхідності, обережно долити
мастило.
Витягнути наконечник свічі
запалювання.
Вигвинтити та прочистити або
утилізувати свічку запалення.
Загвинтити очищену або нову свічу
запалювання.
Встановити ковпачок свічки
запалювання на свічку.
- 12
375UK

Допомога у випадку неполадок
Небезпечно
вимикнути двигун та витягти ключ
технічного та профілактичного
запалювання
обслуговування машина має
Перед проведенням робіт з
Небезпека травмування! Перед
охолонути.
темничного обслуговування необхідно
проведенням будь-яких робіт з
Несправність Усунення
Прилад не запускається Зайняти місце на сидінні оператора, система контактного вимикача сидіння активується.
Перевірити вміст баку та рівень мастила, при необхідності долити мастило та пальне.
Перевірити запобіжники.
Перевірити акумулятор, при потребі зарядити.
Звернутися в сервісну службу Karcher
Прилад їде лише повільно Звернутися в сервісну службу Karcher
Апарат не підмітає належним
Перевірити зношеність вала, що підмітає, і бічних щіток, при необхідності замінити
чином
Перевірити функціонування заслінки для великих часток бруду.
Перевірити зношеність ущільнювальних планок, при необхідності, відрегулювати або
замінити
Перевірити ремені поворотного приводу.
Перевірити вакуумну систему на герметичність.
Звернутися в сервісну службу Karcher
Апарат сильно порошить
Видалити вміст із резервуара для збору сміття
Перевірити приводні ремені вентилятора
Перевірити ущільнювальну манжету на вентиляторі.
Перевірити пиловий фільтр, зробити чищення або замінити
Заміна ущільнення коробки фільтра
Закрити клапан для чищення в сухому/вологому режимі.
Перевірити зношеність ущільнювальних планок, при необхідності, відрегулювати або
замінити
Звернутися в сервісну службу Karcher
Бічна щітка не обертається
Перевірити запобіжник.
Звернутися в сервісну службу Karcher
Погана якість підмітання з боків Замінити бічні щітки
Перевірити зношеність ущільнювальних планок, при необхідності, відрегулювати або
замінити
Звернутися в сервісну службу Karcher
Система опускання бічної щітки
Перевірити вакуумну систему на герметичність.
або перемикання підмітального
Звернутися в сервісну службу Karcher
вала не працює
Недостатня потужність
Заміна ущільнення коробки фільтра
всмоктування
Перевірити ущільнювальну манжету на вентиляторі.
Перевірити шланги вентилятора на герметичність.
Правильно встановити пластинчастий фільтр, див. "Заміна пилового фільтра"
Звернутися в сервісну службу Karcher
Вал, що підмітає, не
Видалити з вала, що підмітає, стрічки й мотузки, що намоталися
обертається
Звернутися в сервісну службу Karcher
376 UK
- 13

Технічні характеристики
KM 100/100 R P KM 100/100 R LPG
Характеристики приладу
Довжина x ширина x висота mm 2006 x 1005 x 1343 2006 x 1005 x 1343
Вага тари kg 300 300
Транспортна вага kg 375 375
Допустима загальна вага kg 520 520
Швидкість руху km/h 8 8
Швидкість підмітання km/h 6 6
Здатність підйому в гору (макс.) % 18 18
Діаметр вала, що підмітає mm 285 285
Ширина вала, що підмітає mm 710 710
Діаметр бічних щіток mm 450 450
Робоча ширина, без бічних щіток mm 710 710
Робоча ширина, з 1 бічною щіткою mm 1000 1000
Робоча ширина з 2 бічними щітками (опція) mm 1290 1290
Місткість ємності для збору сміття l
100 100
Тип захисту, краплезахисний -- IPX 3 IPX 3
Двигун
Тип -- Honda, 1
Honda, 1 чотирьохтактовий циліндр
чотирьохтактовий
циліндр
Літраж cm
3
270 270
Макс. потужність кВт/КС 6,6 / 9 6,6 / 9
Макс. обертаючий момент при 2500 1/хв Nm 19 19
Вид палива -- Неетилований бензин Зріджені гази (газоподібне паливо):
Бутан, пропан або суміші бутану/
пропану
RON 95 / EN 589
Вміст паливного баку -- 6 l 11 кг або 20 літрів (змінний балон)
Свіча запалювання, NGK -- BPR 6 ES BPR 6 ES
Ступінь захисту -- IP22 IP22
Акумуляторна батарея
Тип -- 12V, 44Ah 12V, 44Ah
Типи масла
Двигун -- SAE 15W40 SAE 15W40
Гідравліка системи підмітання -- HVLP 46 HVLP 46
Привід осі. -- SAE 10W-60 SAE 10W-60
Колеса
Розмір спереду -- 4.00-4 4.00-4
Тиск повітря, спереду bar 6 6
Розмір позаду -- 4.00-8 4.00-8
Тиск повітря, позаду bar
6 6
Гальма
Робочі гальма -- гідростатичний гідростатичний
Стояночна гальмівна система -- автоматичний (із
автоматичний (із пружиною)
пружиною)
Система фільтрування і всмоктування
Система фільтрування й всмоктування m
2
6,0 6,0
Застосовувана категорія фільтра для
-- U U
безпечного для здоров'я пилу
Номінальний нижній тиск, система
mbar 12 12
всмоктування
Номінальний об'єм потоку, система
l/s 50 50
всмоктування
Умови навколишнього середовища
Температура °C -5...+40 -5...+40
Вологість повітря, без утворення роси % 20 - 90 20 - 90
- 14
377UK

Значення встановлене згідно EN 60335-2-72
Рівень шуму
Рівень шуму L
pA
dB(A) 79 79
Небезпека K
pA
dB(A) 2 2
Рівень потужності шуму L
WA
+ небезпека K
WA
dB(A) 98 98
Вібрація пристрою
Значення вібрації рука-плече m/s
2
<2,5 <2,5
Сидіння m/s
2
1,3 1,3
Небезпека K m/s
2
0,2 0,2
Заява при відповідність
Гарантія Аксесуари
Європейського
У кожній країні діють умови гарантії,
співтовариства
наданої відповідною фірмою-
Бічна щітка 6.905-986.0
продавцем. Неполадки в роботі
Цим ми повідомляємо, що нижче
Зi стандартною насадкою для
пристрою ми усуваємо безплатно
зазначена машина на основі своєї
внутрішніх і наружних поверхонь.
протягом терміну дії гарантії, якщо вони
конструкції та конструктивного
викликані браком матеріалу чи
виконання, а також у випущеної у
помилками виготовлення. У випадку
Бічна щітка, м'яка 6.906-133.0
продаж моделі, відповідає спеціальним
чинності гарантії звертіться до продавця
основним вимогам щодо безпеки та
Для дрібного пилу із внутрішньої
чи в найближчий авторизований
захисту здоров'я представлених нижче
поверхні, вологостійка.
сервісний центр з документальним
директив ЄС. У випадку неузгодженої з
підтвердженням покупки.
нами зміни машини ця заява втрачає
Бічна щітка, тверда 6.906-065.0
свою силу.
Продукт: Машина для підмітання з
Для видалення в'їдавшихся
місцем для водія
забруднень на відкритому повітрі,
Тип: 1.280-xxx
вологостійка.
Відповідна директива ЄС
Стандартна
6.906-375.0
2006/42/ЄС (+2009/127/ЄС)
площина підмітання
2004/108/ЄС
2000/14/ЄС
Зносо- і вологостійка. Універсальна
Прикладні гармонізуючі норми
насадка для чищення зсередини й
EN 55012: 2007 + A1: 2009
зовні.
EN 60335–1
EN 60335–2–72
EN 61000–6–2: 2005
Вал, що підмітає,
6.906-533.0
EN 62233: 2008
м’який
Застосовуваний метод оцінки
відповідності
З натуральною щетиною спеціально
2000/14/ЄС: Доповнення V
для збирання тонкого пилу на гладких
Рівень потужності dB(A)
підлогах усередині приміщень. Не є
KM 100/100 R P
вологостійкою, не призначена для
Виміряний:95
абразивних поверхонь.
Гарантований
98
:
KM 100/100 R LPG
Вал, що підмітає,
6.906-532.0
Виміряний:95
жорсткий
Гарантований
98
Для видалення в'їдавшихся
:
забруднень на відкритому повітрі,
вологостійка.
Ті, хто підписалися діють за запитом та
дорученням керівництва.
Пиловий фільтр 6.414-532.0
CEO
Head of Approbation
уповноважений по документації:
S. Reiser
Alfred Kaercher GmbH & Co. KG
Alfred-Kaercher-Str. 28 - 40
71364 Winnenden (Germany)
Тел.: +49 7195 14-0
Факс: +49 7195 14-2212
Winnenden, 2012/04/01
378 UK
- 15


I Kärcher S.p.A., Via A. Vespucci 19, 21013 Gallarate (VA),
AE Karcher FZE, P.O. Box 17416, Jebel Ali Free Zone (South),
+39-848-998877, www.karcher.it
Dubai, United Arab Emirates,
+971 4 886-1177, www.kaercher.com
IE Kärcher Limited (Ireland), C1 Centrepoint Business Park,
Oak Road, Dublin 12,
AR Kärcher S.A., Urugguay 2887 (1646) San Fernando,
(01) 409 7777, www.kaercher.ie
Pcia. de Buenos Aires
+54-11 4506 3343, www.karcher.com.ar
JP Kärcher (Japan) Co., Ltd., Irene Kärcher Building, No. 2, Matsus-
aka-Daira 3-chome, Taiwa-cho, Kurokawa-gun, Miyagi 981-3408,
AT Alfred Kärcher Ges.m.b.H., Lichtblaustraße 7, 1220 Wien,
+81-22-344-3140, www.karcher.co.jp
+43-1-25060-0, www.kaercher.at
KR Karcher (Korea) Co. Ltd., 162 Gukhoe-daero, (872-2 Sinjeong-
AU Kärcher Pty. Ltd., 40 Koornang Road, Scoresby VIC 3179,
Dong), Seoul, Korea
Victoria,
02-322 6588, A/S. 1544-6577, www.karcher.co.kr
+61-3-9765-2300, www.karcher.com.au
LV Karcher SIA, MƗrupes nov., MƗrupe, KƗrƺa UlmaƼa gatve 101,
BE Kärcher N.V., Industrieweg 12, 2320 Hoogstraten,
RƯ
ga, LV-1046
+32-3-340 07 11, www.karcher.be
+371-67 80 87 07
BR Kärcher Indústria e Comércio Ltda., Av. Professor
MX Karcher México, SA de CV, Av. Gustavo Baz No. 29-C, Col. Nau-
Benedicto Montenegro no 419, Betel,
calpan Centro, Naucalpan, Edo. de México, C.P. 53000 México,
Paulínia - Estado de Sao Paulo, CEP 13.140-000
+52-55-5357-04-28, www.karcher.com.mx
+55-19-3884-9100, www.karcher.com.br
MY Karcher Cleaning Systems Sdn. Bhd., 71 & 73 Jalan TPK 2/8, Taman
CA Kärcher Canada Inc., 6535 Millcreek Road, Unit 67,
Perindustrian Kinrara, Seksyen 2, 47100 Puchong, Selangor Darul Ehsan
Mississauga, ON, L5N 2M2,
+603 8073 3000, www.karcher.com.my
+1-905-672-8233, www.karcher.ca
NL Kärcher B.V., Postbus 474, 4870 AL Etten-Leur,
CH Kärcher AG, Industriestrasse, 8108 Dällikon, Kärcher SA,
0900-33 666 33, www.karcher.nl
Croix du Péage, 1029 Villars-Ste-Croix,
0844 850 864, www.kaercher.ch
NO Kärcher AS, Stanseveien 31, 0976 Oslo, Norway,
+47 815 20 600, www.karcher.no
CN Kärcher (Shanghai) Cleaning Systems, Co., Ltd., Part F, 2nd
Floor, Building 17, No. 33, XI YA Road, Waigaogiao Free Trade,
NZ Karcher Limited, 12 Ron Driver Place, East Tamaki,
Pudong, Shanghai, 200131
Auckland, New Zealand,
+86-21 5076 8018, www.karcher.cn
+64 (9) 274-4603, www.karcher.co.nz
CZ Kärcher spol. s r.o., Modletice c.p. 141, CZ-251 01 Ricany,
PL Kärcher Sp. z o.o., Ul. Stawowa 140, 31-346 Kraków,
+420/323/606 014, www.kaercher.cz
+48-12-6397-222, www.karcher.pl
DE Alfred Kärcher Vertriebs-GmbH, Friedrich-List-Straße 4,
RO Karcher Romania srl, Sos. Odaii 439, Sector 1, RO-013606 BUKAREST,
71364 Winnenden,
+40 37 2709001, www.kaercher.ro
+49-7195/903-0, www.kaercher.de
RU Karcher Ltd. Service Center, 105082, Ɇɨɫɤɜɚ, ɭɥ. Ȼ.ɉɨɱɬɨɜɚɹ, ɞ. 40
DK Kärcher Rengøringssystemer A/S, Helge Nielsens Alle 7 A,
+7-495 789 90 76, www.karcher.ru
8723 Løsning,
+45-70206667, www.karcher.dk
SE Kärcher AB, Tagenevägen 31, 42502 Hisings-Kärra,
+46 (0)31-577 300, www.karcher.se
ES Kärcher, S.A., Pol. Industrial Font del Radium,
Calle Josep Trueta, 6-7, 08403 Granollers (Barcelona),
SGP Karcher South East Asia Pte. Ltd., 5 Toh Guan Road East,
+34-902 17 00 68, www.karcher.es
#01-00 Freight Links Express Distripark, Singapore 608831,
+65-6897-1811, www.karcher.com.sg
F Kärcher S.A.S., Z.A. des Petits Carreaux,
5, avenue des Coquelicots, 94865 Bonneuil-sur-Marne,
SK Kärcher Slovakia, s.r.o., Beniakova 2, SK-94901 NITRA,
+33-1-4399-6770, www.karcher.fr
+421 37 6555 798, www.kaercher.sk
FI Kärcher OY, Yrittäjäntie 17, 01800 Klaukkala,
TR Kärcher Servis Ticaret A.S., Mahmutbey Mahallesi østoç,
+358-207 413 600, www.karcher.fi
Petrol Plaza C-Blok Kat: 2-3, Ba÷clar, 34218 Istanbul
+90-212-659-43 69, www.karcher.com.tr
GB Kärcher (U.K.) Ltd., Kärcher House, Beaumont Road,
Banbury, Oxon OX16 1TB,
TW Karcher Limited, 7/F, No. 66, Jhongijheng Rd., Sinjhuang City,
+44-1295-752-000, www.karcher.co.uk
Taipei County 24243, Taiwan,
+886-2-2991-5533, +886-800-666-825, www.karcher.com.tw
GR Kärcher Cleaning Systems A.E., 31-33, Nikitara str. &
Konstantinoupoleos str., 136 71 Aharnes,
UA Kärcher Ltd., Petropavlivska Str., 4, Petropavlivska Borschagiv-
+30-210-2316-153, www.karcher.gr
ka, Kyiv region, 08130,
+380 44 594 7576, www.karcher.com.ua
HK Kärcher Limited, Unit 10, 17/F., Apec Plaza, 49 Hoi Yuen Road,
Kwun Tong, Kowloon,
USA To locate your local dealer please visit our web site at
++(852)-2357-5863, www.karcher.com.hk
http://www.karchercommercial.com or call us at 888.805.9852
HU Kärcher Hungaria KFT, Tormásrét ut 2., (Vendelpark),
ZA Kärcher (Pty) Ltd., 144 Kuschke Street, Meadowdale,
2051 Biatorbagy,
Edenvale, 1614,
+36-23-530-64-0, www.kaercher.hu
+27-11-574-5360, www.karcher.co.za




