Hach-Lange CLF10 sc – страница 5
Инструкция к Hach-Lange CLF10 sc

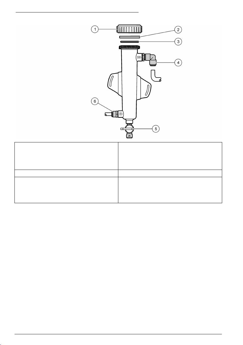
Figura 2 Descripción general de la celda de flujo de cloro
1 Sensor de flujo 8 Accesorio de salida de muestras
• Inglés: Racor de conexión rápida—3/8 pulg.
diámetro externo (DE) de tubo
• Métrico: racor de conexión rápida—DE de tubo
de 10 mm
2 Tapón, 1/8 pulg. NPTF 9 Marca de alineación del sensor de cloro
3 Marca de alineación del flotador 10 Válvula, puerto de limpieza, 1/4 pulg. diámetro
externo (DE) de tubo
4 Tapón, 1/2 pulg. NPTF 11 Entrada de celda de flujo
• Inglés: Racor de conexión rápida—1/4 pulg.
diámetro externo (DE) de tubo
• Métrico: Racor de conexión rápida—DE de tubo
de 6 mm
5 Tuerca de sujeción 12 Celda de flujo
6 Adaptador de sellado 13 Válvula de control de flujo
7 Junta tórica 14 Flotador
Español 81

Figura 3 Descripción general de la celda de flujo de pH
1 Tuerca de sujeción 4 Accesorio de salida de muestras
Inglés: Racor acodado de conexión rápida—
1/2 pulg. DE
Métrico: Racor acodado de conexión rápida—DE de
12 mm
2 Adaptador de sellado 5 Puerto de muestras manuales
3 Junta tórica 6 Entrada de celda de flujo
• Inglés: Racor de conexión rápida—3/8 pulg. DE
• Métrico: Racor de conexión rápida—DE de
10 mm
Componentes del producto
Asegúrese de haber recibido todos los componentes. Consulte la Figura 1 en la página 80. Si faltan
artículos o están dañados, póngase en contacto con el fabricante o el representante de ventas
inmediatamente.
82
Español

Figura 4 Panel del analizador de cloro sin reactivos
1 Panel del sistema 3 Tubos, 12 mm (½ pulg.)
2 Cable de conexión para conectar el gateway al
4 Sensor de cloro
controlador, 1 m (3,3 pies)
Instalación
Aspectos importantes sobre la instalación
• Realice primero las labores de instalación mecánica, luego las de instalación eléctrica y en último
lugar las de instalación hidráulica.
• Todos los accesorios están diseñados para ser ajustados únicamente de forma manual.
• El panel está diseñado para instalarse en la pared o sobre rack. Monte o coloque el panel en un
lugar accesible.
• No lo coloque cerca de una fuente de calor.
• El montaje del panel no se debe realizar en un entorno en el que haya vibraciones frecuentes
• El montaje del panel no se debe realizar con exposición a la luz solar directa.
• Instale el panel en interiores o en un recinto cerrado al aire libre.
• Evite la acumulación de condensación en el panel y sus componentes, especialmente en la celda
de flujo, el sensor y el punto de conexión entre el sensor y el cable.
• Use tubos de Teflon
®
o de polietileno de baja densidad lineal PVDF para la línea de alimentación
de las muestras y procure que los tubos sean lo más cortos posibles para minimizar el retardo.
• La presión de la muestra debe ser suficiente para mantener una provisión continua de agua a los
sensores. Un indicador LED del sensor de flujo se enciende cuando el flujo es suficiente.
• Mantenga el caudal lo más constante posible para que el sensor funcione de manera óptima.
Directrices sobre la línea de muestra
Seleccione un buen punto de muestreo que sea representativo para obtener el mejor rendimiento del
instrumento. La muestra debe ser representativa para todo el sistema.
Para evitar las lecturas erróneas:
• Recopile muestras de lugares lo suficientemente alejados de los puntos en los que se añaden
productos químicos a la corriente del proceso.
• Asegúrese de que las muestras están lo suficientemente mezcladas.
Español
83

• Asegúrese de que todas las reacciones químicas se han completado.
Instalación mecánica
Montaje del panel
Figura 5 muestra las dimensiones de montaje. Consulte la figura y siga los pasos para montar el
panel.
1. Coloque tornillos de montaje en la superficie de montaje. Móntelo sobre tacos o utilice anclajes
de pared. Deje suficiente espacio entre la cabeza de cada tornillo y la superficie de montaje para
que el panel quepa entre medias.
2. Deslice los orificios de montaje del panel sobre las cabezas de los tornillos de montaje y deje que
el panel se deslice hacia abajo hasta que la parte superior de cada orificio de montaje se apoye
sobre el cuerpo del tornillo.
3. Apriete cada tornillo para asegurar el panel a la superficie de montaje.
4. Instale el sensor de cloro y de pH (opcional) en las celdas de flujo. Para obtener más información
acerca de la instalación de sensores, consulte el manual de usuario del sensor.
Figura 5 Dimensiones del panel del analizador de cloro sin reactivos
84 Español

Instalación eléctrica
Cableado del panel
A D V E R T E N C I A
Posible peligro de electrocución. Desconecte siempre el instrumento del suministro eléctrico antes de
realizar conexiones eléctricas.
El controlador suministra alimentación a los sensores y al gateway digital.
1. Corte la energía del controlador.
2. Conecte los cables del sensor de pH (opcional) al gateway. Para obtener más información
acerca de cómo instalar sensores en las celdas de flujo, o cómo conectar el sensor al gateway,
consulte el manual del usuario del sensor.
3. Conecte el sensor de cloro al gateway. Para obtener más información acerca de cómo conectar
el sensor al gateway, consulte el manual del usuario del sensor.
Nota: Cuando se entrega el panel, el cable del sensor de cloro está pegado con cinta a la parte delantera del
panel, cerca del lugar en el que se encuentra la conexión del sensor.
4. Conecte el controlador al gateway con el cable del conector de 1 m que se entrega con el panel.
Instalación hidráulica
Instalación hidráulica del panel
Procure cumplir las especificaciones de tamaño en todos los accesorios y tubos del panel. El
diámetro de los conductos debe aumentar a medida que el agua fluye a través del sistema para
evitar que se acumule contrapresión. Figura 1 en la página 80 muestra una descripción general de
las conexiones hidráulicas.
1. Conecte las tuberías a los conectores de entrada y salida de las muestras.
2. Asegúrese de que el puerto de limpieza de la celda de flujo de cloro está cerrado.
3. Asegúrese de que el puerto de muestras manuales de la celda de flujo de pH está cerrado.
4. Abra la válvula de flujo en la línea de muestras y deje que el agua pase por el sistema.
5. Asegúrese de que no hay fugas en las tuberías, los conectores de las válvulas o las celdas de
flujo.
6. Para que no haya burbujas de aire, la celda de flujo de pH se puede inclinar entre 0º y 30º, tal y
como se muestra en Figura 6.
Español
85

Figura 6 Inclinación de la celda de flujo de pH
Funcionamiento
Desplazamiento del usuario
Consulte la documentación del controlador para ver la descripción del teclado e información sobre
cómo desplazarse.
Configuración del sistema
La configuración del sensor y la calibración se realizan en la interfaz de usuario del controlador. Para
obtener más información acerca de la configuración o la calibración de un sensor, consulte el
manual del usuario del sensor.
Debe conectarse al gateway un controlador modelo sc.
1. Desde el menú principal del controlador, seleccione Sensor Setup (Montar sensor).
Aparece el menú Chlorine Gateway (CGW) Setup (Configuración de gateway de cloro [CGW]).
2. Seleccione Configurar y personalice las entradas. Confirme cada entrada para guardar los
cambios y regrese al menú Configurar.
Opción Descripción
Edit name (Editar nombre) Edite el nombre del sensor.
86 Español

Opción Descripción
Select Parameter (Seleccionar parámetro)—
Se selecciona el parámetro que se va a configurar. Para
Cloro (Total o Libre), pH (opcional),
configurar el parámetro seleccionado, se necesitan una
Temperatura (opcional)
serie de pasos adicionales. Para obtener más información,
consulte el manual del usuario del sensor.
Reset Defaults (Restablecer valores
Restablece los valores predeterminados de fábrica de
predeterminados): Confirme el
todos los parámetros.
restablecimiento de los valores
predeterminados.
Arranque del sistema
Asegúrese de que se han realizado correctamente todas las labores mecánicas, eléctricas e
hidráulicas antes de iniciar el flujo por el sistema.
1. Establezca la alimentación de corriente al controlador.
La primera vez que se enciende, el controlador muestra las pantallas de idioma, formato de
fecha y fecha/hora por orden.
2. Defina el idioma, la fecha y la hora en el controlador si no lo ha hecho aún. Consulte el manual
del usuario del controlador para obtener más información acerca de cómo definir estas opciones.
El controlador busca los dispositivos conectados.
3. Asegúrese de que el puerto de limpieza y el puerto de muestras manuales están cerrados y, a
continuación, abra la válvula de ENCENDIDO/APAGADO en la línea de muestras para iniciar el
flujo de agua a través del sistema.
Las celdas de flujo de cloro y pH se llenan de agua.
4. Asegúrese de que el LED del sensor de flujo está encendido. De lo contrario, ajuste la válvula de
control de flujo para aumentar el flujo.
El LED del sensor de flujo estará encendido cuando el flujo sea suficiente para su buen
funcionamiento. Si el flujo es demasiado alto, puede que el LED no se encienda. Asegúrese de
que el flotador está alineado de manera aproximada con la marca de alineación de flujo.
5. Compruebe si las tuberías y las celdas de flujo tienen fugas o están bloqueadas. Corte el flujo al
panel si se detecta algún problema y realice las reparaciones necesarias.
6. Cuando el sistema tenga el flujo suficiente, borre las advertencias que aparecen en la pantalla
del controlador realizando las operaciones que se sugieren.
7. Presione la tecla HOME.
Aparece la pantalla de medición principal que muestra los valores de la medición del cloro, la
temperatura y el pH (si hay conectado un sensor de pH).
Mantenimiento
P E L I G R O
Peligros diversos. Sólo el personal cualificado debe realizar las tareas descritas en esta sección del
documento.
Cambio de tubos
Cambie los tubos al menos una vez al año. Cambie los tubos inmediatamente si están quebradizos,
agrietados o tienen fugas. Cambie las tuberías si están viejos, decolorados, sucios o dañados por
otros del mismo tipo y diámetro (tubería de Teflon
®
o PVDF).
Limpieza de la celda de flujo del sensor
Limpie la celda de flujo, si es preciso, para quitar los depósitos. Limpie la celda de flujo si está muy
contaminada. Cambie una celda de flujo si se avería, se decolora o no es transparente. No es
necesario quitar una celda de flujo del panel para limpiarla.
Español
87

Nota: Nunca utilice detergentes ni agentes tensoactivos para limpiar una celda de flujo de cloro.
1. Detenga el flujo de origen al panel.
2. Quite el sensor de cloro y colóquelo en un contenedor lleno de una muestra del agua con cloro.
Nota: No desconecte el sensor de la corriente eléctrica. Si desconecta el sensor de cloro, habrá que
acondicionarlo y calibrarlo antes de usarlo.
Nota: Si quita un sensor de una celda de flujo con el cable del sensor conectado, se producirá un cambio en
las salidas de la señal del sensor. Para obtener más información, consulte el manual del controlador.
3. Enjuague la celda de flujo con agua y frótela con un cepillo de cerdas suaves para quitar los
depósitos.
4. Enjuague la celda de flujo con agua.
5. Si la celda de flujo no está lo suficientemente limpia, deje que se empape entre 10 y 15 minutos
en una mezcla de solución de peróxido de hidrógeno al 3-5% y vinagre en una proporción de 1:3.
6. Enjuague la celda de flujo con agua.
7. Instale el sensor en la celda de flujo e inicie el flujo de la muestra.
Sustitución del sensor de flujo
En condiciones normales, el sensor de flujo no necesita un mantenimiento regular ni sustituciones.
Sin embargo, si el indicador de flujo LED no se enciende cuando el flotador se encuentra en la
marca de alineación del flotador o por encima de ella y se conecta a la corriente eléctrica, puede que
haya que cambiar el sensor. Para sustituir el sensor de flujo, siga los pasos que se ilustran a
continuación.
Nota: No es necesario quitar el sensor de cloro, drenar la celda de flujo ni apagar el controlador para cambiar el
sensor de flujo.
88 Español

Español 89

Sustitución del conjunto de la válvula de control de flujo
90 Español

Solución de problemas
Registro de eventos
El controlador dispone de un registro de eventos para cada sensor. El registro de eventos almacena
un número de eventos que se producen en los dispositivos, tales como las calibraciones realizadas,
las opciones de calibración cambiadas, etc. A continuación, aparece una lista de posibles eventos.
El registro de eventos se puede leer en formato CSV. Para obtener más información sobre la
descarga de los registros, consulte el manual de usuario del controlador.
Tabla 1 Registro de eventos
Evento Descripción
Encendido Se encendió el suministro de energía.
Fallo flash El flash externo ha fallado o está dañado..
1pointpHCalibration_Start Inicio de la calibración de muestras en un punto para el pH
1pointpHCalibration_End Final de la calibración de muestras en un punto para el pH
2pointpHCalibration_Start Inicio de la calibración de muestras en dos puntos para el pH
2pointpHCalibration_End Final de la calibración de muestras en dos puntos para el pH
1pointBufferpHCalibration_Start Inicio de la calibración del tampón de un punto para el pH
1pointBufferpHCalibration_End Final de la calibración del tampón de un punto para el pH
2pointBufferpHCalibration_Start Inicio de la calibración del tampón de dos puntos para el pH
2pointBufferpHCalibration_End Final de la calibración del tampón de dos puntos para el pH
TempCalibration_Start Inicio de la calibración de la temperatura
TempCalibration_End Final de la calibración de la temperatura
1pointChemZeroCL2_Start Inicio de la calibración cero química de un punto para el cloro
1pointChemZeroCL2_End Final de la calibración cero química de un punto para el cloro
1pointElecZeroCL2_Start Inicio de la calibración cero eléctrica de un punto para el cloro
1pointElecZeroCL2_End Final de la calibración cero eléctrica de un punto para el cloro
1pointProcessConc_Start Inicio de la concentración del proceso de un punto para el cloro
1pointProcessConc _End Final de la concentración del proceso de un punto para el cloro
2pointChemCL2_Start Inicio de la calibración química de dos puntos para el cloro
2pointChemCL2_End Final de la calibración química de dos puntos para el cloro
2pointElecCL2_Start Inicio de la calibración eléctrica de dos puntos para el cloro
2pointElecCL2_End Final de la calibración eléctrica de dos puntos para el cloro
CL2CalSetDefault Se han restablecido los valores predeterminados de la calibración de cloro.
pHCalSetDefault Se han restablecido los valores predeterminados de los datos de calibración
del pH.
TempCalSetDefault Se han restablecido los valores predeterminados de los datos de calibración de
la temperatura.
AllCalSetDefault Se han restablecido los valores predeterminados de todos los datos de
calibración del sensor.
CL2CalOptionChanged Se ha cambiado la opción de calibración del cloro.
pHCalOptionChanged Se ha cambiado la opción de calibración del pH.
Español 91

Tabla 1 Registro de eventos (continúa)
Evento Descripción
TempCalOptionChanged Se ha cambiado la opción de calibración de la temperatura.
SensorConfChanged Se ha cambiado la configuración del sensor.
ResetCL2CalHist Se ha restablecido el historial de calibración de cloro.
ResetpH CalHist Se ha restablecido el historial de calibración del pH.
ResetTemp CalHist Se ha restablecido el historial de calibración de la temperatura.
ResetAllSensorsCalHist Se ha restablecido el historial de calibración de todos los sensores.
ResetCL2Sensor Se han restablecido los valores predeterminados de los datos de calibración de
CL2 (días del sensor, historial de calibración y datos de calibración).
ResetpHSensor Se han restablecido los valores predeterminados de los datos de calibración
del pH (días del sensor, historial de calibración y datos de calibración).
ResetTempSensor Se han restablecido los valores predeterminados de los datos de calibración de
la temperatura (días del sensor, historial de calibración y datos de calibración).
ResetAllSensors Se han restablecido los valores predeterminados de los datos de calibración de
todos los sensores (días del sensor, historial de calibración y datos de
calibración).
Detección del flujo El estado del sensor de proximidad ha cambiado (flujo suficiente o
insuficiente).
Lista de errores
Los errores se pueden producir por varias razones. La lectura del sensor en la pantalla de medición
aparece y desaparece. Se mantienen todas las salidas cuando se especifican en el menú del
controlador. Para ver los errores del sensor, pulse la tecla MENU y seleccione Diag del sensor, Lista
de errores. A continuación, aparece una lista de posibles errores.
Tabla 2 Lista de errores del sensor
Error Descripción Resolución
CAL CL REQUER Se necesita realizar una calibración de cloro
Calibre el sensor de cloro y/o el sensor de
y/o pH..
pH.
La medición del cloro y/o pH ha cambiado lo
suficiente para producir una alarma de
advertencia de la calibración. Para obtener
más información, consulte el manual del
sensor de cloro.
MANT CL
Se necesita realizar el mantenimiento del
Realice el mantenimiento del sensor y repita
REQUR
sensor de cloro..
la calibración, o sustituya el sensor. Para
obtener más información, consulte el manual
La pendiente es inferior al 30% o superior al
del sensor de cloro.
300% del valor predeterminado..
La pendiente predeterminada es
100 mV/ppm (100%)
MANT CL
Se necesita realizar el mantenimiento del
Realice el mantenimiento del sensor y repita
REQUR
sensor de cloro..
la calibración, o sustituya el sensor. Para
obtener más información, consulte el manual
El desplazamiento es demasiado alto (más
del sensor de cloro.
de ±50 mV).
PH MUY BAJO El valor de pH es inferior a 0 pH. Calibre o cambie el sensor de pH.
PH MUY ALTO El valor de pH es superior a 14 pH.
92 Español

Tabla 2 Lista de errores del sensor (continúa)
Error Descripción Resolución
PENDI pH FALLA La pendiente está fuera del rango de -45 a
Limpie el sensor de pH, repita la calibración
-65 mV/pH.
con un tampón o una muestra nueva, o
cambie el sensor.
COMPEN pH
El desplazamiento está fuera de los ±60 mV. Limpie el sensor de pH, repita la calibración
FALLA
con un tampón o una muestra nueva, o
cambie el sensor.
COMPEN pH
El desplazamiento está fuera de los ±60 mV. Limpie el sensor de pH y cambie el puente
FALLA
salino y la solución de celda estándar. Repita
la calibración con un tampón o una muestra
nueva, o cambie el sensor.
TEMP MUY BAJA La temperatura es inferior a 0 °C. Calibre la temperatura o cambie el sensor de
pH.
TEMP MUY ALTA La temperatura es superior a 100 °C.
TEMP FALLA El desplazamiento es superior a 5,0 °C o
Calibre la temperatura o cambie el sensor de
inferior a -5,0 °C.
pH.
SIN FLUJO El nivel de flujo es demasiado bajo. Aumente el flujo
Lista de advertencias
Una advertencia no afecta el funcionamiento de los menús, relés y salidas. En la parte inferior de la
pantalla de medición empieza a parpadear un icono de advertencia y aparece un mensaje. Para ver
las advertencias del sensor, pulse la tecla MENU y seleccione Diag del sensor, Lista de
advertencias. A continuación, se muestra una lista de posibles advertencias.
Tabla 3 Lista de advertencias del sensor
Advertencia Descripción Resolución
CAL CL RECOM Se recomienda realizar una calibración de cloro y/o pH..
Calibre el sensor de cloro y/o el
sensor de pH.
La medición del cloro y/o pH ha cambiado lo suficiente
para producir una alarma de advertencia de la
calibración. Para obtener más información, consulte los
manuales del sensor.
CAL CL RECOM Se recomienda realizar una calibración de cloro..
Calibre el sensor de cloro.
Los datos de la calibración de cloro no están disponibles
(sensor con datos de calibración predeterminados).
CAL pH RECOM Se recomienda realizar una calibración de pH..
Calibre el sensor de pH.
Los datos de la calibración de pH no están disponibles
(sensor con datos de calibración predeterminados).
CAL TEMP
Se recomienda realizar una calibración de la
Calibre la temperatura.
RECOM
temperatura..
Los datos de la calibración de la temperatura no están
disponibles (sensor con datos de calibración
predeterminados).
CAL CL NECES El valor de los días del sensor para el sensor de cloro es
Calibre el sensor de cloro.
superior al valor del recordatorio de calibración..
CAL pH NECES El valor de los días del sensor para el sensor de pH es
Calibre el sensor de pH.
superior al valor del recordatorio de calibración..
CAL TEMP NECES El valor de los días del sensor para el sensor de
Calibre la temperatura.
temperatura es superior al valor del recordatorio de
calibración..
Español 93

Tabla 3 Lista de advertencias del sensor (continúa)
Advertencia Descripción Resolución
MANT CL RECOM Se recomienda realizar el mantenimiento del sensor de
Realice el mantenimiento del
cloro..
sensor y repita la calibración, o
sustituya el sensor.
La pendiente es del 30 al 45% o del 250 al 300% del
valor predeterminado.
La pendiente predeterminada es 100 mV/ppm (100%)
MANT CL RECOM Se recomienda realizar el mantenimiento del sensor de
Realice el mantenimiento del
cloro..
sensor y repita la calibración, o
sustituya el sensor.
El desplazamiento es de -50 mV a - 45 mV o de 45 mV a
50 mV.
MANT pH RECOM Se recomienda realizar el mantenimiento del sensor de
Limpie el sensor de pH, repita
pH..
la calibración con un tampón o
una muestra nueva, o cambie
La pendiente está fuera del rango de -50 a -61 mV/pH.
el sensor.
MANT pH RECOM Se recomienda realizar el mantenimiento del sensor de
Limpie el sensor, luego repita la
pH..
calibración o cambie el sensor.
El desplazamiento está fuera de ±45 mV, pero dentro de
±60 mV.
MANT pH RECOM Se recomienda realizar el mantenimiento del sensor de
Limpie el sensor y cambie el
pH..
puente salino y la solución de la
celda estándar. A continuación,
El desplazamiento está fuera de ±45 mV, pero dentro de
repita la calibración o cambie el
±60 mV.
sensor.
MANT TEM
El desplazamiento de la temperatura está fuera de
Calibre la temperatura.
RECOM
±3 °C, pero dentro de ±5 °C.
Piezas de repuesto y accesorios
A D V E R T E N C I A
Peligro de lesión personal. El uso de piezas no aprobadas puede causar lesiones personales, daños al
instrumento o un mal funcionamiento del equipo. Las piezas de repuesto que aparecen en esta
sección están aprobadas por el fabricante.
Nota: Los números de producto y artículo pueden variar para algunas regiones de venta. Comuníquese con el
distribuidor correspondiente o visite el sitio Web de la compañía para obtener la información de contacto.
Piezas
Descripción Referencia
Cable, gateway al controlador, 1 m 6122400
Conjunto de cables, 4 pins, blindado, sensor de flujo, 2 m 9160900
Conjunto de cables, 5 pins, blindado, M12, sensor de cloro, 1 m 9160300
Inglés:
9159200 (1/4 pulg.)
Accesorio, puerto de entrada de celda de flujo de cloro
Métrico:
9196400 (6 mm)
Inglés:
Accesorio, conector rápido, puerto de salida para celda de flujo de cloro o puerto de
9159300 (3/8 pulg.)
entrada para celda de flujo de pH
Métrico:
9196500 (10 mm)
94 Español

Piezas de repuesto y accesorios (continúa)
Descripción Referencia
Inglés:
9196900 (1/2 pulg.)
Accesorio acodado, puerto de salida para celda de flujo de pH
Métrico:
9197000 (12 mm)
Flotador, sensor de flujo 9159100
Inglés: 9198400
Conjunto de celda de flujo, cloro
Métrico: 9198500
Inglés: 9180200
Conjunto de celda de flujo, combinación de pH
Métrico: 9180400
Conjunto de celda de flujo, pHD
Inglés: 9180100
incluye adaptador de sellado
Métrico: 9180300
Sólo cuerpo de celda de flujo (pH) 9159700
Bloque de celda de flujo, cloro 9158900
Válvula de control de flujo 9159000
Kit de válvula de control de flujo 9198600
Sensor de flujo 9160800
Gateway, digital 9180500
Tuerca de sujeción, celda de flujo de cloro 9196200
Tuerca de sujeción, celda de flujo de pH 60F2032-001
Junta tórica, válvula de control de flujo (2x) (#2-108, Viton) 9159600
Junta tórica, celda de flujo de pH (#2-228, Viton) 5H1223
Junta tórica, adaptador de sellado, celda de flujo de cloro (#2-123, Viton) 9196300
Junta tórica, arandela rebajada (M25 x 2,5) 9181800
Tapón, celda de flujo de cloro, 1/2 pulg. 9159500
Tornillo, celda de flujo de cloro (2x) (10-32 x 1,75 Lg, cabeza troncocónica de Phillips) 4422200
Tornillo, celda de flujo de pH (2x) (10-32 x 5 Lg, cabeza troncocónica de Phillips) 561211
Adaptador de sellado, celda de flujo de pH 9198000
Adaptador de sellado, celda de flujo de cloro 9196100
Adaptador de sellado, sensor de combinación de pH, 3/4 pulg. 9159800
Adaptador de sellado, celda de flujo de pHD, 1 pulg. 60F2021-001
Arandela rebajada, celda de flujo de cloro 9181700
Tubos, corriente de muestra, 1/4 pulg. x 2 m 4743800
Tubos, corriente de muestra, 3/8 pulg. x 18 pulg. 9198100
Tubos, corriente de desagüe, 1/2 pulg. x 2 m 9198200
Válvula, puerto de muestras manuales 9005300
Válvula, conexión rápida, puerto de limpieza 6166300
Español 95

Accesorios
Descripción Referencia
Kit de acidificación LZY051
Kit de acondicionamiento de muestras con regulador de presión 9159900
96 Español

Índice
Especificações na página 97 Manutenção na página 106
Informação geral na página 97 Resolução de problemas na página 110
Instalação na página 102 Peças de substituição e acessórios na página 113
Funcionamento na página 105
Especificações
As especificações podem ser alteradas sem aviso prévio.
Especificação Detalhes
Descrição dos componentes Analisador de cloro montado em painel com
funcionamento pelo principio amperimétrico para a
medição de Cloro e pH com informação de caudal.
Sistema com comunicação digital e célula de caudal
Temperatura de funcionamento 0 a 45 °C (0 a 113 °F)
Temperatura de funcionamento (apenas no painel) –20 a 60 °C (–4 a 149 °F)
Requisitos de energia 12 VDC ± 10%, 100 mA máximo (fornecido pelo
controlador sc)
Dimensões do painel (C x L x P) 48,3 x 49,5 x 15,1 cm (19 x 19,5 x 5,95 polegadas)
com componentes montados no painel
Peso Aproximadamente 5,4 kg (12 lb) (apenas painel e
componentes vazios montados no painel)
Taxa de caudal Gama: 30–50 L/hora (7,9–13,2 gal/hora)
Ideal: 40 L/hora
Plataforma do controlador modelos do controlador sc
Informação geral
Em caso algum o fabricante será responsável por quaisquer danos directos, indirectos, especiais,
acidentais ou consequenciais resultantes de qualquer incorrecção ou omissão deste manual. O
fabricante reserva-se o direito de, a qualquer altura, efectuar alterações neste manual ou no produto
nele descrito, sem necessidade de o comunicar ou quaisquer outras obrigações. As edições revistas
encontram-se disponíveis no website do fabricante.
Informações de segurança
A T E N Ç Ã O
O fabricante não é responsável por quaisquer danos resultantes da aplicação incorrecta ou utilização indevida
deste produto, incluindo, mas não limitado a, danos directos, incidentais e consequenciais, não se
responsabilizando por tais danos ao abrigo da lei aplicável. O utilizador é o único responsável pela identificação
de riscos de aplicação críticos e pela instalação de mecanismos adequados para a protecção dos processos na
eventualidade de uma avaria do equipamento.
Leia este manual até ao fim antes de desembalar, programar ou utilizar o aparelho. Dê atenção a
todos os avisos relativos a perigos e precauções. A não leitura destas instruções pode resultar em
lesões graves para o utilizador ou em danos para o equipamento.
Certifique-se de que a protecção oferecida por este equipamento não é comprometida. Não o utilize
ou instale senão da forma especificada neste manual.
Português
97

Uso da informação de perigo
P E R I G O
Indica uma situação de risco potencial ou eminente que, se não for evitada, resultará em morte ou lesão grave.
A D V E R T Ê N C I A
Indica uma situação de perigo potencial ou eminente que, caso não seja evitada, poderá resultar na morte ou em
ferimentos graves.
A V I S O
Indica uma situação de risco potencial, que pode resultar em lesão ligeira a moderada.
A T E N Ç Ã O
Indica uma situação que, caso não seja evitada, poderá causar danos no instrumento. Informação que requer
ênfase especial.
Avisos de precaução
Leia todas as etiquetas presentes no aparelho. A sua não observação pode resultar em lesões para
as pessoas ou em danos para o aparelho. Um símbolo no aparelho é referenciado no manual com
uma frase de precaução.
Quando encontrar este símbolo no instrumento, isto significa que deverá consultar o manual de
instruções para obter informações sobre o funcionamento do instrumento e/ou de segurança.
Desde 12 de Agosto de 2005, os equipamentos eléctricos marcados com este símbolo não poderão
ser depositados nos sistemas europeus públicos de recolha de resíduos. Em conformidade com a
legislação europeia e nacional (Directiva europeia 2002/98/CE), os utilizadores europeus de
equipamentos eléctricos deverão devolver os equipamentos usados ou em fim de vida ao Fabricante,
que procederá à sua eliminação sem quaisquer custos para o utilizador.
Nota: Para devolver o equipamento para reciclagem, entre em contacto com o seu fabricante ou fornecedor para obter
instruções sobre como devolver equipamentos no fim da vida útil, acessórios eléctricos e todos os itens auxiliares para
uma eliminação adequada.
Vista geral do produto
Este produto destina-se principalmente à utilização em aplicações de água potável municipal. As
aplicações de águas residuais e industriais devem ser identificadas como aplicáveis pelo fabricante
antes da instalação.
O Analisador de Cloro sem Reagentes monitoriza a concentração de cloro residual livre ou total na
água e é mais fiável em concentrações de cloro residual superiores a 0,1 ppm (mg/L). A combinação
de um controlador do modelo sc com um sensor de cloro com três eléctrodos, um sensor de pH
opcional e um sensor de caudal permitem uma melhor monitorização. Ambos os sensores registam
a temperatura da amostra. O sensor do pH transmite a leitura da temperatura ao visor do
controlador. O sensor de cloro utiliza a medição interna da temperatura e não transmite a medição
para o visor do controlador. Estão disponíveis como acessórios um kit regulador de pressão e um kit
de acidificação e limpeza.
Os sensores de cloro e de pH permanecem instalados no painel, nas células de caudal ligadas em
série. As células de caudal mantêm o contacto sensor-amostra e ajudam a impedir que os sensores
sequem quando o sistema não estiver a funcionar. As Figura 1, Figura 2, Figura 3 mostra a vista
geral do sistema e as células de caudal.
Cada sensor é ligado ao controlador através da passagem montada no painel. A passagem converte
os sinais analógicos dos sensores em sinais digitais utilizados pelo controlador. O controlador
converte os sinais digitais para os valores de medição do cloro, pH e temperatura e exibe esses
valores no visor. O controlador fornece alimentação aos sensores e à passagem digital.
O controlador pode ser configurado para provocar um estado de alarme ou aviso se os valores de
medição estiverem acima ou descerem abaixo dos valores especificados. Para mais informações
sobre os alarmes do controlador, consulte o manual do utilizador do controlador.
98
Português

Nota: Para mais informações sobre como armazenar os sensores quando o sistema não estiver em
funcionamento, consulte os manuais do utilizador do sensor.
Estão disponíveis duas configurações do analisador: uma opção de amostra aleatória (sem sensor
de pH) e uma opção de pH. A opção de Amostra Aleatória inclui o painel de fixação, o sensor de
cloro e a célula de caudal, uma célula de caudal de pH sem sensor, um sensor de caudal, a
passagem digital e o controlador. A opção de pH inclui estes itens e um sensor de pH.
Uma válvula de controlo de caudal regula o caudal da amostra. Uma taxa de caudal constante de
30-50 L/h é recomendada para um funcionamento correcto do sensor. A taxa de caudal ideal é
40 L/hora. Um único LED no sensor de caudal indica que a taxa de caudal da amostra é suficiente.
Se o LED não estiver aceso, a taxa de caudal deve ser ajustada até que o LED fique aceso. A taxa
de caudal exacta não é importante enquanto o LED estiver aceso, mas o caudal deve ser constante
dentro das especificações.
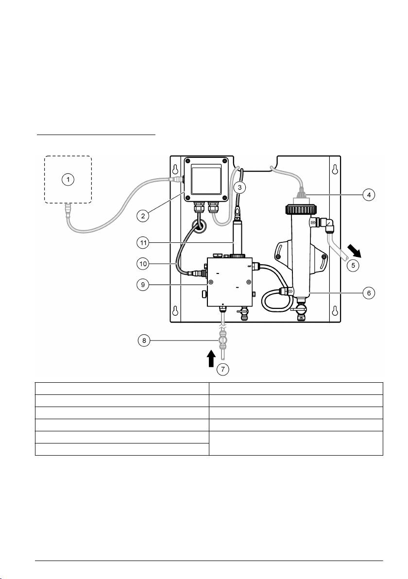
Figura 1 Vista geral do sistema
1 Controlador 7 Amostra introduzida
2 Passagem 8 Válvula, corte (fornecido pelo cliente)
3 Cabo do sensor de cloro 9 Célula de caudal de cloro
4 Sensor do pH (opcional) 10 Cabo do sensor de caudal
5 Drenagem da amostra 11 Sensor de cloro
6 Célula de caudal do pH
Português 99

Figura 2 Vista geral da célula de caudal de cloro
1 Sensor do caudal 8 Ligação exterior da amostra
• Medida imperial: Ligação "speed–fit"—3/8 pol.
DE do tubo
• Unidade métrica: Ligação "speed–fit"—DE de
10 mm do tubo
2 Ficha, 1/8 pol. NPTF 9 Marca do alinhamento do sensor de cloro
3 Marca de alinhamento da bóia 10 Válvula, porto de limpeza, 1/4 pol. DE do tubo
4 Ficha, 1/2 pol. NPTF 11 Entrada da célula de caudal
• Medida imperial: Ligação "speed–fit"—1/4 pol.
DE do tubo
• Unidade métrica: Ligação "speed–fit"—DE de
6 mm do tubo
5 Anel de bloqueio 12 Célula de caudal
6 Invólucro de vedação 13 Válvula de controlo do caudal
7 O-ring 14 Bóia
100 Português

