Hach-Lange CLF10 sc – страница 16
Инструкция к Hach-Lange CLF10 sc

Tablo 1 Olay kaydı (devamı)
Olay Açıklama
pHCalSetDefault (pHKalibrasyonAyarVarsayılan) pH kalibrasyon verileri varsayılan olarak sıfırlandı.
TempCalSetDefault (SıcaklıkKalibrasyonAyarVarsayılan) Sıcaklık kalibrasyon verileri varsayılan olarak
sıfırlandı.
AllCalSetDefault (TümKalibrasyonAyarVarsayılan) Tüm sensör kalibrasyon verileri varsayılan olarak
sıfırlandı.
CL2CalOptionChanged
Klor kalibrasyon seçeneği değiştirildi.
(CL2KalibrasyonSeçenekDeğişim)
pHCalOptionChanged (pHKalibrasyonSeçenekDeğişim) pH kalibrasyon seçeneği değiştirildi.
TempCalOptionChanged
Sıcaklık kalibrasyon seçeneği değiştirildi.
(SıcaklıkKalibrasyonSeçenekDeğişim)
SensorConfChanged (SensörKonfigürasyonDeğişim) Sensör konfigürasyonu değiştirildi.
ResetCL2CalHist (SıfırlaCL2KalibrasyonGeçmiş) CL2 kalibrasyon geçmişi sıfırlandı.
ResetpH CalHist (SıfırlapH KalibrasyonGeçmiş) pH kalibrasyon geçmişi sıfırlandı.
ResetTemp CalHist (SıfırlaSıcaklık KalibrasyonGeçmiş) Sıcaklık kalibrasyon geçmişi sıfırlandı.
ResetAllSensorsCalHist
Tüm sensör kalibrasyon geçmişi sıfırlandı.
(SıfırlaTümSensörlerKalibrasyonGeçmiş)
ResetCL2Sensor (SıfırlaCL2Sensör) CL2 kalibrasyon verileri (sensör günleri, kalibrasyon
geçmişi ve kalibrasyon verileri) varsayılan olarak
sıfırlandı.
ResetpHSensor (SıfırlapHSensör) pH kalibrasyon verileri (sensör günleri, kalibrasyon
geçmişi ve kalibrasyon verileri) varsayılan olarak
sıfırlandı.
ResetTempSensor (SıfırlaSıcaklıkSensör) Sıcaklık kalibrasyon verileri (sensör günleri,
kalibrasyon geçmişi ve kalibrasyon verileri) varsayılan
olarak sıfırlandı.
ResetAllSensors (SıfırlaTümSensörler) Tüm sensör kalibrasyon verileri (sensör günleri,
kalibrasyon geçmişi ve kalibrasyon verileri) varsayılan
olarak sıfırlandı.
Flow Detection (Akış Algılama) Yakınlık sensörünün durumu değiştirildi .
Hata listesi
Hatalar çeşitli nedenlerle oluşabilir. Ölçüm ekranında okunan sensör değeri yanıp söner. Kontrolör
menüsünde belirtildiğinde tüm sonuçlar bekletilir. Sensör hatalarını görüntülemek için MENU (MENÜ)
Türkçe
301

tuşuna basın ve Sensor Diag (Sensör Tanı), Error List (Hata Listesi) öğelerini seçin. Olası hataların
bir listesi aşağıda verilmiştir.
Tablo 2 Sensör hata listesi
Hata Açıklama Hassasiyet
CL CAL REQD (CL
Klor kalibrasyonu ve/veya pH
Klor sensörünü ve/veya pH sensörünü
KALİBRASYON GEREKLİ)
kalibrasyonu yapılması gerekir.
kalibre edin.
Bir Cal Watch (Kalibrasyon İzleme)
alarmının oluşmasına neden olacak
kadar klor ve/veya pH ölçümü
değişmiştir. Daha fazla bilgi için klor
sensörü kullanım kılavuzuna
başvurun.
CL MAINT REQD (CL BAKIMI
Klor sensör bakımının yapılması
Sensör bakımını yapın ve sonra
GEREKLİ)
gerekir.
kalibrasyonu tekrarlayın veya sensörü
değiştirin. Daha fazla bilgi için klor
Eğim varsayılanın %30 altında veya
sensörü kullanım kılavuzuna başvurun.
%300 üstünde.
Varsayılan eğim 100 mV/ppm'dir
(%100).
CL MAINT REQD (KLOR
Klor sensör bakımının yapılması
Sensör bakımını yapın ve sonra
BAKIMI GEREKLİ)
gerekir.
kalibrasyonu tekrarlayın veya sensörü
değiştirin. Daha fazla bilgi için klor
Ofset çok yüksek (±50 mV
sensörü kullanım kılavuzuna başvurun.
değerinden fazla).
PH TOO LOW (PH ÇOK
pH değeri, 0 pH değerinden az. pH sensörünü kalibre edin veya
DÜŞÜK)
değiştirin.
PH TOO HIGH (PH ÇOK
pH değeri, 14 pH değerinden fazla.
YÜKSEK)
PH SLOPE FAIL (PH EĞİMİ
Eğim -45 ila -65 mV/pH aralığının
pH sensörünü temizleyin ve sonra yeni
BAŞARISIZ)
dışında.
bir tamponla veya numuneyle
kalibrasyonu tekrarlayın veya sensörü
değiştirin.
PH OFFSET FAIL (PH OFSETİ
Ofset, ±60 mV değerinin dışında. pH sensörünü temizleyin ve sonra temiz
BAŞARISIZ)
bir tamponla veya numuneyle
kalibrasyonu tekrarlayın veya sensörü
değiştirin.
PH OFFSET FAIL (PH OFSETİ
Ofset, ±60 mV değerinin dışında. PH sensörünü temizleyin ve tuz
BAŞARISIZ)
köprüsünü ve standart hücre
solüsyonunu değiştirin. Temiz bir
tamponla veya numuneyle kalibrasyonu
tekrarlayın ya da sensörü değiştirin.
TEMP TOO LOW (SICAKLIK
Sıcaklık 0 °C değerinden az. Sıcaklığı kalibre edin veya pH
ÇOK DÜŞÜK)
sensörünü değiştirin.
TEMP TOO HIGH (SICAKLIK
Sıcaklık 100 °C değerinden fazla.
ÇOK YÜKSEK)
TEMP FAIL (SICAKLIK
Ofset, 5 °C değerinden yüksek ya da
Sıcaklığı kalibre edin veya pH
BAŞARISIZ)
-5 °C değerinden düşük.
sensörünü değiştirin.
NO FLOW (AKIŞ YOK) Akış seviyesi çok düşük. Akışı arttırın.
Uyarı listesi
Uyarı, menülerin, rölelerin ve çıkışların çalışmasını etkilemez. Bir uyarı simgesi yanıp söner ve ölçüm
ekranının altında bir mesaj görüntülenir. Sensör uyarılarını görüntülemek için MENU(MENÜ) tuşuna
302
Türkçe

basın ve Sensör Diag (Sensör Tanı), Warning List (Uyarı Listesi) öğelerini seçin. Olası uyarıların bir
listesi aşağıda verilmiştir.
Tablo 3 Sensör uyarı listesi
Uyarı Açıklama Çözüm
CL CAL RECD (CL
Bir klor ve/veya pH kalibrasyonunun yapılması
Klor sensörünü ve/veya pH
KALİBRASYON TAVSİYE)
tavsiye edilir.
sensörünü kalibre edin.
Bir Cal Watch (Kalibrasyon İzleme) uyarı
alarmının oluşmasına neden olacak kadar klor
ve/veya pH ölçümü değişmiştir. Daha fazla bilgi
için sensör kullanım kılavuzuna başvurun.
CL CAL RECD (CL
Klor kalibrasyonu yapılması tavsiye edilir.
Klor sensörünü kalibre edin.
KALİBRASYON TAVSİYE)
Klor kalibrasyon verileri mevcut değil (varsayılan
kalibrasyon ayarlı sensör).
PH CAL RECD (PH
Bir pH kalibrasyonu yapılması tavsiye edilir.
pH sensörünü kalibre edin.
KALİBRASYON TAVSİYE)
pH kalibrasyon verileri mevcut değil (varsayılan
kalibrasyon ayarlı sensör).
TEMP CAL RECD (SICAKLIK
Bir sıcaklık kalibrasyonu yapılması tavsiye edilir.
Sıcaklığı kalibre edin.
KALİBRASYON TAVSİYE)
Sıcaklık kalibrasyon verileri mevcut değil
(varsayılan kalibrasyon ayarlı sensör).
CL CAL TO DO (CL
Klor sensörü için Sensör Günleri değeri Cal
Klor sensörünü kalibre edin.
KALİBRASYON YAPILACAK)
Reminder (Kalibrasyon Hatırlatıcısı) değerinden
daha büyüktür..
PH CAL TO DO (PH
pH sensörü için Sensör Günleri değeri, Cal
pH sensörünü kalibre edin.
KALİBRASYON YAPILACAK)
Reminder (Kalibrasyon Hatırlatıcısı) değerinden
daha büyüktür..
TEMP CAL TO DO (SICAKLIK
Sıcaklık sensörü için Sensör Günleri değeri Cal
Sıcaklığı kalibre edin.
KALİBRASYON YAPILACAK)
Reminder (Kalibrasyon Hatırlatıcısı) değerinden
daha büyük.
CL MAINT RECD (CL BAKIM
Klor sensör bakımının yapılması tavsiye edilir.
Sensör bakımını yapın ve
TAVSİYE)
sonra kalibrasyonu
Eğim, varsayılanın %30 ila 45 altında veya eğim
tekrarlayın veya sensörü
varsayılanın %250 ila 300 üzerindedir.
değiştirin.
Varsayılan eğim 100 mV/ppm'dir (%100).
CL MAINT RECD (CL BAKIM
Klor sensör bakımının yapılması tavsiye edilir.
Sensör bakımını yapın ve
TAVSİYE)
sonra kalibrasyonu
Ofset, -50 mV ila 45 mV veya ofset 45 mV ila
tekrarlayın veya sensörü
50 mV aralığındadır.
değiştirin.
PH MAINT RECD (PH BAKIM
pH sensör bakımının yapılması tavsiye edilir.
pH sensörünü temizleyin ve
TAVSİYE)
sonra yeni bir tamponla veya
Eğim -50 ila -61 mV/pH aralığının dışında.
numuneyle kalibrasyonu
tekrarlayın veya sensörü
değiştirin.
PH MAINT RECD (PH BAKIM
pH sensör bakımının yapılması tavsiye edilir.
Sensörü temizleyin ve sonra
TAVSİYE)
kalibrasyonu tekrarlayın
Ofset, ±45 mV değerinin dışında ancak ±60 mV
veya sensörü değiştirin.
değerinin içinde.
PH MAINT RECD (PH BAKIM
pH sensör bakımının yapılması tavsiye edilir.
Sensörü temizleyin ve tuz
TAVSİYE)
köprüsü ile standart hücre
Ofset, ±45 mV değerinin dışında ancak ±60 mV
çözeltisini değiştirin ve sonra
değerinin içinde.
kalibrasyonu tekrarlayın
veya sensörü değiştirin.
T MAINT RECD (SICAKLIK
Sıcaklık ofseti, ±3 °C değerinin dışında ama
Sıcaklığı kalibre edin.
BAKIM TAVSİYE)
±5 °C değerinin içinde.
Türkçe 303

Parça ve aksesuar değişimi
U Y A R I
Yaralanma tehlikesi. Onaylanmayan parçaların kullanımı kişisel yaralanmalara, cihazın zarar
görmesine ya da donanım arızalarına neden olabilir. Bu bölümdeki yedek parçalar üretici tarafından
onaylanmıştır.
Not: Bazı satış bölgelerinde Ürün ve Madde numaraları değişebilir. İrtibat bilgileri için uygun distribütörle bağlantı
kurun veya şirketin web sitesine başvurun.
Parçalar
Açıklama Öğe no.
Kablo, kontrolöre giriş, 1 m 6122400
Kurulum kablosu, 4 pimli, kılıflı, akış sensörü, 2 m 9160900
Kurulum kablosu, 5 pimli, kılıflı, M12, klor sensörü, 1 m 9160300
İngiliz:
9159200 (1/4 inç)
Teçhizat, klor akış hücresi için giriş portu
Metrik:
9196400 (6 mm)
İngiliz:
Teçhizat, hızlı takılan su tesisatı, klor akış hücresi için çıkış portu veya pH akış hücresi
9159300 (3/8 inç)
için giriş portu
Metrik:
9196500 (10 mm)
İngiliz:
9196900 (1/2 inç)
Teçhizat, boru dirseği, pH akış hücresi için çıkış portu
Metrik:
9197000 (12 mm)
duba, akış sensörü 9159100
İngiliz: 9198400
Akış hücresi montajı, klor
Metrik: 9198500
İngiliz: 9180200
Akış hücresi montajı, pH kombinasyon
Metrik: 9180400
Akış hücresi montajı, pHD
İngiliz: 9180100
sızdırmazlık göbeği dahil
Metrik: 9180300
Sadece akış hücre gövdesi (pH) 9159700
Akış hücre bloğu, klor 9158900
Akış kontrol valfi 9159000
Akış kontrol valf kiti 9198600
Akış sensörü 9160800
Geçit, dijital 9180500
Kilitleme halkası, klor akış hücresi 9196200
Kilitleme halkası, pH akış hücresi 60F2032-001
O-halkası, akış kontrol valfi (2x) (#2-108, Viton) 9159600
O-halkası, pH akış hücresi (#2-228, Viton) 5H1223
O-halkası, sızdırmazlık göbeği, klor akış hücresi (#2-123, Viton) 9196300
O-halkası, Ayırma Halkası (M25 x 2,5) 9181800
304 Türkçe

Parça ve aksesuar değişimi (devamı)
Açıklama Öğe no.
Tapa, klor akış hücresi, 1/2 inç 9159500
Vida, klor akış hücresi (2x) (10-32 x 1,75 Lg Phillps tava başlı) 4422200
Vida, pH akış hücresi (2x) (10-32 x .5 Lg Phillps tava başlı) 561211
Sızdırmazlık boşluğu, pH akış hücresi 9198000
Sızdırmazlık göbeği, klor akış hücresi 9196100
Sızdırmazlık göbeği, pH kombinasyon sensörü, 3/4 inç 9159800
Sızdırmazlık gövdesi, pHD akış hücresi, 1 inç 60F2021-001
Ayırma halkası, klor akış hücresi 9181700
Hortum, numune yolu, 1/4 inç x 2 m 4743800
Hortum, numune yolu, 3/8 inç x 18 inç 9198100
Hortum, atık yolu, 1/2 inç x 2 m 9198200
Valf, numune alım portu 9005300
Valf, hızlı takılan su tesisatı, temizleme portu 6166300
Aksesuarlar
Açıklama Öğe no.
Asitlendirme Kiti LZY051
Basınç Düzenleyici Numune İyileştirme Kiti 9159900
Türkçe 305

Obsah
Špecifikácie na strane 306 Údržba na strane 315
Všeobecné informácie na strane 306 Riešenie problémov na strane 319
Inštalácia na strane 311 Náhradné diely a príslušenstvo na strane 322
Prevádzka na strane 314
Špecifikácie
Technické údaje podliehajú zmenám bez upozornenia.
Špecifikácia Podrobnosti
Popis zariadenia Amperometrický analyzátor bez reagentov na
monitorovanie chlóru so senzormi chlóru a prietoku a
voliteľnou kombinovanou pH alebo pHD sondou,
prietokovými celami, kontrolérom sc a digitálnym
rozhraním
Prevádzková teplota 0 až 45 °C (0 až 113 °F)
Teplota skladovania (iba panel) –20 až 60 °C (–4 až 149 °F)
Napájanie 12 V jednosmerné ± 10 %, maximálne 100 mA
(prostredníctvom kontroléra sc)
Rozmery panela (D x Š x H) 48,3 x 49,5 x 15,1 cm (19 x 19,5 x 5,95 palcov) s
komponentmi namontovanými na paneli
Hmotnosť Približne 5,4 kg (12 libier) (panel a iba prázdne
komponenty namontované na paneli)
Prietoková rýchlosť Rozsah: 30 – 50 l/h (7,9 – 13,2 galónov/h)
Optimálna: 40 l/h (10,5 galónu/h)
Platforma kontroléra Modely kontrolérov sc
Všeobecné informácie
Výrobca v žiadnom prípade nenesie zodpovednosť za priame, nepriame, mimoriadne, náhodné
alebo následné škody spôsobené chybou alebo opomenutím v tomto návode na použitie. Výrobca si
vyhradzuje právo na vykonávanie zmien v tejto príručke alebo na predmetnom zariadení kedykoľvek,
bez oznámenia alebo záväzku. Revidované vydania sú k dispozícii na webových stránkach výrobcu.
Bezpečnostné informácie
P O Z N Á M K A
Výrobca nie je zodpovedný za škody spôsobené nesprávnym alebo chybným používaním tohto zariadenia
vrátane, okrem iného, priame, náhodné a následné škody, a odmieta zodpovednosť za takéto škody v plnom
rozsahu povolenom príslušným zákonom. Používateľ je výhradne zodpovedný za určenie kritického rizika pri
používaní a zavedenie náležitých opatrení na ochranu procesov počas prípadnej poruchy prístroja.
Pred vybalením, nastavením alebo prevádzkou tohto zariadenia si prečítajte prosím celý návod.
Venujte pozornosť všetkým výstrahám a upozorneniam na nebezpečenstvo. Zanedbanie môže mať
za následok vznik vážnych zranení obsluhy alebo poškodenie zariadenia.
Ak si chcete byť istí, že ochrana tohto zariadenia nebude porušená, nepoužívajte ani nemontujte toto
zariadenie iným spôsobom, ako je uvedený v tomto návode.
306
Slovenský jazyk

Informácie o možnom nebezpečenstve
N E B E Z P E Č I E
Označuje potenciálne alebo bezprostredne nebezpečnú situáciu, ktorá, ak sa jej nezabráni, spôsobí smrť alebo
vážne zranenie.
V A R O V A N I E
Označuje potenciálne alebo bezprostredne nebezpečnú situáciu, ktorá, ak sa jej nezabráni, by mohla spôsobiť
smrť alebo vážne zranenie.
U P O Z O R N E N I E
Označuje potenciálne ohrozenie s možným ľahkým alebo stredne ťažkým poranením.
P O Z N Á M K A
Označuje situáciu, ktorá, ak sa jej nezabráni, môže spôsobiť poškodenie prístroja. Informácie, ktoré vyžadujú
zvýšenú pozornosť.
Výstražné štítky
Preštudujte si všetky štítky a značky, ktoré sa nachádzajú na zariadení. Pri ich nedodržaní hrozí
poranenie osôb alebo poškodenie prístroja. Symbol na prístroji je vysvetlený v príručke s
bezpečnostnými pokynmi.
Tento symbol na prístroji upozorňuje na prevádzkovú alebo bezpečnostnú informáciu v príručke
s pokynmi.
Elektrické zariadenie označené týmto symbolom sa po 12. auguste 2005 nesmie likvidovať v
európskych verejných systémoch likvidácie odpadov. V súlade s európskymi, miestnymi a národnými
predpismi (smernica EÚ 2002/98/ES) európski používatelia elektrických zariadení teraz musia vracať
staré a opotrebované zariadenia výrobcovi na bezplatnú likvidáciu, používateľovi sa neúčtujú žiadne
poplatky.
Poznámka: Pred vrátením na recykláciu, prosím, kontaktujte výrobcu alebo dodávateľa zariadenia, aby vám poskytol
pokyny ako vrátiť zariadenie po ukončení jeho životnosti, elektrické príslušenstvo dodané výrobcom a všetky pomocné
položky, na zabezpečenie ich správnej likvidácie.
Prehľad zariadenia
Tento prístroj je určený najmä pre komunálne systémy pitnej vody. Použitie prístroja na odpadovú
vodu či priemyselné aplikácie je nutné vopred oznámiť výrobcovi na účel schválenia.
Analyzátor chlóru bez reagentov monitoruje koncentráciu voľného alebo celkového zostatkového
chlóru vo vode a najspoľahlivejšie výsledky dosahuje pri koncentráciách zostatkového chlóru vyšších
ako 0,1 ppm (mg/l). Kombinácia modelu kontroléra sc, trojelektródového senzora chlóru, voliteľného
senzora pH a senzora prietoku poskytuje prvotriedne monitorovacie funkcie. Oba senzory merajú
teplotu vzoriek. Senzor pH posiela údaj o teplote do kontroléra na zobrazenie. Senzor chlóru používa
meranie teploty interne a neposiela ho do regulátora na zobrazenie. Jednotka na reguláciu tlaku a
acidifikačná a čistiaca jednotka sú k dispozícii ako príslušenstvo.
Senzor chlóru a senzor pH sú umiestnené v prietokových celách zapojených do série, ktoré sú
namontované na paneli. Prietokové cely udržiavajú senzory v kontakte so vzorkami a zabraňujú
vyschnutiu senzorov, keď sa systém nepoužíva. Obrázok 1, Obrázok 2 a Obrázok 3 znázorňujú
prehľad systému a prietokové cely.
Každý senzor sa pripája ku kontroléru cez rozhranie namontované na paneli. Rozhranie prevádza
analógové signály zo senzorov na digitálne signály, ktoré používa kontrolér. Kontrolér prevádza
digitálne signály na namerané hodnoty chlóru, pH a teploty, ktoré zobrazuje na displeji. Kontrolér
slúži ako zdroj napájania pre senzory a digitálne rozhranie.
Kontrolér možno nakonfigurovať tak, aby vyvolal upozornenie alebo výstrahu, ak namerané hodnoty
stúpnu nad alebo klesnú pod určené hodnoty. Informácie o upozorneniach kontroléra nájdete
v návode na použitie kontroléra.
Slovenský jazyk
307

Poznámka: Informácie o skladovaní senzorov, keď sa systém nepoužíva, nájdete v návodoch na použitie
senzorov.
K dispozícii sú dve konfigurácie analyzátora: Možnosť Bodová vzorka (bez pH senzora) a možnosť
pH. Možnosť Bodová vzorka obsahuje montážny panel, senzor chlóru, prietokovú celu pre chlór,
prietokovú celu pre pH bez senzora, senzor prietoku, digitálne rozhranie a kontrolér. Možnosť pH
obsahuje okrem týchto položiek aj senzor pH.
Prietok vzoriek reguluje ventil na reguláciu prietoku. Na správne fungovanie senzorov sa odporúča
konštantná prietoková rýchlosť 30 – 50 l/h. Optimálna prietoková rýchlosť je 40 l/h. Indikátor LED na
senzore prietoku indikuje dostatočnú prietokovú rýchlosť vzoriek. Ak tento indikátor LED nesvieti, je
potrebné upraviť prietokovú rýchlosť, až kým sa indikátor LED nerozsvieti. Presná prietoková
rýchlosť nie je dôležitá, pokiaľ indikátor LED svieti, avšak prietoková rýchlosť musí byť neustále v
rozsahu špecifikácií.
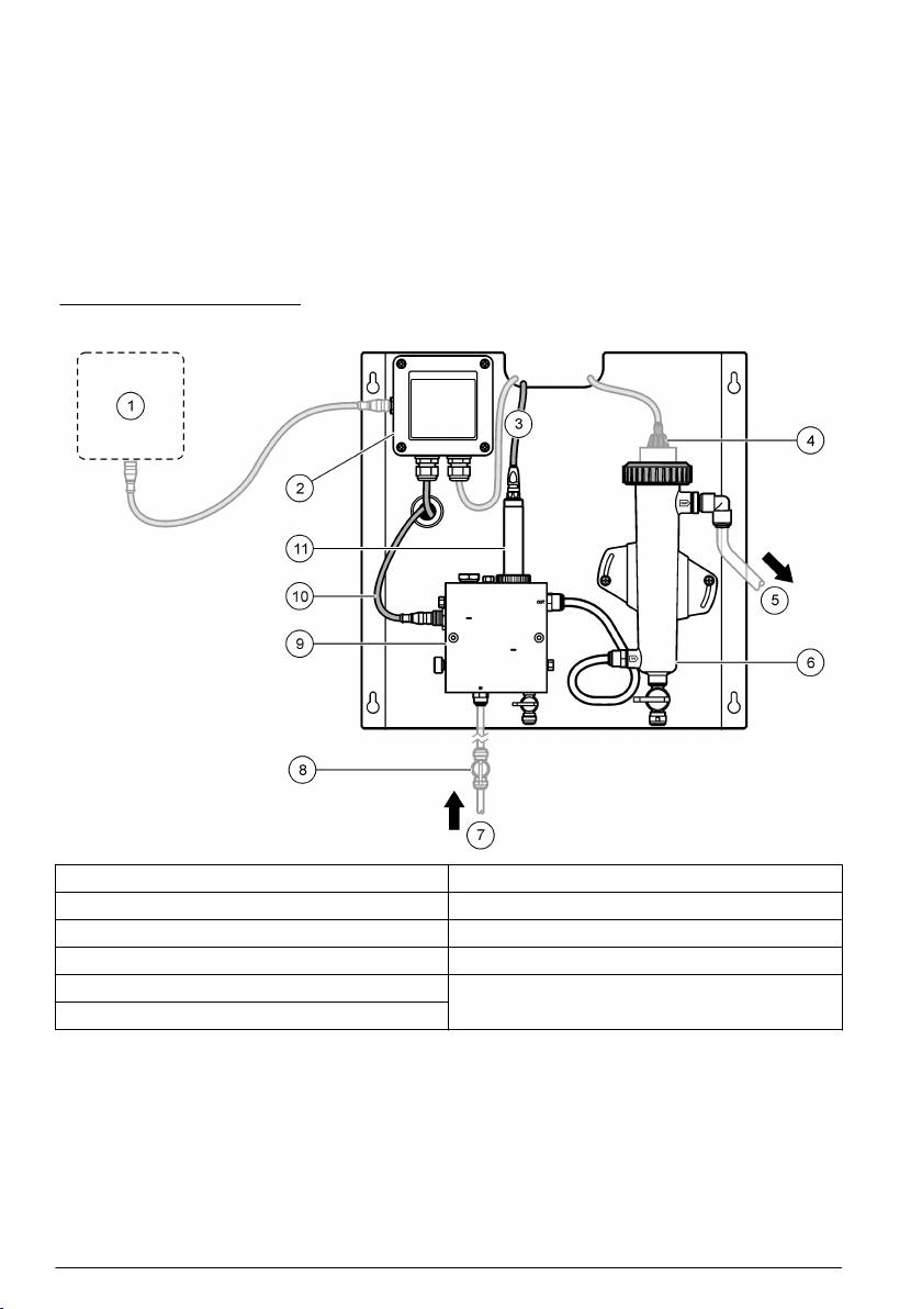
Obrázok 1 Prehľad systému
1 Kontrolér 7 Prívod vzoriek
2 Rozhranie 8 Ventil, uzavierací (dodaný zákazníkom)
3 Kábel senzora chlóru 9 Prietoková cela pre chlór
4 Senzor pH (voliteľný) 10 Kábel senzora prietoku
5 Odtok vzoriek 11 Senzor chlóru
6 Prietoková cela pre pH
308 Slovenský jazyk

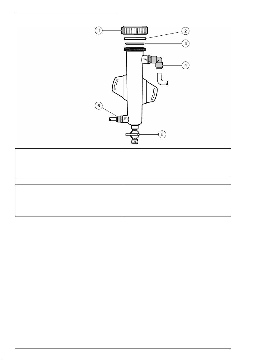
Obrázok 2 Prehľad prietokovej cely pre chlór
1 Senzor prietoku 8 Fiting na odvod vzoriek
• Anglické: rýchlospojka – 3/8 palca (vonkajší
priemer potrubia)
• Metrické: rýchlospojka – 10 mm (vonkajší
priemer potrubia)
2 Zátka, 1/8 palca, NPTF 9 Značka na zarovnanie senzora chlóru
3 Značka na zarovnanie plaváka 10 Ventil, čistiaci otvor, 1/4 palca (vonkajší priemer
potrubia)
4 Zátka, 1/2 palca, NPTF 11 Prívod do prietokovej cely
• Anglické: rýchlospojka – 1/4 palca (vonkajší
priemer potrubia)
• Metrické: rýchlospojka – 6 mm (vonkajší
priemer potrubia)
5 Poistný krúžok 12 Prietoková cela
6 Tesniaca spojka 13 Ventil na reguláciu prietoku
7 Tesniaci krúžok 14 Plavák
Slovenský jazyk 309

Obrázok 3 Prehľad prietokovej cely pre pH
1 Poistný krúžok 4 Fiting na odvod vzoriek
Anglické: rýchlospojka, koleno – 1/2 palca (vonkajší
priemer)
Metrické: rýchlospojka, koleno – 12 mm (vonkajší
priemer)
2 Tesniaca záslepka 5 Otvor na bodovú vzorku
3 Tesniaci krúžok 6 Prívod do prietokovej cely
• Anglické: rýchlospojka – 3/8 palca (vonkajší
priemer)
• Metrické: rýchlospojka – 10 mm (vonkajší
priemer)
Komponenty výrobku
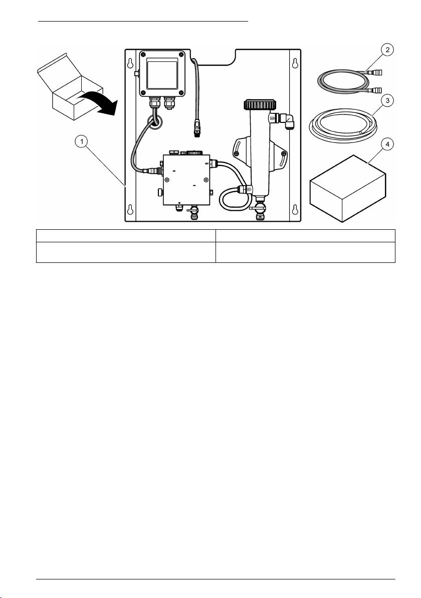
Uistite sa, že ste obdržali všetky komponenty. Pozri Obrázok 1 na strane 308. Ak nejaká položka
chýba alebo je poškodená, okamžite kontaktujte výrobcu alebo obchodného zástupcu.
310
Slovenský jazyk

Obrázok 4 Panel s analyzátorom chlóru bez reagentov
1 Panel systému 3 Potrubie, 12 mm (½ palca)
2 Kábel konektora na pripojenie rozhrania ku
4 Senzor chlóru
kontroléru, 1 m (3,3 stopy)
Inštalácia
Pokyny k inštalácii
• Najprv vykonajte mechanickú montáž, potom elektrickú inštaláciu a nakoniec inštaláciu rozvodov.
• Všetky armatúry sú určené iba na ručné doťahovanie.
• Panel možno namontovať na stenu alebo na stojan. Panel namontujte alebo umiestnite na
prístupné miesto.
• Panel neumiestňujte do blízkosti zdroja tepla.
• Panel neumiestňujte do prostredia s častými otrasmi.
• Panel neumiestňujte na priame slnečné svetlo.
• Panel namontujte v interiéri alebo v uzavretom priestore.
• Zabráňte tvorbe kondenzácie na paneli a jeho súčastiach, najmä na prietokovej cele, senzore a
mieste káblového pripojenia senzora.
• Na prívod vzoriek použite potrubie z lineárneho polyetylénu s nízkou hustotou Teflon
®
alebo
PVDF. Prívod by mal byť čo najkratší, aby sa minimalizovalo oneskorenie.
• Tlak vo vzorke musí byť dostatočný, aby sa zabezpečil nepretržitý tok vody k senzorom. Ak je
prietok dostatočný, indikátor LED na senzore prietoku svieti.
• Prietokovú rýchlosť udržiavajte podľa možnosti čo najviac konštantnú, aby senzory fungovali čo
najlepšie.
Pokyny k vzorkovaciemu potrubiu
Výberom vhodného a reprezentatívneho miesta odberu vzoriek zabezpečte maximálny výkon
prístroja. Vzorka musí zastupovať celý systém.
Ak chcete predísť chybným meraniam:
• Vzorky odoberajte z miest, ktoré sú dostatočne vzdialené od oblastí, v ktorých sa do rozvodu
pridávajú chemikálie.
• Zabezpečte, aby boli vzorky dostatočne premiešané.
Slovenský jazyk
311

• Všetky chemické reakcie musia byť ukončené.
Mechanická montáž
Montáž panela
Obrázok 5 znázorňuje montážne rozmery. Pri montáži panela sa riaďte týmto obrázkom a postupujte
podľa nasledujúcich krokov.
1. Pripevnite montážne skrutky na montážny povrch. Pri montáži použite skrutky alebo kotvy určené
do steny. Medzi hlavou každej skrutky a montážnym povrchom nechajte dostatok miesta pre
panel.
2. Nasuňte montážne otvory panela na hlavy montážnych skrutiek a posúvajte panel nadol, kým sa
nebudú vrchné časti jednotlivých montážnych otvorov opierať o telá skrutiek.
3. Utiahnite jednotlivé skrutky, čím pripevníte panel k montážnemu povrchu.
4. Nainštalujte senzor chlóru a senzor pH (voliteľný) do prietokových ciel. Informácie o inštalácii
senzorov nájdete v návode na používanie senzora.
Obrázok 5 Rozmery panela s analyzátorom chlóru bez reagentov
312 Slovenský jazyk

Elektrická inštalácia
Elektrické zapojenie panela
V A R O V A N I E
Nebezpečenstvo smrteľného úrazu elektrickým prúdom. Pred prácou na elektrických pripojeniach vždy
odpojte zariadenie od napájania.
Kontrolér slúži ako zdroj napájania pre senzory a digitálne rozhranie.
1. Vypnite prívod prúdu do kontroléra.
2. Pripojte káble senzora pH (voliteľný) k rozhraniu. Informácie o nainštalovaní senzorov do
prietokových ciel a o pripojení senzorov k rozhraniu nájdete v návodoch na použitie senzorov.
3. Pripojte senzor chlóru k rozhraniu. Informácie o pripojení senzora k rozhraniu nájdete v návode
na použitie senzora.
Poznámka: Panel sa dodáva s káblom senzora chlóru prilepeným páskou k prednej strane panela v blízkosti
miesta pripojenia senzora.
4. Pripojte kontrolér k rozhraniu pomocou spojovacieho kábla s dĺžkou 1 m, ktorý sa dodáva s
panelom.
Montáž potrubí
Inštalácia potrubí panela
Dodržte rozmerové špecifikácie pre všetky potrubia a fitingy panela. Priemer potrubí sa musí v smere
toku vody cez systém zväčšovať, aby sa zabránilo narastaniu spätného tlaku. Obrázok 1
na strane 308 obsahuje prehľad pripojení potrubí.
1. Pripojte potrubia k fitingom na prívod a odvod vzoriek.
2. Uistite sa, že čistiaci otvor na prietokovej cele pre chlór je zatvorený.
3. Uistite sa, že otvor na bodový odber vzorky na prietokovej cele pre pH je zatvorený.
4. Otvorte prietokový ventil vo vzorkovacom potrubí a nechajte vodu pretekať systémom.
5. Skontrolujte, či z potrubí, fitingov ventilov alebo prietokových ciel neuniká voda.
6. Prietokovú celu pre pH možno pootočiť o 0º až 30º, aby sa minimalizovala tvorba vzduchových
bublín. Pozrite si Obrázok 6.
Slovenský jazyk
313

Obrázok 6 Pootočenie prietokovej cely pre pH
Prevádzka
Navigácia používateľa
Pozrite si dokumentáciu kontroléra, kde nájdete popis klávesnice a informácie o navigácii.
Konfigurácia systému
Konfigurovanie a kalibrácia systému sa vykonávajú prostredníctvom užívateľského rozhrania
kontroléra. Ďalšie informácie o konfigurovaní alebo kalibrácii senzora nájdete v návode na použitie
senzora.
Kontrolér modelu sc musí byť pripojený k rozhraniu.
1. V hlavnej ponuke kontroléra vyberte položku Sensor Setup (Nastavenie senzora).
Zobrazí sa ponuka Chlorine Gateway (CGW) Setup (Nastavenie rozhrania pre chlór (CGW)).
2. Vyberte položku Configure (Konfigurovať) a nastavte jednotlivé parametre. Každú položku
potvrďte, aby sa uložili zmeny, a potom sa vráťte do ponuky Configure (Konfigurovať).
Voľba Popis
Edit name (Upraviť názov) Úprava názvu senzora.
314 Slovenský jazyk

Voľba Popis
Select Parameter (Vybrať parameter) – Chlorine
Výber parametra na konfiguráciu.
(Total or Free) (Chlór (celkový alebo voľný)), pH
Nakonfigurovanie vybratého parametra si
(optional) (pH (voliteľné)), Temperature (optional)
vyžaduje ďalšie kroky. Ďalšie informácie nájdete
(Teplota (voliteľné))
v návode na použitie senzora.
Reset Defaults (Obnoviť predvolené nastavenia) –
Obnovenie výrobcom predvolených hodnôt
Confirm to do the reset (Potvrdiť obnovenie)
všetkých nastavení.
Spustenie systému
Pred spustením prietoku cez systém sa najprv uistite, že bola správne vykonaná kompletná
mechanická a elektrická montáž ako aj montáž rozvodov.
1. Zapnite prívod prúdu do kontroléra.
Pri prvom zapnutí kontrolér zobrazí obrazovky Language (Jazyk), Date Format (Formát dátumu)
a Date/Time (Dátum/Čas) v tomto poradí.
2. V kontroléri nastavte jazyk, dátum a čas, ak ste to ešte neurobili. Ďalšie informácie o nastavení
týchto možností nájdete v návode na použitie regulátora.
Kontrolér vyhľadá pripojené zariadenia.
3. Uistite sa, že sú čistiaci otvor a otvor na bodový odber vzorky zatvorené, potom otvorte
uzatvárací ventil vo vzorkovacom potrubí, aby systémom začala pretekať voda.
Prietoková cela pre chlór a prietoková cela pre pH sa naplnia vodou.
4. Uistite sa, že svieti indikátor LED na senzore prietoku. Ak indikátor LED nesvieti, zvýšte prietok
pomocou ventilu na reguláciu prietoku.
Indikátor LED na senzore prietoku sa rozsvieti, keď bude prietok dostatočný na správnu činnosť
senzora. Ak je prietok príliš vysoký, indikátor LED nemusí svietiť. Uistite sa, že plavák je približne
zarovnaný so značkou na zarovnanie plaváka.
5. Skontrolujte potrubia a prietokové cely, či z nich neuniká voda alebo či nie sú upchané. Ak zistíte
akýkoľvek problém, zastavte prítok do panela a vykonajte potrebné opravy.
6. Keď je v systéme dostatočný prietok, vymažte prípadné výstrahy, ktoré sa objavili na displeji
kontroléra vykonaním navrhovaných operácií.
7. Stlačte tlačidlo HOME (DOMOV).
Zobrazí sa hlavná obrazovka merania s meranými hodnotami chlóru, teploty a pH (ak je pripojený
senzor pH).
Údržba
N E B E Z P E Č I E
Viacnásobné nebezpečenstvo. Úkony popísané v tejto časti návodu smú vykonávať iba kvalifikovaní
pracovníci.
Výmena potrubí
Potrubia vymeňte aspoň raz ročne. Nalomené, prasknuté alebo deravé potrubia okamžite vymeňte.
Staré, znečistené alebo poškodené potrubia, prípadne potrubia so zmenenou farbou vymeňte za
potrubia rovnakého priemeru a typu (Teflon
®
alebo PVDF).
Čistenie prietokovej cely so senzorom
Prietokovú celu podľa potreby vyčistite, aby ste odstránili usadeniny. Prietokovú celu vyčistite, ak je
veľmi znečistená. Prietokovú celu vymeňte, ak je poškodená, má zmenenú farbu alebo nie je
priehľadná. Ak chcete prietokovú celu vyčistiť, nemusíte ju odmontovať od panela.
Poznámka: Na čistenie prietokovej cely pre chlór nikdy nepoužívajte detergenty ani tenzidy.
1. Zastavte prítok do panela.
Slovenský jazyk
315

2. Odmontujte senzor chlóru a vložte ho do nádoby naplnenej vzorkou chlórovanej vody.
Poznámka: Nevypínajte prívod prúdu do senzora. Ak je vypnutý prívod prúdu do senzora chlóru, pred použitím
je nutné ho kondicionovať a nakalibrovať.
Poznámka: Keď vyberiete senzor z prietokovej cely s pripojeným káblom senzora, zmenia sa výstupné signály
senzora. Ďalšie informácie nájdete v návode na použitie regulátora.
3. Prepláchnite prietokovú celu vodou a vydrhnite ju jemnou kefou so štetinami, aby ste odstránili
usadeniny.
4. Prepláchnite prietokovú celu vodou.
5. Ak prietoková cela nie je dostatočne čistá, namočte ju na 10 až 15 minút do roztoku 3- až 5-
percentného peroxidu vodíka zmiešaného s octom v pomere 1:3.
6. Prepláchnite prietokovú celu vodou.
7. Namontujte senzor do prietokovej cely a zapnite prietok vzoriek.
Výmena senzora prietoku
Za normálnych podmienok nie je potrebná pravidelná údržba ani výmeny senzora prietoku. Ak však
LED indikátor prietoku nesvieti, keď je plavák na značke zarovnania alebo nad ňou a je zapnutý
prívod prúdu, pravdepodobne je nutná výmena senzora. Ak chcete odstrániť prietokový senzor,
postupujte podľa nasledujúcich ilustrovaných krokov.
Poznámka: Pri výmene senzora prietoku nie je nutné odstrániť senzor chlóru, vypustiť vodu z prietokovej cely ani
vypnúť prívod prúdu do kontroléra.
316 Slovenský jazyk

Slovenský jazyk 317

Výmena ventilu na reguláciu prietoku
318 Slovenský jazyk

Riešenie problémov
Protokol udalostí
Kontrolér poskytuje jeden protokol udalostí pre každý senzor. Protokol udalostí obsahuje rôzne
udalosti, ktoré sa týkajú zariadení, napríklad vykonané kalibrácie, zmeny možností kalibrácie atď.
Nižšie je uvedený zoznam možných udalostí. Protokol udalostí si môžete pozrieť vo formáte CSV.
Pokyny k preberaniu protokolov nájdete v návode na použitie regulátora.
Tabuľka 1 Protokol udalostí
Udalosť Popis
Power On (Zapnutie) Napájanie bolo zapnuté.
Flash Failure (Chyba pamäte flash) Externá pamäť flash zlyhala alebo je poškodená.
1pointpHCalibration_Start Začiatok jednobodovej kalibrácie vzorky pre pH
1pointpHCalibration_End Koniec jednobodovej kalibrácie vzorky pre pH
2pointpHCalibration_Start Začiatok dvojbodovej kalibrácie vzorky pre pH
2pointpHCalibration_End Koniec dvojbodovej kalibrácie vzorky pre pH
1pointBufferpHCalibration_Start Začiatok jednobodovej kalibrácie pufra pre pH
1pointBufferpHCalibration_End Koniec jednobodovej kalibrácie pufra pre pH
2pointBufferpHCalibration_Start Začiatok dvojbodovej kalibrácie pufra pre pH
2pointBufferpHCalibration_End Koniec dvojbodovej kalibrácie pufra pre pH
TempCalibration_Start Začiatok kalibrácie teploty
TempCalibration_End Koniec kalibrácie teploty
1pointChemZeroCL2_Start Začiatok jednobodovej kalibrácie chemickej nuly pre chlór
1pointChemZeroCL2_End Koniec jednobodovej kalibrácie chemickej nuly pre chlór
1pointElecZeroCL2_Start Začiatok jednobodovej kalibrácie elektrickej nuly pre chlór
1pointElecZeroCL2_End Koniec jednobodovej kalibrácie elektrickej nuly pre chlór
1pointProcessConc_Start Začiatok jednobodovej kalibrácie prevádzkovej koncentrácie pre chlór
1pointProcessConc _End Koniec jednobodovej kalibrácie prevádzkovej koncentrácie pre chlór
2pointChemCL2_Start Začiatok dvojbodovej chemickej kalibrácie pre chlór
2pointChemCL2_End Koniec dvojbodovej chemickej kalibrácie pre chlór
2pointElecCL2_Start Začiatok dvojbodovej elektrickej kalibrácie pre chlór
2pointElecCL2_End Koniec dvojbodovej elektrickej kalibrácie pre chlór
CL2CalSetDefault Kalibrácia chlóru bola resetovaná na prednastavené hodnoty.
pHCalSetDefault Údaje o kalibrácii pH boli resetované na prednastavené hodnoty.
TempCalSetDefault Údaje o kalibrácii teploty boli resetované na prednastavené hodnoty.
AllCalSetDefault Všetky predvolené údaje o kalibrácii senzora boli resetované na
prednastavené hodnoty.
CL2CalOptionChanged Bola zmenená možnosť kalibrácie chlóru.
pHCalOptionChanged Bola zmenená možnosť kalibrácie pH.
TempCalOptionChanged Bola zmenená možnosť kalibrácie teploty.
Slovenský jazyk 319

Tabuľka 1 Protokol udalostí (pokraèovanie)
Udalosť Popis
SensorConfChanged Bola zmenená konfigurácia senzora.
ResetCL2CalHist Bola vynulovaná história kalibrácií CL2.
ResetpH CalHist Bola vynulovaná história kalibrácií pH.
ResetTemp CalHist Bola vynulovaná história kalibrácií teploty.
ResetAllSensorsCalHist Bola vynulovaná celá história kalibrácií senzora.
ResetCL2Sensor Boli obnovené predvolené údaje o kalibrácii CL2 (dni senzora, história
kalibrácií a údaje o kalibrácii).
ResetpHSensor Boli obnovené predvolené údaje o kalibrácii pH (dni senzora, história
kalibrácií a údaje o kalibrácii).
ResetTempSensor Boli obnovené predvolené údaje o kalibrácii teploty (dni senzora, história
kalibrácií a údaje o kalibrácii).
ResetAllSensors Boli obnovené všetky predvolené údaje o kalibrácii senzora (dni senzora,
história kalibrácií a údaje o kalibrácii).
Flow Detection (Detekcia prietoku) Zmenil sa stav senzora blízkosti (dostatočný alebo nedostatočný prietok).
Zoznam chýb
Chyby môžu nastať z rôznych príčin. Hodnota zo senzora na obrazovke merania bliká. Všetky
výstupy sú podržané, ak je to tak zadané v ponuke kontroléra. Ak chcete zobraziť chyby senzora,
stlačte tlačidlo MENU (PONUKA) a vyberte položky Sensor Diag (Diagnostika senzora), Error List
(Zoznam chýb). Nižšie je uvedený zoznam možných chýb.
Tabuľka 2 Zoznam chýb pre senzor
Chyba Popis Riešenie
CL CAL REQD Vyžaduje sa kalibrácia chlóru alebo pH..
Nakalibrujte senzor chlóru a/alebo senzor pH.
Meranie chlóru a/alebo pH sa zmenilo
natoľko, že sa spustilo upozornenie Cal
Watch (Sledovanie kalibrácie). Ďalšie
informácie nájdete v návode na použitie
senzora chlóru.
CL MAINT REQD Vyžaduje sa údržba senzora chlóru..
Vykonajte údržbu senzora a potom zopakujte
kalibráciu alebo vymeňte senzor. Ďalšie
Sklon je menší ako 30 % alebo väčší ako
informácie nájdete v návode na použitie
300 % štandardnej hodnoty..
senzora chlóru.
Predvolený sklon je 100 mV/ppm (100 %).
CL MAINT REQD Vyžaduje sa údržba senzora chlóru..
Vykonajte údržbu senzora a potom zopakujte
kalibráciu alebo vymeňte senzor. Ďalšie
Posun je príliš veľký (väčší ako ±50 mV)..
informácie nájdete v návode na použitie
senzora chlóru.
PH TOO LOW Hodnota pH je menšia ako pH 0.. Nakalibrujte alebo vymeňte senzor pH.
PH TOO HIGH Hodnota pH je väčšia ako pH 14..
PH SLOPE FAIL Sklon je mimo rozsahu -45 až -65 mV/pH.. Vyčistite senzor pH a potom zopakujte
kalibráciu pomocou nového pufra alebo
vzorky, prípadne vymeňte senzor.
PH OFFSET FAIL Posun je väčší ako ±60 mV.. Vyčistite senzor pH a potom zopakujte
kalibráciu pomocou nového pufra alebo
vzorky, prípadne vymeňte senzor.
320 Slovenský jazyk

