Hach-Lange CLF10 sc – страница 10
Инструкция к Hach-Lange CLF10 sc

Rysunek 6 Sposób przechylenia celi pomiarowej pH
Użytkowanie
Nawigacja
Opis klawiatury i procedur nawigacji znajduje się w dokumentacji kontrolera.
Konfiguracja systemu
Konfiguracja i kalibracja czujnika odbywa się poprzez interfejs użytkownika urządzenia sterującego.
Więcej informacji na temat konfiguracji czy kalibracji czujnika można znaleźć w podręczniku
użytkownika czujnika.
Kontroler modelu sc musi być połączony z bramką.
1. W menu głównym urządzenia sterującego wybierz Sensor Setup (Ustawienie czujnika).
Wyświetla się menu Chlorine Gateway (CGW) Setup (Ustawianie bramki chloru ).
2. Wybierz pozycję Configure (Konfiguruj) i wprowadź własne wpisy. Każdy wpis potwierdź, aby
zachować zmiany i przejść do menu Konfiguracja.
Opcja Opis
Edytuj nazwę Edycja nazwy czujnika
Polski 181

Opcja Opis
Zaznacz Parametr—Chlor (Całkowity lub
Wybiera parametr, który musi jest konfigurowany.
wolny), pH (opcja), Temperatura (opcja)
Konfiguracja wybranego parametru wymaga dodatkowych
czynności. Więcej informacji można znaleźć w podręczniku
użytkownika czujnika.
Przywróć Domyślne—Potwierdź, aby
Przywraca wszystkie domyślne ustawienia fabryczne.
przywrócić.
Rozruch systemu
Pamiętaj, aby wszystkie zadania mechaniczne, elektryczne i przyłączania zostały prawidłowo
zakończone przed włączeniem przepływu w systemie.
1. Podłącz zasilanie do urządzenia sterującego.
Przy podłączeniu do sieci po raz pierwszy, wyświetlacz urządzenia sterującego pokazuje ekrany
w kolejności Język, Format daty oraz Data/Godzina.
2. Ustaw w urządzeniu sterującym język, datę i godzinę, jeśli wcześniej tego nie zrobiono. Więcej
informacji na temat ustawiania tych opcji można znaleźć w podręczniku użytkownika urządzenia
sterującego.
Urządzenie sterujące poszukuje podłączonych urządzeń.
3. Po upewnieniu się, że zamknięty jest króciec do czyszczenia i króciec próbki jednorazowej otwórz
zawór WŁ./WYŁ. w obiegu próbki, aby uruchomić przepływ wody w systemie.
Cele pomiarowe chloru i pH napełniają się wodą.
4. Upewnij się, że wskaźnik LED czujnika przepływu świeci się. Jeśli wskaźnik LED nie świeci się,
ustaw zawór kontroli przepływu w celu zwiększenia przepływu.
Wskaźnik LED czujnika przepływu świeci, gdy przepływ jest w zadanym zakresie dla czujnika.
Jeśli przepływ jest za wysoki, wskaźnik LED może nie świecić. Upewnij się, że znacznik pływaka
jest ustawiony w przybliżeniu ze znacznikiem przepływu.
5. Sprawdź przecieki i zatkania w rurkach i celach pomiarowych. Odetnij przepływ w panelu, jeśli
wykryto jakiekolwiek problemy i dokonaj stosownych napraw.
6. Jeśli przepływ w systemie został ustalony, wykonuj działania sugerowane w ostrzeżeniach
wyświetlanych na wyświetlaczu urządzenia sterującego, które są usuwane po ustaniu przyczyny.
7. Naciśnij przycisk HOME.
Na głównym ekranie pomiarów wyświetlane są zmierzone wartości chloru, temperatury i pH (jeśli
czujnik pH jest podłączony).
Konserwacja
N I E B E Z P I E C Z E Ń S T W O
Wielokrotne zagrożenia. Tylko wykwalifikowany personel powinien przeprowadzać prace opisane
w tym rozdziale niniejszego dokumentu.
Wymiana rurek
Rurki należy wymieniać przynajmniej raz w roku. Rurki kruche, pęknięte lub cieknące należy
wymienić natychmiast. Rurki stare, odbarwione lub uszkodzone należy wymieniać na rurki o tej
samej średnicy i tego samego typu (rurki Teflon
®
lub PVDF).
Czyszczenie celi pomiarowej czujnika
Czyszczenie celi pomiarowej jest konieczne w celu usunięcie osadu. Celę pomiarową należy czyścić,
gdy jest mocna zanieczyszczona. Należy ją wymienić, gdy uległa uszkodzeniu, odbarwieniu lub nie
jest przezroczysta. Nie ma potrzeby wyjmowania jej z panelu w celu czyszczenia.
182
Polski

Uwaga: Do jej czyszczenia nigdy nie należy używać detergentów lub środków powierzchniowo czynnych.
1. Zatrzymaj przepływ wody do panelu
2. Wyjmij czujnik chloru i zanurz go w pojemniku z próbką wody chlorowanej.
Uwaga: Nie odłączaj czujnika od zasilania. Jeśli czujnik chloru został odłączony od zasilania, przed użyciem
należy go kondycjonować i skalibrować.
Uwaga: Usunięcie czujnika z celi pomiarowej razem z dołączonym kablem może spowodować zmianę
sygnałów wyjściowych. Więcej informacji można znaleźć w podręczniku użytkownika urządzenia sterującego.
3. Przepłucz celę pomiarową wodą i wyszoruj ją miękką szczotką szczecinową w celu usunięcia
osadu.
4. Przepłucz celę pomiarową wodą.
5. Jeśli cela pomiarowa nie jest wystarczająco czysta, mocz ją od 10 do 15 minut w mieszaninie
1:3 roztworu 3-5% wody utlenionej i octu.
6. Przepłucz celę pomiarową wodą.
7. Zainstaluj czujnik w celi pomiarowej i uruchom przepływ próbki.
Wymiana czujnika przepływu
Czujnik przepływu w zwykłych warunkach eksploatacji nie wymaga konserwacji czy wymiany.
Jednak, gdy wskaźnik przepływu LED nie świeci się, pomimo, że zasilanie jest włączone i poziom
pływaka jest powyżej znacznika, prawdopodobnie należy wymienić czujnik. Aby wymienić czujnik
przepływu, należy wykonać czynności przedstawione poniżej.
Uwaga: Wymiana czujnika przepływu nie wymaga wyjęcia czujnika chloru, opróżnienia celi pomiarowej czy
wyłączenia zasilania urządzenia sterującego.
Polski 183

184 Polski

Wymiana zespołu zaworu kontroli przepływu
Polski 185

Rozwiązywanie problemów
Dziennik zdarzeń
Urządzenie sterujące obsługuje dzienniki zdarzeń przypisane do każdego czujnika. Dziennik zdarzeń
przechowuje różne zdarzenia występujące w urządzeniach, takie jak przeprowadzanie kalibracji,
zmiany opcji kalibracji, itp. Poniżej przedstawiono listę możliwych zdarzeń. Dziennik zdarzeń można
odczytać w formacie CSV Instrukcje pobierania dzienników można znaleźć w podręczniku
użytkownika urządzenia sterującego.
Tabela 1 Dziennik zdarzeń
Zdarzenie Opis
Zasilanie wł. Zasilanie zostało włączone.
Uszkodzenie pamięci Flash Pamięć zewnętrzna Flash została uszkodzona lub działa niepoprawnie.
1pointpHCalibration_Start Rozpoczęcie jednopunktowej kalibracji próbki dla pomiaru pH
1pointpHCalibration_End Zakończenie jednopunktowej kalibracji próbki dla pomiaru pH
2pointpHCalibration_Start Rozpoczęcie dwupunktowej kalibracji próbki dla pomiaru pH
2pointpHCalibration_End Zakończenie dwupunktowej kalibracji próbki dla pomiaru pH
1pointBufferpHCalibration_Start Rozpoczęcie jednopunktowej kalibracji buforu dla pomiaru pH
1pointBufferpHCalibration_End Zakończenie jednopunktowej kalibracji buforu dla pomiaru pH
2pointBufferpHCalibration_Start Rozpoczęcie dwupunktowej kalibracji buforu dla pomiaru pH
2pointBufferpHCalibration_End Zakończenie dwupunktowej kalibracji buforu dla pomiaru pH
TempCalibration_Start Rozpoczęcie kalibracji temperatury
TempCalibration_End Zakończenie kalibracji temperatury
1pointChemZeroCL2_Start Rozpoczęcie jednopunktowej kalibracji chemicznej zera dla pomiaru chloru
1pointChemZeroCL2_End Zakończenie jednopunktowej kalibracji chemicznej zera dla pomiaru chloru
1pointElecZeroCL2_Start Rozpoczęcie jednopunktowej kalibracji elektrycznej zera dla pomiaru chloru
1pointElecZeroCL2_End Zakończenie jednopunktowej kalibracji elektrycznej zera dla pomiaru chloru
1pointProcessConc_Start Rozpoczęcie jednopunktowej kalibracji stężenia w procesie dla pomiaru chloru
1pointProcessConc _End Zakończenie jednopunktowej kalibracji stężenia w procesie dla pomiaru chloru
2pointChemCL2_Start Rozpoczęcie dwupunktowej kalibracji chemicznej dla pomiaru chloru
2pointChemCL2_End Zakończenie dwupunktowej kalibracji chemicznej dla pomiaru chloru
2pointElecCL2_Start Rozpoczęcie dwupunktowej kalibracji elektrycznej dla pomiaru chloru
2pointElecCL2_End Zakończenie dwupunktowej kalibracji elektrycznej dla pomiaru chloru
CL2CalSetDefault Zostały przywrócone wartości domyślne kalibracji chloru.
pHCalSetDefault Zostały przywrócone wartości domyślne kalibracji pH.
TempCalSetDefault Zostały przywrócone wartości domyślne kalibracji temperatury.
AllCalSetDefault Zostały przywrócone wartości domyślne wszystkich danych kalibracji czujnika.
CL2CalOptionChanged Zmieniono opcję kalibracji chloru.
pHCalOptionChanged Zmieniono opcję kalibracji pH.
TempCalOptionChanged Zmieniono opcję kalibracji temperatury.
186 Polski

Tabela 1 Dziennik zdarzeń (ciąg dalszy)
Zdarzenie Opis
SensorConfChanged Zmieniono konfigurację czujnika.
ResetCL2CalHist Wyzerowano historię kalibracji CL2.
ResetpH CalHist Wyzerowano historię kalibracji pH.
ResetTemp CalHist Wyzerowano historię kalibracji temperatury.
ResetAllSensorsCalHist Wyzerowano wszystkie historie kalibracji czujnika.
ResetCL2Sensor Zostały przywrócone wartości domyślne kalibracji danych CL2 [sensor days (l.
dni używania czujnika), calibration history (historia kalibracji) i calibration data
(dane kalibracji)].
ResetpHSensor Zostały przywrócone wartości domyślne kalibracji danych pH [sensor days (l.
dni używania czujnika), calibration history (historia kalibracji) i calibration data
(dane kalibracji)].
ResetTempSensor Zostały przywrócone wartości domyślne kalibracji danych temperatury [sensor
days (l. dni używania czujnika), calibration history (historia kalibracji)
i calibration data (dane kalibracji)].
ResetAllSensors Zostały przywrócone wartości domyślne kalibracji wszystkich danych czujnika
[sensor days (l. dni używania czujnika), calibration history (historia kalibracji)
i calibration data (dane kalibracji)].
Flow Detection Zmieniono stan czujnika zbliżeniowego (przepływ akceptowany lub nie
akceptowany).
Lista błędów
Błędy mogą występować z różnych przyczyn. Odczyt czujnika miga na ekranie pomiarowym.
Wszystkie sygnały wyjściowe wymagane w menu urządzenia sterującego są wstrzymane. Aby
wyświetlić błędy czujnika, naciśnij klawisz MENU i wybierz kolejno Sensor Diag (Diagn. czujnika),
Error List (Błędy). Poniżej przedstawiono listę możliwych błędów.
Tabela 2 Błędy czujnika
Błąd Opis Rozwiązanie
CL CAL REQD Wymagana jest kalibracja chloru i/lub
Wykonaj kalibrację czujnika chloru i/lub
kalibracja pH.
czujnika pH.
Pomiar chloru i/lub pH zmienił się na tyle,
że włączył alarm Cal Watch. Więcej informacji
można znaleźć w podręczniku użytkownika
czujnika chloru.
CL MAINT REQD Wymagana jest konserwacja czujnika chloru.
Wykonaj konserwację czujnika, a następnie
powtórz kalibrację lub wymień czujnik.
Nachylenie jest mniejsze niż 30% lub większe
Więcej informacji można znaleźć
niż 300% wartości domyślnej.
w podręczniku użytkownika czujnika chloru.
Nachylenie domyślne wynosi 100 mV/ppm
(100%).
CL MAINT REQD Wymagana jest konserwacja czujnika chloru.
Wykonaj konserwację czujnika, a następnie
powtórz kalibrację lub wymień czujnik.
Przesunięcie jest zbyt duży (większy niż
Więcej informacji można znaleźć
±50 mV).
w podręczniku użytkownika czujnika chloru.
PH TOO LOW Wartość pH jest mniejsza niż 0 pH. Wykonaj kalibrację lub wymienić czujnik
pH.
PH TOO HIGH Wartość pH jest większa niż 14 pH.
Polski 187

Tabela 2 Błędy czujnika (ciąg dalszy)
Błąd Opis Rozwiązanie
PH SLOPE FAIL Nachylenie jest poza przedziałem
Wyczyść czujnik pH, a następnie powtórz
od -45 do -65 mV/pH.
kalibrację z odświeżonym buforem lub
próbką, ewentualnie wymień czujnik.
PH OFFSET FAIL Przesunięcie jest poza zakresem ±60 mV. Wyczyść czujnik pH, a następnie powtórz
kalibrację z odświeżonym buforem lub
próbką, ewentualnie wymień czujnik.
PH OFFSET FAIL Przesunięcie jest poza zakresem ±60 mV. Wyczyść czujnik pH i wymień mostek
elektrolityczny oraz roztwór ogniwa
standardowego. Powtórz kalibrację
z odświeżonym buforem lub próbką, albo
wymień czujnik.
TEMP TOO LOW Temperatura jest niższa niż 0 °C. Wykonaj kalibrację temperatury lub wymień
czujnik pH.
TEMP TOO HIGH Temperatura jest wyższa niż 100 °C.
TEMP FAIL Przesunięcie jest wyższe niż 5,0 °C lub niższe
Wykonaj kalibrację temperatury lub wymień
niż -5,0 °C.
czujnik pH.
NO FLOW Prędkość przepływu jest zbyt niska. Zwiększ przepływ.
Lista ostrzeżeń
Ostrzeżenia nie wpływają na działanie menu, przekaźników i wyjść. Ikona ostrzeżenia miga i na dole
ekranu pomiarowego jest wyświetlany odpowiedni komunikat. Aby wyświetlić ostrzeżenia czujnika,
naciśnij przycisk MENU i wybierz kolejno opcje Sensor Diag (Diagn. czujnika), Warning List (Lista
ostrzeżeń). Poniżej przedstawiono listę możliwych ostrzeżeń.
Tabela 3 Lista ostrzeżeń dotyczących czujnika
Ostrzeżenie Opis Rozwiązanie
CL CAL RECD Zalecana jest kalibracja chloru i/lub pH.
Wykonaj kalibrację czujnika
chloru i/lub czujnika pH.
Pomiar chloru i/lub pH zmienił się na tyle, że włączył
alarm Cal Watch. Więcej informacji można znaleźć
w podręczniku użytkownika czujnika.
CL CAL RECD Zalecana jest kalibracja chloru.
Wykonaj kalibrację czujnika
chloru.
Dane kalibracji chloru nie są dostępne (czujnik
z domyślnymi danymi kalibracji).
PH CAL RECD Zalecana jest kalibracja pH.
Wykonaj kalibrację czujnika pH.
Dane kalibracji pH nie są dostępne (czujnik
z domyślnymi danymi kalibracji).
TEMP CAL RECD Zalecana jest kalibracja temperatury.
Wykonaj kalibrację temperatury.
Dane kalibracji temperatury nie są dostępne (czujnik
z domyślnymi danymi kalibracji).
CL CAL TO DO Wartość Sensor Days (Czujnik: dni) dla czujnika chloru
Wykonaj kalibrację czujnika
jest większa niż wartość Cal Reminder (Monit kalibracji).
chloru.
PH CAL TO DO Wartość Sensor Days (Czujnik: dni) dla czujnika pH jest
Wykonaj kalibrację czujnika pH.
większa niż wartość Cal Reminder (monit kalibracji).
TEMP CAL TO DO Wartość Sensor Days (Czujnik: dni) dla czujnika
Wykonaj kalibrację temperatury.
temperatury jest większa niż wartość Cal Reminder
(Monit kalibracji).
188 Polski

Tabela 3 Lista ostrzeżeń dotyczących czujnika (ciąg dalszy)
Ostrzeżenie Opis Rozwiązanie
CL MAINT RECD Zalecana jest konserwacja czujnika chloru.
Wykonaj konserwację czujnika,
a następnie powtórz kalibrację
Wartość nachylenia wynosi od 30 do 45% wartości
lub wymień czujnik.
domyślnej lub nachylenie mieści się w zakresie
od 250 do 300% wartości domyślnej.
Nachylenie domyślne wynosi 100 mV/ppm (100%).
CL MAINT RECD Zalecana jest konserwacja czujnika chloru.
Wykonaj konserwację czujnika,
a następnie powtórz kalibrację
Przesunięcie w przedziale od -50 mV do 45 mV lub
lub wymień czujnik.
przesunięcie w przedziale od 45 mV do 50 mV.
PH MAINT RECD Zalecana jest konserwacja czujnika pH.
Wyczyść czujnik pH,
a następnie powtórz kalibrację
Nachylenie jest poza przedziałem od -50 do -61 mV/pH.
z odświeżonym buforem lub
próbką, ewentualnie wymień
czujnik.
PH MAINT RECD Zalecana jest konserwacja czujnika pH.
Wyczyść czujnik, a następnie
powtórz kalibrację albo wymień
Przesunięcie poza zakresem ±45 mV, ale wewnątrz
czujnik.
przedziału ±60 mV.
PH MAINT RECD Zalecana jest konserwacja czujnika pH.
Wyczyść czujnik i wymień
mostek elektrolityczny oraz
Przesunięcie poza zakresem ±45 mV, ale wewnątrz
roztwór ogniwa standardowego,
przedziału ±60 mV.
a następnie powtórz kalibrację,
lub wymień czujnik.
T MAINT RECD Przesunięcie temperatury jest poza zakresem ±3 °C ale
Wykonaj kalibrację temperatury.
wewnątrz przedziału ±5 °C.
Części zamienne i akcesoria
O S T R Z E Ż E N I E
Zagrożenie uszkodzenia ciała. Stosowanie niezatwierdzonych części grozi obrażeniami ciała,
uzkodzeniem przyrządu lub nieprawidłowym działaniem urządzeń. Części zamienne wymienione w tej
części zostały zatwierdzone przez producenta.
Uwaga: Numery produktów i części mogą być różne w różnych regionach. Skontaktuj się z odpowiednim
dystrybutorem albo znajdź informacje kontaktowe w witrynie internetowej firmy.
Części
Opis Numer pozycji
Kabel, bramka do urządzenia sterującego, 1 m 6122400
Zestaw kabli, 4-pinowy, ekranowany, czujnik przepływu, 2 m 9160900
Zestaw kabli, 5-pinowy, ekranowany, M12, czujnik chloru, 1 m 9160300
Anglosaska miara:
9159200 (1/4 cala)
Przyłącze, króciec wlotowy dla celi pomiarowej chloru
Metryczna miara:
9196400 (6 mm)
Anglosaska miara:
Przyłącze, złączka speedfit, króciec wylotowy dla celi pomiarowej chloru lub króciec
9159300 (3/8 cala)
wlotowy dla celi pomiarowej pH
Metryczna miara:
9196500 (10 mm)
Polski 189

Części zamienne i akcesoria (ciąg dalszy)
Opis Numer pozycji
Anglosaska miara:
9196900 (1/2 cala)
Przyłącze, kolanko, króciec wylotowy dla celi pomiarowej pH
Metryczna miara:
9197000 (12 mm)
Pływak, czujnik przepływu 9159100
Anglosaska miara:
9198400
Zespół celi pomiarowej, chlor
Metryczna miara:
9198500
Anglosaska miara:
9180200
Zespół celi pomiarowej, czujnik kombinowany pH
Metryczna miara:
9180400
Anglosaska miara:
Zespół celi pomiarowej, pHD
9180100
obejmuje kołnierz uszczelniający
Metryczna miara:
9180300
Tylko korpus celi pomiarowej (pH) 9159700
Blokada celi pomiarowej, chlor 9158900
Zawór kontroli przepływu 9159000
Zestaw zaworu kontroli przepływu 9198600
Czujnik przepływu 9160800
Bramka cyfrowa 9180500
Pierścień sprężynujący zabezpieczający, cela pomiarowa chloru 9196200
Pierścień sprężynujący zabezpieczający, cela pomiarowa pH 60F2032-001
O-ring, zawór kontroli przepływu (2x) (#2-108, Viton) 9159600
O-ring, cela pomiarowa pH (#2-228, Viton) 5H1223
O-ring, kołnierz uszczelniający, cela pomiarowa chloru ( #2-123, Viton) 9196300
O-ring, pierścień rozcięty (M25 x 2.5) 9181800
Zatyczka, cela pomiarowa chloru, 1/2 cala 9159500
Śruba, cela pomiarowa chloru (2x) (10-32 x 1.75 Lg Phillps pan head) 4422200
Śruba, cela pomiarowa pH (2x) (10-32 x .5 Lg Phillps pan head) 561211
Uszczelka, cela pomiarowa pH 9198000
Kołnierz uszczelniający, cela pomiarowa chloru 9196100
Kołnierz uszczelniający, czujnik kombinowany pH, 3/4 cala 9159800
Kołnierz uszczelniający, cela pomiarowa pHD, 1 cal 60F2021-001
Pierścień rozcięty, cela pomiarowa chloru 9181700
Rurki, obieg próbki, 1/4 cala x 2 m 4743800
Rurki, obieg próbki, 3/8 cala x 18 cali 9198100
Rurki, obieg odpadów, 1/2 cala x 2 m 9198200
190 Polski

Części zamienne i akcesoria (ciąg dalszy)
Opis Numer pozycji
Zawór, króciec próbki jednorazowej 9005300
Zawór, złączka speed fit, króciec do czyszczenia 6166300
Akcesoria
Opis Numer pozycji
Zestaw do zakwaszania LZY051
Zestaw do kondycjonowania próbki z zaworem redukcyjnym 9159900
Polski 191

Innehållsförteckning
Specifikationer på sidan 192 Underhåll på sidan 201
Allmän information på sidan 192 Felsökning på sidan 205
Installation på sidan 197 Reservdelar och tillbehör på sidan 208
Användning på sidan 200
Specifikationer
Specifikationerna kan ändras utan föregående meddelande.
Specifikation Information
Komponentbeskrivning Amperometrisk, reagensfri analysatorpanel för
klorövervakning med klor- eller flödesgivare samt pH-
kombinations- eller pHD-givare som tillval, flödesceller,
sc-styrenhet och digital gateway
Drifttemperatur 0 till 45 °C (0 till 113 °F)
Förvaringstemperatur (endast panel) –20 till 60 °C (–4 till 149 °F)
Effektbehov 12 V DC ± 10 %, max. 100 mA (matas från sc-
styrenheten)
Panelmått (L x B x D) 48.3 x 49.5 x 15.1 cm (19 x 19.5 x 5.95 tum) med
panelmonterade komponenter
Vikt Cirka 5,4 kg (endast panel och tomma panelmonterade
komponenter)
Flödeshastighet Intervall: 30-50 l/timme
Optimal: 40 l/timme (10,5 gal/timme)
Styrenhetens plattform sc-styrenhetsmodeller
Allmän information
Tillverkaren är under inga omständigheter ansvarig för direkta, särskilda, indirekta eller följdskador
som orsakats av eventuellt fel eller utelämnande i denna bruksanvisning. Tillverkaren förbehåller sig
rätten att göra ändringar i denna bruksanvisning och i produkterna som beskrivs i den när som helst
och utan föregående meddelande och utan skyldigheter. Reviderade upplagor finns på tillverkarens
webbsida.
Säkerhetsinformation
A N M Ä R K N I N G :
Tillverkaren tar inget ansvar för skador till följd av att produkten används på fel sätt eller missbrukas. Det omfattar
utan begränsning direkta skador, tillfälliga skador eller följdskador. Tillverkaren avsäger sig allt ansvar i den
omfattning gällande lag tillåter. Användaren är ensam ansvarig för att identifiera kritiska användningsrisker och
installera lämpliga mekanismer som skyddar processer vid eventuella utrustningsfel.
Läs igenom hela handboken innan instrumentet packas upp, monteras eller startas. Följ alla faro-
och försiktighetshänvisningar. Om dessa anvisningar inte följs kan användaren utsättas för fara eller
utrustningen skadas.
Kontrollera att skyddet som ges av den här utrustningen inte är skadat. Utrustningen får inte
användas eller installeras på något annat sätt än så som specificeras i den här handboken.
192
Svenska

Anmärkning till information om risker
F A R A
Indikerar en potentiellt eller överhängande riskfylld situation som kommer att leda till livsfarliga eller allvarliga
skador om den inte undviks.
V A R N I N G
Indikerar en potentiellt eller överhängande riskfylld situation som kan leda till livsfarliga eller allvarliga skador om
situationen inte undviks.
F Ö R S I K T I G H E T
Anger en potentiell risksituation som kan resultera i lindrig eller måttlig skada.
A N M Ä R K N I N G :
Indikerar en potentiellt riskfylld situation som kan medföra att instrumentet skadas. Information som användaren
måste ta hänsyn till vid hantering av instrumentet.
Varningsskyltar
Beakta samtliga dekaler och märken på instrumentet. Personskador eller skador på instrumentet kan
uppstå om dessa ej beaktas. En symbol på instrumentet beskrivs med en försiktighetsvarning i
handboken .
Denna symbol, om den finns på instrumentet, refererar till bruksanvisningen angående drifts- och/eller
säkerhetsinformation.
Efter den 12 augusti 2005 får elektrisk utrustning som har den här symbolen inte längre avyttras på
offentliga avfallsanläggningar i Europa. I överensstämmelse med europeiska lokala och nationella
föreskrifter (EU-direktiv 2002/98/EC), måste europeiska användare av elektrisk utrustning nu
returnera gammal eller förbrukad utrustning till tillverkaren för kostnadsfri avyttring.
Observera: För korrekt återvinning, kontakta din tillverkare eller leverantör för instruktioner om inlämning av förbrukad
utrustning, elektriska tillbehör tillhandahållna av tillverkaren och alla tillvalsdelar.
Produktöversikt
Den här produkten är i första hand avsedd för användning i tillämpningar med kommunalt vatten.
Avloppsvattens- och industritillämpningar måste fastställas vara lämpliga av tillverkaren före
installation.
I den reagensfria kloranalysatorn övervakas koncentrationen av rester av fritt eller totalt klor i vatten
och den är mest tillförlitlig vid klorrestkoncentrationer som är högre än 0,1 ppm (mg/L).
Kombinationen av en styrenhet av sc-modell med en givare med tre elektroder, pH-givare som tillval
och en flödesgivare ger bästa möjliga övervakningsfunktion. Båda givarna läser av
provtemperaturen. pH-givaren överför temperaturvärdet till styrenhetens display. Klorgivaren
använder temperaturmätvärden internt och överför inte värden till styrenhetens display. En
tryckregulatorsats samt en surgörings- och rengöringssats finns som tillbehör.
Klor- och pH-givarna sitter i panelmonterade, serieanslutna flödesceller. Flödescellerna upprätthåller
kontakt mellan givarna och hjälper till att förhindra att givarna torkar när systemet inte är i drift.
Figur 1, Figur 2, Figur 3 visar översikter över systemet och flödescellerna.
Varje givare ansluts till styrenheten via en gateway som monterats på panelen. Gatewayen
omvandlar analoga signaler från givarna till digitala signaler som används av styrenheten.
Styrenheten omvandlar de digitala signalerna till mätvärden för klor, pH och temperatur och visar
värdena på displayen. Styrenheten matar ström till givarna och den digitala gatewayen.
Styrenheten kan konfigureras för att utlösa ett larmtillstånd eller en varning om mätvärdena stiger
över eller sjunker under angivna värden. I användarhandboken till styrenheten finns information om
styrenhetens larm.
Observera: I användarhandböckerna till givarna finns information om hur givarna ska förvaras när systemet inte är
i drift.
Svenska
193

Det finns två analysatorkonfigurationer: ett gripprovsalternativ (utan pH-givare) och ett pH-alternativ.
Gripprovsalternativet omfattar monteringspanelen, klorgivaren och flödescellen, en pH-flödescell
utan givare, en flödesgivare, den digitala gatewayen och styrenheten. pH-alternativet omfattar de här
artiklarna samt en pH-givare.
En flödesreglerventil reglerar provflödet. Ett konstant flöde om 30-50 l/tim rekommenderas för korrekt
givarfunktion. Den optimala flödeshastigheten är 40 l/timme. En enda lysdiod på flödesgivaren visar
om provflödeshastigheten är tillräcklig. Om lysdioden inte lyser måste flödeshastigheten justeras tills
lysdioden tänds. Den exakta flödeshastigheten är inte viktig om lysdioden lyser, men flödet måste
hållas konstant inom specifikationerna.
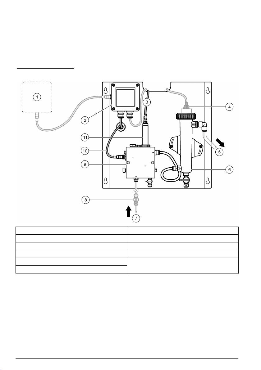
Figur 1 Systemöversikt
1 Styrenhet 7 Prov in
2 Gateway 8 Ventil, avstängning (tillhandahålls av kunden)
3 Klorgivarkabel 9 Klorflödescell
4 pH-givare (tillval) 10 Flödesgivarkabel
5 Provavrinning 11 Klorgivare
6 pH-flödescell
194 Svenska

Figur 2 Översikt över klorflödescell
1 Flödesgivare 8 Prov ut, koppling
• Engelsk: Snabbkoppling - 3/8 tum OD-ledning
• Metrisk: Snabbkoppling - 10 mm OD-ledning
2 Plugg, 1/8 tum NPTF 9 Inriktningsmarkering för klorgivare
3 Flottörinriktningsmarkering 10 Ventil, rengöringsport, 1/4 tum OD-ledning
4 Plugg, 1/2 tum NPTF 11 Flödescellens inlopp
• Engelsk: Snabbkoppling - 1/4 tum OD-ledning
• Metrisk: Snabbkoppling - 6 mm OD-ledning
5 Låsring 12 Flödescell
6 Tätning 13 Flödesreglerventil
7 O-ring 14 Flyttal
Svenska 195

Figur 3 Översikt över pH-flödescell
1 Låsring 4 Prov ut, koppling
Engelsk: Vinklad snabbkoppling - 1/2 tum OD
Metrisk: Vinklad snabbkoppling - 12 mm OD
2 Täckplugg 5 Gripprovsport
3 O-ring 6 Flödescellens inlopp
• Engelsk: Snabbkoppling - 3/8 tum OD
• Metrisk: Snabbkoppling - 10 mm OD
Produktens delar
Se till att alla delar har tagits emot. Se Figur 1 på sidan 194. Om några delar saknas eller är
skadade, kontakta omedelbart tillverkaren eller en återförsäljare.
196
Svenska

Figur 4 Reagensfri kloranalysatorpanel
1 Systempanel 3 Slangar, 12 mm
2 Anslutningskabel för anslutning av gateway till
4 Klorgivare
styrenhet, 1 m
Installation
Installationsfaktorer
• Utför den mekaniska installationen först, därefter den elektriska installationen och slutligen
rörinstallationen.
• Alla kopplingar är bara avsedda att dras åt för hand.
• Panelen har konstruerats för vägg- eller rackmontering. Montera eller placera panelen på en
lättåtkomlig plats.
• Placera inte panelen i närheten av en värmekälla.
• Montera inte panelen i en miljö där vibrationer ofta förekommer
• Montera inte panelen i direkt solljus.
• Installera panelen inomhus eller på en avgränsad plats.
• Förhindra att kondensering ansamlas på panelen och panelkomponenterna, särskilt flödescellen,
givaren och där givaren och kabeln ansluts.
• Använd linjära Teflon
®
- eller PVDF-ledningar av polyeten med låg densitet för provmatarledningen
och håll ledningen så kort som möjligt för att minimera fördröjningstiden.
• Provtrycket måste vara tillräckligt för att upprätthålla en kontinuerlig vattenmatning till givarna. En
LED-indikator på flödesgivaren lyser när flödet är tillräckligt.
• Håll flödeshastigheten så konstant som möjligt för bästa möjliga givarfunktion.
Riktlinjer för provledning
Välj en bra, representativ provtagningspunkt för optimala instrumentprestanda. Provet måste vara
representativt för hela systemet.
Förhindra felaktiga mätvärden:
• Ta prover från platser som är på tillräckligt avstånd från punkter där kemiska tillsatser tillförs till
processflödet.
• Se till att proverna blandas ordentligt.
Svenska
197

• Se till att alla kemiska reaktioner har avslutats.
Mekanisk installation
Montera panelen
I Figur 5 visas monteringsmåtten. Studera bilden och följ stegen för montering av panelen.
1. Fäst monteringsskruvar vid monteringsytan. Montera på väggposter eller använd väggankare.
Lämna tillräckligt mycket utrymme mellan skruvhuvuden och monteringsytan så att panelen får
plats däremellan.
2. Skjut panelens monteringshål över monteringsskruvarnas huvuden och låt panelen glida ned tills
monteringshålens övre del vilar på skruvkärnorna.
3. Dra åt alla skruvar för att säkra panelen mot monteringsytan.
4. Installera klor- och pH-givaren (tillval) i flödescellerna. Information om hur givarna installeras finns
i användarhandboken till givarna.
Figur 5 Mått för reagensfri kloranalysatorpanel
198 Svenska

Elektrisk installation
Koppla panelen
V A R N I N G
Potentiell risk för dödande elchock. Koppla alltid bort matningsspänningen till instrumentet då elektriska
kopplingar ska göras.
Styrenheten matar ström till givarna och den digitala gatewayen.
1. Koppla bort strömmen till styrenheten.
2. Anslut pH-givarens (tillval) kablar till gatewayen. I användarhandboken till givaren finns
information om hur givarna monteras i flödescellerna och hur givaren ansluts till gatewayen.
3. Anslut klorgivaren till gatewayen. I användarhandboken till givaren finns information om hur
givaren ansluts till gatewayen.
Observera: När panelen levereras är klorgivarkabeln fasttejpad på panelens framsida nära givaranslutningen.
4. Anslut styrenheten till gatewayen med den anslutningskabel på 1 m som levereras med panelen.
Rörarbeten
Utföra ledningsdragning till panelen
Se till att följa storleksspecifikationerna för alla panelens ledningar och kopplingar. Flödesbanan
måste öka i diameter i takt med att vatten strömmar genom systemet för att förhindra att mottryck
uppstår. I Figur 1 på sidan 194 visas en översikt över ledningsanslutningarna.
1. Anslut ledningen till provinloppets och provutloppets kopplingar.
2. Se till att rengöringsporten på klorflödescellen är stängd.
3. Se till att gripprovsporten på pH-flödescellen är stängd.
4. Öppna flödesventilen på provlinjen och låt vatten strömma genom systemet.
5. Se till att det inte förekommer läckor i ledningar, ventilkopplingar eller flödesceller.
6. Enligt Figur 6 kan pH-flödescellen vinklas mellan 0 º och 30 º för att minimera bildning av
luftbubblor.
Svenska
199

Figur 6 Vinkling av pH-flödescell
Användning
Användarnavigering
Beskrivning av knappsatsen och navigeringsinformation finns i dokumentationen till instrumentet.
Systemkonfigurering
Givarkonfiguration och kalibrering utförs med hjälp av styrenhetens användargränssnitt. Information
om hur en givare konfigureras eller kalibreras finns i användarhandboken till givaren.
En styrenhet av sc-modell måste vara ansluten till gatewayen.
1. Välj Sensor Setup (givarinställning) på styrenhetens huvudmeny.
Inställningsmenyn för klorgateway (CGW) visas.
2. Välj Configure (konfigurera) och anpassa uppgifterna. Bekräfta efter varje inmatning för att spara
ändringarna och gå tillbaka till menyn Configure (konfigurera).
Alternativ Beskrivning
Redigera namn Redigera givarnamn
Välj Parameter–Chlorine (Total eller Free)
Välj den parameter som ska konfigureras. Konfiguration
(parameter – klor (total eller fri)), pH (valfritt),
av vald parameter kräver fler steg. I användarhandboken
Temperature (temperatur) (valfritt)
till givaren finns mer information.
Reset Defaults (återställ standard) – bekräfta
Återställer alla inställningar till fabrikens standardvärden.
för att återställa.
200 Svenska

