Hach-Lange CLF10 sc – страница 12
Инструкция к Hach-Lange CLF10 sc

Почистете проточната клетка на сензора
Почистете проточната клетка, за да отстраните отлаганията. Почистете проточната клетка, ако
силно се замърси. Сменете проточната клетка, ако се повреди, обезцвети или престане да
бъде прозрачна. Не е необходимо да изваждате проточната клетка от панела, за да я
почистите.
Забележка: Никога не почиствайте хлорната проточна клетка с почистващи препарати или
повърхностноактивно вещество.
1. Спрете изходящия поток към панела.
2. Извадете хлорния сензор и го поставете в контейнер, напълнен с проба, взета от
хлорираната вода.
Забележка: Не изключвайте сензора от захранването. Ако изключите захранването от сензора за
хлор, преди употреба трябва да настроите и калибрирайте сензора.
Забележка: Изваждането на сензор от проточната клетка с поставен кабел ще доведе до промяна
в изходящите сигнали на сензора. За повече информация направете справка в ръководството на
потребителя на контролера.
3. Изплакнете проточната клетка с вода и я изтъркайте с мека груба четка, за да отстраните
наслагванията.
4. Изплакнете проточната клетка с вода.
5. Ако проточната клетка не е достатъчно добре почистена, потопете я за 10 до 15 минути в
смес в съотношение 1:3 на 3-4% разтвор на водороден пероксид и оцет.
6. Изплакнете проточната клетка с вода.
7. Монтирайте сензора в проточната клетка и започнете да провеждате пробен поток.
Сменете сензора за изтичане
При нормални условия сензорът за изтичане не изисква редовна поддръжка или смяна. Но ако
LED индикаторът за течение не светва, когато притокът достигне на равнището на граничното
обозначение или над него и се активира захранване, сензорът може да се нуждае от смяна. За
да смените поточния филтър, изпълнете илюстрованите стъпки по-долу.
Забележка: За да смените сензора за изтичане, не е необходимо да отстранявате хлор сензора, да
отцеждате проточната клетка или да спирате контролера.
български
221

222 български

Сменете конструкцията на шибъра за регулиране на разхода
български 223

Отстраняване на повреди
Дневник на събитията
Контролерът осигурява по един регистър за предупрежденията за всеки сензор. Регистрите на
предупрежденията запазват различни събития, свързани с устройствата, като например
проведени калибрирания, променени опции за калибриране и др. Списък с възможните
събития е показан по-долу. Регистърът за предупрежденията може да се прочете в CSV
формат. За информация относно изтегляне на протоколи, направете справка с ръководството
за потребителя на контролера.
Таблица 1 Дневник на събитията
Предупреждение Описание
Включено захранване Захранването е било включено.
Flash Failure (Неизправност във флаша) Външният флаш е неипзравен или повреден.
1pointpHCalibration_Start Стартиране на едно-точкова калибрация с проба за pH
1pointpHCalibration_End Край на едно-точкова калибрация с проба за pH
2pointpHCalibration_Start Стартиране на дву-точкова калибрация с проба за pH
2pointpHCalibration_End Край на дву-точкова калибрация с проба за pH
1pointBufferpHCalibration_Start Стартиране на едно-точкова калибрация на буфер за pH
1pointBufferpHCalibration_End Край на едно-точкова калибрация на буфер за pH
2pointBufferpHCalibration_Start Стартиране на дву-точкова калибрация на буфер за pH
2pointBufferpHCalibration_End Край на дву-точкова калибрация на буфер за pH
TempCalibration_Start Старт на калибрацията на температура
TempCalibration_End Край на калибрацията на температура
1pointChemZeroCL2_Start Стартиране на едно-точкова химическа нулева калибрация на
хлор
1pointChemZeroCL2_End Край на едно-точкова химическа нулева калибрация на хлор
1pointElecZeroCL2_Start Стартиране на едно-точкова електрическа нулева калибрация
на хлор
1pointElecZeroCL2_End Край на едно-точкова електрическа нулева калибрация на хлор
1pointProcessConc_Start Стартиране на едно-точкова работна концентрация на хлор
1pointProcessConc _End Край на едно-точкова работна концентрация на хлор
2pointChemCL2_Start Стартиране на дву-точкова химическа калибрация на хлор
2pointChemCL2_End Край на дву-точкова химическа калибрация на хлор
2pointElecCL2_Start Стартиране на дву-точкова електрическа калибрация на хлор
2pointElecCL2_End Край на дву-точкова електрическа калибрация на хлор
CL2CalSetDefault Хлорната калибрация е възстановена до стойностите й по
подразбиране.
pHCalSetDefault Данните от рН калибрацията са възстановени до стойностите
им по подразбиране.
TempCalSetDefault Данните от калибрацията на температурата са възстановени до
стойностите им по подразбиране.
224 български

Таблица 1 Дневник на събитията (продължава)
Предупреждение Описание
AllCalSetDefault Всички данни от калибрацията на сензора са възстановени до
стойностите им по подразбиране.
CL2CalOptionChanged Опцията за калибриране на хлор е променена.
pHCalOptionChanged Опцията за калибриране на pH е променена.
TempCalOptionChanged Опцията за калибриране на температурата е променена.
SensorConfChanged Конфигурацията на сензора е променена.
ResetCL2CalHist Хронологията на калибриране на CL2 е нулирана.
ResetpH CalHist Хронологията на калибриране на рН е нулирана.
ResetTemp CalHist Хронологията на калибриране на температурата е нулирана.
ResetAllSensorsCalHist Цялата хронология на калибриране на сензора е нулирана.
ResetCL2Sensor Данните за калибриране на CL2 (дни на активност на сензора,
хронология на калибриране и данни за калибриране) са
възстановени до стойностите им по подразбиране.
ResetpHSensor Данните за калибриране на рН (дни на активност на сензора,
хронология на калибриране и данни за калибриране) са
възстановени до стойностите им по подразбиране.
ResetTempSensor Данните за калибриране на температурата (дни на активност на
сензора, хронология на калибриране и данни за калибриране)
са възстановени до стойностите им по подразбиране.
ResetAllSensors Всички данни за калибриране на сензора (дни на активност на
сензора, хронология на калибриране и данни за калибриране)
са възстановени до стойностите им по подразбиране.
Откриване на течение Състоянието на сензора за близост е променено (достатъчен
или недостатъчен поток).
Списък на грешките
Грешки могат да възникнат по различни причини. Показанията в екрана за измерване на
сензора мигат. Всички изходни данни се задържат, когато това е зададено в менюто на
контролера. За да изведете на екрана грешките на сензора, натиснете бутона MENU и
български
225

изберете Sensor Diag (Диагн. на сензора), Error List (Списък с грешки). Списък с възможни
грешки е показан по-долу.
Таблица 2 Списък на предупрежденията във връзка със сензора
Грешка Описание Разрешаваща способност
CL CAL REQD (НЕОБХ. Е КАЛ.
Необходимо е калибриране на
Калибрирайте хлор сензора и/или
НА CL)
хлора и/или pH.
pH сензора.
Измерването на хлор и/или pH се е
изменило достатъчно, за да
причини активиране на алармата
"Cal Watch". За повече информация
направете справка в ръководството
на потребителя на хлор сензора.
CL MAINT REQD (НЕОБХ. Е
Необходима е поддръжка на хлор
Направете поддръжка на сензора
ПОДДР. НА CL)
сензора.
и след това извършете
калибрирането отново или
Наклонът е под 30% или над 300%
сменете сензора. За повече
от стойността по подразбиране.
информация направете справка в
Наклонът по подразбиране е
ръководството на потребителя на
100 mV/ppm (100%)
хлор сензора.
CL MAINT REQD (НЕОБХ. Е
Необходима е поддръжка на хлор
Направете поддръжка на сензора
ПОДДР. НА CL)
сензора.
и след това извършете
калибрирането отново или
Отместването е прекалено голямо
сменете сензора. За повече
(над ±50 mV).
информация направете справка в
ръководството на потребителя на
хлор сензора.
PH TOO LOW (ТВЪРДЕ
Стойността на pH е под 0 pH. Калибрирайте или подменете pH
НИСКА PH)
сензора.
PH TOO HIGH (ТВЪРДЕ
Стойността на pH е над 14 pH.
ВИСОКА PH)
PH SLOPE FAIL (НЕУСП. РН
Наклонът е извън обхвата от -45 до
Почистете pH сензора, след което
НАКЛОН)
-65 mV/pH.
повторете калибрирането с нов
буфер или проба или подменете
сензора.
PH OFFSET FAIL (НЕУСП. РН
Отместването се намира извън
Почистете pH сензора, след което
ОТМЕСТВАНЕ)
обхвата от ±60 mV.
повторете калибрирането с нов
буфер или проба или подменете
сензора.
PH OFFSET FAIL (НЕУСП. РН
Отместването се намира извън
Почистете pH сензора или
ОТМЕСТВАНЕ)
обхвата от ±60 mV.
подменете солевия мост и
разтвора в стандартната клетка.
Повторете калибрирането с нов
буфер или проба или подменете
сензора.
TEMP TOO LOW
Температурата е под 0°C. Калибрирайте температурата или
(ТЕМПЕРАТУРАТА МНОГО
подменете pH сензора.
НИСКА)
TEMP TOO HIGH
Температурата е над 100°C.
(ТЕМПЕРАТУРАТА МНОГО
ВИСОКА)
TEMP FAIL (НЕУСП. ТЕМП.) Отместването е по-високо от 5.0°C
Калибрирайте температурата или
или по-ниско от -5.0°C.
подменете pH сензора.
NO FLOW (НЯМА ПОТОК) Нивото на потока е прекалено
Повишете потока.
ниско.
226 български

Списък на предупрежденията
Предупрежденията не влияят на функционирането на менютата, релетата и изходите.
Символът за предупреждение мига и се извежда съобщение в долната част на екрана за
измерване. За да изведете предупрежденията за сензорите, натиснете бутона MENU и
изберете Sensor Diag (Диагн. на сензор), Warning List (Списък с предупреждения). По-долу е
представен списък на възможните предупреждения.
Таблица 3 Списък на предупрежденията във връзка със сензора
Предупреждение Описание Разрешаваща способност
CL CAL RECD Препоръчително е калибриране на хлора и/или pH.
Калибрирайте хлор сензора
и/или pH сензора.
Измерването на хлора и/или pH се е променило
достатъчно, че да причини активиране на алармата
"Сal Watch". За допълнителна информация
разгледайте ръководствата към сензора.
CL CAL RECD Препоръчително е калибриране на съдържанието на
Калибрирайте хлор сензора.
хлор.
Данните от калибрирането на съдържанието на хлор
не са достъпни (сензор с данни от калибриране по
подразбиране).
PH CAL RECD Препоръчително е рН калибриране.
Калибрирайте рН сензора.
Данните от рН калибрирането не са достъпни (сензор
с данни от калибриране по подразбиране).
TEMP CAL RECD Препоръчително е калибриране на температурата.
Калибрирайте
температурата.
Данните от калибрирането на температурата не са
достъпни (сензор с данни от калибриране по
подразбиране).
CL CAL TO DO Стойността на дните на използване на сензора от
Калибрирайте хлор сензора.
хлор сензора е по-висока от тази на напомнянето за
калибриране..
PH CAL TO DO Стойността на дните на използване на рН сензора е
Калибрирайте рН сензора.
по-висока от тази на напомнянето за калибриране..
TEMP CAL TO DO Стойността на дните на използване на сензора на
Калибрирайте
температурата е по-висока от тази на напомнянето за
температурата.
калибриране..
CL MAINT RECD Препоръчително е да се направи поддръжка на хлор
Направете поддръжка на
сензора.
сензора и след това
извършете калибрирането
Наклонът е от 30 до 45% от стойността по
отново или сменете сензора.
подразбиране или от 250 дo 300% от стойността по
подразбиране.
Наклонът по подразбиране е 100 mV/ppm (100%)
CL MAINT RECD Препоръчително е да се направи поддръжка на хлор
Направете поддръжка на
сензора.
сензора и след това
извършете калибрирането
Отместването е от -50 mV дo 45 mV или от 45 mV дo
отново или сменете сензора.
50 mV.
PH MAINT RECD Препоръчително е да се направи поддръжка на рН
Почистете pH сензора, след
сензора.
което повторете
калибрирането с нов буфер
Наклонът е извън обхвата от -50 до -61 mV/pH.
или проба или подменете
сензора.
PH MAINT RECD Препоръчително е да се направи поддръжка на рН
Почистете сензора и след
сензора.
това повторете калибрацията
или сменете сензора.
Отместването е извън обхвата от ±45 mV, но в
рамките на обхвата от ±60 mV.
български 227

Таблица 3 Списък на предупрежденията във връзка със сензора (продължава)
Предупреждение Описание Разрешаваща способност
PH MAINT RECD Препоръчително е да се направи поддръжка на рН
Почистете сензора и сменете
сензора.
солевия мост и разтвора в
стандартната клетка, след
Отместването е извън обхвата от ±45 mV, но в
което направете
рамките на обхвата от ±60 mV.
калибрирането отново или
сменете сензора.
T MAINT RECD Отместването на температурата е извън обвхата от
Калибрирайте
±3°C, но в рамките на обхвата от ±5°C.
температурата.
Резервни части и аксесоари
П Р Е Д У П Р Е Ж Д Е Н И Е
Опасност от нараняване. Използването на части, които не са одобрени за употреба, може да
причини нараняване, повреда на инструмента или неизправност на оборудването. Резервните
части, упоменати в този раздел, са одобрени от производителя.
Забележка: Продуктовите и каталожните номера може да се различават в някои региони на продажба.
Свържете се със съответния дистрибутор или посетете уебсайта на компанията за информация за
контакт.
Части
Описание Каталожен номер
Кабел, шлюз към контролер, 1 м 6122400
Набор кабели, 4-щифтов, екраниран, сензор за течение, 2 м 9160900
Набор кабели, 5-щифтов, екраниран, М12, хлор сензор, 1 м 9160300
Bulgarian:
9159200 (1/4 инча)
Фитинг, вътрешен порт за проточна хлор клетка
Метричен:
9196400 (6 мм)
Bulgarian:
Фитинг, скоростен набор, външен порт за проточна хлор клетка или вътрешен
9159300 (3/8 инча)
порт за рН проточна клетка
Метричен:
9196500 (10 мм)
Bulgarian:
9196900 (1/2 инча)
Фитинг, коляно, външен порт за рН проточна клетка
Метричен:
9197000 (12 мм)
Поплавък, сензор за течение 9159100
Bulgarian: 9198400
Монтаж на проточна клетка, хлор
Метрично: 9198500
Bulgarian: 9180200
Монтаж на проточна клетка, рН комбинация
Метрично: 9180400
Монтаж на проточна клетка, pHD
Bulgarian: 9180100
с включена спойваща втулка
Метрично: 9180300
Само тяло на проточна клетка (pH) 9159700
Блок на проточна клетка, хлор 9158900
Регулиращ потока вентил 9159000
228 български

Резервни части и аксесоари (продължава)
Описание Каталожен номер
Комплект регулиращи потока вентили 9198600
Сензор за изтичане 9160800
Шлюз, цифров 9180500
Застопоряващ пръстен, проточна хлор клетка 9196200
Застопоряващ пръстен, проточна рН клетка 60F2032-001
O-пръстен, регулиращ потока вентил (2x) (#2-108, Viton) 9159600
O-пръстен, pH проточна клетка (#2-228, Viton) 5H1223
O-пръстен, затварящ концентратор, проточна хлор клетка ( #2-123, Viton) 9196300
O-пръстен, разделителен пръстен (M25 x 2.5) 9181800
Щепсел, проточна хлор клетка, 1/2 инча 9159500
Болт, проточна хлор клетка (2x) (10-32 x 1,75 Lg Phillps ниска конусна глава) 4422200
Болт, проточна pH клетка (2x) (10-32 x .5 Lg Phillps ниска конусна глава) 561211
Херметизираща заготовка, проточна pH клетка 9198000
Затварящ концентратор, проточна хлор клетка 9196100
Затварящ концентратор, pH комбиниран сензор, 3/4 инча 9159800
Затварящ концентратор, pHD проточна клетка, 1 инч 60F2021-001
Разделящ пръстен, проточна хлор клетка 9181700
Тръба, пробен поток, 1/4 инч x 2 м 4743800
Тръба, пробен поток, 3/8 инч x 18 инча 9198100
Тръба, изразходен поток, 1/2 инча x 2 м 9198200
Клапан, отвор за вземане на проба чрез загребване 9005300
Клапан, настройка на скоростта, почистващ отвор 6166300
Принадлежности
Описание Каталожен номер
Комплект за подкиселяване LZY051
Комплект за настройка на проба на регулатор на налягането 9159900
български 229

Tartalomjegyzék
Műszaki adatok oldalon 230 Karbantartás oldalon 239
Általános tudnivaló oldalon 230 Hibaelhárítás oldalon 243
Beszerelés oldalon 235 Cserealkatrészek és tartozékok oldalon 246
Működtetés oldalon 238
Műszaki adatok
A műszaki adatok előzetes bejelentés nélkül változhatnak.
Jellemző Részletek
A részegység leírása Amperometriás, reagens nélküli, klórfigyelő
elemzőpanel klór-, áramlás-, választható kombinált pH-
vagy pHD érzékelővel, áramlási cellákkal, sc vezérlővel
és digitális átalakítóval
Üzemi hőmérséklet 0–45 °C (0–113 °F)
Tárolási hőmérséklet (csak a panel) -20–60 °C (-4–149 °F)
Teljesítményigény 12 V DC ±10%, legfeljebb 100 mA (sc vezérlő
biztosítja)
Panelméretek (H x Sz x M) 48,3×49,5×15,1 cm (19×19,5×5,95 hüvelyk) panelre
szerelt összetevőkkel
Tömeg Kb. 5,4 kg (12 font) (csak panel és üres panelre szerelt
alkatrészek)
Áramlási sebesség Tartomány: 30–50 l/óra (7,9–13,2 gallon/óra)
Optimális: 40 l/h
Vezérlő platformja sc vezérlőtípusok
Általános tudnivaló
A gyártó semmilyen körülmények között sem felelős a jelen kézikönyv hibájából, vagy
hiányosságaiból eredő közvetlen, közvetett, véletlenszerű, vagy következményként bekövetkezett
kárért. A gyártó fenntartja a kézikönyv és az abban leírt termékek megváltoztatásának jogát minden
értesítés vagy kötelezettség nélkül. Az átdolgozott kiadások a gyártó weboldalán találhatók.
Biztonsági tudnivaló
M E G J E G Y Z É S
A gyártó nem vállal felelősséget a termék nem rendeltetésszerű alkalmazásából vagy használatából eredő
semmilyen kárért, beleértve de nem kizárólag a közvetlen, véletlen vagy közvetett károkat, és az érvényes
jogszabályok alapján teljes mértékben elhárítja az ilyen kárigényeket. Kizárólag a felhasználó felelőssége, hogy
felismerje a komoly alkalmazási kockázatokat, és megfelelő mechanizmusokat szereljen fel a folyamatok védelme
érdekében a berendezés lehetséges meghibásodása esetén.
Kérjük, olvassa végig ezt a kézikönyvet a készülék kicsomagolása, beállítása vagy működtetése
előtt. Szenteljen figyelmet az összes veszélyjelző és óvatosságra intő mondatra. Ennek elmulasztása
a kezelő súlyos sérüléséhez vagy a berendezés megrongálódásához vezethet.
A berendezés nyújtotta védelmi funkciók működését nem szabad befolyásolni. Csak az útmutatóban
előírt módon használja és telepítse a berendezést.
230
Magyar

A veszélyekkel kapcsolatos tudnivalók alkalmazása
V E S Z É L Y
Lehetséges vagy közvetlenül veszélyes helyzetet jelez, amely halálhoz vagy súlyos sérüléshez vezet.
F I G Y E L M E Z T E T É S
Lehetséges vagy közvetlenül veszélyes helyzetet jelez, amely halálhoz vagy súlyos sérüléshez vezethet.
V I G Y Á Z A T
Lehetséges veszélyes helyzetet jelez, amely enyhe vagy kevésbé súlyos sérüléshez vezethet.
M E G J E G Y Z É S
A készülék esetleges károsodását okozó helyzet lehetőségét jelzi. Különleges figyelmet igénylő tudnivaló.
Figyelmeztető címkék
Olvasson el a műszeren található minden felirati táblát és függő címkét. Ha nem tartja be, ami rajtuk
olvasható, személyi sérülés vagy műszer rongálódás következhet be. A műszeren látható szimbólum
jelentését a kézikönyv egy óvintézkedési mondattal adja meg.
Ha a készüléken ez a szimbólum látható, az a használati útmutató kezelési és/vagy biztonsági
tudnivalóira utal.
Az ezzel a szimbólummal jelölt elektromos készülékek 2005. augusztus 12-e után Európában nem
helyezhetők a közösségi háztartási hulladékgyűjtő rendszerekbe. Az európai helyi és nemzeti jogi
szabályozásnak megfelelően (az Európai Unió 2002/98/EK irányelve) a gyártó vállalja, hogy a régi
vagy a lejárt élettartamú európai elektromos készülékeket költségmentesen visszaveszi a
felhasználóktól, ártalmatlanítás céljából.
Megjegyzés: Az újra feldolgozásra való visszajuttatáshoz kérjük, lépjen érintkezésbe a készülék gyártójával vagy
szállítójával, hogy megkapja a lejárt élettartamú készülékek és a gyártó által szállított tartozékok, valamint a kiegészítő
darabok visszajuttatásának módjára vonatkozó tájékoztatást, a megfelelő ártalmatlanításhoz.
A termék áttekintése
Ez a termék elsősorban a települési ivóvízzel kapcsolatos alkalmazásokhoz készült. A szennyvízzel
és ipari használattal kapcsolatos alkalmazásokat a telepítés előtt a gyártó által elfogadottként kell
azonosítani.
A reagens nélküli klórelemző a vízben található teljes és szabad maradék klór koncentrációját figyeli
a vízben, és 0,1 ppm (mg/l) értéknél nagyobb maradék klór-koncentráció mellett a legmegbízhatóbb.
Egy sc típusú vezérlő és a háromelektródás klórérzékelő, a választható pH-érzékelő és az
áramlásérzékelő kombinációja a legkiválóbb vizsgálati funkciót nyújtja. Mindkét érzékelő leolvassa a
minta hőmérsékletét. A pH-érzékelő a vezérlő kijelzőjére továbbítja a hőmérséklet értékét. A klór-
érzékelő saját hőmérséklet-mérési eredményét belsőleg használja, és nem adja át a vezérlő
kijelzőjének. Tartozékként nyomásszabályozó, savasítási és tisztítókészlet áll rendelkezésre.
A klór- és a pH-érzékelő panelra szerelt, sorosan kapcsolt áramlási cellákban foglalnak helyet. Az
áramlási cellák tartják fenn az érzékelő és a minta közötti kapcsolatot, és segítségükkel megelőzhető
az érzékelők kiszáradása, amikor a rendszer nem üzemel. A rendszer és az áramlási cellák
áttekintése itt látható:1. ábra, 2. ábra, 3. ábra.
Az egyes érzékelők a panelra szerelt digitális átalakítón keresztül kapcsolódnak a vezérlőhöz. Ez az
érzékelőktől érkező analóg jeleket alakítja át a vezérlő által használt digitális jelekké. A vezérlő a
digitális jeleket a klór, a pH és a hőmérséklet mérési értékeivé alakítja, és a mért értékeket
megjeleníti a kijelzőn. A vezérlő biztosítja az érzékelők és a digitális átalakító tápellátását.
A vezérlő beállítható úgy, hogy riasztási állapotot vagy figyelmeztetést váltson ki, ha a mérési
értékek a megadott határértékek fölé, illetve alá esnek. A vezérlő riasztásaival kapcsolatos
tudnivalók a vezérlő használati útmutatójában olvashatók.
Megjegyzés: Az érzékelők használati útmutatóiból megtudhatja, hogy hogyan kell tárolni az érzékelőket, amikor a
rendszer nem üzemel.
Magyar
231

Az elemző két konfigurációja áll rendelkezésre: a kivett minta opció (pH érzékelő nélkül) és a pH
opció. A kivett minta összeállítás elemei a következők: szerelőpanel, klórérzékelő és áramlási cella,
pH áramlási cella érzékelő nélkül, áramlásérzékelő, digitális átalakító és vezérlő. A pH kialakítás a
fenti elemek mellett pH-érzékelőt is tartalmaz.
A minta átfolyásának beállítását áramlásszabályozó szelep végzi. Az érzékelő megfelelő
működéséhez 30–50 l/h értékű állandó áramlási sebesség javasolt. Az optimál áramlási sebesség
40 l/h. Az áramlásérzékelőn LED jelzi, hogy elégséges-e a minta áramlási sebessége. Ha a LED
nem világít, addig kell módosítani az áramlási sebességet, amíg ki nem gyullad a LED. Ha a LED
világít, az áramlási sebesség pontos értéke lényegtelen, de az áramlásnak az előíráson belüli
állandó értéken kell maradnia.
1. ábra A rendszer áttekintése
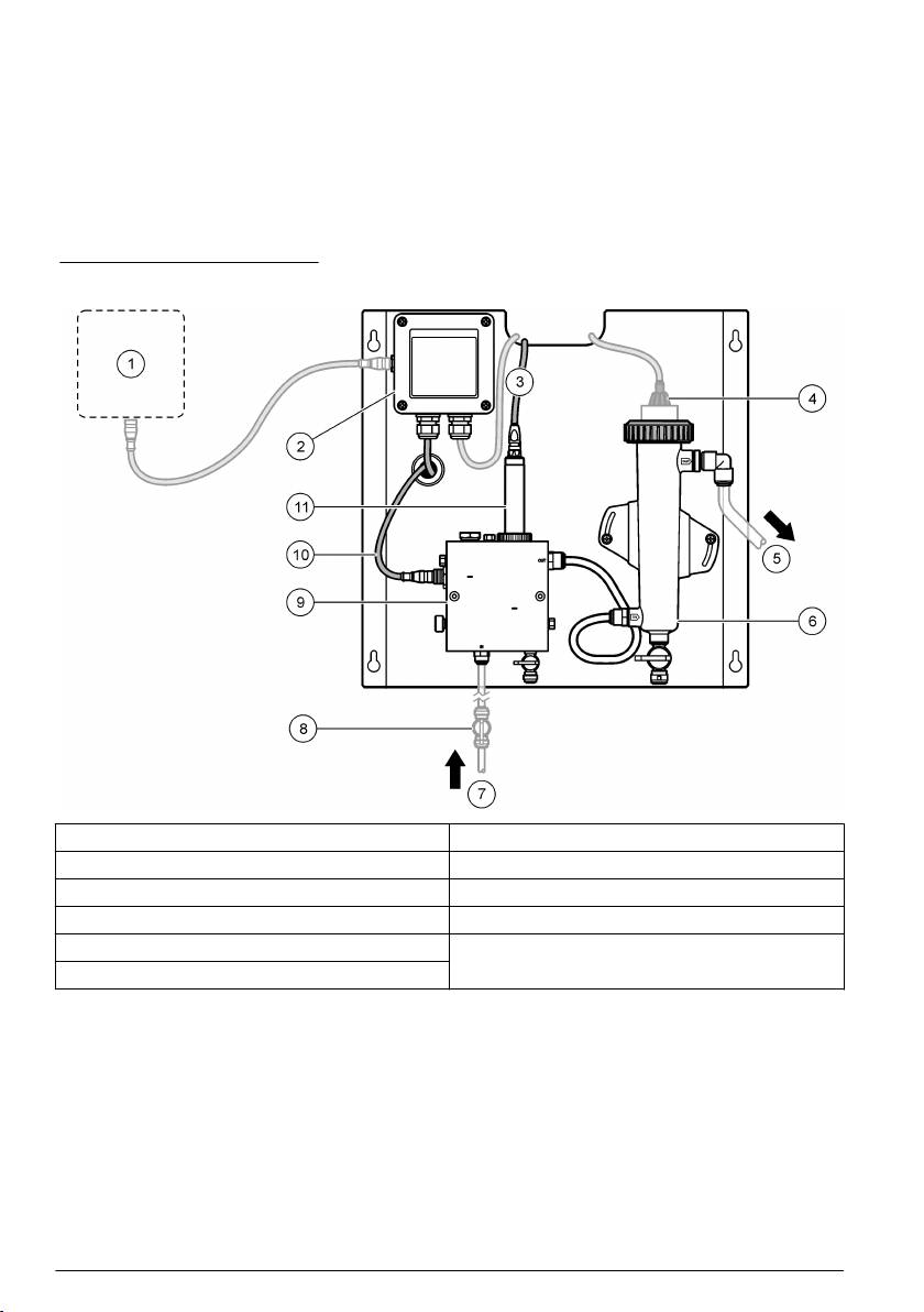
1 Vezérlő 7 Mintabemenet
2 Digitális átalakító 8 Szelep, elzárás (felhasználó biztosítja)
3 Klórérzékelő kábele 9 Klór áramlási cellája
4 pH érzékelő (választható) 10 Áramlásérzékelő kábele
5 Mintaürítő 11 Klórérzékelő
6 pH áramlási cellája
232 Magyar

2. ábra A klór áramlási cellájának áttekintése
1 Áramlásérzékelő 8 Mintakimenet szerelvénye
• Angolszász: gyorsillesztésű szerelvény,
3/8 hüvelyk külső átmérőjű tömlő
• Metrikus: gyorsillesztésű szerelvény, 10 mm
külső átmérőjű tömlő
2 Dugó, 1/8 hüvelyk NPTF 9 Klórérzékelő illesztési jele
3 Úszó illesztési jele 10 Szelep, tisztítónyílás, 1/4 hüvelyk külső átmérőjű
tömlő
4 Dugó, 1/2 hüvelyk NPTF 11 Áramlási cella beömlőnyílása
• Angolszász: gyorsillesztésű szerelvény,
1/4 hüvelyk külső átmérőjű tömlő
• Metrikus: gyorsillesztésű szerelvény, 6 mm
külső átmérőjű tömlő
5 Zárógyűrű 12 Áramlási cella
6 Szigetelőpersely 13 Áramlásszabályozó szelep
7 O-gyűrű 14 Úszó
Magyar 233

3. ábra A pH áramlási cellájának áttekintése
1 Zárógyűrű 4 Mintakimenet szerelvénye
Angolszász: gyorsillesztésű könyökszerelvény,
1/2 hüvelyk külső átmérő
Metrikus: gyorsillesztésű könyökszerelvény, 12 mm
külső átmérő
2 Tiszta tömítés 5 Kivett minta kiömlőnyílása
3 O-gyűrű 6 Áramlási cella beömlőnyílása
• Angolszász: gyorsillesztésű szerelvény,
3/8 hüvelyk külső átmérő
• Metrikus: gyorsillesztésű szerelvény, 10 mm
külső átmérő
A termékhez tartozó alkatrészek
Győződjön meg róla, hogy minden alkatrészt megkapott. Lásd: 1. ábra oldalon 232. Ha valamelyik
tétel hiányzik vagy sérült, forduljon azonnal a gyártóhoz vagy a forgalmazóhoz.
234
Magyar

4. ábra Reagens nélküli klórelemző panel
1 Rendszerpanel 3 Csővezeték, 12 mm (½ hüvelyk)
2 Csatlakozókábel az átalakító és a vezérlő
4 Klórérzékelő
csatlakoztatásához, 1 m (3,3 ft)
Beszerelés
Telepítési szempontok
• Elsőként a mechanikai felszerelés feladatait hajtsa végre, ezt kövesse az elektromos üzembe
helyezés, majd végül a vezetékszerelés.
• Az összes szerelvényt kizárólag kézzel való meghúzásra tervezték.
• A panel falra vagy állványba szerelhető. A panel felszerelésénél és elhelyezésénél válasszon
könnyen elérhető helyet.
• Ne helyezze a panelt hőforrás közelébe.
• Ne szerelje a panelt gyakori rezgésnek kitett környezetbe.
• Óvja a panelt a közvetlen napfénytől.
• A panelt beltérben vagy zárt környezetben szerelje fel.
• Előzze meg a kondenzvíz összegyűlését a panelen és a panel alkatrészein, különösen az
áramlási cellánál, az érzékelőnél, és ahol az érzékelő és a kábel csatlakozik.
• Használjon Teflon
®
vagy PVDF lineáris, kis sűrűségű polietilén tömlőt a minta tápvezetékéhez, és
a tömlő a lehető legrövidebb legyen a késleltetési idő csökkentése érdekében.
• A mintában uralkodó nyomás legyen elegendő az érzékelők folyamatos vízellátásához. Az
áramlásérzékelőn LED jelzi az elégséges áramlást.
• Az érzékelő lehető legjobb működése érdekében az áramlási sebességet tartsa állandó értéken.
Mintavezeték útmutató
A készülék optimális teljesítménye érdekében válasszon megfelelő, jellemző mintavételi pontot. A
mintának az egész rendszerre jellemzőnek kell lennie.
A hibásan mért értékek elkerülésére:
• Olyan helyekről vegye a mintákat, amelyek elegendő távolságra vannak a folyamatáramlat vegyi
adalékainak pontjaitól.
• Győződjön meg róla, hogy a minták megfelelően össze vannak keverve.
Magyar
235

• Ügyeljen arra, hogy az összes kémiai reakció végbemenjen.
Mechanikai felszerelés
A panel felszerelése
A szerelési méretek itt láthatók: 5. ábra. Az ábra alapján a következő lépésekkel szerelje fel a panelt.
1. Erősítse a rögzítőcsavarokat a szerelési felületre. Szereljen fali csapokra, vagy használjon
horgonyokat. Hagyjon elegendő helyet az egyes csavarok feje és a szerelési felület között a
panel illeszkedéséhez.
2. Csúsztassa át a panel szerelőfuratait a rögzítőcsavarok fején keresztül, és engedje a panelt
lefelé addig, míg az egyes szerelőfuratok teteje fel nem fekszik a csavartestre.
3. A csavarok meghúzásával rögzítse a panelt a szerelési felülethez.
4. Szerelje fel a klór- és a pH-érzékelőt (választható) az áramlási cellákra. Az érzékelők felszerelési
módjáról lásd a megfelelő érzékelő felhasználói útmutatóját.
5. ábra A reagens nélküli klórelemző panel méretei
236 Magyar

Elektromos üzembe helyezés
A panel bekötése
F I G Y E L M E Z T E T É S
Halálos áramütés veszélyének lehetősége. Mindig kösse le a műszerről a tápfeszültséget, amikor
elektromos összeköttetéseket létesít.
A vezérlő biztosítja az érzékelők és a digitális átalakító tápellátását.
1. Szüntesse meg a vezérlő tápellátását.
2. Csatlakoztassa a (választható) pH-érzékelő vezetékeit a digitális átalakítóhoz. Az érzékelők
felszereléséről az áramlási cellákra és az érzékelő digitális átalakítóhoz való csatlakoztatásáról a
tudnivalókat lásd az érzékelő felhasználói útmutatójában.
3. Csatlakoztassa a klórérzékelőt a digitális átalakítóhoz. Az érzékelő digitális átalakítóhoz való
csatlakoztatásáról a tudnivalókat lásd az érzékelő felhasználói útmutatójában.
Megjegyzés: A leszállított panelen a klórérzékelő kábele a panel előlapjához van rögzítve az
érzékelőcsatlakozás közelében.
4. Csatlakoztassa a vezérlőt a digitális átalakítóhoz a panelhez kapott 1 méteres csatlakozókábellel.
Vezetékszerelés
Vezetékszerelés a panelen
A panel összes tömlőjénél és szerelvényénél ügyeljen a méretelőírások betartására. Az áramlási
pálya átmérőjének növekednie kell, amikor víz folyik keresztül a rendszeren, hogy megelőzhető
legyen az ellennyomás kialakulása. A csővezetékek csatlakozásainak áttekintése itt található: 1. ábra
oldalon 232.
1. Csatlakoztasson tömlőt a minta beömlőnyílásának és kiömlőnyílásának szerelvényeihez.
2. Ügyeljen arra, hogy zárva legyen a tisztítónyílás a klór áramlási celláján.
3. Ügyeljen arra, hogy zárva legyen a kivett minta kiömlőnyílása a pH áramlási celláján.
4. Nyissa ki az áramlási szelepet a mintakörben, hogy vizet engedjen át a rendszeren.
5. Ellenőrizze, hogy nincs-e szivárgás a tömlőkből, a szelep szerelvényeiből vagy az áramlási
cellákból.
6. A légbuborékok elkerüléséhez a pH áramlási cellája 0º és 30º között megdönthető, lásd: 6. ábra.
Magyar
237

6. ábra A pH áramlási cella megdöntése
Működtetés
Felhasználói navigáció
A billentyűzet leírását és a navigációs tudnivalókat lásd a vezérlő dokumentációjában.
A rendszer konfigurálása
Az érzékelők konfigurálása és kalibrálása a vezérlő felhasználói felületén hajtható végre. Az
érzékelők konfigurálásáról és kalibrálásáról a további tudnivalókat az érzékelő felhasználói
útmutatójában találja.
Egy sc típusú vezérlőt kell csatlakoztatni az átalakítóhoz.
1. A vezérlő főmenüjén válassza a Sensor Setup (Érzékelőbeállítás) elemet.
A Chlorine Gateway (CGW) Setup (Klór átalakítójának beállítása) menü jelenik meg.
2. Válassza a Configure (Konfigurálás) elemet, és módosítsa megfelelően a bejegyzéseket. Az
egyes bejegyzések után hagyja jóvá a változtatások mentését, majd térjen vissza a Configure
(Konfigurálás) menüre.
Opció Leírás
Név szerkesztés Az érzékelő nevének szerkesztése
238 Magyar

Opció Leírás
Select Parameter (Paraméter kijelölése) – Chlorine
A konfigurálni kívánt paraméter kijelölése. A
(Total vagy Free, Klór, teljes vagy szabad), pH
kijelölt paraméter konfigurálása további lépéseket
(választható), Temperature (Hőmérséklet,
igényel. A további tudnivalókat lásd az érzékelő
választható)
felhasználói útmutatójában.
Reset Defaults (Alapértékek visszaállítása – Confirm
Az összes beállítás visszaállítása a gyári
to do the reset (Jóváhagyás a visszaállítás
alapértékekre.
végrehajtásához)
A rendszer indítása
A rendszeren keresztüli áramlás beindítása előtt ellenőrizze az összes mechanikai, elektromos és
vezetékszerelési feladat megfelelő végrehajtását.
1. Helyezze tápfeszültség alá a vezérlőt.
Első bekapcsolásakor a vezérlő egymás után a nyelvre, a dátumformátumra és a dátum/pontos
idő értékére vonatkozó képernyőket jeleníti meg.
2. Állítsa be a nyelvet, a dátumot és a pontos időt a vezérlőn, ha ez korábban nem történt meg.
Ezeknek a beállításoknak a megadási módjáról a további tudnivalókat a vezérlő felhasználói
útmutatójában találja.
A vezérlő megkeresi a csatlakoztatott eszközöket.
3. Ügyeljen arra, hogy zárva legyen a tisztítónyílás és a kivett minta kiömlőnyílása, majd nyissa ki a
szelepet a mintakörben, hogy vizet engedjen át a rendszeren.
A klór és pH áramlási cellája megtelik vízzel.
4. Ügyeljen arra, hogy az áramlásérzékelőn lévő LED világítson. Ha a LED nem világít, az
áramlásszabályozó szeleppel növelje az átfolyást.
AZ áramlásérzékelőn lévő LED világít, ha elégséges az áramlás az érzékelő megfelelő
működéséhez. Ha túl nagy az áramlás, a LED kialudhat. Ügyeljen arra, hogy az úszó
megközelítőleg az illesztési jel közelében legyen.
5. Ellenőrizze, hogy nincs-e szivárgás vagy eltömődés a tömlőknél és az áramlási cellákban. Ha
bármilyen problémát észlelt, zárja el az áramlást, és hajtsa végre a szükséges javításokat.
6. Ha elégséges az áramlás a rendszerben, a javasolt műveletek végrehajtásával törölje a vezérlő
kijelzőjén megjelent esetleges figyelmeztetéseket.
7. Nyomja meg a HOME gombot.
A fő mérési képernyő jelenik meg, amelyen a klór, a hőmérséklet és a pH (ha pH-érzékelő is
csatlakoztatva van) mérési értékei láthatók.
Karbantartás
V E S Z É L Y
Többszörös veszély. A dokumentumnak ebben a fejezetében ismertetett feladatokat csak képzett
szakemberek végezhetik el.
Tömlők cseréje
A tömlőket évente legalább egyszer ki kell cserélni. Haladéktalanul cserélje ki a rideggé vált, repedt
vagy szivárgó tömlőket. A régi, színét vesztett, szennyes vagy sérült tömlőket cserélje azonos
átmérőjű és típusú tömlőkre (Teflon
®
vagy PVDF).
Érzékelő áramlási cellájának tisztítása
Szükség szerint tisztítsa meg az áramlási cellát a lerakódások eltávolítása érdekében. Tisztítsa meg
az áramlási cellát, ha az erősen szennyezetté vált. Cserélje ki az áramlási cellát, ha megsérült,
elvesztette a színét vagy átlátszatlanná vált. Megtisztításához nem szükséges eltávolítani az
áramlási cellát a panelről.
Magyar
239

Megjegyzés: Soha ne használjon mosószert vagy felületaktív anyagot a klór áramlási cellájának tisztításához.
1. Állítsa le a panel forrásaként szolgáló áramlást.
2. Vegye ki a klórérzékelőt, és helyezze azt klórozott vízzel feltöltött tárolóba.
Megjegyzés: Ne szüntesse meg az érzékelő tápellátását. Ha megszakítja a klórérzékelő tápellátását, újbóli
használata előtt kondicionálni és kalibrálni kell az érzékelőt.
Megjegyzés: Amikor az érzékelőt csatlakoztatott érzékelőkábellel veszi ki az áramlási cellából, megváltoznak
az érzékelő jelkimenetei. A további tudnivalókat lásd a vezérlő kézikönyvében.
3. Öblítse le vízzel az áramlási cellát, és a lerakódások eltávolításához súrolja le lágy sörtéjű
kefével.
4. Öblítse le vízzel az áramlási cellát.
5. Ha az áramlási cella nem elegendően tiszta, áztassa azt 10–15 percig 3–5%-os hidrogén-peroxid
oldat és ecet 1:3 arányú keverékében.
6. Öblítse le vízzel az áramlási cellát.
7. Szerelje fel az érzékelőt az áramlási cellára, és indítsa el a minta áramlását.
Az áramlásérzékelő cseréje
Szokásos feltételek mellett az áramlásérzékelő nem igényel rendszeres karbantartást vagy cserét.
Ha viszont az áramlást jelző LED nem gyullad ki, amikor az úszó az illesztési jelnél vagy e fölött van,
és a tápellátás megfelelő, szükség lehet az érzékelő cseréjére. Az áramlásérzékelő cseréjéhez
kövesse az alábbi illusztrált lépéseket.
Megjegyzés: Az áramlásérzékelő cseréjénél nem szükséges eltávolítani a klórérzékelőt, leereszteni az áramlási
cellát, illetve kikapcsolni a vezérlőt.
240 Magyar

