Stiebel Eltron SHW ... S с 06.05.2013: InStallatIOn
InStallatIOn: Stiebel Eltron SHW ... S с 06.05.2013
www.stiebel-eltron.com
SHW S |
33
fr
an
çai
s
InStallatIOn
Sécurité
InStallatIOn
7. sécurité
Le montage, la mise en service, la maintenance et les réparations
de cet équipement ne doivent être effectués que par un installa-
teur qualifié.
7.1 consignes de sécurité générales
Nous ne garantissons le bon fonctionnement et la sécurité de
l’appareil que si les accessoires et pièces de rechange d’origine
sont utilisés.
7.2 Prescriptions, normes et directives
Remarque
Respectez la législation et les prescriptions nationales
et locales.
8. description de l’appareil
8.1 Fournitures
Sont fournis avec l’appareil :
- Thermomètre (monté dans le bornier de raccordement)
- Conduite d’arrivée d’eau froide avec joint plat
- Rosette adhésive pour la conduite de circulation
- Raccord à joint plat pour le raccordement d’une conduite de
circulation
- Bouchon d’obturation en matière synthétique
8.2 accessoires
accessoires nécessaires
Des groupes de sécurité et des réducteurs de pression peuvent
être fournis si la pression au repos le nécessite. Ces groupes de
sécurité homologués protègent l’appareil des excès de pression
non autorisés.
autres accessoires
Il faudra installer une anode de signalisation articulée s’il n’est
pas possible de monter une anode rigide par le haut.
9. travaux préparatoires
9.1 lieu d’implantation
Montez toujours l’appareil dans un local à l’abri du gel et à proxi-
mité du point de soutirage. Fixez-le au sol.
9.2 transport
!
Dommages matériels
Nous recommandons de déposer l’habillage du ballon
pour transporter celui-ci sur son lieu d’implantation afin
de ne pas le salir ou de l’endommager (voir chapitre Mon-
tage / Habillage du ballon et au besoin, Montage de la
conduite de circulation).
10. Pose
10.1 montage de l’habillage du ballon et au besoin,
de la conduite de circulation
Remarque
Montez l’habillage du ballon avec son couvercle avant
d’effectuer le raccordement hydraulique et de monter
la conduite de circulation ou la résistance électrique le
cas échéant.
Montez le cache du socle après le contrôle d’étanchéité.
Montez la conduite de circulation au raccord « Circulation » (voir
le chapitre Données techniques / Cotes et raccordements). Vous
pouvez aussi utiliser le raccord « Circulation » pour raccorder un
thermomètre.
démontage
f
f
Enlevez l’un après l’autre le couvercle et le cache du socle de
l’habillage du ballon.
f
f
Ôtez le bouton de réglage de température de la résistance
électrique.
f
f
Retirez le couvercle du bornier de raccordement et le
passe-câbles.
f
f
Retirez l’habillage du ballon.
34
| SHW S www.stiebel-eltron.com
InStallatIOn
pose
Pose
f
f
Montez l’habillage du ballon.
f
f
Montez le passe-câbles et le couvercle du bornier de
raccordement.
f
f
Remettez le bouton de réglage de température en place.
f
f
Si vous utilisez le raccord « circulation » pour la conduite de
circulation, vous devez pratiquer une ouverture pour passer
celle-ci dans l’habillage du ballon au niveau du raccordement
(renfoncement dans la mousse).
f
f
Enlevez l’isolation thermique dans la zone du raccordement.
f
f
Passez la conduite de circulation par l’ouverture de l’habil-
lage du ballon et installez-la.
f
f
Isolez le raccord « Circulation ».
f
f
Vissez le raccord à joint plat fourni et une rallonge.
f
f
Recouvrez le trou de l’habillage du ballon avec la rosette ad-
hésive fournie.
f
f
Montez le couvercle et le cache du socle de l’habillage du
ballon.
10.2 thermomètre
26
�0
2�
09
�0
06
2
f
f
Insérez le thermomètre jusqu’en butée, puis orientez-le.
10.3 anode témoin
!
Dommages matériels
L’appareil ne doit pas fonctionner avec un indicateur
d’usure endommagé, au risque de provoquer une fuite
d’eau après usure de l’anode.
26
�0
2�
09
�0
06
3
1
2
1 Protection pour le transport
2 Indicateur d’usure de l’anode témoin
f
f
Retirez les protections de transport.
f
f
Vérifiez que l’indicateur d’usure n’a pas subi de dégâts pen-
dant le transport.
10.4 raccordement hydraulique et groupe de
sécurité
10.4.1 consignes de sécurité
Remarque
Exécutez tous les travaux de raccordement et d’installa-
tion hydrauliques suivant les prescriptions.
!
Dommages matériels
Si une tuyauterie en matière synthétique est utilisée, re-
portez-vous au chapitre Données techniques / Conditions
de pannes.
!
Dommages matériels
Cet appareil doit être utilisé avec des robinetteries à
pression.
conduite d’eau froide
Les matériaux autorisés sont l’acier galvanisé, l’acier inoxydable,
le cuivre et les matières synthétiques.
Une soupape de sécurité est requise.
conduite d’eau chaude
Les matériaux autorisés sont l’acier inoxydable, le cuivre et les
systèmes de tuyaux en matières synthétiques.
www.stiebel-eltron.com
SHW S |
35
fr
an
çai
s
InStallatIOn
pose
10.4.2 raccordement
f
f
Rincez soigneusement les conduites.
La pression max. admissible ne doit pas être dépassée (voir le
chapitre Données techniques / Tableau de données).
ff
Installez une soupape de sécurité arrivée eau froide testée
conforme au type de construction. Notez qu’en fonction de la
pression au repos, il sera éventuellement nécessaire d’instal-
ler un réducteur de pression supplémentaire.
f
f
Montez les conduites de sortie d’eau chaude et d’arrivée
d’eau froide.
26
�0
2�
09
�0
03
5
1
2
1 Raccordement de l’eau froide
2 Conduite de raccordement de l’eau froide
f
f
Raccordez l’eau froide directement ou montez la conduite de
raccordement entre les pieds du ballon.
f
f
Utilisez une clé pour tenir la conduite lors du vissage (ouver-
ture de clé 36).
f
f
Contrôlez la stabilité de la conduite de raccordement et si be-
soin est, posez une fixation supplémentaire.
ff
La conduite d’évacuation doit être conçue de sorte que l’eau
puisse s’écouler librement lorsque la soupape de sécurité est
entièrement ouverte.
ff
Installez la conduite de purge de la soupape de sécurité avec
une inclinaison constante vers le bas dans un local à l’abri du
gel.
ff
L’ouverture de purge de la soupape de sécurité doit être ou-
verte sur l’atmosphère.
10.5 raccordement électrique
AVERTISSEMENT Électrocution
Déconnectez tous les pôles d’alimentation secteur de
l’appareil avant toute intervention.
AVERTISSEMENT Électrocution
Le raccordement au secteur n’est autorisé que sous
forme d’une connexion fixe réalisée en liaison avec le
passe-câble amovible. L’appareil doit pouvoir être dé-
connecté du secteur par un dispositif de coupure mul-
tipolaire ayant une ouverture minimale des contacts de
3 mm.
AVERTISSEMENT Électrocution
Veillez à ce que l’appareil soit raccordé au conducteur
de mise à la terre.
!
Dommages matériels
Respectez les indications de la plaque signalétique. La
tension spécifiée doit correspondre à la tension du sec-
teur.
f
f
Retirez le bouton de réglage de température.
f
f
Retirez les vis situées en bas du couvercle du bornier de rac-
cordement et déposez-le.
f
f
Préparez le câble de raccordement et passez celui-ci dans le
passe-câble dans le bornier de raccordement. Choisissez une
section de câble correspondant à la puissance de l’appareil.
f
f
Raccordez la puissance souhaitée en fonction des exemples
de raccordement (voir le chapitre Données techniques / Sché-
ma des connexions électriques et raccordements).
f
f
Reposez le couvercle du bornier de raccordement.
f
f
Remettez le bouton de réglage de température en place.
f
f
Si le fournisseur d’énergie n’autorise pas la chauffe rapide,
vous devez recouvrir le bouton correspondant avec le capu-
chon en plastique fourni.
f
f
Marquez au stylo sur la plaquette signalétique la puissance
de raccordement choisie et la tension.
36
| SHW S www.stiebel-eltron.com
InStallatIOn
Mise en service
11. mise en service
11.1 Première mise en service
f
f
Ouvrez un point de soutirage jusqu’à ce que l’appareil soit
rempli et qu’il n’y ait plus d’air dans les conduites.
f
f
Réglez le débit. Notez le débit maximal admissible pour la
robinetterie ouverte au maximum (voir le chapitre Données
techniques / Tableau de données). Réduisez, si nécessaire, le
débit au niveau du restricteur sur le groupe de sécurité.
f
f
Effectuez un contrôle d’étanchéité.
f
f
Positionnez le bouton de réglage de la température sur
Maximum.
f
f
Mettez sous tension secteur.
f
f
Contrôlez le fonctionnement de l’appareil.
f
f
Vérifiez le bon fonctionnement du groupe de sécurité.
11.1.1 remise de l’appareil
f
f
Expliquez les différentes fonctions à l’utilisateur puis familia-
risez-le avec l’emploi de l’appareil.
f
f
Indiquez à l’utilisateur les risques encourus, notamment les
risques de brûlure.
f
f
Remettez-lui cette notice.
11.2 remise en marche
Voir le chapitre Première mise en service.
12. réglages
12.2.1 limitation de la sélection de température
Vous pouvez régler la limitation de sélection de la température
sous le bouton de réglage de la température.
Réglage d’usine : Limitation à 60 °C
f
f
Positionnez le bouton de réglage de température sur
« Froid » et débranchez l’appareil du secteur.
f
f
Retirez le bouton de réglage de la température et le cou-
vercle du bornier de raccordement.
1
2
26
�0
2�
79
�0
07
0
1 Disque limiteur
2 Sans disque limiteur, 82 °C maximum
f
f
Vous pouvez régler la limitation à 45 °C ou 60 °C en retour-
nant le disque limiteur. Lorsque le disque limiteur est enlevé,
il est possible de régler la température maximale.
f
f
Réinsérez le couvercle du bornier de raccordement et le bou-
ton de réglage de la température.
13. mise hors service
f
f
Coupez l’appareil de la tension secteur à l’aide du fusible de
l’installation domestique.
f
f
Vidangez l’appareil. Voir le chapitre Maintenance / Vidange
de l’appareil.
www.stiebel-eltron.com
SHW S |
37
fr
an
çai
s
InStallatIOn
dépannage
14. dépannage
Remarque
Le limiteur de sécurité peut se déclencher à des tempé-
ratures inférieures à -15 °C. L’appareil peut déjà avoir été
soumis à de telles températures lors de son stockage ou
de son transport.
panne
cause
Solution
L’eau ne chauffe pas.
Le limiteur de sécurité
s’est déclenché en raison
d’une défaillance du ré-
gulateur.
Remplacez le régulateur et
appuyez sur le bouton de
réarmement du limiteur de
sécurité.
Le limiteur de sécurité
s’est déclenché en raison
d’une température infé-
rieure à -15 °C.
Appuyez sur le bouton de
réarmement.
Un corps de chauffe est
défectueux.
Remplacez le corps de
chauffe.
La chauffe rapide ne fonc-
tionne pas.
Contrôlez le contacteur,
remplacez-le éventuelle-
ment.
De l’eau s’écoule de la
soupape de sécurité
lorsque le chauffage
est arrêté.
Le siège de la soupape
est sale.
Nettoyez le siège de la
soupape.
26
�0
2�
09
�0
07
0�
1
1 Bouton de réarmement du limiteur de sécurité
15. maintenance
AVERTISSEMENT Électrocution
Exécutez tous les travaux de raccordement et d’installa-
tion électriques conformément aux prescriptions.
AVERTISSEMENT Électrocution
Coupez l’appareil sur tous les pôles du réseau d’alimen-
tation avant toute intervention.
Observez les consignes du chapitre « Vidange de l’appareil »
lorsque vous devez vider l’eau de l’appareil.
15.1 contrôle du groupe de sécurité
f
f
Purgez régulièrement la soupape du groupe de sécurité
jusqu’à ce que l’eau sorte en jet fort.
15.2 Vidange de l’appareil
AVERTISSEMENT Brûlure
L’eau sortant lors de la vidange peut être très chaude.
Si le ballon doit être vidangé pour les travaux de maintenance ou
en vue de protéger l’ensemble de l’installation en cas de risque
de gel, veuillez procédez comme suit :
f
f
Fermez la vanne d’arrêt de l’arrivée d’eau froide.
f
f
Ouvrez les robinets d’eau chaude sanitaire de tous les points
de soutirage.
f
f
Vidangez l’appareil via le groupe de sécurité.
15.3 remplacement de l’anode témoin
f
f
Remplacez l’anode témoin lorsqu’elle est usée.
15.4 nettoyage et détartrage de l’appareil
f
f
N’utilisez pas de pompe de détartrage.
f
f
Ne détartrez le corps de chauffe qu’après démontage et ne
traitez ni la surface du ballon, ni l’anode témoin avec un pro-
duit détartrant.
Couple de serrage des vis de la bride : Voir le chapitre Données
techniques / Cotes et raccordements
15.5 remplacement du corps de chauffe
26
�0
2�
09
�0
06
9�
5
6
4
2
3
1
1 Plaque isolante
2 Bride
3 Bride à souder
4 Plaque d’isolation électrique
5 Résistance anticorrosion 390 Ω
6 Garniture d’étanchéité
La résistance anticorrosion sert à établir l’équipotentialité et évite
la corrosion des corps de chauffe par courant de sortie.
f
f
La résistance anticorrosion ne doit être ni endommagée ni
retirée pour les travaux de maintenance.
f
f
Veillez à effectuer correctement l’assemblage de la résistance
chauffante après avoir remplacé la résistance anticorrosion.
38
| SHW S www.stiebel-eltron.com
InStallatIOn
données techniques
16. données techniques
16.1 cotes et raccordements
sHw 200 s
430
a43
60
80
1578
340
1035
730
630
h43
i01
i18
i18
c03
c06
c01
c10
b02
b03
45°
45°
D
00000
17
59
2
SHW 200 S
a43 Diamètre perçage des pieds
b02 Passage des câbles électriques I Diamètre
PG 16
b03 Passage des câbles électriques II Diamètre
PG 13,5
c01 Eau froide arrivée
Filetage mâle
G 1 A
c03 Eau froide conduite d’arrivée
Filetage mâle
G 1 A
Couple de serrage
Nm
100
c06 ECS sortie
Filetage mâle
G 1 A
c10 Circulation
Filetage mâle
G 1/2 A
h43 Thermomètre
Diamètre
mm
14,5
i01 Bride
Diamètre
mm
210
Diamètre du per-
çage des pieds
mm
180
Vis
10 x M12
Couple de serrage
Nm
55
i18 Anode de protection
Filetage femelle
G 1 1/4
sHw 300 s
75
55
1593
365
1040
815
700
i18
i18
c03
45°
45°
h43
i01
c01
c10
b02
b03
490
a43
c06
D
00000
17
59
3
SHW 300 S
a43 Diamètre perçage des pieds
b02 Passage des câbles électriques I Diamètre
PG 16
b03 Passage des câbles électriques II Diamètre
PG 13,5
c01 Eau froide arrivée
Filetage mâle
G 1 A
c03 Eau froide conduite d’arrivée
Filetage mâle
G 1 A
Couple de serrage
Nm
100
c06 ECS sortie
Filetage mâle
G 1 A
c10 Circulation
Filetage mâle
G 1/2 A
h43 Thermomètre
Diamètre
mm
14,5
i01 Bride
Diamètre
mm
210
Diamètre du per-
çage des pieds
mm
180
Vis
10 x M12
Couple de serrage
Nm
55
i18 Anode de protection
Filetage femelle
G 1 1/4
www.stiebel-eltron.com
SHW S |
39
fr
an
çai
s
InStallatIOn
données techniques
sHw 400 s
75
55
1763
375
1160
865
750
i18
i18
c03
45°
45°
h43
i01
c01
c10
b02
b03
540
a43
c06
D
00000
17
59
4
SHW 400 S
a43 Diamètre perçage des pieds
b02 Passage des câbles électriques I Diamètre
PG 16
b03 Passage des câbles électriques II Diamètre
PG 13,5
c01 Eau froide arrivée
Filetage mâle
G 1 A
c03 Eau froide conduite d’arrivée
Filetage mâle
G 1 A
Couple de serrage
Nm
100
c06 ECS sortie
Filetage mâle
G 1 A
c10 Circulation
Filetage mâle
G 1/2 A
h43 Thermomètre
Diamètre
mm
14,5
i01 Bride
Diamètre
mm
210
Diamètre du per-
çage des pieds
mm
180
Vis
10 x M12
Couple de serrage
Nm
55
i18 Anode de protection
Filetage femelle
G 1 1/4
coupe de l’appareil
i18
c03
h43
i01
c01
c10
b02
b03
c06
D
00000
35
57
6
40
| SHW S www.stiebel-eltron.com
InStallatIOn
données techniques
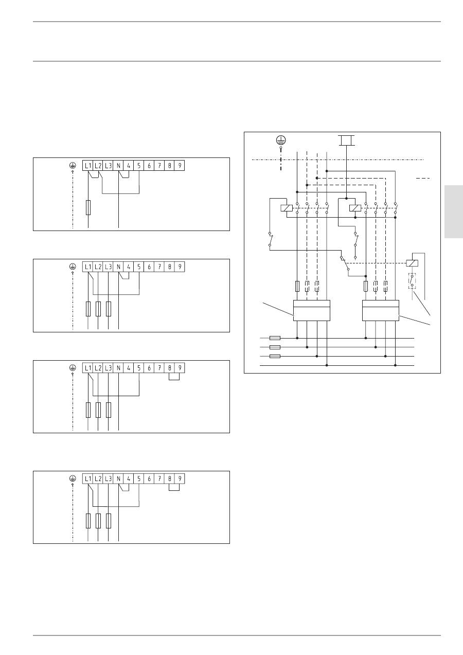
16.2 schéma des connexions électriques et
raccordements
L1 L2 L3 N 4 5 6 7 8 9
1
II
3
I
2
2
1
5
4
3
6
26
�0
2�
79
�0
06
0
1 Disjoncteur dans le bornier de raccordement
2 Bouton-poussoir de chauffe rapide
3 Limiteur de sécurité
4 Thermostat
5 Contacteur
6 Corps de chauffe 2 kW ~ 230 V chacun
Fonctionnement double puissance, mesure à compteur simple
avec contact sde
Dans les exemples suivants de raccordement, la puissance de la
chauffe rapide pendant le tarif heures pleines est indiquée der-
rière le trait oblique.
Notez la position du disjoncteur dans le bornier de raccordement.
2/4 kW
Position du disjoncteur I
1/N/PE ~ 230 V
4/4 kW
Position du disjoncteur II
1/N/PE ~ 230 V
2
1
26
�0
2�
79
�0
06
1
2/6 kW
Position du disjoncteur I
3/N/PE ~ 400 V
2
1
26
�02
�7
9�
00
62
3/6 kW
Position du disjoncteur I
3/N/PE ~ 400 V
2
1
26
�0
2�
79
�0
06
3
4/6 kW
Position du disjoncteur I
3/N/PE ~ 400 V
6/6 kW
Position du disjoncteur II
3/N/PE ~ 400 V
2
1
26
�0
2�
79
�0
06
4
1 Bouton-poussoir de chauffe rapide
2 Contact SDE
www.stiebel-eltron.com
SHW S |
41
fr
an
çai
s
InStallatIOn
données techniques
Fonctionnement simple puissance
Dans les exemples suivants de raccordement, la puissance de la
chauffe rapide est indiquée entre parenthèses.
Notez la position du disjoncteur dans le bornier de raccordement.
2(4) kW
Position du disjoncteur I
1/N/PE ~ 230 V
4(4) kW
Position du disjoncteur II
1/N/PE ~ 230 V
26
�0
2�
79
�0
06
5
2(6) kW
Position du disjoncteur I
3/N/PE ~ 400 V
26
�0
2�
79
�0
06
6
3(6) kW
Position du disjoncteur I
3/N/PE ~ 400 V
26
�0
2�
79
�0
067
4(6) kW
Position du disjoncteur I
3/N/PE ~ 400 V
6(6) kW
Position du disjoncteur II
3/N/PE ~ 400 V
26
�0
2�
79
�0
06
8
Fonctionnement double puissance, mesure à deux compteurs
avec contact sde
1/N/PE ~ 230 V
3/N/PE ~ 400 V
5
PE
K1
K2
K2
K1
L1
N
L3
L2
26
�0
2�
79
�0
06
9
3
2
1
4
K1 Contacteur 1
K2 Contacteur 2
1 Raccords supplémentaires nécessaires pour 3/N/PE ~ 400 V
2 Contact SDE
3 Compteur tarif heures creuses
4 Compteur tarif heures pleines
Veillez à la concordance des phases.
42
| SHW S www.stiebel-eltron.com
InStallatIOn | gaRantIe | envIROnneMent et Recyclage
données techniques
16.3 courbe de chauffe
La durée de chauffe dépend de la capacité du ballon, de la tem-
pérature de l’eau froide et de la puissance chauffage.
À une température de l’eau froide de 10 °C et un réglage sur II
de la température :
400
300
2
4
6
8
10
12
2
3
4
1
84
�0
2�
02
�0
01
6
X Contenance nominale [l]
Y Durée [l]
1 2 kW
2 3 kW
3 4 kW
4 6 kW
16.4 conditions de dysfonctionnement
En cas de panne, la température peut atteindre 95 °C à 0,6 MPa.
16.5 tableau de données
SHW 200 S
SHW 300 S
SHW 400 S
182120
182121
182122
Données hydrauliques
Capacité nominale
l
200
300
400
Quantité d’eau mélangée à 40 °C (15 °C / 60 °C)
l
397
590
780
Données électriques
Puissance de raccordement ~ 230 V
kW
2-4
2-4
2-4
Puissance de raccordement ~ 400 V
kW
2-6
2-6
2-6
Tension nominale
V
230/400
230/400
230/400
Phases
1/N/PE,3/N/PE
1/N/PE,3/N/PE
1/N/PE,3/N/PE
Fréquence
Hz
40-450
40-450
40-450
Mode de fonctionnement Simple puissance
X
X
X
Mode de fonctionnement Double puissance
X
X
X
Limites d’utilisation
Plage de réglage de température
°C
35-82
35-82
35-82
Pression max. admissible
MPa
0,6
0,6
0,6
Pression d’essai
MPa
0,78
0,78
0,78
Température maxi admissible
°C
95
95
95
Débit maximum
l/min
30
38
45
Données énergétiques
Consommation énergétique en état de disponibilité/24 h à 65 °C
kWh
1,5
1,9
2,25
Versions
Indice de protection (IP)
IP24
IP24
IP24
Type de construction sous pression
X
X
X
Couleur
blanc pur / gris basalte
blanc pur / gris basalte
blanc pur / gris basalte
Dimensions
Hauteur
mm
1578
1593
1763
Largeur
mm
630
700
750
Profondeur
mm
730
815
865
Poids
Poids, ballon rempli
kg
265
277
490
Poids à vide
kg
65
77
90
Garantie
Les conditions de garantie de nos filiales allemandes ne s’appli-
quent pas aux appareils achetés hors d’Allemagne. Au contraire,
c’est la filiale chargée de la distribution de nos produits dans le
pays qui est seule habilitée à accorder une garantie. Une telle
garantie ne pourra cependant être accordée que si la filiale a
publié ses propres conditions de garantie. Il ne sera accordé
aucune garantie par ailleurs.
Nous n’accordons aucune garantie pour les appareils achetés
dans des pays où aucune filiale de notre société ne distribue
nos produits. D’éventuelles garanties accordées par l’importa-
teur restent inchangées.
Environnement et recyclage
Merci de contribuer à la préservation de notre environnement.
Après usage, procédez à l‘élimination de ces matériaux confor-
mément à la réglementation nationale.

