Stiebel Eltron DHB-E 13 SL: A
A: Stiebel Eltron DHB-E 13 SL
KUNDENDIENST UND GARANTIE | UMWELT UND RECYCLING
Kundendienst und Garantie
Ein Garantieanspruch ist nur in dem Land, in dem das Gerät ge
kauft wurde, geltend zu machen. Wenden Sie sich bitte an die
jeweilige Landergesellschaftcder den Importeur.
A
A
Die
Installation,
Inbetriebnahme
sowie
Wartung
und
Reparatur des Gerätes darf nur von einem Fachhand-
werker durchgeführt werden.
Wir übernehmen keinerlei Haftung für fehlerhafte Ge
räte. welche nicht gemäß der jeweiligen zum Gerät
gehörenden
Bedienungs-
und
Installationsanleitung
installiert und betrieben wurden.
Umwelt und Recycling
Bitte helfen Sie. unsere Umwelt zu schützen. Entsorgen Sie die
Verpackung gemäß nationaler Vorschriften.
18 IDHB-E ... SLi electronic
vrww.stiebeL-eltron.com
NOTIZEN
X
u
t/)
www.stiebeL-eltron.com
DHB-E ... SLi eLectronic 119
OPERATION
GENERAL INFORMATION
OPERATION
20
1. General information
1. General information
20
The chapter Operation is intended for users and heating
1.1 Kev
20
contractors.
2. Safety
21
The chapter Installation is intended for heating contractors.
2.1 Correct use
21
2.2
Safetv instructions
21
j\
Please read carefully
/
|\
Read
these
instructions
carefully
before
using
the
appliance and retain them for future reference. If the
appliance is passed on to a third party please hand
these instructions to the new user.
2.3 CE designation
21
3. Aooliance descriotion
21
0. Operation
21
4.1 Temperature selector
21
4.2 Draw-off capacities
21
1.1 Key
4.3 Thermostatic valve
21
Inthls documentation you will come across symbols and highlights
4.4 Temperature limii/Anii-scalding protection
21
that are defined as follows:
5. Clediiins, care and maintenance
21
1.1.1 Symbols in this documentation
6. What to do if..?
22
6.1
...the water suppiv is interrupted?
22
A Risk of injury
6.2 ...faults occur on the aooliance?
22
Information regarding possible risks of injury for
INSTALLATION
23
t
\ installer or users and potential equipment damage.
?. Safetv
23
Danger of electrocution
7.1 General safetv instructions
23
7.2 Instructions, standards and regulations
23
Risk of scalding
7.3 Water installation
23
7.4 Risk of frost
23
8. Aooliance description
24
/V Risk of damage
/ ! \ Information regarding potentially dangerous situations
8.1 Standard deliverv
24
8.2 Installation
24
‘ ^ that might occur during the appliance installation or
8.3 Temperature limiting/onti-scoldine protection
24
operation, the consequences of which rnay he damage
to the appliance, environmental pollution or material
loss.
8.4 Installation versions
24
8.S Special accessories
24
9. Installation
2S
y\ Please read carefully
/ ! \ Read this section carefully.
9.1 Installation information
25
9.2 Installation
26
»Passages with this symbol indicate action you need to take,
which is described step by step.
9.3 Installation location
26
9.4 Installation
26
9.5 Installation versions
29
-Passages with this symbol indicate lists.
10. Commissioning
32
1.1.2 Symbols on the appliance
11. Appliance handover
32
Disposal
Appliances with this marking are unsuitable for
12. Troubleshooting
33
12.1 Displav options LED diagnostic "traffic lights'
33
general
waste
disposal
and
should
therefore
be
disposed of separately.
12.2 Fault table
33
13. Specification
34
L3.1 Dimensioned drawin»
34
13.2 Wiring diagram
34
13.3 Local Iv applicable approvals and certifications
34
13.4 Application range
34
13.5 Extreme operating and Fault conditions
35
13.6 Specification
35
GUARANTEE
36
CUSTOMER SERVICE AND WARRANTY
36
20 1DHB-E ... SLi electronic
vfww.stiebeL-eltron.com
OPERATION
SAFETY
2. Safety
2.1 Correct use
This appliance is ii pressure deviceforthe heating of cdd water to
DIN 19S8 that can supply one or several draw-cFf points.
Any other use beyond that described shall be deemed inappropriate.
Observation of these instructions is also part ofthe correct use of
the appliance. Any changes or conversions to the appliance void
any warranty.
2.2 Safety instructions
Observe the following safety information and instructions.
Only
heating
contractors
should
install
and
commission
the
appliance.
The contractor is responsible for adherence to all currently
applicable regulations during installation and commissioning.
Operate this appliance only if it is fully installed and all safety
equipment is h'tted.
Risk of scalding
There is a risk of scalding at outlet temperatures in
excess of ^3
Risk of injury
Where
children
or
persons
with
limited
physical,
sensory or mental capabilities are to be allowed to
CO ntro
I
th is a ppiian ce. e ns u re th at this wi 11 on ly happen
under supervision or after appropriate instructions by
a person responsible for their safety.
Children should be supervised to ensure that they do
not play with the appliance.
Risk of damage
Do not operate the appliance following an interruption
to the water supply. This can destroy the bare wire
heating system. Run water for at least a minute before
restarting
(he
appliance (see
chapter
"What
to
do
if...-).
A
2.S CE designation
The CE designation shows that the appliance meets all the essential
requirements:
-Electromagnetic Compatibility Directive (Ccuncil Directive
20Qi*/10S/EC)
-Lew Voltage Directive (Council Directive 2006/95/EC)
3. Appliance description
The appliance heats water as it flews through it. The DHW outlet
temperature can be infinitely adjusted with the temperature
selector. From a certain flow rate, the control unit regulates the
correct heating output, subject tc the temperature selection and
the cold watertemperature.
The appliance is equipped with an air detector that largely prevents
damage to the heating system. Ifairisdrawn in during operation,
the appliance shuts down For one minute, thereby protecting the
heating system.
<f. Operation
кЛ
Temperature selector
Temperature selector
cn
_l
i
1Э
I
approx. 30 ’’C
7 approx. 60 “C
The selector lets you freely choose the required temperature.
Should the outlet temperature fail to reach the required level with
the draw-off valve fully open and the temperature selector set
to
maximum
(temperature
selector
turned
fully
clockwise), then
more water flows through the appliance than can be heated by
the heating element.
» Reduce the flow rate with the draw-off valve.
<».2 Draw-off capacifies
Subject
to
season,
varying
maximum
mixed
water
or
draw-off
capacities result from different cold water temperatures. Further
information can be found in the chapter "Specification".
кЛ
Therrnostatic valve
We
recommend
adjusting
the
appliance
to
the
maximum
temperature
setting
"7"
(temperature
selector
turned
Fully
clockwise).
kA
Temperature limit/Anti-scalding protection
The maximum outlet temperature ferthe appliance can be limited
to A3 Refer in this case to your local heating contractor.
S. Cleaning, care and maintenance
» Never use abrasive or corrosive cleaning agents. A damp cloth
is sufficient for cleaning the appliance.
Maintenance work, such as checking the electrical safety, must
only be carried out by a heating contractor.
www.stiebeL-eltron.com
DHB-E ... SLi eLectronic | 21
OPERATION
WHAT TO DO IF ..?
6. What to do if
6.1 ...the water supply is interrupted?
A
Risk of damage
) \ After an interruption to the water supply, take the
following steps prior to returning the appliance into
use.
» Remove fuses or trip the appropriate MCBs.
8 Open a draw-off valve downstream of the appliance long enough
to vent all air from the appliance and its upstream cold water
supply line.
»Replace the Fuses upstream or reset the relevant MCBs.
.faults occur on the appliance?
Remedy
»Check the fuse/MCB in
yo.ir fuse hox/distrihij*
lion panel.___________
»Clean »nd/or descale the
pcrlclor or Ihc shower
head.
»Contact your he&ting
contractor.___________
The appliance restarts
automatically after one
minute.
6.2
Fault
Cause
The appliance will not There is no voltage.
start in spite of a fully
open DHW valve. ____________________
Cold v/ater flows
hrieflywhile hotwater
is being drawn.
Starting volume is not
achieved. The perlitlor in
the tap or shower head Is
scaled up or dirty._____
The heating system is
faulty.______________
The air sensor detects air
in the water and briefly
switches the heater off.
If you cannot remedy the fault, contact your heating contractor.
For better and faster help, provide him with the serial number
from the type plate (no. 000000-0000-000000):
22 IDHB-E ... SLi eLectronic
vfww.stiebeL-eltron.com
INSTALLATION
SAFETY
7. Safety
7,1 General safety instructions
All required steps tc complete commissioning must be cnrried
out
heating
contractor.
During
this
process,
these
installation
instructions must be observed.
We
gunremtee
trouble-free
function
and
operotionni
relinbility
only if the original accessories and spare parts intended for the
appliance are used.
?«2
Instructions» standards and regulations
Risk of damage
Observe the type plate. The stated voltage must match
the mains voltage.
Danger of electrocution
All
electrical
connection
and
installation
work
must
be
conducted
in
accordance
with
VOE
regulations
(DIN VDE 0100} [or local regulations], the rules of your
local power supply utility and relevant national and
local regulations.
Danger of electrocution
Connection to the power supply is only possible as a
fixed connection. The appliance must be able to be
separated from the mains power supply by an isolator
that disconnects all poles with at least 3 mm contact
separation.
Risk of damage
Observe
all
national
and
local
instructions
and
regulations relating to water connection. e.g. the DIN
1988 in Germany.
A
A
A
-The protection IP 25 (hcseprccf) can only be ensured with a
correctly fitted cable grommet.
-The specific electrical resistant of the water used must not fall
below that stated on the type plate. In a linked water network,
observe
the
lowest
electrical
water
resistance
{see
chapter
"Application areas"). Your water supply utility will advise you of
the specific electrical water resistance or conductivity.
7.3 Water installation
7.3.1
Cold water line
We approve steel or copper pipes or plastic pipework.
7.3.2
DHWIine
We approve copper or plastic pipework.
A
A
Risk of damage
If plastic pipework is used, observe the most extreme
operating and fault conditions that can occur in the
appliance.
Plastic pipe manufacturer.
Observe
the
plastic
pipe
manufacturer's
instructions.
- A safety valve in the hot water pipe is net permissible.
-Never operate with pre*heated water.
•Never operate with valves intended for open vented
appliances.
7A
Risk of frost
The installation of the appliance must be carried cut in a room
free from the risk of frost.
»Store the dismantled appliance in a room free from the risk
of frost, as water residues remaining inside the appliance can
freeze and cause damage.
t/i
19
www.stiebeL-eltron.com
DHB-E ... SLi electronic I 23
INSTALLATION
APPLIANCE DESCRIPTION
8. Appliance description
The bare wire heating system is suitable for hard and soft water
areas. The heater has low susceptibility to scale build-up.
The outlet temperature can be infinitely adjusted. The electronic
control unit enables automatic matching of the electrical output
corresponding to the selected temperature subject to the actual
throughput.
8.1 Standard delivery
-Mounting bracket
-Installation template
-Twin nipple
-Cross-piece
-Tee
-Flat packing
-Sieve
-Flow limiter
-Plastic profile washer
-Plastic cap
-Flexible plastic couplings
-Cap and back panel guides
8.2 Installation
The following conditions have been prepared for the appliance
at the factory:
-Power supply from 'below", installation on unfinished walls
-Water connection, installation on unfinished walls
The appliance must be fitted vertically, over or undersink, to a
solid wall.
8.3 Temperature limiting/anti-scalding protection
The maximum temperature can be limited to 43 *C via the user
interface on the appliance cap. The following steps are necessary
for this procedure:
» Remove the appliance cap.
»Remove the electronic PCB from the user interface on the
appliance cap. Be careful of the snap-on hooks.
» Move the plug from left to right (position 'A3 *C").
»Refit the user interface, ensuring the snap-on hooks click into
place. Observe the positions of the pushbutton and shaft.
8.f» Installation versions
The following installation versions are possible/permissible:
-Power supply for unfinished walls - from above
-Power supply For finished walls
-Water installation for finished walls
-Installation with repositioned appliance cap
-1 nstal lalion for offset tiles
-Installation of a load shedding relay
8.5 Special accessories
8.5.1
Twiu'lever taps (mains pressure)
- WKMD - Kitchen taps, part num ber 222A37
-WBMD- Bathroom taps, part number 222438
8.5.2
Installation accessories
-Undersink installatTon pipe assembly, part number 070565,
Connections: Finished walls. G 3/8'. above.
-2 pee. G vr water plug set. part number 074326.
These plugs are required for third party pressure valves.
8.5.3
Installation sets for installation on finished walls
- Solder fitting - copper pipe, part nu mber P74019, comprising: 2
X 6 V:" water plugs and 2 x union nuts Vi" with insert for solder
fitting 0 12 mm.
-
Compressionfitfing* copper pipe, part number222380, comprising:
2xG W water plugs and 2 x compression fittings V
2
"x 15 mm,
plus gaskets.
-Compression
fitting
**
plastic
pipe,
part
number
222381,
comprising: 2 x G W water plugs and 2 xcompression fittings Vi"
X16 mm (Viega: Sanfix-Plus. orSanfix-Fosta). plus gaskets.
8.5.4
Universal mounting frame
Part
number
220291.
comprising:
Mounting
frame
with
electric
wiring. This set creates a gap of 30 mm between the back panel
of the appliance and the installation wall. This enables the power
supply
to
be
freely
routed
over
unfinished
walls
behind
the
appliance. This increases the appliance depth by 30 mm. This set
reduces the protection to IP 24 (splashproof).
24 IDHB-E ... SiL electronic
vrww.stiebeL-el.tron.com
INSTALLATION
INSTALLATION
B.5.5 Offset instalfation pipe assembly
Part number 220290, ccmprismg: Universal mcunting Frame {For
technical description see part number 220291) and pipe bendsfor
the vertical offset of the appliance against the water connection
by 90 mm downwards.
Pipe assembly, replacement of a gas fired water heater
Part number 220510, comprising: Universal mounting frame (for
technical description see part number 220291) and pipe bends For
installation with existing gas Fired water heater connections (cold
water connection on the left: DHW connection on the right).
B.5.7 DHB replacement pipe assembly
Part number 159B76, comprising: 2 x water plug-in couplings.
These allow the appliance to be connected to the available water
plug-in connections of a DHB.
B.S.B Load shedding relay LR 1*A
Part number 0017B6. The load shedding relay enables operation
with,
for
example,
electric
storage
heaters.
The
instantaneous
water heater is operated via the load shedding relay prior to any
other appliance.
9. Installation
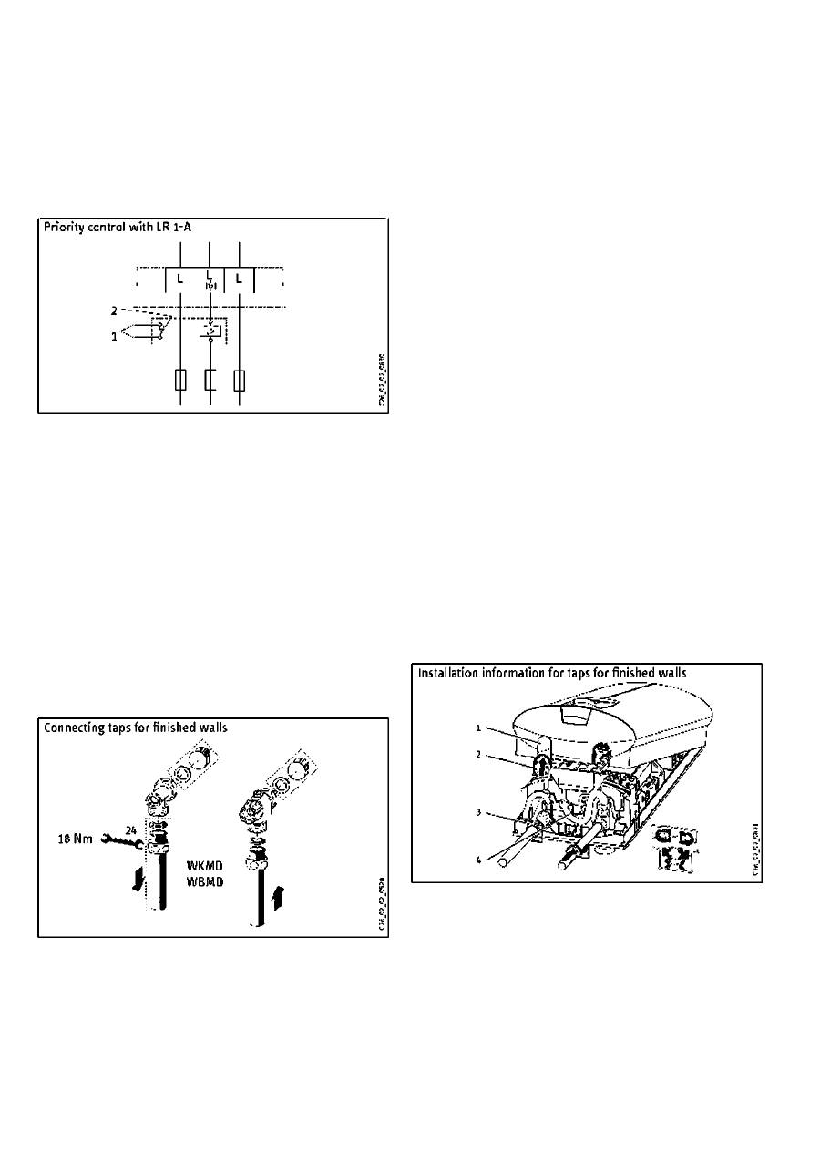
9.1 Insiallaiion information
9.1.1
Flow pressure
If the flow rate required for the appliance to switch on is net
achieved even with the tap fully open, remove the flow limiter.
Replace it with the plastic profile wnsher supplied. If required the ^
pressure in the water inslalintion can also be raised.
A
Thermostatic valves.
For the thermostatic valve to function correctly, the
flow limiter for this valve must not be replaced with
the plastic profile washer.
19
1
Flow limiter
2
Plastic profile washer
9.1.2
Flexible water connection lines
If the appliance is connected with flexible water connection lines,
ensure that the bayonet fittings of the pipe bends do not become
twisted inside the appliance.
9.1.3
Appliance with changeover connected load
The appliance DHB-E lB/2l/24SLiissetto2l kW when delivered.
If the appliance is installed with a different output, take the
following steps:
»Re-plug the coding card according to the selected output: for
selectable
output
and
fuse
protection
of
the
appliance
see
"Specificaticn“.
»Mark the selected output on the type plate using a permanent
marker.
»Install the flew limiter with a rating corresponding to that of
the appliance. The colour of the flow limiter is given in the table
"Specification".
www.stiebeL-eltron.com
DHB-E ... SLi electronic I 25
INSTALLATION
INSTALLATION
Coding card fcr output changeover
..... \,
-11»
n-‘
M
9.2 Installation
9.S Installation location
The iippliance is exclusively designed for installotion cn
a
solid
wall. Ensure that the wall has a sufficient load-bearing capacity.
Always install the appliance vertically (over or undersink) in a
room free from the risk of frost,
9.3.1 Undersifik
1
Cold water inlet
2
DHW outlet
9.3.2 Oversifik
1
Cold water inlet
2
DHW outlet
9.4 Installation
9.A.1 Opening the appliance
To maintain contact protection in the delivered condition, some
models have a strip of card inserted in the user interface. Remove
this strip before installing the appliance.
9.4.2 Removing the back panel
y>
Press the two locking hooks on the r.h. and l.h. side and remove
the lower part towards the front.
9.4.3 Pitting the mounting bracket
»Mark out the holes for drilling using the installation template.
If the appliance is to be installed with water connections for
finished walls, the fixing hole in the lower part of the template
must also be marked out.
8 Drill the holes and secure the mounting bracket with two screws
and two rawl plugs. The screws and rawl plugs are not part of
the standard delivery.
26 I DHB-E ... SiL electronic
v/ww.stiebeL-eltron.com
INSTALLATION
INSTALLATION
9.4.4 Pitting powfir table
Installing the power cable
160________
A
''k
30.
--------- -
1
» Prepare the power cable.
»Use the plastic cap as an installation aid.
9.4.5 Inserting the twin nipples
9.4.6 Preparing the water connection
»Secure the lee and cross-piece to the twin nipples with flat
packing.
»Thoroughly flush the cold water supply line.
• I Three-way shut-off valve
11 Never use the three-way shut-off valve to reduce the
flow rate: it is only designed to shut off a circuit.
1
Tee
2
Cross-piece
9.4.7 Fitting the sieve
» Fit the sieve provided in the cold water inlet of the appliance.
Vl sieve
1-1 The sieve must always be fitted for the function of the
appliance to be guaranteed. If an appliance is being
replaced during installation, ensure (hat a sieve is
available.
Fitting the sieve
t/i
_i
19
9.4.8 Installing (he DMB flow limiter
»Position the Flew limiter provided in the cold water inlet of the
appliance.
A second flow limiter is provided with the DHB-E 18/21/24 SLi.
Install the Flew limiter with an output corresponding to that of
the appliance. The colour of the flow limiter is given in the table
"Specification".
9.4.9 Mounting the appliance
The cable grommet pointing towards the wall may hinder the
mounting of the appliance close to the wall. To prevent such
problems, it is advisable to briefly press the cable grommet
www.stiebeL-eltron.com
DHB-E ... SLi electronic |
27
INSTALLATION
INSTALLATION
from behind Into the back panel, to reduce the stiffness or the
grommet.
»Remove the fixing toggle from the upper pnrt of the bnck panel
{diagram "Mounting the appliance’}.
»Route the power cable from behind through the cable grommet
until it rests against the cable sheath. Align the power cable.
If the cross-section of the power cable is greater than 6 mm.
enlarge the hole in the cable grommet (see also "Power supply
for larger cross-sections").
»Push the appliance over the stud of the mounting bracket, so
that it breaks through the soft seal. If necessary pierce the soft
seal with a screwdriver.
»Putthe fixing toggle onto the stud of the mounting bracket that
penetrates the back panel.
»Press the back panel firmly into place and lock the fixing toggle
by turning it through 90“'.
Mounting the appliance
9.4.10 Finalising the water connection
...........
9.4.11 Connecting the power supply
»Connect the power cable to the mains terminal (see chapter
"Wiring diagram').
Earth connection
Ensure that the appliance is connected to earth.
Power connection
SiK-
9.4.12 Fitting the lower back panel
Installing and securing lower part of back panel
9.4.13 Completing the installation process
»Align
the
mounted
appliance
by
loosening
the
fixing
toggle,
aligning the power supply and back panel, and then retightening
the fixing toggle. If the back panel of the appliance is not flush
against the wall, the appliance can be fixed with a screw in the
lower part.
23 I DHB-E ... SiL electronic
vrww.stiebeL-eltron.com
INSTALLATION
INSTALLATION
9.S Installation versions
9.5.1
Power supply from above for unfinished vi/alls
Thefollowing diagram shows the dimensions for the power supply
from above.
»Open out the cable grommet to match the cross-section of the
power cable.
»Push down and remove the locking hookthat secures the mains
terminal.
»Move the mains terminal in the appliance from the bottom to
the top and click into place.
Power supply from above
9.5.2
Power supply for finished walls
The appliance can also be connected if the power supply has been
routed over finished walls. This applies to the connection from
below and above. Take the fallowing steps:
»Cut
or
break
knock-outs
in
the
back
panel
and
appliance
cap. Possible knock-out paints can be seen in the diagram
"Dimensions for power supply".
•~| Changing the type of protection
1-1 If the appliance has been connected with a power
supply on finished walls, the type of protection on the
type plate must be changed from IP 25 to IP 24. Use a
permanent marker for that.
»Cress out *IP 25" and mark the box "IP 24".
9.5.3
Power supply for large cross*$ections
Removing and installing the cable grommet
CO
_l
19
If cables with a large cross-section are used, the cable grommet
enn be fitted after the appliance has been installed. Take the
following steps:
»Before installing the appliance, use a screwdriver to push the
cable grommet out.
»Push the appliance over the stud of the mounting bracket, sc
that it breaks through the soft seal.
»Push the fixing toggle onto the stud of the mounting bracket that
penetrates the back panel.
»Press the back panel h'rmlyinto place and lockthe fixing toggle
by turning it through 90^
» Push the cable gremmet over the power cable. For this, use the
installation aid. For a power cable of 10 or 16 mm^, the hole in
the cable grommet must be enlarged. Click the cable grommet
into place in the back panel.
9.5.4
Connecting a load shedding relay
Install the load shedding relay in conjunction with other electric
appliances, e.g. electric storage heaters. The relay responds when
the instantaneous water heater starts. The load shedding relay is
available from Stiebel Eltron as a special accessory.
www.stiebeL-eltron.com
DHB-E ... SLi electronic | 29
INSTALLATION
INSTALLATION
Phase connection
I-1 Connect the phase that switches the load shedding
relay to the indicated terminal of the mains terminal
in the appliance.
1
Control cable to the contactor of the second appliance (e.g.
electric storage heater).
2
Control contact, opens when switching the instantaneous
water heater on.
9.5.5
Water installation for finished walls
Suitable pressure taps WKMD or WBMDfor installation on finished
walls are available as special accessaries.
»Fitthe water plugs with gaskets to seal the connection (below
the plaster). With Sliebel Eltron pressure taps, plugs and gaskets
are part of the standard delivery. For third party pressure taps,
plugs and gaskets can be ordered as special accessories.
»Install the tap.
» Push the lower partof the back panel under the connection pipes
of the pressure tap and click it into place in the back panel.
»Secure the connection pipes to the appliance.
9.5.6
Water installation for finished walls with solder/
compression fitting
With
the
special
accessories
"solder
fitting"
or
"compression
fitting" (see "Special accessories"), copper or plastic pipes can be
connected in installations for finished walls.
With special accessory "solder fitting", a threaded connection with
on-site 12 mm copper pipes is possible. For this the following
steps are required:
» Push the union nuts over the connection pipes.
» Solder the inserts to the copper pipes.
»Push the lower part of the back panel underthe connection pipes
and click it into place in the back panel.
»Secure the connection pipes to the appliance.
Valve installation information,
l-l Observe the valve manufacturer’s installation
instructions.
9.5.7
Water installation for finished walls, fitting the
appliance cap
The following steps are necessary to complete the appliance cap
installation.
y>
Cleanly break out the knock-out in the appliance cap. If necessary,
use a file.
» Break the tabs out of the cap guides.
Installation information if tap pipes are slightly offset.
The appliance can be sealed by fitting the cap guides
with tabs if the tap pipes are slightly offset. ’The back
panel guides are not required in this case.
»Clickthe cap guides provided into place in the knock-outs.
»Position the back panel guides on the pipes and push them
together. Then push the guides until they meet the back panel.
»Secure the back panel at the bottom with a screw. This
is also relevant if flexible water supply systems are used.
1
Knock-out
2
Cap guides
3
Back panel guides
k
Screw
9.5.B Split lower part of back panel
With threaded connections forfinished walls.the lower part of the
back panel can also be installed after fitting the taps:
y>
Saw cut the centre section of the lower part of the back panel.
»Insert the pipes from the separate pack from behind into the
centre section.
y>
Route the centre section under the pipes and push it upwards.
30 I DHB-E ... SiL electronic
vrww.stiebeL-eltron.com
INSTALLATION
INSTALLATION
» Fasten the lower ^art of the back panel to the centre section.
» Click the lower part of the back panel into place in the back panel.
The lower part must be secured with an additional screw.
»Secure the connecting pipes of the valve to the appliance.
9.5.9 Installation in case of appliance replacement
An
existing
mounting
bracket
can
be
used
when
replacing
Stiebel Eltron appliances (except "DHF"). For this, open a suitable
knock-out in the back panel for the stud of the existing mounting
bracket
If the appliance is being installed in place of a DHF. move the
stud on the mounting bracketas shown in the diagram'Mounting
bracket for DHF appliance replacement". The stud cuts its own
groove. Then turn the mounting bracket through 180*^ to be
mounted on the wall. The logo "GHF" is then turned towards the
reader.
If replacing a third party appliance, suitable holes for rawl plugs
can be used.
9.5.10 Undersink installation with turned appliance cap
The appliance cap can be positioned on the back panel turned
through This particularly advantageous for undersink
installation. For this take the following steps:
»Remove the user interface from the appliance cap by pressing
the locking hooks.
»Turn the appliance cap and click the user interface into place,
ensuring that all lacking hooks click into place. To install the
user interface more easily, press against the inner side of the
appliance cap (in the shaded area, see diagram "Appliance cap
for undersink inslallaticn").
CO
19
ca
User interface with faulty locking hooks.
Never install a user interface with a faulty locking
hook. Otherwise the safety of the appliance cannot
be guaranteed.
»Plug the set value transducer cable into the "settemperature'
PCB; see "Commissioning".
»Hook the appliance cap in at the bottom and pivot it up onto
the back panel. Ensure the all-round seal of the back panel sits
tightly by pushing the cap gently forwards and back.
»Close the appliance with the screw in the cap.
www.stiebeL-eltron.com
DHB-E ...
SLi
electronic I 31
INSTALLATION
COMMISSIONINO
9.5.11 Installation for offsettiles
This appliance can be instal led where tiles are offset. See diagram
for maximum tile offset and minimum contact area of the appliance.
Adjust the wnl I clearance and lock the back panel with the fixing
toggle by turning it clockwise through 90*^.
10. Commissioning
A
Danger of electrocution
Commissioning must only be carried out by an author
ised contractor in accordance with safety regulations.
»Open and close allconnected draw-offvalves several times, until
all air has been vented from the pipework and the appliance.
» Activatethe safety pressure limiter by pressing the reset button.
The
appliance
is
supplied
with
the
safety
pressure
limiter
deactivated.
»Push
the
temperature
selector
plug
into
the
"settemperature"
PCB. Ensure thatthe gasket pocket on the lower part of the back
panel is not bent and that it seals the lower part of the user
interface while the appliance cap is being installed.
»Fit the appliance cap nnd secure with a screw.
» Switch the mains power ON.
»Calibrate the temperature by turning the temperature selector
as far as possible clockwise nnd then anti-clockwise.
y>
Check the appliance function.
» Remove the protective foil from the user interface.
11. Appliance handover
y>
Explain the appliance function to the user and familiarise him/
her with its operation.
»Make the user aware of potential dangers, especially the risk
of scalding.
» Hand over these instructions to the user for safe-keeping.
32 I DHB-E ... SiL electronic
vrww.stiebeL-eltron.com
INSTALLATION
TROUBLESHOOTING
12. Troubleshooting
A
Danger of electrocution
To test the appliance, it must he supplied with power.
12.1
Display options
LED
diagnostic
"traffic
lights'
Display options
•
red
illuminates in case of faults
о
ye lio Ы
illuminates when the appliance i$ heat*
о
I'ng viiater
green
flashing: The appliance is supplied with
power
CO
Ml
_l
19
12.2 Fault table
Fault
/
LED
diagnostic
"traffic
light'*
dis-
Ursache
play*
Behebung
The appliance does not start.
The shower heady perlators are scaled up.
Descale or it necessary replace the shower head У
perl у tors.
Inadequate flocv rate.
The sieve in the appliance is dirtv.
Clean the sieve.
Set temperature is not achieved.
One Phase down.
Check the tdCB/fuseln your fuse box.
Heulinu does riolswllch on.
The :ilr sensor delects the presence of air in the \Vtiler
and briefly switches the heater off.
The ypplíüiice resWrls after one minute.
О
о
о
No hot water and no ’traffic light" display.
The MCB/tuse has respondedyWown.
Check the tdCB/fuseln your fuse box.
Stiiely pressure lirriiler AP 3 hys tripped.
Remove the cense of the fyull fe.||. faulty pressure
washer).
Protect the system against overheating by opening
a drmv'off vulve downslreern of the applíence for
1 minute. This depressurises and cools down the
heating system.
Aclivtile the sefely pressure lírnller'jy pressing the
pushbutton on the safety pressure limiter (see also
chapter ’Commissioning’l.
The PCD is faulty.
Check the PCD and replace If necessary.
No hot water at flow rate of > 3 Irmin.
The PCB is faulty.
Check the PCB and replace if necessary.
■Traffic light" display:
DFEtlow sensor is not plugged in.
Push the flow sensor plug back on.
о
Green ilyshirig or corislyrilly on
DFE flow sensor is fyully.
Check the flow sensor end replace if necessary.
9
О
No hot water at flow rate of > 3 Ifmin.
"Tr^ifiic lii^hr dlsplijy:
The high limit safety cut-out has tripped or its lead Is
broken.
Check the high limit safety cut-out and replace if
necessary.
Yellocv constantly on: green flashing
The heating system is faulty.
Measure the resistance of the heating system and
replace if necessary.
The PCD is faulty.
Check the PCD and replace If necessary.
•
No hot water "Traffi'c light" display:
Red constantly on; green flashing
The cold water inlet temperature exceeds 33 ^C.
Reduce the cold water inlet temperature to the
appliance.
о
The cold^vyler sensor is faulty.
Check the PCD and replace If necessary.
www.stiebeL-eltron.com
DHB-E ... SLi electronic | 33
INSTALLATION
SPECIFICATION
13. Specification
IS.l Dimensioned drawing
1
DHW threaded fitting
2
Cold wnter th tended fitting (th ree-way shut-off vnive)
3
Power cable from below
1S.2 Wiring diagram
1 = Heater
2 = High limit safety cut-out
3 = Safety pressure limiter
13.2.1
Mixed water volume
See the following table for the mixed water volume. The equation
symbols have the following meanings:
^
-
'»i
-
^>3 -
Cold water inlet temperature
Mixed water tern perature
Outlet temperature
Available temperature:
-in the shower, for hand washing, filling the bath etc.
{•'
38 “C).
-for the kitchen sink and when using thermostatic valves
i- 60 "Q.
’■J
'..............................
kW II
Î.
Ii'niin
13.5
Itl
21
24
27
6"C 5.D
6.1
8.0
9.fi
10.7
12.1
10 "C 5.7
6.9
9.2
10.7
12.3
13.6
1A"C 6.6
tl.l
10.7
12.5
14.5
16.1
d.j - GO “C (outlet tcmpcritturcl
kW II
13.5
Itl
21
24
27
a, ii'niin
6"C 2.9
3.6
A.8
5.G
G.4
7.2
1D"C 3.2
3.9
5.2
6.0
G.?
7.7
1A"C 3.A
A.3
5.6
6.5
7.5
a.4
The values in the table are relative to a rated voltage ofAOO V.The
outlet volume is subject to the available supply pressure and the
available mains voltage.
23.3 Locally applicable approvals and certifications
13.3.1 Germany:
A general test certificate [Germany] as verification of suitability
regarding noise emissions has been applied for in connection with
the instantaneous water heater series DHB-E... SLi / SL electronic
based on the State Building Regulations [Germany].
IIA
Application range
ApplicuCion ronges
Details as
SpeciTic electrical resistance and specific
L'lcclrkol conductivity
5td. details
atiS^C
r.t 20 «C
at 25 "C
Resistance
Oim
> 900
>
800
5 735
Conductivity
mS./m
< 111
< 125
< 136
Conductivity
M>/cm
ä Ilio
ä 1250
&
1360
34 I DHB-E ... SiL electronic
vfww.stiebeL-eltron.com
INSTALLATION
SPECIFICATION
13.S Extreme operating and fault conditions
Operating temperatures can reach up tc 60 ^C. In case of faults,
loads up to max. 95 at a pressure of 1.2 MPa can occur
temporarily in the installation.
13.6 Specification
Model
Type
Pari no.
Operatinc) details
Rated out pul 400 V
kW
300 V
kW
Rated current 40O V
Л
300 V
A
Fubc Orolcilion
A
Selectable олрл
Power coniicilloii
Nominal cr.pacitv 1
■^Pc____________________________________
Rated operating pressure
MPa
Temperalure setting range
«С
Pressure droD* with Погч lutlilcr
MPa / l/min
Погч limiliT
Cold inli4 icmocfjUrc
Test symbols
App rove I s.^ce f ti'f i cat! о ns
Prole ill on
lo EN SQ335
Protection level to EN 60529
Barev/ire heating system
App I iia lions
Flow rate "ON*
l/min
Dimensions
anci
weights
Dimensions H x Wx D
Weight
Water connection
Pressure drop* without flow MPa / l/min
limiter
l/min
colour
Electronically controlled instantaneous uater heater
OHB-E 11 SLi
OHB-E 13SL
OHB-E 18 SLi 25 A
OHB-E 18.^21/24 SLi
OHB-E 27 SLi
electri>nic
electronic
electronic
electronic
electronic
22748S
2274Я1
227406
227407
227460
11
13.5
16
16
21
24
27
10.1
12.2
16.2
IE.2
19
21.7
24.4
16
19.5
26
29
31
35
39
1S.4
18.5
24.7
27.6
29.5
33.3
37.1
16
20
25
32
32
35
40
no
no
no
yes
yes
ves
no
3/PE-380-400 V-
3/PE-380-400 V-
3/PE -380-400 V-
3/PE -380
- 400 V - 50
Hi
3/PE -300 - 400 V -
50 Ha
50 Hz
50 Hz
50 Hz
0.4
sea It'd и live n ted
1
- 30 - 60
0.07/3.1
0.11 / 3.5
0.08/5.2
0.08/3.2
0.10/6.0
0.13/ E.9
0.16/7.7
0.02 / 3.1
0.03 / 2.9
0.06/5.2
0.06/5.2
0.00/6.0
0.10 / 6.9
0.12 / 7.7
4.0
4.0
7.5
7.5
7.5
8.5
8.5
pink
pink
blue
blue
blue
green
green
cn
19
see type plate
see chapter "Locally applicable epprovals/certifications"
IP 25. hoseproof IIP 24 power supply for finished walls)
900 llcm (see chapter "Application range')
woiiT with 1огч limi'bitilL' li'vi'lb and Iho^c \4llh limcscclc coiilcni
¿3.0
mm 470x225x119
is
12±
G A (male thread)
* Values for 400 V. The values for pressure drop aisc apply tc
minimum flew pressure to DIN 44351/ flowrate for heating from
10 ""Cto 60 “C (¿t5 50 K). With reference to DIN 1933 part 3. table
4, a pressure drop of 0.1 MPn is recommended for sizing the
pipewerk.
www.stiebeL-eltron.com
DHB-E ... SLi eLectronic | 55
GUARANTEE
I
CUSTOMER SERVICE AND WARRANTY
Guarantee
For guar;intee£ please refer to the respective terms and conditions
of supply for your country.
A
installer.
A
The mstallatioiir electrical connection and first operati
on of this appliance should be carried out by a qualified
The company does not accept liability for failure of any
goods supplied which have not been installed and ope*'
rated in accordance with the manufacturer’s instructions.
Environment and recycling
Please help us to protect the environment by disposing of the
packaging in accordance with the national regulations for waste
processing.
36 IDHB-E ... SLi electronic
vrww.stiebeL-eltron.com
NOTES
Ml
_l
19
www.stiebeL-eltron.com
DHB-E ... SLi electronic I 37
UTILISATION
REMARQUES GÉNÉRALES
UTILISATION
3S
1. Remarques générales
Le chapitre Utilisation s'adresse aux utilisateurs et artisans
1
. Rémaraues générales
38
1.1 Explication des symboles
38
professionnels.
2^ SécurUé
39
Le chapitre Installation s'adresse aux artisans professionnels.
2.1 Utilisation conforme
39
2.2 Consignes de sécurité
39
r'Tïl à lire SVP i
1 1 lu Veuillez lire attentivement cette notice avant emploi et
conservez-la. En cas de cession de l'appareil, veuillez
la transmettre au nouvel utilisateur.
2.3 MarouaceCE
39
3. Description de l'eoDareil
39
4. Utilisation
39
4.1 Bouton de réglage de In temoernture
39
1.1 Explication dâs symboles
4.2 Volumes de décharge
39
Vous rencontrerezà la lecture decette documentation dessymholes
4.3 Robinetterie à thermostat
39
et des mises en évidence qui ont la signification suivante.
4.4 Limitation de température
1
protection contre
rébouillantement
39
1.1.1 Symboles utilisés dans cette documentation
S. Netto^âf^e^ maintenance et entretien
39
A Risque de blessures)
/^\ Remarque sur les risques de blessures possibles
6. due faire si... ?
40
6.1 ... en cns de rupture de farrivée d'eau
40
pour 1 installateur ou 1 utilisateur et sur les risques de
détérioration de l'appareil 1
6.2 ... des uannes se uroduisent sur l'aopareil
40
INSTALLATION
kl
Danger d'électrocution !
?. Sécurité
41
Risque de brûlure par vapeur !
7.1 Sécurité générale
41
7.2 Prescriptions, normes et directives
41
7.3 Installation de In distribution d'eau
41
Risque de détérioration !
/ ! \ Remarque sur une situation de danger éventuelle qui
^^ peut se produire pendant l'instâllation de l'appareil
7.4 Risoue de sel
41
8. Description de l'appareil
41
8.1 Fourniture
41
susceptible de causer des détériorations à l’appareil
QU une pollution de renviroimementou des dommages
8.2 Montage
41
8.3 Limitation de température / protection contre
rébouillantement
42
économiques,
à lire SVP i
Veuillez lire attentivement ce paragraphe.
8.4 Variantes de montage
42
8.5 Accessoires spéciaux
42
9. Installation
43
»Les passages indiqués par ce symbole
»
vous indiquent les
actions nécessaires décrites étape par étape.
9.1 Informations sur l'installation
43
10. Montage
43
-Les passages indiqués par ce symbole ~ indiquent des
énumérations.
10.1 Emplacement de montage
43
10.2 Montage
44
1.1.2 Symboles apposés sur l'appareil
10.3 Variantes de montage
46
11. Première mise en service
50
Elimination i
Les appareils portantce marquage ne doivent pas être
jetés dans les déchets domestiques mais doivent être
éliminés séparément.
12. Remise de l’appareil
50
13. Dépannage
51
13.1 Possibilités de signalisation par LED tricolores de
diagnostic
51
13.2 Table des perturbations
51
14. Caractéristiques techniques
52
14.1 Plan de cotes
52
14.2 Schéma de connexions électriques
52
14.3 Homologations et certificats spécifiques au pavs
52
14.4 Domaine d'utilisation
52
14.5 Conditions de fonctionnement extrêmes et conditions
en cas de dérangement
53
14.6 Caractéristiques techniques
53
SERVICE APRÈS-VENTE ET GARANTIE
5A
ENVIRONNEMENT
ET RECYCLAGE
5k
38 1DHB-E ... SLi eLectronic
vrww.stiebeL-eltron.com
UTILISATION
SÉCURITÉ
2. Sécurité
2.1
Utilisation conforme
Cet appareil est un appareil à pressicn servant au réchauffage de
l'eau Froide selon DIN 1988. Il alimente un ou plusieurs points de
prélèvement.
Tout
emploi
sortant
de
ce
cadre
est
considéré
comme
non
conforme. Fait aussi partie d'une utilisation conforme le respect
de cette notice. Toute garantie expire en cas de modifications ou
de transformations apportées à cet appareil.
2.2 Consignes de sécurité
Respectez les consignes de sécurité et les prescriptions énoncées
par la suite.
L'installation et la première mise en service de cet appareil ne
doivent être effectuées que par un professionnel reconnu.
L'artisan
professionnel
est
responsable
du
respect
des
prescriptions
applicables à l'installation
et lors
de la
première
mise en service.
N'exploitez cet appareil que s'il est monté complètement et doté
de tous les dispositifs de sécurité.
Risque de brûlure par vapeur ]
Risque de brûlure par vapeur à des températures
d’écoulement supérieures à !
Risque de blessures !
A moins d'avoir été supervisées ou d'avoir reçu les
instructions d'usage de la personne responsable de
leur sécurité, les personnes (y compris des enfants)
aux
capacités
physiques,
sensorielles
ou
mentales
réduites ne doivent pas utiliser cet appareil.
Surveillez
les
enfants
pour
vous
assurer
qu'ils
ne
jouent pas avec l'appareil i
Risque de détérioration !
Ne pas utiliser l’appareil après une rupture de l'arrivée
d’eau. Le système de chauffage â fil nu pourrait être
détruit.
Ne
ré'Utiliser
l’appareil
qu’après
avoir
fait
couler l’eau pendant au moins une minute (chapitre
Que faire si).
A
2.S Marquage CE
Le
marquage
CE
certifie
que
l'appareil
répond
à
toutes
les
exigences fondamentales :
-la directive sur In compatibilité êlectrcmagnêtique (directive
200<»/108/CEEdu Conseil)
-la directive basse tension (directive 2Û06/95/CEE du conseil)
3. Description de l'appareil
L'appareil chauffe l'eau pendant qu'elle circule dans l'appareil. La
température d'écoulement de l'eau chaude peut être directement
réglée avecle bouton de réglage de la température. La commande
active la puissance de chauffe appropriée en fonction du réglage
de la température et de la température de l'eau froide.
L'appareil est doté d'un système de détection d'air qui en grande
partie, empêche une détérioration du système de chauffage. Si
de l'air est insufflé en cours de fonctionnement, l'appareil coupe
la puissance pendant une minute peur protéger le système de
chauffage.
<f. utilisation
A.l Bouton de réglage de la température
Bouton de réglage de la température
t/i
L>
i
env. 30‘'C
7 env. 60 ‘‘C
On peut régler progressivement la température souhaitée à l'aide ^
du bouton de réglage de la température.
Si
la température d'écoulement reste insuffisante alors que le
robinet est entièrement ouvert et que la température est réglée
su r 7, la température maximale (le bouton de réglage est en butée
du côté droit), il circule plus d'eau dans l'appareil que le corps de
chauffe ne peut en chauffer.
» Réduisez le débit au niveau du robinet.
<».2 Volumes de décharge
Selon la saison, on obtient des volumes différents d'eaux mixtes
maximum ou de décharge selon les différentes températures de
l'eau froide. Vous obtiendrez des informations plus détaillées au
chapitre Données techniques.
Robinetterie â thermostat
Nous vous recommandons de régler l'appareil sur?, la température
maximale (le bouton de réglage est en butée du côté droit).
UA
Limitation de température / protection contre
l’ébouillantement
Il
est possible de limiter la température d'écoulement de l'eau
chaude maximale de l'appareil à Interrogez à ce suiet votre
installateur.
s. Nettoyage, maintenance et entretien
» N'utilisez pas de produit de nettoyage abrasifs ou solvants ! Un
chiffon humide suffit pour l'entretien de l'appareil.
Les travaux de maintenance comme le contrôle de la sécurité
électrique ne doivent être effectués que par un spécialiste.
www.stiebeL-eltron.com
DHB-E ... SU electronic I 39
UTILISATION
QUE FAIRE SI ... ?
6. Que faire si... ?
6.1
... en cas de rupture de l'arrivée d'eau
A
Risque de détênoratlon !
^ \ Il faut effectuer les étapes suivantes de travail après
une coupure d'eau et avant la remise en service de
l’appareil.
»Dévissez les fusibles ou coupez-les.
»Ouvrez la vanne distributrice montée en aval de l'appareil et
de l'arrivée d'eau froide en amont jusqu'à ce qu'il n'y ait plus
de bulles.
»Vissez les fusibles montés en amont ou renclenchez-les.
6.2
... des pannes se produisent
Perturbation Cause
L'appareil ne
Pas detension.
démarre pas malgré
un robini'l d'câu _____________________________
chaude entièrement
ouvert.
De l'eau froide coule
brièvement alors
(|u'on prélève de
l'eau chajde.
Le débit de
dccle Ocheme ni n'e^l pas
atteint. Le perlator de
lâ robinellerie ou de la
pomme de douche est
entartré ou sale.________
Le système de chauffage
est défectueux.
La détection d'air a
détecté de l'air dan«
rcî.u L'I a coupé le
système de chauffage
orí eve ment.
sur l'appareit
Comment y remédier
»Contrôlez les fusibles
dan« la hoTte de fusibles
de la maison.___________
»Nettoyerou détartre? le
perlator ou II. pomitiede
douche.
»Appelez votre
spécialiste.
L'appareil se remettra en
marche automatiquement
une mi null' opre:..
Si vous ne pouvez p<ss remédier à la pan ne, appelez u n spécialiste.
Pûurqu'il puisse vous aider plus rapidement et mieux, donnez-lui
le numéro indiqué sur la plaque signalétique fn” 000000*0006-
000000
) :
40 IDHB-E ... SU electronic
vfww.stiebeL-eltron.com

