Stiebel Eltron DHB-E 13 SL: AAA
AAA: Stiebel Eltron DHB-E 13 SL
INSTALACE
bezpe
C
nost
?. Bezpecnost
7,1
Vseobecnê bezpecnostní pokyny
Vsechny nezbytné kroky nz do oknmziku prvotniho uvedeni do
provQzu musí provést ínstalatér zArízení. Prí installici je nezbytné
dodrzQvat tento návod.
í^ádnou funkd n spolehlivy provozu muzeme zorucit pouze v prípndé
pouzití
originálního
pmiusenství
n
originálních
náhrndních
dílu.
stanovenych pro tento pfístroj.
?«2 Predpi$y» normy a ustanûvenî
Nebezpea poskození!
Dodrzujte údaje uvedené na tyrpovém itítku. Uvedené
napétí musí shodovat $e sítbvym napetím.
Ohrození ziyota elektrickym prouderti! ^
_
Prípojování
a
instalací
vsech
elektrickych
zanzení
provádéjte
v
souladu
s
ustanovenímí
VDE
(DIN VDE 0100}, predpisy príslusného podniku, ktery
zajísfuje
dodávky
eleklrické
energie
a
pfislusnymí
narodmmí a regionálnímí predpisy.
Ohrození zivota elektrickym prouderti!
Prtpojka
keiektrické
sítismí
bytprovedena
pouze
jako
pevná prípojka. Prístroj musí byt mozné odpojit na
vsech pólech na vzdálenost minimalne 3 mm od síté.
Nebezpea poskození!
Pri
realízaci
vodovodní
prípojky
dodrzujte
vsechny
národnía regionalní predpisy a ustanovení. VNémecku
se jedná napr. o DIN 19SS.
A A A
-Kryti IP
2b
(cchrana proti strikaj'ici vode) je zarucenc pouze
V pfipadefadne namontovaneho pcuzdra kabelu.
- Specificky elekiricky odpor vody nesmi byt mensinez hodnota,
ktera
jeuvedena
natypovem
stTtkuJ
Vpripadeslouceninekolika
vodovodnich
siti
je nezbytne
vzit
v uvahu nejnizsi elektricky
od per vody {viz kapitola „Oblasti pouzitT“). Hodnoty specifickehc
elektrkkehoodporu
vody
nebo
elektricke
vodivosti
vody
zfistite
od spolecnosti. ktera vas zasobujevodou.
7.3 Vodovodni instalace
7.3.1
Rozvod studene vody
Nami schvalene materialy potrubT jsou ocel. med'nebo plastove
potrubni systemy.
7.3.2
Rozvod teple vody
Namischvalene materialy potrubi jsou med’nebo plastove potrubni
systemy.
Nebezpeci poskozenil
V
pripade
pouzití
plastovébo
potrubniho
system
u
vezmete v uvahu ne|extrémnéjsí provozm padmínky
a
podminky pro pripad té nejnepnznivéjsî zâvady, ktera
muze na prîstroji vzníknout.
• I Vÿrobce plastového potrubi.
^ I Dodrzujte údaje vyrobee plastového potrubi.
•Ve
vedení
teplé
vody
prútckcvého
ohrívnce
nejsou
prípustné
pojístné ventily.
• Provoz s pTedehréteu vodou není dovolen!
-Zákaz provozu s armaturamí, které jsou urceny pro otevrené
pfístrojeJ
7.<» Nebezpecí zamrznutí
Instalací prístreje smite provést pouze v místnesti, chrnnéné pred
mrazem.
» Demcntovnny prístroj skiaduj'tetak, nby byl chrñnen proti mrazu.
Prípadné zbytky vedy v prístroj') mohou zamrznout a zpúsobit
skoüy.
8. Popis prístroje
Topny systém s hol ou spiralou j'e urcen pro vodu s nízkym nebe
béznym cbsahem vodního kamene. Systém ohrevu j'e do znacné
míry necitlívyvúci usazování vodního kamene.
Prístroj
umozñuje
plynulé
nastavení
teploty
odebírnné
vody.
Elektronícká
rídícT
jednotka
provédí
autcmatíckou
úpravu
elektríckého vykonu v souladu s nastavenou teplotou vzávíslosti
na prutoku.
8.3 Obsah dodávky
-Závesná lista
-Montázní sabicna
- Dvojitá vsuvka
- Krízovy prvek
-TvarovkaT
-Piocha tésnéní
- Sítko
- Omezovac prutoku
- Plastova tvarovka
- Plastové víckc
- Plastové spojky
-Vodlcí prvky na zadní sténu
5.2 Montaz
Z
vyroby
j'sme
prístroj
pripravili
na
pouzití
za
násiedujících
podmínek:
-Elektrkká
prtpoj'ka
.zespodu*'.
instalace
ve
sténe
(pod
omítkcu)
-Vodovodní prípojka s instalací ve sien i (pod omítkou)
Prístroj musí bÿt instalcván kolmo na pevné sténe v úrevni pod
nebo nad umyvadlem.
8.3 Omezovac teploty, ochrana proti opareni
Omezení maxímální teploty Ize prevést na ovIádacTm panelu ve
vícku prístroje na hodnotu 4 3 P o s t u p u j t e takto:
»Sundej'te vTcko pTístroj'e.
»Vyj'méte vlozenou desku s tisténymi spoji z oviádacího panelu
vícka prístroje. Pri torn dávejte pozor na hácky k uchycent.
»Prepnéte
kcnektcr
z
levé
strany
üesky
na
praveu
(pcioha
„43 ®C).
» Opét nasad'te oviádací prvek do háckú k jeho uchycení. Dodrzufte
správné umístení tlacítek a os.
>-
en
UJ
www.stiebeL-eltron.com
DHB-E ... SLi electronic ( 113
INSTALACE
PO PIS PÍ^ÍSTROJE
SA
Varianty montáze
Je dovúleno pouzít násiedující varianty montáze:
- Elektrická pfípojka ve zdi - nohore
-Elektrická pfípojka na zdi
-Vodovúdní instalace na zdi
-Instoloce s otccenym vífkem prístrofe
-Instalace na pfedsazenych obkladech
-Instalace zátezového relé
8.5
Zviástní príslusenslvi
8.5.1
Tlakové armatury $e dvéma koNouty
- Kuchynská armatura WKMQ , cbjednací císlo 222437
-Koupeinová armatura VUBMD. objed nací oslo 222438
8.5.2
Montézní pftsiusenství
-Instalacm sada potrubí • instalace pod umyvadla, objednací
císlo 070565, pfípcjkv: na zed', G 3/8. borní.
-Instalacnísada
2
ks votloínstaíacnkh zátekG Vz. objednací oslo
074326, tyto zátky j so u nezbytné. pokud pouzíváte exte г ni tlakové
armatury.
8.5.3
Montázní sada к instalaci na zed'
-
Pajené sroubení pro niedéné trubky, objednací císlo 074019.
obsah: 2 vodoínstalacní zátky G V* a 2 pfeviecné matice V?'‘
s vlazkau prc pájenou pfípojku 0 12 mm.
- Tlakové fítinky pro mettené potrubí. objednací císlo 222380. obsah:
2 vodoinstalacní zátky G Vz а 2 tlakové fitinky x 15 mm a
tésnení.
-Tlakové
fitinky
pro
plastové
potrubí.
objednací
císlo
222381.
obsah: 2 vodoinstalacní zátky G Vz a 2 tlakové fítinky Vz" x 16 mm
(Víegíi: Sanfix-Plus, nebo Sanfix-Fcstii) ii tesnení.
8.5.4
Umverzální montázní rám
Objednací císlo 228291. cbsahuj'e: Montázní rám s elektrickym
zapojením kabelú. Pomocí této konstrukcní sady vytvofíte mezí
zadní striinou prístrofe a stenou, na kterou provedete instillaci,
prázdny prostoro velikosti 30 mm.Ten umozñuje realizací elektrícké
pfípojky pod omítku na libovolném miste pod vasím pfístrojem.
Hloubka prístroje se takzvetsí o 30 mm. Pouzitím této ínstalacní
sady se mini krytí na IP 24 (ochrano proti stríkojícívodé).
8.5.5
Instalacní sada k proveden? pfesazení potrubí
Objednací císlo 220290, obsahuje: Uníverzáiní montázní rám
(tech nicky popís viz obj. c. 220291) a potrubní kolena ke kolmém u
posunulí prístroje oproti vodovodní pfípojce o 90 mm smérem
ddú.
8.5.6
Potrubní ínstalaM sada k vyminé plynového ohfívace
vody
Objednací
císlc
220510,
obsahuje:
Univerzální
montázní
rám
(technicky popís viz obj. c. 220291) a potrubní kolena k jnstalaci
V pfípadé stávajících pfípojek plynového ohfívace vody (pfípojka
studené vody vlevo, pfípojka teplé vody vpravc).
8.5.7
Potrubní ínstalacní sada k vyméné zafízení DHB
Objednací císlo 159876. obsahuje: 2 nástrcne vodoínstalacní spojky.
jejich pomocí múzete no stávafící vodovodní nostrcné pfípojky DHB
prípojít pfístroj.
8.5.8
Zátezové reté LR1-A
Objednací
císlo
081786.
Zátezové
relé
umoznuje
provoz
napf.
s pouzitím elektríckych zafízení k vytápénT zásobníkú. Pouzitím
zátézQvého relé je prútokovy ohfívac pouzíván pfedncstne pfed
cstatnímí pfístrojí.
114 I OHB-E ... SiL electronic
vrww.stiebe L-eltron.com
INSTALACE
INSTALACE
9. Instalace
9.1
Pokyny k instalaci
9.1.1
Hydrauikkytisk
Pakud nem dasazeno prùtcku k zapnutT pristroje ani pri zcela
otevrené
armature,
musite
demontovat
cmezovac
prùtoku.
Vymintejej zn dodnnou plastovou tvarovku. Pripadni ovsem tnké
mulete zvysittlak ve vodcvodni instalaci.
Armatury termostatu
Ü-I
Pokud
ma
armatura
termo&tatu
spravné
fungovat,
nesmite
omezovac prutoku u télo
armatury vyménit
za plastovou tvarovkul
1
Omezovac prútoku
2
Plastová tvarovka
9.1.2
Flexibílm prívody vody
Pokud pripojíte k prístroji flexibilní pTípojku vody. musite zabránít
tomu. aby se bajonetovy spoj v koleni potrubi v pristroji otociL
9.1.3
Pristroj s prepínáním prikonu
Pristroj DHB-E 18/21/24 Sü je po iloilánT prepnut na hodnotu
21 kW. Púkud budete pristroj ínstalovatsj'inym vykonem. musite
p os tu p ovni takto:
»Pripojte
konektor
kcdovacihc
zarizení
v
souladu
s
vybranym
vykonem,
voliteiny
vykon
a
[isténi
pristroje
viz
..Technícke
údnje*.
»Na
typovém
stítku
oznacte
krízkem
vybrany
vykon.
Pcuzíjte
k tomu nesmyvateinou tuzku.
»Pouziíte
omezovac
prútoku,
odpovidníicivykonu
pristroje.
Barvn
omezovace prútoku je uvedena v tabulce .Jechnícké údaje".
Konektor kodéru k pTepnuti vykcnu
....
......
......
10. Montáz
10.1 Misto montáze
Pnstroj je urcen vyhrndne k provede ni pevné mcnláze na slenu.
Pamatujte, ze stena musi byt dostatecne ncsná.
Pristroj se montuje vzdy v kolmé poloze (pod nebc na-d úrovni
umyvndin) V mistnosti chrñnéné pred mrnzem.
10.1.1 Montáz pod urovní umyvadla
Montáz pod úrovni umyvndin
<r;-0
í“
\.
s
-*
2
1
Pfivod studené vody
2
Odvod teplé vody
10.1.2 Instalace nad úrovni umyvadla
>-
en
UJ
1
Privod studené vody
2
Odvod teplé vody
www.stiebeL-eltron.com
DHB-E ... SLi eLectronic 1115
INSTALACE
M
0
NTÁ
2
Z dûvodu zachcvnní och rany pfed nebezpecnym dotykem ve 5tavu
po dodání zásílky je u nekterych variant vlozen do cviádacího
prvku prouzek lepen ky. Tentó prouzek musite pfed provedenim
montnze pristroje odstrnnit.
10.2.2 Odmontování zadni steny
»Zatln^e nn obe háckové pojistky vprnvo a vievc n zntnhnite
spodni dil dopTedu.
10.2.3 Montáz závésné lísty
»Pomccî montázní sablony vyznacte vrtané otvory. Pokud bude
pTÎstroj
namontovan
s
vodcvadnîmi
pripojkami
polozenymi
primo na zd). musite navic oznacit ] upevñovad otvor ve spodni
cnsti sablony.
» Vyvrtejte otvcry a upevnête zàvèsnou listu pomoci 2 sroubù a 2
hmozdinek. Srouby a hmozdinky nejsou soucàsti dodavky.
»Pripravte privadnî elektrkkÿ kabel.
»Jako pomùcku pouzîjte pn montâzi plastovévicko.
10.2.5
Nasroubování krouzkové vlozky
10.2.6
Priprava vodovûdm pfîpojky
»Nnsrcubujte na krouzkovou viozku tvarovku T a krizovÿ prvek.
pritom pcuzijte tësnenî.
»Râdnevyplâchnëte privod studené vody.
116 I DHB-E ... SiL electronic
v/ww.stiebeL-eltron.com
INSTALACE
MONTÂT
• I 3cestnÿ ventil.
1-1 3C6&tny venlil rtfismite pouzîvat k redukovâni prûtoku!
SiouH pouz« k uzavirânî.
2 Krizcvy prvek
10.2.7
In&tâlace sitka
»Nnmcntujte na pritoku studené vody do pnstroje dodnné
sîtko.
Sitko.
Sîtko musîte instalovat za kazdych okolnostî. Pouze
tim
je
zarucena
funkce
pristroje.
Pokud
provadite
m&talaci
formou
vymèny
pri&troje
vzdy
zkontrolujte.
zda je jitko in&talûvàno.
Instalace sitka
10.2.8
Instalace omezovace prûtoku DMB
»Nnmontujie na pTitoku studené vody do pristrofe dodany
omezovac prûtoku.
V P fi pad ë P ri stroj e D H B - E18/21/
2U
SLi j e d od â n j este d ru h y omezova c
prûtoku.
Pouzijte
omezovac
prûtoku.
odpovTdajkivykonu
pristrofe.
Barva omezovnce prûtoku je uvedennvtabuice »Technické ûdnje''.
10.2.9
Zavêseni prîsiroje
Kabelovn spona. kterâ smëruje dozndu smirem ke stenë. mûze zn
urcitych
okolnostî
brânit
bezproblémovému
uchyceni
pristroje
ke
stënë tak, aby na ni dosedal celou picchou. V takovém pripade je
vhodné zatlacU kabelovcu sponu vzadu do zadni stëny. Tim dojde
ke snizeni tuhosti spony.
»Vyjmëte upevnovacî pâku z hornîho dîlu zadni stëny (obrnzek
„Zavësenî pristroje“).
»Zaved’te elektrickÿ prîvodni kabel zezadu do kabelové spony tak.
nbydoslo
kdosednulî
spony
naplast'kabelu.Srovnejte
elektrickÿ
prîvodni knbel. Pokud mâ elektrickÿ privodnî kabel prûmër vitsî
nez 6 mm’, zvëtsete ctvor v kabelové sponë (viztéz „Elektrickâ
pnpojka pri pouziti vëtsich prùrezû kabelu").
»Zntincte
pristroje
proti
sroubûm
na
znvesné
listetnk, abydoslo
k
proraieni
mekkÿch
tesnëni,
pripadne
propichnéte
mékké
tésnëni sroubavâkem.
» Nasad'te upevnovacî pâcku nn sroub zâvësné li%. kterÿvycnîvâ
ze zadni stëny.
»Pevnë
pritlacte
zadni
stënu
a
zaj'istëte
upevnovacî
pâcku
otocenîm deprava o 90®.
Zavësenî pristrofe
>-
- CO
» UJ
10.2.10PrÎprava vodovodnî prîpojky
Vûdovodni pripojka
www.stiebeL-eltron.com
DHB-E ... SLi eLectronic 1117
INSTALACE
M
0
NTÂ
2
lO.S.llPripojeni privodu elektncké energìe
»Prìpojte elektfìcky privcdni kabel k iit'cvé pfivodni svorce, viz
kapitola "Schèma elektrického zapojeni",
Pripojeni ochrannéNo vodìce.
& I Pamatujte, ze prhtroj musi by( pripojen k ochraimèmu
vodicil
Elektrickè pripoienì
..............Ili,:
10.2.12 Montaz spodnì casti zadnì steny
10.2.13
Dokonceni montaze
»Srovnejte
namontovany
priftroj
povclenim
upevnovaci
pàky,
vyrovnejte elektrìckou pripojku a zadnì stènu a opèt utàhnète
upevnoviicì pèku. Pokud zadnì stèna prìstroje nedoléhà presnè ke
zdì, miizete priftroj ve spcdni casti upevnit dalsim sroubem.
10.3 Varianty montàze
10.3.1
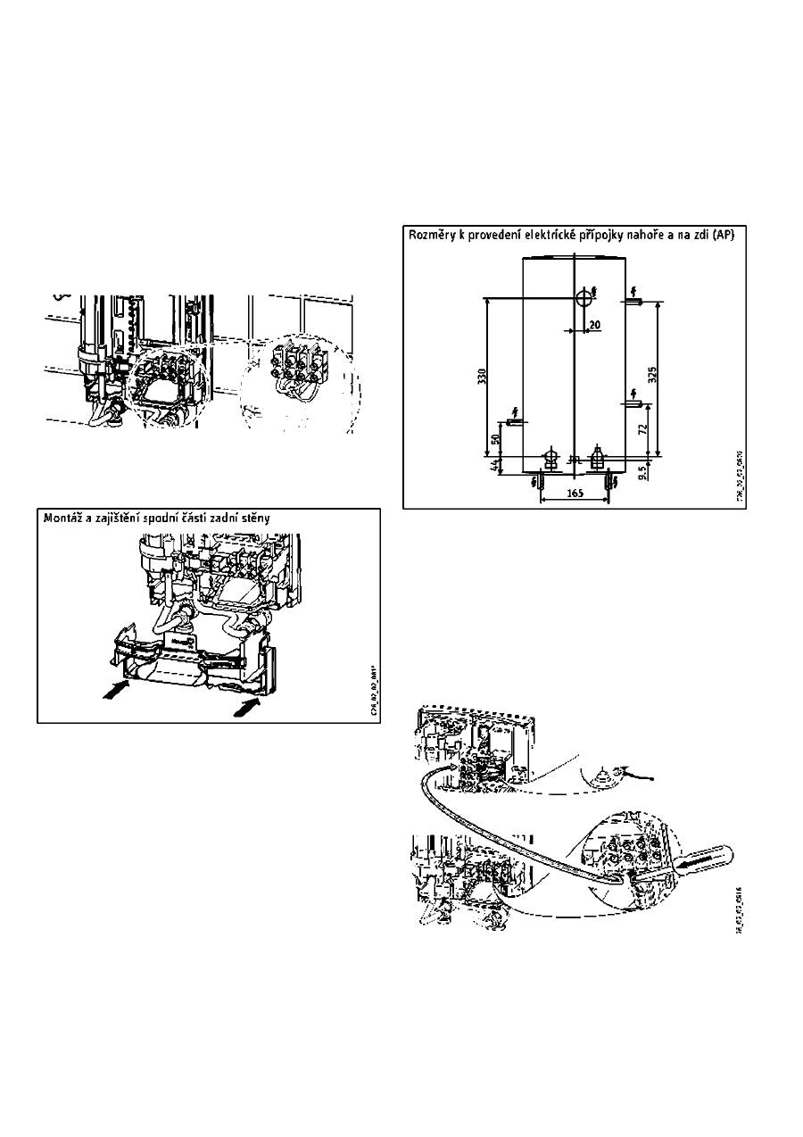
Elektricka pnpojka ve zdì - nahore
Z nasledujìcìho obrazku jsou zreimé rczmery prò pripcjenì
elektrickè pTìpojky nahcre.
K pfipcijònì elektrkké pnpojky pcstupujte takto:
»Orìznète kabel ovou sponu v souladu s prufezem elektrkkého
prìvodniho kabel u.
»Stisknète hackovou pcjistku k upevnènT prìvodnì sìtbvé svorky
smèrem dolù a vytahnète ji.
»PTelozte pTìvadnì sìtovou svorku prìstroje zespodu nahoru a
upevnéte je.
Elektrickii prìpolka nahcre
••
7^ \
(
118 I DHB-E ... SiL eLectronic
v/ww.stiebeL-eltron.com
INSTALACE
MONTÂT
10.S.2
Elektrickà pnpajka na zdi
PrÌstroj mùzete pripojit i v pripade, ze byla elektrickà pnvodnT
pripoika
polozena
primo naitènu.To piati
prò provedeni
pripojky
nahoTe i dole. Pcstupujte pritom takto:
»ProTiznéte nebc vylomte prùchotlky na zadnT strane a ve viku
pristroje.
Vhodna
mista
k
provedeni
prùchodek
naieznete
na
obrózku „Rczmery prò pripojeni elektrické pripojky'*.
Zmena kryt?.
V pfipade, ze budete pristro) pripojovat k eiektrickému
rozvodu
polozerìèmii
primo
na
$tene.
musite
na
typovém stitku zmènit krytÌ
z
hodnoty IP25 na IP2^.
Pouzijte k tomu nesmyvatelnou tuzku.
» Pfeskrtnete údaje ,,IP 25*' a znskrtnete moznost ,,IP 24".
10.3.3
Elektrickà pnpo]ka pri pouziti vetsich prùrezù kabelu
Demontàz a montàz kabelové spony
X\\
V pripndé pouziti vitsich prufezù vodicù mùzete namontovnt
kabelovQU spcnu pò provedeni montàze pristroje. Pcstupujte
prìtcm takto:
»Pred
montàzT
vytóhnete
pomoci
sroubovóku
knbelovcu
sponu
pfistroje.
»Zatlacte pristro] proti sroubùm v zàvesné liste tak. aby doslo
k prorazeni mèkkéhotèsnèni.
» Nasad'te upevnovaci pàcku na srcub zavésné listy, ktery vycniva
ze zadni steny.
»Pevne
pritlacte
zadni
stènu
a
zafistète
upevñovaci
pàcku
otocenim deprava o 90“.
» Nasunte kabelovcu sponu na privadm elektricky kabel. Pouzijte
k
tomu
montázni
pomùcku.
Pckud
budete
pcuzivat
elektricky
privodni kabel c prùfezu 10 nebo 16 mm^ musite zvetsit otvor
kabelové spony. Zatlacte kabelovcu sponu do zadni steny.
10.3.4
Pripojeni
zàtezDvého relé
Zàtézové relé pouzivejte v kombinaci sjinymi elektrickymì pTistroji.
napfiklad
s
topnymi
elektrickymì
akumulacnimi
zàsobntky.
K sepnuti relé dojde za provozu prùtokového ohrivace. Zàtézové
relé dodàvàme formou zvlàstniho pTislusenstvi.
Pripojeni fàzi.
^1 Pripojte fàzi. kterà spina zàtézové relé» k oznacené
svorce elektrického sitbvého privodu v pnstroji.
1
Ridici cbvod stykace 2. pristroje (napriklad elektrické
ohrivani zàsobniku).
2
Ridici kontakt. ktery se otevre po znpnuti prùtokového
ohrivace.
10.3.5
Vodovodni instalace polozenà na sténu
Tlakové armatury, vhodné k montazi na sténu bud'v kuchyni
(WKMD) nebo V koupelne (WBMD) mùzete cbjednavat formou
zvlàstniho prislusenstvT.
»Namontujte vodovodni zatku spolu s tésnénim tak. aby doslo
k uznvfeni privedu instalovaného ve zdi. U nasich tlakcvych
armatur jsou zàtky a tésnéni soucàsti dodàvky. U tlakovych
armatur od jinych dodavatelù si mùzete zàtky a tésnéni objednat
jako dalli zviàstni prislusenstvi.
» Namontujte armaturu.
»Nasad'te
zadni
spodni
dii
pod
pripofovaci
trubky
armatury
a
zajistète zadni sténu.
» Pfisroubujte pnvodni trubky k pnstroji.
>-
co
UJ
www.stiebeL-eltron.com
DHB-E ... SLi electronic 1119
INSTALACE
M
0
NTÁ
2
10.3.6 Vodovodní ínstalac« provedena na sten! $ pájenou
prípojkou {(iakovou fitinkou
Pauzítfm
zvlástníhc
príslusenství
pcd
názvem
„pájená
prípajka''
nebc „tlakcvá fítinka"’ (viz «Zvlástnlpríslulenství") mùzete spojcvat
V prípade montáze пл 5ténu médiná potrubí nebo tnké pinstová
pctrubí.
V prípade pfísluIenstvT.Páfená prípojka" mùzete provést sroubcvy
spoj s médénym potrubím 12 mm v misti instnince. Postupujle
lakto:
»Nasadle na pfívodní potrubí previecnou matkL
»Pripnjeíte vlozené díly к médinému rozvodu.
»Nasadle zadní spodní díl pod prívodní trubky
л
zajistéte zadní
stenu.
» Prisroubujte prívcdní trubky к pñstrojí.
Upozornení к montází armatury.
>■1 Dodrzujte pokyny к montází vydané vyrobcerti
armatury]
10.3.7 Vodovodní ínstalace provedená na stenu. montáz vícka
pnstroje
PTi záverecné montnzi vícka prístroje postupujte tnktc:
8 Proved'te cisté prorazení prúchodek do víka prístroje. Pouzijte
prípadne pílník.
»Vylomte jazycky z prúchodek víka.
Upozornení к montázi pro prípad mírného presazení
potrubí armatur.
Insidiaci
prúchodek
s
manzetou
múzete
v
prípade
mírného presazení potrubí armatury provést ufésnéní
prístroje. Pruchodky v zadní stene nejsou v takovém
prípadé potrebné.
»Nasadle prilozené prúchodky víka de otvorú pro prúchodky.
» Nasad'te prúchodky zadní steny na trubky a vzájemné je zasuñte.
Násiedni
nasad'te
vedid
prúchodky
nz
na
dornz
do
zndní
steny.
8 U pevnete zadní sten u dolé pomocí sroubu. To piati i v prípadé.
ze budete pouzívat pruzné (flexíbilní) vodovodní systémy.
Pokyny к mentali armatur ínstalovanych na stenu jAP)
2
Î —
Ч
1
Otvor prúchodky
2
Vodicí prúchodky víka
3
Vodicí prúchodky zadní steny
k
Sroub
10.3.8
Délená spodní cást zadní steny
V
prípadé
sroubovych
spojú
múzete
spodní
díl
zadní
steny
namentovataz po provedení mentáze armatury:
» Vyrezejte strední cást ze spodního dílu zndní steny.
»Nasad'te pribalené spojovací kusyzezadu de strední cástí.
8Zaved'te strední cást pod trubky a n asunte ji nahoru.
»Nnsndle spodní díl zndní steny na strední díl.
8 Zatlacte spodní díl zadní steny do zadní steny. Spodní díl musite
navk nakonec upevnitsroubem.
» Prisroubujte prívcdní trubky armatury k pfístrojí.
120 |DhÍB-E ... SiL electronic
v/ww.stiebe L-eltron.com
INSTALACE
MONTÂT
10.3.9 Instalace v prip^dè vymeny pfi&troje
V
pTÌpade vymeny dvou nasich vyrobku mùzete pouzit stávajTcí
zàvèsnou lìstu (krcme ..DHF"). Pritom musite prorazìtvzadnistené
vhodnyotvorpro sroub jiz namontovnné závisné listy.
Pokud budete montovat prìstroj misto vyrobku DHF. musite srcub
na zavèsné liste premistit tak. jak je vìdei na cbràzku ..Závesná
lista vpripnde vymeny pnstroje DHP*. Srcub ma samorezny zavit.
Zàvésncu listu potom musile na zed’povesit po Oloceni c
Napìs „DHF“ je potom ve smeru cteni.
V pripade vymeny prislroje od jinych vyrobcù musite pouzitvhodné
olvory prò hmozdinky.
Závesná lista pri vvmênë pristrojù DHF
io.3.ioMontàz pod Ijrov ni umyvadla s otocenym vikem
pfistroje
Viko pristroje mùzete instalovat na zadni stenu po otcceni o 180“.
Je lo vhodné zejmèna v pTlpade.ze budete mentovai pristroj ped
ùroven umyvadla. Postupujte pfltom takto:
» Vyjmete ovladaci prvekz vicka pristroje. Nejprve musite stisknout
pojistny hacek.
» Otocte viko pfistroje a vlozte opet ovladaci prvek. Poj'ìstny hácek
musi pf itom zaklapncut. K usnadnéni mentáze oviádaciho prvku
zatlacte preti vnitfni strane vika pfistroje {ve sraiovanèm miste,
vìz obrazek «Viko pfistroje pfi montàzì pod úrovni umyvadla*’).
• I Oviadac s defektnìm pojistnym hâckem.
il Oviadac s defektnim pojistnym hàckem nesmite
instalovat. Nelze tak zajistit bezpecnost.
»Pfipojte
kabel
snimace
nastavenych
hodnot
k
elektronickèmu
systému
..T-scM"
(T-pozadevané),
viz
„Prvni
uvedeni
de
provozu".
»Zavesteviko pfistroje dole a vyklopte je nahorusmèrem k zadni
Siene. Pfitem kontrolujte spravné usazeni obvodovéhotesneni na
zadni
Siene.
Posouvejte pfìtom viko pfi montàzì mime dopfedu
a dozadu.
»Pfipcjte pfistroj pomccisroubu ve vfku.
Viko pfistroje pfj montazi pod úrovni umyvadla
Í-----------
io.3.iilnstalace na pfedsazenych obkladech
Pfistroj' mùzete namontovat na pfedsazené obklady. Maxìmàlni
pfesazeni obkladù a mínimáini plochu prc dosednuti pfistroje
naleznete na obrazku. Nastavte vzdalenest steny a upevnete zadni
stenu upevnovacTpàcku otocenim deprava o 9C“.
Zpùseb montàze na pfedsazené obklady
t'
i
5. >-
www.stiebeL-eltron.com
DHB-E ... SLi eLectronic j 121

