LG PQNFB17B0 – page 7
Manual for LG PQNFB17B0

(2) Quando si connette il BMS usando più di un BACnet Gateway
(possibile connettere 16 unità al massimo)
Hub
LAN
(cavo diretto)
BMS(Sistema Gestione Edificio)
BACnet Gateway
Multi V
TX
00 01
. . .
LG-NET 1
RX
0F
1
2
LG-NET 2
TX
3
RX
4
DI
LG-NET 3
TX
5
LG-NET 4
RX
6
TX
7
RX
8
9
10
Ext 1
TX
11
RX
12
Ext 2
TX
13
RX
14
15
16
Ethernet 1
ACT
17
18
19
MENU/
20
SELECT
Ethernet 2
LNK
ACT
LNK
Console
TX
RX
ON
L1 2 3 4
KSDO4H
1
2
3
4
DO
Power
Run
PI485
Multi V
. . .
10 11 1F
ON
L1 2 3 4
KSDO4H
Centralina di controllo
semplice
PI485
(possibile effettuare la
connessione se necessario)
Multi V
. . .
LG-NET 1
TX
LG-NET 2
RX
00
01 2F
1
2
3
DI
LG-NET 3
TX
RX
4
TX
5
RX
6
LG-NET 4
TX
7
RX
8
9
10
Ext 1
TX
11
RX
12
Ext 2
TX
13
RX
14
15
16
ACT
17
Ethernet 1
LNK
18
19
MENU/
ACT
20
SELECT
Ethernet 2
LNK
Console
TX
RX
ON
L1 2 3 4
KSDO4H
1
2
3
4
DO
Power
Run
BACnet Gateway
PI485
. . .
F0
Multi
F1
F2
ON
L1 2 3 4
KSDO4H
Centralina di controllo
F3
semplice
PI485
(possibile effettuare la
connessione se necessario)
Installazione
ITALIANO
Manuale Installazione/Utente 13

Installazione
Ordine di installazione
(1) Installazione dell'hardware
■ Impostazione dell'unità interna
Imposta l'indirizzo unico per tutte le unità interne connesse al BACnet Gateway.
Due cifre esadecimali 00~FF possono essere impostate sull'indirizzo.
L'indirizzo può essere impostato tramite il telecomando wireless o cablato.
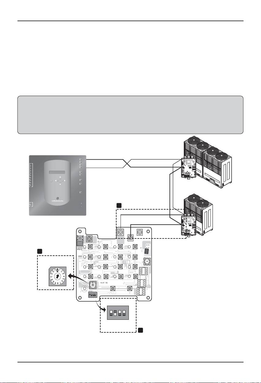
■ Installazione del PI485
Installare un PI485 per ciascuna unità esterna e istallare il microinterruttore correttamente.
Controllare il LED rosso lampeggiante con il numero delle unità interne.
Connessione del PI485-BACnet Gateway
■ Connessione del PI485-BACnet Gateway
Connettere i terminali PI485 A e B di ciascuna unità esterna alla porta RS-485 del BACnet
■ Connessione del BACnet Gateway a Internet
Connettere il BACnet Gateway al hub (Internet) o al PC con il cavo LAN.
E quindi applicare, l'alimentazione al BACnet Gateway.
(2) Installare il software
■ Come impostare i menu BACnet Gateway
Impostare il BACnet Gateway usando il pulsante e display LCD.
■ Impostazione ambiente di rete del BACnet Gateway
Dopo avere ottenuto l'indirizzo IP del BACnet Gateway assegnato dall'amministratore di rete,
impostare l'ambiente di rete come indirizzo IP del BACnet Gateway usando il pulsante del BACnet
Gateway.
(3) Controllo dell'installazione
Dopo avere installato il BACnet Gateway, é possibile controllare lo stato di comunicazione del
prodotto usando la funzione di controllo/monitoraggio web.
14 BACnet Gateway

Installazione hardware
(1) Impostazione dell'indirizzo dell'unità interna
• Considerando la configurazione complessivo dell'installazione connettendo ad un BACnet Gateway,
impostare l'indirizzo unico per ciascuna unità interna. (Si raccomanda di riportarlo nel disegno
dell'installazione.)
• Due cifre esadecimali 00~FF possono essere impostate sull'indirizzo dell'unità interna.
• Con il prodotto Multi V, per identificare il componente del sistema, si raccomanda di impostare il
numero dell'unità esterna sulla prima cifra dell'indirizzo e il numero dell'unità interna sulla seconda
cifra.
• Il prodotto di ventilazione può essere installato e controllato dal BACnet Gateway.
(Tuttavia, l'indirizzo del prodotto di ventilazione non può essere impostato per sovrapporre l'indirizzo
del condizionatore d'aria.)
Numero unità internaNumero unità esterna
00
Multi V
LG-NET 1
TX
RX
. . .
1
2
3
DI
LG-NET 2
TX
RX
TX
00
01
0F
4
LG-NET 3
5
LG-NET 4
RX
TX
6
RX
7
8
9
TX
10
Ext 1
RX
11
Ext 2
TX
12
RX
13
14
15
16
Ethernet 1
ACT
17
18
MENU/
LNK
19
SELECT
Ethernet 2
ACT
20
LNK
Console
TX
ON
RX
L1 2 3 4
KSDO4H
1
2
3
DO
Run
4
Power
PI485
BACnet Gateway
Multi V
. . .
10 11 1F
ON
L1 2 3 4
KSDO4H
PI485
Multi V
. . .
20
21 2F
ON
L1 2 3 4
KSDO4H
PI485
. . .
F0
Multi
F1
F2
ON
L1 2 3 4
KSDO4H
F3
PI485
Installazione
ITALIANO
Manuale Installazione/Utente 15

(2) Installazione PI485
Selezione del tipo
di condizionatore
Selezione del tipo di rete
d’aria
Selezionare il comando avanzato
ON
KSDO4H
L1 2 3 4
* LGAP: Protocollo condizionatore dʼaria LG
ON
ON
ON
ON
ON
Installazione
Prodotti Multi V & Multi(LGAP applicato) Metodi di configurazione
➔
1 ON, Tutti gli altri OFF: Prodotti Multi V (Eccetto prodotti CRUN) o il
Prodotto Multi (senza inverter) applicato PCB_Comune (Riferimento a
Nota) o Multi(con inverter ) Prodotto + Centralina(tutti i tipi) – Senza LGAP
➔
1 e 4 ON, tutti gli altri OFF: Prodotti Multi V (Eccetto prodotti CRUN) o
Prodotti Multi(senza inverter ) applicati PCB_Comune o Prodotto Multi(con
Inverter) + Centralina (tutti i tipi) – Usando LGAP
➔
2 ON, tutti gli altri OFF: Prodotto Multi (senza inverter) +
Centralina ( tutti i tipi) senza LGAP
➔
2 e 4 ON, tutti gli altri OFF: Prodotto Multi senza inverter +
Centralina (tutti i tipi) usando LGAP
➔
1,2,3,4 ON : Prodotto Multi V CRUN + Centralina (tutti i tipi) –
Usando LGAP
* Consultare il manuale di installazione Controller centrale corrispondente per sapere se il Controller
centrale è compatibile con LGAP o meno.
AVVISO:
Unʼerrata configurazione dei prodotti può causare malfunzionamento
Premere il pulsante di ripristino dopo avere modificato il microinterruttore.
NOTA: Prodotto Multi(senza inverter) applicato PCB_comune
PCB P/NO. : 6871A20917*
P/NO. : 6871A20918*
P/NO. : 6871A20910*
*Nota: LGAP è uno speciale protocollo utilizzato su condizionatori d'aria LG per il controllo centrale.
16 BACnet Gateway

ON
ON
ON
Installazione
- Per utilizzare la funzione di blocco avanzato (blocco della modalità di funzionamento, blocco della
velocità della ventola, blocco della temperatura e blocco dell'intervallo della temperatura, regolabile
ITALIANO
solo entro un certo limite) tramite il controller centrale, impostare il quinto interruttore dip in base al
tipo di prodotto esterno.
- In caso di funzione di blocco avanzato, è possibile utilizzare solo il controller centrale applicato a
LGAP.
➔ 1,4 e 5 ON, tutti gli altri OFF: Prodotti MultiV (tranne i prodotti
CRUN) o il prodotto inverter MPS + Controller centrale (tutti i tipi) ,
che utilizzano LGAP
➔ 2,4 e 5 ON, tutti gli altri OFF: prodotto multi standard + Controller
centrale (tutti i tipi), che utilizzano LGAP
➔ 1, 2, 3, 4 e 5 ON, tutti gli altri OFF: prodotto MultiV CRUN +
Controller centrale (tutti i tipi), che utilizzano LGAP
NOTA: Impostazione del blocco avanzato
Alcuni prodotti non supportano la funzione di blocco avanzato.
In questo caso, il quinto interruttore dip sul PI485 deve essere attivato.
In caso di prodotti applicati alla funzione avanzata, è possibile elaborare la funzione di blocco avanzato senza il
quinto interruttore dip attivo.
Se tutte le unità supportano la funzione di blocco avanzato, si consiglia di disattivare il quinto interruttore dip, in
modo da elaborare più velocemente la funzione di blocco avanzato.
AVVISO:
Unʼerrata configurazione dei prodotti può causare malfunzionamento
Premere il pulsante di ripristino dopo avere modificato il microinterruttore.
Dopo aver impostato l'interruttore dip, occorre reimpostare PI485.
Manuale Installazione/Utente 17

Installazione
(3) Connessione PI485 – BACnet Gateway
1. Quando si connettono due o più PI485s ad un BACnet Gateway, connettere ciascun BUS-A/BUS-
B di altri PI485s da connetetre al BUS-A/BUS-B del PI485.
2. Connettere il BUS-A del PI485 al TX di questo BACnet Gateway e il BUS-B al RX.
• Connettere il LG-NET 1~4 a qualsiasi BACnet Gateway.(Connettere la rete LG-NET alla porta
RS-485)
• 664 unità esterne al massimo possono essere connesse a ciascuna porta 485 del BACnet
Gateway e il numero di unit_ interne da connettere al BACnet Gateway è di 256 al massimo.
Nota: Staccare il cnnettore della porta 485 del BACnet Gateway, connettere il BUS-A alla TX e il
BUS-B alla RX usando il cacciavite (-) e quindi connettere il connettore alla porta 485 del
BACnet Gateway. Poiché la linea di comunicazione 485 è fornita di polarità, connetetre la
linea correttamente.
18 BACnet Gateway
Multi V
1
LG-NET 1
TX
TX
RX
LG-NET 2
TX
1
RX
2
DI
LG-NET 3
TX
3
RX
RX
ON
L1 2 3 4
KSDO4H
4
LG-NET 4
TX
5
RX
6
7
8
Ext 1
TX
9
RX
2
10
Ext 2
TX
Linea schermata di 0,75 mm
11
RX
’
12
13
14
ACT
(linea di comunicazione RS-485)
PI485
15
Ethernet 1
LNK
16
17
MENU/
18
SELECT
Ethernet 2
ACT
LNK
19
20
Multi V
Console
TX
RX
1
2
DO
Run
3
4
Power
ON
L1 2 3 4
KSDO4H
PI485
Lato BACnet Gateway Lato PI485
Multi V
BUS-ATX
RX
BUS-B
ON
L1 2 3 4
KSDO4H
2
PI485

• Se ci sono molte unità esterne, distribuire le linee verso LG-NET 1~4 per migliorare la velocità di
controllo.
[Esempio di distribuzione delle linee verso LG-NET 1 e LG-NET 2]
Manuale Installazione/Utente 19
Multi V
ON
L1 2 3 4
KSDO4H
Multi V
PI485
TX
Multi V
RX
BUS-A
ON
L1 2 3 4
KSDO4H
TX
RX
PI485
ON
L1 2 3 4
KSDO4H
Multi V
PI485
Multi V
ON
L1 2 3 4
KSDO4H
PI485
ON
L1 2 3 4
KSDO4H
Multi V
PI485
ON
L1 2 3 4
KSDO4H
PI485
BUS-A
BUS-A
BUS-B
BUS-A
BUS-A
BUS-B
BUS-A
LG-NET 1
TX
RX
LG-NET 2
TX
1
RX
2
DI
LG-NET 3
TX
3
RX
4
5
LG-NET 4
TX
RX
6
7
8
9
Ext 1
TX
RX
10
Ext 2
TX
11
RX
12
13
14
15
Ethernet 1
ACT
16
LNK
17
MENU/
18
SELECT
Ethernet 2
ACT
19
LNK
20
Console
TX
RX
1
2
DO
Run
3
4
Power
Installazione
ITALIANO

• Istruzioni per l'uso di una scheda di controllo centralizzata semplice con il BACnet Gateway
1. Connettere il BUS-A e il BUS-B della PI485 a C e D della scheda di controllo centralizzata
semplice.
2. Impostare il selettore rotante della scheda di controllo centralizzata semplice in modo da
corrispondere al numero di gruppo dell'unit interna da controllare.
3. Impostare il microinterruttore numero 1 della scheda di controllo centralizzata semplice su Off come
slave e impostare il microinterruttore numero 2 su On come modo uso LGAP.
Nota: Controllare l'etichetta LGAP sul lato destro del case della scheda di controllo centralizzata
semplice. Solo il prodotto con l'etichetta può essere connesso al BACnet Gateway
contemporaneamente. Connettere il VCC e la GND della scheda di controllo centralizzata
semplice dal P1485 o separatamente all'alimentatore.(Vedere il manuale della scheda di
controllo centralizzata semplice.)
Multi V
BUS-B
TX
TX
LG-NET 1
RX
LG-NET 2
TX
1
RX
2
DI
LG-NET 3
TX
3
RX
BUS-A
4
LG-NET 4
TX
RX
RX
ON
5
L1 2 3 4
KSDO4H
6
7
8
Ext 1
TX
9
RX
10
11
Ext 2
TX
RX
2
12
13
Linea schermata di 0,75 mm
’
14
15
Ethernet 1
ACT
16
LNK
17
MENU/
18
SELECT
Ethernet 2
ACT
19
LNK
(linea di comunicazione RS-485)
20
PI485
Console
TX
RX
1
Multi V
2
DO
Run
3
4
Power
1
ON
L1 2 3 4
KSDO4H
CN-POWER
GND
CN-COM B
CN-POWER
CN-COM A
S1
S2
L
S4
PI485
LED2
LED3
LED4
2
IC1P
S5
+
+
S6
+
+
S3
+
LED5
LED7
LED8
TX1
Interuttore rotante
+
S9
S10
S11
S12
+
+
Centralina di controllo semplice
LED9
LED10
LED11
LED12
S14
+
S15
S16
+
+
+
LED13
LED14
LED15
LED16
PWB:6870A10001A
ASM:6711A20005E
+
S15
S18
LED17
ON
KSDO4H
L1 2 3 4
Es.) Controllo dell'unità
S19
interna 10~1F,
ON
KSDO4H
impostazione
L1 2 3 4
dell'interruttore su 1.
Microinterruttore
3
Installazione
20 BACnet Gateway

(4) Connessione Internet – BACnet Gateway
• Quando si connette il BACnet Gateway a internet quando già installato sul sito, dovrebbe esserci un
HUB già installato.
Nel caso, la possibilità di lavorare insieme al sistema BMS usando internet e connettendo un
BACnet Gateway a internet già installata sul sito: usare il HUB
Nota: Tramite l'esecuzione del test del BACnet Gateway, si può giudicare se l'installazione è stata
eseguita in modo corretto o meno (invece di usare il HUB, connettendo il BACnet Gateway
con un cavo di tipo incrociato)
• Verificare con attenzione il tipo di cavo (il cavo diretto o cavo incrociato)
• Prima della cnnessione, controllare se il cavo funziona correttamente o meno usando il LAN tester.
• Dopo avere applicato l'alimentazione all'alimentatore CC fornito, accendere l'interruttore di
alimentazione.
■ Nel caso di uso di un HUB
Usare un cavo LAN (cavo diretto) e connetterlo a Ethenet1 del BACnet Gateway
(in questo caso Ethernet2 è riservato)
■ Nel caso di uso in cui non si usi un HUB
(per controllare lo stato di comunicazione usando la funzione di controllo/monitoraggio web del sito)
Usare un cavo LAN (cavo incrociato) e connetterlo a Ethenet1 del BACnet Gateway
(in questo caso Ethernet2 è riservato)
Nota: Se i dettagli della funzione di controllo/monitoraggio web sono conosciuti, fare riferimento alla
sezione relativa al monitoraggio/controllo web
LG-NET 1
TX
RX
LG-NET 2
TX
1
RX
2
DI
3
LG-NET 3
TX
RX
Porta RS-485
4
TX
5
LG-NET 4
RX
6
8
7
9
Ext 1
TX
RX
10
Ext 2
TX
RX
Ethernet 1
12
11
14
13
15
Ethernet 1
ACT
16
LNK
18
17
MENU/
SELECT
Ethernet 2
ACT
20
19
LNK
Porta Ethernet
Console
TX
RX
cavo LAN (cavo diretto)
Porta Consolle
Hub
2
1
DO
Run
4
3
Power
Interruttore di
accensione
e porta alimentazione
Connettere l'adattatore CC
LG-NET 1
TX
RX
LG-NET 2
TX
2
1
RX
DI
4
3
LG-NET 3
TX
RX
Porta RS-485
LG-NET 4
TX
6
5
RX
8
7
Ext 1
TX
RX
10
9
Ext 2
TX
RX
Ethernet 1
12
11
14
13
15
Ethernet 1
ACT
16
LNK
18
17
MENU/
SELECT
Ethernet 2
ACT
Porta Ethernet
20
19
LNK
Console
TX
RX
cavo LAN (cavo incrociato)
Porta Consolle
2
1
DO
Run
4
3
Power
Interruttore di
accensione
e porta alimentazione
Connettere l'adattatore CC
Installazione
ITALIANO
Manuale Installazione/Utente 21

Installazione Software
(1) Come impostare il BACnet Gateway
Le seguenti informazioni devono essere impostate per usare il BACnet Gateway
• Ambiente di rete BACnet Gateway Impostazione indirizzo IP, Indirizzo del Gateway e indirizzo della
maschera di rete
■ Ordine di impostazione
1. Accendere il BACnet Gateway.
(La schermata che segue verrà visualizzata sulla schermata LCD BACnet gateway per circa 5
secondi dopo l'accensione.)
[Schermo LCD] [Schermo di avviamento]
• Il n° di versione S/W può essere
diverso dipendendo dalla data di
fabbricazione.
2. Premere il pulsante “MENU/SELECT” del BACnet Gateway per attivare la modalità di impostazione
ambiente.
• Menu visualizzato sullo schermo
quando il pulsante "MENU/SELECT"
viene permuto per la prima volta.
LG-NET 1
TX
RX
LG-NET 2
TX
1
RX
2
DI
LG-NET 3
TX
3
RX
4
LG-NET 4
TX
5
RX
6
7
8
Ext 1
TX
Schermo LCD
9
RX
10
Ext 2
TX
11
RX
12
13
14
ACT
15
Ethernet 1
LNK
Pulsante BACnet Gateway
16
17
MENU/
ACT
18
SELECT
Ethernet 2
LNK
19
20
Console
TX
RX
1
2
DO
Run
3
4
Power
BACnet Gateway
LG Electronics
wait for booting
SW Ver.1.0.0
MENU/
SELECT
Setting
Information
Installazione
22 BACnet Gateway

3. Dopo aver selezionato la modalitá "Setting" con il pulsante su/giú(▲, ▼) usare il pulsante
sinistra/destra (◀, ▶) per selezionare la funzione desiderata.
Inserire l'indirizzo IP. Inserire l'indirizzo del
Inserire la maschera di rete
Gateway
Enter the Set BACnet Type
4. Premere il pulsante “MENU/SELECT” sulla funzione desiderata per attivare la finestra di
impostazione per il modo impostato.
MENU/
SELECT
[MENU]
[MENU]
[MENU]
Set IP address
Set GW address
Set Netmask
[MENU]
Set BACnet Type
Installazione
ITALIANO
Nota:
Il supporto di LG BACnet Gateway di due tipi di Gateway dipende dal tipo di selezione "A" e "B".
Il tipo "A" supporta multi dispositivi per un indirizzo IP e il tipo "B" supporta solo un dispositivo per
un indirizzo IP.
Dopo aver chiesto al tecnico BMS su multi dispositivo o singolo dispositivo per un indirizzo IP,
selezionare "Set BACnet Type" di LG BACnet Gateway.
Manuale Installazione/Utente 23

(2) Impostazione ambiente di rete del BACnet Gateway
• Dopo avere ricevuto l'assegnazione dell'indirizzo IP del BACnet Gateway da parte
dell'amministratore di rete, usare il pulsante del BACnet Gateway per impostare l'indirizzo IP e
ambiente di rete del BACnet Gateway.
■ Procedura di setup
• Impostare l'indirizzo IP
• Inserire l'indirizzo del Gateway
• Inserire la maschera di rete
• Immettere il tipo Set BACnet
• Controllare le impostazioni dell'ambiente di rete
Nota: Se gli elementi di cui sopra non vengono inseriti, sarà impossibile controllare il BACnet
Gateway oppure vi saranno errori di comunicazione, quindi assicurarsi che siano tutti inseriti
in modo corretto.
1. Impostazione dell'indirizzo IP
① Primo, premere il pulsante "MENU/SELECT" di BACnet Gateway e selezionare il menu "Setting. il
seguente menu deve essere visualizzato sulla schermata BACnet Gateway LCD, premere il
pulsante "MENU/SELECT" per inserire l'indirizzo della maschera di rete.
② Usare il pulsante su/giù/sinistra/destra (▲,▼,◀,▶) per selezionare l'indirizzo desiderato.
③ Dopo avere inserito l'ultimo indirizzo, premere il pulsante “MENU/SELECT” per impostare
l'indirizzo inserito sull' indirizzo IP.(Quando non c'è input sul pulsante "MENU/SELECT" per 5
secondi, il valore impostato viene ignorato per tornare allindirizzo esistente.
MENU/
SELECT
[Imposta indirizzo IP]
[MENU]
[Set IP address]
Set IP address
192.168.000.000
MENU/
SELECT
[Esempio di impostazione dell'indirizzo del Gateway]
[Set IP address]
165.186.002.101
MENU/
SELECT
[La schermata LCD dopo il completamento dell'impostazione]
BACnet Gateway
SW ver. 1.0.0
Installazione
24 BACnet Gateway

2. Impostazione dell'indirizzo del Gateway
① Premere i pulsanti nell'ordine che segue. E quindi, il seguente menu deve essere visualizzato sulla
schermata LCD BACnet Gateway, premere il pulsante "MENU/SELECT" per inserire l'indirizzo del
gateway.
② Usare il pulsante su/giù/sinistra/destra (▲,▼,◀,▶) per selezionare l'indirizzo desiderato.
3. Dopo avere inserito l'ultimo indirizzo, premere il pulsante "MENU/SELECT" per impostare
l'indirizzo inserito sull'indirizzo del Gateway.
(Quando non c'è input sul pulsante "MENU/SELECT" per 5 secondi, il valore impostato viene
ignorato per tornare allindirizzo esistente.
MENU/
SELECT
[schermo LCD]
[MENU]
[Set GW address]
Set GW address
192.168.000.000
MENU/
SELECT
[Esempio di impostazione dell'indirizzo del Gateway]
[Set GW address]
165.186.002.001
MENU/
SELECT
[La schermata LCD dopo il completamento dell'impostazione]
BACnet Gateway
SW ver. 1.0.0
Installazione
ITALIANO
Manuale Installazione/Utente 25

3. Impostazione della maschera indirizzo di rete
① Premere i pulsanti nell'ordine che segue. E quindi, il seguente menu deve essere visualizzato sulla
schermata BACnet Gateway LCD, premere il pulsante “MENU/SELECT” per inserire l'indirizzo
della maschera di rete.
② Usare il pulsante su/giù/sinistra/destra (▲,▼,◀,▶) per selezionare l'indirizzo desiderato.
3. 3 Dopo avere inserito l'ultimo indirizzo, premere il pulsante "MENU/SELECT" per impostare
l'indirizzo inserito come indirizzo di maschera di rete.
(Quando non c'è input sul pulsante "MENU/SELECT" per 5 secondi, il valore impostato viene
ignorato per tornare allindirizzo esistente.
MENU/
SELECT
[schermo LCD]
[MENU]
[Set Netmask]
Set Netmask
192.168.000.000
MENU/
SELECT
[Set Netmask]
255.255.255.000
MENU/
SELECT
[La schermata LCD dopo il completamento dell'impostazione]
BACnet Gateway
SW ver.1.0.0
Installazione
26 BACnet Gateway

4. Impostazione del tipo Set BACnet
①
Premere il pulsante nell'ordine seguente. Quando viene visualizzato il menu seguente sullo schermo
LCD BACnet Gateway, premere il pulsante "MENU/SELECT" per immettere il tipo Set BACnet.
5. Controllo dell'impostazione dell'ambiente di rete
Premere i pulsanti nell'ordine che segue.
E quindi, il seguente menu deve essere visualizzato sulla schermata LCD BACnet gateway,
premere il pulsante “MENU/SELECT” per controllare le informazioni della rete impostata.
Le altre informazioni vengono visualizzate sullo schermo ogni 3 secondi.
(Ordine di visualizzazione delle informazioni : Indirizzo MAC → Indirizzo IP → Indirizzo Gateway →
Indirizzo maschera di rete → Set BACnet Type)
[schermo LCD]
MENU/
SELECT
Setting
Information
② Usare il pulsante su/giù/sinistra/destra(▲,▼,◀,▶) per selezionare il tipo BACnet desiderato.
③ Dopo aver selezionato il tipo BACnet, premere il pulsante "MENU/SELECT" per impostare il tipo
BACnet selezionato sul tipo Set BACnet.
MENU/
SELECT
[MENU]
[Set BACnet Type]
Set BACnet Type
A ➞
MENU/
SELECT
[Esempio per impostare il gateway Set BACnet Type]
[Set BACnet Type]
A ➞ B
MENU/
SELECT
[Schermo LCD al termine dell'impostazione]
BACnet Gate way
SW ver.1.0.0
Installazione
ITALIANO
Manuale Installazione/Utente 27

Accordo BACnet gateway di LG
JMT (Joint Matching Test) – Questo test è necessario per ogni BMS_indipendente.
Nei casi in cui un JMT non è necessario dove in precedenza è stato condotto un JMT con
successo e il sistema BMS non è stato aggiornato o siano state effettuate delle modifiche
hardware. Nel caso i cui il BMS abbia aggiornato il proprio sistema con una qualsiasi delle
modifiche, è richiesto un JMT.
Diagnosi BNU-BAC – Usare lo strumento di configurazione LG's BNU-BAC serve alla conferma del
funzionamento/stato delle unità A/C connesse e ID_di indirizzo, prima della connessione al
sistema BMS:
BMS Engineering – Creazione dei punti. Questo non deve essere eseguito da LG poiché è
direttamente relativo al lato BMS. L'ingegnere BMS deve eseguire l'ingegneristica del Punto,
tuttavia LG_è respnsabile del metodo di calcolo dei Punti.
Messa in funzione – Punto primo, usando il solo BACnet Gateway di LG, senza connettere BMS.
Questo deve essere eseguito dallo staf tecnico di LG con l'uso dello strumento di configurazione
BNU-BAC.
Discrepanze nel funzionamento del Gateway di BMS - Nel caso il costruttore del BMS ritenga che
il BACnet Gateway non stia funzionando come si deve con il protocollo BACnet, un test con l'uso
del software client BACnet potrà confermarlo.(Solitamente questo test non è richiesto)
Hub
BACnetBACnet
LG-NET 1
TX
RX
1
LG-NET 2
TX
2
4
3
DI
RX
LG-NET 3
TX
RX
6
5
LG-NET 4
TX
RX
8
7
9
Ext 1
TX
10
RX
Ext 2
TX
12
11
RX
14
13
16
15
Ethernet 1
ACT
LNK
Diagnosi del BACnet Gateway
18
17
MENU/
ACT
20
19
SELECT
Ethernet 2
LNK
Console
TX
RX
2
1
DO
Run
1. Creazione dei punti interni e di ventilazione.
4
3
Power
LG-NET
2. Test di tutte le unità e funzionamento.
Lato LG Engineering Lato BMS Engineering
Accordo BACnet gateway di LG
Nota : Vedere con attenzione, dopo la sezione relativa all'accordo Gateway LC BACnet, le aziende specializzate
in BMS.
28 BACnet Gateway

Prova della procedura di funzionamento
Prova della procedura di funzionamento
Controllo e monitoraggio Web
ITALIANO
La procedura seguente serve per il test di funzionamento del BACnet Gateway per la funzionalità di
controllo a distanza.
■ Connessione al server BACnet Gateway.
Per connettere al server BACnet Gateway connettere la Ethernet1 (porta LAN) del Gateway al PC
immettere l'indirizzo Input predefinito nella casella dell'indirizzo URL_per la connessione.
ID e PW sono bacnet, bacnet.
Manuale Installazione/Utente 29

Prova della procedura di funzionamento
■ Ricerca automatica indirizzo
L'indirizzo della unità interna installata può essere ricercato automaticamente.
Per cercare l'unità interna automaticamente, preocedere come segue.
1. Quando un programma viene lanciato normalmente, verrà visualizata la seguente schermata.
Cliccare su menu “Setting” (configurazioni).
30 BACnet Gateway

Prova della procedura di funzionamento
2. Come illustrato di seguito, la configurazione verrà mostrata.
ITALIANO
3. Cliccare su pulsante ʻInstallationʼ.
Manuale Installazione/Utente 31

Prova della procedura di funzionamento
4. Cliccare su pulsante ʻAuto searchʼ (ricerca automatica).
5. Cliccare su pulsante 'Yes' per cercare l'indirizzo dell'unità interna.
32 BACnet Gateway

