LG PQNFB17B0 – page 12
Manual for LG PQNFB17B0

No coloque armas de fuego
No coloque un calentador
No vierta agua en el interior
cerca del producto.
eléctrico o conductor cerca
del producto.
del producto.
• Podría producirse un
• Podría producirse un
• Podría producirse una
incendio.
incendio y una descarga
descarga eléctrica y una
eléctrica.
avería.
4
2
3
1
D
I
6
7
5
8
LG
T 1
10
9
R
T
X
X
L
L
-N
E
11
1
2
LG
G
G
-
N
-N
E
E
T
T
2
TX
R
X
1
1
13
4
-N
5
E
T
4
3
TX
R
T
X
1
R
X
X
18
6
1
E
20
1
7
9
M
E
S
x
xt 1
T
X
R
X
E
E
L
N
U
TX
E
C
/
t 2
T
R
X
E
th
e
r
net
1
A
E
C
the
T
r
net 2
LN
K
L
AC
N
T
K
2
1
C
ons
o
le
4
3
D
O
T
R
X
X
R
P
u
o
n
w
e
r
LG-NET 1
TX
RX
1
2
DI
LG-NET 2
TX
LG-NET 3
RX
3
TX
4
LG-NET 4
RX
5
TX
6
RX
7
8
9
10
Ext 1
TX
11
12
Ext 2
RX
TX
RX
13
14
15
16
Ethernet 1
ACT
17
18
MENU/
LNK
19
SELECT
Ethernet 2
ACT
20
LNK
Console
TX
RX
1
2
3
DO
Run
4
Power
LG-NET 1
TX
RX
2
1
DI
LG-NET 2
TX
LG-NET 3
RX
3
TX
4
LG-NET 4
RX
TX
6
5
RX
8
7
10
9
Ext 1
TX
12
11
Ext 2
RX
TX
RX
14
13
16
15
Ethernet 1
ACT
18
17
SELECT
MENU/
LNK
19
Ethernet 2
ACT
20
LNK
Console
TX
RX
2
1
3
DO
Run
4
Power
No coloque objetos pesados
Sujete el enchufe por la
No coloque objetos pesados
sobre el cable.
cabeza al sacarlo.
sobre el producto.
• Podría producirse un
• Podría ocasionar una
• Podría producirse una
incendio y una descarga
descarga eléctrica y
avería en el producto.
eléctrica.
daños.
LG-NET 1
TX
RX
1
2
DI
LG-NET 2
TX
LG-NET 3
RX
3
TX
4
LG-NET 4
RX
5
TX
6
RX
7
8
9
10
Ext 1
TX
11
12
Ext 2
RX
TX
RX
13
14
15
16
Ethernet 1
ACT
17
18
MENU/
LNK
19
SELECT
Ethernet 2
ACT
20
LNK
Console
TX
RX
1
2
3
DO
Run
4
Power
LG-NET 1
TX
RX
2
1
DI
LG-NET 2
TX
LG-NET 3
RX
3
TX
4
LG-NET 4
RX
TX
6
5
RX
8
7
10
9
Ext 1
TX
12
11
Ext 2
RX
TX
RX
14
13
16
15
Ethernet 1
ACT
18
17
MENU/
LNK
SELECT
Ethernet 2
ACT
20
19
LNK
Console
TX
RX
2
1
3
DO
Run
4
Power
Si el producto se sumerge
Evite que los niños manejen
No golpee el producto.
en agua, no se hará
el producto.
responsable ni el Centro de
servicio técnico ni la tienda
especializada.
• Soy responsable del
• Podría producirse un
• En caso de que se
incendio y descarga
accidente y una avería en
produzcan golpes en el
eléctrica.
el producto.
producto, soy
responsable de la avería.
LG-NET 1
TX
RX
1
2
DI
LG-NET 2
TX
LG-NET 3
RX
3
TX
4
LG-NET 4
RX
5
TX
6
RX
7
8
9
10
Ext 1
TX
11
12
Ext 2
RX
TX
RX
13
14
15
16
Ethernet 1
ACT
17
18
MENU/
LNK
19
SELECT
Ethernet 2
ACT
20
LNK
Console
TX
RX
1
2
3
DO
Run
4
Power
LG-NET 1
TX
RX
2
1
DI
LG-NET 2
TX
LG-NET 3
RX
3
TX
4
LG-NET 4
RX
TX
6
5
RX
8
7
10
9
Ext 1
TX
12
11
Ext 2
RX
TX
RX
14
13
16
15
Ethernet 1
ACT
18
17
MENU/
LNK
SELECT
Ethernet 2
ACT
20
19
LNK
Console
TX
RX
2
1
3
DO
Run
4
Power
LG-NET 1
TX
RX
2
1
DI
LG-NET 2
TX
LG-NET 3
RX
3
TX
4
LG-NET 4
RX
TX
6
5
RX
8
7
10
9
Ext 1
TX
12
11
Ext 2
RX
TX
RX
14
13
16
15
Ethernet 1
ACT
18
17
SELECT
MENU/
LNK
19
Ethernet 2
ACT
20
LNK
Console
TX
RX
2
1
3
DO
Run
4
Power
Precauciones de seguridad
ESPAÑOL
Manual del propietario/de instalación 5

■ Durante el uso
PRECAUCIÓN
Limpie cuidadosamente
Utilice la pantalla táctil con
No coloque ningún objeto
utilizando un paño suave o
el lápiz que se suministra
con agua sobre la
similar.
con el producto.
superficie.
• Podría producirse un
• De lo contrario, podría
• Podría producirse una
incendio y una alteración
producirse una avería y
avería en el producto.
del producto.
daños en el producto.
LG-NET 1
TX
RX
2
1
DI
LG-NET 2
TX
RX
TX
4
3
LG-NET 3
RX
TX
6
5
LG-NET 4
RX
8
7
TX
10
9
Ext 1
RX
12
11
Ext 2
TX
RX
14
13
16
15
Ethernet 1
ACT
18
17
SELECT
MENU/
LNK
20
19
Ethernet 2
ACT
LNK
Console
TX
RX
2
1
3
DO
Run
4
Power
T
hinner
Wax
LG-NET 1
TX
RX
2
1
DI
LG-NET 2
TX
LG-NET 3
RX
3
TX
4
LG-NET 4
RX
TX
6
5
RX
8
7
10
9
Ext 1
TX
12
11
Ext 2
RX
TX
RX
14
13
16
15
Ethernet 1
ACT
18
17
SELECT
MENU/
LNK
19
Ethernet 2
ACT
20
LNK
Console
TX
RX
2
1
3
DO
Run
4
Power
LG-NET 1
TX
RX
2
1
DI
LG-NET 2
TX
LG-NET 3
RX
3
TX
4
LG-NET 4
RX
6
5
TX
7
RX
8
10
9
Ext 1
TX
12
11
Ext 2
RX
TX
RX
14
13
16
15
17
MENU/
Ethernet 1
ACT
LNK
18
SELECT
ACT
20
19
Ethernet 2
LNK
Console
TX
RX
2
1
3
DO
Run
4
Power
Utilice un adaptador
Evite que objetos metálicos
Sujete el enchufe por la
recomendado.
como collares, monedas,
cabeza al sacarlo.
llaves o relojes, entren en
contacto con la batería,
aunque sea por un momento.
• De lo contrario, podría
• Podría producirse una
• Podría ocasionar una
producirse una avería en
avería en el producto y
descarga eléctrica y
el producto.
lesiones.
daños.
LG-NET 1
TX
RX
2
1
DI
LG-NET 2
TX
LG-NET 3
RX
3
TX
4
LG-NET 4
RX
TX
6
5
RX
8
7
10
9
Ext 1
TX
12
11
Ext 2
RX
TX
RX
14
13
16
15
Ethernet 1
ACT
18
17
MENU/
LNK
SELECT
Ethernet 2
ACT
20
19
LNK
Console
TX
RX
2
1
3
DO
Run
4
Power
LG-NET 1
TX
RX
2
1
DI
LG-NET 2
TX
LG-NET 3
RX
3
TX
4
LG-NET 4
RX
TX
6
5
RX
8
7
10
9
Ext 1
TX
12
11
Ext 2
RX
TX
RX
14
13
16
15
Ethernet 1
ACT
18
17
MENU/
LNK
SELECT
Ethernet 2
ACT
20
19
LNK
Console
TX
RX
2
1
3
DO
Run
4
Power
Precauciones de seguridad
6 BACnet Gateway

Características principales y especificaciones
273mm
180mm
LG-NET 1
TX
RX
LG-NET 2
TX
1
RX
2
DI
LG-NET 3
TX
3
RX
4
LG-NET 4
TX
5
RX
6
7
8
Ext 1
TX
9
RX
10
Ext 2
TX
11
RX
12
13
14
ACT
15
Ethernet 1
LNK
250mm
273mm
16
17
MENU/
SELECT
Ethernet 2
ACT
18
LNK
19
20
Console
TX
RX
Adaptador de CC para la
Cable de alimentación
1
2
DO
Run
3
alimentación
250 V CA, 3 A
4
Power
Entrada: 100~240 V
CA 50/60 Hz 1,5 A
Salida: CC 12 V
3,33 A, 40 W MÁX
57mm
Dimensión de BACnet Gateway
Componentes
Queda excluida toda responsabilidad del fabricante por problemas causados por el uso de
un adaptador no suministrado por él mismo, de modo que no utilice productos ajenos a los
facilitados por dicho fabricante. Para más información sobre el producto aplicable,
contacte con la división de atención del aire de acondicionado de LG System.
PRECAUCIÓN
Características principales y especificaciones
ESPAÑOL
Aviso:
En Australia, adquiera el código de potencia en
su área local.
El código de potencia no se incluye en el
paquete.
Manual del propietario/de instalación 7

Características principales
(1) Configuración del entorno mediante el uso del botón BACnet
Gateway: configuración del entorno de la red
(2) Características integradas del servidor Web
Introduzca la dirección IP de BACnet Gateway en la ventana de dirección con Internet
Explorer sin instalar un programa de ordenador independiente para acceder al servidor Web de
BACnet Gateway para controlar y monitorizar la unidad interior y el ventilador.
• Control de 256 unidades interiores de aire
acondicionado y ventiladores como máximo
• Monitorización del estado de funcionamiento y
errores
Nota: Para más información sobre las características detalladas, consulte la sección de
funcionamiento.
LG-NET 1
TX
RX
LG-NET 2
TX
1
RX
2
DI
3
LG-NET 3
TX
RX
4
LG-NET 4
TX
5
RX
6
7
8
TX
9
Ext 1
RX
10
11
Ext 2
TX
RX
12
13
14
15
Ethernet 1
ACT
16
LNK
17
SELECT
MENU/
18
Ethernet 2
ACT
19
LNK
20
Console
TX
RX
1
2
DO
Run
3
4
Power
MENU/
SELECT
LG-NET 1
TX
RX
2
1
LG-NET 2
TX
DI
RX
3
LG-NET 3
TX
4
RX
5
LG-NET 4
TX
6
RX
8
7
9
Ext 1
TX
10
RX
11
Ext 2
TX
12
RX
14
13
ACT
16
15
Ethernet 1
LNK
18
17
SELECT
MENU/
Ethernet 2
ACT
LNK
20
19
Internet
Console
TX
RX
Internet
Explorer
2
1
3
DO
Run
4
Power
Características principales y especificaciones
8 BACnet Gateway

Características principales y especificaciones
(3) Puede utilizarse junto con el controlador central simple
Puede utilizar BACnet Gateway conectando el controlador central simple de 16 salas al PI485.
(4) Función de detección de incendios
Los incendios se controlan mediante el puerto DI (Puerto DI 4). En caso de incendio, se
desconectan todas las unidades interiores y
Multi V
LG-NET 1
TX
RX
LG-NET 2
TX
2
1
DI
RX
TX
RX
4
3
LG-NET 3
LG-NET 4
RX
6
5
TX
8
7
TX
10
9
Ext 1
RX
Ext 2
TX
12
11
RX
ON
L1 2 3 4
KSDO4H
14
13
16
15
Ethernet 1
ACT
LNK
PI485
18
17
MENU/
19
SELECT
Ethernet 2
ACT
LNK
.......................
20
(0.0) (0.1)
(0.F)
Console
TX
RX
Dirección del
control central
2
1
DO
Run
4
3
Power
........
Multi V
BACnet Gateway
ON
L1 2 3 4
KSDO4H
PI485
(F.0) (F.1)
.......................
(F.F)
Dirección del
control central
Controlador central simple
Características principales y especificaciones
ESPAÑOL
Manual del propietario/de instalación 9

Características principales y especificaciones
Especificaciones (hardware)
1. CPU: PXA256-400 MHz Xscale
2. RAM: 128 MB (32 x 4) SDRAM
3. ROM: 512 KB NOR Flash – Imagen de arranque
128 MB (64 x 2) NAND Flash – Imagen de programa, base de datos, etc.
4. Consola RS-232: Para actualizar (evolucionar) el programa
5. Puerto de comunicación
• Puerto RS-485: Puerto de comunicación 4EA de PI485 (conexión del aire acondicionado y el
ventilador), puerto 2EA RS-485 para la conexión de la unidad exterior (de reserva)
• Puerto de comunicación RS-232: Puerto 1EA para mejorar el programa
• Puerto LAN:1EA para la conexión a Internet (Ethernet 10Base-T Ethernet)
1EA de reserva
6. Puerto de entrada externa: 20EA (por impulsos, CC 12 V) extendido al externo Puerto de salida
externa: Salida digital x 4EA (salida de relé, 5 V) – DO2~4: de reserva
7. LED: 20EA (pantalla de estado de comunicación de RS-485 / pantalla de estado de comunicación
de Ethernet / pantalla de estado de comunicación de RS-232 / pantalla de estado de
funcionamiento y encendido)
8. LCD: 16 x 2 caracteres
Pantalla de información y entorno de red y configuración de dirección IP
Nota: Este producto cumple con la Licencia Pública General (GLP) para el uso del Linux integrado.
10 BACnet Gateway

Denominación para cada componente
Nota: Es posible iniciar o finalizar libremente la unidad interna para la correspondiente señal alta o
baja de cada señal de entrada externa.
1
LG-NET 1
TX
RX
LG-NET 2
TX
2
1
RX
2
DI
LG-NET 3
TX
3
RX
9
4
LG-NET 4
TX
5
RX
6
7
8
Ext 1
TX
9
RX
10
Ext 2
TX
11
RX
3
12
13
14
15
Ethernet 1
ACT
LNK
16
17
MENU/
18
SELECT
Ethernet 2
ACT
4
LNK
19
20
Console
TX
RX
5
1
2
DO
Run
10
3
6
4
Power
7
8
Frontal Lateral derechoLateral izquierdo
1. Botón y LCD para ajustar el entorno de red y mostrar la pantalla
2. Puerto de comunicación RS-485 (4EA) para la conexión del aire acondicionado/ventilador
PI485
3. Terminal de comunicaciones RS-485 (de reserva) para la extensión externa
5. Puerto RS-232: Para actualizar el programa
6. Interruptor de reinicio: Interruptor de reinicio del software
7. Interruptor de encendido/apagado
8. Terminal de conexión del adaptador de CC 12 V
9. Terminales (20 puertos) para la conexión de la señal de entrada externa - terminal de entrada
de CC 0~24 V
10. Terminales (4 puertos) para la conexión de la señal de salida externa: puerto núm. 1 ➝
detección de incendios, otros ➝ de reserva
Características principales y especificaciones
ESPAÑOL
Manual del propietario/de instalación 11

Cómo instalar
Diagrama del sistema
Especificaciones de instalación
• 256 unidades interiores como máximo / 1 BACnet Gateway
• Total 256 Unidades (unidad / Ventilación / DXHRV / AHU) como maximo / 1 BACnet Gateway
• 4 Puertos RS-485 / 1 BACnet Gateway
• 64 unidades PI485 como máximo / 1 puerto RS-485
• 256 unidades interiores como máximo / 1 puerto RS-485. Es recomendable conectarlos divididos en
4 puertos para mejorar el rendimiento de la comunicación.
Nota : Sin embargo, cuando sea necesario cambiar la especificación anterior, póngase en contacto
con la división de atención del aire de acondicionado de LG System.
(1) Al conectar el BMS usando un BACnet Gateway
Concentrador
LAN
(cable directo)
BMS
Multi V
LG-NET 1
TX
RX
........
(sistema de
1
DI
LG-NET 2
TX
2
LG-NET 3
RX
3
TX
00 01
0F
4
5
6
LG-NET 4
RX
TX
RX
7
8
9
Ext 1
TX
RX
gestión de edificios)
10
11
TX
12
Ext 2
RX
13
14
15
16
Ethernet 1
ACT
17
MENU/
LNK
18
19
SELECT
Ethernet 2
ACT
20
LNK
Console
TX
ON
RX
L1 2 3 4
KSDO4H
1
2
3
DO
Run
4
Power
PI485
BACnet Gateway
Multi V
........
10 11 1F
ON
L1 2 3 4
KSDO4H
PI485
Multi V
........
20
21 2F
ON
L1 2 3 4
KSDO4H
PI485
........
F0
Multi
F1
F2
ON
L1 2 3 4
KSDO4H
F3
PI485
Controlador central simple
(puede conectarse si es necesario)
Cómo instalar
12 BACnet Gateway

(2) Al conectar el BMS usando más de un BACnet Gateway (pueden
conectarse 16 unidades como máximo)
Concentrador
LAN
(cable directo)
BMS (sistema de gestión de edificios)
BACnet Gateway
Multi V
. . .
LG-NET 1
TX
00 01
0F
2
1
DI
LG-NET 2
RX
3
LG-NET 3
TX
RX
4
TX
5
LG-NET 4
RX
6
TX
RX
8
7
10
9
Ext 1
TX
12
11
Ext 2
RX
TX
14
13
RX
16
15
ACT
18
17
MENU/
Ethernet 1
20
19
SELECT
Ethernet 2
LNK
ACT
LNK
Console
TX
RX
ON
L1 2 3 4
KSDO4H
2
1
4
3
DO
Run
Power
PI485
Multi V
. . .
10 11 1F
ON
L1 2 3 4
KSDO4H
Controlador
central simple
PI485
(puede conectarse
si es necesario)
Multi V
. . .
LG-NET 1
TX
00
01 2F
2
1
DI
LG-NET 2
RX
TX
4
3
LG-NET 3
RX
TX
RX
6
5
LG-NET 4
TX
7
RX
8
10
9
Ext 1
Ext 2
TX
RX
12
11
TX
14
13
RX
16
15
ACT
LNK
18
17
MENU/
Ethernet 1
ACT
20
19
SELECT
Ethernet 2
LNK
Console
TX
RX
ON
L1 2 3 4
KSDO4H
2
1
4
3
DO
Run
Power
BACnet Gateway
PI485
. . .
F0
Multi
F1
F2
ON
L1 2 3 4
KSDO4H
Controlador
F3
central simple
PI485
(puede conectarse
si es necesario)
Cómo instalar
ESPAÑOL
Manual del propietario/de instalación 13

Cómo instalar
Orden de instalación
(1) Instalación del hardware
■ Ajuste de la unidad interior
Establezca la dirección única para todas las unidades interiores conectadas a BACnet Gateway.
Pueden establecerse dos dígitos hexadecimales 00~FF en la dirección. La dirección puede
establecerse a través del controlador remoto con o sin cableado.
■ Instalación del PI485
Instale un PI485 para cada unidad exterior e instale correctamente el interruptor selector.
Compruebe que parpadea el indicador LED de color rojo tanto como el número de unidades
interiores.
■ Conexión del PI485-BACnet Gateway
Conecte los terminales A y B de PI485 de cada unidad de salida al puerto RS-485 de BACnet
Gateway.
■ Conexión de BACnet Gateway a Internet
Conecte BACnet Gateway al concentrador (Internet) o al ordenador con el cable LAN. Y, a
continuación, ponga en marcha BACnet Gateway.
(2) Instalación del software
■ Cómo ajustar BACnet Gateway
Ajuste BACnet Gateway con el botón y la pantalla LCD.
■ Configuración del entorno de la red de BACnet Gateway
Cuando tenga la dirección IP de BACnet Gateway asignada al administrador de la red, ajuste el
entorno de red como dirección IP de BACnet Gateway con el botón de BACnet Gateway.
(3) Comprobación de la instalación
Una vez instalado BACnet Gateway, es posible comprobar el estado de comunicación del
producto con la función de control/monitorización Web.
14 BACnet Gateway

Instalación del hardware
(1) Ajuste de la dirección de la unidad interior
• Si ha configurado toda la instalación conectando un BACnet Gateway, ajuste la dirección única para
cada unidad interior. (Es recomendable reflejarlo en el plano de instalación.)
• Pueden establecerse dos dígitos hexadecimales 00~FF en la dirección de la unidad interior.
• Para el producto Multi V, con el objetivo de identificar el componente del sistema, le recomendamos
ajustar el número de la unidad exterior al primer dígito de la dirección y el número de la unidad
interior al segundo dígito.
• El producto de ventilación también puede instalarse y controlarse con BACnet Gateway.
(Sin embargo, la dirección del producto de ventilación no puede ajustarse de modo que solape la
dirección del aire acondicionado.)
Número de la unidad interiorNúmero de la unidad exterior
00
Multi V
LG-NET 1
TX
RX
. . .
1
2
3
DI
LG-NET 2
TX
RX
TX
00
01
0F
4
LG-NET 3
5
LG-NET 4
RX
TX
6
RX
7
8
9
TX
10
Ext 1
RX
11
Ext 2
TX
12
RX
13
14
15
16
Ethernet 1
ACT
17
18
MENU/
LNK
19
SELECT
Ethernet 2
ACT
20
LNK
Console
TX
ON
RX
L1 2 3 4
KSDO4H
1
2
3
DO
Run
4
Power
PI485
BACnet Gateway
Multi V
. . .
10 11 1F
ON
L1 2 3 4
KSDO4H
PI485
Multi V
. . .
20
21 2F
ON
L1 2 3 4
KSDO4H
PI485
. . .
F0
Multi
F1
F2
ON
L1 2 3 4
KSDO4H
F3
PI485
Cómo instalar
ESPAÑOL
Manual del propietario/de instalación 15

(2) Instalación PI485
Seleccione tipo de
aparato de aire
Seleccione tipo de red
acondicionado
Seleccione el Tipo de control avanzado
ON
KSDO4H
L1 2 3 4
* LGAP : Protocolo de aire acondicionado LG
ON
ON
ON
ON
ON
Cómo instalar
Métodos de configuración de productos Multi V y Multi (con aplicación LGAP)
➔
1 ON (encendido), el resto OFF (apagado): Productos MultiV (excepto
productos CRUN) o productos Multi (sin inverter) con aplicación PCB
común (Consulte la NOTA) o producto Multi (inverter) + Controlador
central (todos los tipos) – Sin LGAP
➔
1 y 4 ON (encendido), el resto OFF (apagado): Producto MultiV
(excepto productos CRUN) o productos Multi (sin inverter) con
aplicación PCB o producto Multi (inverter) + Controlador central (todos
los tipos) – Con LGAP
➔
2 ON (encendido), el resto OFF (apagado): Producto Multi (sin
inverter) + Controlador central (todos los tipos) – Sin LGAP
➔
2 y 4 ON (encendido), el resto OFF (apagado): Producto Multi sin
inverter + Controlador central (todos los tipos) – Con LGAP
➔
1,2,3,4 ON (encendido): Producto MultiV CRUN + Controlador central
(todos los tipos) - Con LGAP
* Solicite el manual de instalación del controlador central correspondiente si desea saber si su
controlador central es compatible con LGAP.
PRECAUCIÓN:
Un ajuste incorrecto del interruptor del aire acondicionado puede provocar un mal
funcionamiento.
El ajuste de los interruptores debe realizarse con cuidado.
Pulse el botón Reset (resetear) tras cambiar el interruptor selector.
NOTA: Producto Multi (sin inverter) con aplicación PCB común
PCB P/NO. : 6871A20917*
P/NO. : 6871A20918*
P/NO. : 6871A20910*
*Nota: LGAP es un protocolo especial utilizado en el aire acondicionado LG para control central.
16 BACnet Gateway

ON
ON
ON
Cómo instalar
- Para usar la función de bloqueo avanzado (Bloqueo de modo de funcionamiento, de
velocidad de ventilador, de temperatura y de rango de temperatura, ajustables solamente
dentro de unos límites) con el control central, configure el quinto interruptor DIP según el
tipo de producto de exterior.
- En caso de usar la función de bloqueo avanzado, sólo puede usarse el control central
aplicado al LGAP.
ESPAÑOL
➔ 1,4 y 5 ON (ACTIVADO), todos los demás OFF (DESACTIVADO):
Productos MultiV (Excepto productos CRUN) o MPS Inverter +
Control central (todos los tipos) – Usando LGAP
➔ 2,4 y 5 ON (ACTIVADO), todos los demás OFF (DESACTIVADO):
Producto Multi Standard + Control central (todos los tipos) – Usando
LGAP
➔ 1, 2, 3, 4 y 5 ON (ACTIVADO), todos los demás OFF
(DESACTIVADO): Producto Multi CRUN + Control central (todos los
tipos) – Usando LGAP
NOTA : Configuración de bloqueo avanzado
Algunos productos no admiten la función de bloqueo avanzado.
Si este es el caso, el quinto interruptor DIP de PI485 debe estar en la posición ON (ACTIVADO).
En caso de un producto aplicado a la función avanzada, puede procesar la función de bloqueo avanzado sin
activar el quinto interruptor DIP.
Si todas las unidades admiten la función de bloqueo avanzado, es recomendable que el quinto interruptor DIP
quede desactivado, de forma que la función de bloqueo avanzado se procese más rápidamente.
PRECAUCIÓN:
Un ajuste incorrecto del interruptor del aire acondicionado puede provocar un mal
funcionamiento.
El ajuste de los interruptores debe realizarse con cuidado.
Pulse el botón Reset (resetear) tras cambiar el interruptor selector.
Tras configurar los interruptores DIP, deberá reiniciar el PI485.
Manual del propietario/de instalación 17

Cómo instalar
(3) Conexión de PI485 – BACnet Gateway
1. Al conectar uno o más PI485 a un BACnet Gateway, conecte cada BUS-A/BUS-B de otro PI485
para que quede conectado a BUS-A/BUS-B del PI485.
2. Conecte el BUS-A del PI485 al TX de BACnet Gateway y el BUS-B al RX.
• Conecte LG-NET 1~4 a cualquier BACnet Gateway. (Conecte LG-NET al puerto RS-485)
• Pueden conectarse 64 unidades exteriores como máximo a cada puerto 485 de BACnet Gateway
y el número de unidades interiores que deben conectarse a BACnet Gateway es de 256 como
máximo.
Nota: Desconecte el conector del puerto 485 de BACnet Gateway, conecte el BUS-A al TX y el
BUS-B al RX con el controlador (-) y, a continuación, conecte el conector al puerto 485 de
BACnet Gateway. Dado que la línea de comunicación 485 tiene polaridad, conecte la línea de
forma correcta.
18 BACnet Gateway
Multi V
1
LG-NET 1
TX
TX
RX
LG-NET 2
TX
1
RX
2
DI
LG-NET 3
TX
3
RX
RX
ON
L1 2 3 4
KSDO4H
4
LG-NET 4
TX
5
RX
6
7
8
Ext 1
TX
9
RX
10
TX
2
Ext 2
RX
Línea blindada de 0,75 mm
11
12
13
’
14
ACT
PI485
15
Ethernet 1
(Línea de comunicación RS-485)
LNK
16
17
MENU/
18
SELECT
Ethernet 2
ACT
LNK
19
20
Multi V
Console
TX
RX
1
2
DO
Run
3
4
Power
ON
L1 2 3 4
KSDO4H
PI485
Lateral de
BACnet Gateway
Lateral PI485
Multi V
BUS-ATX
RX
BUS-B
ON
L1 2 3 4
KSDO4H
2
PI485

• Si existen demasiadas unidades exteriores, distribuya las líneas a LG-NET 1~4 para mejorar la
velocidad de control.
[Ejemplo para la distribución de las líneas a LG-NET 1 y LG-NET 2]
Manual del propietario/de instalación 19
Multi V
ON
L1 2 3 4
KSDO4H
Multi V
PI485
TX
Multi V
RX
Bus-A
ON
L1 2 3 4
KSDO4H
TX
RX
PI485
ON
L1 2 3 4
KSDO4H
Multi V
PI485
Multi V
ON
L1 2 3 4
KSDO4H
PI485
ON
L1 2 3 4
KSDO4H
Multi V
PI485
ON
L1 2 3 4
KSDO4H
PI485
Bus-A
Bus-A
BUS-B
BUS-A
Bus-A
BUS-B
BUS-A
LG-NET 1
TX
RX
LG-NET 2
TX
1
RX
2
DI
LG-NET 3
TX
3
RX
4
5
LG-NET 4
TX
RX
6
7
8
9
Ext 1
TX
RX
10
Ext 2
TX
11
RX
12
13
14
15
Ethernet 1
ACT
16
LNK
17
MENU/
18
SELECT
Ethernet 2
ACT
19
LNK
20
Console
TX
RX
1
2
DO
Run
3
4
Power
Cómo instalar
ESPAÑOL

• Al utilizar el controlador central simple con BACnet Gateway
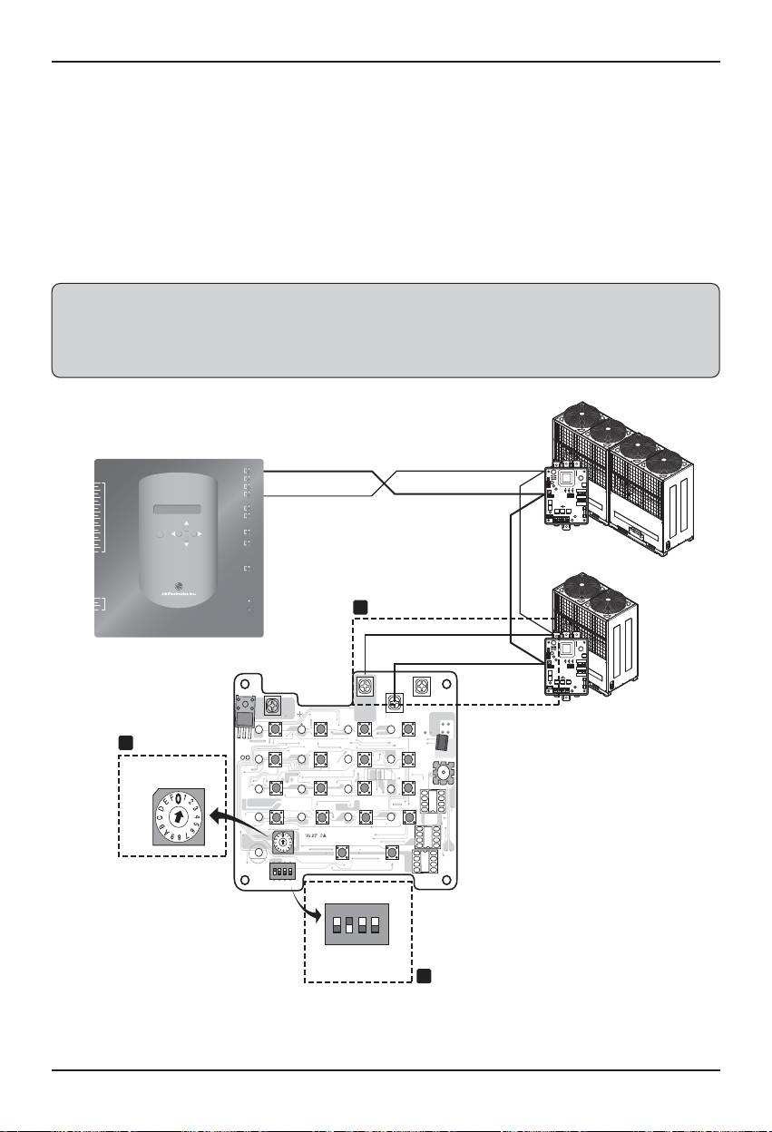
1. Conecte el BUS-A y el BUS-B del PI485 a C y D del controlador central simple.
2. Ajuste el interruptor rotativo al controlador central simple para que coincida con el número de grupo
de la unidad interior que desea controlar.
3. Ajuste el interruptor selector del controlador central simple a OFF (apagado) como esclavo y ajuste
el interruptor selector número 2 a ON (encendido) como modo de uso de LGAP.
Nota: Compruebe la etiqueta LGAP en el lateral derecho de la caja del controlador central simple.
Solamente el producto con la etiqueta puede conectarse a BACnet Gateway al mismo tiempo.
Conecte el VCC y el GND del simple controlador central desde el P1485 o por separado al
adaptador. (Consulte el manual para el controlador central simple.)
Multi V
BUS-B
LG-NET 1
TX
TX
RX
LG-NET 2
TX
1
RX
2
DI
LG-NET 3
TX
3
RX
BUS-A
4
LG-NET 4
TX
RX
RX
ON
5
L1 2 3 4
KSDO4H
6
7
8
Ext 1
TX
9
RX
10
11
Ext 2
TX
RX
12
2
13
Línea blindada de 0,75 mm
14
15
Ethernet 1
ACT
16
LNK
’
17
MENU/
18
SELECT
Ethernet 2
ACT
19
LNK
(Línea de comunicación RS-485)
20
PI485
Console
TX
RX
1
Multi V
2
DO
Run
3
4
Power
1
ON
L1 2 3 4
KSDO4H
CN-POWER
GND
CN-COM B
CN-POWER
CN-COM A
S1
S2
L
S4
PI485
LED2
LED3
LED4
2
IC1P
S5
+
+
S6
+
+
S3
+
Interruptor
LED5
LED7
LED8
TX1
S10
S11
rotativo
+
S9
S12
+
+
Controlador central simple
LED9
LED10
LED11
LED12
+
S14
+
+
S16
+
S15
LED13
LED14
LED15
LED16
PWB:6870A10001A
ASM:6711A20005E
+
S15
S18
LED17
ON
KSDO4H
L1 2 3 4
Ej.) Al controlar la
S19
unidad interior 10~1F,
ON
KSDO4H
ajuste el interruptor a 1.
L1 2 3 4
Interruptor
selector
3
Cómo instalar
20 BACnet Gateway

(4) Conexión de Internet – BACnet Gateway
• En el caso de conectar una puerta de enlace de BACnet a Internet que ya está instalado en el sitio,
debería haber un concentrador ya instalado. Si puede entrelazarse con el sistema BMS usando
Internet y conectando una puerta de enlace de BACnet al Internet que ya está instalado en el sitio:
Utilice el concentrador
Nota: A través del funcionamiento en modo de prueba de la puerta de enlace de BACnet, puede
considerarse si la instalación está o no bien hecha (en lugar de utilizar el concentrador,
conecte la puerta de enlace de BACnet con un cable cruzado)
• Tenga en cuenta el tipo de cable que utiliza (el cable directo o el cable cruzado)
• Antes de realizar la conexión, compruebe si el cable funciona o no de forma correcta a través del
comprobador LAN.
• Una vez conectado el adaptador de CC suministrado, encienda el interruptor de alimentación.
■ En caso de utilizar concentrador
Utilice un cable LAN (cable directo) y conéctelo a Ethenet1 de la puerta de enlace de BACnet
(Ethernet2 es de reserva)
■ En caso de no utilizar concentrador
(para comprobar el estado de comunicación con la función de control/monitorización Web del sitio)
Utilice un cable LAN (cable cruzado) y conéctelo a Ethenet1 de la puerta de enlace de BACnet
(Ethernet2 es de reserva)
Nota: Si desconoce los detalles de la función de control/monitorización Web, consulte la sección de
control/monitorización Web
LG-NET 1
TX
RX
LG-NET 2
TX
2
1
RX
DI
LG-NET 3
TX
4
3
RX
RS-485 port
5
LG-NET 4
TX
RX
6
8
7
TX
10
9
Ext 1
RX
11
Ext 2
TX
RX
Ethernet 1
12
14
13
Ethernet 1
ACT
16
15
LNK
MENU/
18
17
SELECT
Ethernet 2
ACT
19
LNK
Puerto
20
Ethernet
Console
TX
RX
Cable LAN (cable directo)
Puerto de
la consola
Concentrador
2
1
DO
Run
4
3
Power
Interruptor de
encendido y
puerto de
alimentación
LG-NET 1
TX
RX
LG-NET 2
TX
2
1
RX
DI
TX
3
LG-NET 3
RX
RS-485 port
4
TX
5
LG-NET 4
RX
6
8
7
Ext 1
TX
9
RX
10
Ext 2
TX
RX
Ethernet 1
12
11
14
13
15
Ethernet 1
ACT
16
LNK
17
SELECT
MENU/
18
Ethernet 2
ACT
Puerto
19
LNK
20
Ethernet
Console
TX
RX
Cable LAN (cable cruzado)
Puerto de
la consola
2
1
DO
Run
4
3
Power
Interruptor de
encendido y
puerto de
alimentación
Conecte el adaptador de CC
Cómo instalar
ESPAÑOL
Manual del propietario/de instalación 21

Instalación del software
(1) Cómo ajustar BACnet Gateway
La siguiente información debería ajustarse para utilizar BACnet Gateway
• Entorno de red de BACnet Gateway, ajuste de la dirección IP, dirección de la puerta de enlace y
dirección de la máscara de red
■ Orden de configuración
1. Encienda BACnet Gateway.
(La siguiente pantalla aparecerá en la pantalla LCD de BACnet Gateway unos 5 segundos después
de encenderla.)
[Pantalla LCD] [Pantalla de puesta en marcha]
• El núm. de la versión de software podría
diferir según la fecha de fabricación.
2.Pulse el botón "MENU/SELECT" de BACnet Gateway para entrar al modo de configuración de
entorno.
• Menú visualiza en pantalla al pulsar
el botón "MENU/SELECT" por
primera vez.
LG-NET 1
TX
RX
LG-NET 2
TX
1
RX
2
DI
LG-NET 3
TX
3
RX
4
LG-NET 4
TX
5
RX
6
7
8
Ext 1
TX
Pantalla LCD
9
RX
10
Ext 2
TX
11
RX
12
13
14
ACT
15
Ethernet 1
LNK
Botón BACnet Gateway
16
17
MENU/
ACT
18
SELECT
Ethernet 2
LNK
19
20
Console
TX
RX
1
2
DO
Run
3
4
Power
BACnet Gateway
LG Electronics
wait for booting
SW Ver.1.0.0
MENU/
SELECT
Setting
Information
Cómo instalar
22 BACnet Gateway

3. Una vez seleccionado el modo "Setting" (Configuración) usando el botón arriba/abajo (▲, ▼),
utilice el botón izquierda/derecha (◀, ▶) para seleccionar la función que desee.
Introduzca la dirección IP Introduzca la dirección de la
Introduzca la máscara de red
puerta de enlace
Entre en [Set BACnet Type]
(Configuraci_n de tipo de
BACnet)
4. Pulse el botón "MENU/SELECT" y seleccione la función deseada para entrar en la ventana de
configuración del modo mencionado.
Nota: La LG BACnet Gateway admite pasarelas de dos tipos, dependiendo de la selección del tipo
“A” y el tipo “B”.
El tipo “A” admite varios dispositivos por dirección IP y el tipo “B” admite solamente un
dispositivo por dirección IP.
Una vez haya preguntado al ingeniero de BMS acerca de si usar un dispositivo o varios por
dirección IP, seleccione "Set BACnet Type" (Configuración de tipo de BACnet) en la LG
BACnet Gateway
MENU/
SELECT
[MENU]
[MENU]
[MENU]
Set IP address
Set GW address
Set Netmask
[MENU]
Set BACnet Type
Cómo instalar
ESPAÑOL
Manual del propietario/de instalación 23

(2) Configuración del entorno de red de BACnet Gateway
• Cuando tenga la dirección IP de BACnet Gateway asignada desde el administrador de la red, utilice
el botón de BACnet Gateway para configurar la dirección IP y el entorno de red de BACnet
Gateway.
■ Procedimiento de configuración
• Ajuste la dirección IP
• Introduzca la dirección de la puerta de enlace
• Introduzca la máscara de red
• Entre en [Set BACnet Type] (Configuración de tipo de BACnet)
• Compruebe el ajuste del entorno de red
Nota: Si no se introducen los elementos anteriores, resulta imposible controlar BACnet Gateway o
se produce un mal funcionamiento, de modo que asegúrese de introducirlos todos
correctamente.
1. Setting the IP address
①
Primero, pulse el botón "MENU/SELECT" (MENÚ/SELECCIONAR) de la BACnet Gateway y seleccione
el menú "Setting" (Configuración). Cuando aparezca el menú siguiente en la pantalla LCD de BACnet
Gateway, pulse de nuevo el botón "MENU/SELECT" para introducir la dirección IP.
② Utilice el botón arriba/abajo/izquierda/derecha (▲,▼,◀,▶) para seleccionar la dirección deseada.
③ Tras introducir la última dirección, pulse el botón "MENU/SELECT" para ajustar la dirección
introducida a la dirección IP. (Si no hay entrada del botón "MENU/SELECT" durante 5 segundos,
se ignora el valor ajustado para volver a la dirección existente.
MENU/
SELECT
[Pantalla LCD]
[MENU]
[Set IP address]
Set IP address
192.168.000.000
MENU/
SELECT
[Ejemplo de ajuste de la dirección de la puerta de enlace
[Set IP address]
165.186.002.101
MENU/
SELECT
[Pantalla LCD tras completar la configuración]
BACnet Gateway
SW ver. 1.0.0
Cómo instalar
24 BACnet Gateway

