MB QUART PAB 2100: APPLICATIONS DE L‘AMPLIFICATEURAmplifi cateur 4 canaux PAB 4100
APPLICATIONS DE L‘AMPLIFICATEURAmplifi cateur 4 canaux PAB 4100: MB QUART PAB 2100
38
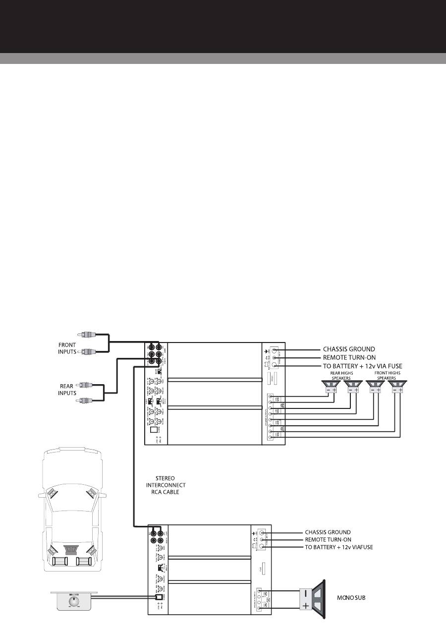
MBQR-1
Passe-haut avant/arrière avec utilisation d‘un
amplifi cateur 2 voies pour le subwoofer mono
Grâce à la combinaison d‘un amplifi cateur 2 voies avec un amplifi cateur 4
voies, il est facile d‘assembler, en utilisant les fi ltres intégrés, un système
complet avec aiguës en face avant/arrière et subwoofer mono.
Check-list pour les connexions par câble:
- Utilisez des câbles Cinch hauts de gamme pour relier les sorties en face
avant et en face arrière d‘un appareil de commande conformément à
l‘illustration avec les entrées (LINE IN) de l‘amplifi cateur 4 canaux.
- De même, brancher le connecteur LINE OUT de l‘amplifi cateur 4 ca-
naux, toujours conformément à l‘illustration, sur le raccord LINE INPUT de
l‘amplifi cateur 2 canaux.
Raccordement du subwoofer mono:
Brancher le terminal de raccordement positif du haut-parleur mono sur le
raccord „LEFT +“ ainsi que le terminal négatif sur le raccord „RIGHT -“.
Check-list pour le réglage des commutateurs de fi ltre:
Amplifi cateur d‘aiguës 4 canaux:
Amplifi cateur de graves 2 canaux:
- 1/2 CH X-OVER: Position „HI“
- Contrôleur X-OVER: Position „LP/BP“
- 3/4 CH X-OVER: Position „HI“
Check-list pour le réglage des régulateurs de la fréquence
de recouvrement:
Amplifi cateur d‘aiguës 4 canaux:
Canaux 1/2:
Canaux 3/4:
- HI PASS: 100 Hz
- HI PASS: 100 Hz
- LOW PASS: non applicable
- LOW PASS: non applicable
Amplifi cateur de graves 2 canaux:
- HI PASS (fi ltre subsonique): 10 Hz à 40 Hz
- LOW PASS: 100 Hz
Veuillez tenir compte du fait que ces fréquences de coupure constituent
uniquement des propositions. Vérifi er les spécifi cations du fabricant pour les
haut-parleurs et lire le chapitre „Réglage de l‘installation pour obtenir les
meilleures performances possibles“.
Check-list pour les régulateurs LEVEL:
Consulter le chapitre „Réglage de l‘installation pour obtenir les meilleures
performances possibles“.
Minimum pour les impédances globales du haut-parleur:
- 2 ohms par canal dans le mode stéréo.
- 4 ohms dans le mode mono ponté.
APPLICATIONS DE L‘AMPLIFICATEUR Amplifi cateur 4 canaux PAB 4100
Оглавление
- IndexENGLISH
- English System design GENERAL INSTALLATION NOTES Installation
- AMPLIFIER FEATURE DESCRIPTION
- Premium Mono Amplifier AMPLIFIER FEATURE DESCRIPTION English
- AMPLIFIER APPLICATIONSPAB 2100 2-Channel Amplifi er
- English
- 4 channel full range system
- English
- Front/rear high pass, using a 2 channel amplifi er for mono sub bass
- English
- 3 way active, with mono bass
- English
- Troubleshooting a systemAFTER INSTALLATION Setting up systems after installation for best performance
- AFTER INSTALLATION
- DEUTSCH Inhaltsverzeichnis
- Deutsch SystemauslegungALLGEMEINE INSTALLATIONSANWEISUNGEN Installation
- Premium Mehrkanal-Verstärker
- Deutsch Premium Mono-Verstärker
- VERSTÄRKERANWENDUNGENPAB 2100 2-Kanal-Verstärker
- Deutsch
- VERSTÄRKERANWENDUNGENPAB 4100 4-Kanal-Verstärker
- Deutsch
- VERSTÄRKERANWENDUNGENPAB 4100 4-Kanal-Verstärker
- Deutsch
- VERSTÄRKERANWENDUNGENPAB 5400 5-Kanal-Verstärker
- Deutsch
- Einstellen der Anlage nach Installation zum Erzielen der besten LeistungNACH DER INSTALLATION
- Deutsch NACH DER INSTALLATION
- FRANÇAIS Sommaire
- Français Conception du système CONSIGNES D‘INSTALLATION GÉNÉRALES Installation
- Amplificateur multicanal Premium
- Français Amplificateur mono Premium
- APPLICATIONS DE L‘AMPLIFICATEURAmplifi cateur 2 canaux PAB 2100
- Français
- APPLICATIONS DE L‘AMPLIFICATEURAmplifi cateur 4 canaux PAB 4100
- Français
- APPLICATIONS DE L‘AMPLIFICATEURAmplifi cateur 4 canaux PAB 4100
- Français
- APPLICATIONS DE L‘AMPLIFICATEURAmplifi cateur 5 canaux PAB 5400
- Français
- Réglage de l‘installation pour obtenir les meilleures performances possibles APRÈS L‘INSTALLATION
- Français
- ESPAÑOL Índice
- Español Diseño del sistemaINSTRUCCIONES GENERALES PARA LA INSTALACIÓN Instalación
- Amplificador multicanal Premium
- Español Amplificador mono Premium
- APLICACIONES DEL AMPLIFICADORAmplifi cador de 2 canales PAB 2100
- Español
- APLICACIONES DEL AMPLIFICADORAmplifi cador de 4 canales PAB 4100
- Español
- APLICACIONES DEL AMPLIFICADORAmplifi cador de 4 canales PAB 4100
- Español
- APLICACIONES DEL AMPLIFICADORAmplifi cador de 5 canales PAB 5400
- Español
- Ajuste del equipo después de la instalación para obtener el mejor rendimiento DESPUÉS DE LA INSTALACIÓN
- Español
- ITALIANO Indice
- Italiano System designISTRUZIONI GENERALI PER L’INSTALLAZIONE Installazione
- Amplificatore a più canali Premium
- Italiano Amplificatore Mono Premium
- MODALITÀ D’USO DELL’AMPLIFICATOREAmplifi catore PAB 2100 a due canali
- Italiano
- MODALITÀ D’USO DELL’AMPLIFICATOREAmplifi catore a quattro canali PAB 4100
- Italiano
- MODALITÀ D’USO DELL’AMPLIFICATOREAmplifi catore a quattro canali PAB 4100
- Italiano
- MODALITÀ D’USO DELL’AMPLIFICATOREAmplifi catore a 5 canali PAB 5400
- Italiano
- Impostazione del sistema dopo l’installazione per ottenerne il massimo rendimento.DOPO L’INSTALLAZIONE
- Italiano
- PУССКИЙ Содержание
- Pусский Конструктивные параметры системы/Дизайн системыОБЩИЕ УКАЗАНИЯ ПО МОНТАЖУ Монтаж
- Многоканальный усилитель Premium
- Pусский Моно-усилитель Premium
- ПРИМЕНЕНИЯ УСИЛИТЕЛЕЙ2-КАНАЛЬНЫЙ УСИЛИТЕЛЬ PAB 2100
- Pусский
- ПРИМЕНЕНИЯ УСИЛИТЕЛЕЙ4-КАНАЛЬНЫЙ УСИЛИТЕЛЬ PAB 4100
- Pусский
- ПРИМЕНЕНИЯ УСИЛИТЕЛЕЙ4-КАНАЛЬНЫЙ УСИЛИТЕЛЬ PAB 4100
- Pусский
- ПРИМЕНЕНИЯ УСИЛИТЕЛЕЙ5-КАНАЛЬНЫЙ УСИЛИТЕЛЬ PAB 5400
- Pусский
- Настройка системы после монтажа для получения наилучшего эффекта звучания
- Pусский
- TECHNICAL DATA
- TECHNISCHE DATEN
- PAB 2100 / PAB 4100 / PAB 5400 / PAB 1200.1 D

