Brennenstuhl Solar LED-light Premium SOL LH1205 P2 IP44 with PIR sensor 12xLED 0,5W 480lm Cable length 4,75m Colour Anthracite: NÁVOD K INSTALACI A POUŽÍVÁNÍ PŘÍSTROJE
NÁVOD K INSTALACI A POUŽÍVÁNÍ PŘÍSTROJE: Brennenstuhl Solar LED-light Premium SOL LH1205 P2 IP44 with PIR sensor 12xLED 0,5W 480lm Cable length 4,75m Colour Anthracite
30
Děkujeme pěkně, že jste se rozhodli pro zakoupení tohoto
produktu.
Před prvním uvedením do provozu se důvěrně seznamte s
produktem. Přečtěte si k tomu pozorně následující návod k
obsluze a bezpečnostní pokyny. Používejte přístroj pouze tak,
jak je zde popsáno, a v uvedených oblastech používání.
Uschovejte tento návod. Při odevzdání přístroje třetím osobám
přiložte k přístroji všechny podklady.
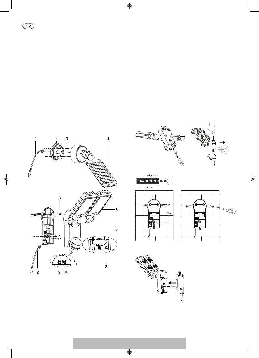
SEZNAM SOUČÁSTEK:
1
Držák solárního panelu
2
Spojovací kabel solárního panelu
3
Montážní šrouby pro solární modul a hlavní jednotku (5x)
4
Solární modul
5
Hlavní jednotka
6
Jednotka LED
7
Hlásič pohybu
8
Vypínač ON / OFF
9
Regulace doby svícení
10
Regulace reakční citlivosti
PRVNÍ NABITÍ SOLÁRNÍ LAMPY
Dříve, než spustíte solární lampu do provozu, musíte nejdříve
nabít lampu pomocí solárního modulu.
Spojte kabel solárního modulu s hlavní jednotkou.
Vypínač ON/ OFF na hlavní jednotce se musí nacházet v poloze
VYP. Umístěte solární modul na místo, kde bude vystaven co
možná nejdéle přímému slunečnému záření. Respektujte také
pokyny k vhodným montážním místům uvedené v následující
kapitole.
Vždy podle ročního období, počasí a polohy solárního modulu
může trvat nabíjení až do 4 dnů, dokud budete moci spustit
lampu do provozu.
VHODNÁ MONTÁŽNÍ MÍSTA PRO SOLÁRNÍ LAMPU A SOLÁRNÍ
MODUL
Hlavní jednotka:
Hlavní jednotka obsahuje lampu, hlásič pohybu a akumulátor.
Myslete při montáži hlavní jednotky na to, že kontrolní rozsah
hlásiče pohybu je vždy podle výšky montáže max. 180° při
dosahu max. 10 metrů.
Při montáži na stabilní podklad, jako jsou např. zdi, použijte
šrouby přiložené v balíku (pol. 3 ze seznamu součástek). V závi-
slosti od podkladu musíte používat vhodné šrouby a hmoždinky.
Montáž:
• Uvolněte šroub (obrázek 1) držáku na stěnu
• Stiskněte tlačítko k odblokování na horní straně (obrázek 2) a
otevřete těleso zatažením za lamelu držáku na stěnu
• Dávejte pozor, aby se při vrtání montážních otvorů do zdi
nebo upevňování šroubů nepoškodili žádné existující kabely
nebo rozvody
Obrázek
1
Obrázek
2
Obrázek
3
Obrázek
4
Obrázek
5
NÁVOD K INSTALACI A POUŽÍVÁNÍ PŘÍSTROJE
SOL SV0805 P1 IP 44, SOL LV0805 P1 IP44, SOL SV0805 P2 IP44,
SOL LV0805 P2 IP44, SOL SV1205 P2 IP44, SOL LV1205 P2 IP44
043413 SOL SH_LH Doppelstrahler 17.05.13 18:47 Seite 30
31
Obrázek
6
Obrázek
7
Solární modul:
Solární modul je hlavním zdrojem proudu solární lampy.
Mění slunečné světlo na elektrický proud a nabíjí akumulátor.
Myslete při montáži solárního modulu na to, že solární buňka
potřebuje pokud možno PŘÍMÉ SLUNEČNÉ SVĚTLO. Čím déle je
solární buňka vystavena slunečnému záření, o to delší může být
byť lampa v provozu. Solární modul by měl podle možností
směrovat na jih, aby bol vystaven přímému slunečnému záření.
Zamezte jakémukoli zastínění. Ve Střední Evropě doporučujeme
úhel sklonu cca 30° až 40°. Použijte šrouby přiložené v balíku
(pol. 3 ze seznamu součástek), abyste namontovali solární modul
na pevný podklad nebo zeď. V závislosti od podkladu musíte
používat vhodné šrouby a hmoždinky.
Obrázek
8
Obrázek
9
Obrázek
10
Obrázek
11
Obrázek
12
Pak přesuňte kabel ze solární buňky k hlavní jednotce a spojte
kabel hlavní jednotky a solární buňky pomocí zástrčky a zásuvky.
NASTAVENÍ A UVEDENÍ DO PROVOZU
Po úspěšné instalaci solární lampy můžete nastavit přístroj
pomocí několika jednoduchých kroků.
Důležité:
Ujistěte se, že solární lampa byla nabita tak, jak je to popsáno v
kapitole „První nabití solární lampy“ ještě předtím, než zapnete
solární lampu.
Na hlavní jednotce se nachází vypínač s dvěma možnostmi
nastavení:
ON:
Poloha pro provoz s hlásičem pohybu.
OFF:
Vypíná funkci hlásiče pohybu / LED lampy. Poloha pro
nabíjení.
Nastavení hlásiče pohybu
Přepněte vypínač po dosažení základního nabití do polohy ON
Nasměrujte hlásič pohybu tím směrem, odkud chcete zazname-
návat pohyby. Nastavte regulátor
na zadní straně hlásiče
pohybu na „Minimum“ (-) a regulátor LUX do polohy „světlá“ (
).
Zkontrolujte rozsah zaznamenávání pohybu tak, že pomalu
přejdete po celé kontrolované oblasti. Pokud nebude solární
lampa fungovat podle vašich představ, musíte přizpůsobit
nastavení směru hlásiče pohybu.
Na hlásiči pohybu se nachází dva regulátory:
(TIME) = doba svícení: Dobu, během které zůstane lampa po
identifikaci pohybu zapnutá, lze nastavit v časovém intervalu od
TIME
LUX
043413 SOL SH_LH Doppelstrahler 17.05.13 18:47 Seite 31
32
cca 10 sekund až po 1 minutu. Otáčejte regulátor TIME ve směru
(+), abyste zvýšili dobu svícení, nebo ve směru (-), abyste snížili
dobu svícení.
Pozor:
Nastavená doba začne fungovat po aktivaci hlásiče
pohybu. S každou následující identifikací pohybu začne tento
časový interval od začátku.
/
(LUX) = citlivost reakce: Pomocí regulátoru LUX lze nastavit
okolní světlost, při které se bude přístroj provozovat. Zamezíte
tak tomu, aby začala lampa svítit při denním světle. V poloze (
)
se bude zapínat lampa přes den a v noci, zatím co v poloze (
) se
bude zapínat pouze v noci. Pomocí regulátora LUX můžete nas-
tavit požadovanou intenzitu světla, s kterou se bude provozovat
vaše jednotka.
VÝMĚNA AKUMULÁTORU
Pozor:
Pokud měníte akumulátor, musí byť přepnutý vypínač
světelné jednotky v poloze OFF a zástrčka solárního modulu
vytažena z hlavní jednotky. K výměně akumulátorů otevřete
těleso hlavní jednotky tak, jak je to popsáno v kapitole „Hlavní
jednotka“ na obrázku 1 a 2 Odstraňte akumulátory z držáku a
vyměňte je za nové akumulátory. Pokud je to možné, nabijte
nejdříve akumulátory běžnou obchodnou nabíječkou na
akumulátory 1,2 V AA Ni-MH. Pokud není možné nabití
prostřednictvím nabíječky, přečtěte si kapitolu „PRVNÍ NABITÍ
SOLÁRNÍ LAMPY“.
Sestavte přístroj opět v obráceném pořadí.
Pozor:
Dávejte pozor při vkládání akumulátoru na správnou
polaritu. Přístroj a akumulátory by se mohly při nesprávné
polaritě poškodit.
VŠEOBECNÉ BEZPEČNOSTNÍ POKYNY
Nepoužívejte jiný než dodávaný solární modul.
1. Používání jiného solárního modulu by mohlo vést k zraněním
nebo poškození lampy a zániku nároku na záruku.
2. Uložte kabel tak, aby bol bezpečně upevněný a nemohl
představovat žádné nebezpečí (např. nebezpečí zakopnutí).
Pokud je kabel poškozený nebo defektní, nemůžete dále
používat solární lampu.
ČIŠTĚNÍ
Udržujte hlásič pohybu bez prachu a usazenin nečistoty tak, že
jej příležitostně utřete navlhčeným hadříkem. Nepoužívejte k
čištění přístroje žádné chemikálie nebo drhnoucí prostředky.
Mimo to se musíte ujistit, že se solární modul udržuje neustále
bez nečistot a usazenin. Znečištěná solární buňka nedokáže
úplně nabít akumulátor. Mohlo by to vést k předčasné amorti-
zaci akumulátoru a nepovoleným funkcím přístroje.
USKLADNĚNÍ
Dodržujte tyto kroky, pokud chcete uskladnit lampu na více než
dva nebo tři dny v domě tak, abyste zamezili poškození baterie:
1. Přepněte vypínač do polohy OFF.
2. Uskladněte lampu a solární modul tam, kde se každý den do-
stanou na slunečné nebo denní světlo. Akumulátor potřebuje
světlo, aby si zachoval nabitý stav během skladování.
3. Během delšího uskladnění musíte každé čtyři měsíce úplně
nabít jednotku. Abyste zachovali plnou výkonnost přístroje,
neskladujte jej příliš dlouhou dobu.
PROVOZNÍ ZÁVADY
(ZÁVADA / PŘÍČINA
➔
ODSTRANĚNÍ)
Lampa se nezapíná při pohybech v kontrolované oblasti.
Možná řešení:
Ujistěte se, že:
- Vypínač se nachází v poloze „ON“.
- Regulátor LUX není nastavený příliš daleko ve směru (
).
- Hlásič pohybu je nastavený tak, aby bylo možno identifikovat
pohyby.
- Solární buňka je nastavená tak, aby dostávala přes den co
možná nejvíce slunečného světla.
- Nabití akumulátorů není příliš nízké (nabíjet během 3-4
slunečných dnů, s vypínačem v poloze OFF).
Lampa se zapíná přes den.
Možná řešení:
Ujistěte se, že regulátor LUX není nastavený příliš daleko ve
směru (
).
Pro další informace vám doporučujeme oblast Servis/FAQ na
naší internetové stránce www.brennenstuhl.com.
TECHNICKÁ DATA:
Akumulátor :
SOL SV0805 P1 IP44, SOL LV0805 P1 IP44,
SOL SV0805 P2 IP44, SOL LV0805 P2 IP44:
3 x 1,2 V / 2200 mAh Ni-MH nabíjecí baterie
SOL SV1205 P2 IP44, SOL LV1205 P2 IP44:
3 x 1,2 V / 2500 mAh Ni-MH nabíjecí baterie
Solární modul:
SOL SV0805 P1 IP44, SOL LV0805 P1 IP44:
190 x 115 mm
SOL SV0805 P2 IP44, SOL LV0805 P2 IP44,
SOL SV1205 P2 IP44, SOL LV1205 P2 IP44:
220 x 190 mm
Počet LED:
SOL SV0805 P1 IP44, SOL LV0805 P1 IP44,
SOL SV0805 P2 IP44, SOL LV0805 P2 IP44:
8 x 0,5 W
SOL SV1205 P2 IP44, SOL LV1205 P2 IP44:
12 x 0,5 W
Doba svícení:
nastavitelná od cca 10 sekund až po 1 minutu
Kontrolní úhel:
180° horizontální
Dosah:
max. 10 metrů
Citlivost reakce:
nastavitelná od denního po noční světlo
Druh ochrany:
IP44
Teplota okolí:
-15 °C - +45 °C
LIKVIDACE
Odstraňujte elektrické přístroje ekologickým způsobem!
Elektrické spotřebiče nepatří k domovnímu odpadu.
Podle Evropské směrnice 2012/19/EU o elektrických a
elektronických starých přístrojích se musí opotřebené elektro-
spotřebiče shromáždit zvlášť a odvést k ekologicky nezávadné
recyklaci O možnostech likvidace vysloužilých přístrojů se
můžete informovat u svého obecního nebo městského úřadu.
Ekologické škody způsobené nesprávnou likvidací baterií a
akumulátorů!
Baterie a akumulátory nepatří k domovnímu odpadu. Můžou
obsahovat těžké kovy a podléhají manipulaci se zvláštním
odpadem. Odevzdejte proto opotřebované baterie v komunální
sběrně odpadových surovin.
043413 SOL SH_LH Doppelstrahler 17.05.13 18:47 Seite 32
Оглавление
- INSTRUKCJA INSTALACJI I OBSŁUGI
- NÁVOD K INSTALACI A POUŽÍVÁNÍ PŘÍSTROJE
- TELEPÍTÉSI ÉS KEZELÉSI UTASÍTÁS
- KURULUM VE KULLANMA KILAVUZU
- ΟΔΗΓΙΕΣ ΕΓΚΑΤΑΣΤΑΣΗΣ ΚΑΙ ΧΡΗΣΗΣ
Топ 10 инструкций
Другие инструкции
Brennenstuhl Solar LED-light Premium SOL LH0805 P1 IP44 with PIR sensor 8xLED 0,5W 320lm Cable length 4,75m Colour Anthracite
Brennenstuhl Solar LED-light Premium SOL LH0805 P2 IP44 with PIR sensor 8xLED 0,5W 320lm Cable length 4,75m Colour Anthracite
Brennenstuhl Solar LED-spot Duo Premium SOL SV0805 P1 IP44 with PIR sensor 8xLED 0,5W 320lm Cable length 4,75m Colour Anthracite
Brennenstuhl Solar LED-spot Duo Premium SOL SV0805 P2 IP44 with PIR sensor 8xLED 0,5W 320lm Cable length 4,75m Colour Anthracite
