MB QUART PAB 4100: VERSTÄRKERANWENDUNGENPAB 4100 4-Kanal-Verstärker
VERSTÄRKERANWENDUNGENPAB 4100 4-Kanal-Verstärker: MB QUART PAB 4100
24
MBQR-1
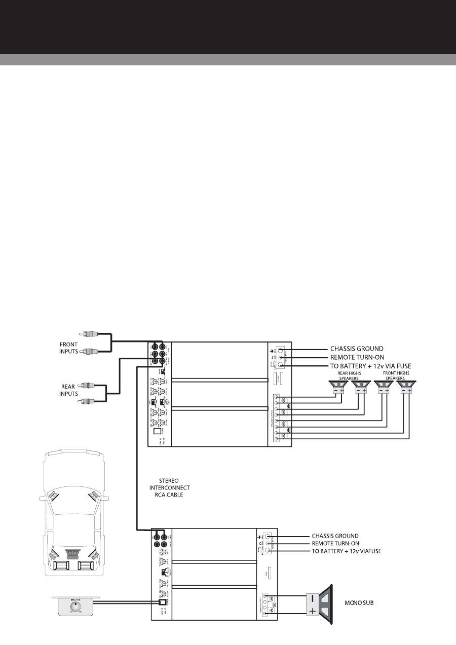
Front-/Heck-Hochpass unter Verwendung eines
2-Wege-Verstärkers für den Mono-Subwoofer
Durch Kombination eines 2-Wege- mit einem 4-Wege-Verstärker unter
Nutzung der darin integrierten Weichen ist es ein Leichtes, ein komplettes
System mit Front- und Heck-Höhen und Mono-Subwoofer zusammen–
zustellen.
Checkliste für die Kabelverbindungen:
- Unter Verwendung von qualitativ hochwertigen Cinchkabeln die vorderen
und hinteren Ausgänge eines Steuergerätes gemäß Abbildung mit den
Eingängen (LINE IN) des 4-Kanal-Verstärkers verbinden.
- Ebenso den LINE OUT-Anschluss des 4-Kanal-Verstärkers gemäß Abbildung
an den LINE INPUT-Anschluss des 2-Kanal-Verstärkers anschließen.
Anschluss des Mono-Subwoofers:
Das positive Anschlussterminal des Mono-Lautsprechers an Anschluss
„LEFT +“ anschließen, das negative Terminal an Anschluss „RIGHT -“.
Checkliste für die Einstellung der Weichenschalter:
4-Kanal-Höhenverstärker:
- 1/2 CH X-OVER: Position „HI“
- 3/4 CH X-OVER: Position „HI“
2-Kanal-Bassverstärker:
- X-OVER-Schalter: Position „LP/BP“
Checkliste für die Einstellung der Übergangsfrequenzregler:
4-Kanal-Höhenverstärker:
Kanäle 1/2:
Kanäle 3/4:
- HI PASS: 100 Hz
- HI PASS: 100 Hz
- LOW PASS: nicht zutreffend
- LOW PASS: nicht zutreffend
2-Kanal-Bassverstärker:
- HI PASS (Subsonic-Filter): 10 Hz bis 40 Hz
- LOW PASS: 100 Hz
Bitte beachten, dass diese Trennfrequenzen nur Vorschläge darstellen. Die
Herstellerspezifi kationen für die Lautsprecher überprüfen und den Abschnitt
„Einstellung der Systeme nach Installation zum Erzielen der besten Leistung“
lesen.
Checkliste für die LEVEL-Regler:
Siehe Abschnitt „Einstellen der Systeme nach Installation zum Erzielen der
besten Leistung“
Minimum für die Gesamt-Lautsprecherimpedanzen:
- 2 Ohm je Kanal im Stereo-Betrieb.
- 4 Ohm in gebrückter Mono-Schaltung.
VERSTÄRKERANWENDUNGEN PAB 4100 4-Kanal-Verstärker
Оглавление
- IndexENGLISH
- English System design GENERAL INSTALLATION NOTES Installation
- AMPLIFIER FEATURE DESCRIPTION
- Premium Mono Amplifier AMPLIFIER FEATURE DESCRIPTION English
- AMPLIFIER APPLICATIONSPAB 2100 2-Channel Amplifi er
- English
- 4 channel full range system
- English
- Front/rear high pass, using a 2 channel amplifi er for mono sub bass
- English
- 3 way active, with mono bass
- English
- Troubleshooting a systemAFTER INSTALLATION Setting up systems after installation for best performance
- AFTER INSTALLATION
- DEUTSCH Inhaltsverzeichnis
- Deutsch SystemauslegungALLGEMEINE INSTALLATIONSANWEISUNGEN Installation
- Premium Mehrkanal-Verstärker
- Deutsch Premium Mono-Verstärker
- VERSTÄRKERANWENDUNGENPAB 2100 2-Kanal-Verstärker
- Deutsch
- VERSTÄRKERANWENDUNGENPAB 4100 4-Kanal-Verstärker
- Deutsch
- VERSTÄRKERANWENDUNGENPAB 4100 4-Kanal-Verstärker
- Deutsch
- VERSTÄRKERANWENDUNGENPAB 5400 5-Kanal-Verstärker
- Deutsch
- Einstellen der Anlage nach Installation zum Erzielen der besten LeistungNACH DER INSTALLATION
- Deutsch NACH DER INSTALLATION
- FRANÇAIS Sommaire
- Français Conception du système CONSIGNES D‘INSTALLATION GÉNÉRALES Installation
- Amplificateur multicanal Premium
- Français Amplificateur mono Premium
- APPLICATIONS DE L‘AMPLIFICATEURAmplifi cateur 2 canaux PAB 2100
- Français
- APPLICATIONS DE L‘AMPLIFICATEURAmplifi cateur 4 canaux PAB 4100
- Français
- APPLICATIONS DE L‘AMPLIFICATEURAmplifi cateur 4 canaux PAB 4100
- Français
- APPLICATIONS DE L‘AMPLIFICATEURAmplifi cateur 5 canaux PAB 5400
- Français
- Réglage de l‘installation pour obtenir les meilleures performances possibles APRÈS L‘INSTALLATION
- Français
- ESPAÑOL Índice
- Español Diseño del sistemaINSTRUCCIONES GENERALES PARA LA INSTALACIÓN Instalación
- Amplificador multicanal Premium
- Español Amplificador mono Premium
- APLICACIONES DEL AMPLIFICADORAmplifi cador de 2 canales PAB 2100
- Español
- APLICACIONES DEL AMPLIFICADORAmplifi cador de 4 canales PAB 4100
- Español
- APLICACIONES DEL AMPLIFICADORAmplifi cador de 4 canales PAB 4100
- Español
- APLICACIONES DEL AMPLIFICADORAmplifi cador de 5 canales PAB 5400
- Español
- Ajuste del equipo después de la instalación para obtener el mejor rendimiento DESPUÉS DE LA INSTALACIÓN
- Español
- ITALIANO Indice
- Italiano System designISTRUZIONI GENERALI PER L’INSTALLAZIONE Installazione
- Amplificatore a più canali Premium
- Italiano Amplificatore Mono Premium
- MODALITÀ D’USO DELL’AMPLIFICATOREAmplifi catore PAB 2100 a due canali
- Italiano
- MODALITÀ D’USO DELL’AMPLIFICATOREAmplifi catore a quattro canali PAB 4100
- Italiano
- MODALITÀ D’USO DELL’AMPLIFICATOREAmplifi catore a quattro canali PAB 4100
- Italiano
- MODALITÀ D’USO DELL’AMPLIFICATOREAmplifi catore a 5 canali PAB 5400
- Italiano
- Impostazione del sistema dopo l’installazione per ottenerne il massimo rendimento.DOPO L’INSTALLAZIONE
- Italiano
- PУССКИЙ Содержание
- Pусский Конструктивные параметры системы/Дизайн системыОБЩИЕ УКАЗАНИЯ ПО МОНТАЖУ Монтаж
- Многоканальный усилитель Premium
- Pусский Моно-усилитель Premium
- ПРИМЕНЕНИЯ УСИЛИТЕЛЕЙ2-КАНАЛЬНЫЙ УСИЛИТЕЛЬ PAB 2100
- Pусский
- ПРИМЕНЕНИЯ УСИЛИТЕЛЕЙ4-КАНАЛЬНЫЙ УСИЛИТЕЛЬ PAB 4100
- Pусский
- ПРИМЕНЕНИЯ УСИЛИТЕЛЕЙ4-КАНАЛЬНЫЙ УСИЛИТЕЛЬ PAB 4100
- Pусский
- ПРИМЕНЕНИЯ УСИЛИТЕЛЕЙ5-КАНАЛЬНЫЙ УСИЛИТЕЛЬ PAB 5400
- Pусский
- Настройка системы после монтажа для получения наилучшего эффекта звучания
- Pусский
- TECHNICAL DATA
- TECHNISCHE DATEN
- PAB 2100 / PAB 4100 / PAB 5400 / PAB 1200.1 D

