MB QUART PAB 4100: Pусский
Pусский: MB QUART PAB 4100
83
Pу сс ки й
MBQR-1
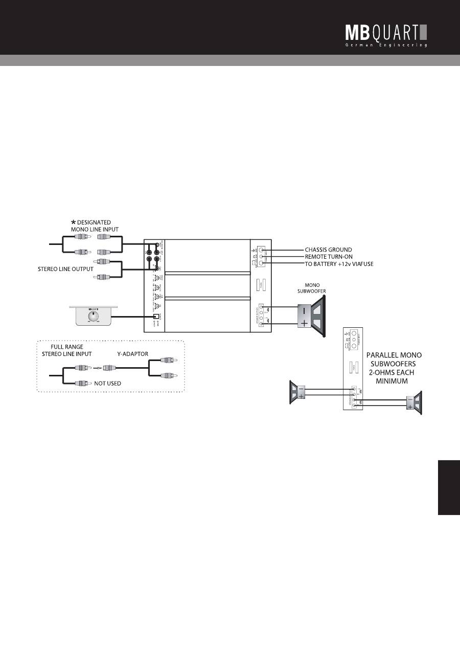
Основное применение
Контрольный перечень для соединений проводов:
- С помощью высококачественных Cinch-кабелей подключите входы (LINE IN)
на Cinch-выходы радиоприемника/CD-плеера или выходы полнодиапазонного
первичного усилителя. Возможно, для этого понадобится Y-адаптер, как показано
на рисунке.
- Используйте кабели динамиков сечением не менее 1,5 мм
²
. Эти усилители
располагают разъемами для дуальных динамиков, которые упрощают подключение
различных комбинаций динамиков.
Контрольный перечень для настройки регуляторов частоты перехода:
- LOW PASS: 35 Гц - 250 Гц
- SUBSONIC: 10 Гц - 50 Гц
- BASS EQ: 0 - 9 дБ
- PHASE: 0° - 180°
Контрольный перечень для регуляторов LEVEL:
Смотри раздел “Настройка
систем после монтажа для получения наилучшей мощности“.
Минимум для совокупных импедансов динамиков:
1 Ом
* Примечание: Вы можете использовать выход, обозначенный на радиоприемнике/CD-плеере в качестве моно-разъема, или полнодиапазонный стерео-выход.
Как показано на рисунке, для полнодиапазонных стерео-выходов вам дополнительно потребуется Y-адаптер.
ПРИМЕНЕНИЯ УСИЛИТЕЛЕЙ МОНО-УСИЛИТЕЛЬ PAB 1200.1
Оглавление
- IndexENGLISH
- English System design GENERAL INSTALLATION NOTES Installation
- AMPLIFIER FEATURE DESCRIPTION
- Premium Mono Amplifier AMPLIFIER FEATURE DESCRIPTION English
- AMPLIFIER APPLICATIONSPAB 2100 2-Channel Amplifi er
- English
- 4 channel full range system
- English
- Front/rear high pass, using a 2 channel amplifi er for mono sub bass
- English
- 3 way active, with mono bass
- English
- Troubleshooting a systemAFTER INSTALLATION Setting up systems after installation for best performance
- AFTER INSTALLATION
- DEUTSCH Inhaltsverzeichnis
- Deutsch SystemauslegungALLGEMEINE INSTALLATIONSANWEISUNGEN Installation
- Premium Mehrkanal-Verstärker
- Deutsch Premium Mono-Verstärker
- VERSTÄRKERANWENDUNGENPAB 2100 2-Kanal-Verstärker
- Deutsch
- VERSTÄRKERANWENDUNGENPAB 4100 4-Kanal-Verstärker
- Deutsch
- VERSTÄRKERANWENDUNGENPAB 4100 4-Kanal-Verstärker
- Deutsch
- VERSTÄRKERANWENDUNGENPAB 5400 5-Kanal-Verstärker
- Deutsch
- Einstellen der Anlage nach Installation zum Erzielen der besten LeistungNACH DER INSTALLATION
- Deutsch NACH DER INSTALLATION
- FRANÇAIS Sommaire
- Français Conception du système CONSIGNES D‘INSTALLATION GÉNÉRALES Installation
- Amplificateur multicanal Premium
- Français Amplificateur mono Premium
- APPLICATIONS DE L‘AMPLIFICATEURAmplifi cateur 2 canaux PAB 2100
- Français
- APPLICATIONS DE L‘AMPLIFICATEURAmplifi cateur 4 canaux PAB 4100
- Français
- APPLICATIONS DE L‘AMPLIFICATEURAmplifi cateur 4 canaux PAB 4100
- Français
- APPLICATIONS DE L‘AMPLIFICATEURAmplifi cateur 5 canaux PAB 5400
- Français
- Réglage de l‘installation pour obtenir les meilleures performances possibles APRÈS L‘INSTALLATION
- Français
- ESPAÑOL Índice
- Español Diseño del sistemaINSTRUCCIONES GENERALES PARA LA INSTALACIÓN Instalación
- Amplificador multicanal Premium
- Español Amplificador mono Premium
- APLICACIONES DEL AMPLIFICADORAmplifi cador de 2 canales PAB 2100
- Español
- APLICACIONES DEL AMPLIFICADORAmplifi cador de 4 canales PAB 4100
- Español
- APLICACIONES DEL AMPLIFICADORAmplifi cador de 4 canales PAB 4100
- Español
- APLICACIONES DEL AMPLIFICADORAmplifi cador de 5 canales PAB 5400
- Español
- Ajuste del equipo después de la instalación para obtener el mejor rendimiento DESPUÉS DE LA INSTALACIÓN
- Español
- ITALIANO Indice
- Italiano System designISTRUZIONI GENERALI PER L’INSTALLAZIONE Installazione
- Amplificatore a più canali Premium
- Italiano Amplificatore Mono Premium
- MODALITÀ D’USO DELL’AMPLIFICATOREAmplifi catore PAB 2100 a due canali
- Italiano
- MODALITÀ D’USO DELL’AMPLIFICATOREAmplifi catore a quattro canali PAB 4100
- Italiano
- MODALITÀ D’USO DELL’AMPLIFICATOREAmplifi catore a quattro canali PAB 4100
- Italiano
- MODALITÀ D’USO DELL’AMPLIFICATOREAmplifi catore a 5 canali PAB 5400
- Italiano
- Impostazione del sistema dopo l’installazione per ottenerne il massimo rendimento.DOPO L’INSTALLAZIONE
- Italiano
- PУССКИЙ Содержание
- Pусский Конструктивные параметры системы/Дизайн системыОБЩИЕ УКАЗАНИЯ ПО МОНТАЖУ Монтаж
- Многоканальный усилитель Premium
- Pусский Моно-усилитель Premium
- ПРИМЕНЕНИЯ УСИЛИТЕЛЕЙ2-КАНАЛЬНЫЙ УСИЛИТЕЛЬ PAB 2100
- Pусский
- ПРИМЕНЕНИЯ УСИЛИТЕЛЕЙ4-КАНАЛЬНЫЙ УСИЛИТЕЛЬ PAB 4100
- Pусский
- ПРИМЕНЕНИЯ УСИЛИТЕЛЕЙ4-КАНАЛЬНЫЙ УСИЛИТЕЛЬ PAB 4100
- Pусский
- ПРИМЕНЕНИЯ УСИЛИТЕЛЕЙ5-КАНАЛЬНЫЙ УСИЛИТЕЛЬ PAB 5400
- Pусский
- Настройка системы после монтажа для получения наилучшего эффекта звучания
- Pусский
- TECHNICAL DATA
- TECHNISCHE DATEN
- PAB 2100 / PAB 4100 / PAB 5400 / PAB 1200.1 D

