MB QUART PAB 4100: Italiano
Italiano: MB QUART PAB 4100
69
It al ia no
MBQR-1
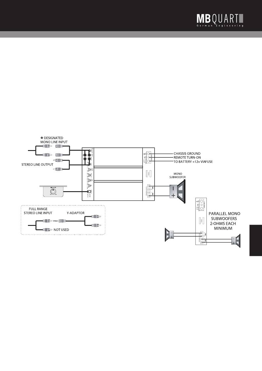
Applicazione base
Lista di controllo per i collegamenti con i cavi:
- Collegare le entrate (LINE IN) con cavi cinch di buona qualità alle uscite
cinch di un apparecchio radio/riproduttore CD e/o le uscite di un amplifi ca-
tore primario a gamma completa. A questo scopo utilizzare eventualmente,
come illustrato nel diagramma, un adattatore a Y.
- Utilizzare cavi dell’altoparlante con una sezione di almeno 1,5 mm². Questi
amplifi catori dispongono di terminali duali per altoparlanti che semplifi cano
la realizzazione di attacchi combinati all’altoparlante.
Lista di controllo per l’impostazione del regolatore delle frequenze
di transizione:
- LOW PASS: da 35 Hz a 250 Hz
- SUBSONIC: da 10 Hz a 50 Hz
- BASS EQ: da 0 a 9 dB
- PHASE: da 0 a 180 gradi
Lista di controllo per i regolatori LEVEL:
Vedere il capitolo „Impostazione del sistema dopo l’installazione per ottenere
il miglior rendimento“
Impedenze minime totali dell’altoparlante:
1 Ohm
* Indicazione: È possibile utilizzare l’uscita identifi cata come attacco Mono dell’apparecchio radio/riproduttore CD oppure un’uscita Stereo a gamma
completa. Come si può vedere nell’illustrazione per le uscite Stereo a gamma completa serve anche un adattatore a Y.
MODALITÀ D’USO DELL’AMPLIFICATORE Amplifi catore Mono PAB 1200.1 D
Оглавление
- IndexENGLISH
- English System design GENERAL INSTALLATION NOTES Installation
- AMPLIFIER FEATURE DESCRIPTION
- Premium Mono Amplifier AMPLIFIER FEATURE DESCRIPTION English
- AMPLIFIER APPLICATIONSPAB 2100 2-Channel Amplifi er
- English
- 4 channel full range system
- English
- Front/rear high pass, using a 2 channel amplifi er for mono sub bass
- English
- 3 way active, with mono bass
- English
- Troubleshooting a systemAFTER INSTALLATION Setting up systems after installation for best performance
- AFTER INSTALLATION
- DEUTSCH Inhaltsverzeichnis
- Deutsch SystemauslegungALLGEMEINE INSTALLATIONSANWEISUNGEN Installation
- Premium Mehrkanal-Verstärker
- Deutsch Premium Mono-Verstärker
- VERSTÄRKERANWENDUNGENPAB 2100 2-Kanal-Verstärker
- Deutsch
- VERSTÄRKERANWENDUNGENPAB 4100 4-Kanal-Verstärker
- Deutsch
- VERSTÄRKERANWENDUNGENPAB 4100 4-Kanal-Verstärker
- Deutsch
- VERSTÄRKERANWENDUNGENPAB 5400 5-Kanal-Verstärker
- Deutsch
- Einstellen der Anlage nach Installation zum Erzielen der besten LeistungNACH DER INSTALLATION
- Deutsch NACH DER INSTALLATION
- FRANÇAIS Sommaire
- Français Conception du système CONSIGNES D‘INSTALLATION GÉNÉRALES Installation
- Amplificateur multicanal Premium
- Français Amplificateur mono Premium
- APPLICATIONS DE L‘AMPLIFICATEURAmplifi cateur 2 canaux PAB 2100
- Français
- APPLICATIONS DE L‘AMPLIFICATEURAmplifi cateur 4 canaux PAB 4100
- Français
- APPLICATIONS DE L‘AMPLIFICATEURAmplifi cateur 4 canaux PAB 4100
- Français
- APPLICATIONS DE L‘AMPLIFICATEURAmplifi cateur 5 canaux PAB 5400
- Français
- Réglage de l‘installation pour obtenir les meilleures performances possibles APRÈS L‘INSTALLATION
- Français
- ESPAÑOL Índice
- Español Diseño del sistemaINSTRUCCIONES GENERALES PARA LA INSTALACIÓN Instalación
- Amplificador multicanal Premium
- Español Amplificador mono Premium
- APLICACIONES DEL AMPLIFICADORAmplifi cador de 2 canales PAB 2100
- Español
- APLICACIONES DEL AMPLIFICADORAmplifi cador de 4 canales PAB 4100
- Español
- APLICACIONES DEL AMPLIFICADORAmplifi cador de 4 canales PAB 4100
- Español
- APLICACIONES DEL AMPLIFICADORAmplifi cador de 5 canales PAB 5400
- Español
- Ajuste del equipo después de la instalación para obtener el mejor rendimiento DESPUÉS DE LA INSTALACIÓN
- Español
- ITALIANO Indice
- Italiano System designISTRUZIONI GENERALI PER L’INSTALLAZIONE Installazione
- Amplificatore a più canali Premium
- Italiano Amplificatore Mono Premium
- MODALITÀ D’USO DELL’AMPLIFICATOREAmplifi catore PAB 2100 a due canali
- Italiano
- MODALITÀ D’USO DELL’AMPLIFICATOREAmplifi catore a quattro canali PAB 4100
- Italiano
- MODALITÀ D’USO DELL’AMPLIFICATOREAmplifi catore a quattro canali PAB 4100
- Italiano
- MODALITÀ D’USO DELL’AMPLIFICATOREAmplifi catore a 5 canali PAB 5400
- Italiano
- Impostazione del sistema dopo l’installazione per ottenerne il massimo rendimento.DOPO L’INSTALLAZIONE
- Italiano
- PУССКИЙ Содержание
- Pусский Конструктивные параметры системы/Дизайн системыОБЩИЕ УКАЗАНИЯ ПО МОНТАЖУ Монтаж
- Многоканальный усилитель Premium
- Pусский Моно-усилитель Premium
- ПРИМЕНЕНИЯ УСИЛИТЕЛЕЙ2-КАНАЛЬНЫЙ УСИЛИТЕЛЬ PAB 2100
- Pусский
- ПРИМЕНЕНИЯ УСИЛИТЕЛЕЙ4-КАНАЛЬНЫЙ УСИЛИТЕЛЬ PAB 4100
- Pусский
- ПРИМЕНЕНИЯ УСИЛИТЕЛЕЙ4-КАНАЛЬНЫЙ УСИЛИТЕЛЬ PAB 4100
- Pусский
- ПРИМЕНЕНИЯ УСИЛИТЕЛЕЙ5-КАНАЛЬНЫЙ УСИЛИТЕЛЬ PAB 5400
- Pусский
- Настройка системы после монтажа для получения наилучшего эффекта звучания
- Pусский
- TECHNICAL DATA
- TECHNISCHE DATEN
- PAB 2100 / PAB 4100 / PAB 5400 / PAB 1200.1 D

