JVC GR-DVL9700: 8 SV
8 SV: JVC GR-DVL9700

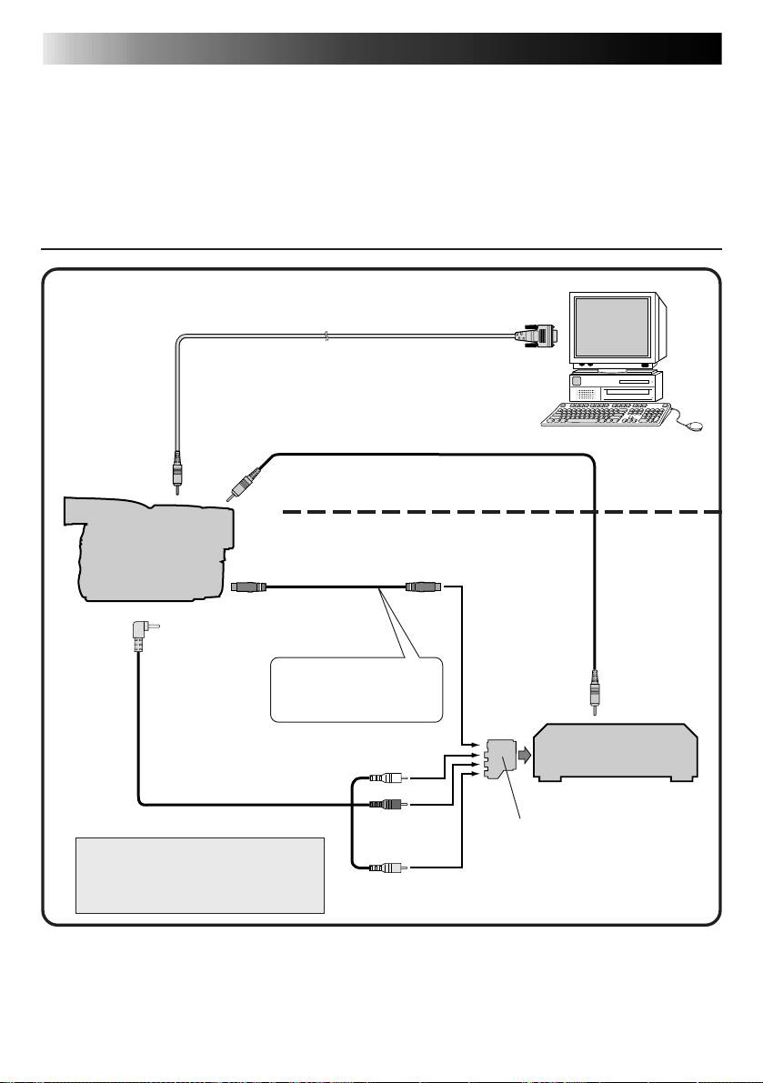
ANSLUTNINGAR
8 SV
n För att garantera säkerheten bör du kontrollera att alla enheter är avstängda innan du gör några
anslutningar.
n Vi rekommenderar att du använder nätadaptern/batteriladdaren.
n När du ansluter de medföljande kablarna bör du se till att kontakterna som har kärnskärmar
ansluts till videokameran.
n Anslut ingenting till videokamerans DV OUT-kontakt.
VID ANSLUTNING TILL EN VIDEOBANDSPELARE MED EN
JLIP-KONTAKT
Då JLIP Video Capture används:
Till COM-port
(RS-232C)
PC-anslutningskabel
PC
Till PC-kontakt
Till JLIP-kontakt
När JLIP Video Producer används:
Videokamera
S-VIDEO-kabel
Till S-VIDEO-
JLIP-kabel
Till S OUT-kontakt
ingång
Till
AV-kontakt
Anslut denna om
videon har en S-Video-
Till JLIP-kontakt
ingång.
Videobandspelare
Vit till
AUDIO L
(inspelande enhet)
AUDIO/VIDEO-kabel
Röd till
Om videobandspelaren
AUDIO R
har en SCART-kontakt,
ANM.:
använd kabeladaptern.
JLIP-kabeln kan bara användas med
videobandspelare från JVC som är
Gul till
försedda med JLIP-kontakt.
VIDEO

SV 9
VID ANSLUTNING TILL EN VIDEOBANDSPELARE UTAN JLIP-
KONTAKT
Om du använder en videobandspelare utan JLIP-uttag, ställ in märket på videobandspelaren med
fjärrkontrollen som medföljde videokameran. Redigera sedan med hjälp av fjärrkontrollen.
Då JLIP Video Capture används:
Till COM-port
(RS-232C)
PC-anslutningskabel
Använd kontakten med tre
gula ringar runt stiftet.
PC
Till PC-kontakt
Till JLIP-kontakt
När JLIP Video Producer används:
Videokamera
S-VIDEO-kabel
Till S-VIDEO-
Till S OUT-kontakt
Redigeringskabel
ingång
Till
AV-kontakt
Anslut denna om
Använd
videon har en S-Video-
kontakten med
ingång.
en svart ring
runt stiftet.
Till
Remote
Pause-
Om videobandspelaren
kontakt
har en SCART-kontakt,
använd kabeladaptern.
Videobandspelare
(inspelande enhet)
Vit till
AUDIO L
Anslut här om den
inspelande
bandspelaren saknar
AUDIO/VIDEO-kabel
Röd till
Remote Paus-kontakt.
AUDIO R
TW
Gul till
Fjärrkontroll
VIDEO
Table of contents
- 2 EN
- 4 EN
- 6 EN
- 8 EN
- 10 EN
- 12 EN
- 14 EN
- 16 EN
- 18 EN
- 20 EN
- 2 DE
- 4 DE
- 6 DE
- 8 DE
- 10 DE
- 12 DE
- 14 DE
- 16 DE
- 18 DE
- 20 DE
- 2 FR
- 4 FR
- 6 FR
- 8 FR
- 10 FR
- 12 FR
- 14 FR
- 16 FR
- 18 FR
- 20 FR
- 2 NE
- 4 NE
- 6 NE
- 8 NE
- 10 NE
- 12 NE
- 14 NE
- 16 NE
- 18 NE
- 20 NE
- 2 CA
- 4 CA
- 6 CA
- 8 CA
- 10 CA
- 12 CA
- 14 CA
- 16 CA
- 18 CA
- 20 CA
- 2 IT
- 4 IT
- 6 IT
- 8 IT
- 10 IT
- 12 IT
- 14 IT
- 16 IT
- 18 IT
- 20 IT
- 2 DA
- 4 DA
- 6 DA
- 8 DA
- 10 DA
- 12 DA
- 14 DA
- 16 DA
- 18 DA
- 20 DA
- 2 SU
- 4 SU
- 6 SU
- 8 SU
- 10 SU
- 12 SU
- 14 SU
- 16 SU
- 18 SU
- 20 SU
- 2 SV
- 4 SV
- 6 SV
- 8 SV
- 10 SV
- 12 SV
- 14 SV
- 16 SV
- 18 SV
- 20 SV
- 2 NO
- 4 NO
- 6 NO
- 8 NO
- 10 NO
- 12 NO
- 14 NO
- 16 NO
- 18 NO
- 20 NO
- 2 РУ
- 4 РУ
- 6 РУ
- 8 РУ
- 10 РУ
- 12 РУ
- 14 РУ
- 16 РУ
- 18 РУ
- 20 РУ






