JVC GR-DVL9700: 8 NE
8 NE: JVC GR-DVL9700

AANSLUITINGEN
8 NE
n Voor de veiligheid moet u alle toestellen uitschakelen alvorens verbindingen te maken.
n Gebruik bij voorkeur de netadapter/acculader.
n Steek indien aanwezig de uiteinden met het kernfilter van kabels in de overeenkomende
aansluiting op de camcorder.
n Maak geen verbinding met de DV OUT aansluiting van de camcorder.
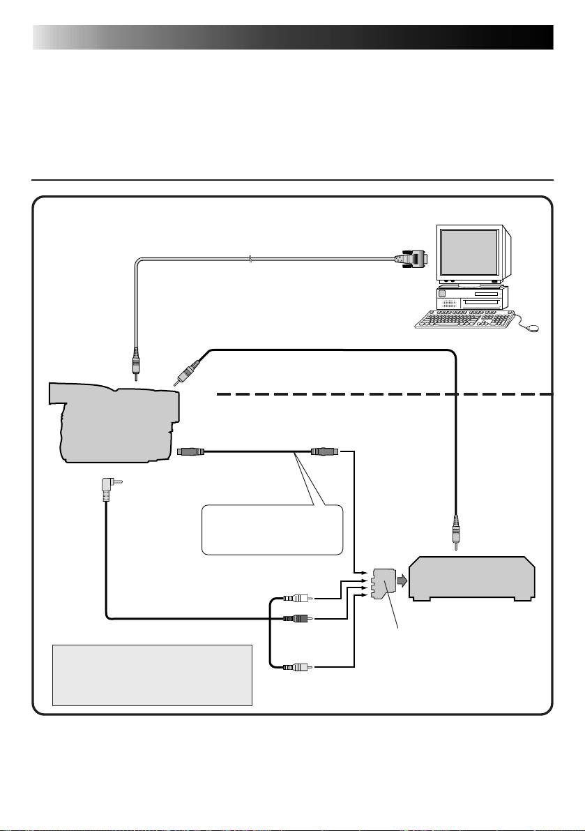
VERBINDEN MET EEN VIDEORECORDER DIE EEN JLIP
AANSLUITING HEEFT
Bij gebruik van JLIP Video Capture:
Naar COM
aansluiting
(RS-232C)
PC verbindingskabel
Computer (PC)
Naar PC
aansluiting
Naar JLIP aansluiting
Bij gebruik van JLIP Video Producer:
Camcorder
S-VIDEO kabel
Naar S-VIDEO
JLIP kabel
Naar S OUT aansluiting
ingangsaansluiting
Naar AV
aansluiting
Verbind deze indien het
videotoestel een S-video
Naar JLIP
ingangsaansluiting heeft.
aansluiting
Videorecorder
Wit met
AUDIO L
(opnamedeck)
AUDIO/VIDEO kabel
Rood met
Gebruik de kabeladapter
AUDIO R
indien uw videorecorder
OPMERKING:
een SCART aansluiting
De JLIP kable kan alleen gebruikt
heeft.
worden met JVC videorecorders die
Geel met
VIDEO
zijn uitgerust met een JLIP aansluiting.

NE 9
VERBINDEN MET EEN VIDEORECORDER DIE GEEN JLIP
AANSLUITING HEEFT
Bij gebruik van een videorecorder die geen JLIP aansluiting heeft, moet u het merk van de
videorecorder instellen met de afstandsbediening die met de videocamera meegeleverd werd
en vervolgens de montage met die afstandsbediening uitvoeren.
Bij gebruik van JLIP Video Capture:
Naar COM
aansluiting
(RS-232C)
PC verbindingskabel
Gebruik de stekker met drie
gele ringen rond de pen.
Computer (PC)
Naar PC
aansluiting
Naar JLIP aansluiting
Bij gebruik van JLIP Video Producer:
Camcorder
S-VIDEO kabel
Naar S-VIDEO
Naar S OUT aansluiting
ingangsaansluiting
Montagekabel
Naar AV
aansluiting
Gebruik de
Verbind deze indien het
stekker die
videotoestel een S-video
één zwarte
ingangsaansluiting heeft.
ring rond de
pen heeft.
Naar
afstands-
Gebruik de kabeladapter
pauze-
indien uw videorecorder
aansluiting
een SCART aansluiting
heeft.
Videorecorder
(opnamedeck)
Wit met
AUDIO L
Sluit hierop aan als
de opnemende video-
recorder geen
AUDIO/VIDEO kabel
Rood met
afstandspauzeaan-
AUDIO R
sluiting heeft.
TW
Geel met
Afstandsbediening
VIDEO
Table of contents
- 2 EN
- 4 EN
- 6 EN
- 8 EN
- 10 EN
- 12 EN
- 14 EN
- 16 EN
- 18 EN
- 20 EN
- 2 DE
- 4 DE
- 6 DE
- 8 DE
- 10 DE
- 12 DE
- 14 DE
- 16 DE
- 18 DE
- 20 DE
- 2 FR
- 4 FR
- 6 FR
- 8 FR
- 10 FR
- 12 FR
- 14 FR
- 16 FR
- 18 FR
- 20 FR
- 2 NE
- 4 NE
- 6 NE
- 8 NE
- 10 NE
- 12 NE
- 14 NE
- 16 NE
- 18 NE
- 20 NE
- 2 CA
- 4 CA
- 6 CA
- 8 CA
- 10 CA
- 12 CA
- 14 CA
- 16 CA
- 18 CA
- 20 CA
- 2 IT
- 4 IT
- 6 IT
- 8 IT
- 10 IT
- 12 IT
- 14 IT
- 16 IT
- 18 IT
- 20 IT
- 2 DA
- 4 DA
- 6 DA
- 8 DA
- 10 DA
- 12 DA
- 14 DA
- 16 DA
- 18 DA
- 20 DA
- 2 SU
- 4 SU
- 6 SU
- 8 SU
- 10 SU
- 12 SU
- 14 SU
- 16 SU
- 18 SU
- 20 SU
- 2 SV
- 4 SV
- 6 SV
- 8 SV
- 10 SV
- 12 SV
- 14 SV
- 16 SV
- 18 SV
- 20 SV
- 2 NO
- 4 NO
- 6 NO
- 8 NO
- 10 NO
- 12 NO
- 14 NO
- 16 NO
- 18 NO
- 20 NO
- 2 РУ
- 4 РУ
- 6 РУ
- 8 РУ
- 10 РУ
- 12 РУ
- 14 РУ
- 16 РУ
- 18 РУ
- 20 РУ






