JVC GR-DVL9700: 8 SU
8 SU: JVC GR-DVL9700

LIITÄNNÄT
8 SU
n Varmista turvallisuuden vuoksi ennen liitäntöjen tekemistä, että kaikista laitteista on
katkaistu virta.
n Suosittelemme käytettäväksi verkkolaitetta/lataajaa.
n Kun liität varusteisiin kuuluvat johdot, kytke kameranauhuriin ydinsuodattimella varustetut
liittimet.
n Älä liitä mitään kameranauhurin DV OUT-liittimeen.
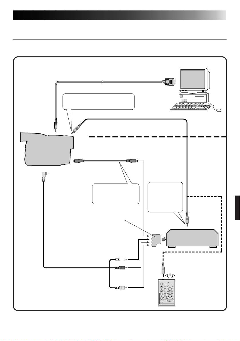
LIITÄNTÄ KUVANAUHURIIN, JOSSA ON JLIP-LIITIN
Käytettäessä JLIP Video Capure-ohjelmistoa
COM-porttiin
(RS-232C)
PC liitäntäjohto
Tietokone (PC)
PC-liittimeen
JLIP-liittimeen
Käytettäessä JLIP Video Producer-
ohjelmistoa:
Kameranauhuri
S-VIDEO johto
JLIP-johto
S-VIDEO
S OUT-liittimeen
tuloliittimeen
AV-
(S-kuva)
liittimeen
Liitä tämä, jos
videolaitteessa on
JLIP-liittimeen
S-kuvan tuloliitin.
Valkoinen liittimeen
Kuvanauhuri
AUDIO L (vasen ääni)
(nauhoittava dekki)
AUDIO/VIDEO-johto
Punainen
liittimeen AUDIO
Jos kuvanauhurissasi on
HUOM!
R (oikea ääni)
SCART-liitin, käytä
JLIP-johtoa voidaan käyttää
johtosovitinta.
ainoastaan sellaisten JVC-
Keltainen liitimeen
videonauhureiden kanssa,
VIDEO (kuva)
joissa on JLIP-liitin.

SU 9
LIITETTÄESSÄ KUVANAUHURIIN, JOSSA EI OLE REMOTE
PAUSE-LIITÄNTÄÄ
Kun käytät kuvanauhuria, jossa ei ole JLIP-liitintä, säädä kuvanauhurin merkki videokameran
varusteisiin kuuluvalla kauko-ohjaimella ja editoi sitten kauko-ohjaimella.
Käytettäessä JLIP Video Capure-ohjelmistoa
COM-porttiin
(RS-232C)
PC liitäntäjohto
Käytä pistoketta, jossa on kolme
keltaista rengasta tapin ympärillä.
Tietokone (PC)
PC-liittimeen
JLIP-liittimeen
Käytettäessä JLIP Video Producer-
ohjelmistoa:
Kameranauhuri
S-VIDEO johto
S-VIDEO
S OUT-liittimeen
Editointijohto
tuloliittimeen
AV-
(S-kuva)
liittimeen
Käytä
Liitä tämä, jos
pistoketta, jossa
videolaitteessa on
on yksi musta
S-kuvan tuloliitin.
rengas tapin
ympärillä.
Remote
Pause-
Jos kuvanauhurissasi on
liittimeen
SCART-liitin, käytä
johtosovitinta.
Kuvanauhuri
(nauhoittava dekki)
Valkoinen liittimeen
AUDIO L (vasen ääni)
Liitä tähän, jos
nauhoittavassa
dekissä ei ole
kaukotaukoliitintä.
AUDIO/VIDEO-johto
Punainen
liittimeen AUDIO
R (oikea ääni)
TW
Keltainen liitimeen
Kauko-ohjaimeen
VIDEO (kuva)
Table of contents
- 2 EN
- 4 EN
- 6 EN
- 8 EN
- 10 EN
- 12 EN
- 14 EN
- 16 EN
- 18 EN
- 20 EN
- 2 DE
- 4 DE
- 6 DE
- 8 DE
- 10 DE
- 12 DE
- 14 DE
- 16 DE
- 18 DE
- 20 DE
- 2 FR
- 4 FR
- 6 FR
- 8 FR
- 10 FR
- 12 FR
- 14 FR
- 16 FR
- 18 FR
- 20 FR
- 2 NE
- 4 NE
- 6 NE
- 8 NE
- 10 NE
- 12 NE
- 14 NE
- 16 NE
- 18 NE
- 20 NE
- 2 CA
- 4 CA
- 6 CA
- 8 CA
- 10 CA
- 12 CA
- 14 CA
- 16 CA
- 18 CA
- 20 CA
- 2 IT
- 4 IT
- 6 IT
- 8 IT
- 10 IT
- 12 IT
- 14 IT
- 16 IT
- 18 IT
- 20 IT
- 2 DA
- 4 DA
- 6 DA
- 8 DA
- 10 DA
- 12 DA
- 14 DA
- 16 DA
- 18 DA
- 20 DA
- 2 SU
- 4 SU
- 6 SU
- 8 SU
- 10 SU
- 12 SU
- 14 SU
- 16 SU
- 18 SU
- 20 SU
- 2 SV
- 4 SV
- 6 SV
- 8 SV
- 10 SV
- 12 SV
- 14 SV
- 16 SV
- 18 SV
- 20 SV
- 2 NO
- 4 NO
- 6 NO
- 8 NO
- 10 NO
- 12 NO
- 14 NO
- 16 NO
- 18 NO
- 20 NO
- 2 РУ
- 4 РУ
- 6 РУ
- 8 РУ
- 10 РУ
- 12 РУ
- 14 РУ
- 16 РУ
- 18 РУ
- 20 РУ






