JVC GR-DVL9200: 10 FR
10 FR: JVC GR-DVL9200

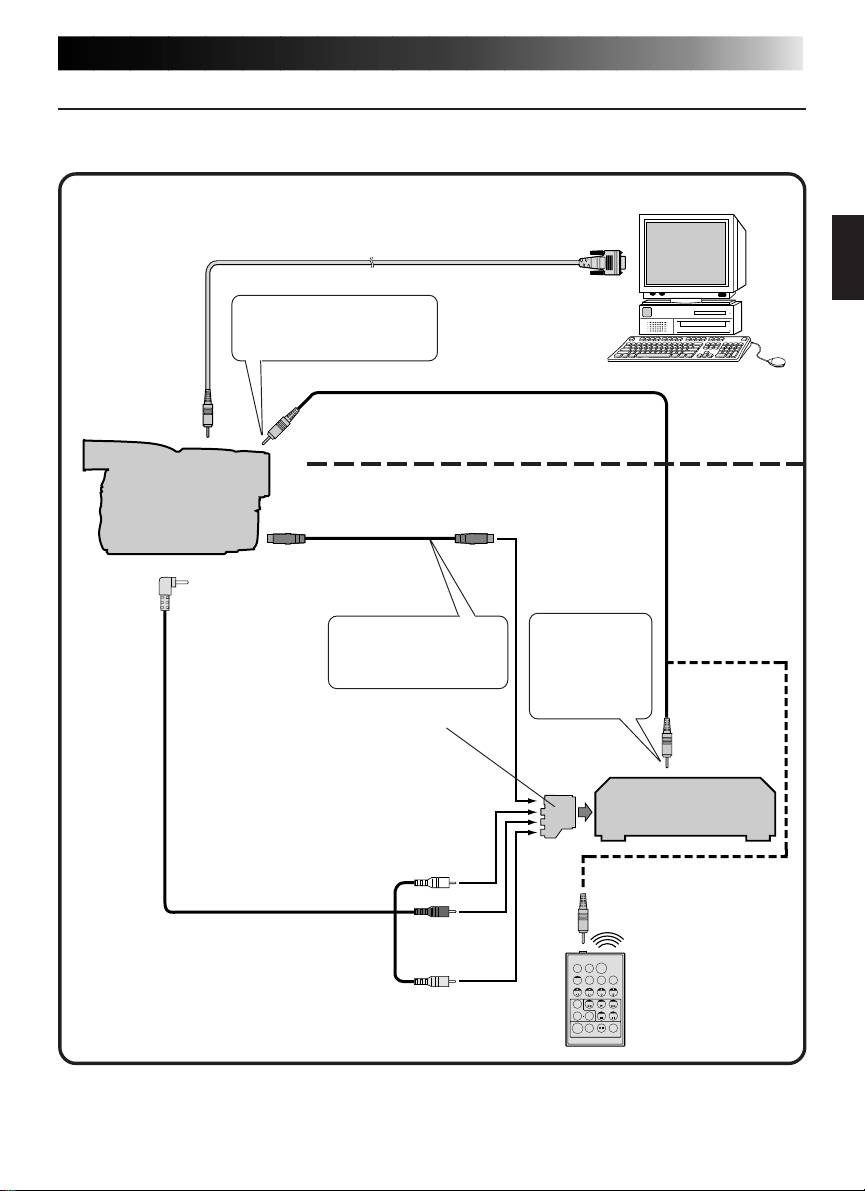
RACCORDEMENTS
10 FR
n Pour des raisons de sécurité, bien s'assurer que l'alimentation de tous les appareils est
coupée avant de faire des raccordements.
n Nous vous recommandons d'utiliser l'adaptateur secteur/chargeur.
n En branchant un câble avec un filtre en ligne fixé, bien brancher la fiche avec le filtre en
ligne au camescope.
n Ne pas faire de raccordements à la prise DV OUT du camescope.
EN UTILISANT UN MAGNETOSCOPE DISPOSANT D'UNE PRISE JLIP
Lorsque JLIP Video Capture est utilisé:
Vers port COM
(RS-232C)
Câble de raccordement PC
PC
Vers prise PC
Vers prise JLIP
Lorsque JLIP Video Producer est utilisé:
Camescope
Câble S-VIDEO
Vers prise d'entrée
Câble JLIP
Vers prise S OUT
S-VIDEO
Vers prise
AV
Raccorder ceci si
l'appareil vidéo a une
Vers prise JLIP
prise d'entrée S-Video.
Blanc vers
Magnétoscope
AUDIO L
(Enregistreur)
Si votre magnétoscope dispose
Câble AUDIO/VIDEO
Rouge vers
d'une prise péritélévision, utiliser
AUDIO R
l'adaptateur de câble.
REMARQUE:
Placer le commutateur Y/C-CVBS
Le câble JLIP ne peut être utilisé
sur Y/C si votre magnétoscope
Jaune vers
qu’avec des magnétoscopes JVC
accepte le S-VHS sur sa prise péritel,
VIDEO
disposant d’une prise JLIP.
sur CVBS dans les autres cas.

FR 11
EN UTILISANT UN MAGNETOSCOPE SANS PRISE JLIP
En utilisant un magnétoscope sans prise JLIP, régler la marque de votre magnétoscope en
utilisant la télécommande, puis effectuer le montage en utilisant la télécommande.
Lorsque JLIP Video Capture est utilisé:
Vers port COM
(RS-232C)
Câble de raccordement PC
Utiliser la fiche qui a trois
bagues jaunes autour de la
broche.
PC
Vers prise PC
Vers prise JLIP
Lorsque JLIP Video Producer est utilisé:
Camescope
Câble S-VIDEO
Vers prise d'entrée
Vers prise S OUT
S-VIDEO
Câble de montage
Vers prise
AV
Raccorder ceci si
Utiliser la fiche
l'appareil vidéo a une
qui a une
prise d'entrée S-Video.
bague noire
autour de la
broche.
Si votre magnétoscope dispose
Vers prise de
d'une prise péritélévision, utiliser
pause de télé-
l'adaptateur de câble.
commande
Placer le commutateur Y/C-CVBS
sur Y/C si votre magnétoscope
Magnétoscope
accepte le S-VHS sur sa prise péritel,
(Enregistreur)
sur CVBS dans les autres cas.
Blanc vers
AUDIO L
Raccorder ici si
l’enregistreur n’a pas de
prise de pause de
Câble AUDIO/VIDEO
Rouge vers
télécommande.
AUDIO R
TW
Jaune vers
Télécommande
VIDEO
Table of contents
- 2 EN
- 4 EN
- 6 EN
- 8 EN
- 10 EN
- 12 EN
- 14 EN
- 16 EN
- 18 EN
- 2 DE
- 4 DE
- 6 DE
- 8 DE
- 10 DE
- 12 DE
- 14 DE
- 16 DE
- 18 DE
- 2 FR
- 4 FR
- 6 FR
- 8 FR
- 10 FR
- 12 FR
- 14 FR
- 16 FR
- 18 FR
- 2 NE
- 4 NE
- 6 NE
- 8 NE
- 10 NE
- 12 NE
- 14 NE
- 16 NE
- 18 NE
- 2 CA
- 4 CA
- 6 CA
- 8 CA
- 10 CA
- 12 CA
- 14 CA
- 16 CA
- 18 CA
- 2 IT
- 4 IT
- 6 IT
- 8 IT
- 10 IT
- 12 IT
- 14 IT
- 16 IT
- 18 IT
- 2 DA
- 4 DA
- 6 DA
- 8 DA
- 10 DA
- 12 DA
- 14 DA
- 16 DA
- 18 DA
- 2 SU
- 4 SU
- 6 SU
- 8 SU
- 10 SU
- 12 SU
- 14 SU
- 16 SU
- 18 SU
- 2 SV
- 4 SV
- 6 SV
- 8 SV
- 10 SV
- 12 SV
- 14 SV
- 16 SV
- 18 SV
- 2 NO
- 4 NO
- 6 NO
- 8 NO
- 10 NO
- 12 NO
- 14 NO
- 16 NO
- 18 NO
- 2 РУ
- 4 РУ
- 6 РУ
- 8 РУ
- 10 РУ
- 12 РУ
- 14 РУ
- 16 РУ
- 18 РУ






