JVC GR-DVL9200: 10 DA
10 DA: JVC GR-DVL9200

TILSLUTNINGER
10 DA
n Sørg af sikkerhedsgrunde for, at der er slukket for samtlige apparater, inden De udfører nogen
tilslutninger.
n Vi anbefaler, at De anvender lysnetadapter/opladeren.
n Når De sætter et kabel med støjfilter i forbiindelse, skal De sørge for at sætte, konnekteren
med støjfilteret, i camcorderen.
n Udfør ikke nogen tilslutninger til camcorderens DV OUT-konnektor.
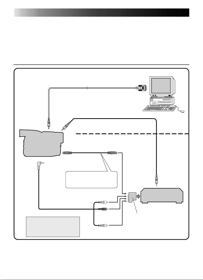
VED TILSLUTNING TIL EN VIDEOBÅNDOPTAGER, SOM HAR ET
JLIP-JACKSTIK
Hvis JLIP Video Capture anvendes:
Til COM port
(RS-232C)
PC forbindelseskabel
PC’er
Til PC-jackstik
Til JLIP-jackstik
Hvis JLIP Video Producer anvendes:
Camcorder
S-VIDEO kabel
Til S-VIDEO
JLIP-kabel
Til S OUT-jackstik
indgangsjackstik
Til
AV-jackstik
Sæt dette kabel i forbindelse,
hvis videoen har et S-Video
Til JLIP-jackstik
indgangsjackstik.
Hvid i
Videobåndoptager
AUDIO L
(optage-båndoptager)
AUDIO/VIDEO-kabel
Rød i
Anvend kabeladapteren, hvis
AUDIO R
BEMÆRK:
Deres videobåndopager har en
JLIP-kablet kan kun anvendes
SCART-bøsning.
med JVC videobåndoptagere,
Gul i
som har et JLIP- jackstik.
VIDEO

DA 11
VED TILSLUTNING TIL EN VIDEOBÅNDOPTAGER, SOM IKKE
HAR NOGET JLIP-JACKSTIK
Hvis De anvender en videobåndoptager, som ikke har noget JLIP-jackstik, skal De indstille
Deres videobåndoptagers fabrikat med fjernbetjeningen, og derefter udføre redigering med
fjernbetjeningen.
Hvis JLIP Video Capture anvendes:
Til COM port
(RS-232C)
PC forbindelseskabel
Anvend stikket med de tre gule
ringe omkring stikproppen.
PC’er
Til PC-jackstik
Til JLIP-jackstik
Hvis JLIP Video Producer anvendes:
Camcorder
S-VIDEO kabel
Til S-VIDEO
Til S OUT-jackstik
indgangsjackstik
Redigeringskabel
Til
AV-jackstik
Sæt dette kabel i forbindelse,
Anvend stikket
hvis videoen har et S-Video
med en sort
indgangsjackstik.
ring omkring
stikproppen.
Til
fjernbetje-
Anvend kabeladapteren, hvis
nings-
Deres videobåndopager har en
jackstik
SCART-bøsning.
Videobåndoptager
(optage-båndoptager)
Hvid i
AUDIO L
Tilslut her, hvis optage-
båndoptageren ikke
har nogen
AUDIO/VIDEO-kabel
Rød i
fjernbetjening-
AUDIO R
spausejack.
TW
Gul i
Fjernbetjening
VIDEO
Table of contents
- 2 EN
- 4 EN
- 6 EN
- 8 EN
- 10 EN
- 12 EN
- 14 EN
- 16 EN
- 18 EN
- 2 DE
- 4 DE
- 6 DE
- 8 DE
- 10 DE
- 12 DE
- 14 DE
- 16 DE
- 18 DE
- 2 FR
- 4 FR
- 6 FR
- 8 FR
- 10 FR
- 12 FR
- 14 FR
- 16 FR
- 18 FR
- 2 NE
- 4 NE
- 6 NE
- 8 NE
- 10 NE
- 12 NE
- 14 NE
- 16 NE
- 18 NE
- 2 CA
- 4 CA
- 6 CA
- 8 CA
- 10 CA
- 12 CA
- 14 CA
- 16 CA
- 18 CA
- 2 IT
- 4 IT
- 6 IT
- 8 IT
- 10 IT
- 12 IT
- 14 IT
- 16 IT
- 18 IT
- 2 DA
- 4 DA
- 6 DA
- 8 DA
- 10 DA
- 12 DA
- 14 DA
- 16 DA
- 18 DA
- 2 SU
- 4 SU
- 6 SU
- 8 SU
- 10 SU
- 12 SU
- 14 SU
- 16 SU
- 18 SU
- 2 SV
- 4 SV
- 6 SV
- 8 SV
- 10 SV
- 12 SV
- 14 SV
- 16 SV
- 18 SV
- 2 NO
- 4 NO
- 6 NO
- 8 NO
- 10 NO
- 12 NO
- 14 NO
- 16 NO
- 18 NO
- 2 РУ
- 4 РУ
- 6 РУ
- 8 РУ
- 10 РУ
- 12 РУ
- 14 РУ
- 16 РУ
- 18 РУ






